MRP运行管理规定
- 格式:doc
- 大小:34.00 KB
- 文档页数:2
4.2 采购担当 : 购买情报输入及管理4.3 采购管理 : 单价输入及管理4.4 资材管理 : 入库及出库4.5 生产管理 : 中长期生产计划编成及管理第五条权限5.1 订单在订单上提示的数量要全量入库, 对从协力业体购入的原材料有赔偿责任。
5.2 发注预示书在发注预示书上提示的数量没有协力业体的入库责任和本公司不用资材时的赔偿责任。
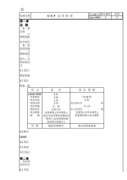
第三章业务顺序第六条发注运营6.1 订单发行确定周单位计划之后, 开展 BOM , 算出周单位需要量 ( MRP ) , 依据电算把记载购买 LEAD TIME , 业体单价等的购买、发注情报的订单, 自动发注。
6.2 订单传达及保管发行 1 份订单, 购买担当盖章之后, 向业体分发 FAX 一份由购买担当保管, 业体确认后, 回 FAX, 由购买担当保管.6.3 发注量入库第七条购买情报7.1 购买情报的构成 : 购买情报是指使资材的供求平衡的基本情报。
7.1.1 内容 : 购买 LEAD TIME , 发注率, 单位发注期间, 确定发注期间, 发注倍数量, 最小发注量, 购买单价, 购买业体, 发注制度, 安全库存量。
7.2 购买情报的管理资材筹措组每周 1 次周一作成部门别、购买担当别业体管理资料现况及购买未登记 LIST , 周二向相关部门反馈。
7.3 购买 LEAD TIME 运营7.3.1 发注时调查购买 LEAD TIME 确定纳期。
7.3.2 为生产计划稳定及在库减少, 尽量缩短 LEAD TIME。
7.3.3 资材筹措组每周 1 次作成部门别、购买担当别、业体别、ITEM 别 LEADTIME ,采取措施缩短 LEAD TIME 。
第八条发注率运营8.1 每月作成从 2 个以上业体购买的资材发注比率现况 LIST 。
8.2 确认发注比率之合是否是 100 %, 比率分割是否适当。
8.3 资材筹措组作成发注比率调整品议并输入。
第九条发注制度9.1 单位发注区间为 14 天 ( 2 周 )9.2 确定发注区间为 28 天 ( 4 周 )9.3 资材筹措组总体管理发注制度, 发生异常时调整。
MRP采购管理实施介绍引言MRP〔材料需求方案〕采购管理是一种方案、协调和控制企业在生产上所需的材料的活动。
MRP采购管理的目标是根据销售预测和产能要求,确定所需的材料种类和数量,并优化采购流程以满足企业生产需求。
本文将介绍MRP采购管理的实施过程,包括需求方案、采购订单、供给商管理和物流控制等方面。
需求方案需求方案是MRP采购管理的根底,它主要通过分析过去的销售数据和当前的产品需求来确定将来的销售预测。
在需求方案阶段,企业应该准备好相关的数据和软件工具,以便能够根据历史销售数据和当前需求情况进行准确的预测。
需求方案不仅包括销售订单的数量,还包括生产方案、库存水平和供给链信息等。
采购订单采购订单是根据需求方案生成的,确定了所需材料的种类、数量和交付日期等详细信息。
一旦生成采购订单,企业就可以将其发送给供给商,以便供给商根据订单的要求进行产能规划和物料采购。
采购订单的编制和发放可以通过MRP软件系统来自动完成,这样可以减少人工错误和提高工作效率。
在生成采购订单之前,企业应该进行供给商选择和评估,并与供给商达成一致,以确保供给商能够按时交付所需材料。
在采购订单中,还应该包括供给商的联系信息,以便企业能够实时跟踪订单的进展情况。
供给商管理供给商管理是MRP采购管理的另一个重要方面。
企业应该与供给商建立稳定的合作关系,以确保供给链的稳定性。
供给商选择和评估应该基于供给商的质量、交货能力、价格和效劳等方面的考虑。
企业可以通过与供给商签订长期合作协议、共享信息和建立供给商评估体系等方式来加强与供给商的合作关系。
在供给商管理中,企业还可以通过供给链协作平台和供给链金融等工具来优化供给链的效率和透明度。
这些工具可以帮助企业实时跟踪订单状态、库存水平和供给商绩效等信息,从而及时调整和优化供给链方案。
物流控制物流控制是MRP采购管理的最后一个阶段。
它主要包括物料的运输、仓储和配送等环节。
在物流控制中,企业应该根据采购订单和需求方案,制定合理的物流方案,包括运输时间、运输方式和配送路径等。
MRP系统使用管理规定为了保障MRP系统的正常运行,维护MRP系统运行的稳定性和畅通性。
更为了使MRP系统发挥其在各部门中的最大实用性,提高工作效率特制订本规范。
1 生产、采购、仓库、技术各部门按照所发行的部门作业规范的流程操作。
若未按作业规范操作而阻碍了系统的正常运行,一经发现予以重罚。
2若在使用MRP系统过程中系统长时间停止响应无法使用则关闭后重新再开,一般再次打开可能会出现无法打开或进入系统则按照如下两个方法操作:A 删除C盘下Fsuser文件夹下的所有文件,Fsuser文件夹留空。
B 退出应用程序重新启动电脑,再删除C盘下Fsuser文件夹下的所有文件,Fsuser文件夹留空。
如果按照以上方法仍无法打开则通知系统管理员。
3 装有MRP系统的电脑每开机都会提示登录到一个域,该域名为Mrpdomain,用户名则为各电脑的标识名(可查看电脑中网上邻居—属性—标识—计算机名)。
4 每天中午12点,下午6点15分,打开MRP系统的操作人员要及时关闭MRP系统。
系统管理员将关闭系统服务程序进行MRP计划批处理及数据库备份。
时间大约10分钟左右。
操作人员根据各自情况提前做好退出准备。
5装有并使用MRP系统的电脑对于其所安装软件有严格要求,一般只能安装常用和必须的办公软件及杀毒软件。
如果确实有其它要求需经过系统管理员许可。
6 停电后外连有UPS不间断电源的终端用户必须在5分钟之内退出MRP系统,及时关掉电脑电源。
7若不使用MRP系统时,请及时退出MRP系统不要打开系统长期挂在服务器上。
挂在服务器上的用户名越多越会产生运行慢,系统阻塞,数据丢失等严重情况。
8在使用MRP系统时尽量不要打开太多的应用程序,打开的应用程序多也将导致系统运行慢。
9若有部门新增MRP系统的操作人员,则通知管理员进行安装MRP系统客户端并增加用户名。
另系统管理员有义务对其发放部门操作规范并教会其使用MRP系统。
10若因部门调动而引起系统操作人员调动,应通知系统管理员。
运营管理物料需求计划MRP运营管理物料需求计划(MRP)是一个重要的供应链管理工具,用于规划和控制物料的采购和生产,以确保企业按时、按量地满足客户的需求。
本文将详细介绍MRP的定义、目的、步骤以及如何有效执行MRP计划,以提高运营效率和客户满意度。
一、MRP的定义和目的MRP是基于主生产计划(MPS)和物料清单(BOM)的需求计划工具,用于计划所需的原材料、零部件和子装配件,以满足最终产品的生产需求。
其目的是最大程度地减少库存成本、提高生产和交付的效率,并确保生产计划的准确性和及时性。
二、MRP的步骤1.确定MPS: MPS是基于业务需求和销售预测的生产计划,包括产品类型、数量和交付时间等信息。
根据MPS,确定所需零部件和原材料的清单。
2.制定物料清单:物料清单列出了每个产品所需的零部件、原材料和子装配件。
清单中包括每个物料的名称、数量和所需交付时间。
3.确定库存水平:通过分析历史销售数据和预测需求,确定所需的库存水平。
这可以帮助企业避免过高或过低的库存。
4.计算净需求:通过比较MPS和物料清单,计算出每个零部件和原材料的净需求量。
净需求量等于所需数量减去库存量。
5.制定采购计划:根据净需求量,制定采购计划,包括采购数量、采购日期和供应商信息。
采购计划应与供应商进行沟通,并确保及时供货。
6.制定生产计划:根据净需求量,制定生产计划,包括生产数量、生产日期和生产线信息。
生产计划应与生产部门进行沟通,并确保生产线的协调运作。
7.监控执行情况:定期监控采购和生产的执行情况,确保按计划进行,并及时调整计划,以应对突发情况和变化的需求。
三、执行MRP计划的注意事项1.有效的信息共享:确保MPS、物料清单和库存数据的准确性和及时性。
各部门之间应进行有效的沟通和协作,以便及时了解所需物料的变化。
2.建立稳定的供应链合作关系:与供应商建立长期合作关系,以确保稳定的供货和优惠的价格。
同时,与生产部门建立良好的合作关系,以确保生产计划的顺利执行。
IEC 62439-2标准是针对工业自动化和控制系统领域的通信网络和设备的标准,涵盖了制造运行管理(MRP,Manufacturing Run Management)的概念和相关技术。
MRP在IEC 62439-2标准中主要涉及以下几个方面:
1. 概述:MRP是用于实现制造过程自动化和生产运行管理的一种方法。
它通过实时数据采集、处理和分析,提供生产过程中的关键信息,以优化生产计划、调度和控制。
2. 通信协议:IEC 62439-2标准定义了一种基于以太网的通信协议,用于在生产设备、自动化系统和上层管理系统之间进行数据交换。
这种协议支持高速、实时、可靠的数据传输,满足工业自动化和控制系统的要求。
3. 数据模型:MRP数据模型定义了用于描述生产过程的各种数据结构,包括生产订单、物料清单(BOM)、库存信息、设备状态等。
通过这些数据结构,生产过程的相关信息可以在不同层次的系统中进行集成和交换。
4. 应用接口:IEC 62439-2标准提供了一组应用接口,用于实现生产过程监控、调度和优化。
这些接口包括:
- 生产计划接口:用于接收和发送生产计划信息,实现生产计划的动态调整和优化。
- 设备监控接口:用于实时监控设备运行状态,获取设备性能数据,以便对设备进行故障诊断和维护。
- 物料管理接口:用于实现物料的库存管理、配送和跟踪,以保证生产过程的顺利进行。
- 质量控制接口:用于收集和处理产品质量数据,实现产品质量的实时监控和控制。
5. 安全与可靠性:IEC 62439-2标准强调了生产自动化系统的安全性和可靠性。
通过采用实时以太网通信、容错设计、数据加密等技术,确保生产过程中的数据安全和设备运行稳定。
第十一章MRP管理体系的内容与效益本章是「工作原理」部分的最后一章,我们要(1)归纳性、简要地说明MRP管理体系的内容,同时(2)回顾MRP系统发展的需求与过程;(3)说明MRP可以创造的效益;(4)说明MRP的应用所受管理新观念的影响。
■MRP管理体系的内容本书所称MRP管理体系中,管理信息系统(MIS)在范围、架构与功能上,大致与「制造资源规划系统」(MRPⅡ)相当,但删除了CRP(产能需求规划)以及“用详细的信息来记录、追踪、控制制造车间活动(SFC)的功能”,改用刚好及时(JIT)生产管理的观念来简化执行作业(如用料的倒扣作法),并增加了制造企业日渐普遍的需求,如委外加工管理、多币别的帐款与期票处理功能、产供销系统与财务系统间自动集成的功能…等,请参考表11.1。
我们在下一章中会对JIT的观念做进一步的说明。
238MRP/ERP管理技术〔表11.1本书MRP体系的内容〕MRP管理应用技术,在「规划面」强调了销售预测、产销排程、物料需求规划三者。
我个人常将这三种规划功能合称作「通盘规划」,用来解决制造企业经常面临的管理难题:(1)工程设计讲求「群组技术」的应用,产生了愈来愈多的共用料件,造成手工管理下无法正确计算采购、制造、委外数量的「管理死结」,更使料件「配套」管理日趋困难;(2)由于接单的前置时间愈来愈短、部分关键零组件须向国外购料,因而迫使呆料和缺料状况日益严重。
MRP管理应用技术,在「执行面」采取了世界级制造(WCM)中厂内厂(Plants within a Plant)的管理精神,以及JIT简化车间管理工作的精神。
本书将MRP管理体系分成了「信息系统」与「应用技术」两大部分,是便于观念的整理与解说。
在实务上,这二者是相互影响、不易明确区分的,因为应用技术的进步会反映在信息系统功能的更新上;信息系统功能与技术的更新也会影响到管理应用技术的改革。
第十一章MRP管理体系的内容与效益239为了让读者们容易理解MRP管理体系的内容与精神,基本上本书是沿着MRPⅡ系统的思路来介绍的。
第五章物料需求规划(MRP)本章内容在说明「物料需求规划(MRP)」的基本逻辑,以及它在管理上的功能。
重点在:我们为什么需要像MRP这样的管理工具。
■共用料件引发的问题假设我们有两个成品,甲和乙,它们各自的BOM如下所示:甲乙a1(2)B(2)C(1)a2(2)D(1)E(1) b1b2c1c2B(2)c1c3(2)(3)(1)(2)(2)(2)b1b2(2)(3)料品B是甲的子件,同时也是D的子件;料件c1是C的子件,同时也是E的子件。
因此,我们说B和c1均是「共用件(Common Parts)」。
如果甲和乙均有客户订单量各100个,而现在我们要用在92MRP/ERP管理技术上一章中所说明的BOM展开方式来计算各料品的供应数量。
当我们将甲的BOM逐层展开后,再接着将乙的BOM也展开时,B 的毛需求量为200,库存(可用)量能够再减一次吗?换言之,在甲展开时,B的毛需求量为200,库存(可用)量为50个吗?当然不行,这50个已经预备给甲生产用了,如果再扣一次,将来生产乙时必会缺料,这种「一屋两卖」的现象,正是共同料件无法靠BOM展开来计算需求量的原因。
该如何做才对呢?我们必须借助一个称作「低阶码」的技巧。
■低阶码与BOM展开的顺序B在甲的BOM中,其阶码(Level Code)为1,但它在乙的BOM中,阶码为2。
我们定义B的低阶码(Low Level Code,LLC)为2,也就是B在各BOM中最「低」的那个「阶码」。
依照这个LLC的定义,可以逐一计算各料品的LLC如下示:LLC=0的有甲、乙LLC=1的有a1、a2、C、D、ELLC=2的有B、c1、c2、c3LLC=3的有b1、b2LLC的计算是由电脑自动计算的,不能单由手工来计算,否则要是产品和料件一多,势必发生错误。
第五章物料需求规划(MRP)93接着我们将要“同时”计算甲和乙所需各料品的净需求量,列表如5.1所示,依循的规则是:依照LLC的顺序(由小到大)计算:〔表5.1依低阶码展开BOM〕〔注:*符号为各步序计算时,毛需求的依据〕到目前为止,已经完成LLC=0和1所有料品的净需求计算,依步序1~7的顺序,每次计算时都将毛需求量的来源予以注记,以免重复或漏失。
生产运作管理MRPERP原理生产运作管理(MRP/ERP)是指一种利用计算机技术对企业内部的生产和运营进行规划、管理和控制的方法。
其核心是通过集中管理和控制企业的物料、生产计划、采购、库存、销售等各项信息,使企业能够有效地、高效地组织生产,并且保证订单的及时交付。
MRP/ERP原理是基于以下几个核心概念:1.物料需求计划(MRP):MRP是生产计划的核心,通过对产品销售预测、库存、产能等各项因素的分析,制定出生产计划和采购计划,确保物料的供应能够满足生产需求,避免物料短缺或过剩的情况。
2.生产计划:生产计划是基于MRP的结果,确定了产品的生产数量和生产时间,以及所需的资源和设备等。
通过合理的生产计划,可以使企业在满足市场需求的同时,最大限度地利用资源,提高生产效率。
3.采购管理:采购管理是指根据MRP的结果,及时采购所需的原材料和物料,保证生产所需的物料供应。
采购管理涉及供应商的选择、合同的签订、物料的订购和发货等环节,需要与供应商建立良好的合作关系,以确保物料的及时供应和质量的可靠。
4.库存管理:库存管理是MRP/ERP的一个重要环节,旨在实现对库存的最优控制。
通过准确的库存记录和数据分析,企业能够实时了解各类物料的库存情况,并根据预测的需求制定合理的库存策略,以避免库存过多或过少的情况,最大限度地降低库存成本。
5.生产控制:生产控制是指对企业生产过程的管理和控制,包括生产进度的跟踪、生产过程中的异常处理、生产资源的调度等。
通过实时监控生产过程,及时发现并处理问题,能够保证生产计划的顺利执行,提高生产效率和产品质量。
6.销售管理:销售管理是基于销售预测和实际订单情况,对销售活动进行计划和追踪的过程。
通过与销售活动的紧密结合,能够确保销售目标的实现,及时调整生产计划和采购计划,以满足市场需求,并最大程度地提高客户满意度。
7.数据分析和决策支持:MRP/ERP系统通过收集、整理和分析各类数据,能够为企业的管理层提供准确的信息和数据支持,帮助企业管理层进行决策和预测,优化生产和运营过程,以实现企业的长期发展目标。
第八章供应管理上一章说过:制造管理的内容是一个「需求━供应」系统,而其间的协调工具则是MPS/MRP。
本章接着讨论「供应管理(Supply Management)」。
需求管理MPS/MRP供应管理■供应管理的内容供应管理的内容有三个[1]采购管理、[2]制造管理、[3]委外管理,其目的在设法以最经济的成本,及时而正确地供应市场的需求。
前面已反覆地说明:对供应面的具体要求,是经由MPS和MRP来规划的:MPS和MRP会生成规划性令单,经过承办单位核发后成为正式的单据(P/O、M/O、S/O),再据以执行,并控制其结果。
164MRP/ERP 管理技术(1)MPS/MRP 生成(2)手动输入核发执行&结案要以令单规划和控制的观念来逐一说明供应管理的三个主要内容之前,先让我们再整理一下「令单管理」的内容与技巧。
■令单管理(Order Management)在MRP 系统内,主要是藉「令单(orders)」来表达需求与供应的内容:需求面的令单为销售预测单(F/O)及客户订单(C/O),而供应面的令单则是采购单(P/O)、制令(M/O)、委外加工单(S/O)三者。
第五章中曾经说明了「令单规划(Order Planning)」与「令单核发(Order Releasing)」的作业。
例如:MPS/MRP 就销售预测自动计算出前置时间较长的料件(如国外采购件)的采购净需求,称作「规划性采购单(Planned P/O)」。
在核发以前,常要以手工方式介入来调整这些电脑自动计算出来的规划性令单,如修改采购的单价或是供应的厂商。
已锁定令单规划性令单已核发令单P/O M/O S/O已结案令单第八章供应管理165MPS/MRP在自动规划时,将已核发的令单当成有效的供应,即「在单量」。
对未核发的规划性令单则一律予以「归零」,换言之,MPS/MRP在依低阶码计算净需求以前,要先将规划性令单的内容全部清除,而重新计算出供应面的规划性令单。
■供产销三者间的平衡我们透过MRP 的基本运作原理可以了解:只要知道营业单位的需求(以C/O 及F/O 来表达),则以MRP 展开后就知道应该如何来供应,亦即如何来采购、自制、委外。
F/O P/O (需求)M/O (供应)C/O S/O然而,有一个非常基本的问题要深思:一般而言,C/O 和F/O 是依市场(客户)的需求状况来决定的,但亦会受到工厂本身「供应能力」的影响。
在原则上是“卖了多少,就要做多少”还是“做出多少,就要卖多少”呢?前者是「以销定产」的原则,后者则是「以产定销」。
实务上,两种状况都可能发生:如果某工厂的产品供不应求,那么自然是以产定销,或称是卖方市场;如果是买方市场的状况,就必须先确定能卖多少,再据以生产。
MRP 第六章产销排程(MPS)122MRP/ERP管理技术在本质上可以确定:需求面和供应面相互影向、互为因果。
因此,「生产」与「销售」之间必须先做好协调(或称平衡)。
同理,厂内的「生产」和厂外的「供应」(采购、委外)之间,也存在如上述产销之间的协调问题。
一般而言,供应的内容是依生产的需求而定的,即要做多少「品」,就买多少「料」。
但当料源吃紧时,情况却正好反过来,是先看能买到多少「料」再决定能做多少「品」。
因此,供(应)、(生)产、销(售)三者之间存在着相互依存、密不可分的协调关系。
制造业如何平衡供产销三方面的工作,就成为经营成败的重大关键。
供产销的平衡,说来简单,实务上却困难无比。
为什么?因为料品太多、数据量过于庞杂,而牵涉到的单位和人员也多,分工之后各有所司,要想协调营业、采购、委外、制造、库存、工程、财务等单位之间的工作、真是难上加难。
近年来,管理科技的飞快进步,让我们更深入地了解组织的行为模式,而信息科技的加速运用,也使我们更精确地掌握了各职能工作原理的细节。
从「组织」和「工作原理」二者来重新检讨传统工厂管理的实务,将赫然发现各单位的传统管理方式中充满了许多的矛盾和谬误。
MRP生产运作管理MRP,即物料需求计划(Material Requirements Planning),是一种通过计算和控制企业物料需求量的生产管理方式。
它基于企业的销售计划和采购计划,通过运用相关数学模型和计算方法,确定制造企业在未来一段时间内所需要的物料数量和供应时间,在此基础上进行生产安排,以满足市场需求,并保持合理的库存水平。
1.提高生产效率:通过精确计划和控制物料需求,减少了生产过程中的浪费和缺货情况,提高了生产效率。
2.简化库存管理:MRP将物料需求与库存水平直接关联,实现了精确的库存控制,避免了过度库存或缺货的问题。
3.降低成本:MRP通过提升生产运作的效率和减少库存水平,从而降低了企业的生产成本。
4.提升客户满意度:准确满足市场需求,通过及时交付和优质产品,提升了客户的满意度。
1.制定销售计划:基于市场需求和销售预测,制定未来一段时间内的销售计划,确定销售量和交货时间要求。
2.制定物料需求计划:根据销售计划和产品结构,确定所需物料的数量和供应时间,建立物料清单和需求计划。
3.确定物料采购计划:根据物料需求计划,确定采购数量和采购时间,保证物料供应的及时性。
4.制定生产计划:基于物料需求计划和现有资源,制定生产计划,包括生产任务分配、生产量和生产时间安排。
5.跟踪和控制生产过程:监控生产进程,及时反馈实际情况,对生产计划进行调整和优化,确保生产进度和质量的达到预期目标。
6.监控物料库存:基于物料需求计划和物料采购计划,定期进行库存盘点和补充,确保物料供应的及时性和准确性。
总之,MRP生产运作管理是一种基于物料需求计划的生产管理方式,通过准确计划和控制物料需求,实现了生产运作的高效性和准确性。
它可以提高生产效率、简化库存管理、降低成本,并提升客户满意度。
企业在实施MRP时,应根据销售计划和物料需求计划,确定物料采购计划和生产计划,并及时跟踪和控制生产过程,以确保生产进度和质量的达到预期目标。
MRP-物料需求计划1 目的:指导物料需求计划(MRP)运行,规范作业流程及要求。
2 范围2.1适用于包含成品、自制部品和采购原材料的物料需求作业。
2.2适用于各生产车间、计划部门、采购部门。
3 职责3.1 IT在电脑系统中设定并监控MRP的定时运行。
3.2计划部门负责MRP运行结果的检查,并批核有关计划订单。
3.2.1最终成品的计划加工单,由生产计划人员批核。
3.2.2装配需求物料的计划加工单、计划采购单,由物料计划人员批核。
3.2.3所需物料的计划加工单(即毛坯加工单)、计划采购单,由工厂计划人员分别批核。
3.2.4生产部门、工厂的采购申请,分别由本部门经理人核准。
3.3其它的物料需求(如超耗、长期物料预估等)由物料需求部门做手工采购申请。
3.4 IT负责MRP运行所需的的物料数据、BOM、工艺流程检查。
4 物料分类4.1依据物料来源不同分为以下几类。
4.1.1关系企业采购物料:关系企业代购物料,由各需求部门物料计划人员管控。
4.1.2自购物料:公司自购(含国内、国际厂商)物料,由采购管控。
4.1.3自制物料:公司内部各零件或成品供应部门自行加工供应的零件或成品,包含由公司提供原材料的托外加工(或部分工序托外加工)。
4.1.4客户提供物料:客户指定物料且由其供货的物料,由计划控管。
4.2依据物料的采购前置期可分为长前置期物料和短前置期物料。
4.3依据物料的适用性可以分为公用物料和专用物料。
公用物料由使用量较大的部门负责进行物料需求计划及仓库管理等作业。
5 运行MRP5.1各资料维护人员依据时效要求,及时将新增/变更资讯维护入QAD系统。
5.2 IT每天查询新增料号(1.5.7)、订单等状况,并跟催、检查料品数据、BOM、工艺流程的录入状况,使之符合系统运行MRP的要求。
5.3 IT设定由系统每周四22:00至次日6:00运行“全重排式物料计划”(23.2), 每周天22:00至次日6:00运行“净改变式物料计划”(23.1)。
运营管理作业MRP计划表1. 引言MRP(Material Requirements Planning)是一种物料需求计划系统,它通过制定计划,帮助企业合理安排和控制物料的采购和生产,以满足客户需求,提高生产效率和产品质量。
本文将以某公司为例,详细介绍MRP计划表的制定过程和相关内容。
2. MRP计划表MRP计划表是根据需求和供应信息,制定出具体的物料采购和生产计划的文档。
它包含以下重要信息:2.1 产品信息产品信息部分列出了需要采购和生产的具体产品,包括产品名称、编号等。
2.2 预测需求根据市场需求和销售预测,预测需求部分列出了每种产品在一定时期内的需求量。
这个数据是基于过去销售数据、市场趋势和其他因素进行估算得出的。
2.3 库存量库存量部分记录了当前库存的情况,包括原材料的数量和成品的数量。
这个数据是通过仓库管理系统或物料管理系统得出的。
2.4 销售订单销售订单部分列出了客户下的订单,包括产品数量和交货日期等重要信息。
这些订单会直接影响到生产和采购计划。
2.5 供应信息供应信息部分记录了物料的供应商和供应能力等。
这些数据是通过与供应商的合作和谈判得出的。
2.6 MRP计算MRP计算是MRP计划表的核心部分,它根据预测需求、库存量、销售订单和供应信息,计算出物料的需求量和采购日期。
这个过程包括净需求量的计算、批量规划、准备期、运输时间等。
2.7 采购计划和生产计划根据MRP计算的结果,采购计划和生产计划部分确定了具体的采购日期和生产日期,以及相应的物料和数量。
3. MRP计划表的制定过程制定MRP计划表需要以下步骤:3.1 数据收集收集产品信息、预测需求、库存量、销售订单和供应信息等相关数据。
3.2 数据整理将收集到的数据整理成统一的格式,并进行核对和修正。
3.3 MRP计算根据整理好的数据,进行MRP计算,得出物料的需求量和采购日期。
3.4 采购计划和生产计划根据MRP计算的结果,制定具体的采购计划和生产计划。
MRP运行的规定文件编号:XXXXX 为了规范作业、提高工作效率、提高材料利用率、降低生产成本,并使MRP 系统能顺利推行和使用,特制定本通知规定。
1.从XXXX年X月X日起,所有生产用的原材料到货后(辅助材料除外),存放于待检区,由仓管员悬挂待检标识卡;仓管员依据供货方提供的本公司采购订单、供方送货单,对来料进行实物核查产品名称、规格型号、来货数量等事项无误后,当时开具采购到货单,此采购到货单不作为与财务部对账和结款依据。
2.来料入库后仓管员开具送检单,送品质部IQC处,要求IQC对当天来料进行品质检验,来料品质初检报告要求次日完成,需要作实验的来料,按原来的规定时间不变,出具品质实验报告单;经批准后的来料品质检验报告单,由IQC将此单及时传递到仓管员处,仓管员依据质检报告单的综合判断结果,对来料进行处置。
当来料综合判断是合格品时,由仓管员将来料存放在产品合格区,并由IQC悬挂合格标识。
3、仓管员收到来料品质综合判断合格报告单后、一并将采购订单、客户送货单、采购到货单传递到MRP信息员处,由MRP信息员参照以上单据,开具采购入库单(即收料证明单),此时,该批来料才允许出库,发放车间正常使用。
反之,则开退料单,并退回供方。
同时,MRP信息员于当日收集好采购订单、客户送货单,质检报告单、采购入库单即(收料证明单),上交财务部,经财务部核查无误后对相应的采购入库单(收料证明单)进行审核。
4.当仓管员收到不合格品质检报告单时,仓管员需通知供货方对来料进行退料处理。
仓管员需核查物料名称、规格型号、退料数量,并提交不合格品质检报告单、退料盘点单、采购到货单(或收料证明单)到MRP信息员处,由MRP信息员依据仓管员提供的退料盘点单核对物料名称、规格型号、退料数量,由MRP信息员核对无误后并在MRP系统中开具到货退货单(或采购退货单);退货单必须有仓管主管、仓管员、MRP信息员、供货方签字确认;并通知大门当班保安,当班保安根据到货退货单(或采购退货单)与实际货物核查无误,签字确认后才允许放行。
MRP运行的规定
文件编号:XXXXX 为了规范作业、提高工作效率、提高材料利用率、降低生产成本,并使MRP 系统能顺利推行和使用,特制定本通知规定。
1.从XXXX年X月X日起,所有生产用的原材料到货后(辅助材料除外),存放于待检区,由仓管员悬挂待检标识卡;仓管员依据供货方提供的本公司采购订单、供方送货单,对来料进行实物核查产品名称、规格型号、来货数量等事项无误后,当时开具采购到货单,此采购到货单不作为与财务部对账和结款依据。
2.来料入库后仓管员开具送检单,送品质部IQC处,要求IQC对当天来料进行品质检验,来料品质初检报告要求次日完成,需要作实验的来料,按原来的规定时间不变,出具品质实验报告单;经批准后的来料品质检验报告单,由IQC将此单及时传递到仓管员处,仓管员依据质检报告单的综合判断结果,对来料进行处置。
当来料综合判断是合格品时,由仓管员将来料存放在产品合格区,并由IQC悬挂合格标识。
3、仓管员收到来料品质综合判断合格报告单后、一并将采购订单、客户送货单、采购到货单传递到MRP信息员处,由MRP信息员参照以上单据,开具采购入库单(即收料证明单),此时,该批来料才允许出库,发放车间正常使用。
反之,则开退料单,并退回供方。
同时,MRP信息员于当日收集好采购订单、客户送货单,质检报告单、采购入库单即(收料证明单),上交财务部,经财务部核查无误后对相应的采购入库单(收料证明单)进行审核。
4.当仓管员收到不合格品质检报告单时,仓管员需通知供货方对来料进行退料处理。
仓管员需核查物料名称、规格型号、退料数量,并提交不合格品质检报告单、退料盘点单、采购到货单(或收料证明单)到MRP信息员处,由MRP信息员依据仓管员提供的退料盘点单核对物料名称、规格型号、退料数量,由MRP信息员核对无误后并在MRP系统中开具到货退货单(或采购退货单);退货单必须有仓管主管、仓
管员、MRP信息员、供货方签字确认;并通知大门当班保安,当班保安根据到货退货单(或采购退货单)与实际货物核查无误,签字确认后才允许放行。
5.对于MRP运算中的呆料仓,严格控制呆料仓产品的合格率,质检员必须在XXXX 年XX月XX日前,对呆料仓的材料进行全检,经检验判定为不合格产品的请立即转移到不良品仓。
6. 从XXXX年XX月X日起,各分厂生产部在当日上午10时前,必须下达次日各生产车间的生产计划,各生产车间领料单开具,必须从在各分厂MRP信息员处,并在ERP系统内进行具体操作,领料员依据MRP信息员开具的领料单,到各材料仓领取生产用料,材料仓管员依据领料单上的物料名称、编码、数量、规格型号进行发料,严禁超额发料,仓管员发完料后核对数量,并对ERP系统中对已发完物料的领料单进行审核。
7.对于产成品入库和产品转序,必须严格控制质检流程,没有质检报告的产成品和转序产品不允许入库或者转序。
属成品入库的,各生产车间必须在当日上午下班前,将经车间主任或组长批准后的入库数据,汇同品质检验合格报告,一并交MRP 信息员处,立即在ERP系统中开具产成品入库单(产品转序上报数据时间定为当日最迟下班前提交次日转序数据到MRP信息员处,其他程序不改变)。
产品转序单和成品入库单的批准程序不变。
8.委外加工业务,必须制定委外制程计划,经总经理过审批后,转成委外订单,仓管员依据委外订单进行发料,相关程序参照本通知的退货流程。
相关收货流程按本通知的收货流程执行。
MRP推行项目组
XXXX-XX-XX。