弃碴场挡墙技术交底
- 格式:doc
- 大小:229.00 KB
- 文档页数:5
一、交底目的为确保弃土场挡墙施工过程中的安全,提高施工人员的安全意识,预防和减少安全事故的发生,特进行安全技术交底。
二、工程概况1. 工程名称:XX项目弃土场挡墙工程2. 工程地点:XX市XX区XX路3. 工程规模:挡墙长度XX米,高度XX米4. 施工单位:XX建设集团有限公司5. 施工日期:XXXX年XX月XX日至XXXX年XX月XX日三、安全技术交底内容1. 施工现场安全管理(1)严格执行施工现场安全生产责任制,明确各级人员的安全职责。
(2)加强施工现场安全管理,确保施工现场安全有序。
(3)设置安全警示标志,提醒施工人员注意安全。
2. 施工人员安全教育(1)施工前对全体施工人员进行安全技术培训,确保施工人员掌握安全操作技能。
(2)定期对施工人员进行安全知识考核,提高施工人员的安全意识。
3. 施工设备安全管理(1)确保施工设备符合国家相关安全标准,定期进行设备检查、维护和保养。
(2)操作人员必须熟悉设备性能,持证上岗。
4. 施工过程安全管理(1)施工过程中,严格按照施工方案进行操作,不得擅自改变施工顺序。
(2)施工人员必须穿戴安全帽、安全带等个人防护用品。
(3)施工区域设置安全防护设施,防止人员误入危险区域。
5. 挡墙施工安全技术要点(1)基础施工:确保基础施工质量,做好基础排水,防止基础下沉。
(2)挡墙砌筑:砌筑过程中,严格控制砂浆质量,确保砌体稳定性。
(3)挡墙排水:设置排水设施,防止雨水浸泡墙体。
(4)挡墙加固:根据设计要求,对挡墙进行加固处理,提高挡墙稳定性。
(5)施工期间,密切关注地质变化,发现异常情况立即停止施工,报告相关部门。
6. 施工事故应急处理(1)发生事故时,立即停止施工,组织人员抢救伤员。
(2)及时上报事故情况,按照事故处理程序进行处理。
(3)做好事故调查,分析事故原因,制定整改措施。
四、安全技术交底要求1. 施工单位必须将本安全技术交底内容向全体施工人员进行传达。
2. 施工人员必须认真学习安全技术交底内容,确保掌握安全操作技能。
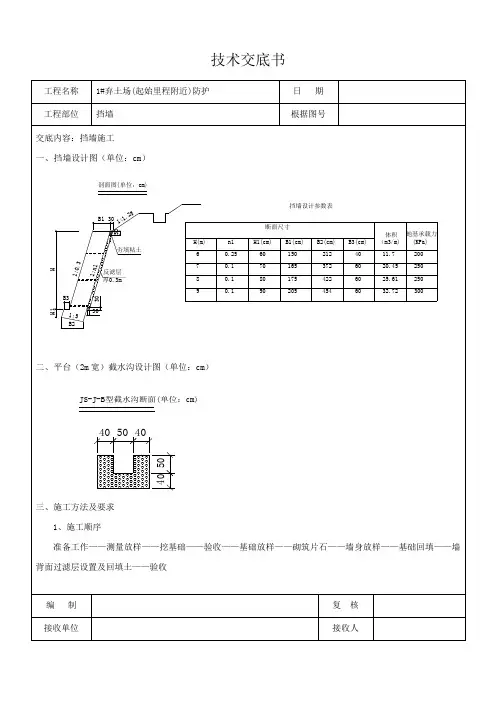
XXX隧道工程编号:隧道取土场施工技术交底XXX标段工区施工技术交底书单位工程名称:弃土场 No.分部工程名称:弃土场分项工程(工序)名称:弃土场一、交底范围弃土(渣)场施工。
二、施工程序及操作要点1.施工程序施工工艺流程:便道整修→截水天沟→清除表土→开挖台阶(斜坡地段)→施作盲沟→施工挡渣墙→弃渣使用→渣场顶排水沟→复盖表土绿化复垦。
2、弃土(渣)场的选择(1)弃土(渣)场应选择在地势低洼纵向平坦的山谷处,山谷汇水面积不大,不会有洪水,从而有形成泥石流的潜在风险;(2)弃土(渣)场不应选择在线路的上游,若选择在上游应距线路有相对安全的距离,确保极端情况下对线路不得构成威胁。
(3)弃土(渣)场基底地质满足弃土稳定要求,基底不得有粘软塑状粘土,造成弃土不稳定的潜在危险。
(4)弃土(渣)场下方不得有集中居住区或大型厂矿等重要设施。
(5)弃土(渣)场位置不得有存在有潜在地质灾害的隐患。
3、操作要点(1)弃土前,需对弃土场的表层土进行处理,先清除表层不少于0.5m的软弱土层;斜坡地段应顺坡挖台阶,台阶宽度不小于2.0m;清除的地表土应堆放于临时地点,用于后期渣场顶绿化防护。
(2)渣场底整平后设置底层排水系统,树枝状布置。
主管采用4根Ф400mm打孔波纹管,沿主管两侧间隔5~10m设置Ф100mm打孔波纹支管。
(3)打孔波纹管均采取无纺布(350g/m2)包裹,Ф400mm波纹管在管周2/3以上部位打孔,孔径Ф10mm,间距15×15cm;安装时打孔侧朝上,无孔部分埋设于水泥砂浆保护层上,厚度3cm,并位于地面以下(施工前先开挖沟槽),Ф100mm波纹管同Ф400mm波纹管的连接在Ф400mm的波纹管2/3以上部分连接,并用M10浆砌片石封闭,浆砌片石厚度不小于0.5m,宽度不小于1m。
(4)弃渣场顶向外作3‰的排水坡,并纵向设置C25砼排水沟一道,沟宽3m,深1.5m。
截水沟延伸到渣场外不小于10m接入原自然水沟。
技术交底单位:中铁一局集团蒙华铁路MHTJ-10标项目经理部二工区图1 弃砟场坡面填筑示意图(4)挡墙墙身材料采用C30片石混凝土,石料应为石质一致,不易风化且未风化的硬石,无裂纹,其强度等级不应小于MU30。
片石形状不受限制,但中部厚度不应小于15cm。
砌筑前应将石料表面泥土冲洗干净。
(5)墙身长度方向每隔10~15m设置宽度0.02m的伸缩缝一道,沿墙顶、内、外三边填塞深度不小于0.2m的沥青麻筋。
(6)墙身位于地面以上每隔2~3m交错设置一个Φ10cmPVC管泄水孔,管尾采用0.3m×0.3m透水土工布包裹。
(7)垫层用碎石应由未风化的干净砾石或轧制碎石组成,级配良好,粒径小于2mm 的部分不应超过总重的45%,最大粒径不宜大于30mm,含泥量不能大于5%,不含植物残体、垃圾等杂质。
(8)基坑开挖后应及时回填并夯实,顶面做成不小于4%的排水坡。
图2 弃砟场盲沟、泄水孔、伸缩缝示意图4.2弃砟挡墙施工(1)挡墙墙身材料采用C30片石混凝土,片石量为25%。
石料应为石质一致,不易风化且未风化的硬石,无裂纹,其强度等级不应小于MU30。
片石形状不受限制,但中部厚度不应小于15cm。
砌筑前应将石料表面泥土冲洗干净。
(2)弃砟挡墙前端与地表连接处2m范围内采用50cm厚M15浆砌片石铺砌,挡渣墙顶部弃渣表面4m范围采用50cm厚M15浆砌片石铺砌以防流水冲刷。
图3 挡砟墙浆砌片石铺砌示意图(3)墙顶以上设置不小于3.0m宽度的平台,平台以上边坡坡率缓于或等于1:3的挡土墙。
(4)挡土墙胸坡坡率1:0.25,背坡坡率1:0.1,底坡坡率0.1:1。
(5)挡土墙沿强高和墙长方向应设置泄水孔,按上下左右每1~2m交错布置,并设置向外4%的排水坡。
最下一排泄水孔应高出墙前回填后地面不小于0.3m。
(6)挡土墙墙后设置袋装砂夹卵(碎)石反滤层,厚度0.3m,其顶部及最下一排泄水孔底部采用C25混凝土封闭。
技术交底单位:中铁一局集团蒙华铁路MHTJ-10标项目经理部二工区图1 弃砟场坡面填筑示意图(4)挡墙墙身材料采用C30片石混凝土,石料应为石质一致,不易风化且未风化的硬石,无裂纹,其强度等级不应小于MU30。
片石形状不受限制,但中部厚度不应小于15cm。
砌筑前应将石料表面泥土冲洗干净。
(5)墙身长度方向每隔10~15m设置宽度0.02m的伸缩缝一道,沿墙顶、内、外三边填塞深度不小于0.2m的沥青麻筋。
(6)墙身位于地面以上每隔2~3m交错设置一个Φ10cmPVC管泄水孔,管尾采用0.3m×0.3m透水土工布包裹。
(7)垫层用碎石应由未风化的干净砾石或轧制碎石组成,级配良好,粒径小于2mm 的部分不应超过总重的45%,最大粒径不宜大于30mm,含泥量不能大于5%,不含植物残体、垃圾等杂质。
(8)基坑开挖后应及时回填并夯实,顶面做成不小于4%的排水坡。
图2 弃砟场盲沟、泄水孔、伸缩缝示意图4.2弃砟挡墙施工(1)挡墙墙身材料采用C30片石混凝土,片石量为25%。
石料应为石质一致,不易风化且未风化的硬石,无裂纹,其强度等级不应小于MU30。
片石形状不受限制,但中部厚度不应小于15cm。
砌筑前应将石料表面泥土冲洗干净。
(2)弃砟挡墙前端与地表连接处2m范围内采用50cm厚M15浆砌片石铺砌,挡渣墙顶部弃渣表面4m范围采用50cm厚M15浆砌片石铺砌以防流水冲刷。
图3 挡砟墙浆砌片石铺砌示意图(3)墙顶以上设置不小于3.0m宽度的平台,平台以上边坡坡率缓于或等于1:3的挡土墙。
(4)挡土墙胸坡坡率1:0.25,背坡坡率1:0.1,底坡坡率0.1:1。
(5)挡土墙沿强高和墙长方向应设置泄水孔,按上下左右每1~2m交错布置,并设置向外4%的排水坡。
最下一排泄水孔应高出墙前回填后地面不小于0.3m。
(6)挡土墙墙后设置袋装砂夹卵(碎)石反滤层,厚度0.3m,其顶部及最下一排泄水孔底部采用C25混凝土封闭。
工程名称弃碴场防护分部分项工程交底项目挡碴墙技术交底图纸名称、图号成贵施路专-38交底内容:一、施工工序1、基础开挖基础开挖前先用测量放线,标记处挡碴墙基础的位置,不得超出所征地范围。
基础采用机械开挖,人工平整。
基础开挖深度不小于1.0米,宽度不小于2.43米(墙高暂定6米)。
开挖完成后通知实验室做地基承载力试验,[σ]=150Kpa,监理见证。
如地基承载力达不到设计要求,可加深基础开挖;如还达不到要求,进行基础换填,采用块石回填,块石尽量采用大块的片石,换填深度不小于50cm。
2、墙体砌筑a、墙体施工应避开雨季施工,严禁雨天施工,并做好施工场地的排水设施,基坑不得受水浸泡。
b、片石应采用不易风化片石,较大石块应放置于底层。
c、挡墙采用M7.5浆砌片石,采用挤浆法分层,分段砌筑。
分段位置设置在伸缩缝或沉降缝处。
砌筑前在基础底面先铺设一层水泥砂浆,再进行砌筑。
各砌层应先砌外围定位砌块,并与里层砌块交错连成一体。
挡墙尺寸见附图(墙高6米)。
d、挡墙每隔10~15米设置伸缩缝一道,在基础底的地层变化处应设置沉降缝;缝宽2~3cm,缝内沿顶、内、外三边填塞沥青木板,其深度不小于20cm。
e、挡渣墙墙身在地面线处及以上部分每隔2~3m上下左右交错设置排水坡度为4%的泄水孔,孔径为10cm。
为防止泄水孔堵塞,在泄水孔进口处设置反滤层。
反滤层厚30cm,采用沙夹软石作为反滤层。
f、挡渣墙墙趾外侧基坑采用粘性土夯实回填,并将填土表面做成不小于4%的向外排水坡,以免积水软化基础。
g、为使墙后积水不渗入基础,在最底排泄水孔下设置隔水层。
工程名称 弃碴场防护分部分项工程交底项目挡碴墙技术交底图纸名称、图号成贵施路专-38f 、墙体砌筑完成后,墙体表面需用同标号砂浆进行勾缝,勾缝采用凹缝。
挡碴强大样图:挡墙结构尺寸如下表: 墙高 截面尺寸 A 面积 (m2)H(m)b(m)B(m)B ’(m) xh1(m ) △b1(m)△h1 (m) 3 1.12 1.22 1.18 0.2 0.23 0.1 0.6 3.56 4 1.49 1.64 1.59 0.2 0.31 0.15 0.6 6.31 5 1.87 2.12 2.06 0.2 0.40 0.25 0.6 9.93 6 2.252.52.430.20.480.250.614.25工程名称弃碴场防护分部分项工程交底项目挡碴墙技术交底图纸名称、图号成贵施路专-38二、施工注意事项1、浆砌片石分层水平砌缝应大致水平,各砌块的砌缝应相互错开。
技术交底单位:中铁一局集团蒙华铁路MHTJ-10标项目经理部二工区图1 弃砟场坡面填筑示意图(4)挡墙墙身材料采用C30片石混凝土,石料应为石质一致,不易风化且未风化的硬石,无裂纹,其强度等级不应小于MU30。
片石形状不受限制,但中部厚度不应小于15cm。
砌筑前应将石料表面泥土冲洗干净。
(5)墙身长度方向每隔10~15m设置宽度0.02m的伸缩缝一道,沿墙顶、内、外三边填塞深度不小于0.2m的沥青麻筋。
(6)墙身位于地面以上每隔2~3m交错设置一个Φ10cmPVC管泄水孔,管尾采用0.3m×0.3m透水土工布包裹。
(7)垫层用碎石应由未风化的干净砾石或轧制碎石组成,级配良好,粒径小于2mm 的部分不应超过总重的45%,最大粒径不宜大于30mm,含泥量不能大于5%,不含植物残体、垃圾等杂质。
(8)基坑开挖后应及时回填并夯实,顶面做成不小于4%的排水坡。
图2 弃砟场盲沟、泄水孔、伸缩缝示意图4.2弃砟挡墙施工(1)挡墙墙身材料采用C30片石混凝土,片石量为25%。
石料应为石质一致,不易风化且未风化的硬石,无裂纹,其强度等级不应小于MU30。
片石形状不受限制,但中部厚度不应小于15cm。
砌筑前应将石料表面泥土冲洗干净。
(2)弃砟挡墙前端与地表连接处2m范围内采用50cm厚M15浆砌片石铺砌,挡渣墙顶部弃渣表面4m范围采用50cm厚M15浆砌片石铺砌以防流水冲刷。
图3 挡砟墙浆砌片石铺砌示意图(3)墙顶以上设置不小于3.0m宽度的平台,平台以上边坡坡率缓于或等于1:3的挡土墙。
(4)挡土墙胸坡坡率1:0.25,背坡坡率1:0.1,底坡坡率0.1:1。
(5)挡土墙沿强高和墙长方向应设置泄水孔,按上下左右每1~2m交错布置,并设置向外4%的排水坡。
最下一排泄水孔应高出墙前回填后地面不小于0.3m。
(6)挡土墙墙后设置袋装砂夹卵(碎)石反滤层,厚度0.3m,其顶部及最下一排泄水孔底部采用C25混凝土封闭。
渣场挡墙施工技术交底书一、工程概述渣场挡墙是为了对渣土进行围堆而建造的墙体结构。
本项目位于XX渣场,总长度为XX米,高度为XX米,设计标高为XX米。
本文档将对渣场挡墙的施工技术进行详细交底,以确保施工质量和安全。
二、施工材料1. 挡墙基础:使用混凝土按设计要求进行浇筑。
混凝土强度不低于XX级。
2. 挡墙本体:挡墙本体使用XX材料,厚度为XX毫米。
墙体表面平整,建议采用抛光处理以提高挡墙的耐久性。
3. 固定件:使用钢筋按设计要求在挡墙与基础之间进行固定。
三、施工要点1. 地基处理:在挡墙基础施工前,需清理现场,确保基础施工的均匀性和平整度。
同时,检查地基情况,如有坑洼、裂缝等地方需进行修补或加固。
2. 基础浇筑:按设计要求进行混凝土基础的浇筑,注意混凝土浇筑的均匀性和密实度。
在浇筑过程中,应使用振动器进行震实处理,确保混凝土的质量。
3. 墙体施工:挡墙本体按设计要求进行施工,确保墙体的垂直性和平整度。
施工前应进行墙体布线,确保墙体的尺寸和位置准确无误。
墙体施工时,要注意砂浆的比例和搅拌均匀,以保证砌筑的质量。
4. 固定件安装:挡墙与基础之间使用钢筋进行固定,固定件的数量和位置需按设计要求进行安装。
在固定件安装完成后,应进行固定件与挡墙的检查,确保牢固可靠。
5. 完工处理:挡墙施工完成后,要对施工现场进行清理,清除残渣和杂物。
检查墙体是否平整,墙体表面是否整洁。
如有不平整或污染的地方,应及时进行修整,保持挡墙的美观和功能性。
四、施工安全注意事项1. 在施工过程中,工人必须按照安全操作规程进行作业,穿戴好安全帽、手套等防护用具,严禁酗酒、吸烟等不良行为。
2. 在施工现场设置合理的安全警示标识,保持施工现场的通风畅通。
3. 在挡墙施工过程中,如遇恶劣天气,应及时采取应急措施,确保工人和设备的安全。
4. 工人必须熟悉施工图纸和操作规范,严格遵守施工要求,确保施工质量。
5. 施工现场应定期进行检查和整改,确保施工过程的安全和合理性。