管道闭水试验记录表92991
- 格式:doc
- 大小:61.00 KB
- 文档页数:4
施工单位:试验负责人:监理单位:设计单位:建设单位:记录员:
施工单位:试验负责人:监理单位:设计单位:建设单位:记录员:
施工单位:试验负责人:监理单位:设计单位:建设单位:记录员:
施工单位:试验负责人:监理单位:设计单位:建设单位:记录员:
施工单位:试验负责人:监理单位:设计单位:建设单位:记录员:
施工单位:试验负责人:监理单位:设计单位:建设单位:记录员:
施工单位:试验负责人:监理单位:设计单位:建设单位:记录员:
欢迎您的下载,
资料仅供参考!
致力为企业和个人提供合同协议,策划案计划书,学习资料等等
打造全网一站式需求。
管道闭水试验检验批验收记录表格
适用文档
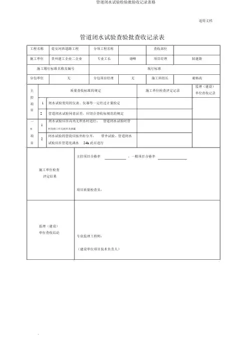
管道闭水试验查验批查收记录表
工程名称瓮安河西道路工程分项工程名称查收部位
施工单位贵州建工企业二企业专业工长谢峰项目经理陆建新施工履行标准名称及编号现行标准
分包单位无分包项目经理无施工班组长谢杨高
质量查收标准的规定施工单位检查评定记录监理(建设)
主
单位查收记录控
项1闭水试验使用的仪表、仪器等一定经过计量检定
目
2管道闭水试验同意误差,应切合查收标规范的规定
一闭水试验应在沟内无积水时进行;管道闭水试验时管
1
般材及接口应无损坏及渗漏
项闭水试验的管段应按井距分开,带井试验。
管道闭水
2
目试验应在管道充满水24h 此后进行
主控项目合格率,一般项目合格率
施工单位检查
评定结果
项目质量检查员:
监理(建设)
单位查收结论
专业监理工程师:
(建设单位项目技术负责人)
.。
管道闭水试验记录表
施工单位: 试验负责人:
监理单位: 设计单位:
建设单位: 记录员:
施工单位:句容市圆通市政建设工程有限公司试验负责人:监理单位:江苏信诚工程管理咨询有限公司
建设单位:句容市市政公用事业服务中心记录员:
设计单位:江苏中森建筑设计有限公司
施工单位:句容市圆通市政建设工程有限公司试验负责人:监理单位:江苏信诚工程管理咨询有限公司
建设单位:句容市市政公用事业服务中心记录员:
设计单位:江苏中森建筑设计有限公司。
管道闭水试验记录表
施工单位:试验负责人:监理单位:设计单位:建设单位:记录员:
注水试验记录表
施工单位:句容市圆通市政建设工程有限公司试验负责人:监理单位:江苏信诚工程管理咨询有限公司
建设单位:句容市市政公用事业服务中心记录员:
设计单位:江苏中森建筑设计有限公司
注水试验记录表
施工单位:句容市圆通市政建设工程有限公司试验负责人:监理单位:江苏信诚工程管理咨询有限公司
建设单位:句容市市政公用事业服务中心记录员:
设计单位:江苏中森建筑设计有限公司。