铝电解电容器使用指南(中文PDF)
- 格式:pdf
- 大小:180.08 KB
- 文档页数:8
铝电解电容器的使用说明书铝电解电容器如在非规定条件下使用的话,会导致爆炸失火等重大故障,请先确认下述注意事项后使用。
工作温度与纹波电流1.检查电容器的工作和安装环境,确保在产品目录或规格书的规定条件下。
2.工作温度、纹波电流应在规定的范围内,电容器如通过太大电流则引起异常发热、短路、失火等致命不良。
3.电容器本身为发热元件,会使机器内温度上升,这点请注意,确认机器正常状态下,电容器周围的温度。
4.允许通过的纹波电流应随环境温度(电容器周围的温度)上升而降低,允许通过纹波电流应考虑最高环境温度。
5.电气参数随着频率的变化而变化。
选好电容器必须考虑频率的变化。
特别需要注意无论在低频和高频使用时,电容器的自身发热会使等效串联电阻和自感变化,缩短了使用寿命。
施加电压和其它工作条件1.电容器有极性,施加反向电压或交流电压后,会导致压力阀释放或短路失火等致命不良。
交流电压情况下使用特殊的交流电容器。
2.在极性转换电路中请使用双极性电容,但这种情况不使用于交流电路。
3.不要施加过电压,即直流电压上叠加交流成分时,峰值不要超过额定电压,否则会引起短路失火等致命重大不良。
4.浪涌电压有严格的条件限制,在此条件下不能保证长时间工作。
工作电压即使短时间内也不要超过额定电压,请慎重选择电容器。
5.多只电容器并联时,应考虑导线电阻,使每个电容器上的导线电阻值相等。
6.多只电容器串联时使用同一规格的电容,请并联均压电阻,设计时要考虑这时加在电容上的电压完全一样,确保施加在电容器上的电压不超过额定电压。
7.使用电容器时需要考虑设备的使用寿命。
超过使用寿命时,继续使用则电容器存在压力阀释放或短路隐患,定期点检时按需替换。
8.不能用于重复急剧充放电电路。
熔接机器等充放电时,电容器请特别设计。
一些旋转设备的控制电路,如伺服驱动和充放电电路中选用合适的电容器,请与海立联系。
9.即使非快速充放电,但电压变化大则会导致寿命特性恶化,要实际上机认真确认或与海立联系。
铝电解电容器应用指南内容1、铝电解电容器主要应用领域______________________32、等效电路模型__________________________________33、热传导等效电路模型及电容安装指南______________34、电容的串联和并联______________________________55、电容工作寿命计算______________________________56、电容失效的防范________________________________77、间歇负载的工作状态____________________________88、计算实例______________________________________99、电容工作寿命的计算公式______________________1310、公司网址evoxrifa_____________________141、主要应用领域EVOX RIFA公司生产的铝电解电容主要种类,及相关应用领域如下:轴向穿心铝电解电容(PEG系列)通信,照明电子,汽车电子,电子镇流器及其它控制单元等。
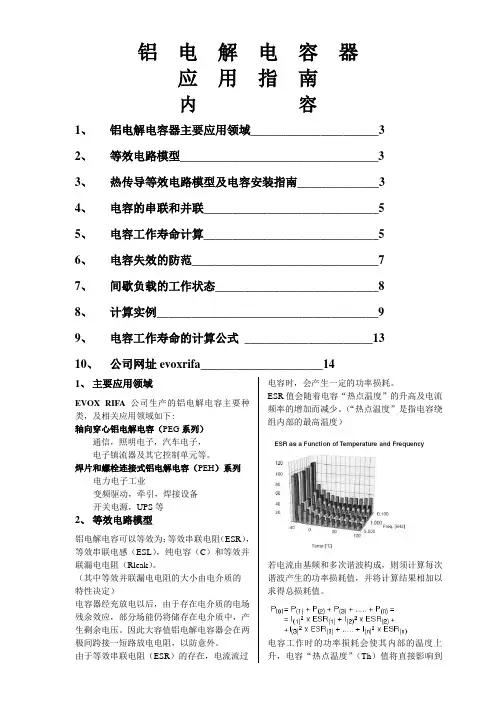
焊片和螺栓连接式铝电解电容(PEH)系列电力电子工业变频驱动,牵引,焊接设备开关电源,UPS等2、等效电路模型铝电解电容可以等效为:等效串联电阻(ESR),等效串联电感(ESL),纯电容(C)和等效并联漏电电阻(Rleak)。
(其中等效并联漏电电阻的大小由电介质的特性决定)电容器经充放电以后,由于存在电介质的电场残余效应,部分场能仍将储存在电介质中,产生剩余电压。
因此大容值铝电解电容器会在两电容时,会产生一定的功率损耗。
ESR值会随着电容“热点温度”的升高及电流频率的增加而减少。
(“热点温度”是指电容绕组内部的最高温度)若电流由基频和多次谐波构成,则须计算每次谐波产生的功率损耗值,并将计算结果相加以求得总损耗值。
电容器工作寿命(Lop):热点温度越高,工作寿命越短。
铝电解电容器Aluminum Electrolytic Capacitors GR Series特性FEATURES⚫105℃⚫寿命(Life time):2000~3000 Hours⚫高纹波(High ripple current)、低阻抗(Low Impedance)主要技术性能Specifications项目Item 特性Performance Characteristics使用温度范围Operating Temperature Range-40 ~ +105℃额定电压范围Rated Working Voltage Range6.3 ~ 100V标称电容量范围Nominal Capacitance Range15 ~ 4700μF标称电容量允许偏差Capacitance Tolerance±20%(120Hz,+20℃)漏电流Leakage Current L≤0.01CV or 3(μA) 测试时间2分钟取最大值,测试温度20℃;Whichever is greater measured after 2 minutes application of ratedworking voltage at +20℃损失角正切值tan δ(120Hz,+20℃)工作电压(Voltage) 6.3 10 16 25 35 50 63 100 tan δ(max)0.22 0.19 0.16 0.14 0.12 0.10 0.09 0.08 容量大于1000μF,每增加1000μF损耗值增加0.02For capacitance value>1000μF,app 0.02 per another 1000μF低温特性(120Hz)Low Temperature Characteristics 工作电压(Voltage) 6.3 10 16 25 35 50 63 100 Z-25℃/Z+20℃ 4 3 2 2 2 2 2 2 Z-40℃/Z+20℃8 6 4 3 3 3 3 3高温负荷High Temperature Loading 负荷寿命(Load Life) 2000Hrs(D:5~6.3) 3000Hrs(D≥8)试验条件(Test conditions)温度(Temp.) 105℃输入工作电压纹波电流(Input working Voltage andripple current)容量变化率(Cap.) 容量变化为初始值的±20% (Within ±20% of Initial Value)损失角(tan δ) 小于等于初始值200% (200% or less of Initial Specified Value)漏电流(LC) 小于规格值(Initial Specified Value or less)高温无负荷Shelf Life 无负荷寿命(Shelf life) 1000 Hrs试验条件(Test conditions) 温度(Temp.) 105℃容量变化率(Cap.) 容量变化为初始值的±20% (Within ±20% of Initial Value)损失角(tan δ) 小于等于初始值200% (200% or less of Initial Specified Value) 漏电流(LC) 小于规格值(Initial Specified Value or less)纹波电流与频率补正系数Ripple Current & Frequency MultipliersFreq.(Hz)Cap.(μF)50(60) 120 1K 10K 100K ≤100 0.40 0.55 0.75 0.90 1.00100~1000 0.60 0.70 0.85 0.95 1.00≥1000 0.65 0.80 0.95 0.98 1.00参照标准Standards JIS- C-5101-4 (IEC 60384)尺寸图(Diagram of Dimensions):.尺寸(Diameter): 单位(Unit):mmD 5 6.3 8(L<20) 8(L≥20) 10 13F 2.0 2.5 3.5 5.0d 0.5 0.5 0.6 0.6 0.6α(L<20)1.5 (L≥20)2.0β(D<20)0.5 (D≥20)1.0Voltage(Code) 6.310 16 Cap.(μF) D x L IMP R.C D x L IMP R.C D x L IMP R.C 100 5*11 0.580 140 5*11 0.58 140 6.3*12 0.250 300 120 5*11 0.530 165 5*11 0.53 140 6.3*12 0.250 320150 6.3*12 0.250 185 6.3*12 0.25 340 6.3 *12 0.220 340 8*12 0.150 500180 6.3*12 0.250 255 6.3*12 0.250 340 6.3*12 0.220 340 8*12 0.150 580220 6.3*12 0.250 275 6.3*12 0.220 340 6.3*12 0.220 340 8*12 0.150 600270 6.3*12 0.220 280 6.3*12 0.220 3408*12 0.150 640 8*12 0.130 580330 6.3*12 0.220 340 6.3*12 0.220 3408*12 0.130 640 8*12 0.130 580 8*12 0.130 640390 8*12 0.130 600 8*12 0.130 640 8*12 0.130 640470 8*12 0.130 640 8*12 0.130 6408*12 0.130 640 10*13 0.100 865560 8*12 0.130 640 8*12 0.130 640 10*13 0.100 880680 8*12 0.130 640 8*12 0.130 6408*16 0.087 750 10*13 0.087 8658208*12 0.130 64010*13 0.080 865 10*17 0.075 1210 10*13 0.110 86510008*12 0.130 640 8*16 0.087 76010*17 0.075 1210 10*13 0.087 865 10*17 0.075 121012008*16 0.096 84010*20 0.060 1400 10*20 0.060 1400 10*13 0.087 88015008*20 0.069 105010*20 0.060 1430 10*20 0.060 1430 10*17 0.069 12101800 10*20 0.060 1400 10*20 0.060 1460 10*25 0.052 1650 13*20 0.046 19002200 10*20 0.060 1460 10*20 0.060 1490 13*20 0.045 19202700 10*25 0.050 1650 10*25 0.050 1650 13*25 0.040 2124 13*20 0.050 1650 13*20 0.035 19003300 10*25 0.050 165013*25 0.030 2124 13*20 0.050 18703900 13*20 0.046 19004700 13*25 0.046 2124﹡13mm may be replaced by 12.5mm upon customer’s request.Voltage(Code) 2535 50 Cap.(μF) D x L IMP R.C D x L IMP R.C D x L IMP R.C33 6.3*12 0.500 23039 6.3*12 0.500 26547 6.3*12 0.250 300 6.3*12 0.500 29556 6.3*12 0.250 315 8*12 0.420 51568 6.3*12 0.240 340 8*12 0.420 53582 6.3*12 0.220 320 8*12 0.230 625 8*12 0.420 555100 6.3*12 0.220 340 8*12 0.220 640 10*13 0.200 760120 8*12 0.200 565 8*12 0.200 6558*16 0.200 730 10*13 0.200 780150 8*12 0.180 580 8*12 0.180 670 10*17 0.130 825180 8*12 0.150 600 10*13 0.130 7608*20 0.130 825 10*17 0.130 855220 8*12 0.130 6208*12 0.130 64010*17 0.130 875 8*16 0.100 83010*13 0.100 8302708*12 0.130 64010*17 0.075 1210 10*25 0.093 1025 10*13 0.100 8253308*12 0.130 6658*20 0.087 105013*20 0.090 166010*17 0.075 86510*13 0.100 845 10*17 0.075 1210390 10*13 0.100 865 10*17 0.075 1210 13*20 0.090 16804708*16 0.087 84010*17 0.075 1210 13*25 0.088 1950 10*13 0.100 885560 10*17 0.075 1210 10*20 0.060 1380 13*25 0.088 1970 680 10*17 0.075 1210 10*20 0.058 1400820 10*20 0.060 1370 10*25 0.054 1650 13*20 0.046 19001000 10*20 0.058 1400 13*20 0.046 1920 13*25 0.042 21241200 10*20 0.055 14201500 10*25 0.050 1650 13*20 0.047 19001800 13*25 0.043 21042200 13*25 0.040 2124Voltage(Code) 63100 Cap.(μF) D x L IMP R.C D x L IMP R.C15 6.3*12 1.880 11522 6.3*12 1.050 115 8*12 1.530 23027 6.3*12 1.050 120 8*12 1.320 23233 6.3*12 1.050 125 8*12 1.280 33039 8*12 0.800 200 8*16 0.980 30047 8*12 0.780 212 10*13 0.650 37056 8*12 0.760 222 8*20 0.480 36268 10*13 0.750 234 10*17 0.460 35782 10*13 0.700 314 10*20 0.430 4661008*16 0.630 30010*20 0.430 480 10*13 0.580 314120 10*17 0.324 357 13*20 0.368 530 150 8*20 0.324 362 13*20 0.357 680 180 10*20 0.190 466 13*25 0.328 750 220 10*20 0.190 466 13*25 0.328 880 270 13*20 0.128 670330 13*20 0.128 690390 13*25 0.118 922﹡13mm may be replaced by 12.5mm upon customer’s request.。
铝电解电容器使用指南(中文PDF)铝电解电容器使用指南1.简介铝电解电容器是一种常见的电子元件,具有高电容量和高电压稳定性的特点。
本文档旨在提供有关铝电解电容器的详细使用指南。
2.材料和工具准备在使用铝电解电容器之前,需要准备以下材料和工具:- 铝电解电容器- 电路板- 铅线- 锡焊- 钳子- 鼓风机- 隔热垫3.安装步骤3.1 将铝电解电容器连接到电路板上- 在选定的位置上,将铝电解电容器的正极和负极分别连接到电路板上的正负极引脚上。
- 注意正确安装铝电解电容器的极性,避免正负极连接错误。
3.2 进行焊接- 使用钳子将铅线固定在电路板上的引脚上。
- 使用锡焊将铅线与引脚焊接固定。
3.3 提供良好散热条件- 在电路板周围放置隔热垫,避免热量传导到其他组件。
- 使用鼓风机为铝电解电容器提供良好的散热条件,避免过热引发故障。
4.使用注意事项4.1 避免过高电压- 确保将铝电解电容器的额定电压范围内使用,避免过高电压损坏电容器。
- 在设计电路时,选用合适额定电压的铝电解电容器。
4.2 温度限制- 注意铝电解电容器的工作温度范围,避免过高或过低温度环境下使用。
4.3 极性正确- 使用铝电解电容器时,确保正负极连接正确。
反向使用可能导致电容器破损或发生爆炸。
4.4 长时间存储- 如果需要长时间存储铝电解电容器,在存储期间要保持电容器的干燥状态。
5.附件本文档涉及的附件包括:- 铝电解电容器数据手册- 铝电解电容器安装示意图6.法律名词及注释本文中涉及的法律名词及其注释如下:- 铝电解电容器:一种电子元件,能够存储和释放电荷。
7.结束语本文档提供了关于铝电解电容器的详细使用指南,包括安装步骤、使用注意事项和附件信息。
如有其他问题,请参阅铝电解电容器数据手册或咨询相关专业人士。
铝电解电容器使用指南(中文PDF)铝电解电容器使用指南1:引言铝电解电容器是一种常用的电子元器件,广泛应用于电路中的滤波、耦合和储能等功能。
本指南旨在介绍铝电解电容器的基本原理、使用方法和注意事项,帮助用户正确选择和使用铝电解电容器。
2:基本原理2.1 铝电解电容器的结构铝电解电容器由电解质、铝箔、隔膜和外壳组成。
其中,电解质是两个电极之间的绝缘物质,铝箔即正负极板,隔膜用于隔离正负极板,外壳则起到保护作用。
2.2 电容器的电容值电容器的电容值取决于电容器的尺寸、电极材料和电解质的种类。
通常用法拉第(F)作为电容值的单位,常见的铝电解电容器容值范围从几微法(F)到数百毫法(F)不等。
3:选择铝电解电容器3.1 工作电压选择铝电解电容器时,需要注意其工作电压是否符合实际应用的需求。
工作电压应略大于电路中的最高工作电压。
3.2 容值根据电路需求,选择合适的电容值。
注意,在高频电路中,电容器的实际电容值会因频率而降低。
3.3 极性铝电解电容器有极性,在安装时必须连接正确。
正极端通常标有“+”符号,负极端则为消极引线。
4:使用铝电解电容器4.1 安装在安装铝电解电容器时,应注意保持电容器干燥和无尘的环境。
正确连接极性,安装时不得施加过大的力以免损坏电容器。
4.2 工作电压与温度铝电解电容器的工作电压和温度密切相关,应确保电解电容器的工作电压和温度在规定范围内。
温度过高会缩短电解质的寿命,降低电容值。
4.3 长寿命和高温型电容器对于需要长时间工作或在高温环境中使用的应用,建议选择具有长寿命和高温型特性的铝电解电容器。
5:注意事项5.1 频率特性铝电解电容器的电容值会随频率的变化而发生变化。
在使用时,应注意频率特性对电容器性能的影响。
5.2 极性错误铝电解电容器是极性元器件,接线时务必正确连接极性。
极性连接错误可能导致电容器损坏甚至发生短路、爆裂等危险。
5.3 耐压电容器的耐压是指电容器能承受的最大工作电压。
使用指南:1 铝电解电容器基本的电性能1.1 电容量电容器的电容量由测量交流容量时所呈现的阻抗决定。
交流电容量随频率、电压以及测量方法的变化而变化。
JISC5102规定:铝电解电容的电容量的测定是在120HZ频率,最大交流电压为0.5Vrms、DC bias 电压为1.5~2.0V的条件下进行。
铝电解电容器的容量随频率的增加而减小。
以下是典型的电容量随频率变化图:容量变化率(%)频率(Hz)和频率一样,测量时的温度对电容器的容量有一定的影响。
随着测量温度的下降,电容量会变小。
以下是典型的电容量随频率变化图:容量变化率(%)温度(℃)另一方面,直流电容量,可通过施加直流电压而测量其电荷得到,在常温下容量比交流稍微的大一点,并且具有更优越的稳定特性。
1.2 Tan δ(损耗角正切)在等效电路中,串联等效电阻ESR同容抗1/ωC之比称之为Tan δ,其测量条件与电容量相同。
Tanδ=R ESR/ (1/ωC)= ωC R ESR其中:R ESR =ESR(120 Hz)ω=2πff=120HzTan δ随着测量频率的增加而变大,随测量温度的下降而增大。
以下是典型的电容量随频率变化图:1.3 阻抗(Z):在特定的频率下,阻碍交流电通过的电阻就是所谓的阻抗(Z)。
它与容量以及电感密切相关,并且与等效串联电阻ESR也有关系。
具体表达式如下:其中:Xc=1/ ωC=1/ 2πfCXL=ωL=2πfL以下是典型的电容量随频率变化图:由图可知电容的容抗(Xc)在低频率范围内随着频率的增加逐步减小,频率继续增加达到中频范围电抗(XL)降致ESR。
当频率达到高频范围感抗(XL)变为主导,所以电抗随着频率的增加而增加。
由于电解液电导率随温度改变而改变,所以阻抗随着温度的变化而变化如下图所示:1.4漏电流:电容器的介质对直流电具有很大的阻碍作用。
然而,由于铝氧化膜介质上浸有电解液,在施加电压时,重新形成以及修复氧化膜的时候会产生一种很小的称之为漏电流的电流,刚施加电压时,漏电流较大,随着时间的延长,漏电流会逐渐减小并最终保持稳定。
+ 铝电解电容应用指南 2005.02这个应用指南这个应用指南是铝电解电容的完全手册,当然重点是CDE的型号。
它从结构上深入的揭示了世界上主要的铝电解电容型号的性能和应用的最新信息。
希望你能告诉我们更多你所想知道的,使我们能够完善这本手册。
铝电解电容总论除了一些表面安装技术(SMT)的铝电解电容有固态的电解液之外,一般的电解电容都有一个卷绕电容元件,然后注入电解液,连上端子,密封装入一个罐里。
这个卷绕电容元件包含了一个阳极金属箔,浸透在电解液中的纸隔离物和阴极金属箔。
这个金属箔是高纯度的铝,它的表面用蚀刻技术蚀刻了几十亿的细微管道以增加与电解液的接触面积。
看起来电容量是在两个金属箔之间,实际上是在阳极金属箔和电解液之间。
正极板是阳极金属箔;电介质是阳极金属箔上的绝缘铝氧化物;真正的负极板是导电的液态电解质,阴极金属箔仅仅是连接电解液。
这个结构能产生巨大的电容量,因为蚀刻金属箔可以增加100倍以上的表面积并且铝氧化物的电解质的厚度不超过1微米。
这样的电容器有很大的金属盘面积并且金属盘非常靠近。
这些电容器一般提供0.1UF---3UF的电容值,额定电压从5V---500V。
他们是有极性的器件,有明显的正负极端子,并且有非常多的各种各样的类型,包括浇铸和罐型的SMT的器件,轴向和经向引线罐型,牛角端子型和大罐,螺栓端子型。
最典型的电容电压值是330UF/100V 和6800UF/10V SMT器件100UF/450V,6800UF/50V,10000UF/10V 微型罐型1200UF/450V 和 39000UF/50V 牛角罐型9000UF/450V和390000UF/50V 大罐,螺栓端子型如果两个相同容量的铝电解电容串联,背靠背连接正极端子和负极端子,结果是一个有一半电容值的无极性电容。
两个电容调整所承担的电压,其作用相当于被二极管旁路过来的电压。
当加上电压,极性正确的电容器承担全压。
在无极性的铝电解电容和马达启动铝电解电容里一个第二阳极金属箔替代阴极金属箔,结果在一个壳里里得到一个无极性的电容器。
RXK 系列特长/用途‧105℃、2,000 ~ 5,000小时寿命保证‧低等效串联电阻(ESR),适用交换式电源供应器(SPS) ‧制品尺寸较小并可承受较大之纹波电流 ‧符合RoHS 指令套管与标示颜色:黑色/金色规格表寸法图制品各项寸法单位:毫米φD 5 6.3 8 10 12.5 16 18 P 2.02.53.55.0 5.07.57.5 φd 0.50.60.8α L<20: 1.5, L ≧20: 2.0β0.5制品尺寸如为16×20适用下列制品图:尺寸:直径(φD)×长度(L),(毫米/mm)容许纹波电流:毫安/均方根值(mA/rms),100k 赫兹(Hz), 105℃ 制品尺寸与容许纹波电流一览表阻抗值:欧姆(Ω)/最大值,100k 赫兹(Hz), 20℃引线型尺寸:直径(φD)×长度(L),(毫米/mm)容许纹波电流:毫安/均方根值(mA/rms),100k赫兹(Hz), 105℃制品尺寸与容许纹波电流一览表阻抗值:欧姆(Ω)/最大值,100k赫兹(Hz), 20℃尺寸:直径(φD)×长度(L),(毫米/mm)容许纹波电流:毫安/均方根值(mA/rms),100k赫兹(Hz), 105℃制品尺寸与容许纹波电流一览表阻抗值:欧姆(Ω)/最大值,100k赫兹(Hz), 20℃产品编码说明RXK系列470微法拉± 20% 6.3V 长脚8φ×11.5L 无铅引线与PET套管RXK 471 M 0J BK - 0811系列额定静电容量额定静电容量容许误差值额定电压引线加工/包装型式胶盖型式制品尺寸制品引线与套管材质注:如需了解更详细之介绍,请参阅目录第13页”引线型产品编码说明”。
引线型。
一.设计方面的确认事项1.禁止使用电路10.故障模式导电性高分子(固液混合)固态铝电解电容器(以下称为电容器)①通过降低周围温度、纹波电流、加载电压可以减少故障率。
有可能因焊接时的热应力使其漏电流发生变化。
请避免在以②产品温度上升引起的静电容量减少及ESR 的上升引起的开放下电路中使用。
模式磨损是主要的故障模式。
有时候也会偶发因过大电压和①高电阻电压保持电路 超大电流导致的短路模式。
②耦合电路③由于加载超过额定电压的电压引起短路和通电电流过大的时③其他漏电流受影响较大的电路 候、会因内压的上升而使得外壳膨胀或剥落,发出臭气。
④构成产品的材质中含有可燃物质,短路部位有可能因为电火2.电路设计花等而起火。
产品的安装方法、位置、图形设计等请考虑以请在确认以下内容的基础上进行电路设计。
下设计方面的注意点,确保绝对安全。
①随着温度及频率的变化,电容器的电气特性会随之变化。
*设置保护电路、保护装置,确保设备安全。
请在确认这些变化之后进行电路的设计。
*设置冗长电路等, 以便设备不会因为单个的故障而不稳定。
②当并联2 个以上的电容器时,请在设计电路时考虑电流的 平衡。
11.电容器的绝缘③当串联2 个以上的电容器时,因加载电压存在差异,有可电容器的铝壳未保证绝缘。
电容器的外壳和阴极端子及阳极端 能加载过电压,请使用的时候另行咨询我们。
子和电路型板之间请进行电气绝缘。
④请勿在电容器的周围以及印刷配线板的背面安装发热部 件。
12.电容器的使用环境电容器请不要在以下环境下使用。
3.强调安全的产品上的应用①直接溅水、盐水及油,或者处于结露状态的环境②阳光直接照射的环境③充满有毒气体(硫化氢、亚硫酸、亚硝酸、氯及其化合物、 溴及其化合物、氨等)的环境④臭氧、紫外线及放射线照射的环境4.极性⑤振动或冲击条件超过产品目录或规格说明书规定范围的过激13.电容器的配置①SMD 品(铸模贴片型、贴片型)电容器印刷配线板的焊盘图 形请参照产品目录或规格说明书的规定进行图形设计。
电解电容使用方法“哎呀,这电视又出毛病啦!”老爸在客厅里嚷嚷着。
我赶紧跑过去,“爸,怎么啦?”“这电视看着看着突然就黑屏了,是不是坏了呀?”老爸一脸焦急。
我仔细瞅了瞅,“爸,别急,可能是里面的电解电容出问题了。
”说起电解电容,那可是电子电路中非常重要的元件呢!它的使用方法可得好好讲讲。
首先呢,在使用电解电容之前,一定要先搞清楚它的极性,长脚是正极,短脚是负极,可千万别接反了,不然就会“嘭”的一声,直接报废啦!这就好比你走路,方向错了,那怎么能到达目的地呢?在安装的时候,要小心轻放,别磕着碰着了,它可不是铁打的呀。
电解电容的应用场景那可多了去了。
像在电源电路中,它能起到滤波的作用,让电流变得更平稳,就像给水流加了一道过滤网,把杂质都过滤掉,这样电器才能稳定工作呀。
在音频电路中,它又能改善音质,让声音听起来更加清晰悦耳,就如同给声音化了个美美的妆,变得更加动人啦。
它的优势在于容量大,能储存较多的电荷,这可是其他电容比不了的哟!记得上次我自己组装音响的时候,就用到了电解电容。
我小心翼翼地把它们焊接到电路板上,心里还一直嘀咕着可千万别接错极性。
等我组装好,一打开音响,哇,那音质,简直绝了!就好像置身于音乐会现场一样,清晰而震撼。
这可都是电解电容的功劳呀!老爸听我这么一说,恍然大悟,“哦,原来是这样啊,那咱赶紧修修吧。
”“行,爸,我来搞定。
”我找来工具,熟练地打开电视后盖,找到出问题的电解电容,小心地拆下来,然后换上一个新的。
“爸,你再试试。
”我拍了拍手。
老爸按下遥控器,电视果然又亮了起来,画面清晰无比。
“嘿,还真行啊,儿子,你真厉害!”老爸开心地笑了。
我笑着说:“这都是电解电容的功劳呀,要是没有它,咱这电视还不知道啥时候能修好呢。
”所以说呀,电解电容虽然看起来不起眼,但在电子世界里,它可是有着举足轻重的地位呢!大家在使用的时候一定要注意方法和细节,让它发挥出最大的作用。
怎么样,是不是对电解电容有了更深的了解呢?下次要是遇到电器出问题,可别忘了先检查检查电解电容哦!。
公司地址:广东省东莞市长安镇沙头沙区裕成路1号承兴高新科技园81604911、81604922版 本versionA-0版 本version日 期Date A-02021/2/3东莞市承兴电子有限公司DONG GUAN SHI CHENG XING ELECTRONICS CO.,LTD第一次发行刘蜜产品编号PART UNMBERKM Series页 码PAGE共13页变更申请记录/Change Request Record变更内容 Change The Content制 作Producer 客户料号CUSTOMER PART NO产品类型PRODUCT TYPE铝质电解电容器日 期DATE 2021/2/3铝电解电容使用注意事项:1、电路设计(1)在确认使用及安装环境时,作为按产品样本设计说明书所规定的(3)焊接后处理应不产生以下机械应力额定性能范围内使用电容器,应当避免在下述情况下使用: a)电容器发生倾倒,扭转;a)高温(温度超过最高使用温度); b)电容器碰到其它的线路板;b)过流(电流超过额定纹波电流); c)使其它的物体碰撞到电容器。
c)过压(电压超过额定电压);(4)电容器不要用洗净剂洗净,但是在有必要洗净的情况下对d)施加反向电压或交流电压; 电容器进行洗净,必须在产品规格书规定范围内进行。
e)使用于反复多次急剧充放电的电路中。
(5)对有必要洗净的电容器,洗净时,必须确认以下内容:另:1、在电路设计时,请选用与机器寿命相当的电容器. a)洗净剂污染管理(电导率,PH值,比重,水分等);2、机器性能有特殊要求时,可与研发人员探讨,制造适用的特规电容. b)洗净后,不能保管在洗净液环境中及密闭容器中,要采用(2)电容器外壳,辅助引出端子与正负以及电路析间必须完全隔离。
(最高使用温度以下的)热风干燥印刷电路板及电容器,使之(3)当电容器套管的绝缘不能保证时,在有绝缘性能特定要求的地方, 不残留洗净液成份.请不使用。