洞道干燥计算机实验
- 格式:doc
- 大小:209.00 KB
- 文档页数:6
洞道干燥实验实验报告洞道干燥实验实验报告引言:洞道工程是现代城市建设中不可或缺的一部分,然而在洞道施工过程中,湿度过高常常会给工程进展带来一系列问题。
为了解决这一问题,我们进行了一项洞道干燥实验,旨在探究不同干燥方法对洞道湿度的影响,并找到最佳的干燥方案。
实验方法:我们选择了一段长度为50米的洞道进行实验,将其分为5个相等的区域,每个区域采用不同的干燥方法。
具体干燥方法包括:通风干燥、加热干燥、除湿机干燥、石灰干燥和电加热干燥。
实验期间,我们每天对每个区域的湿度进行监测,并记录下来。
实验结果:在实验的第一天,我们发现洞道的湿度普遍较高,平均湿度超过80%。
然而,在实验进行的第二天,我们注意到通风干燥区域的湿度有了明显下降,降至60%左右。
而加热干燥区域的湿度则下降至50%左右。
除湿机干燥区域的湿度下降最为明显,仅为40%左右。
石灰干燥区域的湿度也有所下降,约为55%。
而电加热干燥区域的湿度下降至50%左右。
讨论:通过对实验结果的分析,我们可以得出以下结论:1. 通风干燥可以有效降低洞道湿度,但效果相对较弱。
2. 加热干燥可以更快速地降低洞道湿度,但对能源消耗较大。
3. 除湿机干燥是最为有效的干燥方法,能够迅速将湿度降至较低水平。
4. 石灰干燥也能够一定程度上降低湿度,但效果不如加热干燥和除湿机干燥。
5. 电加热干燥和加热干燥的效果相近,但电加热干燥对环境的影响较小。
结论:综上所述,根据我们的实验结果和分析,除湿机干燥是最佳的洞道干燥方法。
它不仅能够迅速将湿度降低至较低水平,而且对环境的影响相对较小。
在实际洞道施工中,我们建议使用除湿机干燥方法来解决湿度过高的问题,以确保工程的顺利进行。
展望:尽管我们的实验结果对洞道干燥问题提供了一定的参考,但仍有一些问题需要进一步研究和探索。
例如,我们可以尝试不同类型的除湿机,以找到更加高效的干燥方案。
此外,我们还可以探索其他干燥方法的组合应用,以提高干燥效果。
课程名称: 过程工程原理实验 指导老师: 杨国成 成绩:_________________ 实验名称: 干燥特性曲线测定 实验类型 同组学生姓名:一、实验目的(必填) 二、实验仪器与装置(必填) 三、实验原理(必填) 四、操作方法和实验步骤 五、数据记录和处理 六、结果与分析(必填) 七、讨论与心得一、 实验目的1、了解洞道式干燥装置的结构、流程和及其操作方法。
2、作出物料在恒定干燥条件下的干燥特性曲线(X~ ,U~X ),并求出临界含水量X C 、平衡含水量X *及恒速阶段的干燥速度U 恒速。
3、求出恒速阶段的传质系数K H 和传热系数a 。
4、改变气温或气速等操作条件,作出不同空气参数下的干燥特性曲线,同时求出各自的临界含水量、平衡含水量以及恒速阶段的干燥速度、传质系数和传热系数。
二、实验仪器与装置实验装置如下图所示。
1——风机 2——孔板流量计 3——压差变送器 4——电动调节阀 5——加热器 6——温控系统 7——湿球温度计 8、10——干球温度计 9——重量传感器 11——干燥物料图1 干燥实验装置流程图风机将空气送入预热室进行预热,冷空气经电加热器加热到T1温度后,进入干燥室将热能供给物料,然后直接排放入大气。
空气的流量由孔板流量计测量,孔板两端差压利用差压变送器测量,其中孔板的孔径为34mm,风管内径为68mm ,干燥室截面积0.1*0.1m2,空气流量由电动调节阀经计算机在线控制调节。
实验报告专业: 化学工程与工艺 姓名: 学号: 日期:地点:教十2203系统内空气温度由铜-康铜热电偶测定,干燥室内空气入口及出口的干球温度由传感器8,10测量,温度传感器7测量干燥室出口的湿球温度。
空气进口温度T1采用计算机自动控制。
物料重量变化由重量传感器测量并由计算机检测显示。
三、实验原理干燥是利用热量去湿的一种方法,它不仅涉及到气、固两相间的传热与传质,而且涉及到湿分以气态或液态的形式自物料内部向表面传质的机理。
干燥特性曲线测定实验计算示例
1.干燥实验条件: 干燥室温度(干球温度)t=70℃;
2.干燥参数:干燥面积为:、绝干物料:、
初始湿物料重量: 左右
最终湿物料重量: 左右
(一)实验数据:
(二)根据干燥速率公式: , 和物料含水量公式,
得到干燥速率和物料含水率的一系列数据如下表:
第 2 页
共 3页
(三)实验曲线: (1)作物料湿含量和干燥时间曲线得到干燥曲线, 结果如图1-1:
图1-1 干燥曲线图
(2)作物料湿含量和干燥速率的关系曲线得到干燥速率曲线, 如图1-2
图1-2 干燥速率曲线图
最后根据干燥速率曲线可以得到临界含水率Xc= 2.06526(kg/kg)
(四)计算示例:
(五)思考题1.2.3
12121121212121111112C C C C G Gc G Gc G G G X X X X X Gc Gc G dX G dX G X dW U U Ad Ad Ad Ad τττττττττ→∆=-⎧⎪⎨--→==→∆=-⎪⎩∆⇒==-→=-=-由数据1、得:、;、、、;
图3 干燥装置流程图
1-风机;2-管道;3-进风口;4-加热器;5-厢式干燥器;6-气流均布器;7-称重传感器;8-湿毛毡;9-玻璃视镜门;10, 11, 12-蝶阀
第 3 页共3页。
洞道干燥实验
右上角的控制面板 开总电源 物料重量 空气流量 进口温度 干球温度 湿球温度
风机开关
加热开关 关总电源 废气排出阀 新鲜空气进口阀
干球温度计 中压风机
孔板流量计 湿球温度计 空气进口温度计
废气循环阀
从背面通往风机入口 重量传感器
被干燥物料 加热器
洞道
实验装置全景
1、实验方法
(1)实验前的准备工作
①将被干燥物料试样浸泡;
②向湿球温度湿度计的附加蓄水池内,补充适量的水。
(2) 实验操作方法
①记录显示仪表的基准数;
②将支撑架安装在洞道内;
③全开各蝶阀(废气排出阀、废气循环阀、新鲜空气进口阀);
④按风机开关按钮启动风机,调节蝶阀,使空气流量压差达到指定值(0.65~0.8KPa);
⑤按加热器开关按钮启动加热器;
⑥待空气流量压差及干球温度稳定在65℃后,记录支撑架重量;
⑦把准备好的被干燥物试样装在支撑架上放入洞道;
⑧稍候后按秒表计时,并同时记录总重量及各显示仪表数值,然后每隔3分钟重复记录各数据一次。
若记录间隔3分钟后总重量不变,即可结束实验;
⑨ 实验结束,按加热器开关按钮停止加热器,稍候后按风机开关按钮停风机。
2、注意事项
(1)在安装试样时,一定要小心保护传感器,以免用力过大使传感器造成机械性损伤;
(2)在设定温度给定值时,不要改动其它仪表参数,以免影响控温效果;
(3)为了设备的安全,开车时,一定要先开风机后开空气预热器的电热器。
停车时则反之;
(4)突然断电后,在次开启实验时,检查风机开关、加热器开关是否已被按下,如果被按下,再按一下使其弹起,不再处于导通状态。
实验名称: 洞道干燥实验一、实验内容1. 掌握在洞道干燥器中干燥曲线和干燥速率曲线的测定方法。
2. 学习物料含水量的测定方法。
3. 加深对物料临界含水量X c 的概念及其影响因素的理解。
4. 学习恒速干燥阶段物料与空气之间对流传热系数的测定方法。
二、实验目的1. 测定在固定的空气流量、温度操作条件下湿物料干燥曲线、干燥速率曲线和临界含水量。
2. 测定恒速干燥阶段物料与空气之间对流传热系数。
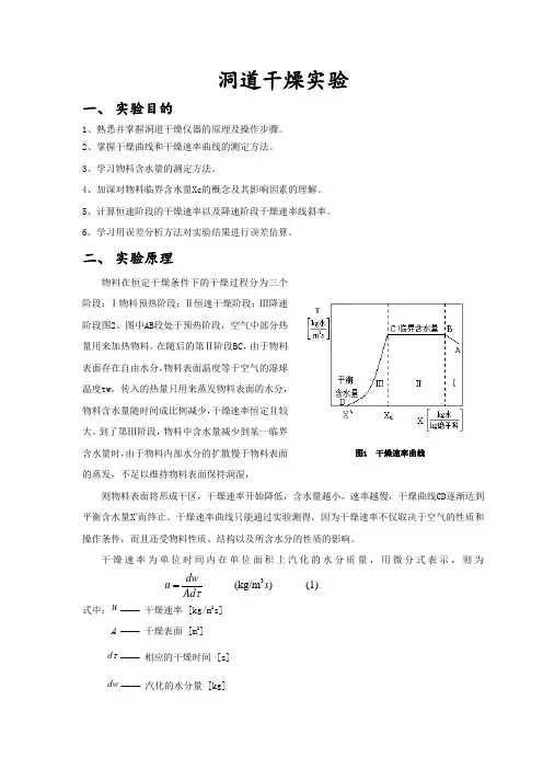
三、实验原理当湿物料与干燥介质相接触时,物料表面的水分开始气化,并向周围介质传递。
根据干燥过程中不同期间的特点,干燥过程可分为两个阶段。
第一个阶段为恒速干燥阶段。
在过程开始时,由于整个物料的湿含量较大,其内部的水分能迅速地达到物料表面。
因此,干燥速率为物料表面上水分的气化速率所控制,故此阶段亦称为表面气化控制阶段。
在此阶段,干燥介质传给物料的热量全部用于水分的气化,物料表面的温度维持恒定(等于热空气湿球温度),物料表面处的水蒸汽分压也维持恒定,故干燥速率恒定不变。
第二个阶段为降速干燥阶段,当物料被干燥达到临界湿含量后,便进入降速干燥阶段。
此时,物料中所含水分较少,水分自物料内部向表面传递的速率低于物料表面水分的气化速率,干燥速率为水分在物料内部的传递速率所控制。
故此阶段亦称为内部迁移控制阶段。
随着物料湿含量逐渐减少,物料内部水分的迁移速率也逐渐减少,故干燥速率不断下降。
恒速段的干燥速率和临界含水量的影响因素主要有:固体物料的种类和性质;固体物料层的厚度或颗粒大小;空气的温度、湿度和流速;空气与固体物料间的相对运动方式。
恒速段的干燥速率和临界含水量是干燥过程研究和干燥器设计的重要数据。
本实验在恒定干燥条件下对待干燥物料进行干燥,测定干燥曲线和干燥速率曲线,目的是掌握恒速段干燥速率和临界含水量的测定方法及其影响因素。
1. 物料干基含水量'''c c G G G X -=(8-11)式中:X —物料干基含水量,kg 水/ kg 绝干物料; 'G —固体湿物料的量,kg ; 'c G —绝干物料量,kg 。
洞道式干燥器实验测试报告材料洞道式干燥器是一种常见的工业干燥器,可以为各种制造业提供高效率的产品烘干。
本文介绍洞道式干燥器的实验测试报告的原因、内容以及实施方法等。
一、实验原因洞道式干燥器作为工业生产流程中比较重要的设备,其质量和性能直接决定生产过程中安全、高效率以及低耗能操作的可行性。
然而由于原材料、尺寸以及装配等容易出现问题,因此洞道式干燥器的质量和性能可能不得不迎合具体的生产标准,因此实验的目的是验证洞道式干燥器的可靠性和可操作性。
二、实验内容实验的主要内容包括初始性能测试、噪音测量、性能考核以及耗能、安全等试验。
1. 初始性能测试这一部分主要是测量洞道式干燥器的初始性能,包括测量鼓风机、叶轮、排风口等部件的流通系数、压力损失和气阀的压力表现,以及各种结构性能指标的测量。
2. 噪音测量噪音测量是检测洞道式干燥器运行时的噪声特性的重要指标。
此类试验包括空气流在洞道间的传播行为等方面的测量,以及多种不同功率状态下噪音的测量。
3. 性能考核除了结构和初始性能外,还应该综合考虑其负荷能力、效率、安全性能等性能指标。
此类测试包括不同负荷下洞道式干燥器的动力学特性,即洞道式干燥器在各种工况下的运行状况;还应测量、分析洞道式干燥器的运行量、空气温度和各部件运行时输出的热量等。
4. 耗能、安全测试耗能测试包括洞道式干燥器的动力系统各部件的能耗和效果测量。
而安全测试包括洞道式干燥器的结构安全状况的检查,以及电气控制系统和安全限位装置的测量。
三、实施方法实验需要实验室提供标准仪器设备,如功率分析仪、扭矩计、压力计、声级计、流量计等,并需要有经验的技术工程师参与残差检测、维护与安装。
实验结束后,需要进行数据录入,其结果必须精确准确。
洞道干燥实验1. 调试实验的数据见表2, 表中符号的意义如下: S ─干燥面积, [m 2] G C ─绝干物料量, [g] R ─空气流量计的读数, [kPa] T o ─干燥器进口空气温度, [℃] t ─试样放置处的干球温度, [℃] t w ─试样放置处的湿球温度, [℃] G D ─试样支撑架的重量, [g]G T ─被干燥物料和支撑架的"总重量", [g] G ─被干燥物料的重量, [g] T ─累计的干燥时间, [S]X ─物料的干基含水量, [kg 水/kg 绝干物料]X AV ─两次记录之间的被干燥物料的平均含水量, [kg 水/kg 绝干物料] U ─干燥速率, [kg 水/(s ·m 2)] 2. 数据的计算举例以表2所示的实验的第i 和i +1组数据为例 (1) 公式: 被干燥物料的重量 G:D i T i G G G -=, ,[g] (1) D 1i T 1i G G G -=++, ,[g] (2)被干燥物料的干基含水量 X:c ci i G G G X -=, [kg 水/kg 绝干物料] (3) cc1i 1i G G G X -=++ ,[kg 水/kg 绝干物料] (4) 两次记录之间的平均含水量 X AV2X X X 1i i AV ++=,[kg 水/kg 绝干物料] (5) 两次记录之间的平均干燥速率I 1i i1i 3C 3C T T X X S 10G dT dX S 10G U --⨯⨯-=⨯⨯-=++-- ,[kg 水/(s ·m 2)] (6) 干燥曲线X ─T 曲线,用X 、T 数据进行标绘,见图 2。
干燥速率曲线U ─X 曲线,用U 、X AV 数据进行标绘,见图 3 。
恒速阶段空气至物料表面的对流传热系数twt 10U t S Q3tw C -⨯γ=∆⨯=α ,[W/(m 2℃)] (7)流量计处体积流量∨t [m 3/h]用其回归式算出。
洞道干燥实验一、实验目的1、了解洞道式干燥装置的基本结构、工艺流程和操作方法。
2、学习测定物料在恒定干燥条件下干燥特性的实验方法。
3、掌握根据实验干燥曲线求取干燥速率曲线以及恒速阶段干燥速率、临界含水量、平衡含水量的实验分析方法。
4、实验研究干燥条件对于干燥过程特性的影响。
二、实验原理在设计干燥器的尺寸或确定干燥器的生产能力时,被干燥物料在给定干燥条件下的干燥速率、临界湿含量和平衡湿含量等干燥特性数据是最基本的技术依据参数。
由于实际生产中的被干燥物料的性质千变万化,因此对于大多数具体的被干燥物料而言,其干燥特性数据常常需要通过实验测定。
按干燥过程中空气状态参数是否变化,可将干燥过程分为恒定干燥条件操作和非恒定干燥条件操作两大类。
若用大量空气干燥少量物料,则可以认为湿空气在干燥过程中温度、湿度均不变,再加上气流速度、与物料的接触方式不变,则称这种操作为恒定干燥条件下的干燥操作。
主要参数与公式:三、 实验装置四、 实验步骤1、 单价开启风机,再单击自动读数2、 将鼠标指向天平右边的砝码并按住左键迅速拖走,此时天平向左倾,当天平平衡时,会自动“读取数据”,此时一个秒表停止,另一个秒表启动,再减重,再自动读取数据,依次类推,建议每次减重1克,读一组数据,直到余30克左右。
3、 干燥结束后,关闭风机。
天平通风机温度计秒表加热器 湿球温度计干燥箱五、数据处理质量(g)减重(g)干燥时间(s)X(kg水/kg干料)Ux(kg·m-2·s-1)1 74 1.75 1 0 0.00 0.0002 73 1.71 1 56 1.73 5.4773 72 1.67 1 53 1.69 5.7874 71 1.63 1 51 1.65 6.0145 70 1.60 1 49 1.61 6.2606 69 1.56 1 49 1.58 6.2607 68 1.52 1 47 1.54 6.5268 67 1.49 1 48 1.50 6.3909 66 1.45 1 48 1.47 6.39010 65 1.41 1 48 1.43 6.39011 64 1.37 1 48 1.39 6.39012 63 1.34 1 48 1.35 6.39013 62 1.30 1 48 1.32 6.39014 61 1.26 1 48 1.28 6.39015 60 1.23 1 48 1.24 6.39016 59 1.19 1 48 1.21 6.39017 58 1.15 1 48 1.17 6.39018 57 1.11 1 51 1.12 6.01419 56 1.08 1 52 1.09 5.88920 55 1.04 1 53 1.06 5.78721 54 1.00 1 54 1.02 5.68022 53 0.97 1 56 0.98 5.47723 52 0.93 1 57 0.95 5.38124 51 0.89 1 59 0.91 5.19925 50 0.85 1 61 0.87 5.02826 49 0.82 1 63 0.83 4.86927 48 0.78 1 65 0.80 4.71928 47 0.74 1 68 0.76 4.51129 46 0.71 1 71 0.72 4.32030 45 0.67 1 73 0.69 4.20231 44 0.63 1 77 0.65 3.98332 43 0.59 1 81 0.61 3.78733 42 0.56 1 85 0.57 3.60834 41 0.52 1 89 0.54 3.44635 40 0.48 1 94 0.50 3.26336 39 0.44 1 100 0.46 3.06737 38 0.41 1 107 0.42 2.86638 37 0.37 1 114 0.39 2.69039 36 0.33 1 122 0.35 2.51440 35 0.30 1 133 0.31 2.30641 34 0.26 1 147 0.28 2.08642 33 0.22 1 165 0.24 1.85943 32 0.18 1 192 0.20 1.59744 31 0.15 1 238 0.16 1.28845 30 0.11 1 363 0.13 0.845六、思考题1、什么是恒定干燥条件?本实验装置中采用了哪些措施来保持干燥过程在恒定干燥条件下进行?答:恒定干燥条件指干燥介质的温度、湿度、流速及与物料的接触方式,都在整个干燥过程中均保持恒定。
1.将鼠标移至“干球温度”的数值上,指针转变为手型。
单击鼠标左键,出现干球温度设定窗口。
此处,用干球温度来反映实验温度,因此实际上是对实验环境温度的设置。
2.温度设定窗口默认初始为手动状态,此时,“设定温度”比例填充构件失去作用。
按实验要求输入温度输出值,点击“改变输出值”按钮,调节温度,此时,下方的百分比填充构件中的输出值也会随之上升相应的高度。
(如下图所示)注意:A.此处的温度输出值并不是真正的温度大小,而是希望输出温度占最大温度的百分比,数值在0-100之间,低于或高于此范围会按最小值0或最大值100处理。
B.输入要求的输出值后,若按回车键,下方的百分比填充构件中的输出值也会随之上升相应的高度,但是数据并没有真正传到实验装置的仪表中。
因此,必须用鼠标点击“改变输出值”按钮来实现温度的调节。
3.点击设定窗口中的“手动”按钮,将温度调节切换为自动状态,同样可以达到调节温度的效果。
此时,“输出值”比例填充构件失去作用。
与手动状态不同的是,此处输入的设定值为真正温度的大小,范围为实际的量程,不足或超过量程会按两个最值处理。
在确认修改时,仍与手动方式一样,需要点击“改变设定值”按钮。
步骤3与步骤2效果相同,任选一种方式操作即可。
4.待数据稳定后,点击“开始实验”按钮,计时器开始计时。
其中“采集时间”为距离上一次采集数据所经过的时间,“实验时间”为从开始实验以来所经过的时间。
5.按规定的时间间隔,点击实验主界面中的“采集数据”按钮,记录多组数据。
记录数据时,也可点击“进入数据表”按钮浏览历史数据。
也可以点击“切换到自动采集”按钮,进入自动采集模式(如下图所示)。
在弹出的对话框中输入自动采集周期(以秒为单位),点击“确定”按钮,则系统将按此周期自动采集数据。
(注1)6.采集适量数据后,点击“停止实验”按钮,系统停止计时。
注:1.受到软件本身对程序处理速度限制,约造成1-3的时延,致使实验时间整体延后1-3秒。
洞道干燥计算机剖析实验(1)洞道干燥计算机剖析实验,是一项关于洞道内空气干燥的计算机模拟实验。
该实验旨在研究洞道内的空气流动规律,探究洞道内湿度随时间变化的规律,以及比较不同条件下洞道内干燥速度的差异。
以下从实验过程、实验结果和实验意义三个方面进行介绍。
一、实验过程1. 设定实验参数。
包括洞道长度、宽度、高度,洞道入口和出口的相对位置,蒸发器和除湿器的加热量、制冷量和湿度变化等。
2. 进行计算机模拟。
利用计算机模拟软件,根据设定参数进行模拟,得出洞道内空气的流动规律、温度分布、湿度分布等。
3. 分析模拟结果。
根据模拟结果,分析洞道内湿度变化的规律,比较不同条件下洞道内干燥速度的差异。
同时,调整实验参数,再次进行模拟和分析。
4. 总结实验结论。
根据多次模拟和分析,得出洞道内干燥速度与洞道长度、宽度、高度、蒸发器和除湿器的加热量、制冷量、湿度变化等因素有关的结论。
二、实验结果通过多次模拟和分析,在设定参数相同的情况下,得出以下结论:1. 洞道长度、宽度、高度对干燥速度有明显影响。
洞道长度越长、宽度越窄、高度越低,则干燥速度越慢。
2. 蒸发器和除湿器的加热量、制冷量、湿度变化等因素也对干燥速度有影响。
加热量越大、制冷量越小、湿度变化越小,则干燥速度越快。
3. 不同条件下,洞道内湿度随时间的变化规律不同。
但所有情况下,洞道内湿度均随时间逐渐降低,干燥速度越快,湿度降低越明显。
三、实验意义洞道干燥计算机剖析实验的意义在于在实验室环境中,通过计算机模拟的方式,研究了洞道内的空气流动规律和湿度变化规律,发现洞道长度、宽度、高度、蒸发器和除湿器的加热量、制冷量、湿度变化等因素对干燥速度有影响,可以为工程建设和环境治理提供科学依据。
同时,该实验也为学生培养科学研究能力提供了一个实践平台。
洞道干燥实验报告(文章一):干燥特性曲线测定实验报告流化床干燥与洞道干燥特性曲线测定实验华南农业大学理学院09材料化学 1 林裕欣2xxx307501171.实验目的1.1 了解洞道式干燥装置的基本结构、工艺流程和操作方法。
1.2 学习测定物料在恒定干燥条件下干燥特性的实验方法。
1.3 掌握根据实验干燥曲线求取干燥速率曲线以及恒速阶段干燥速率、临界含水量、平衡含水量的实验分析方法。
1.4 实验研究干燥条件对于干燥过程特性的影响。
2.基本原理在设计干燥器的尺寸或确定干燥器的生产能力时,被干燥物料在给定干燥条件下的干燥速率、临界湿含量和平衡湿含量等干燥特性数据是最基本的技术依据参数。
由于实际生产中的被干燥物料的性质千变万化,因此对于大多数具体的被干燥物料而言,其干燥特性数据常常需要通过实验测定。
按干燥过程中空气状态参数是否变化,可将干燥过程分为恒定干燥条件操作和非恒定干燥条件操作两大类。
若用大量空气干燥少量物料,则可以认为湿空气在干燥过程中温度、湿度均不变,再加上气流速度、与物料的接触方式不变,则称这种操作为恒定干燥条件下的干燥操作。
2.1 干燥速率的定义干燥速率的定义为单位干燥面积(提供湿分汽化的面积)、单位时间内所除去的湿分质量。
即式中,U-干燥速率,又称干燥通量,kg/(ms);A-干燥表面积,m;W-汽化的湿分量,kg;τ -干燥时间,s;Gc-绝干物料的质量,kg;X-物料湿含量,kg湿分/kg干物料,负号表示X随干燥时间的增加而减少。
2.2 干燥速率的测定方法将湿物料试样置于恒定空气流中进行干燥实验,随着干燥时间的延长,水分不断汽化,湿物料质量减少。
若记录物料不同时间下质量G,直到物料质量不变为止,也就是物料在该条件下达到干燥极限为止,此时留在物料中的水分就是平xx分Xx。
则物料中瞬间含水率X为2 2 计算出每一时刻的瞬间含水率X,然后将X对干燥时间τ作图,如图10-1,即为干燥曲线。
图10-1恒定干燥条件下的干燥曲线上述干燥曲线还可以变换得到干燥速率曲线。
一、实验目的1. 了解洞道干燥装置的基本结构、工艺流程和操作方法。
2. 学习测定物料在恒定干燥条件下干燥特性的实验方法。
3. 掌握根据实验干燥曲线求干燥速率曲线、恒速阶段干燥速率、临界含水量、平衡含水量等干燥特性数据的分析方法。
4. 研究干燥条件对干燥过程特性的影响。
二、实验原理洞道干燥是一种连续式干燥方式,适用于大批量物料的干燥。
干燥过程中,物料在洞道内连续移动,与干燥介质(热空气)进行热交换,从而实现水分的蒸发。
干燥过程分为三个阶段:1. 预热阶段:物料表面水分开始蒸发,温度逐渐升高。
2. 恒速干燥阶段:物料表面水分蒸发速度达到最大值,干燥速率基本保持恒定。
3. 降速干燥阶段:物料内部水分开始蒸发,干燥速率逐渐降低。
干燥特性曲线是指干燥过程中物料干基含水量与干燥时间的关系曲线。
干燥速率曲线是指干燥过程中物料干基含水量与干燥速率的关系曲线。
三、实验装置1. 洞道干燥装置:长1.10米、宽0.125米、高0.180米,加热功率500w—1500w,空气流量1-5m/min,干燥温度40--120℃,天平量程0-200g,最小秤量值0.1g,干、湿球温度计。
2. 风机:用于输送干燥介质。
3. 孔板流量计:用于测量空气流量。
4. 倾斜式压差计:用于测量空气压力。
5. 风速调节阀:用于调节空气流量。
6. 电加热器:用于加热干燥介质。
7. 干燥室:用于放置待干燥物料。
8. 试样架:用于放置待干燥物料。
9. 热重天平:用于测量物料重量。
10. 电流表:用于测量电加热器电流。
11. 干球温度计、湿球温度计、触点温度计:用于测量干燥介质温度。
四、实验步骤1. 准备实验材料:待干燥物料、洞道干燥装置、相关仪器设备。
2. 安装洞道干燥装置,连接相关管道和仪器。
3. 开启风机,调节空气流量至预定值。
4. 打开电加热器,调节加热功率至预定值,使干燥室温度达到恒定值。
5. 将待干燥物料放入干燥室,确保物料均匀分布。
6. 开启天平,记录物料初始重量。
X = c Wc〔Kg 水/kg 绝干物料〕 〔2〕式中:W ——物料的瞬间质量〔kg 〕W ——物料的绝干质量〔kg 〕C将 X 对θ 进展标绘,就得到如以下图所示的枯燥曲线。
x Au Aθx图 1、 枯燥曲线和枯燥速率曲线枯燥曲线的外形由物料性质和枯燥条件打算。
2、枯燥速率曲线枯燥速率曲线是指在单位时间内,单位枯燥面积上气化的水分质量。
N = a Ad θ dw = ∆w Ad θ()kg m 2 ⋅ s(3)A ——枯燥面积〔m 2〕W ——从被枯燥物料中除去的水分质量〔kg 〕枯燥面积和绝干物料的质量均可测得,为了便利起见,可近似用下式计算枯燥速率:N =dw = ∆w [kg/m 2s] 或 [g/m 2s] 〔4〕洞道枯燥试验(数字型)一、 试验目的:1. 了解常压枯燥设备的构造,根本流程和操作;2. 测定物料枯燥速率曲线及传质系数;3. 争论气流速度对枯燥速率曲线的影响;〔选作〕4. 争论气流温度对枯燥速率曲线的影响。
〔选作〕二、 试验原理及说明:1、枯燥曲线枯燥曲线即物料的干基含水量x 与枯燥时间θ 的关系曲线。
它说明物料在枯燥过程中,干基含水量随枯燥时间的变化关系: x=F(θ )〔1〕典型的枯燥曲线如图 3-11 所示。
试验过程中,在衡定的枯燥条件下,测定物料总质量随时间的变化,直到物料的质量恒定为止。
此时物料与空气间到达平衡状态,物料中所含水分即为该空气条件下的平衡水分。
然后将物料的绝干质量,则物料的瞬间干基含水量为:W - Wa Ad θ A ∆θ本试验是通过测出每挥发肯定量的水分〔Δ w 〕所需要的时间〔Δ θ 〕来实现测定枯燥速率的。
影响枯燥速率的因素很多,它与物料性质和枯燥介质〔空气〕的状况有关。
在枯燥条件下不变的状况下,对同类物料,当厚度和外形肯定时,速率Na 是物料干基含水量的函数。
Na = f(X)〔5〕3、传质系数(恒速枯燥阶段)枯燥时在恒速枯燥阶段,物料外表与空气之间的传热速率和传质速率可分别以下面两式表示:dQ Ad θ = α(t - t)w〔6〕 dw Ad θ = K(HHw- H )〔7〕Q ——由空气传给物料的热量〔KJ 〕α ——对流传热系数〔Kw/m 2℃〕 t 、t ——空气的干、湿球温度〔℃〕wK ——以湿度差为推动力的传质系数〔kg/m 2s △H 〕 H H 、H ——与t 、t 相对应的空气的湿度〔kg/kg 干空气〕ww当物料肯定,枯燥条件恒定时,α ,K H 的值也保持恒定。
洞道干燥附件1. 调试实验的数据见表2, 表中符号的意义如下: S ─干燥面积, [m 2]G C ─绝干物料量, [g]R ─空气流量计的读数, [kPa]T o ─干燥器进口空气温度, [℃]t ─试样放置处的干球温度, [℃]t w ─试样放置处的湿球温度, [℃]G D ─试样支撑架的重量, [g]G T ─被干燥物料和支撑架的"总重量", [g]G ─被干燥物料的重量, [g]T ─累计的干燥时间, [S]X ─物料的干基含水量, [kg 水/kg 绝干物料] X AV ─两次记录之间的被干燥物料的平均含水量, [kg 水/kg 绝干物料]U ─干燥速率, [kg 水/(s ·m 2)]2. 数据的计算举例以表2所示的实验的第i 和i +1组数据为例(1) 公式: 被干燥物料的重量 G:D i T i G G G -=, ,[g] (1) D 1i T 1i G G G -=++, ,[g] (2) 被干燥物料的干基含水量 X:cc i i G G G X -= , [kg 水/kg 绝干物料] (3) c c 1i 1i G G G X -=++ ,[kg 水/kg 绝干物料] (4) 两次记录之间的平均含水量 X AV2X X X 1i i AV ++= ,[kg 水/kg 绝干物料] (5) 两次记录之间的平均干燥速率I1i i 1i 3C 3C T T X X S 10G dT dX S 10G U --⨯⨯-=⨯⨯-=++-- ,[kg 水/(s ·m 2)] (6) 干燥曲线X ─T 曲线,用X 、T 数据进行标绘,见图 2。
干燥速率曲线U ─X 曲线,用U 、X AV 数据进行标绘,见图 3 。
恒速阶段空气至物料表面的对流传热系数twt 10U t S Q 3tw C -⨯γ=∆⨯=α ,[W/(m 2℃)] (7) 流量计处体积流量∨t [m 3/h]用其回归式算出。
[精品]洞道干燥实验
洞道干燥实验旨在研究洞道内部湿度变化规律,探究导致洞体老化和塌陷的原因,并
为洞道工程的设计和维护提供科学依据。
实验采用了自制的洞道模型,模型由10mm厚的塑料板拼接而成,长约2m,高1.5m,
内部装有水分检测器和温湿度传感器,可实时监测洞道内部的温度、湿度和水分含量。
实验分为两组,一组为无风干燥,即洞道内部没有空气流动,另一组为有风干燥,即
向洞道内部通风以模拟实际情况。
两组实验分别进行了10天,每天对模型内部的温湿度和水分含量进行了测量和记录。
实验结果显示,在无风干燥情况下,洞道内部湿度变化缓慢,且变化幅度较小,始终
保持在70%左右。
在有风干燥情况下,由于通风作用,洞道内部湿度迅速下降,第一天就
降至50%左右,之后随着时间的推移,湿度逐渐降低,到第十天时降至20%以下。
实验结果表明,洞道内部湿度的变化受到空气流动的影响较大。
在空气流通的情况下,洞道内部的湿度会迅速下降,这可能会导致洞体老化和塌陷。
因此,在洞道工程的设计和
施工中,需要采取措施来控制空气流通,防止洞道内部湿度过低。
此外,实验还表明,温度对洞道内部湿度的影响较小。
在整个实验期间,洞道内部的
温度变化不大,但湿度变化却相对较明显。
因此,在洞道工程的设计和维护中,应以控制
湿度为主要目标。
洞道干燥实验装置说明书 天津大学化工基础实验中心2013.06一、实验目的1.练习并掌握干燥曲线和干燥速率曲线的测定方法。
2.练习并掌握物料含水量的测定方法。
3.通过实验加深对物料临界含水量Xc 概念及其影响因素的理解。
4.练习并掌握恒速干燥阶段物料与空气之间对流传热系数的测定方法。
5.学会用误差分析方法对实验结果进行误差估算。
二、实验内容1.在固定空气流量和空气温度条件下,测绘某种物料的干燥曲线、干燥速率曲线和该物料的临界含水量。
2.测定恒速干燥阶段该物料与空气之间的对流传热系数。
三、实验原理当湿物料与干燥介质接触时,物料表面的水分开始气化,并向周围介质传递。
根据介质传递特点,干燥过程可分为两个阶段。
第一阶段为恒速干燥阶段。
干燥过程开始时,由于整个物料湿含量较大,其物料内部水分能迅速到达物料表面。
此时干燥速率由物料表面水分的气化速率所控制,故此阶段称为表面气化控制阶段。
这个阶段中,干燥介质传给物料的热量全部用于水分的气化,物料表面温度维持恒定(等于热空气湿球温度),物料表面的水蒸汽分压也维持恒定,干燥速率恒定不变,故称为恒速干燥阶段。
第二阶段为降速干燥阶段。
当物料干燥其水分达到临界湿含量后,便进入降速干燥阶段。
此时物料中所含水分较少,水分自物料内部向表面传递的速率低于物料表面水分的气化速率,干燥速率由水分在物料内部的传递速率所控制。
称为内部迁移控制阶段。
随着物料湿含量逐渐减少,物料内部水分的迁移速率逐降低,干燥速率不断下降,故称为降速干燥阶段。
恒速段干燥速率和临界含水量的影响因素主要有:固体物料的种类和性质、固体物料层的厚度或颗粒大小、空气的温度、湿度和流速以及空气与固体物料间的相对运动方式等。
恒速段干燥速率和临界含水量是干燥过程研究和干燥器设计的重要数据。
本实验在恒定干燥条件下对帆布物料进行干燥,测绘干燥曲线和干燥速率曲线,目的是掌握恒速段干燥速率和临界含水量的测定方法及其影响因素。
1.干燥速率测定 ττ∆∆≈=S W Sd dW U'' (1) 式中:U —干燥速率,kg /(m 2·h );S —干燥面积,m 2,(实验室现场提供); τ∆—时间间隔,h ;'W ∆—τ∆时间间隔内干燥气化的水分量,kg 。
2.物料干基含水量'''Gc Gc G X -=(2)式中:X —物料干基含水量,kg 水/ kg 绝干物料; 'G —固体湿物料的量,kg ;'Gc —绝干物料量,kg 。
3. 恒速干燥阶段对流传热系数的测定tw w tw r t t Sd r dQ Sd dW Uc )(''-===αττ wtwt t r Uc -⋅=α (3)式中:α—恒速干燥阶段物料表面与空气之间的对流传热系数,W/(m 2·℃);Uc —恒速干燥阶段的干燥速率,kg/(m 2·s ); w t —干燥器内空气的湿球温度,℃;t —干燥器内空气的干球温度,℃; tw r —w t ℃下水的气化热,J/ kg 。
4.干燥器内空气实际体积流量的计算由节流式流量计的流量公式和理想气体的状态方程式可推导出:2732730t tV V t t ++⨯= (4)式中:t V —干燥器内空气实际流量,m 3/ s ;0t —流量计处空气的温度,℃;0t V —常压下t 0℃时空气的流量,m 3/ s ;t —干燥器内空气的温度,℃。
ρPA C V t ∆⨯⨯⨯=2000 (5)2004d A π=(6)式中:C 0--流量计流量系数,C 0=0.65d 0—节流孔开孔直径,d 0=0.035 mA 0--节流孔开孔面积,m 2;ΔP —节流孔上下游两侧压力差,Pa ;ρ—孔板流量计处0t 时空气的密度,kg/m 3。
四、实验装置基本情况1.实验装置基本情况洞道尺寸:长1.16 m 宽0.190 m 高0.24m加热功率:500w-1500w 空气流量:1-5m 3/min 干燥温度:40-120℃ 重量传感器显示仪:量程(0-200g ); 。
干球温度计、湿球温度计显示仪:量程(0-150℃) 孔板流量计处温度计显示仪:量程(0-100℃) 孔板流量计压差变送器和显示仪:量程(0-10Kpa ) 电子秒表绝对误差0.5秒2. 洞道式干燥器实验装置仪表面板图(见图二)图二 洞道式干燥器实验装置面板图3.洞道式干燥器实验装置流程示意图(见图一)图一洞道式干燥器实验装置流程示意图1-废气排出阀;2-废气循环阀;3-空气进气阀;4-洞道干燥器;5-风机;6-干燥物料;7-重量传感器;8-干球温度计;9-孔板流量计;10-湿球温度计;11-空气进口温度计;12-加热器;13-干球温度显示控制仪表;14-湿球温度显示仪表;15-进口温度显示仪表;16-流量压差显示仪表;17-重量显示仪表;五、实验操作方法△手动操作1.将干燥物料(帆布)放入水中浸湿,将放湿球温度计纱布的烧杯装满水。
2.调节送风机吸入口的蝶阀3到全开的位置后启动风机。
3.通过废气排出阀1和废气循环阀2调节空气到指定流量后,开启加热电源。
在智能仪表中设定干球温度,仪表自动调节到指定的温度。
4.在空气温度、流量稳定条件下,读取重量传感器测定支架的重量并记录下来。
5.把充分浸湿的干燥物料(帆布)6固定在重量传感器7上并与气流平行放置。
6.在系统稳定状况下,记录干燥时间每隔3分钟时干燥物料减轻的重量,直至干燥物料的重量不再明显减轻为止。
7.可以改变空气流量和空气温度,重复上述实验步骤并记录相关数据。
8. 实验结束时,先关闭加热电源,待干球温度降至常温后关闭风机电源和总电源。
一切复原。
△计算机操作1.将实验设备上数据采集线连接到计算机指定接口处。
启动计算机,进入windows后,双击桌面文件“干燥实验”图标,进入“干燥实验计算机采集控制程序”,点击界面,进入主程序。
2. 进入主程序后,进行相关操作。
在程序主界面上设定干球温度(红色线框内为实际值,绿色框内为调整数值输入框),启动风机(红按钮是关,绿按钮为开),调节阀门1、2、3到合适位置,然后启动加热开关。
3.待干球温度达到设定值后,从程序主界面进入采集界面,分别称取支架重量和物料绝干重量,将物料浸湿,固定在支架上,关闭洞道干燥器上的取物窗。
同时点击程序上采集键,程序自动采集数据直至试验完成。
4.保存采集数据,保存图像。
关闭加热,待干球温度到常温状态时关闭风机,退出程序。
六、注意事项1.重量传感器的量程为0--200克,精度比较高,所以在放置干燥物料时务必轻拿轻放,以免损坏或降低重量传感器的灵敏度。
2.当干燥器内有空气流过时才能开启加热装置,以避免干烧损坏加热器。
3.干燥物料要保证充分浸湿但不能有水滴滴下,否则将影响实验数据的准确性。
4.实验进行中不要改变智能仪表的设置。
七、实验数据处理举例(仅供参考)1.调试实验的结果调试实验数据见表一,表中符号意义如下:S─干燥面积m2; G C─绝干物料量g; R─空气流量计的读数kPa;T o─干燥器进口空气温度℃; t─试样放置处的干球温度℃;t w─试样放置处的湿球温度℃; G D─试样支撑架的重量g;G T ─被干燥物料和支撑架的总重量g ; G ─被干燥物料的重量g ; T ─累计的干燥时间S ; X ─物料的干基含水量kg 水/kg 绝干物料; X AV ─两次记录之间的被干燥物料的平均含水量kg 水/kg 绝干物料;U ─干燥速率kg 水/(s ·m 2)2.数据计算举例:以表一中第i 和i +1组数据为例 被干燥物料的重量 G: D i T iG G G -=, ,[g] D 1i T 1i G G G -=++, ,[g]被干燥物料的干基含水量 X: cci i G G G X -= , [kg 水/kg 绝干物料]cc1i 1i G G G X -=++ ,[kg 水/kg 绝干物料] 物料平均含水量 X AV2X X X 1i i AV ++=,[kg 水/kg 绝干物料]平均干燥速率I1i i 1i 3C 3C T T X X S 10G dT dXS 10G U --⨯⨯-=⨯⨯-=++-- ,[kg 水/(s ·m 2)] 干燥曲线X ─T 曲线,用X 、T 数据进行标绘,见图三。
干燥速率曲线U ─X 曲线,用U 、X AV 数据进行标绘,见图四 。
恒速阶段空气至物料表面的对流传热系数twt 10U t S Q3tw C -⨯γ=∆⨯=α ,[W/(m 2℃)]流量计处体积流量∨t [m 3/h]用其回归式算出。
由流量公式[5]计算 0002t tPA c V ρ∆⨯⨯⨯=其中:c 0-孔板流量计孔流系数,c 0=0.65 A 0-孔的面积 m 2d 0-孔板孔径 , d 0 =0.040 m P ∆-孔板两端压差,Kpa t V - 空气入口温度(及流量计处温度)下的体积流量,m 3/h ;0t ρ-空气入口温度(及流量计处温度)下密度,Kg/m 3。
干燥试样放置处的空气流量 0273273t tV Vt ++⨯=[m 3/h]干燥试样放置处的空气流速 A3600Vu ⨯= ,[m /s]以表一实验数据为例进行计算i =1 i +1=2 G T ,i =201.1[g] G T ,i +1=199.5[g] G D =101.3[g] 由式(1)(2)得: G i =99.8[g] G i +1=98.2[g] G C =30.6[g] 由式(3)(4)得: X i =2.2614[kg 水/kg 绝干物料]X i +1=2.2092[kg 水/kg 绝干物料]由式(5)得: X AV =2.2353[kg 水/kg 绝干物料]S =2×0.145×0.082=0.02378[m 2] T i =0 [s], T i +1=180 [s]由式(6)得: U =3.738×10-4 [kg 水/(s ·m 2)]3.实验数据记录表及相关图象0.00.51.01.52.02.520406080100120140时间(分)X (k g /k g )图三 实验装置干燥曲线干燥速率曲线0.01.02.03.04.05.06.00.00.51.01.52.02.5X AV (kg/kg)U ×10-4(k g /s ·M 3图四 实验装置干燥速率曲线。