钢结构压型钢板安装施工工法模板
- 格式:doc
- 大小:381.00 KB
- 文档页数:11
彩色压型钢板施工工法中铁二局集团公司(深圳)二总队一、前言彩色压型钢板强度高、耐用性好、使用寿命长、美观经济,用于屋面和墙面时,施工简便、快捷、维修费低、防水性好,所以在国外广受工业厂家的喜爱,工业厂房、仓库、零售商店甚至办公楼等都应用彩色压型钢板作屋面、墙面。
随着我国改革开放,很多国外公司来我国投资建厂,这种建筑结构越来越多地在我国出现,首先是在开放城市尤其是珠江三角洲一带,近几年在内地也比较流行了。
我公司在深圳地区曾多次承建彩色压型钢板屋面、墙面的施工,如南海面粉厂仓顶房、赤湾10#卷钢仓库、妈湾三号卷钢仓库等。
现对这种施工方法加以总结和提高,形成本工法。
二、工法特点1、施工工艺简单,容易掌握,初级技工都可操作。
2、使用电动工具,速度快、效率高。
3、施工质量容易控制。
三、适用范围本工法适用于采用彩色压型钢板屋面和墙面的建筑结构。
四、工法原理彩色压型板是一种具有粗线条、宽间距肋条的建筑材料,由镀铝锌合金钢材经滚压后成型。
其基材为高强度钢板(最低屈服应力为550Mpa),表面镀上具有抗蚀作用的铝锌合金。
直接通过螺栓或固定座将彩色压型板固定在屋面檩条或墙面檩条上,经纵向搭接和横向搭接,使用彩色压型板牢固地铺满屋面或墙面,从而构成坚固耐用的屋面板和墙面板。
五、施工工艺(一)、施工程序1、订购彩色压型板在接到施工图后,应根据地区情况和结构型式及甲方要求,选择生产产家和彩色压型钢板的类型和规格。
彩色压型板一般有两种类型(见图一):一种是暗扣式彩色压型板,另一种是明装彩色压型板。
在防水性能上,暗扣式彩色压型板较明装彩色压型板要好,但价格要贵一些。
在台风地区屋面板建议采用暗扣式彩色压型板,其他地区可采用明装彩色压型板或暗扣式彩色压型板。
选择规格时,先根据图纸尺寸对彩色压型板进行排版,决定是否搭接或如何搭接,再确定彩色压型板的规格,主要是彩色压型板的长度(最长可达12m),从而确定彩色压型板需要的张数。
张数确定的简算公式为:建筑长度(m)×搭接块数张数=有效板宽2、暗扣式彩色压型板安装方法(1)、确定安装方向:找出建筑物所在地区最常见的气候风向,那么逆风方向即为安装方向,见图二所示。
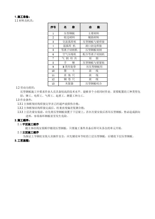
1.施工准备:1.1材料及机具:1.2劳动力组织:压型钢板施工中要求作业人员具备较高的技术水平,能够多个小组同时作业。
需要配置的工种类型包括:铆工、电焊工、气焊工、起重工、测量工和力工。
1.3作业条件:1.3.1主体框架结构焊接完毕并已经超声波探伤合格:1.3.2主体框架结构焊接完成后,柱垂直度偏差复测合格;1.3.3上层次梁安装前,应先将压型钢板放置于下层梁上;若在次梁安装后再吊压型钢板,势必造成斜向进料,容易损坏钢板甚至发生危险。
2.施工顺序:2.1平面施工顺序随主体结构安装顺序铺设压型钢板,只要施工条件具备后即可从各自的单元开始。
2.2立面施工顺序为保证上节钢柱安装人员操作安全,应先铺设本节柱的上层压型钢板,后铺设下层压型钢板。
3.工艺流程:4.施工方法:4.1一般要求:4.1.1按照安装单元的施工顺序进行配料,将每个单元的压型钢板按照铺装顺序成捆打包运至现场。
4.1.2压型钢板在施工时起模板作用,在使用阶段代替板底部分钢筋的作用,并协同砼共同受力。
因此在铺设中应严格按设计要求,保证连接质量。
4.2压型钢板安装:4.2.1吊放与铺设1)压型钢板由指定的厂家供货。
该公司在供货时,压型钢板应以安装单元为单位成捆运至现场,每捆压型钢板按照该厂提供的布置图将压型钢板按照铺装顺序叠放整齐。
2)压型钢板起吊前,需按设计施工图核对其板型、尺寸、块数和所在部位,确认配料无误后,分别随主体结构安装顺序和进度,吊运到各施工节间成叠堆放。
堆放应成条分散。
压型板在吊放于梁上时应以缓慢速度下放,切忌粗暴的吊放动作。
3)无外包装的压型钢板,装卸时应采用吊具。
严禁直接使用钢丝绳捆绑起吊。
起吊要平稳,不能有倾斜现象,以防滑落伤人。
4)为保护压型钢板在吊运时不变形,应使用软吊索或在钢丝绳与板接触的转角处加胶皮或钢板下使用垫木,但必须捆绑牢固。
谨防垫木滑移,压型钢板倾斜滑落伤人。
5)压型钢板成捆堆置,应横跨多根钢梁,单跨置于两根梁之间时,应注意两端支承宽度,避免倾倒而造成坠落事故。
钢结构压型钢板施工工法一、工法特点及原理(1)利用压型钢板自身重量轻、强度高、承重大、抗震性好的特点,取消了传统的模板支撑体系,工程中作为混凝土楼板的永久性模板,其设计的钢板肋在使用阶段起代替板底部分钢筋的作用,方便施工、节约成本,且与混凝土具有很好粘接强度,提升结构的承载能力。
(2)多层及高层钢结构施工通常采取一柱二~三层,施工速度较快。
随着结构高度的增加,压型钢板以其快捷的施工速度,可以作为施工时的操作平台,保证施工的安全。
二、适用范围(1)本工法适用于钢结构梁与混凝土楼板组合的结构工程,特别适用于楼层层高较高、面积较大、不适宜搭设满堂脚手架体系的建筑。
三、施工准备12压型钢板施工中要求作业人员具备较高的技术水平,能够多个小组同时作业。
需要配置的工种类型包括:铆工、电焊工、气焊工、起重工、测量工和力工。
3、作业条件:1)体框架结构焊接完毕并已经超声波探伤合格:2)主体框架结构焊接完成后,柱垂直度偏差复测合格;3)上层次梁安装前,应先将压型钢板放置于下层梁上;若在次梁安装后再吊压型钢板,势必造成斜向进料,容易损坏钢板甚至发生危险。
四、施工顺序1、平面施工顺序随主体结构安装顺序铺设压型钢板,只要施工条件具备后即可从各自的单元开始。
2、立面施工顺序为保证上节钢柱安装人员操作安全,应先铺设本节柱的上层压型钢板,后铺设下层压型钢板。
五、工艺流程六、安装方法1、安装前的准备:1)认真熟悉图纸,了解压型钢板的排版分布、尺寸控制要求以及压型钢板在钢梁上位置关系等。
2)在安装之前,检查钢梁的平整度和钢结构梁的完善情况,认真清扫钢梁顶面的杂物,检查钢梁表面是否存在防腐工艺,如果存在必须要将防腐表层打磨去掉。
3)综合测量钢梁表面的平整度,并根据压型钢板的排版图及建筑轴线在钢梁表面上进行测量放线,并作好测量标记。
2、压型钢板安装:(1)吊放与铺设1)压型钢板由指定的厂家供货。
该公司在供货时,压型钢板应以安装单元为单位成捆运至现场,每捆压型钢板按照该厂提供的布置图将压型钢板按照铺装顺序叠放整齐。
XXXXXXXXXXX屋面板施工方案编制:审核:批准:xxxxxxxxxxxxxxxxxxxx项目部编制时间:20xx 年x 月xx日目录一、屋面板概况 (2)二、参建单位 (3)三、编制依据 (3)四、施工原理 (3)五、施工准备 (3)六、屋面板安装 (6)七、压型钢板安装图例 (8)八、注意事项 (10)九、安全环保管理措施 (11)一、屋面板概况屋面压型钢板铺设面积分别为x区228m*72m、x区228m*54m 屋面压型钢板采用1.0mm厚YX35-125-750型压型钢板,本工程使用的钢卷材为xxxxx铝板带有限公司生产的1*1000*c镀锌钢卷。
二、参建单位设计单位:xxxxxxxxxxxxx建设单位:xxxxxxxxxxxxx监理单位:xxxxxxxxxxxxx总承包单位:xxxxxxxxxxxxx施工单位:xxxxxxxxxxxxx三、编制依据《钢结构工程施工质量验收规范》GB50205-2001《钢-混凝土组合楼板结构设计与施工规范》YB9238-93《建筑钢结构焊接技术规程》JGJ81-2002《建筑用压型钢板》GB/T 12755—2008《屋面工程质量验收规范》GB50207-2002四、施工原理压型钢板屋面施工中,应遵守钢筋混凝土结构工程施工规范和钢结构工程施工规范的相关规定,并结合压型钢板自身的特点,突出其施工便捷,自重轻、免维护的特点。
五、施工准备屋面板:屋面板成卷运至现场,现场压制。
钢板宽度为750mm,波峰高度为35mm,波峰间距为125mm。
现场准备:1、施工临时用电,机具、支架,安全设施等准备就绪。
2、对施工现场进行勘察,根据施工现场的实际情况,确定压型钢板压制好后的放置地点及吊车吊装时位置,保证道路畅通。
机具准备:人员准备:吊装:屋面压型钢板压制好后,将每6张压制好的压型钢板放置在特制的长24米宽1米的固定架上,由75t吊车在x区北侧将压型钢板通过吊带与固定架绑定后起吊至网架最北侧,再由工人将压型钢板分张依次拖拽、运输至安装位置。
压型钢板屋面施工方案(1)本工程为单层门式钢架结构,采用钢柱、钢梁,基础为独立基础,面积7600㎡,总高度8.5m,局部12.5m。
工程内容包括土建、轻型钢架、混凝土独立门型钢架结构、阻燃聚氨酯复合保温彩色钢板。
建设类别为丙类,耐火等级二级,抗震设防烈度七度,建筑物合理使用年限50年。
施工工艺包括技术准备和现场准备。
技术准备阶段需要熟悉图纸,进行图纸会审,计算工程量,编制施工机具设备需要量计划,并制定各种加工半成品计划及技术、质量要求。
其中,檩条及系杆、紧固件和檩撑必须符合设计要求。
压型钢板到场后进行检查,有无翘边、脱模、扭曲、边缘是否整齐、色泽是否均匀、尺寸、厚度是否满足设计,并检查有否出厂合格证及检测报告。
还需要根据工程实际情况制定书面技术交底,并向现场施工人员详细讲解,以免造成错误施工。
现场准备阶段需要检查轴线尺寸,钢结构的焊接、节点、螺栓、油漆等工程是否完善,钢筋混凝土结构的预埋件、平整度等。
按设计或排版图,使用紧线器拉钢丝线测放出屋面轴线控制线的数量和位置,并弹出用于焊接屋面檩托的控制线。
弹线完毕,在有构件的位置处进行拉线检查,对于高低差大于8mm以上的点进行处理。
如果钢结构或钢筋混凝土基层标高严重偏差,同时又限于成本或其它客观原因无法调整,则必须根据偏差情况严重程度采取统一标高进行垫高或逐步起坡的方式消除偏差。
内天沟吊装是施工工艺的一部分,需要进行吊装作业。
1.将屋面板放置在檩条上,并对齐位置。
2.在板的肋条上预钻孔,固定隐藏式固定座。
3.将下一块屋面板放置在前一块的肋条上,并将两块板的肋条扣合在一起。
4.使用自攻螺钉将板固定在檩条上,固定点应设在波峰上,间距≤350mm,并在与同一根檩条或墙梁的连接不得少于3点。
5.所有外露的自攻螺钉和拉铆钉均应涂抹密封材料保护(如密封胶),并扣戴防水帽。
在天沟安装时,需要将天沟板按照从高到底的坡度方向,用后一块压住前一块,互相搭接,并用不锈钢焊条焊接。
2.14压型钢板● 2.14.1压型钢板施工条件✧压型钢板及檩条材料已准备完毕。
✧按照施工顺序堆放板材,同一板材应放在一叠内,避免不同种类的叠压和翻倒板材。
✧吊笼、钢爬梯、螺丝枪已准备好。
● 2.14.2压型钢板施工顺序安装平台制作→安装平台布设→测量放线→压型钢板倒运、安装→压型钢板验收● 2.14.3压型钢板施工工艺1)安装平台的制作与安装压型钢板封闭檩条施工中采用挂钢吊梯搭作为安装平台。
钢吊梯以6m长为一个单体,制作数量应根据安装的实际需要而定,条件允许的情况下,尽可能多做一些,以减少挪动次数,节约安装时间。
檩条安装时爬梯挂在钢柱上,每条爬梯下端采用连接角钢固定。
要求爬梯与钢柱面保持500mm的距离,主要是避免爬梯与檩托相撞。
具体连接形式见檩条安装挂梯示意图。
安装压型钢板时采用吊笼作为安装平台。
2)墙架檩条安装墙架檩条托架安装采用柱边挂梯的施工方法,并设置垂直拉索器,采用加长安全绳,安全绳挂在上部水平拉索或横梁上,形成两道防护。
安装墙架檩条时也采用柱边挂爬梯的施工方法。
a)根据厂家制造安装图,使用水准仪和经纬仪放出墙架梁、檩条的位置线,具体方法即采用拉钢丝绳的方法在水平方向及垂直方向放线来控制墙面的平整度及转角的垂直度以及预留洞口和门窗的准确位置,确定最终安装位置。
b)将墙架檩条托架安装就位,安装时将钢柱的油漆清除,露出金属表面后再进行焊接操作,待墙檩安装完成后再补刷油漆。
焊接采用手工电弧焊,焊条直径φ3.2。
焊接时先仰焊托架下端,再立焊两边,最后俯焊上端。
焊接完成后要求打磨良好。
焊缝表面要求无咬边、裂纹、焊瘤等外观缺陷。
同时焊缝尺寸等均要满足《建筑钢结构焊接技术规程》的要求。
涂刷应均匀,无明显起皱、流挂,附着良好。
涂刷的具体要求见钢结构防火防腐施工作业指导书。
c)依据墙檩构件编号将墙檩吊装到安装位置,焊接或者采用螺栓固定,按照从上往下吊装顺序,依次吊装完成。
d)墙檩安装调整检查验收。
3)侧墙板安装a)固定采用自攻螺栓钉把墙板固定,横向间距380mm,纵向间距根据檩条间距最终确定。
钢结构压型钢板施工工艺及施工方法施工工艺:1.准备工作:施工前应检查钢结构压型钢板的质量,并对施工现场进行勘测和测量,确保准确和精确。
同时,还需要准备好施工所需的工具和设备,例如吊车、推车、切割机等。
2.安装预制构件:首先,需要将钢结构预制构件进行分解和运输到施工现场。
然后,根据设计图纸和要求,逐个安装这些构件。
在安装过程中,应注意检查构件的尺寸、位置和连接是否准确和牢固。
3.浇筑混凝土:钢结构压型钢板施工中,通常需要使用混凝土填充钢结构中的空隙,以增加结构的稳定性和强度。
在浇筑混凝土前,需要先进行模板安装和对模板进行检查,确保其平整和牢固。
然后,按照设计要求,将混凝土倒入模板中,并进行均匀浇筑。
4.安装压型钢板:在混凝土浇筑至一定高度后,需要在钢结构上安装压型钢板。
首先,将压型钢板按照设计要求进行切割和预先加工。
然后,使用吊车或推车将压型钢板运输到施工位置,并将其按照设计图纸进行定位和固定。
在固定过程中,需要使用螺栓或焊接等方式,确保压型钢板与钢结构之间的连接牢固可靠。
5.焊接和烧焊:在压型钢板安装完成后,需要进行焊接和烧焊工艺。
焊接主要用于连接钢板与钢结构的接头,以增加整体的强度和稳定性。
烧焊主要用于焊接接头的表面,以防止氧化和腐蚀。
6.防腐处理:钢结构压型钢板施工完成后,需要进行防腐处理,以提高其耐腐蚀性能和使用寿命。
常用的防腐处理方法包括喷镀锌、刷涂防腐漆等。
施工方法:1.钢结构压型钢板的安装一般采用吊装和焊接的方式。
在吊装过程中,要注意吊车的稳定和钢板的定位。
焊接时应选用合适的焊接材料和焊接方法,确保焊接质量和强度。
2.混凝土的浇筑采用模板安装和均匀浇注的方法。
在安装模板时,要检查其平整和牢固。
浇筑混凝土时,应控制好施工速度和施工量,确保混凝土的质量和强度。
3.在安装压型钢板时,要根据设计要求进行切割和预先加工,然后再进行定位和固定。
在固定过程中,应确保钢板与钢结构之间的连接牢固可靠。
压型钢板施工方案压型钢板是指压型钢材料,在施工中主要用于搭建工程建筑的钢结构,例如厂房、桥梁、堆场等。
压型钢板具有强度高、重量轻、耐用性好等特点,因此在建筑工程中得到了广泛的应用。
下面是关于压型钢板施工方案的详细介绍。
1.施工前准备工作在进行压型钢板施工前,需要完成以下准备工作:-确定施工方案:根据工程的实际情况,确定压型钢板的类型、规格和数量,并制定施工方案。
-采购材料:根据施工方案确定的钢板规格和数量,进行材料采购,并确保材料的质量和合格证书的完备性。
2.现场布置在进行压型钢板施工之前,需要进行现场布置,包括:-地面处理:清除杂物和净化地面,以确保整个施工过程平稳进行。
-配置人力和机械设备:根据施工方案确定的施工人员和机械设备的需求,进行合理配置,确保施工进度和质量。
-设置安全措施:在施工现场设置合适的安全措施,如围挡、警示标志等,保证施工安全。
3.钢板安装钢板安装是压型钢板施工的核心环节,需要按照以下步骤进行:-建立基础:根据设计要求,建立好钢结构的基础,以保证整个钢结构的稳定性。
-安装导线:在基础上进行导线安装,用于指导压型钢板的安装位置和顺序。
-安装钢板:根据导线的指导,在基础上逐层进行钢板的安装,确保每块钢板的位置准确,固定牢固。
-连接钢板:在进行钢板安装时,需要注意钢板之间的连接方式,采用螺栓连接或焊接连接,确保连接牢固可靠。
4.检验与验收在完成钢板安装后,需要进行检验与验收,包括:-初步检验:对完成的钢板结构进行初步检验,检查结构的垂直度、水平度和平整度,确保安装质量符合要求。
-中间检验:在施工过程中进行中间检验,检查钢板的连接是否牢固、构件是否完好等,及时发现并解决问题。
-终验与验收:在完成整个钢结构的安装后进行终验与验收,确保整个施工质量达到设计要求和相关标准。
总结:压型钢板施工方案需要进行施工前准备、现场布置、钢板安装和检验与验收等环节的安排和处理。
合理的施工方案、严格的施工质量控制和及时的检验与验收是保证压型钢板施工顺利进行和质量可靠的关键要素。
一、工程概况本工程采用外墙压型钢板作为建筑外墙材料,旨在提高建筑物的防水、保温、隔热性能,同时达到美观、耐用的效果。
施工过程中,严格按照《压型金属板建筑构造》(17J925-1)等相关规范进行操作。
二、施工准备1. 施工材料:外墙压型钢板、保温材料、防水材料、连接件、锚固件等。
2. 施工工具:电焊机、切割机、钻机、扳手、水平尺、线锤等。
3. 施工人员:施工人员需具备外墙压型钢板安装相关技能,熟悉施工工艺和安全操作规程。
三、施工工艺流程1. 施工测量:根据设计图纸,对建筑物外墙进行测量放线,确保安装位置准确。
2. 预处理:对施工面进行清理,确保墙面平整、无油污、无杂物。
3. 安装支撑结构:按照设计要求,安装外墙支撑结构,如钢结构、木结构等。
4. 安装锚固件:在支撑结构上安装锚固件,确保锚固件牢固可靠。
5. 安装保温材料:在锚固件上安装保温材料,如岩棉板、聚氨酯板等。
6. 安装防水层:在保温材料上安装防水层,如SBS防水卷材、聚氨酯防水涂料等。
7. 安装压型钢板:将压型钢板按顺序铺设在防水层上,确保压型钢板平整、牢固。
8. 连接固定:使用连接件将压型钢板与锚固件、支撑结构连接固定。
9. 检查验收:对安装完成的压型钢板进行自检和互检,确保安装质量符合要求。
四、施工要点1. 施工过程中,确保压型钢板安装顺序正确,避免出现扭曲、翘曲现象。
2. 压型钢板与锚固件、支撑结构的连接应牢固可靠,避免松动。
3. 防水层、保温材料应按设计要求施工,确保防水、保温效果。
4. 施工过程中,注意安全操作,避免发生安全事故。
五、施工进度安排1. 施工准备:1天2. 施工测量:1天3. 预处理:1天4. 安装支撑结构、锚固件:2天5. 安装保温材料、防水层:3天6. 安装压型钢板:4天7. 检查验收:1天总计:12天六、质量保证措施1. 严格按照设计图纸和施工规范进行施工。
2. 对施工人员进行技术交底,确保施工人员掌握施工工艺和质量要求。
钢结构压型钢板施工工艺及施工方法文档编制序号:[KK8UY-LL9IO69-TTO6M3-MTOL89-FTT688]钢结构压型钢板施工工艺及施工方法利用压型钢板自身重量轻、强度高、承重大、抗震性好的特点,取消了传统模板支撑体系,工程中作为混凝土楼板的永久性模板,其设计的钢板肋在使用阶段起代替板底部分钢筋的作用方便施工、节约成本、且与混凝土具混凝土粘结强度,提升结构的承载能力。
多层与高层钢结构施工通常采取一柱二~三层,施工速度较快,随着结构高度增加,压型钢板以其快捷的施工速度,可以作为施工时的操作平台,保证施工的安全。
适用范围本工法适用于钢结构与混凝土楼板组合的结构工程,特别适用于楼层较高、面积较大、不适宜搭设满堂脚手架体系的建筑。
施工准备材料及机具劳动力组织压型钢板施工中要求作业人员具备较高的技术水平,能够多个小组同时作业,需要配置的工种类型包括:铆工、电焊工、气焊工、起重工、测量工和力工。
作业条件体框架结构焊接完毕并已经超声波探伤合格。
主体框架结构焊接完成后,柱垂直度偏差复测试合格。
上层次梁安装前,应先将压型钢板放置于下层梁上,若在次梁安装后再吊压型钢板,势必造成斜向进料,容易损坏钢板甚至发生危险。
施工顺序平面施工顺序随主体结构安装顺序铺设压型钢板,只要施工条件具备后即可从各自的单元开始。
里面施工顺序为保证上节钢柱施工人员操作安全,应先铺设本节柱的上层压型钢板,后铺设下层压型钢板。
安装方法安装前的准备:认真熟悉图纸,了解压型钢板的排版分布、尺寸控制要求以及压型钢板在钢梁上位置关系等。
在安装之前,检查钢梁的平整度和钢结构梁的完善情况,认真清扫钢梁顶面的杂物,检查钢梁表面是否存在防腐工艺,如果存在必须要将防腐表层打磨去掉。
综合测量钢梁表面的平整度,并根据压型钢板的排版图及建筑轴线在钢梁表面上进行测量放线,并作好测量标记。
压型钢板安装:吊放与铺设压型钢板由指定的厂家供货。
该公司在供货时,压型钢板应以安装单元为单位成捆运至现场,每捆压型钢板按照该厂提供的布置图将压型钢板按照铺装顺序叠放整齐。
钢结构压型钢板施工工艺及施工方法利用压型钢板自身重量轻、强度高、承重大、抗震性好的特点,取消了传统模板支撑体系,工程中作为混凝土楼板的永久性模板,其设计的钢板肋在使用阶段起代替板底部分钢筋的作用方便施工、节约成本、且与混凝土具混凝土粘结强度,提升结构的承载能力。
多层与高层钢结构施工通常采取一柱二~三层,施工速度较快,随着结构高度增加,压型钢板以其快捷的施工速度,可以作为施工时的操作平台,保证施工的安全。
适用范围本工法适用于钢结构与混凝土楼板组合的结构工程,特别适用于楼层较高、面积较大、不适宜搭设满堂脚手架体系的建筑。
施工准备材料及机具劳动力组织压型钢板施工中要求作业人员具备较高的技术水平,能够多个小组同时作业,需要配置的工种类型包括:铆工、电焊工、气焊工、起重工、测量工和力工。
作业条件体框架结构焊接完毕并已经超声波探伤合格。
主体框架结构焊接完成后,柱垂直度偏差复测试合格。
上层次梁安装前,应先将压型钢板放置于下层梁上,若在次梁安装后再吊压型钢板,势必造成斜向进料,容易损坏钢板甚至发生危险。
施工顺序平面施工顺序随主体结构安装顺序铺设压型钢板,只要施工条件具备后即可从各自的单元开始。
里面施工顺序为保证上节钢柱施工人员操作安全,应先铺设本节柱的上层压型钢板,后铺设下层压型钢板。
安装方法安装前的准备:认真熟悉图纸,了解压型钢板的排版分布、尺寸控制要求以及压型钢板在钢梁上位置关系等。
在安装之前,检查钢梁的平整度和钢结构梁的完善情况,认真清扫钢梁顶面的杂物,检查钢梁表面是否存在防腐工艺,如果存在必须要将防腐表层打磨去掉。
综合测量钢梁表面的平整度,并根据压型钢板的排版图及建筑轴线在钢梁表面上进行测量放线,并作好测量标记。
压型钢板安装:吊放与铺设压型钢板由指定的厂家供货。
该公司在供货时,压型钢板应以安装单元为单位成捆运至现场,每捆压型钢板按照该厂提供的布置图将压型钢板按照铺装顺序叠放整齐。
压型钢板起吊前,需按设计施工图核对其板型、尺寸、块数和所在部位,确认配料无误后,分别随主体结构安装顺序和进度,吊运到各施工节间成叠堆放。
***城市广场工程压型钢板安装作业指导书编制:审核:批准:编制日期:2006年10月10日印号:(盖章受控)版本:第一版发布日期:年月日一.压型钢板简述本工程采用的压型钢板为0.70mm厚镀锌钢板,材质为Q345B的镀锌钢板。
此压型钢板仅作为模板使用,总面积约为48000m2。
二.工程特点1. 由于施工的场地非常狭窄,所以必须严密规划现场,合理利用场地。
各种构件数量巨大,现场可用于堆放的场地狭小,所以必须严密计划,制定出合理、详细的压型钢板进场计划。
2. 压型钢板的生产在异地,运输距离较远,必须采取切实可行的措施,防止压型钢板在运输中的变形。
3. 压型钢板的深化设计图是由生产厂家设计的。
三.压型钢板的主要施工方法和技术要求压型钢板安装工艺流程为:清理→弹线→吊运→布板→切割→压合→焊接→封堵→验收→栓钉1.压型钢板的吊装与堆放1.1.堆放压型钢板的地坪应平整、不集水,压型钢板堆叠不宜过高,以每堆不超过40张为宜;1.2.压型钢板运至现场需妥善保护,不得有任何损害与污染,特别是油污;1.3.吊装前应先核对压型钢板的编号及吊装位置是否准确,包装是否牢固;1.4.起吊前应先试吊,以检查重心是否稳定,钢索是否会滑动,待安全无虑时方可起吊;起吊时每捆应有两根钢索绳,分别捆于两端四分之一处;1.5.吊装顺序为先下层后中间最后上层,避免因先行吊放压型钢板阻碍下层板的吊放。
1.6. 在堆料场地将压型钢板分层分区按料单清理出来,并注明编号,区分清楚层、区、号,用记号笔标明,并准确无误地运至施工指定部位。
2.压型钢板的放样2.1.放样前需检查钢构件的尺寸,以避免因钢构的安装误差导致放样错误;2.2 .铺设压型钢板前先在铺板区弹出钢梁的中心线,主梁的中心线是铺设压型钢板固定位置的控制线。
由主梁的中心线控制压型钢板搭接钢梁的搭接宽度,并决定压型钢板与钢梁熔透焊接的焊点位置。
将次梁的中心线及次梁翼缘宽度返弹在主梁的中心线上,固定栓钉时应将次梁的中心线及次梁翼缘宽度再返弹到次梁面上的压型钢板上;2.3. 在主梁上应弹出中心线,次梁的中心线应反射在主梁上;2.4. 压型钢板以对接方式施工时,应在压型钢板的两端部弹设基准线位于钢梁中心线;2.5. 边模施工放样应按边模底板长度扣除悬挑尺寸后,要求与钢梁搭接不少于50MM;在压型钢板的两端弹设基准线,距钢梁翼缘边至少50MM;3.压型钢板的铺设3.1.压型钢板的铺设应先上层后下层最后中层逐层施工,铺设时要按序逐块布板,铺设一块压合一块固定一块,严禁零散铺设;3.2.压型钢板的铺设必须在钢结构已完成矫正、焊接、检测后方可施工;必须在所需的补强构件安装完工后方可施工;3.3.铺设时以压型钢板母肋为基准起始边,依次铺设;3.4.铺设时每张压型钢板确实MM宽度定位,并以张为单位,边铺设边定位方式作业;3.5.梁柱处的接头,压型钢板,切割必须平齐,以保证压型钢板与梁柱的贴合紧密以免空隙太大;3.6.边模的焊接必须保证其平直、牢固,边模的外边保持直线。
1 适用范围压型钢板(又称楼承板):镀锌薄钢板经辊压成型,其截面成梯形、倒梯形或类似形状的波形,在建筑中用于楼板永久性支撑模板,也可被选用为其他用途的钢板。
本工艺标准所指的压型金属板是指用于钢结构建筑的楼板的永久性支承模板。
它既是楼盖的永久性支承模板,根据设计它还可以与现浇混凝土层共同工作,是建筑物的永久组成部分,习惯称为结构楼承板。
本工艺标准适用于结构楼承板的施工。
2 执行标准标准及规范《钢结构结构施工质量验收规范》GB50205-2001《建筑用压型钢板》GB/T12755—912.3.3 基本规定压型钢板安装应在钢结构楼层梁全部安装完成、检验合格并办理有关隐蔽手续以后进行,最好是整层施工。
压型钢板应按施工要求分区、分片吊装到施工楼层并放置稳妥,及时安装,不宜在高空过夜,必须过夜的应临时固定。
压型钢板的几何尺寸、重量及允许偏差应符合《建筑用压型钢板》GB/T12755 的要求。
高空施工的安全走道应按施工组织设计的要求搭设完毕。
施工用电的连接应符合安全用电的有关要求,严格做到一机、一闸、一漏电。
2.3.3.5 压型钢板的切割应用冷作、空气等离子弧等方法切割,严禁用氧气乙炔焰切割。
3 施工准备3.1 技术准备(1)压型钢板的板型确认楼承板施工之前,应当根据施工图的要求,选定符合设计规定的材料(主要是考虑用于楼承板制作的镀锌钢板的材质、板厚、力学性能、防火能力、镀锌量、压型钢板的价格等经济技术要求),板型报设计审批确认。
(2)压型钢板排布图根据已确认板型的有关技术参数绘制压型钢板排版图。
简言之,所谓压型钢板排版图就是根据已经选定的板型宽度,根据结构设计的楼板承载要求及建筑分隔,在图纸上预先排布压型钢板,从而确定板材的加工长度、数量,给出材料编号和采购清单,实际施工时据此安装压型钢板。
压型钢板排版图应当包含以下内容:标准层压型钢板排版图;非标准层压型钢板排版图;标准节点作法详图;个别节点的作法详图;压型钢板编号、材料清单等。
钢结构压型钢板施工工法钢结构压型钢板施工工法是一种常用的结构施工方法,广泛应用于工业厂房、商业建筑和桥梁等领域。
本文将介绍钢结构压型钢板施工工法的基本原理、施工流程以及注意事项。
一、基本原理钢结构压型钢板施工工法是利用压型钢板作为构件连接采用的一种施工工法。
压型钢板是一种冷弯成型的钢材,具有强度高、刚度好、形状规整等特点,因此被广泛应用于建筑结构中。
施工时,压型钢板通过螺栓连接方式固定在梁、柱、檩条等钢结构构件上,形成一个整体的结构体系。
二、施工流程1.准备工作施工开始之前,需要进行相关的准备工作。
首先是制定详细的施工方案,包括施工步骤、施工顺序、施工方法等。
同时还需要准备好所需的施工设备和材料,包括起重机械、焊接设备、螺栓等。
2.搭设施工平台在施工现场搭设施工平台,以便进行施工操作。
施工平台应具有足够的承载能力和稳定性,并且应设置安全防护设施,确保施工过程中的安全。
3.预制压型钢板根据设计要求预制好压型钢板,包括尺寸、型号、数量等,确保压型钢板的质量合格,以便后续的施工使用。
4.安装钢结构构件根据设计图纸的要求,先安装好钢结构构件,包括梁、柱、檩条等。
施工过程中要注意构件的水平度和垂直度,确保构件的安装准确。
5.安装压型钢板将预制好的压型钢板依次安装在钢结构构件上,并使用螺栓连接固定。
在安装过程中要注意保持压型钢板的平整度和对齐度,确保其稳定性和安全性。
6.焊接处理在压型钢板的连接处进行焊接处理,以提高构件和板材之间的刚性连接。
焊接应符合相关的焊接规范和标准,确保焊缝的质量。
7.防腐处理完成压型钢板的安装和焊接后,进行防腐处理。
根据结构的具体要求,选择适当的防腐方法和涂料,对钢结构和压型钢板进行防腐处理,延长其使用寿命。
8.验收完成施工后,进行验收工作。
对施工质量进行检查,确保施工符合设计要求和相关规范。
同时还要进行安全评估,确保结构的安全性。
三、注意事项1.施工现场应保持整洁,材料堆放有序,避免堆高过高导致倒塌的危险。
钢结构压型钢板施工工法一、工法特点及原理(1)利用压型钢板自身重量轻、强度高、承重大、抗震性好的特点,取消了传统的模板支撑体系,工程中作为混凝土楼板的永久性模板,其设计的钢板肋在使用阶段起代替板底部分钢筋的作用,方便施工、节约成本,且与混凝土具有很好粘接强度,提升结构的承载能力。
(2)多层及高层钢结构施工通常采取一柱二~三层,施工速度较快。
随着结构高度的增加,压型钢板以其快捷的施工速度,可以作为施工时的操作平台,保证施工的安全。
二、适用范围(1)本工法适用于钢结构梁与混凝土楼板组合的结构工程,特别适用于楼层层高较高、面积较大、不适宜搭设满堂脚手架体系的建筑。
三、施工准备1、材料及机具:序号名称功能1压型钢板主要材料2收边材料辅助材料3交流弧焊机压型钢板与梁焊接4氩弧焊机洞口封边焊接5等离子切割机压型钢板切割6空气压缩机配合等离子切割机7气割用具切割8手锤压型钢板与梁紧贴9吊装带吊压型钢板用10墨斗放线11直角尺放线12钢卷尺放线13夹紧器压型钢板咬合2、劳动力组织:压型钢板施工中要求作业人员具备较高的技术水平,能够多个小组同时作业。
需要配置的工种类型包括:铆工、电焊工、气焊工、起重工、测量工和力工。
3、作业条件:1)体框架结构焊接完毕并已经超声波探伤合格:2)主体框架结构焊接完成后,柱垂直度偏差复测合格;3)上层次梁安装前,应先将压型钢板放置于下层梁上;若在次梁安装后再吊压型钢板,势必造成斜向进料,容易损坏钢板甚至发生危险。
四、施工顺序1、平面施工顺序随主体结构安装顺序铺设压型钢板,只要施工条件具备后即可从各自的单元开始。
2、立面施工顺序为保证上节钢柱安装人员操作安全,应先铺设本节柱的上层压型钢板,后铺设下层压型钢板。
五、工艺流程六、安装方法1、安装前的准备:1)认真熟悉图纸,了解压型钢板的排版分布、尺寸控制要求以及压型钢板在钢梁上位置关系等。
2)在安装之前,检查钢梁的平整度和钢结构梁的完善情况,认真清扫钢梁顶面的杂物,检查钢梁表面是否存在防腐工艺,如果存在必须要将防腐表层打磨去掉。
钢结构压型钢板施工工艺及施工方法公司标准化编码 [QQX96QT-XQQB89Q8-NQQJ6Q8-MQM9N]钢结构压型钢板施工工艺及施工方法利用压型钢板自身重量轻、强度高、承重大、抗震性好的特点,取消了传统模板支撑体系,工程中作为混凝土楼板的永久性模板,其设计的钢板肋在使用阶段起代替板底部分钢筋的作用方便施工、节约成本、且与混凝土具混凝土粘结强度,提升结构的承载能力。
多层与高层钢结构施工通常采取一柱二~三层,施工速度较快,随着结构高度增加,压型钢板以其快捷的施工速度,可以作为施工时的操作平台,保证施工的安全。
适用范围本工法适用于钢结构与混凝土楼板组合的结构工程,特别适用于楼层较高、面积较大、不适宜搭设满堂脚手架体系的建筑。
施工准备材料及机具劳动力组织压型钢板施工中要求作业人员具备较高的技术水平,能够多个小组同时作业,需要配置的工种类型包括:铆工、电焊工、气焊工、起重工、测量工和力工。
作业条件体框架结构焊接完毕并已经超声波探伤合格。
主体框架结构焊接完成后,柱垂直度偏差复测试合格。
上层次梁安装前,应先将压型钢板放置于下层梁上,若在次梁安装后再吊压型钢板,势必造成斜向进料,容易损坏钢板甚至发生危险。
施工顺序平面施工顺序随主体结构安装顺序铺设压型钢板,只要施工条件具备后即可从各自的单元开始。
里面施工顺序为保证上节钢柱施工人员操作安全,应先铺设本节柱的上层压型钢板,后铺设下层压型钢板。
安装方法安装前的准备:认真熟悉图纸,了解压型钢板的排版分布、尺寸控制要求以及压型钢板在钢梁上位置关系等。
在安装之前,检查钢梁的平整度和钢结构梁的完善情况,认真清扫钢梁顶面的杂物,检查钢梁表面是否存在防腐工艺,如果存在必须要将防腐表层打磨去掉。
综合测量钢梁表面的平整度,并根据压型钢板的排版图及建筑轴线在钢梁表面上进行测量放线,并作好测量标记。
压型钢板安装:吊放与铺设压型钢板由指定的厂家供货。
该公司在供货时,压型钢板应以安装单元为单位成捆运至现场,每捆压型钢板按照该厂提供的布置图将压型钢板按照铺装顺序叠放整齐。
钢结构施工方案一、综合说明本工程为××××××购物中心工程,总建筑面积约25570平方米,主体为三层钢框架结构局部四层,檐口总高度为19米。
框架钢柱为焊接箱型柱,钢梁为焊接H型钢梁,楼面为压型钢板与混凝土叠合楼板,外墙面为压型彩板。
主钢构件材质为Q345,檩条采用Q235 C型薄壁型钢。
本工程施工范围包括钢结构系统的制作与现场安装施工。
二.施工准备1. 组织有关工程管理和技术人员对设计图纸进行会审。
对图纸不明确及施工中有困难的地方,要与设计单位作好变更鉴证手续。
2. 根据施工图纸结合本单位的设备和技术条件,制定出工程的主体施工方案,并提出材料计划。
3. 对钢结构工程所使用的机械和检测设备的性能进行检验,保证施工过程中各种设备的工作状态良好,使用功能齐全。
4. 钢结构工程所使用的材料除应有质量证明书外,还应根据现行国家标准的规定作出复试检验,符合标准后方可使用。
5. 在钢结构工程施工前,应对各工序的施工人员进行必要的岗位培训,并对其进行技术、质量、安全交底,预防发生安全和质量事故。
6. 钢结构进入现场需进行构件检验并合理堆放,以便于构件进入现场后顺利的安装。
7. 现场吊装前,应在柱脚埋件上弹好十字线,同时将标高控制点设置好。
现场场地应平整夯实,没有积水,并且要预留车道。
三.施工进度安排按照工期要求2002年7月8日开工至2002年12月28日竣工,钢结构工程部分在土建施工的基础上保证工期计划,安排好施工进度,组织好施工,具体进度计划见施工进度计划表。
四.劳动力计划钢结构主体工程施工劳动力计划级别工种按工程施工阶段投入劳动力人数制作阶段安装阶段备注下料工8、组立工6 、焊工10 4 、矫正工 4 、钻孔工6 、喷漆工6 、司机 2 2 、电工2 2 、起重工2 8 、辅助工6 8、板材安装16 设备维修工1 1五.主要施工机械设备钢结构工程主要施工机械设备序号机具名称数量备注1 数控直条多头切割机2 ;2 型钢自动组立机;3 门式埋弧自动焊2 ;4 半自动焊2 ;5 H型钢矫正机2 ;6端面铣1 ;7 抛丸除锈机1 ;8 摇臂钻2 ;9 剪板机2 ;10 二氧化碳气体保护焊3 ;11 碳弧气刨1 ;12 带锯1 ;13 万能铣床1 ;14 50吨吊车2 ;15 电焊机24 ;16 扭矩扳手6 ;17 5吨倒链218 气焊2六.钢结构制作与安装施工方法钢结构制作:本工程钢结构主框架钢柱采用焊接箱型柱,钢梁为焊接H型钢,构件数量多,工程量大,我公司采用先进的专用箱型柱生产设备电渣压力焊及焊接H型钢生产线进行制作。
钢结构压型钢板安装施工工法
1
钢结构压型钢板施工工法
二十一项目: 裴吉星
1.前言:
随着建筑行业技术的不断进步, 以及中国钢结构施工技术的逐步成熟, 钢结构建筑在中国的工业及民用建筑中所占的比例越来越大。
在高层钢结构工程施工中, 压型钢板以其施工速度快、与结构连接性能可靠等优点而得到了广泛的应用。
结合我公司中关村—CADENCE软件技术培训中心和中关村金融中心工程压型钢板铺设的成功经验, 在现场规范的基础上, 形成压型钢板施工工法。
2.工法特点:
( 1) 压型钢板在施工时起模板作用, 在使用阶段起代替板底部分钢筋的作用。
方便施工、降低成本。
( 2) 高层钢结构施工一般采取一柱三层, 施工速度较快。
随着结构高度的增加, 压型钢板以其快捷的施
工速度, 能够作为施工时的操作平台, 保证施工的安全。
( 3) 压型钢板能够与混凝土形成强劲握裹, 提升结构的承载能力。
3.适用范围:
( 1) 本工法适用于组合楼板中各式压型钢板的施工。
4.施工准备:
4.1材料及机具:
2
3
4.2劳动力组织:
压型钢板施工中要求作业人员具备较高的技术水平, 能够多个小组同时作
业。
需要配置的工种类型包括: 铆工、 电焊工、 气焊工、 起重工、 测量工和力工。
4.3作业条件:
4.3.1主体框架结构焊接完毕并已经超声波探伤合格: 4.3.2主体框架结构焊接完成后, 柱垂直度偏差复测合格;
4.3.3上层次梁安装前, 应先将压型钢板放置于下层梁上; 若在次梁安装后再
吊压型钢板, 势必造成斜向进料, 容易损坏钢板甚至发生危险。
5.施工顺序:
5.1平面施工顺序
随主体结构安装顺序铺设压型钢板, 只要施工条件具备后即可从各自的单元开始。
5.2立面施工顺序
为保证上节钢柱安装人员操作安全, 应先铺设本节柱的上层压型钢板,
后铺设下层压型钢板。
6.工艺流程:
7.施工方法:
7.1一般要求:
7.1.1按照安装单元的施工顺序进行配料, 将每个单元的压型钢板按照铺装顺序成捆打包运至现场。
7.1.2压型钢板在施工时起模板作用, 在使用阶段代替板底部分钢筋的作用,
并协同砼共同受力。
因此在铺设中应严格按设计要求, 保证连接质
4
5
量。
7.2压型钢板安装: 7.2.1吊放与铺设
1) 压型钢板由指定的厂家供货。
该公司在供货时, 压型钢板应以安装单元
为单位成捆运至现场, 每捆压型钢板按照该厂提供的布置图将压型钢板按照铺装顺序叠放整齐。
2) 压型钢板起吊前, 需按设计施工图核对其板型、 尺寸、 块数和所在部
位, 确认配料无误后, 分别随主体结构安装顺序和进度, 吊运到各施工节间成叠堆放。
堆放应成条分散。
压型板在吊放于梁上时应以缓慢速度下放, 切忌粗暴的吊放动作。
3) 无外包装的压型钢板, 装卸时应采用吊具。
严禁直接使用钢丝绳捆绑起
吊。
起吊要平稳, 不能有倾斜现象, 以防滑落伤人。
4) 为保护压型钢板在吊运时不变形, 应使用软吊索或在钢丝绳与板接触的
转角处加胶皮或钢板下使用垫木, 但必须捆绑牢固。
谨防垫木滑移, 压型钢板倾斜滑落伤人。
5) 压型钢板成捆堆置, 应横跨多根钢梁, 单跨置于两根梁之间时, 应注意两
端支承宽度, 避免倾倒而造成坠落事故。
6) 安装压型钢板前, 应在梁上标出压型钢板铺放的位置线。
铺放压型钢板
时, 相邻两排压型钢板端头的波形槽口应对准。
板吊装就位后, 先从钢梁己弹出的起铺线开始, 沿铺设方向单块就位, 到控制线后应适当调整板缝。
7) 压型钢板起吊示意图:
8)刮风速≥6m/s时禁止施工, 己拆开的压型钢板应重新捆扎, 否则, 压型钢板很可能被大风刮起, 造成安全事故或损坏压型钢板。
7.2.2 固定:
1)压型钢板在定位后应立即以焊接方式固定于结构杆件上, 钢承板侧向与钢梁搭接处, 或钢承板与钢承板侧向搭接处, 均须在跨间或90cm间距(取小值)即需有一处侧接固定(采用焊接或嵌扣夹); 详见图压型钢板固定及堵头板施工大样。
2)任何未固定的压型钢板可能会被大风刮起或滑落而造成事故。
7.2.3 焊接:
1)每一片压型钢板两侧沟底均需以15mm直径的熔焊与钢梁固定, 焊点的平均最大间距为30公分。
焊接材料应得穿透压型钢板并与钢梁材料有
6
良好的熔接。
如果采用穿透式栓钉直接透过压型钢板植焊于钢梁上, 则栓钉能够取代上述的部分焊点数量; 但压型钢板铺设定位后, 仍应按上述原则被固定, 唯熔焊直径能够改为8mm以上。
2)与钢梁的焊接不但包括压型钢板两端头的支承钢梁, 还包括跨间的次梁; 3)如果栓钉的焊接电流过大, 造成压型钢板烧穿而松脱, 应在栓钉旁边补充焊点。
7.2.4 压型钢板收边做法:
1)当压型钢板临边梁或铺设不连续时:
压型钢板收边大样
(当压型钢板临边梁或铺设不连续时)
2)板连续铺设跨梁时:
7。