完整word版,《电机学上》林荣文版课后答案
- 格式:doc
- 大小:1.08 MB
- 文档页数:22
1-1、 变压器电动势旋转电动势产生的原因有什么不同其大小与哪些因素有关1-2、 答:变压器电动势产生原因:线圈与磁场相对静止,但穿过线圈的磁通大小或方向发生变化;旋转电动势产生原因:磁通本身不随时间变化,而线圈与磁场之间有相对运动,从而使线圈中的磁链发生变化;对于变压器电动势:dtd Ndt d e φψ-=-= e 的大小与线圈匝数、磁通随时间的变化率有关;对于旋转电动势:Blv e =e 的大小与磁感应强度B,导体长度l ,相对磁场运动速度v 有关;1-3、 磁滞损耗和涡流损耗是什么原因引起的它的大小与哪些因素有关1-4、 答:磁滞损耗产生原因:铁磁材料在外界交变磁场作用下反复磁化时,内部磁畴必将随外界磁场变化而不停往返转向,磁畴间相互摩擦而消耗能量,引起损耗;其大小n P 与最大磁通密度m B 、交变频率f 和材料等因素有关,即an fB P ∞;同时,磁滞损耗与磁滞回线所包围的面积有关,面积越大,磁滞损耗也就越大;涡流损耗产生原因:铁芯中磁通发生交变时根据电磁感应定律,铁芯中会感应涡流状的电动势并产生电流,即涡流;涡流在铁芯中流通时,会产生损耗,就称为涡流损耗;其大小w P 与铁芯中的磁通密度幅值m B ,磁通的交变频率f 、硅钢片厚度d 和硅钢片电阻率ρ等因素有关,即ρ222dB f P m w ∞;1-5、 如何将dtd Ne Φ-=和Blv e =两个形式不同的公式统一起来 1-6、 答:匝数N 为1、有效长度为l ,线圈宽度为b 的线圈在恒定磁场中以速度v 运动时,由电磁感应定律可得:()Blv v lB dtdxlB d l B dt d dt d Ne b x x =--=-=-=-=⎰+)(ξξφ1-7、 电机和变压器的磁路通常采用什么材料制成这些材料各具有哪些主要特征 1-8、答:1通常采用高导磁性能的硅钢片来制造电机和变压器的铁芯,而磁路的其他部分常采用导磁性能较高的钢板和铸钢制造,来增加磁路的导磁性能,使其在所需的磁路密度下具有较小的励磁电流;2硅钢片的导磁率极高,能减少电机体积,降低励磁损耗,磁化过程中存在不可逆性磁滞现象,交变磁场作用下,会产生磁滞损耗和涡流损耗; 2-6 已知一台直流发电机的铭牌参数如下:额定功率P N =200kW,额定电压U N =230V ,额定转速n N =1450r/min,额定效率ηN =90%,试求该发电机的额定输入功率P 1和额定电流I N ;答:直流发电机P N =U N I N ,代入数据可得I N =2.222%90102521=⨯===N NN P P P ηηkW2-7 已知一台直流电动机的铭牌参数如下:额定功率P N =55kW,额定电压U N =110V ,额定转速n N =1000r/min,额定效率ηN =85%,试求该发电机的额定输入功率P 1、额定电流I N 和额定转矩T cN ; 答:7.64%851055321=⨯===NNNP P P ηηkW直流电动机P 1=U N I N ,代入数据可得I N =588ANm k w P T cN 5.52560/21000552=⨯==π 2-10 一台四极单叠绕组的直流电机:1如果取出相邻两组电刷,只用剩下的两组电刷是否可以对电机的性能有何影响端电压有何变化此时发电机能供多大负载用额定功率的百分比表示 2如果有一元件短线,电刷间的电压有何变化电流有何变化3如果只用相对的两组电刷是否能继续运行 4若有一个磁极失磁将会产生什么后果 答:1若取出相邻两电刷,电机可以工作,但带负载性能降低,原本共4条支路并联,设每支路电流为I ,总电流为4I ,现在其中3条支路串联后再与第4条支路并联,总电流为1/3I +I =4/3I ;端电压不变,N N N P P IIP %3.3343/4'==; 2若有一元件断线,电刷间电压不变,由于断线支路无电流,总电流变为3I,即减少为原来的3/4; 3只用相对的两个电刷时,两条支路上的电动势都为0,无法运行;4若一磁极失磁,电极内磁场不对称,造成并联各支路感应电动势不等,甚至产生环流,损坏电机;2-13 一台直流发电机,2P =8,当n =600r/min,每极磁通量3104-⨯=φWb 时,E =230V,试求:1若为单叠绕组,则电枢绕组应有多少根导体 2若为单波绕组,则电枢绕组应有多少根导体 答:n C E e φ=,则8.951046002303=⨯⨯=-e C又aPNC e 60=1当为单叠绕组时,a =P =4,574848.9546060=⨯⨯==P aC N e 匝 2当为单波绕组时,a =1,143748.956060=⨯==P aC N e 匝 2-16、 一台单波绕组的直流发电机,2P =4,P N =50kW,U N =230V ,n N =725r/min,K =135,N y =1,试求:1电枢绕组总导体数N ;2空载时,产生额定电压的每极磁通量Φ0;3若将电枢绕组改为单叠绕组,在同样每极磁通量Φ0及转速下,空载时感应电动势为多少 答:1270113522=⨯⨯==y kN N 2单波绕组a=1960==aPNC e 035249.00==Ne n C EφWb 3若改为单叠绕组a=p=25.460==aPNC e 1150==N e n C E φV2-19 一台并励直流发电机在600r/min 时,空载电压为125V ,假如将转速提高到1200r/min,同时将励磁回路的电阻增加一倍,问发电机的空载电压为多少 答:并励发动机空载时,I =0所以f a I I =由于f I 、a R 和b U ∆很小,因此()'2f f j f f b a a R I R R I U U R I U E =+=≈∆++=同时n Ce E φ=题目指出,速度增大一倍,'f R 也增加一倍;那么'22f f R I E ⋅=励磁电流大小不变,磁通φ不变;那么2502''0==≈E E U V2-20 对任一直流发电机,在给定的运行情况下,总可以利用电动势方程式求得b a a U r I U E ∆++=2,为什么用空载特性曲线上求出对应于E 的励磁电流I f 并非该运行状态的实际励磁电流值 答:当直流发电机有负载时,电枢电流比较大,此时会产生明显的去磁效应或助磁效应,而工作在空载特性曲线对应E 的励磁电流I f 下,是不能满足要求的;所以实际励磁电流会偏大由于去磁效应或偏小由于助磁效应;2-22 一台并励直流发电机,2P =4,P N =82kW,U N =230V ,n N =970r/min,Ω=︒0259.075a R ,并励绕组每极有匝,四极串联后的总电阻Ω=8.22f R ,额定负载时,并励回路串入Ω=5.3f R ,22=∆b U V ,kW p p mec Fe 3.2=+,N ad P p 005.0=;试求额定负载时发电机的输入功率、电磁转矩和效率; 答:5.356==N N N U P I A 745.8=+=fj Nf R R U I A 2.365=+=f N a I I I A46.2412=∆++=b a a N U R I U E V输入功率891.901=+++=++++=ad Fe mec a em f ad Fe mec em p p p I P p p p p P P kW 效率%9012==P P η 由n Ce E φ=3.868===a e Ta T em I nC EC I C T φNm 2-24 一台他励直流发电机,P N =10kW,U N =230V ,n N =1000r/min,Ω=46.0a R ,额定负载时电枢反应去磁作用相当于励磁电流0.2A;已知在800 r/min 时,在所考虑工作范围内,其空载特性可用()400/5f f E I I =+表示;试求:1发电机额定励磁电流fN I ;2电压变化率%U ∆;3过载25%时的端电压设电枢反应正比于负载电流;4在额定负载时,将端电压提高到250V ;励磁电流fN I 不变时,其转速应提高到多少若转速不变时,其励磁电流应增加多少 答: 15.43==NNN U P I A 250=+=a N N N R I U E V考虑在相同的励磁电流作用下,其产生的电动势为200==NNn n nE E V 又()ffI I E +=5400 ,所以5=fIA考虑电枢反应去磁作用,发电机额定励磁电流为2.5=+=fs f fN I I I A 29.25454000=+=nn I I U NfN fN V%83.10%100%0=⨯-=∆NNU U U U3过载25%时,N a I I 25.1'=此时,25.02.025.1'=⨯=fs I A 故75.4''=-=fs fN f I I I A 则由()ffI I E ''5400+=,得6.243=E V6.218'''=-=a a R I E U V4a fN I 不变,此时40250100002==N I A 则4.268222=+=a N N N R I U E V去磁作用184.02.022=⨯=NN fs I I I A 016.522=-=fs fN f I I I A在800 r/min 时, ()V I I E f f 3.2005400222'=+= 故10728002'2122=⨯==E E n n n N N N N b 转速N n 不变,402=N I A,4.2682=N E V ,184.02=fs I Ann I I E Nf f N 2225400+=,所以794.52=f I A故978.5222=+=fs f fN I I I A2-28 如何改变串励、并励和复励直流电动机的转向 答:要改变直流电动机的转向,只要改变电枢电流方向或励磁电流方向;对于串励直流电动机,可将电枢绕组或串励绕组反接,电枢电流或励磁电流改变一个就可以;对于并励直流电动机来说,方法同上;对于复励直流电动机来说,考虑到其励磁绕组的特殊性,在改变电路时,要保证两段励磁绕组的综合励磁作用与电枢电流择一反向;2-31 两台完全相同的并励直流电动机,机械上用一转轴联接在一起,并联于230V 的电网上运行,轴上不带其他负载;在1000r/min 时空载特性为:此时,甲电机的励磁电流为,乙电机的励磁电流为,转速为1200r/min,电枢回路的总电阻均为Ω,若忽略电枢反应去磁的影响和附加损耗ad P ,试问: 1) 哪台是发电机哪台是电动机2)3) 总的机械损耗和铁耗是多少4) 若保持转速不变,只调节励磁电流能否改变电机的运行状态5) 是否可以在1200r/min 时两台电机都从电网吸取功率或向电网送出功率 答: 1n C E e φ=0对于甲电机,当n=1200r/min 时2359.195560=⨯=E V>U 甲电机是发电机对于乙电机,当n=1200r/min 时2247.186560=⨯=E V<U 乙电机是电动机 2对发电机a a R I U E +=0可得50=a I A 则11750=a EI W甲发电机的机械损耗和铁耗em P P 甲甲-1 对电动机60=-=aa R EU I A 乙电动机的机械损耗和铁耗:甲乙1P P em - 16900=-=em em P P P 甲乙∑W3调节励磁电流可以改变两机运行状态;4可以两机都做电动机从电网吸收功率;但不可以两机都做发电机送出功率,因为不符合能量守恒定律;2-32 一台变励直流电动机,P N =,U N =100V ,I n =58A,n N =1470r/min,R f =Ω,R a =Ω;在额定负载时突然在电枢回路中串Ω电阻,若不计电枢回路中的电感和略去电枢反应去磁的影响,试计算此瞬间的下列各项:1) 电枢反应电动势;2电枢电流;3电磁转矩;4若总制动转矩不变,试求达到稳定状态后的转速; 答:14.9115.013810058100=⨯⎪⎭⎫⎝⎛--=-=a a N R I U E V由于串入瞬间电机转速不变,故由n C E e φ=知E 不变; 故电枢反应电动势为;2当串入后()R R I U E a a N ∆+-=',所以2.13'=a I A38.7''===a Ne T a N T em I n C E C I C T φNm 4若总制动转矩不变,则a Ne Ta N T em I n C EC I C T ==φ0,知a I 不变 则平衡后()8.62'=∆+-=R R I U E a a N A1010''==Ne C E n φr/min2-35 一台并励直流电动机,P N =,U N =110V ,n N =900r/min,ηN =85%,R a =Ω,I fN =2A;若总制动转矩不变,在电枢回路中串入一电阻,使转速降低到450r/min,试求串入电阻的数值、输出功率和效率; 答:转矩不变,则75=-=-==f NN Nf N aN a I U P I I I I η A电枢电势10408.075110=⨯-=-=a aN N R I U E V 速度降到450r/min 后,52===NNe n nE n C E φV;69.008.07552110=--=--=a aN Nj R I E U R Ω 输出功率6.35.0602222==⋅=Ω=P nT T P πkW 效率%5.4285.0/2.76.3/2===N N P P ηη2-41 换向极的作用是什么它装在哪里它的绕组应如何励磁如果不慎将已调节好换向极的直流电机的换向极绕组极性接反,那么运行时会出现什么现象 答:换向极作用是改善换向,在换向区域建立一个适当的外磁场,称为换向磁场;装在几何中性线上;换向极的励磁应使得换向极的磁动势抵消交轴电枢反应,并克服换向极磁路中的磁压降;如果不慎将换向极接反,则不但没有抵消,反而加强了磁场,因此可能出现电刷下的火花;2-42 一台直流电机,轻载运行时换向良好;当带上额定负载时,后刷边出现火花;那么应如何调节换向极下的气隙或换向极绕组的匝数,才能改善换向 答:由于出现的是后刷边的火花,所以可以判断是延迟换向,k r e e >而k k B e ∞换向极磁场,为使k r e e =,应增加换向极绕组的匝数,减小换向极下气隙;3-3 变压器铭牌数据为:S N =100kV A,U 1N /U 2N =6300/400V,Y/Y 0连接,低压绕组每相匝数为40匝;1求高压绕组每相匝数;2如高压边额定电压由6300V 改为10000V,而欲保持主磁通及抵押绕组额定电压不变,则新的高、低压绕组每相匝数又应是多少 答: 1由2121N NU U N N =,N 1=630 2对于高压边,由于主磁通保持不变,'1'11'11630100006300E N N E E === 1000'1=E又400100001000'2'2'1'2'1===N N N E E 40'2=N3-6 两台单相变压器,U 1N /U 2N =220/110V,原方的匝数相等,但空载电流02012I I =;今将两变压器的原线圈顺极性串联起来,原方加440V 电压,试问两台变压器副方的空载电压是否相等 答:由题,两台变压器U 1N 相等、02012I I =,可知215.0m m Z Z = 则当两变压器原线圈串联时,344044021111=+⨯=m m m Z Z Z U V388044021221=+⨯=m m m Z Z Z U V又由221==NNU U k 得32201112==k U U V34402122==k U U V 可见两变压器副边电压不相等;3-7 一台单相变压器,S N =1000千伏安,U 1N /U 2N =60/千伏,f N =50赫;空载及短路试验的结果如下:试计算:1折算到高压方的参数实际值及标幺值,假定2'21k R R R ==,2'21k X X X ==σσ;2画出折算到高压方的T 形等效电路; 3计算短路电压的百分值及其二分量;4满载及8.0cos 2=ϕ滞后时的电压变化率()%u ∆及效率η; 5最大效率m ax η; 答:1根据空载试验,有Ω===≈76.6231.1063000002I U Z Z m Ω==≈01.492002I P R R m Ω=-=83.62122222m m m R Z X由52.93.660==k 得折算到高压方时 58.5622==m m Z k Z k Ω 45.422==m m R k R k Ω 40.5622==m m X k X k Ω根据短路试验Ω===88.21115.1532101N k k I U Z Ω===00.6115.1514000221N k k I P RΩ=-=91.20222k k k R Z X由题,有Ω===50.302'21kR R R Ω===46.1012'21kX X X σσ 下面计算标幺值67.1611==N N N U S I A 73.15822==NN N U SI A 24.16067.1645.411*=⨯==N N m m U I R R 67.156067.1640.5611*=⨯==N N m m U I X X 3111*2*11047.8-⨯===NNU I R R R 2111*2*11085.2-⨯===NNU I X X X σσσ2画出等效T 形电路:u3%694.1*2*1=+=R R u kR %70.5*2*1=+=σσX X u kX得%95.522=+=kX kR k U U u 4()()()%78.46.0%70.58.0%694.1%100]sin cos [%100sin cos 2*2*12*2*12*2**2=⨯+⨯=⨯+++=⨯+=∆ϕϕϕϕσσX X R R X R I U k k由%100222⨯-=∆NN U U U U 得00.62=U kV则762cos cos 2222222===ϕϕNNN U S U I U P kW 由题50==P P Fe kW,94.16221==k kN cu I P I P kW得%20.97%10022=⨯++=Fecu P P P P η5最大效率时5000==cu Fe P P ,543.0101*2==KN P P I I 则%19.98%10022=⨯++=Fecu P P P P η3-9 变压器负载运行时引起副边端电压变化的原因是什么副边电压变化率的大小与这些因素有何关系当副边带什么性质负载时有可能使电压变化率为零 答:由于绕组存在漏阻抗,负载电流流过阻抗时,就会有电压降,从而引起副边端电压变化;副边电压变化率大小与这些因素的关系可表示为()2*2**2sin cos ϕϕk k X R I U +=∆;当负载为容性时, 02<ϕ,可能使电压变化率为零;3-10 一台单相交压器S N =2千伏安,U 1N /U 2N =1100/110伏,R 1=4欧,151=σX 欧,R 2=欧,15.02=σX 欧,负载阻抗510j Z L +=欧时,求: 1原边电流I 1、副边电流I 2、副边电压U 2; 2原边输入的有功功率; 3变压器的效率; 答:1Ω=+=+=8221'21R k R R R R k Ω=+=+=30221'21σσσσX k X X X X k Ω+==500010002'j Z k Z L L则966.0'11=++=Lk k NZ jX R U I A66.91'22===kI kI I A0.10851066.92222=+==L Z I U V2()6.940'211=+=L k R R I P W32.933222==L R I P W 得%21.99%10012=⨯=P P η 3-11 一台三相变压器Y/Y-12接法,S N =200kV A,U 1N /U 2N =1000/400V;原边接额定电压,副边接三相对称负载,负载为Y 接,每相阻抗为Z L =+Ω;变压器每相短路阻抗为Z k =+Ω高压侧;求该变压器负载运行时的: 1原、副边电流; 2副边端电压;3输入的视在功率、有功功率及无功功率; 4输出的视在功率、有功功率及无功功率; 答:1由已知,k=将Z L 折算到高压侧,得Ω+==)36(2'j Z k Z L L令NP U 1的相位为0 故()︒-∠=+=+=58.2844.8235.315.631000'11j Z Z U I L k NP ︒-∠==58.281.20612kI I2由已知,︒-∠==01.221.22122L P Z I U︒∠==99.2715.383322P U U3790.142311==I U S NP I KV A391.125cos ==I I I S P ϕKW 309.68sin ==I I I S Q ϕKvar4774.136322==I U S P O KV A329.122cos ==O O O S P ϕKW 178.61sin ==O O O S Q ϕKvar3-14 画出如图所示各种联接法的向量图,根据向量图标出联接组号; 答: 1BCAa bE ABabE联接组号为Y/△-1 2联接组号为△/△-8 3ab联接组号为Y/Y-83-16 一台Y /△联接的三相变压器,原方高压方加对称正弦额定电压,做空载运行,试分析: 1原方电流、副方相电流和线电流中有无三次谐波成分2主磁通及原、副方相电势中有无三次谐波成分原方相电压及副方相电压和线电压中有无三次谐波成分 答: 1原边三次谐波电流不能流通;副边相电流中存在三次谐波电流,线电流中没有三次谐波电流; 2主磁路中有三次谐波分量,但是很小,原、副边相电势中有三次谐波分量,但数值很小;原边相电压有三次谐波成分,副边相电压没有三次谐波成分;副边线电压没有三次谐波成分; 3-17 一台单相变压器,额定电压为380/220V;现将Xx 连在一起,在A-X 端加190V 电压,如用电压表测A-a 两端,试问:1A 、a 为同极性端时,电压应为多少 2A 、a 为异极性端时,电压应为多少 答: 1由190=AX U V , k=380/220得:110=ax U V,A 、a 同性,所以80=-=ax AX Aa U U U V2110-=ax U V,A 、a 异性300=-=ax AX Aa U U U V3-18 为了检查变压器的联接组号,在变压器接线后,将高、低压线圈的A 、a 点相连接,和上电源,用电压表测量U cb 和U ac ,试证明:1Y /Y -12:21k k U U U ab ac cb +-==; 2Y /Y -6:21k k U U U ab ac cb ++==; 2Y /Y -11:21k U U ab cb +=;abABU U k = 答: 1设bc ac ab u u u ===1,BC AC AB u u k u ===,2k AD =,12-=-=kac AD CD ,k BD 23=, 1222+-=+=k k CD BD BC ,ab BC u k k u 12+-=由对称性得ab BC Cb u k k u u 12+-==2BED CA cFa b12+=kcD ,k BD 23=,1222++=+=k k CD BD BC , 所以ab BC Cb u k k u u 12++==321=cE ,23=AE ,23-=k BE ,13222+-=+=k k EC BE BCab BC u k k u 132+-=1222+=+=k AC bA Cb ab Cb u k u 12+=4-7 如果一台交流发电机线圈电动势的三次谐波已由短距消除,其5次和7次谐波的短距系数为多少 答:为消除3次谐波,线圈的节距为ττ323111=⎪⎭⎫ ⎝⎛-=y 所以5次谐波的短距系数为866.025sin 15-=⎪⎭⎫⎝⎛⋅=πτy k y 7次谐波的短距系数为866.027sin 17=⎪⎭⎫⎝⎛⋅=πτy k y 4-8 为什么说交流绕组所产生的磁动势既是空间函数,又是时间函数;试用单相绕组的磁动势来说明; 答:同步电机的定子绕组和异步电机的定、转子绕组均为交流绕组,而它们的电流则是随时间变化的交流电;因此,交流绕组的磁动势及气隙磁通是时间的函数;同时空间上随着电角度按余弦规律分布,即也是空间位置的函数;4-9 三相绕组合成旋转磁动势基波的幅值、转向和转速各决定于多少为什么它的波幅的瞬间位置与某相电流的相位有何关系 答: 由I pNk F w 119.023⨯=知 幅值4-12 设有两相绕组,A 相轴线在B 相的逆转向90电角度,A 、B 相电流为t I I m A ωcos =、t I I m A ωsin =,试分析所产生的基波合成磁动势,并由此论证一个旋转磁动势可以用两个脉震磁动势来代替; 5-1有一台50赫的异步电机,额定转速730=N n 转/分,空载转差率为,试求该电机的极数、同步转速、空载转速及额定负载时的转差率; 答:1.46060111=≈=Nn f n f p 所以4=p ,极数为8 同步转速7506011==pf n r/min空载转速7480110=-=s n n n r/min 额定负载转差率0267.011=-=n n n s NN 5-2当异步电动机运行时,定子电流的频率是多少定子电势的频率是多少转子电势的频率是多少转子电流的频率是多少由定子电流所产生的旋转磁势基波将以什么速度切割定子以什么速度切割转子由转子电流所产生的旋转磁势基波将以什么速度切割转子以什么速度切割定子转子磁势基波切割定子的速度会不会因转子转速的变化而变化答:1定子电流的频率为额定频率1f 2定子电势频率与电流频率相同为1f 3转子电流频率为12sf f =,其中11n nn s -=4转子电势频率与电流频率相同,为12sf f = 5由定子电流所产生的旋转磁势以p f n 1160=切割定子,以n n p f n -==12260切割转子 6由转子电流产生的旋转磁势基波以n n p f n -==12260切割转子,以pf n 1160=切割定子 7转子磁势基波切割定子的速度不会因转子转速的变化而变化 5-3有一台绕线式异步电动机,定子绕组短路,在转子绕组通入三相交流电流,其频率为1f ,旋转磁场相对于转子以pf n 1160=转/分p 为定、转子绕组极对数沿着顺时针方向旋转,问此时转子转向如何转差率如何计算 5-4答:此时转子转向为逆时针,转差率11n nn s -=; 因为转子中的旋转磁场使得定子中也产生顺时针旋转磁场,使定子相对于转子顺时针旋转,而定子固定,故转子逆时针旋转;5-4 三相六级绕线式异步电动机,定、转子绕组均采用星型连接,额定功率250千瓦,额定线电压500伏,额定功率50赫,满载时的效率%,功率因数为;0146.01=R 欧,7101.02=R 欧,880.0X 1=σ欧,0745.0X 2=σ欧;926.01=w k 957.02=w k ;定子槽数为72,每槽导体数为16,每相并联支路数为6;转子槽数为90,每槽导体数为2,每相并联支路数为1;空载电流为安;试求:1额定负载时的定子电流;2忽略1R 及m R 时的激磁电抗m X ;3转子阻抗的折算值'2R 和'2X σ;答: 105.343cos 3==ϕηN NN U P I A 25.300==I U Z N 欧 412.310=-=σX Z X m 欧 34211==pm z q 32111==aN pq N c 5222==pm z q 30222==aN pq N c 032.1222111==m kw N m kw N k i 032.12211==kw N kw N k e e i e i k k X X k k R R σσ2'22'2==018.0'2=R 欧079.0'2=σX 欧5-6 若在一异步电动机定子绕组上加以频率为1f 的正序电压,产生正转旋转磁场;在转子绕组上加以频率为2f 的负序电压,产生反转旋转磁场;问当电机稳定运行时转子转向转速的大小其转速是否会随负载的增加而降低答:当电机稳定运行时转子转向与正旋转磁场相同;转速的大小为n ,则606012pf pf n =-; 转子、定子磁动势相同60)(21f f p n +=;转速不会随负载的增加而降低;5-8 一台三相异步电动机的输入功率为千瓦,定子铜耗为450瓦,铁耗为200瓦,转差率为029.0=s ,试计算电动机的电磁功率、转子铜耗及总机械功率;答:05.10111=--=Fe Cu em P P P P kW45.2912==em Cu sP P W55.975822=-=Cu mec P P P W。
1-1、 变压器电动势旋转电动势产生的原因有什么不同其大小与哪些因素有关答:变压器电动势产生原因:线圈与磁场相对静止,但穿过线圈的磁通大小或方向发生变化;旋转电动势产生原因:磁通本身不随时间变化,而线圈与磁场之间有相对运动,从而使线圈中的磁链发生变化。
对于变压器电动势:dtd N dt de φψ-=-= e 的大小与线圈匝数、磁通随时间的变化率有关。
对于旋转电动势:Blv e =e 的大小与磁感应强度B ,导体长度l ,相对磁场运动速度v 有关。
1-2、 磁滞损耗和涡流损耗是什么原因引起的它的大小与哪些因素有关答:磁滞损耗产生原因:铁磁材料在外界交变磁场作用下反复磁化时,内部磁畴必将随外界磁场变化而不停往返转向,磁畴间相互摩擦而消耗能量,引起损耗。
其大小n P 与最大磁通密度m B 、交变频率f 和材料等因素有关,即a n fB P ∞。
同时,磁滞损耗与磁滞回线所包围的面积有关,面积越大,磁滞损耗也就越大。
涡流损耗产生原因:铁芯中磁通发生交变时根据电磁感应定律,铁芯中会感应涡流状的电动势并产生电流,即涡流。
涡流在铁芯中流通时,会产生损耗,就称为涡流损耗。
其大小w P 与铁芯中的磁通密度幅值m B ,磁通的交变频率f 、硅钢片厚度d 和硅钢片电阻率ρ等因素有关,即ρ222d B f P m w ∞。
1-3、 如何将dtd Ne Φ-=和Blv e =两个形式不同的公式统一起来 答: 匝数N 为1、有效长度为l ,线圈宽度为b 的线圈在恒定磁场中以速度v 运动时,由电磁感应定律可得:()Blv v lB dtdx lB d l B dt d dt d N e b x x =--=-=-=-=⎰+)(ξξφ 1-4、 电机和变压器的磁路通常采用什么材料制成这些材料各具有哪些主要特征 答:(1)通常采用高导磁性能的硅钢片来制造电机和变压器的铁芯,而磁路的其他部分常采用导磁性能较高的钢板和铸钢制造,来增加磁路的导磁性能,使其在所需的磁路密度下具有较小的励磁电流。
一、填空题1. 直流电机的电枢绕组的元件中的电动势和电流是_____________ 。
答:交流的。
2. 一台并励直流电动机,如果电源电压和励磁电流|f不变,当加上一恒定转矩的负载后,发现电枢电流超过额定值,有人试在电枢回路中接一电阻来限制电流,此方法 ____________ 串入电阻后,电动机的输入功率P1将 _________ ,电枢电流l a ___________ ,转速n将____________ 电动机的效率n将____________ 。
答:不行,不变,不变,下降,下降。
3. 电枢反应对并励电动机转速特性和转矩特性有一定的影响,当电枢电流l a增加时,转速n将 ___________ ,转矩T e将___________ 。
答:下降,增加。
4. 电磁功率与输入功率之差,对于直流发电机包括____________________________ 损耗;对于直流电动机包括__________________________ 损耗。
答:空载损耗功率,绕组铜损耗。
5. 一台并励直流电动机拖动恒定的负载转矩,做额定运行时,如果将电源电压降低了20%,则稳定后电机的电流为___________ 倍的额定电流(假设磁路不饱和)。
答:1.25倍。
二、选择题1. 把直流发电机的转速升高2 0 %,他励方式运行空载电压为U oi,并励方式空载电压为U 02,则______A:U01 = U02 , B:U01 < U02 , C:U01 > U02。
答: B2. 一台并励直流电动机,在保持转矩不变时,如果电源电压U降为0.5U N,忽略电枢反应和磁路饱和的影响,此时电机的转速__________ 。
A :不变,B :转速降低到原来转速的0.5倍,C :转速下降,D :无法判定。
答:C3. _________________________________________________________________ 在直流电机中,公式E a=C^n①和T =C/J I a中的①指的是 _______________________________ 。
第五章 异步电机5.1 什么叫转差率?如何根据转差率来判断异步机的运行状态? 转差率为转子转速n 与同步转速1n 之差对同步转速1n 之比值11n n n s-=0s <为发电机状态。
01s <<为电动机状态,1s >为电磁制动状态。
5.2 异步电机作发电机运行和作电磁制动运行时,电磁转矩和转子转向之间的关系是否一样?怎样区分这两种运行状态?发电机运行和电磁制动运行时,电磁转矩方向都与转向相反,是制动转矩;但发电机的转向与旋转磁场转向相同,转子转速大于同步速,电磁制动运行时,转子转向与旋转磁场转向相反。
5.3 有一绕线转子感应电动机,定子绕组短路,在转子绕组中通入三相交流电流,其频率为1f ,旋转磁场相对于转子以p f n /6011=(p 为定、转子绕组极对数)沿顺时针方向旋转,问此时转子转向如何?转差率如何计算?假如定子是可转动的,那么定子应为顺时针旋转(与旋转磁场方向相同)但因定子固定不动不能旋转,所以转子为逆时针旋转。
11n n n s +=(n 为转子转速)5.4 为什么三相异步电动机励磁电流的标幺值比变压器的大得多?在额定电压时异步机空在电流标么值为30﹪左右,而变压器的空载电流标么值为50﹪左右。
这是因为异步机在定子和转子之间必须有空隙,使转子能在定子内圆内自动转动,这样异步机的磁路磁阻就较大,而变压器磁路中没有气隙,磁阻小,因此,相对变压器而言,异步电动机所需励磁磁动势大,励磁电流大。
5.5 三相异步电机的极对数p 、同步转速1n 、转子转速n 、定子频率1f 、转子频率2f 、转差率s 及转子磁动势2F 相对于转子的转速2n 之间的相互关系如何?试填写下表1601f Pn =11n n n s -=21f sf =2F 相对于转子的转速21n n n =- 2F 相对于定子的转速1n5.6 试证明转子磁动势相对于定子的转速为同步速度1n 。
转子磁势是由转子三相(或多相)对称绕组感应的三相(或多相)对称电流产生的一个旋转磁势,这个磁势相对转子的转速由转子电流的频率决定,当转子的转速为2F 相对于转子的转速n ,转差率为s 时,转子电流的频率21f sf =,则这个磁动势相对转子的转速为1sn ,它相对定子的转向永远相同,相对定子的转速为11111n nn sn n n n n -+=+=,即永远为同步速。
第二章 变压器2-1 什么叫变压器的主磁通,什么叫漏磁通?空载和负载时,主磁通的大小取决于哪些因素?答:变压器工作过程中,与原、副边同时交链的磁通叫主磁通,只与原边或副边绕组交链的磁通叫漏磁通。
由感应电动势公式Φ=1144.4fN E 可知,空载或负载情况下11E U ≈,主磁通的大小取决于外加电压1U 、频率f和绕组匝数1N 。
2-2 一台50Hz 的变压器接到60Hz 的电源上运行时,若额定电压不变,问激磁电流、铁耗、漏抗会怎样变化答:(1)额定电压不变,则'1'11144.444.4Φ=Φ=≈N f fN E U N又5060'=f f ⇒6050'=ΦΦ, 即Φ=Φ65'磁通降低,此时可认为磁路为线性的,磁阻s l R m μ=不变,励磁磁势m m R N I Φ=⋅1,∴m m I I 65'=;(2βα(3)'1x 2-3 电路;2-4 利用T 2-5 2-14 ,Y ,d 联结,试求:(1)一次、 解:(1)A A U S I N N N68.2881035000311=⨯==A A U S I N N N 21.4583.635000322=⨯==(2)原边Y 联结:kV kV U U N N 77.5310311===ΦA I I N N 68.28811==Φ副边∆联结:kV U U N N 3.611==ΦA A I I N N 55.264321.458311===Φ 2-16 有一台单相变压器,已知参数为:Ω=19.21R ,Ω=4.151σX ,Ω=15.02R ,Ω=964.02σX ,Ω=1250m R ,Ω=12600m X ,26087621=N N 。
当二次侧电压VU 60002=,电流A I 1802=,且8.0cos 2=ϕ(滞后)时:(1)画出归算到高压侧的T 型等效电路;(2)用T 型等效电路和简化等效电路求1∙U 和1∙I ,并比较其结果。
第一章 磁路1-1 磁路的磁阻如何计算?磁阻的单位是什么?答:磁路的磁阻与磁路的几何形状(长度、面积)和材料的导磁性能有关,计算公式为AlR m μ=,单位:Wb A1-2 铁心中的磁滞损耗和涡流损耗是怎样产生的,它们各与哪些因素有关?答:磁滞损耗:铁磁材料置于交变磁场中,被反复交变磁化,磁畴间相互摩擦引起的损耗。
经验公式V fB C p nm h h =。
与铁磁材料的磁滞损耗系数、磁场交变的频率、铁心的体积及磁化强度有关;涡流损耗:交变的磁场产生交变的电场,在铁心中形成环流(涡流),通过电阻产生的损耗。
经验公式G B f C p m Fe h 23.1≈。
与材料的铁心损耗系数、频率、磁通及铁心重量有关。
1-3 图示铁心线圈,已知线圈的匝数N=1000,铁心厚度为0.025m (铁心由0.35mm 的DR320硅钢片叠成), 叠片系数(即截面中铁的面积与总面积之比)为0.93,不计漏磁,试计算:(1) 中间心柱的磁通为4105.7-⨯Wb ,不计铁心的磁位降时所需的直流励磁电流; (2) 考虑铁心磁位降时,产生同样的磁通量时所需的励磁电流。
解: 磁路左右对称∴可以从中间轴线分开,只考虑右半磁路的情况:铁心、气隙截面2422109.293.01025.1025.0m m A A --⨯=⨯⨯⨯==δ(考虑边缘效应时,通长在气隙截面边长上加一个气隙的长度;气隙截面可以不乘系数)气隙长度m l 41052-⨯==δδ铁心长度()m cm l 21045.122025.025.15225.125.7-⨯=⨯--+⨯⎪⎭⎫⎝⎛-= 铁心、气隙中的磁感应强度T T A B B 29.1109.22105.7244=⨯⨯⨯=Φ==--δ (1) 不计铁心中的磁位降: 气隙磁场强度m A m A B H 67100.110429.1⨯=⨯==-πμδδ 磁势A A l H F F I 500105100.146=⨯⋅⨯=⋅==-δδδ电流A NF I I5.0==(2) 考虑铁心中的磁位降:铁心中T B 29.1= 查表可知:m A H 700=铁心磁位降A A l H F Fe 15.871045.127002=⨯⨯=⋅=-A A A F F F Fe I 15.58715.87500=+=+=δ A NF I I59.0≈=1-4 图示铁心线圈,线圈A 为100匝,通入电流1.5A ,线圈B 为50匝,通入电流1A ,铁心截面积均匀,求PQ 两点间的磁位降。
绪 论Δ0-1 电机和变压器的磁路常用什么材料制成,这类材料应具有哪些主要特性?0-2 在图0-3中,当给线圈N 1外加正弦电压u 1时,线圈N 1 和 N 2 中各感应什么性质的电动势?电动势的大小与哪些因素有关? 0-3 感应电动势=edtd ψ-中的负号表示什么意思?Δ0-4 试比较磁路和电路的相似点和不同点。
0-5 电机运行时,热量主要来源于哪些部分?为什么用温升而不直接用温度表示电机的发热程度?电机的温升与哪些因素有关?0-6 电机的额定值和电机的定额指的是什么?0-7 在图0-2中,已知磁力线l 的直径为10cm ,电流I 1 = 10A ,I 2 = 5A ,I 3 = 3A ,试求该磁力线上的平均磁场强度是多少? ∨0-8 在图0-9所示的磁路中,线圈N 1、N 2中通入直流电流I 1、I 2,试问: (1) 电流方向如图所示时,该磁路上的总磁动势为多少?(2) N 2中电流I 2反向,总磁动势又为 多少?(3) 若在图中a 、b 处切开,形成一空气隙δ,总磁动势又为多少? (4) 比较1、3两种情况下铁心中的B 、H 的图0-9 习题0-8附图相对大小,及3中铁心和气隙中H 的相对大小?解:1)22111N I N I F -= 2)22112N I N I F +=3)221113N I N I F F -==不变4)由于31F F =,而31m m R R <<,所以31φφ>>,31B B >>,31H H >>。
在3)中,δB B Fe =,由于0μμ>>Fe ,所以0μμδδB H B H Fe Fe Fe =<<=∨0-9 两根输电线在空间相距2m ,当两输电线通入的电流均为100A 时,求每根输电线单位长度上所受的电磁力为多少?并画出两线中电流同向及反向时两种情况下的受力方向。
解:由H B I R H 0,2.μπ==,得每根输电线单位长度上所受的电磁力为m N lI R I BlI f .1022110010423270--=⨯⨯⨯⨯===πππμ当电流同向时,电磁力为吸力;当电流反向时,电磁力为斥力。
绪 论Δ0-1 电机和变压器的磁路常用什么材料制成,这类材料应具有哪些主要特性0-2 在图0-3中,当给线圈N 1外加正弦电压u 1时,线圈N 1 和 N 2 中各感应什么性质的电动势电动势的大小与哪些因素有关 0-3 感应电动势=edtd ψ-中的负号表示什么意思Δ0-4 试比较磁路和电路的相似点和不同点。
0-5 电机运行时,热量主要来源于哪些部分为什么用温升而不直接用温度表示电机的发热程度电机的温升与哪些因素有关0-6 电机的额定值和电机的定额指的是什么0-7 在图0-2中,已知磁力线l 的直径为10cm ,电流I 1 = 10A ,I 2 = 5A ,I 3 = 3A ,试求该磁力线上的平均磁场强度是多少 ∨0-8 在图0-9所示的磁路中,线圈N 1、N 2中通入直流电流I 1、I 2,试问: (1) 电流方向如图所示时,该磁路上的总磁动势为多少(2) N 2中电流I 2反向,总磁动势又为 多少(3) 若在图中a 、b 处切开,形成一空气隙δ,总磁动势又为多少 (4) 比较1、3两种情况下铁心中的B 、H 的图0-9 习题0-8附图相对大小,及3中铁心和气隙中H 的相对大小解:1)22111N I N I F -= 2)22112N I N I F +=3)221113N I N I F F -==不变4)由于31F F =,而31m m R R <<,所以31φφ>>,31B B >>,31H H >>。
在3)中,δB B Fe =,由于0μμ>>Fe ,所以0μμδδB H B H Fe Fe Fe =<<=∨0-9 两根输电线在空间相距2m ,当两输电线通入的电流均为100A 时,求每根输电线单位长度上所受的电磁力为多少并画出两线中电流同向及反向时两种情况下的受力方向。
解:由H B I R H 0,2.μπ==,得每根输电线单位长度上所受的电磁力为m N lI R I BlI f .1022110010423270--=⨯⨯⨯⨯===πππμ当电流同向时,电磁力为吸力;当电流反向时,电磁力为斥力。
第二篇交流电机的共同理论第6章▲6-1时间和空间电角度是怎样定义的?机械角度与电角度有什么关系?▲6-2整数槽双层绕组和单层绕组的最大并联支路数与极对数有何关?6-3为什么单层绕组采用短距线圈不能削弱电动势和磁动势中的高次谐波?▲6-4何谓相带?在三相电机中为什么常用60°相带绕组,而不用120° 相带绕组?▲6-5试说明谐波电动势产生的原因及其削弱方法。
▲6-6试述分布系数和短距系数的意义。
若采用长距线圈,其短距系数是否会大于1。
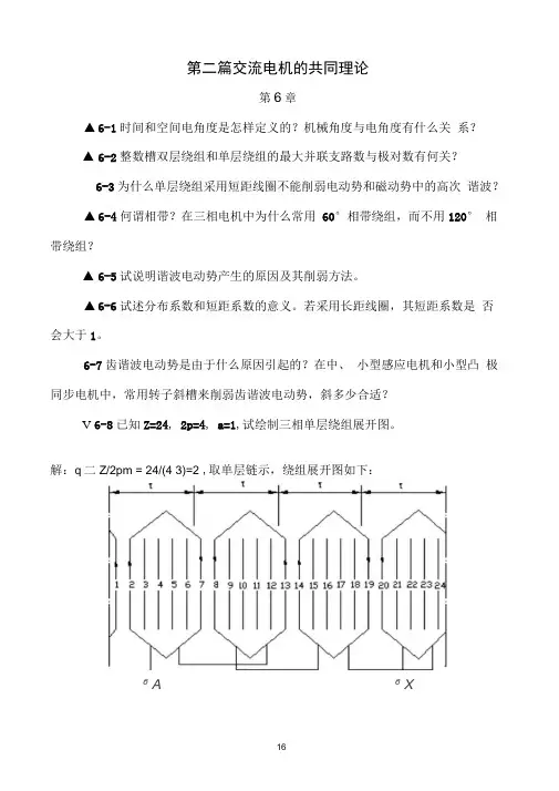
6-7齿谐波电动势是由于什么原因引起的?在中、小型感应电机和小型凸极同步电机中,常用转子斜槽来削弱齿谐波电动势,斜多少合适?V 6-8已知Z=24, 2p=4, a=1,试绘制三相单层绕组展开图。
解:q二Z/2pm = 24/(4 3)=2 ,取单层链示,绕组展开图如下:6 A 6 X5V 6-9 有一双层绕组,Z= 24, 2p=4, a=2, yi=g 。
试绘出:(1)绕组的槽电动势星形图并分相;(2)画出其叠绕组A 相展开图。
6-10 一台两极汽轮发电机,频率为 50H Z ,定子槽数为54槽,每槽内有 两根有效导体,a=1, y i =22, Y 接法,空载线电压为U °=6300V 。
试求基波磁通解:(1)槽电动势星形图如q =Z/2 pm =24/(4 3)=2y 「5.=5里兀 6 6 4(2)画出其叠绕组A 相展开图如下量①1OV 6-11 一台三相同步发电机,f=50H z , n N =1500r/min ,定子采用双层短距分布绕组:oq=3, y^-,每相串联匝数N=108, 丫接法,每极磁通 量① 1= 1.015 x 10-2Wb ,① 3=0.66 x 10-3Wb ,① 5=0.24 x 10-3Wb ,① 7=1.015 x 10-4Wb ,试求:(1)电机的极对数;(2)定子槽数;(3)绕组系数k N1、k N3、k “5、k|N7; (4)相电动势E © 1、E ©3、E ©5、E ©7及合成相电动势E ©和线电动势E i 。
《电机学》课后习题答案华中科技大学辜承林主编第1章 导论1.1 电机和变压器的磁路常采用什么材料制成?这些材料各有哪些主要特性? 解:磁路:硅钢片。
特点:导磁率高。
电路:紫铜线。
特点:导电性能好,电阻损耗小. 电机:热轧硅钢片, 永磁材料 铁氧体 稀土钴 钕铁硼 变压器:冷轧硅钢片。
1.2 磁滞损耗和涡流损耗是什么原因引起的?它们的大小与哪些因素有关?解:磁滞损耗:铁磁材料在交变磁场作用下反复磁化,磁畴会不停转动,相互间产生摩擦,消耗能量,产生功率损耗。
与磁场交变频率f ,磁通密度B ,材料,体积,厚度有关。
涡流损耗:由电磁感应定律,硅钢片中有围绕磁通呈涡旋状的感应电动势和电流产生叫涡流,涡流在其流通路径上的等效电阻中产生的损耗叫涡流损耗。
与磁场交变频率f ,磁通密度,材料,体积,厚度有关。
1.3 变压器电动势、运动电动势产生的原因有什么不同?其大小与哪些因素有关? 解:变压器电势:磁通随时间变化而在线圈中产生的感应电动势 4.44m EfN φ=。
运动电势:线圈与磁场间的相对运动而产生的e T 与磁密B ,运动速度v ,导体长度l ,匝数N 有关。
1.6自感系数的大小与哪些因素有关?有两个匝数相等的线圈,一个绕在闭合铁心上,一个绕在木质材料上,哪一个自感系数大?哪一个自感系数是常数?哪一个自感系数是变数,随什么原因变化? 解:自感电势:由于电流本身随时间变化而在线圈内感应的电势叫自感电势。
d L e d t Lψ=-对空心线圈:L Li ψ= 所以die L L dt=-自感:2LL N N m m iiiLNi N φψ===∧=∧ Am l μ∧=所以,L 的大小与匝数平方、磁导率µ、磁路截面积A 、磁路平均长度l 有关。
闭合铁心µ>>µ0,所以闭合铁心的自感系数远大于木质材料。
因为µ0是常数,所以木质材料的自感系数是常数,铁心材料的自感系数是随磁通密度而变化。
9电气学习部《电机学》系列材料电机学作业参考答案福州大学电气工程与自动化学院电机学教研组黄灿水编2008-3-32-1 设有一台 500kVA 、三相、 35000/400V 双绕组变压器,初级、次级侧绕组均系星形连接,试求高压方面和低压方面的额定电流。
解:由已知可得: S N 500kVA 、 U 1 N 35000V 、 U 2N 400V ,则有:高压侧: I 1N S N 500 1038.25(A) 3U1N 3 35000低压侧:I2 N S N 500 103 721.7( ) 3U 2N 3 400 A2-2 设有一台 16MVA 、三相、 110/11kV、 Yd 连接的双绕组变压器(表示初级三相绕组接成星形,次级三相绕组接成三角形)。
试求高压、低压两侧的额定线电压、线电流和额定相电压、相电流。
解:由已知可得: S N 16MVA 、 U 1N 110kV 、 U 2N 11kV ,则有:高压侧额定线电压:U 1 N 110kV额定线电流:I1N S N 16 106 84.0( ) 3U1N 3 110 103 A额定相电压:U 1 U1N 110 63.5kV 3 3额定相电流:I 1 I1 N 84 ( A )低压侧额定线电压:U2 N 11kV额定线电流:I2 N S N 16 10 6 840( ) 3U2N3 11 103 A额定相电压:U 2 U2 N 11kV额定相电流:I 2 I2 N 840 485( A)3 32-6、设有一台 10kV 、 2200/220V 、单相变压器,其参数如下: r 1=3.6Ω、 r 2 =0.036Ω、x k =x 1+x 2’=26Ω,在额定电压下的铁芯损耗 p Fe =70W ,空载电流 I 0 为额定电流的 5%。
假定一、二次侧绕组的漏抗如归算到同一方面时可作为相等,试求各参数的标么值,并绘出该变压器的 T 形等效电路和近似等效电路。
09电气学习部《电机学》系列材料电机学作业参考答案福州大学电气工程与自动化学院电机学教研组黄灿水编2008-3-32-1 设有一台500kV A 、三相、35000/400V 双绕组变压器,初级、次级侧绕组均系星形连接,试求高压方面和低压方面的额定电流。
解:由已知可得:kVA S N 500=、V U N 350001=、V U N 4002=,则有:高压侧:)(25.8350003105003311A U S I N N N =⨯⨯==低压侧: )(7.7214003105003322A U S I NNN =⨯⨯==2-2 设有一台16MV A 、三相、110/11kV 、Yd 连接的双绕组变压器(表示初级三相绕组接成星形,次级三相绕组接成三角形)。
试求高压、低压两侧的额定线电压、线电流和额定相电压、相电流。
解:由已知可得:MVA S N 16=、kV U N 1101=、kV U N 112=,则有:高压侧额定线电压: kV U N 1101= 额定线电流: )(0.84101103101633611A U S I NN N =⨯⨯⨯==额定相电压: kV U U N5.633110311===φ额定相电流: )(8411A I I N ==φ低压侧额定线电压: kV U N 112= 额定线电流: )(84010113101633622A U S I NN N =⨯⨯⨯==额定相电压: kV U U N 1122==φ 额定相电流: )(4853840322A I I N ===φ2-6、设有一台10kV 、2200/220V 、单相变压器,其参数如下:r 1=3.6Ω、r 2=0.036Ω、x k =x 1+x 2’=26Ω,在额定电压下的铁芯损耗p Fe =70W ,空载电流I 0为额定电流的5%。
假定一、二次侧绕组的漏抗如归算到同一方面时可作为相等,试求各参数的标么值,并绘出该变压器的T 形等效电路和近似等效电路。
解:在一次侧计算有:)(55.422001010311A U S I N N N=⨯==)(48455.42200111Ω===N N N I U Z 10220220021===N N U U k I 0=5%I 1N =0.05×4.55=0.228(A))(6.3036.010222'2Ω=⨯==r k r)(2.76.36.3'21Ω=+=+=r r r k)(0.27262.72222Ω=+=+=k k k x r Z∴ )(1347228.070220Ω===I p r Fe m)(9649228.0220000Ω===I U Z m )(9555134796492222Ω=-=-=m m m r Z x∴ 015.04842.71*===N k k Z r r 78.248413471*===N m m Z r r 054.0484261*===N k k Z x x 74.1948495551*===N m m Z x x 056.0484271*===N k k Z Z Z 94.1948496491*===N m m Z Z ZT 型等效电路近似等效电路2-11、设有一台50kV A ,50 Hz ,6300/400V ,Yy 连接的三相铁芯式变压器,空载电流I 0=0.075I N ,空载损耗p 0=350W ,短路电压u k*=0.055,短路损耗p kN =1300W 。
(1)试求该变压器在空载时的参数r 0及x 0,以及短路参数r k 、x k ,所有参数均归算到高压侧,作出该变压器的近似等效电路。
(2)试求该变压器供给额定电流且cos θ2=0.8滞后时的电压变化率及效率。
'2 '''2''解:(1)在高压侧计算有)(58.46300310503311A U S I NN N =⨯⨯==)(2.79458.4363003111Ω=⨯==NN N I U ZI 0=0.075I 1N =0.075×4.58=0.344 (A))(986344.03350322000Ω=⨯==I p r)(10572344.0363003010Ω=⨯==I U Z N)(10526986105722220200Ω=-=-=r Z x∵ 026.0105013003*=⨯==N kN k S p r055.0**==k k U Z)(048.0026.0055.0222*2**Ω=+=-=k k k r Z x∴ )(7.202.794026.01*Ω=⨯==N k k Z r r )(1.382.794048.01*Ω=⨯==N k k Z x x(2)由题目知:β=1、cos θ2=0.8,则有:%96.4%100)6.0048.08.0026.0(%100)sin cos (2*2*=⨯⨯+⨯=⨯+=∆θθk k x r U%9635013008.0105018.010501%100cos cos 330222=++⨯⨯⨯⨯⨯⨯=⨯++=p p S S kN N N βθβθβη 2-13、设有一台125000kV A ,50 Hz ,110/11kV ,YNd 连接的三相变压器,空载电流I 0=0.02I N ,空载损耗p 0=133kW ,短路电压u k*=0.105,短路损耗p kN =600kW 。
(1)试求励磁阻抗和短路阻抗。
作出近似等效电路,标明各阻抗数值。
(2)设该变压器的二次侧电压保持额定,且供给功率因数0.8滞后的额定负载电流,求一次电压及一次电流。
(3)应用题(2)的近似结果按定义求电压变化率和效率。
并与由实用公式计算结果进行比较。
(4)求出当该变压器有最大效率时的负载系数以及最大效率(设8.0cos 2=θ)'2x 'x '近似等效电路解:(1)在一次侧进行计算有)(6561011031012533611A U S I NN N =⨯⨯⨯==)(8.9610125630062211Ω=⨯==N N NS U Z I 0=0.02I 1N =0.02×656=13.1 (A))(6.2571.13310133323200Ω=⨯⨯==I p r m )(48411.133********1Ω=⨯⨯==I U Z N m)(48346.25748412222Ω=-=-=m m m r Z x∵ 0048.010*********3*=⨯⨯==N kN k S p r 105.0**==k k U Z)(1049.00048.0105.0222*2**Ω=+=-=k k k r Z x ∴ )(465.08.960048.01*Ω=⨯==N k k Z r r )(15.108.961049.01*Ω=⨯==N k k Z x x)(2.108.96105.01*Ω=⨯==N k k Z Z Z(2) 根据上述近似等效电路,以U 2’为参考相量,则有: 77.511311021=⨯==φφU U k0105.630101177.50332'2∠⨯=∠⨯⨯=∠=NkU U'2''近似等效电路9.366569.3677.510113101259.363333622'2-∠=-∠⨯⨯⨯⨯=-∠⨯==k U S k I I N N N∵3.467937)15.10465.0(9.366560105.633'2'21∠=+⨯-∠+∠⨯=+=j Z I U U k6.820.1448346.2573.4679371-∠=+∠==j Z U I m m7.379.6629.366566.820.14'21-∠=-∠+-∠=+=I I I m (3)在一次侧加额定电压、二次侧额定负载时,有:22'2'2'2'215142)4242()15.10465.0(9.366560++=+⨯-∠+∠=+=U j U Z I U U k N N 根据模相等可得:22'2235142)4242()310110(++=⨯U解得:)(100.593'2V U ⨯=1022577.5100.593'22=⨯==k U U根据定义:%0.7%100101110225101133222=⨯⨯-⨯=-=∆N N U U U U 根据实用公式:%68.6%100)6.01049.08.00048.0(%100)sin cos (2*2*=⨯⨯+⨯=⨯+=∆θθk k x r U根据(2)的结果有:%6.99%100)42cos(9.662679378.03/65611cos cos %10011122212=⨯-⨯⨯⨯⨯==⨯=θθηI U I U P P 根据实用公式:%3.99%10010133106008.01012518.0101251%100cos cos 3366222=⨯⨯+⨯+⨯⨯⨯⨯⨯⨯=⨯++=p p S S kN N N βθβθβη(4)当47.06001330===kN p p β时: %3.99%100101331060047.08.01012547.08.01012547.0%100cos cos 33266222max =⨯⨯+⨯⨯+⨯⨯⨯⨯⨯⨯=⨯++=p p S S kN N N βθβθβη3-1、有一三相变压器,其一次、二次绕组的同极性端和一次端点的标志如图3-13所示。
试把该变压器接成Dd0;Dy11;Yd7;Yy10,并画出它们的相电动势相量图(设相序为A 、B 、C 相序) 解:B,XA,a,Z,zC,Yc,yb,x· ··· · ·A BCabcB,XA,a,Z C,Yc b x,y,z ·· ·· · ·ABCabc·· ·· · ·A B CzxyBA,a,z Cc,yb,x X,Y,Zcx,y,zBA,aCb X,Y,Z· · ·· · ·ABCzxy3-2、变压器一、二次绕组按图3-14连接。
试画出它们的电动势相量图,并判断其连接组别(设相序为A 、B 、C ) 解:3-3、设有两台变压器并联运行,变压器I 的容量为1000kV A ,变压器II 的容量为500kV A ,在不容许任何一台变压器过载的条件下,试就下列两种情况求该变压器组可能供给的最大负载。