脚手架计算例题讲解
- 格式:doc
- 大小:106.00 KB
- 文档页数:13
脚手架工程施工计算
一、脚手架搭设面积及高度计算
1、搭设面积计算:脚手架搭设面积=总楼层面积×1.2(安全系数)。
2、搭设高度计算:脚手架搭设高度=h1+(n-1)×3.5m
式中:n为层数,h1为首层高度,m为每层高度。
二、立杆、横杆材料数量计算
1、立杆数量计算:立杆数量=2×搭设高度/3.5
2、横杆数量计算:横杆数量=(搭设宽度+0.3)×2/3
式中:搭设宽度=m×层数,m为每层高度,n为层数。
三、斜杆与斜撑的数量计算
根据脚手架搭设面积和搭设高度计算斜杆和斜撑的数量。
四、脚手架横向连接件数量计算
1、脚手架横向连接件数量=(搭设宽度+0.3)×(n-1)
2、脚手架结台数量=(搭设宽度+0.3)/1.5
式中:n为层数,m为每层高度。
五、脚手架脚座数量计算
1、脚手架脚座数量=搭设面积/3。
六、脚手板数量计算
1、脚手架搭设面积大于1000平方米时,脚手板数量=搭设面积/4。
2、脚手架搭设面积小于1000平方米时,脚手板数量=搭设面积/2。
七、安全网及附件数量计算
根据搭设面积计算安全网及其附件的数量。
八、总计
将以上所有材料数量加总得到脚手架工程的全部材料数量。
以上为脚手架工程施工计算的一般性方法,工程实际应根据具体需求及现场情况做出调整。
脚手架计算规则a)平面图b)柱【解】(1)柱脚手架工程量:每根柱的脚手架工程量=(柱断面周长+3.6m)×柱高=[(0.5+0.3)×2+3.6](4.45+0.38+0.12)m2=25.74m210根柱的脚手架工程量=25.74×l0m2=257.4m2(2)梁脚手架工程量:每根梁的脚手架工程量=设计室内地坪(或楼板上表面)至梁底的高度×梁净长6m开间粱脚手架工程量=(4.45+0.38-0.15)×(6-0.5)×8m2=205.92m212m跨度梁脚手架工程量=4.68×(12-0.5)×5m2=269.1m2(3)假设该高层住宅楼为12层,现浇钢混凝土框架柱、梁按双排脚手架计算,若施工组织设计采用钢管架,则总工程量:(257.4+205.92+269.1)m2×12=8789.04m2综合基价:应执行4—8子目 2811.06元/100m2综合基价合计=2811.06×8789.04/100=.188元5.按图所示,计算外脚手架及里脚手架工程量及综合基价。
a)平面图b)剖面图【解】(1)外脚手架工程量:[(38.5+0.24)×2+(8+0.24)×2]×(12+0.3)m2=1089.29m2综合基价:应执行4-2子目 719.97元/100m2综合基价合计=719.97×1089.29/100=7842.561元(2)里脚手架工程量:[(8-1.8-0.24)×10+(3.5-0.24)×8]×[(3-0.12)×3+3]=997.32m2 综合基价:应执行4-20子目 147.98元/100m2综合基价合计=147.98×997.32/100=1475.834元6.如图所示,求外墙脚手架工程量及综合基价。
里脚手架工程量怎么算例题里脚手架工程量怎么算?下面是一个例题,供大家参考。
假设你需要搭建一个高度为10米、长宽分别为20米和15米的建筑物的里脚手架,每层离地面的高度为2.5米,每层的长宽与建筑物相同,脚手架的层数为4层。
同时,你需要在建筑物周围设置警示线和安全网,每条警示线长度为建筑物周长的一半,安全网的长度和宽度与建筑物相同,脚手架的工作面不需要设置安全网。
根据这些条件,我们可以开始计算工程量。
1. 计算里脚手架的梁杆数量梁杆数量 = (长方向梁杆数量 + 短方向梁杆数量) ×层数长方向梁杆数量 = (长÷2) ÷ 1.5 + 1 = 8短方向梁杆数量 = (短÷2) ÷ 1.5 + 1 = 6梁杆数量 = (8 + 6) × 4 = 562. 计算里脚手架的脚杆数量脚杆数量 = (长÷2) × (短÷2) ÷ 2.25 ×层数脚杆数量 = (20÷2) × (15÷2) ÷ 2.25 × 4 = 803. 计算里脚手架的钢管数量钢管数量 = (长方向梁杆数量 + 短方向梁杆数量) × 2 + (长方向梁杆数量 + 短方向梁杆数量) × 2 × (层数 - 1) 钢管数量 = (8 + 6) × 2 + (8 + 6) × 2 × 3 = 884. 计算警示线的长度警示线长度 = 建筑物周长÷ 2警示线长度 = (20 + 15) × 2 = 705. 计算安全网的长度安全网长度 = 长度安全网长度 = 206. 计算安全网的宽度安全网宽度 = 宽度安全网宽度 = 15总结:根据上述计算,这个里脚手架的工程量需要56根梁杆、80根脚杆、88根钢管、70米的警示线和20×15平方米的安全网。
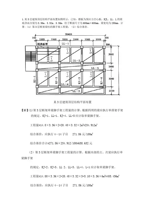
1.某3层建筑顶层结构平面布置如图所示,已知:楼板为预应力空心板,KJL、LL、L的梁底净高分别为3.36m、3.32m、3.36m,柱子断面尺寸为600mm×600mm。
梁宽均为250mm。
计算:(1)第3层框架梁柱的脚手架工程量;(2)综合基价。
某3层建筑顶层结构平面布置【解】(1)第3层框架单梁脚手架工程量的计算。
根据四周的梁应执行单排架手架的规定,KJ-1、LL-1、KJ-4、LL-5应计取单梁脚手架。
工程量=14.8×3.36×2+20.40×3.32×2m2=234.912m2综合基价:应执行4—14子目 271.86元/100m2综合基价合计=271.86×234.912/100=638.632元(2)第3层框架单梁脚手架工程量的计算。
根据内部的主、次粱应执行单梁脚手架的规定,KJ-2、KJ-3、LL 2、LL-3、LL-4、L-1应计取单梁脚手架。
工程量=14.80×3.36×2+20.40×3.32×3+5.10×3.36×6m2=405.456m2综合基价:应执行4—14子目 271.86元/100m2综合基价合计=271.86×405.456/100=1102.273元(3)柱子脚手架包括在梁脚手架内,不另计算。
2.根据下图图示尺寸,计算建筑物外墙脚手架工程量及其综合基价。
【解】(1)外墙脚手架工程量:单排脚手架(15m高)=(26+12×2+8)×15m2=870m2双排脚手架(27m高)=32×27m2=864m2双排脚手架(24m高)=(18×2+32)×24m2=1632m2双排脚手架(36m高)=26×36m2=936m2双排脚手架(5lm高)=(18+24×2十4)×51m2=3570m2(2)综合基价合计:1)单排脚手架(15m高):应执行4—2子目 719.97元/100m2综合基价合计=719.97×870/100=6263.739元2)双排脚手架(27m 高):应执行4—6子目 1578.03元/100m2综合基价合计=1578.03×864/100=13634.179元3)双排脚手架(24m 高):应执行4—5子目 1109.91元/100m2综合基价合计=1109.91×1632/100=18113.731元4)双排脚手架(36m 高):应执行4—7子目 2071.86元/100m2综合基价合计=2071.86×936/100=19392.610元5)双排脚手架(51m 高):应执行4—8子目 2811.06元/100m2综合基价合计=2811.06×3570/100=100354.842元3.某工程370mm厚外墙平面尺寸如图所示,设计室外地坪标高-0.6m,女儿墙顶面标高+14.8m,砖墙面勾缝,门窗外口抹水泥砂浆门窗口套,计算此工程外脚手架工程量及综合基价。
脚手架计算书本工程脚步手架采用Φ48×3.5无缝钢管,立杆横距为1.05m,立杆纵距为1.8m,步距为1.8m,共9步16.2m;施工作业层按一层计,则脚手片满铺三层,自重标准值为0.1KN/m2;脚手架外立杆里侧挂密目安全网封闭施工,自重标准值为0.1KN/m2。
一、横向、纵向水平杆计算1、横向、纵向水平杆的抗弯强度按下式计算:σ=M W≤f式中M—弯矩设计值,按M=1.2M GK+1.4 M GK计算;M GK为脚手板自重标准值产生的弯矩;M QK为施工荷载标准值产生的弯矩;W—截面模量,查表Φ48×3.5mm钢管W=5.08cm3;f—钢材的抗弯强度计算值,f=205N/mm2。
(1l aag k=0.1×1.05/3=0.035KN/m=35N/m按图2静载布置情况考虑跨中和支座最大弯矩。
M1M B=M C=-0.1g K l a2b、考虑活载情况M1中=0.101q K l a2按图5种活载最不利位置考虑支座最大弯矩。
合时M1中跨中弯矩最大。
M GK=0.08g K l a2=0.08×35×1.82=9.07N.mM QK=0.101q K l a2=0.101×1050×1.82=343.6 N.mM=1.2M GK+1.4M QK=1.2×9.07+1.4×343.6= 491.92N.ml0=1050mm,脚手架横向水平杆的构造计算外伸长度a1=350mm,a2=100mm。
a、考虑静载情况5.08×103所以横向水平杆的抗变强度满足安全要求。
2、纵向水平杆与立杆连接时扣件的抗滑承载力应符合下式规定:R≤Rc式中R—纵向水平杆传给立杆的竖杆作用力设计值;Rc—扣件抗滑承载力设计值,按规范表取Rc=8000N。
由图7可知,R PA=32P+M PA=1.5×63+0.28/1.05=94.77N由图8可知,当M QA=12qa12=0.5×5400×0.32=243 N.m,最大支座反力为R QA=32Q+M QA=1.5×1890+243/1.05=3066.42N则R=1.2R PA+1.4R QA=1.2×94.77+1.4×3066.42=4406.72N〈Rc=8000N 所以横向水平杆与立杆连接时扣件的抗滑承载力满足安全要求。
脚手架计算规则及计算实例大全,不看悔终身!一、脚手架工程量计算一般规则:1、建筑物外墙脚手架,凡设计室外地坪至檐口(或女儿墙上表面)的砌筑高度在15m以下的,按单排脚手架计算;砌筑高度在15m以上的或砌筑高度虽不足15m,但外墙门窗及装饰面积超过外墙表面积60%以上的,均按双排脚手架计算。
2、建筑物内墙脚手架,凡设计室内陆坪至顶板下表面(或山墙高度的1/2处)的砌筑高度在3.6m以下的,按里脚手架计算;砌筑高度超过3.6m以上时,按单排脚手架计算。
3、石砌墙体,凡砌筑高度超过1m以上时,按外脚手架计算。
4、计算内、外墙脚手架时,均不扣除门、窗洞口、空圈洞口等所占的面积。
5、同一建筑物高度不同时,应按不同高度分别计算。
6、现浇钢筋混凝土框架柱、梁按双排脚手架计算。
7、围墙脚手架,凡室外自然地坪至围墙顶面的砌筑高度在3.6m 以下的,按里脚手架计算;砌筑高度超过3.6m以上时,按单排脚手架计算。
8、室内天棚装饰面距设计室内陆坪在3.6m以上时,应计算满堂脚手架,计算满堂脚手架后,墙面装饰工程不再计算脚手架。
9、滑升模板施工的钢筋混凝土烟筒、筒仓,不另计算脚手架。
10、砌筑储仓,按双排脚手架计算。
11、储水(油)池,大型设备基础,凡距地坪高度超过1.2m以上的,按双排脚手架计算。
12、整体满堂钢筋混凝土基础,凡其宽度超过3m时,按其底板面积计算满堂脚手架。
二、砌筑脚手架工程量计算:1、外脚手架按外墙外边线长度,乘以外墙砌筑高度以平方米计算,突出墙外宽度在24cm以内的墙垛,附墙烟筒等不计算脚手架;宽度超过24cm以外时按图示尺寸展开计算,并入外脚手架工程量之内。
2、里脚手架按墙面垂直投影面积计算。
3、独立柱按图示柱结构外围周长另加3.6m乘以砌筑高度以平方米计算,套用相应外脚手架定额。
三、现浇钢筋混凝土框架脚手架工程量计算:1、现浇钢筋混凝土柱,按柱图示周长尺寸另加3.6,乘以柱高以平方米计算,套用相应外脚手架定额。
超详细的脚手架工程量计算规则及完整计算实例太实用了,建议收藏一、脚手架工程量计算一般规则:1、建筑物外墙脚手架,凡设计室外地坪至檐口(或女儿墙上表面)的砌筑高度在15m以下的,按单排脚手架计算;砌筑高度在15m以上的或砌筑高度虽不足15m,但外墙门窗及装饰面积超过外墙表面积60%以上的,均按双排脚手架计算。
2、建筑物内墙脚手架,凡设计室内陆坪至顶板下表面(或山墙高度的1/2处)的砌筑高度在3.6m以下的,按里脚手架计算;砌筑高度超过3.6m以上时,按单排脚手架计算。
3、石砌墙体,凡砌筑高度超过1m以上时,按外脚手架计算。
4、计算内、外墙脚手架时,均不扣除门、窗洞口、空圈洞口等所占的面积。
5、同一建筑物高度不同时,应按不同高度分别计算。
6、现浇钢筋混凝土框架柱、梁按双排脚手架计算。
7、围墙脚手架,凡室外自然地坪至围墙顶面的砌筑高度在3.6m 以下的,按里脚手架计算;砌筑高度超过3.6m以上时,按单排脚手架计算。
8、室内天棚装饰面距设计室内陆坪在3.6m以上时,应计算满堂脚手架,计算满堂脚手架后,墙面装饰工程不再计算脚手架。
9、滑升模板施工的钢筋混凝土烟筒、筒仓,不另计算脚手架。
10、砌筑储仓,按双排脚手架计算。
11、储水(油)池,大型设备基础,凡距地坪高度超过1.2m以上的,按双排脚手架计算。
12、整体满堂钢筋混凝土基础,凡其宽度超过3m时,按其底板面积计算满堂脚手架。
二、砌筑脚手架工程量计算:1、外脚手架按外墙外边线长度,乘以外墙砌筑高度以平方米计算,突出墙外宽度在24cm以内的墙垛,附墙烟筒等不计算脚手架;宽度超过24cm以外时按图示尺寸展开计算,并入外脚手架工程量之内。
2、里脚手架按墙面垂直投影面积计算。
3、独立柱按图示柱结构外围周长另加3.6m乘以砌筑高度以平方米计算,套用相应外脚手架定额。
三、现浇钢筋混凝土框架脚手架工程量计算:1、现浇钢筋混凝土柱,按柱图示周长尺寸另加3.6,乘以柱高以平方米计算,套用相应外脚手架定额。
脚手架计算例题背景在建筑和工程领域中,脚手架是一种用于支撑和临时搭建的结构,通常用于施工、维修和清洁工作。
脚手架的计算是确保其结构安全和稳定的重要组成部分。
在本文档中,我们将讨论一个脚手架计算的例题,以帮助读者更好地理解脚手架的设计和计算。
例题描述假设我们需要设计一个脚手架,用于搭建一座高度为10米的建筑物的外墙。
这座建筑物的宽度为8米,每层楼的高度为3米。
脚手架将同时支撑4层楼的外墙施工。
我们的目标是计算出脚手架所需的材料和结构尺寸。
计算步骤1. 确定荷载首先,我们需要确定脚手架所需承受的荷载。
根据规范,脚手架的荷载包括人员、建材、工具和风荷载。
我们假设每平方米的脚手架负荷为1.5kN。
计算每层楼的面积:8m × 3m = 24平方米计算4层楼的总面积:24平方米× 4 = 96平方米计算脚手架总荷载:96平方米× 1.5kN/平方米 = 144kN2. 确定立杆和横杆的尺寸脚手架的立杆和横杆是支撑整个结构的关键组成部分。
根据规范,立杆的最小截面尺寸应为50mm×50mm,横杆的最小直径应为48mm。
3. 计算立杆的数量和间距为了确定脚手架所需的立杆数量和间距,我们需要考虑脚手架的高度和宽度。
由于每层楼的高度为3米,我们需要4根立杆来支撑4层楼的外墙施工。
计算立杆的间距:10m ÷ 4 = 2.5m计算立杆的数量:8m ÷ 2.5m = 3.2,取整数为4因此,我们需要4根立杆,并将它们均匀地间隔在脚手架的宽度上。
4. 计算横杆的数量和间距横杆用于连接立杆,增加脚手架的稳定性。
根据规范,横杆的最大间距应为2.5米。
计算横杆的数量:10m ÷ 2.5m = 4因此,我们需要4根横杆,并将它们等距离地安装在脚手架的高度上。
5. 计算脚手架的交叉支撑数量为了增加脚手架的稳定性,我们需要添加交叉支撑。
根据规范,交叉支撑的数量应为每层楼高度的1/3。
落地脚手架计算实例(一)1.脚手架参数一、双排脚手架搭设高度为46.0 米,20.00米以下采用双管立杆,20.00米以上采用单管立杆;采用的钢管类型为Φ48×3.5;搭设尺寸为:立杆的纵距为 1.50米,立杆的横距为1.20米,大小横杆的步距为1.50 米;内排架距离墙长度为0.30米;脚手架沿墙纵向长度为290 米;小横杆在上,搭接在大横杆上的小横杆根数为2 根;横杆与立杆连接方式为单扣件;取扣件抗滑承载力系数为0.80;连墙件采用两步三跨,竖向间距3.00 米,水平间距4.50 米,采用扣件连接;连墙件连接方式为双扣件;2.活荷载参数施工均布活荷载标准值:4.500 kN/m2;脚手架用途:结构脚手架;同时施工层数:1 层;3.风荷载参数本工程地处北京市,基本风压为0.45 kN/m2;风荷载高度变化系数μz为0.84,风荷载体型系数μs为0.65;脚手架计算中考虑风荷载作用;4.静荷载参数每米立杆承受的结构自重标准值(kN/m2):0.1394;脚手板自重标准值(kN/m2):0.300;栏杆挡脚板自重标准值(kN/m2):0.110;安全设施与安全网(kN/m2):0.010;脚手板铺设层数:1;脚手板类别:冲压钢脚手板;栏杆挡板类别:栏杆、冲压钢脚手板挡板;每米脚手架钢管自重标准值(kN/m2):0.038;5.地基参数地基土类型:素填土;地基承载力标准值(kN/m2):135.00;立杆基础底面面积(m2):0.30;地面广截力调整系数:0.40。
二、小横杆的计算:小横杆按照简支梁进行强度和挠度计算,小横杆在大横杆的上面。
按照小横杆上面的脚手板和活荷载作为均布荷载计算小横杆的最大弯矩和变形。
1.均布荷载值计算小横杆的自重标准值: P1= 0.038 kN/m ;脚手板的荷载标准值: P2= 0.300×1.500/3=0.150 kN/m ;活荷载标准值: Q=4.500×1.500/3=2.250 kN/m;荷载的计算值: q=1.2×0.038+1.2×0.150+1.4×2.250 = 3.376 kN/m;小横杆计算简图2.强度计算最大弯矩考虑为简支梁均布荷载作用下的弯矩,计算公式如下:最大弯矩M qmax =3.376×1.2002/8 = 0.608 kN.m;最大应力计算值σ = M qmax/W =119.625 N/mm2;小横杆的最大应力计算值σ =119.625 N/mm2小于小横杆的抗压强度设计值[f]=205.0 N/mm2,满足要求!3.挠度计算:最大挠度考虑为简支梁均布荷载作用下的挠度荷载标准值q=0.038+0.150+2.250 = 2.438 kN/m ;最大挠度V = 5.0×2.438×1200.04/(384×2.060×105×121900.0)=2.622 mm;小横杆的最大挠度 2.622 mm 小于小横杆的最大容许挠度1200.0 / 150=8.000 与10 mm,满足要求!三、大横杆的计算:大横杆按照三跨连续梁进行强度和挠度计算,小横杆在大横杆的上面。
超全脚手架计算规则及计算实例一、脚手架工程量计算一般规则:1、建筑物外墙脚手架,凡设计室外地坪至檐口(或女儿墙上表面)的砌筑高度在15m以下的,按单排脚手架计算;砌筑高度在15m以上的或砌筑高度虽不足15m,但外墙门窗及装饰面积超过外墙表面积60%以上的,均按双排脚手架计算。
2、建筑物内墙脚手架,凡设计室内地坪至顶板下表面(或山墙高度的1/2处)的砌筑高度在3.6m以下的,按里脚手架计算;砌筑高度超过3.6m以上时,按单排脚手架计算。
3、石砌墙体,凡砌筑高度超过1m以上时,按外脚手架计算。
4、计算内、外墙脚手架时,均不扣除门、窗洞口、空圈洞口等所占的面积。
5、同一建筑物高度不同时,应按不同高度分别计算。
6、现浇钢筋混凝土框架柱、梁按双排脚手架计算。
7、围墙脚手架,凡室外自然地坪至围墙顶面的砌筑高度在3.6m以下的,按里脚手架计算;砌筑高度超过3.6m以上时,按单排脚手架计算。
8、室内天棚装饰面距设计室内地坪在3.6m以上时,应计算满堂脚手架,计算满堂脚手架后,墙面装饰工程不再计算脚手架。
9、滑升模板施工的钢筋混凝土烟筒、筒仓,不另计算脚手架。
10、砌筑储仓,按双排脚手架计算。
11、储水(油)池,大型设备基础,凡距地坪高度超过1.2m以上的,按双排脚手架计算。
12、整体满堂钢筋混凝土基础,凡其宽度超过3m时,按其底板面积计算满堂脚手架。
二、砌筑脚手架工程量计算:1、外脚手架按外墙外边线长度,乘以外墙砌筑高度以平方米计算,突出墙外宽度在24cm以内的墙垛,附墙烟筒等不计算脚手架;宽度超过24cm以外时按图示尺寸展开计算,并入外脚手架工程量之内。
2、里脚手架按墙面垂直投影面积计算。
3、独立柱按图示柱结构外围周长另加3.6m乘以砌筑高度以平方米计算,套用相应外脚手架定额。
三、现浇钢筋混凝土框架脚手架工程量计算:1、现浇钢筋混凝土柱,按柱图示周长尺寸另加3.6,乘以柱高以平方米计算,套用相应外脚手架定额。
脚手架工程量计算实例
脚手架是建筑工程中不可或缺的搭建工具,它能够在建筑工地上起到关键的支撑作用,为工人们提供更加安全的工作环境。
而脚手架的搭建工程量计算问题则是建筑工人关注的一个焦点。
本文将为您介绍一个关于脚手架工程量计算的实例。
假设建筑工地上有一栋大楼,目前正在施工过程中。
该大楼共有6层,每层高度为20米。
根据建筑规范,每层都需要设立一个脚手架,那么总共需要设立18个脚手架。
每个脚手架的工程量计算公式如下:
工程量=高度(米)×长度(米)×层数
其中,高度是指脚手架的搭建高度,长度是指脚手架的搭建长度,层数是指脚手架所处的楼层数。
根据上述计算公式,我们可以得出每个脚手架的工程量。
在此需要注意的是,由于搭建脚手架需要大量的钢管、扣件等材料,因此计算工程量时还需要考虑到材料的重量和损耗。
另外,由于脚手架的搭建需要严格遵循建筑规范,因此在计算工程量时还需要考虑到搭建过程中的安全和质量问题。
在实际施工过程中,脚手架的搭建工程量计算是一个非常重要的问题。
只有了解了这一问题的计算方法,才能确保施工过程的安全和质量。
同时,还需要考虑到脚手架的搭建成本,为工程节约成本。
因此,对于建筑工人们来说,计算脚手架的工程量是一项非常实用的技能,也是他们工作中不可或缺的一部分。
总之,脚手架的搭建工程量计算是建筑工人在施工过程中需要关注的一个重要问题。
只有掌握了这一问题的计算方法,才能确保施工过程的安全和质量。
脚手架工程量计算案例脚手架工程量计算案例1. 引言脚手架是在建筑工程中广泛使用的临时结构,它作为施工过程中的重要工具,能够为工人提供安全和便利的工作环境。
在进行脚手架工程项目前,需要进行工程量的计算,以确保所需的材料、人力和时间的准确估计,从而有效地完成工程项目。
2. 工程量计算方法脚手架工程量的计算需要考虑多个因素,包括脚手架的种类、工程项目的规模和要求等。
一般情况下,可以采用以下步骤进行工程量的计算:2.1. 确定脚手架类型根据工程项目的特点和要求,确定所需脚手架的类型,例如单立杆脚手架、双立杆脚手架、门型脚手架等。
2.2. 测量工程项目尺寸通过测量工程项目的高度、宽度和长度等尺寸参数,确定脚手架搭设的空间范围。
2.3. 确定脚手架间距根据脚手架的类型和工程项目的要求,确定脚手架之间的间距,以保证工人在脚手架上的安全和便利。
2.4. 计算立杆数量根据脚手架的类型和工程项目的尺寸,计算所需的立杆数量。
立杆数量的计算需要考虑脚手架的高度、间距和荷载要求等因素。
2.5. 计算横杆数量根据脚手架的类型和工程项目的尺寸,计算所需的横杆数量。
横杆数量的计算需要考虑脚手架的长度和支撑要求等因素。
2.6. 计算脚手架材料根据立杆和横杆的数量,计算所需的脚手架材料,包括钢管、连接件、脚轮等。
2.7. 人工工时计算根据脚手架的搭设难度和复杂程度,估计所需的人工工时。
2.8. 时间计划制定根据脚手架搭设工程量和人工工时的计算结果,制定合理的时间计划,确保项目按时完成。
3. 算例演示假设有一座建筑项目,高度为20米,宽度为10米,长度为30米。
采用双立杆脚手架,脚手架立杆间距为2米,横杆长度为3米。
3.1. 计算立杆数量立杆数量 = 工程项目高度 / 立杆间距 = 20 / 2 = 10根3.2. 计算横杆数量横杆数量 = 工程项目面积 / 横杆长度 = 10 * 30 / 3 = 100根3.3. 计算脚手架材料根据立杆和横杆的数量,计算脚手架材料,包括钢管、连接件、脚轮等。
盘扣式脚手架考试计算题一、简介盘扣式脚手架是建筑行业中常用的一种脚手架系统,具有搭建快捷、结构牢固等优点。
本文将就盘扣式脚手架的考试计算题进行介绍和解答,帮助读者更好地理解和掌握盘扣式脚手架的相关知识。
二、题目一:脚手架材料计算1. 某工地需要搭建一段大小为10m×12m的盘扣式脚手架,脚手架高度为8m。
请计算该段盘扣式脚手架所需的材料数量。
解答:(1)计算立杆数量:立杆位于两端,首先计算横向立杆数量:(10m÷2m)×2=10根;纵向立杆数量为高度:8m;总立杆数量为:横向立杆数量×纵向立杆数量=10根×8根=80根。
(2)计算横向横梁数量:横梁位于两端,首先计算横向横梁数量:(12m÷2m)×2=12根;纵向横梁数量为高度-1:8m-1m=7根;总横向横梁数量为:横向横梁数量×纵向横梁数量=12根×7根=84根。
(3)计算斜向支撑数量:每个角落都需要斜向支撑,共有四个角落。
每个角落的斜向支撑数量为:2个;总斜向支撑数量为:每个角落的斜向支撑数量×角落数量=2个×4个=8个。
综上所述,该段盘扣式脚手架所需的材料数量为:立杆80根,横向横梁84根,斜向支撑8个。
三、题目二:脚手架荷载计算2. 某工地需要搭建一段大小为8m×6m的盘扣式脚手架,脚手架高度为6m。
请计算该段盘扣式脚手架的荷载能力。
解答:(1)计算脚手架的垂直荷载能力:脚手架的垂直荷载能力由立杆支撑承担。
立杆根数为:横向立杆数量×纵向立杆数量=4根×6根=24根。
每根立杆的垂直荷载能力为:30kN。
所以,脚手架的垂直荷载能力为:立杆根数×每根立杆的垂直荷载能力=24根×30kN=720kN。
(2)计算脚手架的水平荷载能力:脚手架的水平荷载能力由横梁支撑承担。
横梁根数为:横向横梁数量×纵向横梁数量=5根×7根=35根。
6计算参数:钢管强度为205。
0 N/mm2,钢管强度折减系数取1。
00。
双排脚手架,搭设高度40米,6米以下采用双管立杆,6米以上采用单管立杆。
立杆的纵距1.30米,立杆的横距1。
10米,内排架距离结构0。
50米,立杆的步距1。
80米.钢管类型φ48×3。
0,连墙件采用2步3跨,竖向间距3。
6米,水平间距3。
9米。
施工活荷载为3.0kN/m2,同时考虑2层施工.脚手板采用竹笆片,荷载为0。
10kN/m2,按照铺设4层计算。
栏杆采用竹笆片,荷载为0.17kN/m,安全网荷载取0.0100kN/m2。
脚手板下大横杆在小横杆上面,且主结点间增加2根大横杆。
基本风压0.30kN/m2,高度变化系数1.0000,体型系数0。
6000。
地基承载力标准值170kN/m2,底面扩展面积0。
250m2,地基承载力调整系数0。
40。
钢管惯性矩计算采用 I=π(D4—d4)/64,抵抗距计算采用 W=π(D4—d4)/32D。
6.1 大横杆的计算大横杆按照三跨连续梁进行强度和挠度计算,大横杆在小横杆的上面。
按照大横杆上面的脚手板和活荷载作为均布荷载计算大横杆的最大弯矩和变形。
6.1。
1 均布荷载值计算大横杆的自重标准值 P1=0.038kN/m脚手板的荷载标准值 P2=0.100×1。
100/2=0。
055kN/m活荷载标准值 Q=3.000×1。
100/2=1。
650kN/m静荷载的计算值 q1=1。
2×0。
038+1。
2×0。
055=0.112kN/m活荷载的计算值 q2=1。
4×1。
650=2.310kN/m大横杆计算荷载组合简图(跨中最大弯矩和跨中最大挠度)大横杆计算荷载组合简图(支座最大弯矩)6.1。
2 抗弯强度计算最大弯矩考虑为三跨连续梁均布荷载作用下的弯矩跨中最大弯矩计算公式如下:跨中最大弯矩为M1=(0。
08×0。
112+0.10×2.310)×1.3002=0.406kN.m支座最大弯矩计算公式如下:支座最大弯矩为M2=-(0。
扣件式落地双排脚手架计算书计算依据《建筑施工扣件式钢管脚手架安全技术规》(JGJ130-2011)、《建筑地基基础设计规》(GB 50007-2011)、《建筑结构荷载规》(GB 50009-2012)、《钢结构设计规》(GB 50017-2003)等编制。
脚手架搭设体系剖面图脚手架搭设体系正立面图脚手架搭设体系平面图一、参数信息1.脚手架搭设参数脚手架从地面开始搭设,搭设高度H:36.4m;顶步栏杆高:1.2m;立杆距离墙长度a:0.5m;横杆步距h:1.8m;总步数:20步;立杆纵距la:1.5m;立杆横距lb:1.05m;:0.3m;扫地杆距地:0.3m;小横杆伸出立杆长度a1采用小横杆在上布置,搭接在大横杆上的小横杆根数为2根;采用的钢管类型为Φ48 × 3.5;连墙件布置方式为二步二跨,连接方式为扣件连接;连墙件扣件连接方式为双扣件,扣件抗滑承载力折减系数为1;脚手架沿墙纵向长度l:185m;2.荷载参数(1)活荷载参数结构脚手架均布活荷载:3kN/m2;结构脚手架同时施工层数:1层;(2)风荷载参数工程所在地,基本风压Wo:0.45kN/m2;地面粗糙度类别为:B类(城市郊区);(2)静荷载参数1)脚手板参数选用木脚手板,按规要求铺脚手板;脚手板自重:0.35kN/m2;铺设层数:1层;2)挡脚板参数选用木脚手板(220×48×3000),铺脚手板层设挡脚板挡脚板自重:0.08kN/m;挡脚板铺设层数:1层;3)防护栏杆铺脚手板层设防护栏杆,每步防护栏杆根数为2根,总根数为8根;4)围护材料2300目/100cm2,A0=1.3mm2密目安全网全封闭。
密目网选用为:2300目/100cm2,A0=1.3mm2;密目网自重:0.01kN/m2;二、小横杆的计算小横杆在大横杆的上面,考虑活荷载在小横杆上的最不利布置,验算强度和挠度时不计小横杆的悬挑荷载,小横杆按照简支梁进行强度和挠度计算。
1.均布荷载值计算作用在小横杆上的荷载标准值:q=0.038+0.350×1.5/3+3×1.5/3 = 1.713 kN/m;作用在小横杆上的荷载设计值:q=1.2×(0.038+0.350×1.5/3)+1.4×3×1.5/3 = 2.356 kN/m;2.强度验算最大弯矩 M= ql2/8 =2.356×1.052/8 = 0.325 kN.m;最大应力计算值σ = M/ W =0.325×106/5.08×103=63.917 N/mm2;小横杆实际弯曲应力计算值σ=63.917N/mm2小于抗弯强度设计值[f]=205N/mm2,满足要求!3.挠度验算最大挠度ν = 5ql4/384EI= 5.0×1.713×10504/(384×2.06×105×12.19×104)=1.080 mm;小横杆实际最大挠度计算值ν=1.080mm 小于最大允许挠度值min(1050/180,10)=5.675mm,满足要求!三、大横杆的计算小横杆在大横杆的上面,小横杆把荷载以集中力的形式传递给大横杆,所以,大横杆按照集中力作用下的三跨连续梁进行强度和挠度计算。
计算小横杆传递给大横杆的集中力时,计入小横杆的悬挑荷载。
1.小横杆传递给大横杆的集中力计算排大横杆受到的集中力标准值:F=0.5ql b (1+a 1/l b )2=0.5×1.713×1.05×(1+0.3/1.05)2=1.487 kN ; 排大横杆受到的集中力设计值:F=0.5ql b (1+a 1/l b )2=0.5×2.356×1.05×(1+0.3/1.05)2=2.045 kN ; 外排大横杆受到的集中力标准值:F=0.5ql b [1+(a 1/l b )2]=0.5×1.713×1.05×[1+(0.3/1.05)2]=0.973 kN ; 外排大横杆受到的集中力设计值:F=0.5ql b [1+(a 1/l b )2]=0.5×2.356×1.05×[1+(0.3/1.05)2]=1.338 kN ;2.大横杆受力计算大横杆按三跨(每跨中部)均有集中活荷载分布计算,由脚手架大横杆试验可知,大横杆按照三跨连续梁计算是偏于安全的,按以上荷载分布进行计算可以满足要求并且与我国工程长期使用经验值相符。
根据实际受力情况进行电算,得到计算简图及力、变形图如下(排大横杆、外排大横杆计算方式完全相同,:500500500500500500500500502.045弯矩和剪力计算简图弯矩图(kN ·m)7500500500500500500500500501.487变形计算简图变形图(mm) 计算得到排大横杆:最大弯矩:M= 0.828 kN.m 最大变形:ν= 3.875 mm 最大支座反力:F= 6.756 kN 计算得到外排大横杆(计算过程从略): 最大弯矩:M= 0.546 kN.m 最大变形:ν= 2.554 mm 最大支座反力:F= 4.447 kN3.强度验算最大应力计算值σ = 0.828×106/5.08×103=163.044 N/mm 2;大横杆实际弯曲应力计算值σ=163.044N/mm 2 小于抗弯强度设计值[f]=205N/mm 2,满足要求!4.挠度验算最大挠度ν=3.875mm ;大横杆实际最大挠度计算值ν=3.875mm 小于最大允许挠度值min (1500/150,10)=10.000mm ,满足要求!四、作业层立杆扣件抗滑承载力的计算扣件的抗滑承载力按照下式计算:R ≤ Rc其中 Rc -- 扣件抗滑承载力设计值。
规规定直角、旋转单扣件承载力取值为8.00kN。
扣件抗滑承载力折减系数1,则该工程采用的单扣件承载力取值为8.000kN,双扣件承载力取值为16.000kN;R -- 纵向或横向水平杆传给立杆的竖向作用力设计值。
本工程排大横杆传给立杆的竖向作用力为6.756 kN, 外排大横杆传给外立杆的竖向作用力为4.447 kN;作业层力杆扣件抗滑承载力验算:立杆受到的竖向作用力R=6.756kN ≤8.000kN,力杆采用单扣件,其抗滑承载力的设计计算满足要求!作业层外力杆扣件抗滑承载力验算:外立杆受到的竖向作用力R=4.447kN ≤8.000kN,外力杆采用单扣件,其抗滑承载力的设计计算满足要求!五、脚手架立杆荷载计算作用于脚手架的荷载包括静荷载、活荷载和风荷载。
1.确定按稳定计算的脚手架搭设高度HsHs=[H]/(1-0.001[H])=36.4/(1-0.001×36.4)=37.775m;2.静荷载标准值计算(1)结构自重标准值NG1k采用Φ48 × 3.5钢管。
外立杆:N= gk Hs=0.1360×37.775=5.137kN;G1k立杆:N= gk Hs=0.1136×37.775=4.291 kN;G1k(2)构配件自重标准值NG2k1)脚手板的自重标准值NG2k1采用木脚手板,自重标准值gk1=0.35kN/m2,铺设层数n1=1层。
外立杆:N= n1×0.5×lb×la×gk1 = 1×0.5×1.05×1.5×0.35=0.276 kN;G2k1= n1×(0.5×lb+a1)×la×gk1立杆:NG2k1= 1×(0.5×1.05+0.3)×1.5×0.35=0.433 kN;2)挡脚板的自重标准值NG2k2采用木脚手板(220×48×3000),自重标准值gk2=0.08kN/m,铺设层数n2=1层。
外立杆:NG2k2= n2×la×gk2 = 1×1.5×0.08=0.120 kN;3)防护栏杆及扣件的自重标准值NG2k3采用Φ48 × 3.5钢管,自重标准值gk3=0.0384kN/m,总根数n3=8根。
外立杆:NG2k3= n3×(la×gk3+0.0132)= 8×(1.5×0.0384+0.0132)=0.566 kN;4)围护材料的自重标准值NG2k4采用2300目/100cm2,A0=1.3mm2密目安全网全封闭,自重标准值gk4=0.01kN/m2。
外立杆:NG2k4= la×[H] ×gk4 =1.5×36.4×0.01=0.546 kN;5)附加横杆及扣件的自重标准值NG2k5搭接在大横杆上的小横杆根数n4=2根,铺设层数n5=1层,采用Φ48 × 3.5钢管,自重标准值gk6=0.0384kN/m。
外立杆:NG2k5= n5×n4×(0.5×lb×gk6+0.0132)= 1×2×(0.5×1.05×0.0384+0.0132)=0.067 kN;立杆:NG2k5= n5×n4×[(0.5×lb+a1)×gk6+0.0132]= 1×2×[(0.5×1.05+0.3)×0.0384+0.0132]= 0.090 kN;6)构配件自重标准值NG2k合计外立杆:NG2k=0.276+0.120+0.566+0.546+0.067=1.575 kN;立杆:NG2k=0.433+0.090=0.523 kN;3.活荷载标准值计算活荷载按照1个结构作业层(荷载为3 kN/m2)计算,活荷载合计值∑Qk=3 kN/m2。
外立杆:∑NQk= 0.5×lb×la×∑Qk = 0.5×1.05×1.5×3=2.363kN;立杆:∑NQk=(0.5×lb+a1)×la×∑Qk =(0.5×1.05+0.3)×1.5×3=3.713 kN;4.风荷载标准值计算W k =0.7μz·μs·ω其中ω0 -- 基本风压(kN/m2),按照荷载规规定采用:ω= 0.45 kN/m2;μs -- 风荷载体型系数:μs=1.3 =1.3×0.868=1.128;为挡风系数,考虑了脚手架和围护材料的共同作用,计算过程复杂因篇幅有限计算过程从略。