最新烧结钕铁硼磁体23℃±3℃磁性能 标准
- 格式:xls
- 大小:17.00 KB
- 文档页数:4
烧结钕铁硼永磁材料国家标准磁学名词关于钕铁硼永磁体常用的衡量指标有以下四种:剩磁(Br)单位为特斯拉(T)和高斯(Gs) 1T=10000Gs将一个磁体在外磁场的作用下充磁到技术饱和后撤消外磁场,此时磁体表现的磁感应强度我们称之为剩磁。
它表示磁体所能提供的最大的磁通值。
从退磁曲线上可见,它对应于气隙为零时的情况,故在实际磁路中没有多少实际的用处。
钕铁硼的剩磁一般是11500高斯以上。
磁感矫顽力(Hcb)单位是奥斯特(Oe)或安/米(A/m) 1A/m=磁体在反向充磁时,使磁感应强度降为零所需反向磁场强度的值称之为磁感矫顽力(Hcb)。
但此时磁体的磁化强度并不为零,只是所加的反向磁场与磁体的磁化强度作用相互抵消。
(对外磁感应强度表现为零)此时若撤消外磁场,磁体仍具有一定的磁性能。
钕铁硼的矫顽力一般是10000Oe以上。
内禀矫顽力(Hcj)单位为奥斯特(Oe)或安/米(A/m)使磁体的磁化强度降为零所需施加的反向磁场强度,我们称之为内禀矫顽力。
内禀矫顽力是衡量磁体抗退磁能力的一个物理量,是表示材料中的磁化强度M退到零的矫顽力。
在磁体使用中,磁体矫顽力越高,温度稳定性越好。
磁能积((BH)max ) 单位为兆高·奥(MGOe)或焦/米3(J/m3)退磁曲线上任何一点的B和H的乘积既BH我们称为磁能积,而B×H的最大值称之为最大磁能积,为退磁曲线上的D点。
磁能积是恒量磁体所储存能量大小的重要参数之一。
在磁体使用时对应于一定能量的磁体,要求磁体的体积尽可能小。
·各向同性磁体:任何方向磁性能都相同的磁体。
·各向异性磁体:不同方向上磁性能会有不同;且存在一个方向,在该方向取向时所得磁性能最高的磁体。
烧结钕铁硼永磁体是各向异性磁体。
·取向方向:各向异性的磁体能获得最佳磁性能的方向称为磁体的取向方向。
也称作"取向轴","易磁化轴"。
烧结钕铁硼磁体可使用的最高温度是多少?磁铁最高使用温度取决于磁体本身的磁性能和工作点的选取。
磁体所处工作点可用磁体的导磁系数来表示。
对同一磁体而言,磁路的导磁系数愈高(即磁路愈闭合),磁铁的最高使用温度就愈高,磁铁的性能就愈稳定。
所以磁铁的最高使用温度并不是一个确定的值,而是随着磁路的闭合程度而变化。
烧结钕铁硼在给定工作点的前提下,各牌号的最高使用温度如下:牌号N最高工作xx80度℃M100H120SH150UH180EH200如果实际工作温度接近于最高使用温度,而磁体出现了较大幅度的退磁,此时要么必须改进磁路,以提高磁路的磁导系数;要么必须选择更高牌号的性能档次,从而保证磁体的正常工作。
一、钕铁硼磁铁有哪些应用?钕铁硼永磁体以其优异的性能、丰富的原料、合理的价格正得以迅猛的发展和广泛的应用。
其主要应用在微特电机、永磁仪表、电子工业、汽车工业、石油化工、核磁共振装置、传感器,音响器材、磁悬浮系统、磁性传动机构和磁疗设备等方面。
二、钕铁硼由那些材料组成?钕铁硼永磁铁的主要原材料有稀土金属钕(Nd)32%、金属元素铁(Fe)64%和非金属元素硼(B)1%(少量添加镝(Dy)、铽(Tb)、钴(Co)、铌(Nb)、镓(Ga)、铝(Al)、铜(Cu)等元素)。
钕铁硼三元系永磁材料是以Nd2Fe14B化合物作为基体的,其成分应与化合物Nd2Fe14B分子式相近。
但完全按Nd2Fe14B成分配比时,磁体的磁性能很低,甚至无磁。
只是实际的磁体当中钕和硼的含量比Nd2Fe14B化合物的钕和硼含量多时才能获得较好的永磁性能。
三、钕铁硼的磁性能可以持续多久?钕铁硼磁铁拥有相当高的矫顽力,自然环境和一般磁场条件下不会出现退磁和磁性变化。
假设环境适当,即使经过长时间的使用,磁体的磁性能损失也不会很大。
所以在实际应用中,我们往往忽略时间因素对磁性能的影响。
四关于取向方向取向方向:各向异性的磁体能获得最佳磁性能的方向称为磁体的取向方向。
钕铁硼标准本标准是以GB/T 1.3 一1997《标准化工作导则第l 单元:标准的起草与表述规则第3 部分:产品标准编写规定》为原则,对GB/T 13560 一1992《烧结钕铁硼永磁材料》的修订。
在修订本标准时,依据国内生产厂家的产品情况及用户对产品的要求,参考了IEC404-8-1(1986)及其补充2(1992)《磁性材料第8部分:特殊材料规范第一节硬磁材料标准规范》和国内外有关企业标准。
对原标准的技术内容进行了必要的补充和修改。
本标准参考了IEC 标准的永磁材料分类,钕铁硼合金的小类分类代号为R7。
本标准与GB/T 13560 一1992 的主要技术差异如下:1.在“引用标准”项中增加了标准GB/T 8170-1987《数值修约规则》、GB/T 9637-1988《磁学基本术语和定义》和GB/T 17803一1999《稀土产品牌号表示方法》。
2.对原标准中“术语、符号、单位”修改为“术语与定义”。
由于引用GB/T 9637—1988《磁学基本术语和定义》,取消了原来的磁学术语定义。
采用了IEC 404-8-l(1986)对永磁材料的磁性能划分为主要磁性能和辅助磁性能的方法,并对这两个术语分别进行了定义。
3.修改并增加了材料的牌号。
4.对附录A 的机械物理性能范围值修订为典型值。
5.新增加了附录C“钕铁硼永磁材料的主要成分、制造工艺及应用”内容。
本标准自实施之日起代替GB/T 13560一1992。
本标准的附录A、附录B、附录C 均为提示的附录。
本标准由国家发展计划委员会稀土办公室提出。
本标准由全国稀土标准化技术委员会归口。
本标准由包头稀土研究院负责起草。
本标准主要起草人:刘国征、马婕、王标、李泽军。
1 范围本标准规定了烧结钕铁硼永磁材料的主要磁性能、试验方法、检验规则和标志、包装、运输、贮存。
本标准同时给出了主要机械性能和辅助磁性能等其他物理性能的典型值。
本标准适用于粉末冶金工艺生产的烧结钕铁硼永磁材料。
烧结钕铁硼永磁材料国家标准本标准是以GB/T 1.3 一1997《标准化工作导则第l 单元:标准的起草与表述规则第3 部分:产品标准编写规定》为原则,对GB/T 13560 一1992《烧结钕铁硼永磁材料》的修订。
在修订本标准时,依据国内生产厂家的产品情况及用户对产品的要求,参考了IEC404-8-1(1986)及其补充2(1992)《磁性材料第8部分:特殊材料规范第一节硬磁材料标准规范》和国内外有关企业标准。
对原标准的技术内容进行了必要的补充和修改。
本标准参考了IEC 标准的永磁材料分类,钕铁硼合金的小类分类代号为R7。
本标准与GB/T 13560 一1992 的主要技术差异如下:1.在“引用标准”项中增加了标准GB/T 8170-1987《数值修约规则》、GB/T 9637-1988 《磁学基本术语和定义》和GB/T 17803一1999《稀土产品牌号表示方法》。
2.对原标准中“术语、符号、单位”修改为“术语与定义”。
由于引用GB/T 9637—1988 《磁学基本术语和定义》,取消了原来的磁学术语定义。
采用了IEC 404-8-l(1986)对永磁材料的磁性能划分为主要磁性能和辅助磁性能的方法,并对这两个术语分别进行了定义。
3.修改并增加了材料的牌号。
4.对附录A 的机械物理性能范围值修订为典型值。
5.新增加了附录C“钕铁硼永磁材料的主要成分、制造工艺及应用”内容。
本标准自实施之日起代替GB/T 13560一1992。
本标准的附录A、附录B、附录C 均为提示的附录。
本标准由国家发展计划委员会稀土办公室提出。
本标准由全国稀土标准化技术委员会归口。
本标准由包头稀土研究院负责起草。
本标准主要起草人:刘国征、马婕、王标、李泽军。
1 范围本标准规定了烧结钕铁硼永磁材料的主要磁性能、试验方法、检验规则和标志、包装、运输、贮存。
本标准同时给出了主要机械性能和辅助磁性能等其他物理性能的典型值。
本标准适用于粉末冶金工艺生产的烧结钕铁硼永磁材料。
稀土国家标准《烧结钕铁硼永磁材料》(送审稿)编制说明一、工作简况1.任务背景钕铁硼稀土永磁材料由于具有优异的磁性能及所用原材料来源广泛、价格低等优点,钕铁硼永磁材料产业得到了迅速地发展。
自GB/T13560-2009标准发布实施以来,随着烧结钕铁硼永磁材料的技术进步,该稀土永磁材料的产量和磁性能都有了较大的提高。
虽然经历了金融危机的影响,2011年-2013年,国内烧结钕铁硼产量仍然达到约7-8万吨,2014年,国内烧结钕铁硼产量为10.3万吨,2015年产量与2014年相当。
烧结钕铁硼永磁材料应用技术的进步,对烧结钕铁硼永磁材料的性能指标都提出了更高要求。
与GB/T13560-2009国标相比,当今烧结钕铁硼永磁产品N、H、SH、UH、EH和TH系列牌号的最高磁性能都有新的提高。
原有的技术指标已不能完全满足生产和应用的需求,因此,对GB/T13560-2009标准修订已十分必要。
这对于规范烧结钕铁硼永磁材料的生产和销售贸易,促进了企业技术改造和产品的质量提高,减少生产厂家和用户之间的贸易纠纷,使钕铁硼永磁材料行业规范发展具有重要意义。
2任务来源根据稀土标委[2014] 41号文件《关于编制2015年稀土国家、行业标准项目计划通知,包头稀土研究院提交了GB/T13560-2009 烧结钕铁硼永磁材料国家标准修订项目建议书,2015年11月,全国稀土标准化技术委员[2015] 18号文件“关于召开2015年度全国稀土标准化技术委员会年会暨《快淬钕铁硼永磁粉》等13项稀土标准工作会议的通知”确定了“烧结钕铁硼永磁材料”国家标准修订项目,项目编号20152315-T-469,完成年限为2016年12月。
本标准的负责起草单位:包头稀土研究院,本标准参加起草单位:钢铁研究总院,北京中科三环高技术股份有限公司、安徽大地熊新材料股份有限公司、中国科学院宁波材料技术与工程研究所。
3. 主要起草单位简况包头稀土研究院成立于1963年,隶属于原冶金工业部,1992年转制进入包头钢铁集团公司,是国内最大、研究领域最全的稀土专业科技研究机构。
钕铁硼标准本标准是以GB/T 1.3 一1997《标准化工作导则第l 单元:标准的起草与表述规则第3 部分:产品标准编写规定》为原则,对GB/T 13560 一1992《烧结钕铁硼永磁材料》的修订。
在修订本标准时,依据国内生产厂家的产品情况及用户对产品的要求,参考了IEC404-8-1(1986)及其补充2(1992)《磁性材料第8部分:特殊材料规范第一节硬磁材料标准规范》和国内外有关企业标准。
对原标准的技术内容进行了必要的补充和修改。
本标准参考了IEC 标准的永磁材料分类,钕铁硼合金的小类分类代号为R7。
本标准与GB/T 13560 一1992 的主要技术差异如下:1.在“引用标准”项中增加了标准GB/T 8170-1987《数值修约规则》、GB/T 9637-1988《磁学基本术语和定义》和GB/T 17803一1999《稀土产品牌号表示方法》。
2.对原标准中“术语、符号、单位”修改为“术语与定义”。
由于引用GB/T 9637—1988《磁学基本术语和定义》,取消了原来的磁学术语定义。
采用了IEC 404-8-l(1986)对永磁材料的磁性能划分为主要磁性能和辅助磁性能的方法,并对这两个术语分别进行了定义。
3.修改并增加了材料的牌号。
4.对附录A 的机械物理性能范围值修订为典型值。
5.新增加了附录C“钕铁硼永磁材料的主要成分、制造工艺及应用”内容。
本标准自实施之日起代替GB/T 13560一1992。
本标准的附录A、附录B、附录C 均为提示的附录。
本标准由国家发展计划委员会稀土办公室提出。
本标准由全国稀土标准化技术委员会归口。
本标准由包头稀土研究院负责起草。
本标准主要起草人:刘国征、马婕、王标、李泽军。
1 范围本标准规定了烧结钕铁硼永磁材料的主要磁性能、试验方法、检验规则和标志、包装、运输、贮存。
本标准同时给出了主要机械性能和辅助磁性能等其他物理性能的典型值。
本标准适用于粉末冶金工艺生产的烧结钕铁硼永磁材料。
烧结钕铁硼永磁材料国家标准本标准是以GB/T 1.3 一1997《标准化工作导则第l 单元:标准的起草与表述规则第3 部分:产品标准编写规定》为原则,对GB/T 13560 一1992《烧结钕铁硼永磁材料》的修订。
在修订本标准时,依据国内生产厂家的产品情况及用户对产品的要求,参考了IEC404-8-1(1986)及其补充2(1992)《磁性材料第8部分:特殊材料规范第一节硬磁材料标准规范》和国内外有关企业标准。
对原标准的技术内容进行了必要的补充和修改。
本标准参考了IEC 标准的永磁材料分类,钕铁硼合金的小类分类代号为R7。
本标准与GB/T 13560 一1992 的主要技术差异如下:1.在“引用标准”项中增加了标准GB/T 8170-1987《数值修约规则》、GB/T 9637-1988 《磁学基本术语和定义》和GB/T 17803一1999《稀土产品牌号表示方法》。
2.对原标准中“术语、符号、单位”修改为“术语与定义”。
由于引用GB/T 9637—1988 《磁学基本术语和定义》,取消了原来的磁学术语定义。
采用了IEC 404-8-l(1986)对永磁材料的磁性能划分为主要磁性能和辅助磁性能的方法,并对这两个术语分别进行了定义。
3.修改并增加了材料的牌号。
4.对附录A 的机械物理性能范围值修订为典型值。
5.新增加了附录C“钕铁硼永磁材料的主要成分、制造工艺及应用”内容。
本标准自实施之日起代替GB/T 13560一1992。
本标准的附录A、附录B、附录C 均为提示的附录。
本标准由国家发展计划委员会稀土办公室提出。
本标准由全国稀土标准化技术委员会归口。
本标准由包头稀土研究院负责起草。
本标准主要起草人:刘国征、马婕、王标、李泽军。
1 范围本标准规定了烧结钕铁硼永磁材料的主要磁性能、试验方法、检验规则和标志、包装、运输、贮存。
本标准同时给出了主要机械性能和辅助磁性能等其他物理性能的典型值。
本标准适用于粉末冶金工艺生产的烧结钕铁硼永磁材料。
钕铁硼标准本标准是以GB/T 1.3 一1997《标准化工作导则第l 单元:标准的起草与表述规则第3 部分:产品标准编写规定》为原则,对GB/T 13560 一1992《烧结钕铁硼永磁材料》的修订。
在修订本标准时,依据国内生产厂家的产品情况及用户对产品的要求,参考了IEC404-8-1(1986)及其补充2(1992)《磁性材料第8部分:特殊材料规范第一节硬磁材料标准规范》和国内外有关企业标准。
对原标准的技术内容进行了必要的补充和修改。
本标准参考了IEC 标准的永磁材料分类,钕铁硼合金的小类分类代号为R7。
本标准与GB/T 13560 一1992 的主要技术差异如下:1.在“引用标准”项中增加了标准GB/T 8170-1987《数值修约规则》、GB/T 9637-1988《磁学基本术语和定义》和GB/T 17803一1999《稀土产品牌号表示方法》。
2.对原标准中“术语、符号、单位”修改为“术语与定义”。
由于引用GB/T 9637—1988《磁学基本术语和定义》,取消了原来的磁学术语定义。
采用了IEC 404-8-l(1986)对永磁材料的磁性能划分为主要磁性能和辅助磁性能的方法,并对这两个术语分别进行了定义。
3.修改并增加了材料的牌号。
4.对附录A 的机械物理性能范围值修订为典型值。
5.新增加了附录C“钕铁硼永磁材料的主要成分、制造工艺及应用”内容。
本标准自实施之日起代替GB/T 13560一1992。
本标准的附录A、附录B、附录C 均为提示的附录。
本标准由国家发展计划委员会稀土办公室提出。
本标准由全国稀土标准化技术委员会归口。
本标准由包头稀土研究院负责起草。
本标准主要起草人:刘国征、马婕、王标、李泽军。
1 范围本标准规定了烧结钕铁硼永磁材料的主要磁性能、试验方法、检验规则和标志、包装、运输、贮存。
本标准同时给出了主要机械性能和辅助磁性能等其他物理性能的典型值。
本标准适用于粉末冶金工艺生产的烧结钕铁硼永磁材料。
烧结钕铁硼永磁材料1 范围本标准规定了烧结钕铁硼永磁材料分类、技术要求、试验方法、检验规则和标志、包装、运输、贮存。
本标准适用于烧结钕铁硼永磁材料。
2 规范性引用文件下列文件中的条款通过标准的引用而构成本标准的条款。
凡是注日期的引用文件,其随后所有的修改单(包括勘误的内容)或修订版均不适用于本标准,然而鼓励根据本标准达成协议的各方研究是否可使用这些文件的最新版本。
凡是不注日期的引用文件,其最新版本适用于本标准。
GB/T 2828.1 计数抽样检验程序第1部分:按接收质量限(AQL)检索的逐批检验抽样计划GB/T 3217 永磁(硬磁)材料磁性能试验方法GB/T 9637 电工术语磁性材料与元件GB/T 13560 烧结钕铁硼永磁材料XB/T 903 烧结钕铁硼永磁材料表面电镀层3 术语和定义本标准基本术语和定义应符合GB/T 9637的规定并采用下列定义。
6.1主要磁性能包括永磁材料的剩余感应强度(剩磁)(B r)、磁极化强度矫顽力(内禀矫顽力)(H cj)、磁感应强度矫顽力(磁感矫顽力)(H cb)、最大磁能积((BH)max)、方形度Hk/Kcj。
6.2辅助磁性能包括永磁材料的相对回复磁导率(μrec)、剩余磁感应温度系数(α(B r))、磁极化强度矫顽力温度系数(α(H cJ))、居里温度(T C)。
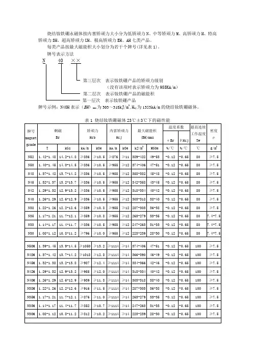
4 材料分类4.1材料分类和牌号表示方法烧结钕铁硼产品按磁极化强度矫顽力大小分为普通矫顽力(N)、中等矫顽力(M)、高矫顽力(H)、特高矫顽力(SH)、超高矫顽力(UH)、极高矫顽力(EH)六大类产品。
每大类产品按最大磁能积大小划分具体牌号,其中基本牌号由英文字母和阿拉伯数字两部分组成,字母代表产品矫顽力分类,阿拉伯数字代表标称最大磁能积。
在基本牌号的基础上,加上T或者L-…T代表衍生牌号。
4.2基本牌号基本牌号有N25、N28、N30、N33、N35、N38、N40、N42、N45、N48、N50、N52、N54、N56、30M、33M、35M、38M、40M、42M、45M、48M、50M、52M、54M、56M、30H、33H、35H、38H、40H、42H、45H、48H、50H、52H、30SH、33SH、35SH、38SH、40SH、42SH、45SH、48SH、50SH、30UH、33UH、35UH、38UH、40UH、45UH、48UH、30EH、33EH、35EH、38EH、40EH、42EH。
烧结钕铁硼永磁材料国家标准本标准是以GB/T 1.3 一1997《标准化工作导则第l 单元:标准的起草与表述规则第3 部分:产品标准编写规定》为原则,对GB/T 13560 一1992《烧结钕铁硼永磁材料》的修订。
在修订本标准时,依据国内生产厂家的产品情况及用户对产品的要求,参考了IEC404-8-1(1986)及其补充2(1992)《磁性材料第8部分:特殊材料规范第一节硬磁材料标准规范》和国内外有关企业标准。
对原标准的技术内容进行了必要的补充和修改。
本标准参考了IEC 标准的永磁材料分类,钕铁硼合金的小类分类代号为R7。
本标准与GB/T 13560 一1992 的主要技术差异如下:1.在“引用标准”项中增加了标准GB/T 8170-1987《数值修约规则》、GB/T 9637-1988 《磁学基本术语和定义》和GB/T 17803一1999《稀土产品牌号表示方法》。
2.对原标准中“术语、符号、单位”修改为“术语与定义”。
由于引用GB/T 9637—1988 《磁学基本术语和定义》,取消了原来的磁学术语定义。
采用了IEC 404-8-l(1986)对永磁材料的磁性能划分为主要磁性能和辅助磁性能的方法,并对这两个术语分别进行了定义。
3.修改并增加了材料的牌号。
4.对附录A 的机械物理性能范围值修订为典型值。
5.新增加了附录C“钕铁硼永磁材料的主要成分、制造工艺及应用”内容。
本标准自实施之日起代替GB/T 13560一1992。
本标准的附录A、附录B、附录C 均为提示的附录。
本标准由国家发展计划委员会稀土办公室提出。
本标准由全国稀土标准化技术委员会归口。
本标准由包头稀土研究院负责起草。
本标准主要起草人:刘国征、马婕、王标、李泽军。
1 范围本标准规定了烧结钕铁硼永磁材料的主要磁性能、试验方法、检验规则和标志、包装、运输、贮存。
本标准同时给出了主要机械性能和辅助磁性能等其他物理性能的典型值。
本标准适用于粉末冶金工艺生产的烧结钕铁硼永磁材料。
实用标准文案企业标准本标准等效于:GB/T 2828 逐批检查计数抽样程序及抽样表(适用于连续批的检查) GB/T 3217 永磁(硬磁)材料磁性试验方法GB/T 9637 磁学基本术语和定义GB/T 13560 烧结钕铁硼磁体XB/T 903 烧结钕铁硼磁体表面镀覆层烧结钕铁硼磁体2009-2-10 发布2009-3-1实施目次前言 (Ⅱ)1 范围 (1)2 规范性引用文件 (1)3 定义和术语 (1)4材料分类与牌号 (1)5技术要求 (1)6 试验方法 (1)7 检验规则 (2)8.标志、包装、运输 (2)前言本标准起草单位:本标准主要起草人:烧结钕铁硼磁体1.范围本标准规定了烧结钕铁硼磁体的分类、技术要求、试验方法、检验规则、标志、包装、运输、贮存。
本标准适用于粉末冶金工艺生产的烧结钕铁硼磁体。
2.规范性引用文件下列文件中的条款通过本标准的引用而成为本标准的条款。
凡是注日期的引用文件,其随后所有的修改单(不包括勘误的内容)或修订版均不适用于本标准,然而,鼓励根据本标准达成协议的各方研究是否可使用这些文件的最新版本。
凡是不注日期的引用文件,其最新版本适用于本标准。
GB/T 2828 逐批检查计数抽样程序及抽样表(适用于连续批的检查)GB/T 3217 永磁(硬磁)材料磁性试验方法GB/T 9637 磁学基本术语和定义GB/T 13560 烧结钕铁硼磁体XB/T 903 烧结钕铁硼磁体表面镀覆层3.术语与定义本标准采用下列定义:3.1 主要磁性能:包括永磁材料的剩磁(Br )、磁极化强度矫顽力(内禀矫顽力)(HcJ )、磁感应强度矫顽力(矫顽力)(HcB )、最大磁能积((BH )max )3.2 辅助磁性能:包括永磁材料的相对回复磁导率(μrec )、剩磁温度系数(α(Br)),磁极化强度矫顽力温度系数(β(HcJ ))。
4.材料分类与牌号4.1 材料分类:烧结钕铁硼磁体按磁极化强度矫顽力大小分为低矫顽力N 、中等矫顽力M 、高矫顽力H 、特高矫顽力SH 、超高矫顽力UH 、极高矫顽力EH 、甚高矫顽力TH 七大类产品。
金泰德胜电机有限公司烧结钕铁硼永磁体N35SH版本 C共 2 页第 1 页编制部门工程部1、适用范围本技术条件适用于KDS永磁同步曳引机所用的烧结钕铁硼永磁体N35SH。
2、技术要求2.1 永磁体磁性能2.1.1永磁体应符合国家标准GB/T 13560《烧结钕铁硼永磁材料》要求。
N35SH主要磁性能如下(23±3℃时):材料牌号主要性能Br (T)HcB(kA/m)HcJ(kA/m)(BH)max (kJ/m3)N35SH ≥1.18 ≥875 ≥1592 263~2952.1.2 永磁体剩磁温度系数α(B r)≤0.12%/K。
2.1.3 永磁体内禀矫顽力温度系数β(H cJ) ≤0.6%/K。
2.1.4永磁体允许最高工作温度为150℃。
2.1.5 Dy含量为;PrNd含量为;C含量≤ ppm。
2.2 永磁体其他特性2.2.1永磁体磁通一致性:不同交货批次的全部永磁体,磁通最大性能差<5%;发货时每箱一致性偏差<3%。
差值呈正态分布。
2.2.2永磁体热减磁性: 使用附合图样要求的永磁体,在磁闭路状态下130℃保温2小时,恢复到室温测量,单磁体最大不可逆磁通损失率<5%。
2.2.3永磁体失重率:永磁体在无表面防护的条件下,放置在温度130℃、相对湿度95%。
压力0.26MPa的环境中,经48小时后取出,其重量损失小于3 mg/cm2。
2.3 永磁体表面质量要求2.3.1永磁体表面需经镀镍(允许镀镍铜镍,耐蚀性仍按镀镍考核)防锈处理,镀层厚度为8-30μm,镀层的外观、厚度、耐蚀性和结合强度应符合XB/T 903《烧结钕铁硼永磁材料表面电镀层》要求。
其要求在如下时间内不出现腐蚀:中性盐雾试验湿热试验压力容器试验48小时300小时72小时2.3.2永磁体尺寸:尺寸及公差以订货图纸要求为准,图样尺寸为镀后尺寸,未注倒角或圆角0.5~0.8。
2.3.3 永磁体表面须做标识,用以区分N、S极。
2.3.4永磁体应烧结紧密无疏松,不得有任何形式的拼接和粘补。
钕铁硼标准本标准是以GB/T 1.3 一1997《标准化工作导则第l 单元:标准的起草与表述规则第3 部分:产品标准编写规定》为原则,对GB/T 13560 一1992《烧结钕铁硼永磁材料》的修订。
在修订本标准时,依据国内生产厂家的产品情况及用户对产品的要求,参考了IEC404-8-1(1986)及其补充2(1992)《磁性材料第8部分:特殊材料规范第一节硬磁材料标准规范》和国内外有关企业标准。
对原标准的技术内容进行了必要的补充和修改。
本标准参考了IEC 标准的永磁材料分类,钕铁硼合金的小类分类代号为R7。
本标准与GB/T 13560 一1992 的主要技术差异如下:1.在“引用标准”项中增加了标准GB/T 8170-1987《数值修约规则》、GB/T 9637-1988《磁学基本术语和定义》和GB/T 17803一1999《稀土产品牌号表示方法》。
2.对原标准中“术语、符号、单位”修改为“术语与定义”。
由于引用GB/T 9637—1988《磁学基本术语和定义》,取消了原来的磁学术语定义。
采用了IEC 404-8-l(1986)对永磁材料的磁性能划分为主要磁性能和辅助磁性能的方法,并对这两个术语分别进行了定义。
3.修改并增加了材料的牌号。
4.对附录A 的机械物理性能范围值修订为典型值。
5.新增加了附录C“钕铁硼永磁材料的主要成分、制造工艺及应用”内容。
本标准自实施之日起代替GB/T 13560一1992。
本标准的附录A、附录B、附录C 均为提示的附录。
本标准由国家发展计划委员会稀土办公室提出。
本标准由全国稀土标准化技术委员会归口。
本标准由包头稀土研究院负责起草。
本标准主要起草人:刘国征、马婕、王标、李泽军。
1 范围本标准规定了烧结钕铁硼永磁材料的主要磁性能、试验方法、检验规则和标志、包装、运输、贮存。
本标准同时给出了主要机械性能和辅助磁性能等其他物理性能的典型值。
本标准适用于粉末冶金工艺生产的烧结钕铁硼永磁材料。
烧结钕铁硼性能参数
1.磁性能参数:
烧结钕铁硼材料具有极高的磁性能,如其高的矫顽力(Coercivity)
和高的矫顽力(Remanence)。
其中,矫顽力是指磁化物质所需的外部磁
场强度,矫顽力越高,材料的磁化困难度越大,磁化后保持稳定性越强;
矫顽力越低,材料的磁化相对容易。
烧结钕铁硼材料的矫顽力可达到
1200kA/m以上。
而矫顽力是指材料在饱和磁化状态下的剩磁,烧结钕铁
硼材料的矫顽力可以超过1.0T。
2.温度特性参数:
烧结钕铁硼材料的温度特性相对较差,随着温度的升高,材料的磁能
积(Magnetic Energy Product)和矫顽力会显著下降。
磁能积是材料磁
化后释放的磁能量与材料体积之积,反映了材料的磁性能强弱。
通常,烧
结钕铁硼材料的磁能积在室温下可以达到400kJ/m3以上,但随着温度的
升高,磁能积会逐渐下降。
3.导磁参数:
4.抗腐蚀性能:
5.其他性能参数:
除以上性能参数外,烧结钕铁硼材料还具有一些其他的特性,如高的
热稳定性、良好的韧性和热膨胀系数等。
烧结钕铁硼材料的热稳定性相对
较好,可以在较高温度下工作,而不会发生明显的磁性能衰减。
此外,钕
磁体的电子、离子和磁性均适用于各种应用领域,如电机、传感器、励磁、电源等。
总之,烧结钕铁硼材料具有高的矫顽力、高的磁能积和良好的韧性等优异的性能,在工业和军事领域有广泛的应用。
然而,由于其温度特性较差和抗腐蚀性能较差,需要根据具体的应用情况来选择合适的材料和采取相应的措施来提高其使用寿命和稳定性。