电源集中控制系统
- 格式:pdf
- 大小:1.01 MB
- 文档页数:2
通信电源集中监控系统的功能及组成通信电源集中监控就是采用计算机控制系统,对分布在不同地域的通信电源设备(包括空调设备和环境条件)合理设置必要的监控点,实时监测设备运行参数,及时发现和处理故障,从而实现电源设备的少人值守或无人值守和集中维护。
在具体操作上,就是实行遥信、遥测和遥控。
遥信:就是将正在运行的通信电源设备的各种状态,反映到监控中心。
遥测:就是根据遥信所获得的资料,去判断所发生的情况或定期测试一些必要的技术数据,以便分析故障时参考。
遥控:就是远距离操作。
通信电源集中监控技术的应用,标志着通信电源的维护和管理,从人工值守式管理模式向集中监控管理模式转换,其目的在于:①与通信技术发展相适应,提高对通信电源设备的维护管理水平。
①提高通信电源供电质量,使供电系统具备更高的可靠性和经济性。
①充分发挥计算机技术优势,使电源设备的管理向自动化、智能化方向发展。
①实现通信电源设备少人值守、无人值守。
①提高维护效率,降低维护成本。
1、集中监控的内容根据通信系统对电源的要求以及目前我国国内的技术水平,系统的监控对象和内容如下:(1)高压配电设备遥信:开关状态、跳闸报警、过温报警和瓦斯报警等,实时了解高压配电设备的运行情况,并对其故障作出快速诊断和定位。
遥测:三相电压、三相电流、有功功率和无功功率等,实时、定量记录用电情况。
(2)低压配电设备遥信:开关状态、缺相、过压和欠压状态等,实时了解低压配电设备的运行情况,并对其故障作出快速诊断和定位。
遥测:三相电压、三相电流、频率和功率因数等,随时了解供电质量。
遥控:重要配电柜开关的分、合闸。
(3)整流设备遥信:整流器工作在浮充或均充状态、整流器故障、直流输出过压和欠压及熔体断路等状态,实时了解整流设备的运行状态,并准确地对其故障进行诊断和定位。
遥测:交流输入电压和电流、直流输出电压和电流、各整流器输出电流及各个整流器模块输出电流等,实时定量记录电压、电流值,观测整流设备运行状况。
集中式电能计量控制系统用户手册目录第一章系统构成 (3)第二章机柜 (4)一、机柜的材质、规格、技术参数 (4)二、集中式机柜总体结构及各组成部分作用、功能 (5)三、分层式机柜 (7)四、集中式机柜安装 (7)五、分层式机柜安装 (10)第三章电控管理机 (11)一、结构 (11)二、功能 (11)三、管理机与上位PC连接图 (11)四、管理机与机柜等设备连接图 (13)五、操作说明 (13)1. 管理机的参数设置 (13)2. 各菜单说明 (14)六、注意事项 (17)七、技术参数 (18)第四章自助购电机 (19)一、结构 (19)二、功能 (19)三、技术参数 (17)第五章电控显示屏 (18)一、功能 (18)二、参数 (18)第六章智能控电操作系统 (19)一、运行环境 (19)二、用电管理系统安装、卸载及登陆 (19)三、各模块功能详解 (2)1. 参数设置 (2)2. 房间信息管理 (12)3. 系统维护 (20)4. 综合查询 (28)第七章注意事项 (31)第八章公寓内布线示意图 (32)第九章电控计量系统施工规范 (34)一、系统组成 (34)二、系统安装 (34)三、绝缘检测 (35)四、防雷与接地 (35)五、施工记录与标示 (35)第十章购电流程图 (36)第一章系统构成集中式电能计量控制系统是由电控管理PC机(即管理工作站)、管理机、购电POS 机和计量控制柜组成,对每个用电单元实行用卡管理。
为了满足各大高校不同需求,系统分为485和TCP/IP两种通讯模式。
管理工作站与管理机之间可以采取RS485通讯协议,也可采取TCP/IP通讯协议。
自助购电机、机柜与管理机采取RS485通讯协议。
第二章机柜一、机柜的材质、规格、技术参数材质机柜由钢架结构焊接而成,表面采用静电喷涂工艺,内部安装件采用了彩镀工艺,能有效防腐防锈,外观整洁大方。
规格◆集中式规格单控:双控:◆分层式规格单控:双控:技术参数:供电电源3相 380V分路输出电源单相 220V计量精度 2.0级单路最大输出电流20A / 40A (可选) 单路最大功耗≤2W系统工作环境温度5~55℃湿度20%-90%RH柜体绝缘电阻≥5 MΩ显示方式LCD汉字显示数据传递方式485通讯二、集中式机柜总体结构及各组成部分作用、功能机柜主要有柜体、单元计量板、数据采集板、空气开关、接线端子等部件组成。
通信工程28 2016年3期通信电源集中监控系统的无线控制宗正月公诚管理咨询有限公司,广东佛山 528000摘要:通信电源集中监控技术是通信电源系统中的重要组成部分,监控技术应该做好实时的监督工作,保障通信设备的正常运行。
在对通信电源集中监控系统的无线控制进行监测的过程中,需要着重加强对信息数据和检测数据的监督工作,并在监控中心内部建立完善的无线通信系统,实现对各项数据的采集工作,并对数据进行监督,对数据在系统中发生的重要作用进行分析。
对通信电源集中监控系统的无线控制系统进行简单的介绍,并对其监控系统中的硬件实现和软件实现进行分析,结合实际的监测情况,利用红外传输的形式,加强监测数据的管理工作,分析对影响数据无线传输的因素进行分析,对使用系统硬件和系统软件的应用情况进行表述。
关键词:通信电源;集中监控;无线传输;控制中图分类号:TP277 文献标识码:A 文章编号:1009-6434(2016)03-0028-01引言在对通信电源进行应用的过程中,展现出了无线控制在通信监控系统中的重要作用,促进了通信电源向集中监控管理模式进行转变。
虽然这种通信管理模式在通信行业占有的比率相对较少,但是对整个通信网络的基础设施建设具有重要作用,是当前通信网络中的重要管理模块。
在通信电源集中监控系统进行运用的过程中,符合当前社会的发展需要,能够与通信技术实现有效的结合,促进电源设备管理水平的提高,对供电质量起到了重要的作用。
因此,在使用过程中,必须要注重通信电源的重要作用,提高电源设备的管理水平,利用计算机技术的优势,促进通信电源向自动化和智能化发展方向迈进。
1 通信电源的集中监控系统概述随着通信系统技术的快速发展,通信系统技术在应用过程中,呈现出较为复杂的特点,工作内容相对较多,在实际使用过程中,必须要采用监控管理系统。
在对通信电源集中监控系统运用的过程中,需要对运用的区域进行直观的了解,以便能够针对不同的区域特点,提出解决的策略,对电源的运行情况进行掌握,实现对各项工作的控制和监督,同时对发生的各项异常情况进行有效地处理,将系统故障降到最低。
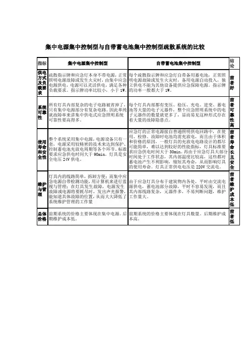
集中电源集中控制型应急照明系统设计探讨近几年来,随着我国经济的不断发展和城市化建设的步伐加快,设计工作中的项目也是越大越复杂,但由于建筑火灾的频发,国家对消防问题的重视程度也是不断提高,这其中电气火灾比例高达60%,而承担应急照明和疏散职责的消防应急灯具是建筑消防系统中重要的组成部分,是前期人员在突发事故中逃离和疏散的重要保障,也是消防人员实施救援的重要人身安全保障。
为了使应急照明及疏散指示系统设计趋于规范化,国家住建部于2018年07月01日发布了国家规范《消防应急照明和疏散指示系统技术标准》GB51309-2018,并于2019年03月01日实施,为设计人员在应急照明系统的设计中提供了规范依据。
标签:集中电源;集中控制;应急照明;疏散Shanghai municipal engineering designinstitute(Group)co.,LTD Shanghai 200082ChinaAbstract:With the development of national economics and the acceleration of urbanization,the project design has been more complicated in recent years. Due to the frequent occurrence of construction fires,China has attached more attention to fire protection issues of which the proportion electrical fires is 60%. Fire emergency luminaires,taking the responsibility for emergency lighting and evacuation,are an important part of construction fire protection system. Luminaires are also the significant guarantee for people to evacuate from the emergency as well as the guarantee for firefighters to rescue. In order to standardize the design of emergency lightning and evacuate indicating system,Ministry of Housing and Urban-Rural Development(MOUHURD)issued the national specification‘’Technical Standard for fire emergency lightning and evacuate indicating system’’GB51309-2018 on July 1st,2018 and implemented it on March 1st,2019,providing the basis for the design of emergency lighting system.Key words:centralized power source ; centralized control ; fire emergency lighting ;evacuation一、引言在2019年之前,常见的应急照明及疏散系统设计一般分为3种:1.24V安全电压型应急照明系统;2.220v强制点亮型应急照明系统;3.自带蓄电池断电点亮型应急照明系统。
浅析消防应急照明电源集中控制的优越性摘要:在现代建筑中,应急照明是非常重要的安全设施,应急照明直接关系到建筑物及人身安全。
应急照明在发生火灾时的作用是疏散人群、开展消防救援工作等,随着科技的发展,现代建筑主要呈现大型化、复合化、智能化等特征,人们的安全意识也逐渐加强,因此对建筑物的消防安全系统提出了更高的要求,集中控制型系统更安全、更可靠,从维护与管理、使用寿命、用电管理等方面均优于非集中控制型。
关键词:消防应急照明;电源集中控制;优越性应急照明是工业建筑及民用建筑照明设施中的重要组成,目前我国大中型城市中,大型商业综合体、五星级酒店及商务办公建筑群体越来越多。
现代建筑不再是单独的个体,其功能众多、错综复杂,即便在日常行走中,也需要借助标识指示灯或指示牌。
而建筑一旦发生火灾,火情会增加人们恐慌的心理,再加上烟雾、有毒气体的侵害使得人体出现呼吸困难、缺氧、思维迟钝,增加了逃生难度。
传统应急照明指示方向固定,无法适应火灾的变化;而电源集中控制的应急照明系统属于智能型照明系统,具有更多优势,更能适应人们对应急照明的需求。
1.简述电源集中控制消防应急照明系统1.1概念通常情况下,集中电源集中控制型应急照明系统由应急照明控制器、照明灯、线缆、应急照明分配电装置组成,这些部件构成一个完整的系统,各自发挥着自身的作用,例如照明灯的作用是照明,标志灯的作用收指示出口方向,集中电源则是为照明灯供电用途,照明分配电装置则是分配电源的作用。
在建筑发生火灾时,应急照明控制器收到消防联动信号后,下发控制命令至应急集中电源和应急照明分配电装置及消防应急灯,控制系统直接进入应急状态,也就是消防应急灯由集中电源蓄电池供电并点亮。
1.2特征将应急照明控制器置于建筑物内的消防控制室内,与火灾自动报警系统、应急照明集中电源及集中电源集中控制消防应急灯利用总线相连,以便实时检测各个部位的工作状态,在检测到至少一个集中电源或应急灯出现故障时,系统自动发出声光报警信号;在接收到火灾自动报警系统发送的火灾报警信号时,发送应急启动指令到各个电源中,控制各个电源将工作状态调整为火灾模式,对应急灯实施供电,同时发送应急点亮指令到各个消防应急灯上,这时控制区域内的应急灯均进入点亮状态;当接收到火灾自动报警系统发送的报警停止信号时,集中电源接收到停止指令,这时控制区域内的集中电源便将工作模式更新为非火灾模式,发送熄灯指令到各个应急灯上,控制区域内的应急灯进入熄灭状态或节能点亮状态。
远程电源管理系统RPMS(A Remote Power Manager System)是中科⽅德软件有限公司推出的⼀款集电源管理、远程控制及负载设备监控、报警功能于⼀⾝的智能电源管理设备,使系统管理⼈员在设备出现⽆响应、死机等情况下在第⼀时间获取设备的报警信息,并能够通过该电源管理设备⾃动或者⼿动对设备进⾏关闭电源、打开电源、远程复位、重新开机等操作,⽽⽆需系统管理员到设备现场⼲预。
远程电源管理系统能够同时控制多个设备,如服务器、基站、路由器等,⽬前⽀持四路相同或不同设备的电源管理;⽀持多达100个以上的具有不同权限的管理帐户,实现⽤户分级管理;同时具有⽇志功能,能记录不同⽤户对电源设备的合法操作、⾮法操作以及设备报警等信息;同时具有⾃动检查负载设备状态并完成负载设备及⾃⾝的报警输出及故障⾃动处理的能⼒,最⼩化系统管理员的劳动强度。
具体功能列表如下: •⽀持四路相同或者不同设备的供电 •⽀持每路的独⽴电源远程开关控制 •⽀持单路设备端按键单路控制 •⽀持各个供电端⼝的延迟开启功能,防⽌突发电流过⼤ •⽀持负载设备强制关机许可,包括切断电源、控制线⾮安全关机等,防⽌误操作 •⽀持远程电源设备⾃⾝的状态查看,包括:软件环境和硬件环境(设备名称、ID、内存⼤⼩、剩余内存⼤⼩、Flash容量、SD卡剩余容量、运⾏时间、CPU占⽤率、设备温度等) •⽀持机房环境监控、包括机房的温度、湿度、烟感 •⽀持负载为IP设备的⾃动宕机检测功能 •⽀持负载具有开关机按键的安全及⾮安全开关机功能 •⽀持络唤醒负载设备 •⽀持⾃定义设备名称、设备ID、端⼝名称等 •⽀持电压、电流的监控,⽀持远程状态查询 •⽀持端⼝电流、总电流、设备ID和设备温度的设备端指⽰ •⽀持供电端⼝的状态查询(有负载、⽆负载),及负载设备的信息存储 •⽀持负载设备开关机⽅法的⾃定义(包括控制线安全关机、⾮安全关机、断电关机、远程唤醒开机、控制线开机) •⽀持计划任务功能(包括定时调度、年调度、⽉调度、⽇调度、⼩时调度、周调度) •⽀持分级报警功能,设备为⽤户提供四级报警级别,不同级别可以采取不同的报警⽅式,⽅便⽤户区分情况进⾏处理 •⽀持多种报警事件,包括设备温度、环境温度、湿度、烟感、电压、电流、服务状态 •⽀持Email报警功能,当设备产⽣报警事件时,及时通知端⼝或者设备的属主 •⽀持报警状态指⽰,⽅便⽤户在设备⾯前直观获得设备报警信息 •⽀持HTTP报警状态显⽰,⽤户可以直接获取报警原因等信息 •⽀持故障管理功能,当达到⼀定报警级别时,认为设备处于故障状态,⽤户可以据此设定故障处理⽅式,如关闭端⼝电源等 •⽀持⽇志功能,为⽤户提供完整的⽇志追述能⼒ •⽀持分级⽇志功能,分为三级:普通⽇志、⾮法操作⽇志、报警⽇志,⽤户可以灵活设定⽇志存储级别,⽅便管理和查看。
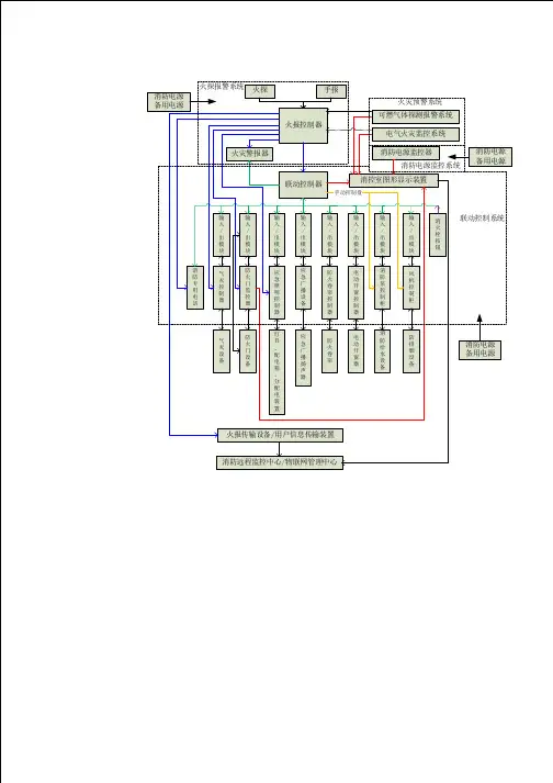
应急电源集中控制原理
为了进一步提高消防应急照明和疏散指示系统的可靠性和实
用性,提高火灾自动报警系统的灵敏度,确保消防控制室能及时
发现和指挥扑救火灾,国家消防电子产品质量监督检验中心对现
有的消防应急照明和疏散指示系统进行了升级改造,开发了应急
电源集中控制系统。
应急电源集中控制系统由集中电源控制主机、集中蓄电池组、集中控制主机、手动开关和联动控制器等组成。
它通过对消防应
急照明和疏散指示系统的供电电源进行监控,对火灾自动报警系
统发出的火警信号进行接收,并由控制器实现对火警信号的处理,控制蓄电池组自动充放电,并将充电完成的蓄电池组恢复供电。
应急电源集中控制系统的主要功能如下:
1.提供消防设备用电
为火灾自动报警系统、消火栓灭火系统、喷淋灭火系统、防
火卷帘等消防设备提供供电电源。
2.提供应急照明和疏散指示电源
—— 1 —1 —。
目前,消防应急系统当中,对应急照明的设计和配置上要求越来越高,为的就是在遇到了紧急情况的时候,带来的应急控制上会更加的专业精准。
不过,对于新研发的集中电源集中控制应急照明系统来说,有几个建议安装的位置,安装起来之后带来的应急处理效率上是很高的。
位置一:控制主机。
因为在消防系统中有着报警主机的设置,此时集中电源集中控制应急照明选择安装位置的时候,能够做到近距离安装控制的效果,这在消防控制方面的精准度上才能够进一步的提高,出现的故障率也会明显的降低。
位置二:应急配电箱。
一般来说,消防设备都是会配备配电箱的,此时将集中电源集中控制应急照明系统安装在弱电井内的配电箱中,可以说带来的应急预案启动效果上会更好一点。
一般,在大部分的建筑物楼道中都会有着弱电井,在安装的过程中要更加方便。
位置三:灯具。
可以根据其灯具所设计的图纸平面图来选择合适灯具的位置去进行安装,能够紧靠着灯具,往往在控制的效率上会更高的。
总之,这在安装位置的选择也是会直接影响到控制的效率。
只要严格的去掌握好其安装要求之后,在其控制效果上还是很不错的。
深圳实安消防设备有限公司,是一家集消防产品研发、设计、销售和消防工程设计、施工、维保服务于一体的综合性消防企业。
目前公司经营产品类主要有七氟丙烷气体灭火系统、IG541气体灭火系统、超细干粉自动灭火装置、厨房灭火装置、智能应急疏散系统,消防电源监控系统,电气火灾监控系统,防火门监控消防产品。
产品应用广泛,适用于各种工业及民用建筑领域,品质优良、服务周到。
集中电源非集中控制型系统工作原理一、概述集中电源非集中控制型系统是一种将电源集中供给与对灯具的控制分散实现的智能照明系统。
该系统主要由集中供电系统和灯具组成,通过特定的通信协议,实现对照明设备的智能控制。
与传统的照明系统相比,集中电源非集中控制型系统具有更高的灵活性、可维护性和节能性。
二、工作原理集中电源非集中控制型系统的工作原理主要基于微处理器技术和电力电子技术。
系统中的微处理器承担着核心控制功能,通过对输入信号的处理,控制输出信号的通断,进而实现对灯具的开关控制。
同时,通过调整输出信号的电压或电流参数,可以实现灯具亮度的调节。
三、工作流程1.系统启动:接通电源后,系统自动进行初始化设置,包括通信接口的检测、微处理器的自检等。
2.通信协议:遵循特定的通信协议,系统通过通信接口接收来自中央控制器的控制信号。
3.信号处理:微处理器接收到控制信号后,进行解码并处理。
根据处理结果,微处理器输出相应的控制信号。
4.设备控制:控制信号通过电力电子设备作用于相应的照明设备,实现灯具的开关或亮度调节。
5.状态反馈:照明设备状态信息通过传感器反馈给微处理器,形成闭环控制系统。
6.故障处理:当系统出现故障时,微处理器会自动检测并处理故障,同时通过通信接口向中央控制器发送故障信息。
7.系统关闭:在系统关闭时,所有设备将按照预设程序逐步关闭,同时保存重要数据。
四、优势与特点1.集中供电:通过集中供电方式,减少了对灯具单独布线的需求,降低了系统的安装和维护成本。
2.分散控制:对照明设备的控制分散在各个灯具中实现,使得每个灯具具有独立控制的能力,提高了系统的灵活性和可扩展性。
3.智能控制:采用微处理器技术实现对照明设备的智能控制,可以根据环境光线、人员活动等因素自动调节灯具的开关和亮度,提高能源利用效率和照明质量。
4.可靠性高:采用故障自动检测和处理机制,提高了系统的可靠性,减少了故障发生时对正常照明的影响。
5.节能环保:通过智能控制和集中供电方式,可以有效降低能源消耗和减少碳排放,符合绿色环保理念。
工作研究·不间断电源智能集控doi:10.16648/ki.1005-2917.2020.03.018不间断电源智能集控刘洪才(国家广播电视总局二〇二四台,黑龙江佳木斯 154000)摘要:本文主要解决日常用电中突发事件的应对,确保精密微电技术及非线性设备得到高质量不间断供电,能在严格的规范和要求下安全、准确运行。
关键词:UPS微母线;自动开关引言随着科学技术的发展,精密微电技术及非线性设备,对电压持续可靠性和高质量有严格的规范和要求。
在外电供电中雷雨季节经常有雷击引起的欠压、瞬时跌落、浪涌和尖峰干扰等,都会影响到精密微电技术及非线性设备的运行如图1。
图1 大型真空电子管灯升压和降压的过程我们的不间断电源UPS、EPS设备目前分布地方多而零散、只能保障局部精密微电技术及非线性设备、维护不便、缺乏统一监控。
如果一旦局部的UPS不间断电源设备突然异常,就不能保证高质量不间断供电。
不间断电源品牌型号、用途都不同,比如有后备式UPS、在线式UPS、双频式UPS、EPS等。
针对以上存在问题和实际运行中的问题,整理分析,对全部的不间断电源设备搭建一个实现自动监测、智能控制等。
1. 不间断电源智能集控设计不间断电源智能集控由UPS和EPS构建微型电源系统、UPS 和EPS控制系统、UPS和EPS监测通讯归一化系统组成如图2。
图2 不间断电源智能集控设计1.1 UPS和EPS构建微型电源系统首先对UPS和EPS的输入和输出进行改造,在UPS和EPS输出端安装自动开关,自动开关1的作用蓄电池组向微母线输出电源;另一个作用微母线电源向故障UPS和EPS的负载输入电源。
自动开关2的作用切除故障的UPS和EPS。
微母线是汇集、传送、分配电源的关键。
微电源系统有微母线和多个UPS和EPS机组并联组成,电源系统的总容量会增大。
1.2 UPS和EPS控制系统这是不间断电源智能集控的难点和核心。
兼顾不能型号和工作方式的UPS和EPS,都统一到微母线上来,进行实时滤波、调压来解决是电压范围和波形都一致。
集中电源集中控制型系统工作原理该文档是本店铺精心编制而成的,希望大家下载后,能够帮助大家解决实际问题。
集中电源集中控制型系统工作原理该文档下载后可定制修改,请根据实际需要进行调整和使用,谢谢!本店铺为大家提供各种类型的实用资料,如教育随笔、日记赏析、句子摘抄、古诗大全、经典美文、话题作文、工作总结、词语解析、文案摘录、其他资料等等,想了解不同资料格式和写法,敬请关注。
文档下载说明Download tips: This document is carefully compiled by this editor. I hope that after you download it, it can help you solve practical problems. The document 集中电源集中控制型系统工作原理can be customized and modified after downloading, please adjust and use it according to actual needs, thank you! In addition, this shop provides you with various types of practical materials, such as educational essays, diary appreciation, sentence excerpts, ancient poems, classic articles, topic composition, work summary, word parsing, copy excerpts, other materials and so on, want to know different data formats and writing methods, please pay attention!集中电源集中控制型系统工作原理。
办公楼集中电源集中控制控制逻辑1.引言1.1 概述办公楼集中电源集中控制控制逻辑的概述部分是对该主题进行简要介绍和概括。
在这一部分,我们可以引入办公楼集中电源集中控制的背景和相关的概念,以便读者对主题有一个初步的了解。
集中电源和集中控制在现代办公楼中扮演着重要角色。
办公楼的电源需求日益增长,为了提高能源利用效率和管理便捷性,采用集中电源集中控制的方式已经成为主流趋势。
集中电源通常指的是在一个中央位置集中供电,而集中控制则是通过一个中央控制系统对办公楼内的各类设备、系统进行统一的监控和管理。
集中电源集中控制的核心在于通过适当的控制策略和控制逻辑,实现对办公楼内各个区域、楼层、设备的电源供应和控制。
这种集中化的方式带来了许多优势,其中包括但不限于:提高电能利用效率、降低能源消耗、方便管理和维护等。
通过集中电源集中控制,可以统一调度和监控各个子系统,实现最佳能源配置和智能化管理,提高办公楼的运行效率和可持续发展能力。
本文将对办公楼集中电源集中控制的优势和重要性进行详细探讨,并展望未来的发展方向。
为了实现更高效、智能的办公楼管理,集中电源集中控制的控制逻辑必须得到深入研究和应用。
本文将提供相关的理论知识和实践经验供读者参考,旨在促进办公楼能源管理的创新和发展。
1.2 文章结构本文将分为三个主要部分来探讨办公楼集中电源集中控制控制逻辑的重要性和优势。
这些部分包括引言、正文和结论。
在引言部分,我们将首先进行概述,介绍办公楼集中电源集中控制控制逻辑的基本概念和背景信息。
然后,我们将介绍整篇文章的结构,为读者提供对后续内容的整体把握。
最后,我们将明确本文的目的,即探讨集中电源集中控制的优势和重要性。
在正文部分,我们将重点介绍集中电源的优势和集中控制的重要性。
在2.1小节,我们将详细说明集中电源的优势,包括能够提供稳定可靠的电力供应、降低能源损耗和提高能源利用效率等方面的好处。
然后,在2.2小节中,我们将重点讨论集中控制的重要性,包括实现智能化管理、提高生产效率和节约资源等方面的价值。