建设单位安全检查表
- 格式:xls
- 大小:39.00 KB
- 文档页数:11
附件2
建设工程质量平安监督检查表(表2-1) (保障性安居工程、公共建筑工程基本状况表)
检查组成员签字:检查日期:工程建设各方责任主体和有关机构检查表(表2-2) (质量行为部分)
检查组成员签字:检查日期:
工程建设强制性标准执行状况检查表(表2-3)
检查组成员签字:检查日期:
工程建设强制性标准执行状况检查表(表2-4)
检查组成员签字:检查日期:
工程建设强制性标准执行状况检查表(表2-5)
检查组成员签字:检查日期:
工程建设状况检查表(表2-6)
检查组成员签字: 检查日期:
工程建设状况检查表(表2-7)
检查组成员签字: 检查日期:。
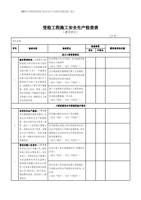
受检工程施工安全生产检查表(建设单位)(22项)单位名称:序号检查内容检查要点检查结果需要说明的问题符合不符合危大工程管控情况1健全管控体系。
认真落实《危险性较大的分部分项工程安全管理规定》(住房和城乡建设部令第37号),严格要求工程参建单位建立健全危险性较大的分部分项工程(以下简称危大工程)安全管控体系,加强危大工程专项方案编制、审查、论证、审批、验收等环节管理,严格按专项施工方案施工作业,确保危大工程安全风险受控。
在办理施工许可手续时,是否按规定提供危大工程清单(是为“符合”,否为“不符合”)对于按照规定需要进行第三方监测的危大工程,是否按规定委托具有相应勘察资质的单位进行监测(是为“符合”,否为“不符合”)第三方监测单位发现危大工程异常的,建设单位是否按规定立即组织相关单位采取处置措施,并记录(是为“符合”,否为“不符合”)工程质量安全手册制度执行情况2夯实安全生产基础。
工程参建单位要根据手册有关要求,完善企业内部安全生产管理制度,加大对安全生产资金、物资、技术、人员的投入保障力度,改善安全生产条件,加强安全生产标准化、信息化建设,进一步健全完善安全生产保障体系。
是否建立健全安全生产责任制度(是为“符合”,否为“不符合”)是否按规定对施工单位实施的项目安全生产标准化工作进行监督检查,并对建筑施工企业的项目自评材料进行审核并签署意见(是为“符合”,否为“不符合”)3落实关键人员责任。
工程参建单位安全生产关键人员,特别是施工单位主要负责人、项目负责人、专职安全生产管理人员及监理单位项目总监理工程师要认真履行安全生产职责,切实将手册要求落实到每道工序、每名员工、每个岗位,做到职责到岗、责任到人、措施到位。
法定代表人是否签署授权书,明确项目负责人(是为“符合”,否为“不符合”)项目负责人是否组织协调工程参建各方按照合同约定严格落实安全责任,并记录(是为“符合”,否为“不符合”)施工现场人防物防技防情况4强化现场安全防护措施。
施工单位]建设工程项目安全生产季度检查表建设工程项目安全生产季度检查表(施工单位)工程名称:施工单位:序号类别记分项目(分值)抽查内容扣分得分备注1 建设工程施工前安全技术交底 3 项目技术人员未向施工班组、作业人员进行安全技术交底并签字确认的2 作业人员安全教育培训 1 每发现3人,单次检查最高扣2分作业人员在进入新的岗位或新的施工现场前未进行安全教育培训或者安全教育培训考核不合格就上岗作业的3 施工现场管理 1 每发现一起,单次检查最高扣5分施工现场管理人员强令作业人员冒险作业的4 施工前专项施工方案 2 每发现一起,单次检查最高扣4分施工企业在危险性较大的分部分项工程施工前,未按规定编制专项施工方案并经施工单位技术负责人、总监签字就开始施工的5 专项施工方案论证 5 每发现一起扣5分施工企业在超过一定规模的危险性较大的分部分项工程专项施工方案未按规定组织专家论证并通过论证就开始施工的6 日常管理隐蔽工程验收 1 每发现一起,单次检查最高扣5分隐蔽工程未经验收或验收不合格就擅自隐蔽的7 特种作业操作资格证书 1 每发现一人,单次检查最高扣2分施工特种作业人员无操作资格证书就上岗作业的8 安全检查记录 1 每次扣1分,单次检查最高扣3分项目部未按要求每周对工程进行定期安全检查并做好记录的9 安全生产检查 1 每次扣1分,单次检查最高扣3分施工企业安全生产管理机构未按规定每月对在建项目安全生产进行检查或检查弄虚作假的10 安全生产费用 1 施工单位挪用安全生产费用的11 安全防护用具 1 每发现1人,单次检查最高扣2分现场作业人员未配备安全防护用具就上岗作业的12 应急救援预案 1 未制定有针对性的生产安全事故应急救援预案,并组织演练的13 基坑、边坡基坑支护 2 每个单位(子单位)工程扣2分基坑、边坡基坑支护形式不符合设计要求的14 实体工支护和降水工程 1015 模板支架 10 未按规范和专项施工方案要求设置水平拉杆、扫地杆、剪刀撑或固结点等构造设施的,扣2分。
附件 1:建设工程施工质量安全检查表(一)受检工程基本状况表工程所在省(市、县):督查构组员签字:督查日期:建设工程施工质量安全检查表(二)工程建设强制性原则执行状况检查表项目名称:督查构组员签字:督查日期:建设工程施工质量安全检查表(三)工程建设有关责任主体和机构质量行为检查表项目名称:督查构组员签字:督查日期:建设工程施工质量安全检查表(四)建筑施工安全生产检查表(建设单位)单位名称:检查人:检查日期:年月日建设工程施工质量安全检查表(五)建筑施工安全生产检查表(监理单位)单位名称:检查人:检查日期:年月日建设工程施工质量安全检查表(六)单位名称:建筑施工安全生产检查表(施工单位)检查人:检查日期:年月日建设工程施工质量安全检查表(七)施工现场安全生产检查表(实体检查)项目名称:检查人:检查日期:年月日附件 2:大气污染防治专项整治大气污染防治专项整治检查表检查人:检查日期:年月日附件 3:扫黑除恶专项斗争内江市住建系统扫黑除恶检查表被检查单位(项目)负责人签字:检查构组员签字:附件 4:“创国卫”工作内江市创立国家卫生都市在建工地检查得分表附表-秋冬季蓝天保卫战攻坚行动专项检查表(一)(非道路移动源方面)市:检查日期:检查构组员(签字):-秋冬季蓝天保卫战攻坚行动专项检查表(二)(工地扬尘方面)市:检查日期:检查构组员(签字):-秋冬季蓝天保卫战攻坚行动专项检查表(三)(混凝土搅拌站扬尘方面)市:检査日期:检查构组员(签字):。
建设单位项目组安全管理行为检查表项目名称:检查日期:备注:注1:安全管理体系制度文件应当包括:安全生产责任制度、安全生产投入保障制度、安全生产考核制度、安全教育培训制度、安全会议管理制度、安全检查与隐患整改制度、安全生产事故管理制度、重大危险源管理制度、消防安全管理制度、设备设施安全管理管理制度、特殊作业人员管理制度、安全文明施工管理制度、应急管理制度、动火作业制度等。
注2:现场安全管理人员配备标准1、总包单位:(一)建筑工程、装修工程按照建筑面积配备:1、1万平方米以下的工程不少于1人;2、1万~5万平方米的工程不少于2人;3、5万平方米及以上的工程不少于3人,且按专业配备专职安全生产管理人员。
(二)土木工程、线路管道、设备安装工程按照工程合同价配备:1、5000万元以下的工程不少于1人;2、5000万~1亿元的工程不少于2人;3、1亿元及以上的工程不少于3人,且按专业配备专职安全生产管理人员。
2、分包单位配备项目专职安全生产管理人员应当满足下列要求:(一)专业承包单位应当配置至少1人,并根据所承担的分部分项工程的工程量和施工危险程度增加。
(二)劳务分包单位施工人员在50人以下的,应当配备1名专职安全生产管理人员;50人-200人的,应当配备2名专职安全生产管理人员;200人及以上的,应当配备3名及以上专职安全生产管理人员,并根据所承担的分部分项工程施工危险实际情况增加,不得少于工程施工人员总人数的5‰。
3、监理单位监理单位应当配置至少1人,并根据所承担的项目工程量和施工危险程度增加。
注3:重大危险源包括危险性较大分布分项工程和特种设备。
注4:是否编制相应的应急预案、是否针对应急预案进行培训或者交底、是否按照应急预案要求配置必要的应急物资等。
注5:项目主要负责人持安全生产B证(住建部颁发),安全管理人员持安全生产C证(住建部颁发),特殊工种应当持相应的证件。
工程项目现场安全检查表项目名称:检查日期:。
建筑企业各种安全检查表
安全生产检查表
施工现场安全检查表
- 确认施工区域内的道路、桥梁等是否存在安全隐患
- 检查施工场地是否设置合适的防护设施和安全警示标识- 检查施工现场是否妥善管理材料堆放、机械设备等
- 核实施工人员是否具备相应的安全培训和防护用具
施工机械设备安全检查表
- 检查机械设备是否具备合格的使用证书和操作人员证书- 检查机械设备是否保持良好的工作状态和完善的安全装置- 核查机械设备的定期维护和检修情况
- 确认机械设备是否符合相关安全规范要求
火灾安全检查表
消防设施维护检查表
- 检查消防栓、灭火器、喷淋系统等消防设施是否完好有效- 核对消防设施维修保养记录,确保按照规定进行维护工作- 检查消防设施周围的防火间距是否符合要求
- 检查消防通道是否畅通无阻
用电安全检查表
- 检查用电线路是否明确标识和正确接地
- 核对电气线路、开关及插座的负荷是否符合安全标准
- 检查用电设备是否符合安全使用要求
- 确认用电设备的电缆、线路等是否存在老化、磨损等安全隐患
建筑场地安全检查表
- 检查建筑场地周边的围墙、栏杆、防护设施是否完好
- 核查建筑材料存放区域是否整齐有序、无杂物堆放
- 检查建筑场地是否存在易燃易爆危险品存放
- 确认危险区域是否设立了警示标识和有效隔离措施
以上是建筑企业各种安全检查表的一些内容,通过定期检查和评估,有助于确保施工现场和建筑场地的安全,提高工作环境的安全性和生产效率。
安全生产检查督查记录工程名称: ****项目监理单位: ****表格说明:1.本表格由甲方制定并由甲方组织,做不定期检查,并做记录及评分。
2.本表格巡查必须由甲方,监理方,施工方各相关人员参加。
3.本表格所反应的情况作为甲方安全质量监督资料存档。
4.本表格所涉及整改内容甲方将以联系函的形式下发《工程联系单》进行整改并报监理方存档。
安全类型:定期检查表(三)6-1安全类型:定期检查表(三)6-1安全检查记录表安全类型:定期检查表(三)6-1安全检查记录表安全类型:定期检查表(三)6-1安全检查记录表安全类型:定期检查表(三)6-1安全检查记录表安全类型:定期检查表(三)6-1安全类型:定期检查表(三)6-1安全类型:定期检查表(三)6-1安全类型:定期检查表(三)6-1安全类型:定期检查表(三)6-1安全类型:定期检查表(三)6-1安全类型:定期检查表(三)6-1安全类型:定期检查表(三)6-1安全类型:定期检查表(三)6-1安全类型:定期检查表(三)6-1安全类型:定期检查表(三)6-1安全类型:定期检查表(三)6-1安全类型:定期检查表(三)6-1安全类型:定期检查表(三)6-1安全类型:定期检查表(三)6-1安全类型:定期检查表(三)6-1安全类型:定期检查表(三)6-1安全类型:定期检查表(三)6-1安全类型:定期检查表(三)6-1安全类型:定期检查表(三)6-1安全类型:定期检查表(三)6-1安全类型:定期检查表(三)6-1安全类型:定期检查表(三)6-1安全类型:定期检查表(三)6-1安全类型:定期检查表(三)6-1。