沉香精油标准-正文
- 格式:pdf
- 大小:288.98 KB
- 文档页数:6
沉香精油沉香精油是由珍贵的沉香木经过蒸馏萃取后提炼而成的,是沉香的精华所在。
沉香精油对人体有着多重功效,例如:改善气场、舒缓压力、安眠抗郁、调理身心和促进身体新城代谢等。
在泡脚的热水中滴入几滴沉香精油,可以达到活血经络的目的,还能达到去除脚气脚臭的效果。
由于天然沉香的不可再生性,提炼后的沉香油就更显得稀有和珍贵。
1提取--沉香木、碎木,通过蒸馏的方法,提炼成沉香精油。
2用途--沉香精油可直接用于供佛,或涂抹于法器念珠上达到保养的效果,也可以涂抹于修行人的身上,用来静心提神。
李时珍曾对其在中药中的重要地位大为赞赏,是治疗胃寒、腹胀、气喘、肾虚的良药,沉香所起的重大作用可见一斑。
熏香--舒缓紧张情绪,使人身心愉悦,促进睡眠,达到养生的效果。
沐浴按摩--沐浴时滴一滴在浴缸中,可舒缓压力,按摩时,按1:10和基本底油混合,配合按摩手法,改善血液循环,舒缓疲劳。
直接涂抹--沉香精油对止痛消炎效果明显,伤口不会发红发炎,祛疤奇效。
但个人体质不同,如有不适,还是应在医生的建议下使用。
沉香精油的使用沉香精油:调和理气:益补脏腑,运行气血,帮助消除脑部疲劳,舒缓,恢复身心平衡,平缓情绪护肾羊肝:帮助气血循不和代谢肝肾毒素,增强免疫能力收敛生肌:消炎杀菌,对油性暗疮有特效,改善皮肤晦暗无光泽的状况,促进细胞生成安眠抗郁:安定情绪,舒缓紧张的大脑神经,令身心舒畅,提高睡眠质量平脂祛痘:消炎去痘,激励细胞组织再生机能,分解,淡化皮肤黑色素聚精会神:减压放松,有助增强脑细胞活力,提升记忆力的注意力沉香精油的使用方法/步骤闻香:将少量精油涂抹于手背或手帕上,放在鼻子处平缓吸入,或者盖大鼻子处,闭目深呼吸,即可舒缓紧张情绪,增强记忆力,愉悦身心。
熏香:将0.5毫升沉香精油加入熏炉,热力令沉香精油挥发,可净化空气,减少病菌传播,芬芳气息刺激嗅觉神经,使人身心舒缓,发挥独特的养生效果。
浸浴:将1毫升沉香精油稀释于水溶液如全脂奶或者苹果醋中放入充满温水的浴缸中,浸泡15分钟,可实时消除疲劳,松弛肌肉,舒缓身心压力,滋养肌肤。
中国药典沉香标准中国药典沉香标准沉香,又称乌香、乌香木、乌木,是一种珍贵的中药材。
它是由沉香树的心材经过干燥、加工而成。
沉香树是一种常绿乔木,主要分布在中国的福建、广东、广西等地。
沉香以其独特的香气和药用价值而闻名于世。
中国药典是我国药物质量标准的权威性文件,对于沉香的质量标准也有详细规定。
根据中国药典的要求,沉香的质量标准包括外观特征、理化性质、鉴别、含量测定、污染物限度等方面。
首先,沉香的外观特征应该是呈现出乌黑色或者棕黑色,有光泽,质地坚硬,断面呈细密纹理。
外观上不应该有明显的杂质和异味。
其次,沉香的理化性质也是评价其质量的重要指标之一。
根据中国药典的规定,沉香的相对密度应该在1.00-1.10之间,水分含量不超过12%,挥发性物质含量不超过10%。
此外,沉香的灰分含量应该小于5%。
鉴别是判断沉香真伪的关键步骤。
中国药典规定了沉香的鉴别方法。
其中包括外观鉴别、显微鉴别和化学鉴别等。
外观鉴别主要通过观察沉香的外观特征来判断其真伪。
显微鉴别则需要使用显微镜来观察沉香的细胞结构。
化学鉴别则通过检测沉香中特定化学成分的含量来判断其真伪。
沉香中主要活性成分是沉香酮和沉香醇等。
中国药典要求对沉香中沉香酮和沉香醇的含量进行测定。
沉香酮的含量应不低于1.0%,沉香醇的含量应不低于0.5%。
此外,中国药典还对沉香中的污染物进行了限制。
其中重金属元素和农药残留是重点监测对象。
中国药典规定了沉香中重金属元素和农药残留的限度。
例如,铅、镉、砷等重金属元素的含量应小于10mg/kg,农药残留应符合国家标准。
总之,中国药典对于沉香的质量标准进行了详细规定,包括外观特征、理化性质、鉴别、含量测定、污染物限度等方面。
这些标准的制定和执行,保证了消费者购买到符合规定质量要求的沉香,同时也保护了消费者的权益和健康安全。
注:本文参考了中国药典2015年版相关内容。
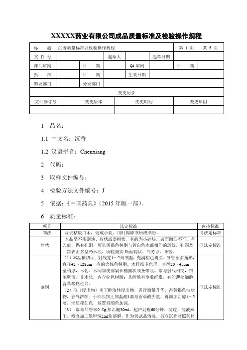
XXXXX药业有限公司成品质量标准及检验操作规程1 品名:1.1 中文名:沉香1.2 汉语拼音:Chenxiang2 代码:3 取样文件编号:4 检验方法文件编号:J5 依据:《中国药典》(2015年版一部)。
6 质量标准:7 检验操作规程:7.1 试药与试剂:水、盐酸、香草醛、乙醇、乙醚、三氯甲烷、甲基红乙醇指示液、氢氧化钠滴定液。
7.2 仪器与用具:电子天平、显微镜、硅胶G薄层板、蒸发皿、高效液相色谱仪、中药二氧化硫测定仪。
7.3 性状:取本品适量,自然光下目测色泽,嗅闻气味。
7.4 鉴别:7.4.1取本品制片置10×10显微镜下做显微观察。
7.4.2取〔浸出物〕项下醇溶性浸出物,进行微量升华,得黄褐色油状物,香气浓郁;于油状物上加盐酸1滴与香草醛少量,再滴加乙醇1~2滴,渐显樱红色,放置后颜色加深。
7.4.3取本品粉末0 .5g,加乙醚30ml,超声处理60分钟,滤过,滤液蒸干,残渣加三氯甲烷2ml使溶解,作为供试品溶液。
另取沉香对照药材0.5g,同法制成对照药材溶液。
照薄层色谱法(附录7)试验,吸取上述两种溶液各10ul,分别点于同一硅胶G薄层板上,以三氯甲烷-乙醚(10 :1)为展开剂,展开,取出,晾干,置紫外光灯(365nm)下检视。
供试品色谱中,在与对照药材色谱相应的位置上,显相同颜色的荧光斑点。
7.5特征图谱:照高效液相色谱法(附录8)测定。
色谱条件与系统适用性试验以十八烷基硅烷键合硅胶作为填充剂(柱长为25cm,内径为4.6mm,粒径为5um,Diamonsil C18或Phenomenex luna C18色谱柱);以乙腈为流动相,以0.1%甲酸溶液为流动相B,按下表中的规定进行梯度洗脱,流速为每分钟0.7ml;柱温为30℃;检测波长为252nm。
理论塔板数按沉香四醇峰计算应不低于6000。
时间(分钟)流动相A(%)流动相B(%)0~10 15→20 85→8010~19 20→23 80→7719~21 23→33 77→6721~39 33 6739~40 33→35 67→6540~50 35 6550.1~60 95 5参照物溶液的制备取沉香对照药材约0.2g,精密称定,置具塞锥形瓶中,精密加入乙醇10ml,称定重量,超声处理(功率250W,频率40kHz)1小时,放冷,再称定重量,用乙醇补足减失重量,摇匀,静置,取上清液滤过,取续滤液,作为对照药材参照物溶液。
沉香油的成分及炼制和使用(1)精油的定义和制备在谈沉香油之前,有必要交代一下精油的定义以及其制备工艺。
精油是一个比较笼统的称谓,在商业上通常称为“芳香油”,在医药上又通常称为“挥发油”,用来指代通过蒸馏、压榨、萃取(浸提)、或吸附等物理方法从芳香植物的花、叶、枝、片、根、茎、果实、种子或分泌物中提取的具有一定香气和挥发性的油状物质。
通俗地讲,这种油状物质是植物中原有含香成分提炼浓缩之后得到的精华,因此又将其称为精油。
精油不是某种单一的物质,而是许多不同化学物质的混合物。
在目前的技术条件下,通常采用如下四种方法来制备精油:一、水汽蒸馏法。
植物精油的成分,起沸点通常在150到300摄氏度之间,在常压下有一定的挥发性。
在加热条件下,可以随水蒸气逸出。
将植物的含香部位粉碎之后进行蒸馏,精油和水在蒸馏釜中发生共沸,经过冷凝装置后凝聚出油滴,进行油水分离之后分别的到精油和花水。
在具体操作上,又有常压蒸馏,加压蒸馏,减压蒸馏,也有浸水蒸馏和隔水蒸馏。
从油水分离器分离出来的精油称为“粗油”,需要进行静止、澄清、脱水处理,得到“直接油”(也叫“一次油”)。
将直接油进行脱水、过滤、净化后得到精制精油。
水汽蒸馏法得到的精油通常只能够得到植物芳香成分中的高挥发性成分,因此其得率(精油重量与原材料重量之比称为得率,也叫做收率)比较低。
二、溶剂萃取法。
这种方法也称为溶剂浸提法,是利用挥发性有机溶剂将植物含香部位的某些成分溶解出来,又利用有机溶剂低沸点和高挥发性等特点通过蒸馏或者蒸发的方法去除溶剂,从而得到植物精油。
经常采用的有机溶剂包括乙醇、乙醚、丙酮、石油醚、苯、甲醛等等。
简单地讲,能够溶解于水的物质大部分可以溶解于有机溶剂,所以溶剂萃取法得到的结果包含水蒸气蒸馏法得到的大部分物质。
另外,有机溶剂的溶解能力远强于水,因此有一部分原来不能够被水溶解的物质会溶解到有机溶剂中来,因此溶剂萃取法得到的结果还包含水蒸气蒸馏法不能够得到的物质--这些物质主要是色酮、植物蜡、树脂和色素。
㊀基金项目:广西重大科技专项(No.桂科AA17204090)ꎻ广西中医药多学科交叉创新团队(No.GZKJ2306)作者简介:蓝保强ꎬ男ꎬ副主任药师ꎬ研究方向:中药药物研究ꎬE-mail:59242215@qq.com通信作者:王丽ꎬ女ꎬ硕士ꎬ副主任药师ꎬ研究方向:中药药理研究ꎬTel:0771-5868874ꎬE-mail:187168979@qq.com沉香精油化学成分和药理作用研究进展蓝保强ꎬ王丽(广西壮族自治区中医药研究院ꎬ广西中药质量标准研究重点实验室ꎬ广西南宁530022)摘要:通过查阅国内外文献ꎬ对沉香精油的不同提取方法㊁精油的化学成分及药理活性等方面进行总结阐述ꎮ沉香精油提取方法主要有超临界CO2萃取法㊁亚临界流体萃取法㊁酶辅助提取法及水蒸气蒸馏法等ꎬ沉香精油主要由倍半萜类㊁色酮类㊁芳香族类和脂肪酸类等天然化学成分组成ꎬ有抗炎㊁抗氧化等药理活性ꎮ目前沉香精油的基础研究相对较少ꎬ在精油提取方法㊁化学成分研究㊁药理活性研究等方面有待进一步深入探讨ꎮ关键词:沉香精油ꎻ提取ꎻ化学成分ꎻ药理中图分类号:R284㊀文献标志码:A㊀文章编号:2095-5375(2024)04-0380-04doi:10.13506/j.cnki.jpr.2024.04.012ResearchprogressonchemicalconstituentsandpharmacologicaleffectsofAgarwoodessentialoilLANBaoqiangꎬWANGLi(GuangxiKeyLaboratoryofTraditionalChineseMedicineQualityStandardsꎬGuangxiInstituteofChineseMedicine&PharmaceuticalSciencesꎬNanning530022ꎬChina)Abstract:ThemaincontextofthisreviewoftheessentialoilofAgarwoodiswrittenupinaspectsoftheextractionmethodsꎬchemicalconstituentsandpharmacologicalactivitythroughsummarizingtheoverallliteraturereports.Themainex ̄tractionmethodsofAgarwoodessentialoilincludessupercriticalcarbondioxideextractionꎬsubcriticalfluidextractionꎬsteamdistillationꎬenzymeassistedextractionandsoon.TheessentialoilofAgarwoodismainlycomposedofnaturalchemicalcom ̄ponentssuchassesquiterpeneꎬchromonesꎬaromaticsandfattyacidsꎬwhichobtainpharmacologicalactivitiessuchasanti-inflammatoryandantioxidant.MostofrelatedresearchesoftheAgarwoodessentialoilmainlyfocusedondiscoveringtheex ̄tractionmethodandthechemicalproperty.Inthefieldofthetheextractionmethodꎬchemicalcompositionandpharmacologi ̄calactivityoftheessentialoilandthepharmacologicalactivityrequirefurtherexplored.Keywords:AgarwoodessentialoilꎻExtractionꎻChemicalcompositionꎻPharmacology㊀㊀沉香是来源于瑞香科植物白木香[1][Aquilariasinensis(Lour.)Gilg]含有树脂的木材ꎬ我国海南㊁广西㊁广东等省区是它的主产区ꎬ被称为国产沉香[2-3]ꎮ白木香是我国特有的珍贵药用植物ꎬ也是我国生产中药沉香的唯一植物资源ꎬ沉香具有悠久的药用历史ꎬ我国自古就有种植沉香的历史ꎬ宋代«本草衍义»记载: 沉香木ꎬ岭南诸郡悉有之ꎬ旁海诸州尤多ꎮ交干连枝ꎬ冈岭相接ꎬ千里不绝 [4]ꎮ沉香味辛㊁苦ꎬ性温ꎬ归脾㊁胃㊁肾经ꎬ辛香温通ꎬ温而不燥ꎬ行而不泄ꎬ具有行气温中ꎬ暖肾助阳之功效ꎮ沉香在传统中医中应用历史悠久ꎬ沉香作为名贵中药ꎬ能纳气平喘㊁通气安神ꎬ还可以治疗消化道疾病和心脏病ꎻ«本草纲目»中记录有ꎬ沉香 调中㊁补五脏ꎬ益精壮阳 ꎮ沉香精油是从沉香中提取的具有香气的低极性或挥发性的油状物质ꎬ是沉香药材的主要有效成分ꎬ主要用于调配高级化妆品㊁奢侈品香水㊁高级养生保健食品和药品原料ꎬ沉香精油市场需求量极大ꎬ市场前景广阔ꎮ本文将沉香精油不同的提取方法㊁精油的化学成分及药理活性等方面进行总结阐述ꎬ为沉香精油的产业发展提供参考ꎮ1㊀沉香精油提取方法研究沉香精油的品质高低取决于提取方式ꎬ目前沉香精油提取方法有超临界CO2萃取法㊁亚临界流体萃取法㊁水蒸气蒸馏法㊁酶辅助提取法等ꎮ1.1㊀超临界CO2萃取法㊀超临界CO2萃取法的原理是通过超临界CO2的特殊溶解洗脱作用ꎬ利用压力和温度对超临界二氧化碳的溶解洗脱能力的影响ꎬ使其溶解洗脱某些特殊天然产物ꎬ是一种新兴的绿色高效节能分离技术ꎮ田程飘等[5]通过对超临界和水蒸气蒸馏提取法所提取的沉香精油进行成分分析及抗氧化和抑菌活性对比研究ꎬ发现超临界二氧化碳萃取法可提取沉香中的倍半萜类和色酮类成分ꎬ对APPH和ABTS自由基有强清除作用ꎬ精油提取率高ꎬ沉香精油的抗氧化和抑菌活性增强ꎮ邓红梅等[6]采用超临界CO2萃取法研究了萃取压力㊁萃取温度㊁萃取时间和物料粒度对沉香精油提取得油率的不同影响ꎬ得到最佳工艺条件为:沉香药材粉末过40目筛㊁萃取时间2h㊁温度40ħ为萃取温度㊁萃取压力设定为18MPaꎬ萃取率可达0.62%ꎬ并从中鉴定了34种成分ꎮ1.2㊀亚临界流体萃取法㊀亚临界流体萃取法是依据有机物相似相溶的原理ꎬ利用亚临界流体在一定的料溶比㊁萃取温度㊁萃取时间㊁萃取压力ꎬ萃取剂及夹带剂等条件下提取成分ꎬ是一种提取效率高㊁成本低㊁条件温和㊁易于和产物分离的新型萃取方式ꎮ王健松等[7]采用超临界和亚临界两种不同的方法提取沉香精油并用GC-MS分析两种精油的成分及相对含量发现ꎬ亚临界精油香气成分少于超临界精油ꎬ提取的成分没有超临界丰富ꎬ但亚临界提取的沉香精油主要成分与超临界提取方法一致ꎬ其成本相对较低且提取量大ꎮ沈汝青等[8]用亚临界流体萃取沉香精油ꎬ以料液比㊁提取压力㊁提取温度㊁提取时间㊁乙醇体积分数为影响因素评价沉香挥发油的提取率ꎬ发现最佳萃取工艺条件为:料液比1ʒ30ꎬ提取时间6hꎬ提取压力1.55MPa㊁乙醇体积分数80%ꎬ沉香挥发油提取率3.77%ʃ0.21%ꎮ1.3㊀水蒸气蒸馏法㊀水蒸气蒸馏法是传统蒸馏方法ꎬ将含有挥发性成分的植物用水作为溶剂进行蒸馏ꎬ使挥发性成分随水蒸气一并馏出ꎬ经冷凝分取挥发性成分的浸提方法ꎬ是一种传统的沉香精油提取方法ꎮ水蒸气蒸馏法可提取沉香精油中的倍半萜类成分ꎬ其对设备要求低ꎬ提取的产品天然无污染ꎮ其缺点是精油提取率低ꎬ只能提取沸点低的成分ꎬ不能提取沉香中的色酮类等特征性成分ꎮ1.4㊀酶辅助提取法㊀酶辅助提取法是指应用纤维素酶对动植物的细胞壁进行处理㊁破壁ꎬ使提取时细胞内的物质易暴露ꎬ油的渗透性提高ꎬ有增加细胞中有效活性溶出ꎬ有利于提取ꎮ弓宝等[9]通过单因素观察实验发现利用纤维素酶辅助提取沉香挥发油得油率高ꎮ综合常用的各种提取方法ꎬ目前沉香精油提取技术采用最多的几种方法为水蒸气蒸馏法㊁溶剂提取法和超临界CO2萃取法ꎮ水蒸气蒸馏法得油率极低ꎬ沉香树脂的木材还残留有较多的精油造成资源浪费ꎬ溶剂提取法和应超临界CO2萃取法ꎬ虽然得油率有较大提高ꎬ但沉香精油中杂质增多ꎬ香味和色泽均产生改变ꎬ使其品质有所下降ꎬ产品价值也低于纯正的沉香精油ꎮ酶辅助提取法能够提高沉香精油提取率ꎬ保证精油质量ꎬ是一种较值得推广应用的新型提取方法ꎮ2㊀沉香化学成分研究沉香的化学成分可分为倍半萜类化合物㊁芳香族类化合物㊁脂肪酸类化合物㊁色酮类化合物ꎮ这些成分对沉香的香气和功效有一定影响ꎮ2.1㊀倍半萜类成分㊀沉香的主要成分之一是倍半萜类成分ꎮ徐金富等[10]采用加压柱层析㊁Sephedax-20柱层析和制备高效液相层析等手段对中国沉香精油进行分离ꎬ发现沉香精油成分中有呋喃白木香醛㊁白木香酸㊁呋喃白木香醇㊁二氢卡拉酮㊁β-沉香呋喃㊁白木香醛等6个半萜化合物ꎬ其中呋喃白木香醛㊁呋喃白木香醇为新的化合物ꎮ田程飘等[5]采用不同方法提取的沉香精油主要成分有较明显差别ꎬ超临界CO2萃取法提取的主要成分为色酮类(含量达到29%)和倍半萜类(含量达到23%)ꎬ而水蒸馏法提取所得的主要成分是倍半萜类(约68%)ꎮ郭晓玲等[11]采用GC-MS对进口与国产的沉香化学成分进行对比研究ꎬ发现进口沉香以芳香化合物为主ꎬ倍半萜较少ꎻ国产沉香中广东产沉香含2-(2-苯乙基)色酮比例明显较高ꎬ倍半萜较少ꎬ海南产沉香倍半萜含量相对较高ꎮ钟秋萍等[12]采用GC-MS研究分析三氯甲烷提取的天然沉香和人工结香沉香的挥发性成分ꎬ结果与人工沉香相比ꎬ天然沉香中倍半萜种类含量明显较高ꎮ2.2㊀色酮类成分㊀色酮是含氧杂环类黄酮类物质ꎬ多在沉香木的结香部位出现ꎬ是沉香重要的活性成分ꎮ目前研究人员已从不同沉香木中发现了80种色酮类物质ꎬ产地不同ꎬ沉香精油的主要成分差异明显ꎮ研究发现ꎬ琼海及临高的沉香中主要含色酮类成分(70%以上)ꎬ文昌产沉香中主要成分是倍半砧类(60%以上)ꎮ沉香中的色酮含量亦与沉香结香技术密切相关ꎬ天然结香的沉香色酮类物质含量低于人工结香法生产的沉香ꎮ田程飘等[5]研究沉香精油ꎬ鉴定出数十个色酮化合物ꎬ主要分2-(2-苯乙基)色酮㊁5ꎬ6ꎬ7ꎬ8-四氢-2-(2-苯乙基)-色酮及双聚-2-(2-苯乙基)色酮3类ꎬ沉香色酮结构如图1所示ꎮ图1㊀沉香中色酮结构2.3㊀芳香族类化合物成分㊀沉香精油中也含有较少量包括苯基丙酸㊁4-甲基-2ꎬ6-二叔丁基苯酚㊁茴香基丙酮等具有挥发性的芳香族化合物ꎮGao等[13]鉴定出α-古巴烯-11-醇㊁苄基丙酮㊁α-檀香醇㊁gemacra-4ꎬ5ꎬ10-trien-1-ol㊁aristol-1-en-9-ol㊁榄香醇㊁异木香酸甲酯等芳香族化合物ꎮ不同结香技术影响芳香族化合物成分含量ꎬ人工结香的沉香与天然结香沉香中芳香族化合物的成分不尽相同ꎬ单刀砍法结香所得沉香与天然结香的沉香芳香族化合物成分比较近似ꎮ2.4㊀脂肪酸类成分㊀脂肪酸分为饱和脂肪酸和不饱和脂肪酸ꎬ是由氢㊁氧㊁碳等元素组成的有机化合物ꎮ脂肪酸类物质被业内人士视为沉香精油中的杂质ꎬ其含量越低ꎬ沉香精油的品质越好ꎮ研究发现ꎬ与水蒸馏法㊁超声辅助萃取法相比ꎬ微波辅助萃取法所得精油脂肪酸类物质最少ꎬ倍半萜类和芳香族类物质的含量最高ꎬ所得精油品质最好ꎮ林峰等[14-15]采用GC-MS法对3种人工结香方法所产沉香ꎬ以乙醚作为溶剂提取的精油进行分析ꎬ发现不同结香方法所得精油中均含芳香类㊁倍半萜类和脂肪酸类ꎬ但含量有所不同ꎮ砍伤法沉香精油主要含脂肪酸类ꎬ凿洞法和打钉法沉香精油主要含量倍半萜类为主ꎬ且打钉法所产沉香还存在10个与另外两种结香方法相比所没有的成分ꎬ推断可能铁钉生锈也影响其化学成分ꎮ综上所述ꎬ沉香的有效成分主要存在于沉香精油中ꎬ主要由倍半萜类㊁色酮类㊁芳香族类和脂肪酸类等复杂天然化学成分组成ꎬ因沉香所含的龙涎香混合檀香的特殊香味ꎬ目前仍没有人工合成品ꎬ是目前香水行业的一种高等级香料成分ꎮ3㊀沉香药理活性研究3.1㊀抗炎效果㊀炎症是许多疾病发生的原因ꎮ高小力等[16]采用小鼠肿胀实验和大鼠足肿胀实验发现沉香精油有抗炎作用ꎬ其中沉香精油能抑制p-STAT3的表达ꎬ降低炎症细胞因子IL-1β㊁IL-6的表达ꎬ从而改善炎症反应ꎬ起到抗炎作用ꎮHuo等[17]的研究从沉香精油分离出的6种色酮被证明能通过抑制巨噬细胞释放NO达到抗炎作用ꎬChen等[18]的研究发现沉香精油中11种色酮成分具有一定抗炎活性ꎬ另外还有研究人员证实了一些色酮类成分可通过抑制炎症因子释放㊁下调前列腺素合成㊁下调环氧酶基因表达㊁调节蛋白激酶活化等作用来发挥抗炎活性ꎮ3.2㊀致敏反应㊀皮肤过敏是一种机体的变态反应ꎮ吴玉兰等[19]研究表明沉香精油可使脾脏匀浆中免疫球蛋白IgE㊁IgG㊁IgA水平升高ꎬ从而使豚鼠皮肤出现红肿㊁斑点ꎬ产生过敏现象ꎮ皮肤病理切片结果显示ꎬ皮肤表层出现不同程度的角质层增厚㊁水肿㊁淋巴细胞㊁嗜酸性粒细胞等炎症细胞的浸润ꎬ深皮层充血㊁出血㊁结缔组织变坏㊁变性等现象ꎮ3.3㊀抗氧化能力㊀癌症和衰老等疾病大多与自由基的过量产生有关系ꎬ抗氧化则可以有效抑制自由基的过量产生所带来的危害ꎮ陈细钦等[20]通过比较分析6种代表性沉香精油的化学成分发现6种沉香精油化学成分和活性均有所不同ꎬ不同提取方式对沉香精油抗氧化㊁抗炎活性有影响ꎬ超临界CO2萃取法能够提取到更多的成分ꎬ且超临界CO2萃取沉香精油较水蒸气蒸馏的精油抗氧化能力更加ꎻ而水蒸气蒸馏沉香精油在抗炎能力方面优于超临界CO2萃取精油ꎮ超临界CO2萃取法的精油中保留了更多的抗氧化化合物ꎬ而水蒸气蒸馏沉香精油中含有更多的菇醛类化合物ꎮ4㊀小结沉香味辛㊁苦ꎬ性微温ꎬ它具行气止痛ꎬ纳气平喘ꎬ温中止呕的作用ꎬ是传统中药ꎬ我国有沉香化滞丸㊁沉香养胃丸等上百种中成药使用沉香作为原料ꎮ沉香精油是浓缩的高价值植物精华ꎬ同时也是沉香的香气的来源ꎬ沉香精油因其提取率极低ꎬ所以非常稀有和珍贵ꎬ主要用于调配高级化妆品㊁奢侈品香水㊁高级养生保健食品和药品原料ꎬ因其香气品质高雅ꎬ而且十分难得ꎬ自古以来即被列为众香之首ꎬ既是古人供养神佛的专用香品ꎬ也是基督教㊁天主教㊁伊斯兰教举行宗教仪式上的必用之物ꎬ因此沉香及沉香精油市场需求量大ꎬ市场前景广阔ꎮ目前沉香精油的基础研究相对较少ꎬ在精油提取方法㊁化学成分研究㊁药理活性研究等方面有待进一步深入探讨ꎮ参考文献:[1]㊀国家药典委员会.中华人民共和国药典2020年版(一部)[S].北京:中国医药科技出版社ꎬ2020:192-193. [2]NAEFR.Thevolatileandsemi-volatileconstituentsofagarwoodꎬtheinfectedheartwoodofAquilariaspecies:areview[J].FlavourFragrJꎬ2011ꎬ26(2):73-87. [3]田耀华ꎬ原慧芳ꎬ倪书邦ꎬ等.沉香属植物研究进展[J].热带亚热带作物学报ꎬ2009ꎬ17(1):98-104. [4]«广东中药志»编辑委员会.广东中药志:第一卷[M].广州:广东科技出版社ꎬ1994:339.[5]田程飘ꎬ宋雅玲ꎬ许海棠ꎬ等.超临界和水蒸气蒸馏提取沉香精油成分分析及抗氧化㊁抑菌活性对比研究[J].中国中药杂志ꎬ2019ꎬ44(18):4000-4008.[6]邓红梅ꎬ周如金ꎬ童汉清.超临界二氧化碳萃取沉香精油工艺条件研究[J].时珍国医国药ꎬ2009ꎬ20(3):577-579.[7]王健松ꎬ李远彬ꎬ王羚郦ꎬ等.超临界和亚临界提取的沉香精油的气相色谱-质谱联用分析[J].时珍国医国药ꎬ2017ꎬ28(5):1082-1085.[8]沈汝青ꎬ朱力ꎬ冯志豪ꎬ等.亚临界流体萃取沉香挥发油工艺的优化及精制精油测定[J].中成药ꎬ2019ꎬ41(7):1495-1501.[9]弓宝ꎬ杨云ꎬ黄立标ꎬ等.纤维素酶辅助提取沉香挥发油的工艺研究[J].中国新药杂志ꎬ2013ꎬ22(15):1833-1835.[10]徐金富ꎬ朱亮峰ꎬ陆碧瑶ꎬ等.中国沉香精油化学成分研究[J].植物学报:英文版ꎬ1988(6):635-638.[11]郭晓玲ꎬ田佳佳ꎬ高晓霞ꎬ等.不同产区沉香药材挥发油成分GC-MS分析[J].中药材ꎬ2009ꎬ32(9):1354-1358.[12]钟秋萍ꎬ钟兆健ꎬ陈晓东ꎬ等.SHS-GC-MS联用结合保留指数分析沉香香气成分[J].医药导报ꎬ2016ꎬ35(11):1243-1249.[13]GAOXꎬXIEMꎬLIUSꎬetal.Chromatographicfingerprintanalysisofmetabolitesinnaturalandartificialagarwoodusinggaschromatography-massspectrometrycombinedwithchemometricmethods[J].JChromatogrBAnalytTechnolBiomedLifeSciꎬ2014(967):264-273.[14]林峰ꎬ梅文莉ꎬ吴娇ꎬ等.人工结香法所产沉香挥发性成分的GC-MS分析[J].中药材ꎬ2010ꎬ33(2):222-225. [15]林峰ꎬ戴好富ꎬ王辉ꎬ等.两批接菌法所产沉香挥发油化学成分的气相色谱-质谱联用分析[J].时珍国医国药ꎬ2010ꎬ21(8):1901-1902.[16]高小力ꎬ张倩ꎬ霍会霞ꎬ等.沉香精油通过抑制p-STAT3和IL-1β/IL-6产生抗炎作用[J].中国药学杂志ꎬ2019ꎬ54(23):1951-1957.[17]HUOHXꎬZHUZXꎬPANGDRꎬetal.Anti-neuroinflam ̄matorysesquiterpenesfromChineseeaglewood[J].Fitote ̄rapiaꎬ2015(106):115-121.[18]CHENDꎬXUZꎬCHAIXꎬetal.Nine2-(2-Phenylethyl)chromoneDerivativesfromtheResinousWoodofAquilariasinensisandTheirInhibitionofLPS-InducedNOProductioninRAW264.7Cells[J].EurJOrgChemꎬ2012(27):5389-5397.[19]吴玉兰ꎬ弓宝ꎬ白丛闻ꎬ等.沉香精油经皮给药的过敏实验研究[J].现代药物与临床ꎬ2023ꎬ38(1):1-7. [20]陈细钦ꎬ王灿红ꎬ冯剑ꎬ等.6种代表性沉香精油的化学成分及抗氧化㊁抗炎活性比较分析[J].中草药ꎬ2022ꎬ53(18):5720-5730.(收稿日期:2023-06-25)。
沉香精油的提取方法介绍“美香其木,天地養之,日月育之,生長數百年,埋腐數十又百年,其味往往不能再得。
”沉香被美称为植物钻石,神木舍利。
而沉香精油古已有之,并且一直深受中东贵族的钟爱。
其作为涂香代表清净义,能清净一切染垢秽,用于祭祀礼拜,供养法器;沐浴涂香,或置于随身佩戴的香薰、香囊;是皇室贵族奢侈用香的身份象征。
因此国际一等的沉香精油,又被美誉为“液态黄金”。
沉香精油是由珍贵的沉香经过蒸馏萃取后提炼而成的,是沉香的精华所在。
沉香精油对人体有着多重功效,例如:改善气场、舒缓压力、安眠抗郁、调理身心和促进身体新城代谢等。
在泡脚的热水中滴入几滴沉香精油,可以达到活血经络的目的,还能达到去除脚气脚臭的效果。
由于天然沉香的不可再生性,提炼后的沉香油就更显得稀有和珍贵。
沉香精油与沉香油由于市场对沉香类产品的需求,出现了大量的沉油类香品。
也给很多需求者造成了困扰。
油状沉香品大致分为两类。
一类为价格亲民的沉香油;第二类为稀有昂贵的沉香精油。
其中的“精”,一字之差,其使用与收藏价值却是天地之别。
精油是一个比较笼统的称谓,在商业上通常称为“芳香油”(芳香烃),在医药上又通常称为“挥发油”。
指代通过提取技术得到的具有香气和挥发性的油状物质。
通俗地讲,是含香成分提炼浓缩得到的精华,因此也称为精油。
沉香精油厂锅炉罐组古述沉油涂香,传统意义上是指野生沉香提取出的“精油”。
其一,沉香原材为雨林野生沉香。
其二,沉香精油的提取制备方法为“古法蒸馏”,才可满足其传统和天然纯净精油的收藏特质。
沉香油,沉香浸膏,属于香品类,如同线香、盘香一样。
用途多为涂香,色泽通常浅淡,具有沉香香气特点,成了日常休闲香品市场的消耗品。
古法沉香精油的国际品级与收藏价值在域外沉香文化中,舶来香的沉油生产和交易,以今中南半岛为中心。
如今采购需求市场也是中东各国及欧盟国家的香水生产业。
寻香探源,诸多沉香届的前辈在其书中均有记述,中南半岛的沉香精油在国际市场的贸易和收藏有着沉香历史的重要地位。
精油是从植物的花、叶、茎、根或果实中,通过水蒸气蒸馏法、挤压法、冷浸法或溶剂提取法提炼萃取的挥发性芳香物质。
精油是由一些很小的分子所组成,它们非常容易溶于酒精/乳化剂,尤其是脂肪,这使得它们极易渗透于皮肤,且藉着与脂肪纤维的混合而进入体内。
当这些高度流动物质挥发时,它们亦同时被数以万计的细胞所吸收,由鼻腔呼吸道中进入身体,将讯息直接送到脑部,靠着小脑系统的运作,控制情绪也控制身体的其他主要功能,所以在芳香疗法中,精油可强化生理和心理的机能。
每一种植物精油都有一个化学结构来决定它的香味、色彩、流动性和它与系统运作的方式,也使得每一种植物精油各有一套特殊的功能特质。
纯露(又称水精油,Hydrolat),是指精油在蒸馏萃取过程中留下来的水,是精油的一种副产品,是在提炼精油过程中分离出来的一种100%饱和的纯露,成份天然纯净,香味清淡怡人。
植物精油在蒸馏的过程中,油水会分离、求过,在蒸馏后的精油液中,还会留下一些水分,因为密度不同,精油会漂浮在上面,水分会沉淀在下面,这些水分就叫纯露。
纯正露中含有微量的酸与脂类物质,化学结构与一般纯水不同,对身体调理很有帮助。
纯露中除了含有微量精油之外,还含有许多植物体内的水溶性物质,这些都是一般精油中所缺乏的东西。
蒸馏的过程中,水不断的流过植物组织,将组织中大量的水溶性物质溶出。
因此,纯露的特性和精油虽然很接近,但不完全相同。
液体的野生沉香黄金——100斤沉香出14-21克精油最近很多香友咨询并入手我的野生沉香精油。
1克装野生精油我简单说一说我野生沉香精油的炼制过程首先我用料取材很奢侈怎么个奢侈?我的野生精油原料都是用百年树龄和结香50年以上纯天然野生的沉香勾丝。
绝对不用人工种植沉香,这是我的底线。
什么是沉香勾丝?这个可不是一般的边角料,很珍贵。
上图给大家看我要挑选优质的厚度较佳的沉香块来雕刻野生天然沉香珠子产生一些沉香边角料再上图,让大家看仔细来个特写这些勾丝也是宝贝比黄金贵重最后才会做出来沉香珠子价值连城的野生沉香珠子这些勾丝我就会专门用来制作野生沉香精油应该自夸的是,我选用的很多香材,是来自五十年代、六十年代的沉香老房梁,门板料勾丝,老顶包头勾丝以及一些非常罕见的黄金勾丝。
由于咱们国家野生天然沉香一直过度开采,再加上近二十年咱们国家很多原生态森林被大肆破坏,不仅野生天然沉香消失了,大部分野生中草药也再找不到了。
取而代之的是一片片寸草不生的桉树林,我们村里面把这些叫做快树林或者速生桉。
唯一值得庆幸的是,在开垦山林的时候,我从忙于开山种林的村民手中收购了部分已经结香的树头,以免他们给烧了,当时他们烧山的时候已经大量烧毁,甚至有些因为不懂拿回家给当柴火烧了。
收回来的这些,现在来看都是价值连城的宝贝。
但是加工起来非常费劲,因为都是收回来的老树头和老房梁,沉香都在里面,都是干燥的,手工刨开树,制作出成品沉香很费功夫,一天到晚最多出40到60克左右的天然野生沉香。
含油性多的勾丝就更少。
平均一人一年就出20斤的勾丝就不得了,尤其是油脂好的。
其次,我的野生天然精油工艺复杂,根据祖传23道工序制作做精油,需要积攒沉香很久才够一炉,不够一炉是无法炼制精油的。
够一炉后,在蒸馏前,需要多种工序翻转精挑细选,清洗去尘,反正我是按家传工艺来生产,我不会省略一些工序。
保证原汁原味。
但是这些流程会导致香材损耗约5%至10%,很多同行说我这样做太傻,反正终端客户都品鉴不出来。
沉香精油提升肌肤弹性的好帮手沉香精油,一个被誉为“东方香料之王”的神秘存在,其神秘的香气和神奇的功效让人爱不释手。
除了用于香薰和身心灵平衡外,沉香精油还是肌肤护理领域的秘密武器,尤其在提升肌肤弹性方面发挥着不可或缺的作用。
让我们一起来揭开沉香精油这位肌肤弹性的好帮手的神秘面纱吧。
沉香精油的起源与特点沉香,又称乌木,是一种香气浓郁的树种,主要产于东南亚地区,具有独特的木质香气和抗菌抑菌的功效。
从古至今,在中医和草药学中都有关于沉香的记载,其被视为珍贵的药材之一。
提取自沉香木质部分的沉香精油,具有浓烈的木质香气和温和的药用性质,适合各种肤质使用。
其主要成分包括沉香醇、沉香酮等,具有抗氧化、抗炎、舒缓肌肤等功效。
沉香精油对肌肤弹性的益处提升胶原蛋白生成沉香精油中的活性成分能够刺激皮肤胶原蛋白的合成,促进皮肤的弹性和紧致度。
长期使用沉香精油护理肌肤,可以有效减缓肌肤松弛和皱纹产生的速度,使肌肤看起来更加年轻富有弹性。
舒缓肌肤压力沉香精油具有舒缓肌肤、缓解压力的作用,能够改善肌肤的紧绷感和不适,让肌肤放松自在。
压力是肌肤老化和缺乏弹性的主要原因之一,而沉香精油的舒缓功效可以帮助肌肤恢复平衡,增强自愈能力。
提高皮肤弹性沉香精油具有收敛毛孔、提升皮肤弹性的效果,能够使肌肤紧致有弹性,减少松弛和下垂现象。
通过促进肌肤细胞更新和弹性蛋白生成,沉香精油为肌肤注入活力,使肌肤焕发青春活力。
如何正确使用沉香精油稀释后使用:由于沉香精油属于高浓缩精油,使用前需将其稀释于载体油中,比例通常为1%-2%。
按摩护理:将稀释后的沉香精油均匀涂抹于肌肤,并进行按摩直至完全吸收,可在晚间睡前使用效果更佳。
拍打吸收:可以将沉香精油滴于掌心,用指腹轻拍于面部肌肤,促进吸收并提升肌肤弹性。
在日常护理中适量使用沉香精油,坚持持续使用,能够帮助肌肤提升弹性,改善松弛现象,展现年轻、富有弹性的肌肤状态。
沉香精油作为一款神奇的植物精油,不仅在香薰和身心保健领域有着广泛的应用,同时在肌肤护理方面也展现出卓越的功效。
沉香精油企业标准
对于沉香精油的企业标准,主要包括以下几个方面:
1. 品质标准:精油应具有良好的品质和纯度。
企业应建立起符
合国家相关法规要求的生产环境和操作规范,确保产品的纯度和质量。
例如,要求采用纯天然的沉香木材,采用适当的提取方法和工艺,以
确保精油的活性成分及香气成分得以保留,并且不含有任何有害物质。
2. 包装标准:沉香精油的包装要符合国家相关法规的要求,并
能够保护精油的品质。
精油应该以密封且不透光的容器进行包装,以
防止光照和氧化对精油产生不利影响。
3. 标签标准:企业应在产品包装上标明精油的成分、纯度、产地、生产日期、保质期等信息,确保消费者能够清楚地了解产品的基
本信息和使用方法。
此外,企业还应遵守相关法规要求,在标签上明
确声明禁止或限制使用的人群和使用方法,以保障消费者的安全。
4. 生产标准:企业应建立健全的生产管理体系,确保生产过程
的规范性和稳定性。
这包括严格的原材料采购管理、生产设备和工艺
的验证与控制、产品质量的监测和检测等环节,以确保产品的安全性
和稳定性。
5. 安全标准:企业应遵守相关的安全法规,对生产过程中可能
存在的危险因素进行评估和管理,确保生产过程中的安全性。
同时,
企业还应提供相应的安全指导和培训,确保员工正确使用和储存精油,避免事故的发生。
总之,沉香精油的企业标准应涵盖品质、包装、标签、生产和安
全等方面的要求,以保证产品的质量和安全性,并且符合国家相关法
规的要求。
沉香合同范本____________________________________________________一、合同标的1.1 本合同项下的标的为供方所提供的沉香产品,具体包括:(1)沉香原木(2)沉香精油(3)沉香工艺品1.2 名词解释:(1)沉香原木:指含有沉香成分的树木原木,可用于雕刻、制作工艺品等。
(2)沉香精油:指从沉香原木中提取的具有浓郁香味的挥发性油状物质,可用于香薰、保健等。
(3)沉香工艺品:指以沉香原木、沉香精油为原料制作的艺术品、装饰品等。
二、质量标准(1)沉香原木:无虫蛀、无霉变、无杂质。
(2)沉香精油:纯度高、色泽透明、无杂质。
(3)沉香工艺品:工艺精湛、外观美观、无破损。
2.2 供方应提供相应的质量检测报告,以证明所提供的沉香产品符合本合同约定的质量标准。
三、数量及交付3.1 本合同项下的沉香产品数量为:(1)沉香原木:______立方米(2)沉香精油:______升(3)沉香工艺品:______件3.2 供方应在合同签订后______日内,将沉香产品交付给需方。
交付地点为:__________________________3.3 交付时,供方应提供相应的发票、装箱单等单据。
四、价格及支付4.1 本合同项下的沉香产品价格为:(1)沉香原木:人民币______元/立方米(2)沉香精油:人民币______元/升(3)沉香工艺品:人民币______元/件4.2 需方应在合同签订后______日内,将货款支付给供方。
4.3 支付方式为:(1)现金支付(2)银行转账(3)等其他第三方支付平台五、售后服务(1)产品使用指导(2)产品质量问题退换货(3)定期回访客户,了解产品使用情况5.2 供方应在接到需方反馈的质量问题后______日内,给予解决。
六、违约责任6.1 供方违反本合同的约定,导致需方损失的,应承担违约责任,赔偿需方损失。
6.2 需方违反本合同的约定,导致供方损失的,应承担违约责任,赔偿供方损失。
沉香精油的使用方法沉香精油是一种来自于沉香木的精油,具有独特的香气和多种功效。
沉香精油常用于香薰疗法、按摩疗法、皮肤护理和情绪调节等方面。
下面将详细介绍沉香精油的使用方法。
1. 香薰疗法:将几滴沉香精油滴入香薰灯、香薰石或者香薰棒上,点燃让其散发香气。
沉香精油的香气非常独特,深沉而温暖,可以帮助放松心情,消除紧张和焦虑。
此外,沉香精油还有助于提高专注力和平静思绪。
在瑜伽或冥想时使用沉香精油,可以帮助达到更深层次的放松和冥想状态。
2. 按摩疗法:将适量的沉香精油与载体油(如植物基础油)混合后,可以用于按摩身体。
沉香精油有良好的抗炎和镇痛作用,可以缓解肌肉酸痛、关节炎和风湿痛等问题。
同时,沉香精油还能促进血液循环,改善肌肤弹性,减轻肌肤干燥和瘙痒等不适。
3. 皮肤护理:沉香精油对皮肤有抗氧化和抗衰老的效果。
将数滴沉香精油加入基础护肤品中(如乳液、面霜或者按摩油),能够帮助滋润肌肤,提亮肤色,淡化细纹和皱纹。
而且,沉香精油还具有抗菌作用,有助于改善痤疮、疖肿等皮肤问题。
4. 情绪调节:沉香精油是一种温暖而安抚的香气,有助于缓解压力、消除焦虑和平衡情绪。
可以将几滴沉香精油滴在手帕上,随时闻一闻,或将其加入喷雾瓶中,喷洒在室内空气中或床上,营造一个轻松和宁静的环境。
此外,沉香精油还有助于改善睡眠质量,可以在睡前使用。
5. 食用方式:沉香精油也可用于食用。
然而,由于沉香精油的浓度非常高,使用时需要非常小心。
只需要一两滴沉香精油加入糖果、咖啡或者茶中,即可享受其独特的味道和香气。
但需要特别注意的是,沉香精油并不适合每个人食用,特别是孕妇、哺乳期妇女和小孩。
在食用前最好咨询专业人士的建议。
6. 安全使用注意事项:在使用沉香精油时,需要注意以下几点安全事项:- 使用前需稀释:沉香精油是高浓度的精油,需要与载体油(植物基础油)混合稀释后使用,以避免对皮肤产生不良刺激或过敏反应。
- 避免接触眼睛和黏膜:沉香精油具有较强的刺激性,避免直接接触眼睛和黏膜,如果不小心接触到,应立即用植物基础油来稀释并冲洗。
沉香精油的使用方法沉香精油是一种具有独特香气和多种功效的精油,它来源于沉香树的木材,经过蒸馏提取而成。
沉香精油具有舒缓神经、抗焦虑、改善睡眠等功效,被广泛用于香薰、按摩和身体护理等领域。
在使用沉香精油时,我们需要注意一些使用方法,以确保其有效性和安全性。
下面将介绍沉香精油的使用方法,希望对您有所帮助。
首先,沉香精油可以通过香薰灯或香薰石等方式进行香薰疗法。
将适量的沉香精油滴入香薰灯中,点燃蜡烛,让精油缓缓挥发,填满整个房间。
这种方式可以帮助舒缓情绪、减轻压力,提高睡眠质量。
此外,沉香精油还可以与其他精油如薰衣草、橙花等混合使用,以达到更好的香薰效果。
其次,沉香精油也可以通过按摩的方式使用。
在按摩油或基础油中加入适量的沉香精油,然后用于全身按摩或局部按摩。
沉香精油具有温暖、舒缓的特性,适合用于缓解肌肉酸痛、改善血液循环等。
在按摩时,可以选择早晚或睡前进行,以达到放松身心、促进睡眠的效果。
此外,沉香精油还可以用于身体护理。
将适量的沉香精油加入沐浴液、洗发水或护肤品中,可以帮助改善肌肤质地、舒缓干燥、缓解皮肤不适等。
在使用时,需要注意沉香精油的浓度,避免使用过多造成刺激。
最后,需要注意的是,沉香精油属于浓缩精油,使用时应遵循适量原则,避免过量使用造成不良反应。
对于孕妇、婴幼儿、孩童和老年人等特殊人群,使用前应咨询医生或专业人士的建议。
另外,沉香精油不宜内服,如有意愿内服,也需在专业人士的指导下进行。
综上所述,沉香精油具有多种使用方法,可以通过香薰、按摩、身体护理等方式进行使用。
在使用时,需要注意适量使用,避免过量造成不良反应。
希望本文对您了解沉香精油的使用方法有所帮助,谢谢阅读。
香料香精产品生产许可证实施细则2006-05-10公布2006-07-20实施全国工业产品生产许可证办公室目录1 总则 (1)2 工作机构 (2)3 企业取得生产许可证的基本条件 (5)4 许可程序 (5)4.1 申请和受理 (5)4.2 企业实地核查 (6)4.3 产品抽样与检验 (7)4.4 审定和发证 (7)4.5 集团公司的生产许可 (7)5 审查要求 (8)5.1 企业生产香料香精产品的产品标准及相关标准 (8)5.2 企业生产香料香精产品必备的生产设备和检测设备 (13)5.3 香料香精产品生产许可证企业实地核查办法 (14)5.4 香料香精产品生产许可证检测规则 (14)6 证书和标志 (16)6.1 证书 (16)6.2 标志 (17)7 委托加工备案程序 (18)8 收费 (18)9 工作人员守则 (19)10 附则 (19)附件香料香精产品生产许可证企业实地核查办法 (20)香料香精产品生产许可证实施细则1 总则1.1 为了做好香料香精产品生产许可证发证工作,依据《中华人民共和国工业产品生产许可证管理条例》(国务院第440号令)、《中华人民共和国工业产品生产许可证管理条例实施办法》(国家质量监督检验检疫总局第80号令)等规定,制定本实施细则。
1.2 在中华人民共和国境内生产、销售或者在经营活动中使用香料香精产品的所有企业(包括单位和个人),不论其性质和隶属关系如何,都适用本实施细则。
任何企业未取得生产许可证不得生产香料香精产品,任何单位和个人不得销售或者在经营活动中使用未取得生产许可证的香料香精产品。
1.3 本实施细则适用于实施生产许可证管理的应用香料香精产品。
根据产品原料来源、生产方式和用途的不同,将应用香料香精产品分为天然香料、生物技术香料、合成香料和香精四个产品单元。
又根据产品特征,每个产品单元划分为若干小类。
1.3.1 天然香料单元:是指用物理方法直接从芳香植物或动物分泌物中分离得到的香料产品,分为4小类:(1) 蒸馏类;(2) 浸提类;(3) 冷榨(磨)类;(4) 其他类。
沉香精油企业标准1.范围本标准规定了沉香精油的产品分类、要求、试验方法、检验规则和标志、包装、运输、贮存。
本标准适用于以沉香为主要原料,经过提取得到的精油产品。
1.规范性引用文件下列文件对于本文件的应用是必不可少的。
凡是注日期的引用文件,仅注日期的版本适用于本文件。
凡是不注日期的引用文件,其最新版本(包括所有的修改单)适用于本文件。
GB/T 17529 沉香1.术语和定义下列术语和定义适用于本标准。
3.1 沉香精油essential oil of agarwood以沉香为原料,采用适当的提取方法提取得到的精油产品。
1.产品分类沉香精油按产品质量等级分为一级、二级。
1.要求5.1 原料要求沉香应符合GB/T 17529中感官要求的规定,不得混有非沉香的其他树种和杂质。
原料应来自符合国家有关法律、法规规定的合法种植或野生采集的沉香。
5.2 感官要求沉香精油应具有沉香的天然香气,无异味,无杂质。
一级品应具有浓郁、纯正的沉香香气,二级品应具有较浓郁、纯正的沉香香气。
5.3 理化指标沉香精油的理化指标应符合表1的规定。
表1 沉香精油理化指标项目一级品二级品色泽黄色至黄棕色黄色至黄棕色透明度清澈透明清澈透明酸价(mg KOH/g)≤0.8≤1.0酯值(mg KOH/g)≥30.0≥20.0含醇量(%)≥0.5≥0.3水分及挥发物(%)≤10.0≤12.0 6. 试验方法6.1 感官检验:对沉香精油的色泽、透明度、香气进行检验,应符合5.2的规定。
6.2 理化指标检验:按附录A进行,应符合5.3的规定。
7. 检验规则7.1 出厂检验:每批产品应进行出厂检验,检验项目包括色泽、透明度、香气、酸价、酯值、含醇量、水分及挥发物,应符合本标准5.2和5.3的规定。
7.2 型式检验:每年至少进行一次型式检验,检验项目包括本标准第5章的全部项目。
在下列情况之一时,应进行型式检验:a) 新产品定型投产时;b) 工艺、配方或原材料有较大改变时;c) 产品长期停产后恢复生产时;d) 出厂检验结果与上次型式检验有较大差异时;e) 国家质量监督机构提出要求时。
ICS 71.100.60分类号 Y 41Q/HNJH企业标准Q/HNJH 1115—2016前言我公司生产的沉香(精)油是以白木香结香部位为原料,经超临界二氧化碳萃取法提取分离得到的,该类产品目前在我国没有相应的国家标准、行业标准和地方标准。
为了更好保证产品质量,提高产品技术要求,方便用户和质量部门检测,本公司制订该产品企业标准作为组织生产和质量监督检验的依据。
本标准的编写格式符合GB/T 1.1-2009《标准化工作导则第一部分:标准的结构和编写》规定。
本标准由海南景和农业开发有限公司和中国热带农业科学院农产品加工研究所联合提出并起草。
本标准主要起草人:李积华、崔丽虹、王绥鑫、魏晓奕、林丽静、廖良坤。
沉香(精)油1 范围本标准规定了沉香(精)油的术语和定义、要求、试验方法、检验规则和标志、包装、运输、贮 存及保质期要求。
本标准适用于以白木香结香部位为原料,经超临界二氧化碳萃取法提取、分离等加工工序制成的精油产品。
2 规范性引用文件下列文件对于本文件的应用是必不可少的。
凡是注日期的引用文件,仅所注日期的版本适用于本文件。
凡是不注日期的引用文件,其最新版本(包括所有的修改单)适用于本文件。
ISO 11021-1999 精油 水分含量的测定 卡尔费休法GB/T 11538-2006 精油 毛细管柱气相色谱分析 通用法GB/T 11540 香料 相对密度的测定GB/T 14454.2 香料 香气评定法GB/T 14454.4 香料 折光指数测定GB/T 14454.5 香料 旋光度的测定GB/T 14455.1 精油 命名原则GB/T 14455.3 香料 乙醇中溶解(混)度的评估3 术语和定义3.1 沉香(精)油 oil of Agarwood用超临界二氧化碳萃取法从白木香(Aquilaria sinensis (Lour.) Gilg)结香部位提取的精油。
4 要求4.1 沉香(精)油的色状、香气、水分含量、相对密度、折光指数、旋光度、混溶度应符合表 1的规定。
沉香精油——守卫家人健康的万香之王沉香的基本资料沉香文化故事关于沉香有个美丽的传说,据史书记载,沉香在唐朝已传入广东,宋朝普遍种植,因为主要集中在东莞地区,所以又名莞香。
关于莞香,当地人流传着一个美丽的故事:莞香的洗晒由姑娘们负责,她们常将最好的香块偷藏胸中,以换取脂粉,香中极品“女儿香”由此得名。
沉香这种中药材记载于众多古典药典医录里,如秦汉末年的《名医别录》、唐朝五代的《海药本草》、明代的《本草纲目》、清代的《本草再新》都详实的记载了沉香的功效。
沉香是一种名贵中药,是治疗胃寒、腹胀、胸闷呕吐、气喘、肾虚、手脚寒冷的良药。
中国历史上沉香的使用范围十分广泛,最珍贵的几种香材是“沉”(沉香)、“檀”(檀香)、“龙”(龙涎香)、“麝”(麝香)四大类,而“沉香”始终领衔。
沉香的芳香分子从沉香精油的化学型上,我们能看到它是一个什么样“性格”的油。
沉香精油的有效成分为倍半萜烯类和倍半萜醇类芳香分子,凡是称为“倍半萜”的精油分子,都有一个共同的作用,就是特别温和的滋补身体,特别擅长去疗愈慢性积累的问题。
让我们人体的机能慢慢自我修复,慢慢安抚我们的情志,让人安神凝气。
沉香适宜长久陪伴才看得到效果。
沉香精油首先突出的特质是“安神”,来源于占总成分20%的倍半萜醇类,主要芳香成分有“沉香螺旋醇”、“白木香酸”、“白木香醛”、“沉香螺旋醛”等,这些分子在药学领域里通常用于胸闷疼痛,胃寒呕吐,气喘呃逆,肾虚阳痿,腰膝虚冷,头晕耳鸣,失眠多梦健忘,潮热盗汗等多种亚健康疾病。
沉香精油的另一个特质是“消炎止痛”,来源于占总成分14%的倍半萜烯类,主要芳香成分有“α-愈创木烯”,这些分子作用于人体的功效是消炎、止痛,治疗哮喘、肠胃炎有积极的辅助治疗意义。
其沉稳老成的气息对于神经系统有很好的镇静效果,可以帮助人们深入思考和净化心灵。
熏香沉香精油帮助我们平衡一切不调、即使水深火热也能心平气和,提高行动力的效果。
沉香精油的使用方法1. 闻香用量:沉香精油1滴用法:抹于手指或手帕上,放在鼻子处平缓深吸入,闭目深呼吸作用:可舒缓紧张情绪、增强记忆力、愉悦身心2. 熏香用量:沉香精油10滴用法:加入冷香仪中,雾化沉香精油令其散发于室内作用:可净化空气,降低病菌传播,芬芳气息刺激嗅觉神经,舒缓紧张情绪,使人身心愉悦,促进睡眠,达到养生的效果3. 浸浴:用量:沉香精油1毫升+全脂牛奶100毫升用法:充分稀释后放入充满温水的浴缸中,浸泡15分钟作用:改善血液循环,消除疲劳,安定情绪,舒缓紧张的大脑神经,令身心舒畅,提高睡眠质量4. 消除脑部疲劳芳香按摩配方:沉香精油6滴+香茅精油3滴+欧白芷根精油3滴+芝麻油20ml(浓度3%)作用:帮助消除脑部疲劳,运行气血,舒缓头痛腹痛,恢复身心平衡,平缓情绪用法:每周用此配方全身按摩3次,连续使用3周后停1周,与类似的其他配方交替使用5. 安眠疏解压力芳香按摩配方:沉香精油5滴+岩兰草4滴+完全依兰依兰3滴+小麦胚芽油20ml(浓度3%)作用:减压放松,有助增强脑细胞活力,促进睡眠,提高深度睡眠质量。
ICS 71.100.60
分类号 Y 41
Q/HNJH
企业标准
Q/HNJH 1115—2016
前言
我公司生产的沉香(精)油是以白木香结香部位为原料,经超临界二氧化碳萃取法提取分离得到的,该类产品目前在我国没有相应的国家标准、行业标准和地方标准。
为了更好保证产品质量,提高产品技术要求,方便用户和质量部门检测,本公司制订该产品企业标准作为组织生产和质量监督检验的依据。
本标准的编写格式符合GB/T 1.1-2009《标准化工作导则第一部分:标准的结构和编写》规定。
本标准由海南景和农业开发有限公司和中国热带农业科学院农产品加工研究所联合提出并起草。
本标准主要起草人:李积华、崔丽虹、王绥鑫、魏晓奕、林丽静、廖良坤。
沉香(精)油
1 范围
本标准规定了沉香(精)油的术语和定义、要求、试验方法、检验规则和标志、包装、运输、贮 存及保质期要求。
本标准适用于以白木香结香部位为原料,经超临界二氧化碳萃取法提取、分离等加工工序制成的精油产品。
2 规范性引用文件
下列文件对于本文件的应用是必不可少的。
凡是注日期的引用文件,仅所注日期的版本适用于本文件。
凡是不注日期的引用文件,其最新版本(包括所有的修改单)适用于本文件。
ISO 11021-1999 精油 水分含量的测定 卡尔费休法
GB/T 11538-2006 精油 毛细管柱气相色谱分析 通用法
GB/T 11540 香料 相对密度的测定
GB/T 14454.2 香料 香气评定法
GB/T 14454.4 香料 折光指数测定
GB/T 14454.5 香料 旋光度的测定
GB/T 14455.1 精油 命名原则
GB/T 14455.3 香料 乙醇中溶解(混)度的评估
3 术语和定义
3.1 沉香(精)油 oil of Agarwood
用超临界二氧化碳萃取法从白木香(Aquilaria sinensis (Lour.) Gilg)结香部位提取的精油。
4 要求
4.1 沉香(精)油的色状、香气、水分含量、相对密度、折光指数、旋光度、混溶度应符合表 1
的规定。
按 GB/T 14454.5 进行检验。
5.7 溶混度的评估
按 GB/T 14455.3 进行检验。
5.8 特征组分含量的测定
5.8.1 仪器
a)色谱仪
按 GB/T 11538-2006的规定。
b)柱
毛细管柱。
c)检测器
氢火焰离子化检测器。
5.8.2 测定方法
面积归一化法:按 GB/T 11538-2006指定方法测定特征组分含量。
5.8.3 重复性及结果表示
按 GB/T 11538-2006 规定进行,应符合要求。
6 检验规则
6.1 沉香(精)油应当由生产厂质量检验部门负责检测,生产厂应保证每批出厂产品均符合本标准
的要求,每批出厂产品均应附有质量合格证书。
色状、香气、相对密度、折光指数、特征组分含量为出厂检验项目,旋光度和溶混度为型式检验项目,每季度检验一次。
6.2 验收单位有权按照本标准的各项规定检验所收到的产品质量是否符合本标准的要求,每一批号
作一次验收,不同批号分别验收。
6.3 取样方法:每批的包装单位 1 个~2 个,全抽;3 个~100 个抽取 2 个,100 个以上增加部
分再抽取 3%。
用取样器从每个包装单位中均匀抽取试样 50 mL~100 mL,将所抽取的试样全部置于混样器内充分混匀,分别装入两个清洁、干燥、密闭的惰性容器中,避光保存。
容器上贴标签,注明:生产厂名产品名称、生产日期、批号、数量及取样日期,一瓶作为检验用,一瓶留样备查。
6.4 如验收结果中有一项指标不符合本标准的要求时,可会同生产厂重新加倍抽取试样复验。
如复
验结果仍有指标不合格,则该批产品不能验收。
7 标志、包装、贮存、运输和保质期
7.1 标志
产品包装外应注明:产品名称、生产厂名和地址、商标、批号、净含量、生产日期和保质期、许可 证号及标准编号。
顾客如有要求,可与生产厂另订协议。
7.2 包装
应装于清洁无杂味的不锈钢桶、铝罐、镀锌铁桶内(装桶时桶内应留出5cm~10cm空隙,不能用塑料桶),或按用户要求包装。
7.3 贮存
本产品应贮存在阴凉、干燥、通风的仓库内。
避免空气污染,远离火源。
7.4 运输
在运输过程中应轻装轻卸,避免剧烈震动、撞击,防止日晒雨淋,不应与有毒、有害物质混装、混运,并应符合有关部门的规定。
7.5 保质期
在符合规定的贮运条件、包装完整、未经启封的情况下,本产品保质期为两年。
逾期重新检验是否符合本标准要求,合格仍可使用。
_________________________________。