绿化竣工验收合格证明书
- 格式:docx
- 大小:46.48 KB
- 文档页数:1
单位工程竣工验收证明书(标准格式)单位工程竣工验收证明书(标准格式-模板1)一:工程基本信息工程名称:工程地址:建设单位:施工单位:监理单位:设计单位:竣工日期:二:工程质量验收结果1.工程项目的质量达到了相关国家标准和规范的要求。
2.工程项目的主要构件和设备安装符合相关标准和规范。
3.工程项目的材料采购符合质量要求,并有相应的材料证明文件。
4.工程项目的各种测试和检验符合要求,达到了质量验收标准。
三:工程施工结果1.工程项目的施工过程符合设计要求和施工规范。
2.工程项目的各个部位和构件安装正确,符合设计要求。
3.工程项目的设备安装完好,运行正常,符合工程要求。
4.工程项目的防水、防火等各项安全措施落实到位。
四:工程验收附件清单1.工程设计文件2.工程变更设计文件3.工程施工图纸4.工程材料证明文件5.工程质量检验报告6.工程竣工图集五:法律名词及注释1.建设单位:指承担工程建设的法人或其他组织。
2.施工单位:指负责工程施工的法人或其他组织。
3.监理单位:指由建设单位聘请的对工程施工全过程进行监督检查的法人或其他组织。
4.设计单位:指负责工程设计的法人或其他组织。
5.质量验收标准:指工程质量验收时所应达到的要求。
单位工程竣工验收证明书(标准格式-模板2)一:工程基本信息工程名称:工程地址:建设单位:施工单位:监理单位:设计单位:竣工日期:二:工程质量验收情况1.工程项目的质量验收结果符合相关国家标准和规范。
2.工程项目的各项质量试验和检验合格,满足质量验收标准。
3.工程项目的主要构件和设备安装符合相关标准和规范。
4.工程项目的材料采购合格,并有相应的材料证明文件。
三:工程施工情况1.工程项目的施工过程符合设计要求和施工规范。
2.工程项目各个部位和构件的安装正确,符合设计要求。
3.工程项目的设备安装完好,运行正常,符合工程要求。
4.工程项目的防水、防火等各项安全措施落实到位。
四:工程验收附件清单1.工程设计文件2.工程变更设计文件3.工程施工图纸4.工程材料证明文件5.工程质量检验报告6.工程竣工图集五:法律名词及注释1.建设单位:指承担工程建设的法人或其他组织。
竣工验收证明书1. 引言竣工验收证明书是建筑工程竣工后,由建设单位委托有资质的检测单位,对工程质量进行检测合格后,由监理、建筑师或工程技术负责人出具的相关证明文件。
2. 竣工验收证明书的重要性竣工验收证明书作为建筑工程竣工的必要文件,在建筑工程交付使用之前,必须获得相关主管部门的批准和颁发。
竣工验收证明书的作用十分重要,它不仅为建筑工程各方提供了保障,而且也为用户提供了必要的保护。
同时,竣工验收证明书还具有以下作用:2.1 法律保护竣工验收证明书是国家对建筑工程质量的重要认证,其在法律上具有重要的作用。
在环保、消防、安全等方面,竣工验收证明书是开展监管的重要依据。
2.2 市场保护竣工验收证明书是建筑工程的品牌保证,是保证建筑品质的基石。
在产品营销、品牌推广等方面,竣工验收证明书具有重要作用。
2.3 信用保证竣工验收证明书是建筑企业信用体系建设的关键证明,对于提升企业声誉和信誉有重要的作用。
3. 竣工验收证明书的主要内容竣工验收证明书的主要内容包括以下几个方面:3.1 工程基本情况竣工验收证明书应当记录建筑工程的名称、地址、建设单位名称、施工单位名称、设计单位名称、监理单位名称、勘察单位名称等基本情况。
3.2 项目检验结果竣工验收证明书根据国家有关技术标准和规范,对建筑工程进行了检测和验收,并评定了项目的合格或不合格等级和验收依据。
3.3 保修期及相关承诺竣工验收证明书应当记录项目保修期,并记录建设单位对建筑工程质量的承诺。
3.4 证明有效期竣工验收证明书应当注明其有效期;超过有效期的竣工验收证明书不具有法律效力。
4. 竣工验收证明书的颁发竣工验收证明书的颁发应当由建设单位负责人或其授权代表进行。
颁发单位应当是具有相应资质的监理、建筑师或工程技术负责人。
颁发竣工验收证明书时,应当在证明书的正本上加盖单位公章,并由颁发单位负责人或授权代表签署证明书。
5. 总结竣工验收证明书的作用不可忽视。
它是监管、品质保证、信用体系建设和市场营销等方面的重要保障,对于建筑工程的安全、环保、功能和品质具有重要作用。
竣工验收证明书范本竣工验收指建设工程项目竣工后,由建设单位会同设计、施工、设备供应单位及工程质量监督等部门,对该项目是否符合规划设计要求以及建筑施工和设备安装质量进行全面检验后,取得竣工合格资料、数据和凭证的过程。
下面是竣工验收证明书范本,请参考!竣工验收证明书范本工程项目的竣工验收是施工全过程的最后一道程序,也是工程项目管理的最后一项工作,竣工验收证明书。
它是建设投资成果转入生产或使用的标志,也是全面考核投资效益、检验设计和施工质量的重要环节。
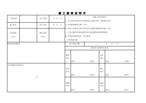
由建设单位加盖公章,市建设工程质量监督站项目主监员签名,并要求详细填写参建各方验收人员名单,其中包括建设(监理)单位、施工单位、勘察设计单位人员。
1.由建设单位交施工单位填写,并经各负责主体(建设、监理、勘测、设计、施工单位)签字加盖法人单位公章后,送质监站审核通过后,提交一份至备案部门。
2.验收意见一栏,须说明内容包括:该工程是否已按设计和合同要求施工完毕,各系统的使用功能是否已运行正常,并符合有关规定的要求;施工过程中出现的质量问题是否均已处理完毕,现场是否发现结构和使用功能方面的隐患,参验人员是否一致同意验收,工程技术档案、资料是否齐全等情况进行简明扼要的阐述。
上面要求记录质量监督站责令整改问题的书面整改记录,系指工程是否存有不涉及结构安全和主要使用功能的其他一般质量问题,是否已整改完毕,证明书《竣工验收证明书》。
1.监理单位在工程竣工预验收后,施工单位整改完毕,由总监理工程师填写。
2.质量评估意见一栏:(a).项目监理部是否已严格按照《建设工程监理规范》、监理合同、监理规划及监理实施细则对该工程进行了全面监理。
(b).地基及基础工程施工质量是否符合设计及规范要求;(c).主体工程(含网架、幕墙、干挂石材、地下结构、钢结构等)施工质量是否符合设计及相关规范要求;(d).水、电、暖通等安装工程施工质量是否符合设计及规范要求是否满足使用功能要求。
3.明确评定工程质量等级。
竣工验收备案证明书一、项目基本信息项目名称:XX市某小区建设工程建设单位:XX房地产开发有限公司施工单位:XX建筑工程有限公司设计单位:XX建筑设计院竣工日期:2022年5月15日二、项目概况本建设工程位于XX市某区,总占地面积约10万平方米,总建筑面积约20万平方米。
项目包括多栋住宅楼、商业综合体、社区配套设施等。
工程按照相关法律法规和设计要求进行施工,经过层层审核、监督,现已竣工。
三、施工质量情况1. 结构安全性:本工程采用高强度混凝土结构,经过专业人员的检测和评估,结构稳定可靠,满足相关标准要求。
2. 环境保护:施工期间,严格按照环境保护要求进行施工,未发生环境污染事件。
工程竣工后,配备了垃圾分类设施和绿化景观,有效保护了周边环境。
3. 功能完备性:工程建设按照设计要求进行,各功能区域设置合理,满足了住户的基本居住需求。
4. 设备运行情况:各项设备经过调试和试运行,运行正常,符合相关标准要求。
四、竣工验收情况1. 竣工验收程序:根据《建设工程竣工验收管理办法》,本工程的竣工验收程序经过规范的流程,包括申请验收、组织验收、验收报告编制等环节。
2. 竣工验收内容:验收内容包括工程质量、安全、设计文件、施工图纸、施工记录、竣工图、竣工资料等方面的检查。
3. 竣工验收结论:经过专业验收人员的检查和评定,本工程各项指标均符合相关标准和规范要求,达到了预期设计目标,具备交付使用的条件。
五、竣工验收备案1. 备案依据:根据《建设工程竣工验收备案管理办法》,本工程已经通过竣工验收,符合备案条件。
2. 备案材料:备案材料包括竣工验收报告、竣工图、竣工资料等相关文件。
3. 备案程序:建设单位将竣工验收报告、竣工图、竣工资料等材料提交至相关主管部门进行备案。
4. 备案结果:经过主管部门的审核,本工程已获得竣工验收备案证明书,证明该工程已完成竣工验收并具备交付使用的条件。
六、工程质量保修根据相关法律法规和合同约定,建设单位将对本工程提供一定期限的质量保修服务,确保工程质量的稳定和可靠性。
竣工验收证明书(江苏省)
竣工验收证明书
江苏省
本文档所涉及附件如下:
1. 工程竣工验收报告表
2. 施工图纸
3. 技术规范和标准
4. 工程进度计划表
5. 施工合同及补充协议
6. 资料清单及提交文件
7. 完工图纸及招标文件
8. 工程竣工验收备案表
本文档所涉及的法律名词及注释:
1. 工程竣工验收:指在工程项目全部或者阶段性完成后,进行各项技术指标、质量标准、安全要求和设计要求等方面的检查、试验和鉴定,以证明工程实现设计要求,性能安全可靠,并经风险评估达到预期效果的活动。
2. 验收委员会:由业主单位或者委托人组织并承担法律责任的专家组织,具有评审验收资格和验收认定权力的机构。
3. 工程变更:指在工程建设过程中,对设计方案、施工组织、工程投资等进行调整或者变更的行为。
4. 质量验收:指对工程质量进行检查、检测、检验,评定其质量是否符合技术规范及设计要求的过程。
5. 合格证书:指经过质量验收合格的工程,由验收委员会颁发给施工单位的证书,作为施工单位竣工的合法凭据。
6. 责任书:指施工单位对工程质量负有法定责任,并对质量问题承担相应的责任的书面承诺文件。
7. 施工图纸:指工程设计机构根据工程设计要求所制定的工程施工图纸或者者图纸变更记录,用于指导施工单位进行施工作业。
8. 技术规范和标准:指国家、行业、地方或者项目建设单位对工程建设过程中各项技术指标、项目管理和试验检测等方面的要求和规定。
竣工验收备案证明书一、项目基本信息根据相关法律法规和规定,我公司完成了以下工程项目的竣工验收工作,并向您提供竣工验收备案证明书。
以下是该项目的基本信息:项目名称:XX工程项目项目地址:XX省XX市XX区XX街道XX号建设单位:XX公司施工单位:XX建筑工程有限公司监理单位:XX监理有限公司设计单位:XX设计院竣工日期:XXXX年XX月XX日二、项目概况1. 项目背景XX工程项目是为满足当地市民生活需求而建设的综合性工程项目。
项目总投资XX亿元,占地面积XX平方米,主要包括XX建筑物、XX设施等。
2. 工程内容该项目主要包括以下工程内容:- XX建筑物:包括地下室、地上多层建筑等。
- XX设施:包括供水、供电、通风、排污等设施。
- XX装饰:包括室内装修、景观绿化等。
3. 施工过程本项目自XX年XX月XX日开工以来,经过XX个月的建设,共计投入人力资源XX人次,累计施工面积XX平方米。
施工期间,我们严格按照设计文件和相关标准进行施工,确保工程质量和安全。
三、竣工验收情况1. 竣工验收依据本项目的竣工验收依据包括以下法律法规和规范:- XX法律法规- XX行业标准- XX设计文件2. 竣工验收程序竣工验收程序主要包括以下步骤:- 提交竣工验收申请:施工单位向建设单位提交竣工验收申请,附带相关资料和证明文件。
- 现场勘查:建设单位、监理单位、设计单位等组成验收组进行现场勘查,检查工程质量和安全情况。
- 材料审查:验收组对施工单位提交的竣工验收资料进行审查,核实相关证明文件的真实性和合法性。
- 技术鉴定:根据工程特点,可以进行必要的技术鉴定,确保工程质量达到要求。
- 竣工验收报告:验收组根据现场勘查和材料审查的结果,编写竣工验收报告,提出验收意见。
3. 竣工验收结果经过以上步骤的全面评估和审查,本项目达到了设计要求和相关标准,具备了正常使用的条件。
在竣工验收报告中,我们提出以下验收意见:- 工程质量符合设计要求和相关标准。
工程竣工验收证明书引言概述工程竣工验收证明书是指在工程项目完成后,由相关部门或专业机构出具的证明文件,证明该工程项目已经按照相关规定和标准完成,并符合验收要求。
这份证明书对于工程项目的完工和使用具有重要意义,是工程项目交付使用的重要凭证。
正文内容一、工程竣工验收证明书的作用1.1 证明工程项目的合法性和合规性工程竣工验收证明书是对工程项目进行全面验收后出具的,证明工程项目的建设过程符合相关法律法规和标准要求,具有合法性和合规性。
1.2 保障工程质量和安全工程竣工验收证明书是对工程项目质量和安全进行核查的重要文件,证明工程项目的质量达到标准要求,使用安全可靠,保障了工程项目的质量和安全。
1.3 便于工程项目的交付和使用工程竣工验收证明书是工程项目交付使用的重要凭证,只有取得了该证明书,工程项目才能正式交付使用,方便了工程项目的使用和管理。
二、工程竣工验收证明书的内容2.1 工程项目基本信息工程竣工验收证明书中包含工程项目的基本信息,包括工程项目名称、建设单位、建设地点、建设规模等内容,便于对工程项目进行准确的识别和管理。
2.2 工程项目验收情况工程竣工验收证明书中详细记录了工程项目的验收情况,包括验收时间、验收标准、验收结果等内容,对工程项目的合格性进行了全面评估。
2.3 工程项目使用说明工程竣工验收证明书中还包含了工程项目的使用说明,包括工程项目的使用范围、注意事项、维护保养等内容,方便工程项目的使用和管理。
三、工程竣工验收证明书的申请流程3.1 提交申请材料申请工程竣工验收证明书时,需提交相关申请材料,包括工程项目相关文件、验收报告、验收照片等内容,确保申请的准确性和完整性。
3.2 进行验收评估相关部门或专业机构会对工程项目进行验收评估,包括现场检查、文件审核等环节,确保工程项目符合验收要求。
3.3 颁发证明书经过验收评估合格后,相关部门或专业机构会颁发工程竣工验收证明书,证明工程项目已经合格通过验收,可以正式交付使用。
绿化工程竣工验收报告第1篇一、工程完成情况:xx县xx家园1、2楼工程由xx县房建公司十一项目部于XX年11月15开工建设,XX年3月底全面竣工,历时16个月,按照设计批准的方案已完成了主要工程,即:土建装饰装修工程;给排水工程;电器设备安装工程。
二、验收条件检查结果:依据国家的.有关规定,该工炒设计要求已完成了主要工程施工任务。
工程投资使用合理,竣工资料已准备齐全,工程施工质量已通过了质监站的质量检验,并出具了《工程质量检验评定报告》,工程质量合格,已具备正式验收条件。
三、建议验收时间、点和参加单位:根据工程完成情况和省、市主管部门的相关要求,xx县xx家园1、2#楼工程竣工验收工作建议拟定于年月日进行,验收地点在,参加单位有项目法人、设计、监理、施工、质量监督等有关单位。
综上所述,xx县xx家园1、2#楼工程已具备竣工验收条件,恳请上级主管部门安排正式验收。
绿化工程竣工验收报告第2篇XX区住房和城乡建设局:我公司开发建设的贵和·美景华庭西区项目,位于罗庄区双月园路中段,于20XX年7月31日办理建设工程绿化规划审批书。
小区规划占地面积48933㎡,规划审批绿化面积17 175㎡,规划绿地率,我单位严格按照规划审批的图纸进行建设,现已完成规划审批绿地的.绿化。
贵和·美景华庭西区已于20XX年5月1日完工,现向贵局申请该小区绿化规划竣工验收,敬请贵局给予验收。
特此申请临沂国华房地产开发有限公司20XX年6月1日1、施工单位在单位工程完工后,经自检合格并达到竣工条件后,填写《单位工程竣工预验收报验表》,并附加相应的竣工资料,向监理单位申请竣工预验收。
竣工资料包括《单位(子单位)工程质量控制资料核查记录》、《单位(子单位)工程安全功能和植物成活要素检查资料核查及主要功能抽查记录》、《单位(子单位)工程观感质量检查记录》、《单位(子单位)工程植物成活率统计记录》。
2、监理单位(总监)收到《单位工程竣工预验收报验表》后,及时组织预验收。
竣工验收证明书竣工验收证明书1工程项目的竣工验收是施工全过程的最后一道程序,也是工程项目管理的最后一项工作,竣工验收证明书。
它是建设投资成果转入生产或使用的标志,也是全面考核投资效益、检验设计和施工质量的重要环节。
由建设单位加盖公章,市建设工程质量监督站项目主监员签名,并要求详细填写参建各方验收人员名单,其中包括建设(监理)单位、施工单位、勘察设计单位人员。
1.由建设单位交施工单位填写,并经各负责主体(建设、监理、勘测、设计、施工单位)签字加盖法人单位公章后,送质监站审核通过后,提交一份至备案部门。
2.验收意见一栏,须说明内容包括:该工程是否已按设计和合同要求施工完毕,各系统的使用功能是否已运行正常,并符合有关规定的要求;施工过程中出现的质量问题是否均已处理完毕,现场是否发现结构和使用功能方面的隐患,参验人员是否一致同意验收,工程技术档案、资料是否齐全等情况进行简明扼要的阐述。
上面要求记录质量监督站责令整改问题的书面整改记录,系指工程是否存有不涉及结构安全和主要使用功能的其他一般质量问题,是否已整改完毕,证明书《竣工验收证明书》。
1.监理单位在工程竣工预验收后,施工单位整改完毕,由总监理工程师填写。
2.质量评估意见一栏:(a).项目监理部是否已严格按照《建设工程监理规范》、监理合同、监理规划及监理实施细则对该工程进行了全面监理。
(b).地基及基础工程施工质量是否符合设计及规范要求;(c).主体工程(含网架、幕墙、干挂石材、地下结构、钢结构等)施工质量是否符合设计及相关规范要求;(d).水、电、暖通等安装工程施工质量是否符合设计及规范要求是否满足使用功能要求。
3.明确评定工程质量等级。
竣工验收证明书2估报告注意事项:1.监理单位在工程竣工预验收后,施工单位整改完毕,由总监理工程师填写。
2.质量评估意见一栏:(a).项目监理部是否已严格按照《建设工程监理规范》、监理合同、监理规划及监理实施细则对该工程进行了全面监理。