石油化工行业安全距离汇总
- 格式:docx
- 大小:36.65 KB
- 文档页数:11
安全距离篇本文内容摘自GB50160-2008《石油化工企业设计防火规范》表4.1.9 石油化工企业与相邻工厂或设施的防火间距2. 括号内指防火间距起止点;3. 当相邻设施为港区陆域、重要物品仓库和堆场、军事设施、机场等,对石油化工企业的安全距离有特殊要求时,应按有关规定执行;4. 丙类可燃液体罐组的防火距离,可按甲、乙类可燃液体罐组的规定减少25%;5. 丙类工艺装置或设施的防火距离,可按甲乙类工艺装置或设施的规定减少25%;6. 地面敷设的地区输油(输气)管道的防火距离,可按地区埋地输油(输气)管道的规定增加50%;7. 当相邻工厂围墙内为非火灾危险性设施时,其与全厂性或区域性重要设施防火间距最小可为25m;8. 表中“—”表示无防火间距要求或执行相关规范。
4.1.10 石油化工企业与同类企业及油库的防火间距不应小于表4.1.10的规定。
高架火炬的防火间距应根据人或设备允许的辐射热强度计算确定,对可能携带可燃液体的高架火炬的防火距离不应小于表4.1.10的规定。
表4.1.10 石油化工企业与同类企业及油库的防火间距2. 表中D为较大罐的直径。
当1.5D小于30m时,取30m;当1.5D大于60m时,可取60m;当丙类可燃液体罐相邻布置时,防火间距可取30m;3. 与散发火花地点的防火间距,可按与明火地点的防火间距减少50%,但散发火花地点应布置在火灾爆炸危险区域之外;4. 辐射热不应影响相邻火炬的检修和运行;5. 丙类工艺装置或设施的防火间距,可按甲、乙类工艺装置或设施的规定减少10m(火炬除外),但不应小于30m;6. 石油化工工业园区内公用的输油(气)管道,可布置在石油化工企业围墙或用地边界线外。
表4.2.12 石油化工厂总平面布置的防火间距注:1. 分子适用于石油化工装置,分母适用于炼油装置;2. 工艺装置或可能散发可燃气体的设施与工艺装置明火加热炉的防火间距应按明火的防火间距确定;3. 工厂消防总站与甲类工艺装置的防火间距不应小于50m。
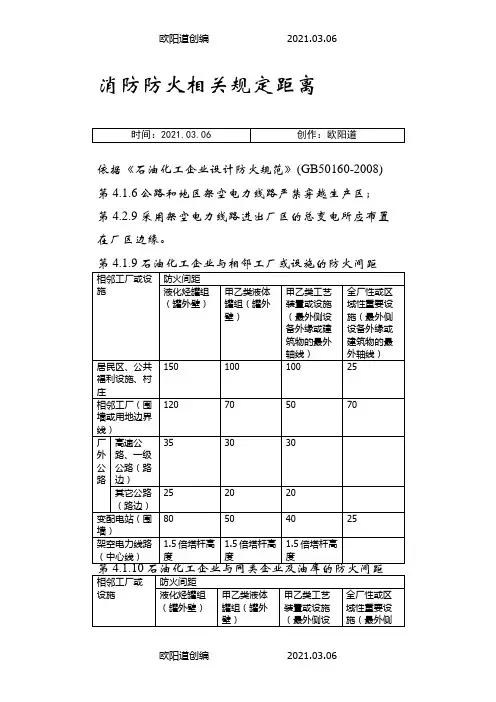
内容摘抄GB50160-2008《石油化工企业设计防火规范》表4.1.9 石油化工企业与相邻工厂或设施的防火间距相邻工厂或设施防火间距(m)液化烃罐组(罐外壁)甲、乙类液体罐组(罐外壁)可能携带可燃液体的高架火炬(火炬中心)甲乙类工艺装置或设施(最外侧设备外缘或建筑物的最外轴线)全厂性或区域性重要设施(最外侧设备外缘或建筑物的最外轴线)居民区、公共福利设施、村庄150 100 120 100 25 相邻工厂(围墙或用地边界线)120 70 120 50 70厂外铁路国家铁路线(中心线)55 45 80 35 —厂外企业铁路线(中心线)45 35 80 30 —国家或工业区铁路编组站(铁路中心线或建筑物)55 45 80 35 25厂外公路高速公路、一级公路(路边)35 30 80 30 —其他公路(路边)25 20 60 20 —变配电站(围墙)80 50 120 40 25架空电力线路(中心线)1.5倍塔杆高度1.5倍塔杆高度801.5倍塔杆高度—Ⅰ、Ⅱ国家架空通信线路(中心线)50 40 80 40 —通航江、河、海岸边25 25 80 20 —2. 括号内指防火间距起止点;3. 当相邻设施为港区陆域、重要物品仓库和堆场、军事设施、机场等,对石油化工企业的安全距离有特殊要求时,应按有关规定执行;4. 丙类可燃液体罐组的防火距离,可按甲、乙类可燃液体罐组的规定减少25%;5. 丙类工艺装置或设施的防火距离,可按甲乙类工艺装置或设施的规定减少25%;6. 地面敷设的地区输油(输气)管道的防火距离,可按地区埋地输油(输气)管道的规定增加50%;7. 当相邻工厂围墙内为非火灾危险性设施时,其与全厂性或区域性重要设施防火间距最小可为25m;8. 表中“—”表示无防火间距要求或执行相关规范。
4.1.10 石油化工企业与同类企业及油库的防火间距不应小于表4.1.10的规定。
高架火炬的防火间距应根据人或设备允许的辐射热强度计算确定,对可能携带可燃液体的高架火炬的防火距离不应小于表4.1.10的规定。
消防防火相关规定距离依据《石油化工企业设计防火规范》(GB50160-2008)第4.1.6公路和地区架空电力线路严禁穿越生产区;第 4.2.9采用架空电力线路进出厂区的总变电所应布置在厂区边缘。
第4.1.9石油化工企业与相邻工厂或设施的防火间距第4.1.10石油化工企业与同类企业及油库的防火间距第4.2.8罐区泡沫站应布置在罐组防火堤外的非防爆区,与可燃液体罐的防火间距不宜小于20m。
第4.1.12 石油化工厂总平面布置的防火间距,制定原则和依据:防止或减少火灾的发生及发生火灾时工艺装置或设施间的相互影响,参考国外有关火灾爆炸危险范围的规定,将可燃液体敞口设备的危险范围定为22.5m,密闭设备定为15m。
消防站作为消防的重要设施必须考虑自身人员和设备的安全。
消防站内24h有人值班,与一些重大危险区域应保持一定的安全间距,故规定与甲类装置的防火间距不小于50m。
4.3.4装置或联合装置、液化烃罐组、总容积大于或等于120000m3的可燃液体罐组、总容积大于或等于120000m3的两个或两个以上可燃液体罐组应设环形消防车道。
可燃液体的储罐区、可燃气体储罐区、装卸区及化学危险品仓库区应设环形消防车道,当受地形条件限制时,也可设有回车场的尽头式消防车道。
消防车道的路面宽度不应小于6m,路面内缘转弯半径不宜小于12m,路面上净空高度不应低于5m。
4.3.5液化烃、可燃液体、可燃气体的罐区内,任何储罐的中心距至少两条消防车道的距离均不应大于120m;当不能满足此要求时,任何储罐中心与最近的消防车道之间的距离不应大于80m,且最近消防车道的路面宽度不应小于9m。
第5.2.10 装置内消防道路的设置符合下列规定1、装置内应设贯通式道路,道路应有不少于两个出入口,且两个出入口宜位于不同方位。
当装置外两侧消防道路间距不大于120m时,装置内可不设贯通式道路;2、道路的路面宽度不应小于4m,路面上的净空高度不应小于4.5m;路面内缘转弯变径不宜小于6m。
安全距离篇本文内容摘自GB50160-2008《石油化工企业设计防火规范》表4.1.9 石油化工企业与相邻工厂或设施的防火间距相邻工厂或设施防火间距(m)液化烃罐组(罐外壁)甲、乙类液体罐组(罐外壁)可能携带可燃液体的高架火炬(火炬中心)甲乙类工艺装置或设施(最外侧设备外缘或建筑物的最外轴线)全厂性或区域性重要设施(最外侧设备外缘或建筑物的最外轴线)居民区、公共福利设施、村庄150 100 120 100 25 相邻工厂(围墙或用地边界线)120 70 120 50 70厂外铁路国家铁路线(中心线)55 45 80 35 —厂外企业铁路线(中心线)45 35 80 30 —国家或工业区铁路编组站(铁路中心线或建筑物)55 45 80 35 25厂外公路高速公路、一级公路(路边)35 30 80 30 —其他公路(路边)25 20 60 20 —变配电站(围墙)80 50 120 40 25架空电力线路(中心线)1.5倍塔杆高度1.5倍塔杆高度801.5倍塔杆高度—Ⅰ、Ⅱ国家架空通信线路(中心线)50 40 80 40 —通航江、河、海岸边25 25 80 20 —2. 括号内指防火间距起止点;3. 当相邻设施为港区陆域、重要物品仓库和堆场、军事设施、机场等,对石油化工企业的安全距离有特殊要求时,应按有关规定执行;4. 丙类可燃液体罐组的防火距离,可按甲、乙类可燃液体罐组的规定减少25%;5. 丙类工艺装置或设施的防火距离,可按甲乙类工艺装置或设施的规定减少25%;6. 地面敷设的地区输油(输气)管道的防火距离,可按地区埋地输油(输气)管道的规定增加50%;7. 当相邻工厂围墙内为非火灾危险性设施时,其与全厂性或区域性重要设施防火间距最小可为25m;8. 表中“—”表示无防火间距要求或执行相关规范。
4.1.10 石油化工企业与同类企业及油库的防火间距不应小于表4.1.10的规定。
高架火炬的防火间距应根据人或设备允许的辐射热强度计算确定,对可能携带可燃液体的高架火炬的防火距离不应小于表4.1.10的规定。
1、石油化工企业与相邻工厂或设施的防火间距GB50160-92《石油化工企业设计防火规范》(1999年版)第3。
1.7条.油化工企业与相邻工厂或设施的防火间距表1注:①当相邻设施为港区陆域、重要物品仓库和堆场、军事设施、机场等,对石油化工企业的安全距离有特殊要求时,应按有关规定执行。
②丙类工艺装置或设施的防火距离,可按甲、乙类工艺装置或设施的规定减少25%。
2、石油库与周围居住区、工矿企业、交通线等的安全距离GB50074-2002第4.0。
7条表4。
0。
7石油库与周围居住区、工矿企业、交通线等的安全距离(m)表23、氢氧站、供氢站、氢气罐与厂外道路的防火间距GB50177-93《氢氧站设计规范》第2.0.3条氢氧站、供氢站、氢气罐与厂外道路的防火间距表(m)表3注4、氢站与厂外铁路、道路及重要公共建筑的防火间距GB4962—85《氢气使用安全技术规程》第2。
1.2条供氢站与厂外铁路、道路及重要公共建筑的防火间距表表4注:供氢站与架空电力线的防火间距,不应小于电线杆高度1。
5倍。
5、库房、储罐、堆场与厂外铁路、道路的防火间距GBJ16—87《建筑设计防火规范》(2001年版)第4.8.3条库房、储罐、堆场与厂外铁路、道路的防火间距表表5灾危险性适当减少.6、氧气站等的乙类生产建筑物与厂外建、构筑物之间的最小防火间距表GB50030—91《氧气站设计规范》第2。
0。
3条氧气站等的乙类生产建筑物与厂外建、构筑物之间的最小防火间距表表6ﻬ附录2危险化学品生产装置和储存设施与厂内周边安全距离表1、氢氧站、供氢站、氢气罐与厂内建筑物、构筑物的防火间距GB50177-93《氢氧站设计规范》第2.0.2条氢氧站、供氢站、氢气罐与建筑物、构筑物的防火间距表(m) 表11)防火间距应按相邻建筑物或构筑物的外墙、凸出部分外缘、储罐外壁的最近距离计算。
2)固定容积的氢气罐,总容积按其水容量(m3)和工作压力(绝对压力9。
石油化工消防安全距离规定设备、建筑物平面布置的防火间距(m)注:1. 单机驱动功率小于150kW 的可燃气体压缩机,可按操作温度低于自燃点的“其他工艺设备”确定其防火间距;2. 装置储罐(组)的总容积应符合本规范第5.2.23 条的规定。
当装置储罐的总容积:液化烃储罐小于50m3、可燃液体储罐小于100 m3、可燃气体储罐小于200m3时,可按操作温度低于自燃点的“其他工艺设备”确定其防火间距;3. 查不到自燃点时,可取250℃;4. 装置储罐组的防火设计应符合本规范第6 章的有关规定;5. 丙B 类液体设备的防火间距不限;6. 散发火花地点与其他设备防火间距同明火设备;7. 表中“—”表示无防火间距要求或执行相关规范,“*”装置储罐集中成组布置。
污水处理场内的设备、建(构)筑物平面布置防火间距罐组内相邻可燃液体地上储罐的防火间距注:1.表中D为相邻较大罐的直径,单罐容积大于1000m3的储罐取直径或高度的较大值;2.储存不同类别液体的或不同型式的相邻储罐的防火间距应采用本表规定的较大值:3.现有浅盘式内浮顶罐的防火间距同固定顶罐;4.可燃液体的低压储罐,其防火间距按固定顶罐考虑;5.储存丙B类可燃液体的浮顶、内浮顶罐。
其防火间距大于15m 时,可取15m。
液化烃、可燃气体、助燃气体的罐组内储罐的防火间距2.液氨储罐间防火间距要求应与液化烃储罐相同;液氧储罐间的防火间距应按《建筑设计防火规范》(GB50016)的要求执行;3.沸点低于45℃的甲B类液体压力储罐,按全压力式液化烃储罐的防火间距执行;4.液化烃单罐容积200m3的卧(立)罐之间的防火间距超过1.5m时,可取1.5m;5.助燃气体卧(立)罐之间的防火间距超过1.5m时,可取1.5m;6.“﹡”表示不应同组布置。
厂区同一时间内火灾处数工艺装置消防用水量表(L/s)消防冷却水的供水范围和供水强度注:1.浮盘用易溶材料制作的内浮顶罐按固定顶罐计算;2.浅盘式内浮顶罐按固定顶罐计算;3.按实际冷却面积计算,但不得小于罐壁表面积的1/2。
内容摘抄GB50160-2008《石油化工企业设计防火规范》表4.1.9 石油化工企业与相邻工厂或设施的防火间距相邻工厂或设施防火间距(m)液化烃罐组(罐外壁)甲、乙类液体罐组(罐外壁)可能携带可燃液体的高架火炬(火炬中心)甲乙类工艺装置或设施(最外侧设备外缘或建筑物的最外轴线)全厂性或区域性重要设施(最外侧设备外缘或建筑物的最外轴线)居民区、公共福利设施、村庄150 100 120 100 25 相邻工厂(围墙或用地边界线)120 70 120 50 70厂外铁路国家铁路线(中心线)55 45 80 35 —厂外企业铁路线(中心线)45 35 80 30 —国家或工业区铁路编组站(铁路中心线或建筑物)55 45 80 35 25厂外公路高速公路、一级公路(路边)35 30 80 30 —其他公路(路边)25 20 60 20 —变配电站(围墙)80 50 120 40 25架空电力线路(中心线)倍塔杆高度倍塔杆高度80倍塔杆高度—Ⅰ、Ⅱ国家架空通信线路(中心线)50 40 80 40 —通航江、河、海岸边25 25 80 20 —埋地输油管道中心)液化烃(管道中心)60 60 80 60 60地区埋地输气管道(管道中心)30 30 60 30 30装卸油品码头(码头前沿)70 60 120 60 602. 括号内指防火间距起止点;3. 当相邻设施为港区陆域、重要物品仓库和堆场、军事设施、机场等,对石油化工企业的安全距离有特殊要求时,应按有关规定执行;4. 丙类可燃液体罐组的防火距离,可按甲、乙类可燃液体罐组的规定减少25%;5. 丙类工艺装置或设施的防火距离,可按甲乙类工艺装置或设施的规定减少25%;6. 地面敷设的地区输油(输气)管道的防火距离,可按地区埋地输油(输气)管道的规定增加50%;7. 当相邻工厂围墙内为非火灾危险性设施时,其与全厂性或区域性重要设施防火间距最小可为25m;8. 表中“—”表示无防火间距要求或执行相关规范。
消防防火相关规定距离依据《石油化工企业设计防火规范》(GB50160-2008)第4.1.6公路和地区架空电力线路严禁穿越生产区;第4.2.9采用架空电力线路进出厂区的总变电所应布置在厂区边缘。
第4.1.9石油化工企业与相邻工厂或设施的防火间距第4.2.8罐区泡沫站应布置在罐组防火堤外的非防爆区,与可燃液体罐的防火间距不宜小于20m。
石油化工厂总平面布置的防火间距,制定原则和依据:防止或减少火灾的发生及发生火灾时工艺装置或设施间的相互影响,参考国外有关火灾爆炸危险范围的规定,将可燃液体敞口设备的危险范围定为22.5m,密闭设备定为15m。
消防站作为消防的重要设施必须考虑自身人员和设备的安全。
消防站内24h有2、注:1、表中D未相邻较大罐的直径,单罐容积大于1000m3的储罐取直径或高度的较大值;2、储存不同类别液体的或不同型式的相邻储罐的防火间距应采用本表规定的较大值;3、现有浅盘式内浮顶罐的防火间距同固定顶罐;4、可燃液体的低压储罐,其防火间距按固定顶罐考虑;5、储存丙B类可燃液体的浮顶、内浮顶罐,其防火间距大于15m时,可取15m。
第条地面;3、装卸车鹤位与缓冲罐之间的距离不应小于5m,高架罐之间的距离不应小于0.6m;4、甲B、乙A类液体装卸车鹤位与集中布置的泵距离不应小于8m;5、站内无缓冲罐时,在距装卸车鹤位10m以外的装卸管道上应设便于操作的紧急切断阀;6.6.2单层仓库跨度不应大于150m。
每座合成纤维、合成橡胶、合成树脂及塑料单层仓库的占地面积不应大于24000m2,每个防火分区的建筑面积不应大于6000m2;当企业设有消防站和专职消防队且仓库设有工业电视监视系统时,每座合成橡胶及塑料单层仓库的占地面积可扩大至48000m2。
30-50L/s,水炮应具有直流和水雾两种喷射方式。
1、建筑物的耐火等级、防火分区、内部装修及空调系统设计等符合国家相关规定;2、应设置火灾自动报警系统,且报警信号盘应设在24小时有人值班场所;3、当电缆沟进口处有可能形成可燃气体积聚时,应设可燃气体报警器;4、按现行国家。
消防防火相关规定距离依据《石油化工企业设计防火规范》(GB50160-2008) 第4.1.6公路和地区架空电力线路严禁穿越生产区;第4.2.9采用架空电力线路进出厂区的总变电所应布置在厂区边缘。
第4.2.8罐区泡沫站应布置在罐组防火堤外的非防爆区,与可燃液体罐的防火间距不宜小于20m。
第4.1.12 石油化工厂总平面布置的防火间距,制定原则和依据:防止或减少火灾的发生及发生火灾时工艺装置或设施间的相互影响,参考国外有关火灾爆炸危险范围的规定,将可燃液体敞口设备的危险范围定为22.5m,密闭设备定为15m。
消防站作为消防的重要设施必须考虑自身人员和设备的安全。
消防站内24h有人值班,与一些重大危险区域应保持一定的安全间距,故规定与甲类装置的防火间距不小于50m。
4.3.4装置或联合装置、液化烃罐组、总容积大于或等于120000m3的可燃液体罐组、总容积大于或等于120000m3的两个或两个以上可燃液体罐组应设环形消防车道。
可燃液体的储罐区、可燃气体储罐区、装卸区及化学危险品仓库区应设环形消防车道,当受地形条件限制时,也可设有回车场的尽头式消防车道。
消防车道的路面宽度不应小于6m,路面内缘转弯半径不宜小于12m,路面上净空高度不应低于5m。
4.3.5液化烃、可燃液体、可燃气体的罐区内,任何储罐的中心距至少两条消防车道的距离均不应大于120m;当不能满足此要求时,任何储罐中心与最近的消防车道之间的距离不应大于80m,且最近消防车道的路面宽度不应小于9m。
第5.2.10 装置内消防道路的设置符合下列规定1、装置内应设贯通式道路,道路应有不少于两个出入口,且两个出入口宜位于不同方位。
当装置外两侧消防道路间距不大于120m时,装置内可不设贯通式道路;2、道路的路面宽度不应小于4m,路面上的净空高度不应小于4.5m;路面内缘转弯变径不宜小于6m。
表5.4.3污水处理厂内的设备、建(构)筑物平面布置1000m3的储罐取直径或高度的较大值;2、储存不同类别液体的或不同型式的相邻储罐的防火间距应采用本表规定的较大值;3、现有浅盘式内浮顶罐的防火间距同固定顶罐;4、可燃液体的低压储罐,其防火间距按固定顶罐考虑;5、储存丙B类可燃液体的浮顶、内浮顶罐,其防火间距大于15m时,可取15m。
安全距离篇本文内容摘自GB50160-2008《石油化工企业设计防火规范》表4.1.9 石油化工企业与相邻工厂或设施的防火间距相邻工厂或设施防火间距(m)液化烃罐组(罐外壁)甲、乙类液体罐组(罐外壁)可能携带可燃液体的高架火炬(火炬中心)甲乙类工艺装置或设施(最外侧设备外缘或建筑物的最外轴线)全厂性或区域性重要设施(最外侧设备外缘或建筑物的最外轴线)居民区、公共福利设施、村庄150 100 120 100 25 相邻工厂(围墙或用地边界线)120 70 120 50 70厂外铁路国家铁路线(中心线)55 45 80 35 —厂外企业铁路线(中心线)45 35 80 30 —国家或工业区铁路编组站(铁路中心线或建筑物)55 45 80 35 25厂外公路高速公路、一级公路(路边)35 30 80 30 —其他公路(路边)25 20 60 20 —变配电站(围墙)80 50 120 40 25架空电力线路(中心线)1.5倍塔杆高度1.5倍塔杆高度801.5倍塔杆高度—Ⅰ、Ⅱ国家架空通信线路(中心线)50 40 80 40 —通航江、河、海岸边25 25 80 20 —2. 括号内指防火间距起止点;3. 当相邻设施为港区陆域、重要物品仓库和堆场、军事设施、机场等,对石油化工企业的安全距离有特殊要求时,应按有关规定执行;4. 丙类可燃液体罐组的防火距离,可按甲、乙类可燃液体罐组的规定减少25%;5. 丙类工艺装置或设施的防火距离,可按甲乙类工艺装置或设施的规定减少25%;6. 地面敷设的地区输油(输气)管道的防火距离,可按地区埋地输油(输气)管道的规定增加50%;7. 当相邻工厂围墙内为非火灾危险性设施时,其与全厂性或区域性重要设施防火间距最小可为25m;8. 表中“—”表示无防火间距要求或执行相关规范。
4.1.10 石油化工企业与同类企业及油库的防火间距不应小于表4.1.10的规定。
高架火炬的防火间距应根据人或设备允许的辐射热强度计算确定,对可能携带可燃液体的高架火炬的防火距离不应小于表4.1.10的规定。
1、石油化工企业与相邻工厂或设施的防火间距GB50160-92《石油化工企业设计防火规范》(1999年版)第3。
1.7条.油化工企业与相邻工厂或设施的防火间距表1注:①当相邻设施为港区陆域、重要物品仓库和堆场、军事设施、机场等,对石油化工企业的安全距离有特殊要求时,应按有关规定执行。
②丙类工艺装置或设施的防火距离,可按甲、乙类工艺装置或设施的规定减少25%。
2、石油库与周围居住区、工矿企业、交通线等的安全距离GB50074-2002第4.0。
7条表4。
0。
7石油库与周围居住区、工矿企业、交通线等的安全距离(m)表23、氢氧站、供氢站、氢气罐与厂外道路的防火间距GB50177-93《氢氧站设计规范》第2.0.3条氢氧站、供氢站、氢气罐与厂外道路的防火间距表(m)表3注4、氢站与厂外铁路、道路及重要公共建筑的防火间距GB4962—85《氢气使用安全技术规程》第2。
1.2条供氢站与厂外铁路、道路及重要公共建筑的防火间距表表4注:供氢站与架空电力线的防火间距,不应小于电线杆高度1。
5倍。
5、库房、储罐、堆场与厂外铁路、道路的防火间距GBJ16—87《建筑设计防火规范》(2001年版)第4.8.3条库房、储罐、堆场与厂外铁路、道路的防火间距表表5灾危险性适当减少.6、氧气站等的乙类生产建筑物与厂外建、构筑物之间的最小防火间距表GB50030—91《氧气站设计规范》第2。
0。
3条氧气站等的乙类生产建筑物与厂外建、构筑物之间的最小防火间距表表6ﻬ附录2危险化学品生产装置和储存设施与厂内周边安全距离表1、氢氧站、供氢站、氢气罐与厂内建筑物、构筑物的防火间距GB50177-93《氢氧站设计规范》第2.0.2条氢氧站、供氢站、氢气罐与建筑物、构筑物的防火间距表(m) 表11)防火间距应按相邻建筑物或构筑物的外墙、凸出部分外缘、储罐外壁的最近距离计算。
2)固定容积的氢气罐,总容积按其水容量(m3)和工作压力(绝对压力9。
安全距离篇本文内容摘自GB50160-2008《石油化工企业设计防火规范》表4.1.9 石油化工企业与相邻工厂或设施的防火间距2. 括号内指防火间距起止点;3. 当相邻设施为港区陆域、重要物品仓库和堆场、军事设施、机场等,对石油化工企业的安全距离有特殊要求时,应按有关规定执行;4. 丙类可燃液体罐组的防火距离,可按甲、乙类可燃液体罐组的规定减少25%; 5. 丙类工艺装置或设施的防火距离,可按甲乙类工艺装置或设施的规定减少25%;6. 地面敷设的地区输油(输气)管道的防火距离,可按地区埋地输油(输气)管道的规定增加50%;7. 当相邻工厂围墙内为非火灾危险性设施时,其与全厂性或区域性重要设施防火间距最小可为25m ;8. 表中“—”表示无防火间距要求或执行相关规范。
4.1.10 石油化工企业与同类企业及油库的防火间距不应小于表4.1.10的规定。
高架火炬的防火间距应根据人或设备允许的辐射热强度计算确定,对可能携带可燃液体的高架火炬的防火距离不应小于表4.1.10的规定。
表4.1.10 石油化工企业与同类企业及油库的防火间距2. 表中D为较大罐的直径。
当1.5D小于30m时,取30m;当1.5D大于60m时,可取60m;当丙类可燃液体罐相邻布置时,防火间距可取30m;3. 与散发火花地点的防火间距,可按与明火地点的防火间距减少50%,但散发火花地点应布置在火灾爆炸危险区域之外;4. 辐射热不应影响相邻火炬的检修和运行;5. 丙类工艺装置或设施的防火间距,可按甲、乙类工艺装置或设施的规定减少10m(火炬除外),但不应小于30m;6. 石油化工工业园区内公用的输油(气)管道,可布置在石油化工企业围墙或用地边界线外。
4.2.8 罐区泡沫站应布置在罐组防火堤外的非防爆区,与可燃液体罐的防火间距不宜小于20m。
表4.2.12 石油化工厂总平面布置的防火间距注:1. 分子适用于石油化工装置,分母适用于炼油装置;2. 工艺装置或可能散发可燃气体的设施与工艺装置明火加热炉的防火间距应按明火的防火间距确定;.3. 工厂消防总站与甲类工艺装置的防火间距不应小于50m。
安全距离篇本文内容摘自GB50160-2008《石油化工企业设计防火规范》表4.1.9 石油化工企业与相邻工厂或设施的防火间距2. 括号内指防火间距起止点;3. 当相邻设施为港区陆域、重要物品仓库和堆场、军事设施、机场等,对石油化工企业的安全距离有特殊要求时,应按有关规定执行;4. 丙类可燃液体罐组的防火距离,可按甲、乙类可燃液体罐组的规定减少25%;5. 丙类工艺装置或设施的防火距离,可按甲乙类工艺装置或设施的规定减少25%;6. 地面敷设的地区输油(输气)管道的防火距离,可按地区埋地输油(输气)管道的规定增加50%;7. 当相邻工厂围墙内为非火灾危险性设施时,其与全厂性或区域性重要设施防火间距最小可为25m;8. 表中“—”表示无防火间距要求或执行相关规范。
4.1.10 石油化工企业与同类企业及油库的防火间距不应小于表4.1.10的规定。
高架火炬的防火间距应根据人或设备允许的辐射热强度计算确定,对可能携带可燃液体的高架火炬的防火距离不应小于表4.1.10的规定。
表4.1.10 石油化工企业与同类企业及油库的防火间距2. 表中D为较大罐的直径。
当1.5D小于30m时,取30m;当1.5D大于60m时,可取60m;当丙类可燃液体罐相邻布置时,防火间距可取30m;3. 与散发火花地点的防火间距,可按与明火地点的防火间距减少50%,但散发火花地点应布置在火灾爆炸危险区域之外;4. 辐射热不应影响相邻火炬的检修和运行;5. 丙类工艺装置或设施的防火间距,可按甲、乙类工艺装置或设施的规定减少10m(火炬除外),但不应小于30m;6. 石油化工工业园区内公用的输油(气)管道,可布置在石油化工企业围墙或用地边界线外。
表4.2.12 石油化工厂总平面布置的防火间距注:1. 分子适用于石油化工装置,分母适用于炼油装置;2. 工艺装置或可能散发可燃气体的设施与工艺装置明火加热炉的防火间距应按明火的防火间距确定;3. 工厂消防总站与甲类工艺装置的防火间距不应小于50m。
石油化工行业安全距离汇总精编Document number:WTT-LKK-GBB-08921-EIGG-22986消防防火相关规定距离依据《石油化工企业设计防火规范》(GB50160-2008)第公路和地区架空电力线路严禁穿越生产区;第采用架空电力线路进出厂区的总变电所应布置在厂区边缘。
第石油化工企业与相邻工厂或设施的防火间距第石油化工企业与同类企业及油库的防火间距第罐区泡沫站应布置在罐组防火堤外的非防爆区,与可燃液体罐的防火间距不宜小于20m。
第石油化工厂总平面布置的防火间距,制定原则和依据:防止或减少火灾的发生及发生火灾时工艺装置或设施间的相互影响,参考国外有关火灾爆炸危险范围的规定,将可燃液体敞口设备的危险范围定为,密闭设备定为15m。
消防站作为消防的重要设施必须考虑自身人员和设备的安全。
消防站内24h有人值班,与一些重大危险区域应保持一定的安全间距,故规定与甲类装置的防火间距不小于50m。
装置或联合装置、液化烃罐组、总容积大于或等于120000m3的可燃液体罐组、总容积大于或等于120000m3的两个或两个以上可燃液体罐组应设环形消防车道。
可燃液体的储罐区、可燃气体储罐区、装卸区及化学危险品仓库区应设环形消防车道,当受地形条件限制时,也可设有回车场的尽头式消防车道。
消防车道的路面宽度不应小于6m,路面内缘转弯半径不宜小于12m,路面上净空高度不应低于5m。
液化烃、可燃液体、可燃气体的罐区内,任何储罐的中心距至少两条消防车道的距离均不应大于120m;当不能满足此要求时,任何储罐中心与最近的消防车道之间的距离不应大于80m,且最近消防车道的路面宽度不应小于9m。
第装置内消防道路的设置符合下列规定1、装置内应设贯通式道路,道路应有不少于两个出入口,且两个出入口宜位于不同方位。
当装置外两侧消防道路间距不大于120m 时,装置内可不设贯通式道路;2、道路的路面宽度不应小于4m,路面上的净空高度不应小于;路面内缘转弯变径不宜小于6m。
石油化工消防安全距离规定注:1. 本表中相邻工厂指除石油化工企业与油库以外的工厂;2. 括号内指防火间距起止点;3. 当相邻设施为港区陆域、重要物品仓库与堆场、军事设施、机场等,对石油化工企业的安全距离有特殊要求时,应按有关规定执行;4. 丙类可燃液体罐组的防火距离,可按甲、乙类可燃液体罐组的规定减少25%;5. 丙类工艺装置或者设施的防火距离,可按甲乙类工艺装置或者设施的规定减少25%;6. 地面敷设的地区输油(输气)管道的防火距离,可按地区埋地输油(输气)管道的规定增加50%;7. 当相邻工厂围墙内为非火灾危险性设施时,其与全厂性或者区域性重要设施防火间距最小可为25m;8. 表中“—”表示无防火间距要求或者执行有关规范。
注:1. 括号内指防火间距起止点;2. 表中D为较大罐的直径。
当1.5D小于30m时,取30m;当1.5D大于60m时,可取60m;当丙类可燃液体罐相邻布置时,防火间距可取30m;3. 与散发火花地点的防火间距,可按与明火地点的防火间距减少50%,但散发火花地点应布置在火灾爆炸危险区域之外;4. 辐射热不应影响相邻火炬的检修与运行;5. 丙类工艺装置或者设施的防火间距,可按甲、乙类工艺装置或者设施的规定减少10m (火炬除外),但不应小于30m;6. 石油化工工业园区内公用的输油(气)管道,可布置在石油化工企业围墙或者用地边界线外。
设备、建筑物平面布置的防火间距(m)注:1. 单机驱动功率小于150kW 的可燃气体压缩机,可按操作温度低于自燃点的“其他工艺设备”确定其防火间距;2. 装置储罐(组)的总容积应符合本规范第5.2.23 条的规定。
当装置储罐的总容积:液化烃储罐小于50m3、可燃液体储罐小于100 m3、可燃气体储罐小于200m3时,可按操作温度低于自燃点的“其他工艺设备”确定其防火间距;3. 查不到自燃点时,可取250℃;4. 装置储罐组的防火设计应符合本规范第6 章的有关规定;5. 丙B 类液体设备的防火间距不限;6. 散发火花地点与其他设备防火间距同明火设备;7. 表中“—”表示无防火间距要求或者执行有关规范,“*”装置储罐集中成组布置。
消防防火相关规定距离依据《石油化工企业设计防火规范》(GB50160-2008)第公路和地区架空电力线路严禁穿越生产区;第采用架空电力线路进出厂区的总变电所应布置在厂区边缘。
第石油化工企业与相邻工厂或设施的防火间距第罐区泡沫站应布置在罐组防火堤外的非防爆区,与可燃液体罐的防火间距不宜小于20m。
第石油化工厂总平面布置的防火间距,制定原则和依据:防止或减少火灾的发生及发生火灾时工艺装置或设施间的相互影响,参考国外有关火灾爆炸危险范围的规定,将可燃液体敞口设备的危险范围定为,密闭设备定为15m。
消防站作为消防的重要设施必须考虑自身人员和设备的安全。
消防站内24h有人值班,与一些重大危险区域应保持一定的安全间距,故规定与甲类装置的防火间距不小于50m。
装置或联合装置、液化烃罐组、总容积大于或等于120000m3的可燃液体罐组、总容积大于或等于120000m3的两个或两个以上可燃液体罐组应设环形消防车道。
可燃液体的储罐区、可燃气体储罐区、装卸区及化学危险品仓库区应设环形消防车道,当受地形条件限制时,也可设有回车场的尽头式消防车道。
消防车道的路面宽度不应小于6m,路面内缘转弯半径不宜小于12m,路面上净空高度不应低于5m。
液化烃、可燃液体、可燃气体的罐区内,任何储罐的中心距至少两条消防车道的距离均不应大于120m;当不能满足此要求时,任何储罐中心与最近的消防车道之间的距离不应大于80m,且最近消防车道的路面宽度不应小于9m。
第装置内消防道路的设置符合下列规定1、装置内应设贯通式道路,道路应有不少于两个出入口,且两个出入口宜位于不同方位。
当装置外两侧消防道路间距不大于120m时,装置内可不设贯通式道路;2、道路的路面宽度不应小于4m,路面上的净空高度不应小于;路面内缘转弯变径不宜小于6m。
表污水处理厂内的设备、建(构)筑物平面布置的防火间距注:1、表中D未相邻较大罐的直径,单罐容积大于1000m3的储罐取直径或高度的较大值;2、储存不同类别液体的或不同型式的相邻储罐的防火间距应采用本表规定的较大值;3、现有浅盘式内浮顶罐的防火间距同固定顶罐;4、可燃液体的低压储罐,其防火间距按固定顶罐考虑;5、储存丙B类可燃液体的浮顶、内浮顶罐,其防火间距大于15m时,可取15m。
第条两排立式储罐的间距应符合表的规定,且不应小于5m;两排直径小于5m的立式储罐及卧式储罐的间距不应小于3m;第立式储罐至防火提内堤脚线的距离不应小于罐壁高度的一般,卧式储罐至防火堤内堤脚线的距离不应小于3m。
相邻罐组防火堤的外堤脚线之间应留有宽度不小于7m的消防空地;液化烃、可燃气体、助燃气体的罐组内储罐的防火间距2、液氧储罐间的防火间距应按《建筑设计防火规范》(GB50016)的要求执行3、沸点低于45℃的甲B类液体压力储罐,按压力式液化烃储罐的防火间距执行;4、液化烃单罐容积≤200m3的卧罐之间的防火间距超过时,可取5、助燃气体卧罐之间的防火间距超过时,可取6、“*”表示不应同组布置第条两排卧罐间距不应小于3m第可燃液体的汽车装卸站应符合下列规定:1、装卸站的进出口宜分开设置;当进、出口宜分开设置;当进出口合用时,站内应设回车场;2、装卸车场应采用现浇混凝土地面;3、装卸车鹤位与缓冲罐之间的距离不应小于5m,高架罐之间的距离不应小于;4、甲B、乙A类液体装卸车鹤位与集中布置的泵距离不应小于8m;5、站内无缓冲罐时,在距装卸车鹤位10m以外的装卸管道上应设便于操作的紧急切断阀;单层仓库跨度不应大于150m。
每座合成纤维、合成橡胶、合成树脂及塑料单层仓库的占地面积不应大于24000m2,每个防火分区的建筑面积不应大于6000m2;当企业设有消防站和专职消防队且仓库设有工业电视监视系统时,每座合成橡胶及塑料单层仓库的占地面积可扩大至48000m2。
合成纤维、合成树脂及塑料等产品的高架仓库耐火等级不应低于二级;货架采用不燃烧材料。
生产污水排放应采用暗管和覆土厚度不小于200mm的暗沟。
设施内部若必须采用明沟排水时,应分段设置,每段长度不宜超过30m,相邻两段之间的距离不宜小于2m。
甲、乙类工艺装置内生产污水管道的支干管、干管的最高处检查并宜设置排气管。
排气管的设置应符合下列规定:1、管径不宜小于100mm;2、排气管的出口应高出地面以上,并应高出距排气管3m范围内的操作平台,空气冷却器以上;3、距明火、散发火花地点15m半径范围内部应设排气管。
固定式水炮的布置应根据水炮的设计流量和有效射程确定其保护范围。
消防水炮距被保护对象不宜小于15m。
消防水炮的出水量宜为30-50L/s,水炮应具有直流和水雾两种喷射方式。
室内消火栓的设置应符合下列要求:1、甲、乙、丙类厂房(仓库)、高层厂房及高架仓库应在各层设置室内消火栓,当单层厂房长度小于30m时可不设;2、甲、乙类厂房(仓库)、高层厂房及高架仓库的室内消火栓间距不应超过30m,其它建筑物的室内消火栓间距不应超过50m;控制室、机柜间、变配电所的消防设施应符合下列规定:1、建筑物的耐火等级、防火分区、内部装修及空调系统设计等符合国家相关规定;2、应设置火灾自动报警系统,且报警信号盘应设在24小时有人值班场所;3、当电缆沟进口处有可能形成可燃气体积聚时,应设可燃气体报警器;4、按现行国家标准《建筑灭火器配置设计规范》GB50140的要求设置手提式和推车式气体灭火器。
单层仓库的消防设计应符合下列规定:1、占地面积超过3000m2的合成橡胶、合成树脂及塑料等产品仓库及占地面积超过1000m2的合成纤维仓库,应设自动喷水灭火系统且应由厂区稳高压消防给水系统供水;2、高架仓库的货架间运输通道宜设置遥控式高架水炮;3、应设置火灾自动报警系统;4、设有自动喷水灭火系统的仓库宜设置消防排水设施。
甲、乙类装置区周围和罐组四周道路边应设置手动火灾报警按钮,其间距不宜大于100m。
第条罐区内的储罐与消防车道距离任何储罐的中心至不同方向的两条消防车道的距离均不大于120m;2、当仅一侧有消防车道时,车道至任何储罐的中心,不应大于80m。
第条罐组内相邻可燃液体地上储罐的防火间距第条消防站的服务范围,应按行车路程计,行车路程不宜大于;并且接到火警后消防车到达火场的时间不宜超过5min。
第条工艺装置区或罐区,已设独立的高压消防给水系统,其压力宜为。
第条地下独立的消防给水管道,应埋设在冰冻线以下,距冰冻线不应小于1500mm。
第条工艺装置区或罐区的消防给水干管的管径,应经计算确定,但不宜小于200mm。
独立的消防给水管道的流速不宜大于5m/s。
第条消火栓的设置,应符合下列规定:1、宜选用地上式消防栓;2、消火栓应沿道路敷设;3、消火栓距路面边不宜大于5m,距建筑物外墙不宜小于5m;4、距公路型上车道路肩边不得小于,距单车道中心线不得小于3m;第条消火栓的保护半径不应超过120m;工艺装置区、罐区,宜设工程直径1500mm的消火栓。
第条工艺装置区的消火栓应在工艺装置四周设置,消火栓的间距不宜超过60m。
当装置宽度超过120m时,宜在装置内的道路路边增设消火栓;可燃液体罐区、液化烃罐区距罐壁15m以内的消火栓,不应计算在该储罐可使用的数量之内。
第条工艺装置内甲类气体压缩机、加热炉等重要重点保护的设备附近,宜设箱式消火栓,其保护半径宜为30m。
附录二可燃气体的虎仔危险性分类:乙炔、丁二烯、氯乙烯属甲类;附录三液化烃、可燃液体的火灾危险性分类液化氯乙烯、液化丁二烯为甲A类;甲苯、二氯乙烯为甲B类;附录四甲、乙、丙类固体的火灾危险分类附录五工艺装置或装置内单元的火灾危险性分类:氯丁橡胶装置的乙炔催化合成乙烯基乙炔、催化加成或丁二烯氯化成氯丁二烯、聚合、胶乳储存混合、凝聚单元属甲类;氯丁橡胶装置的后处理(脱水、干燥、包装)、储运单元为乙类。
依据《储罐区防火堤设计规范》(GB50351-2014)防火堤、防护墙内场地宜设置排水明沟;沿无培土的防火堤内侧修建排水沟时,沟壁的外侧与防火堤脚线的距离不应小于;沿土堤或内培土的防火提内侧修建排水沟时,沟壁的外侧与土堤内侧堤脚或培土堤脚线的距离不应小于;沿防护墙修建排水沟时,沟壁的外侧与防护墙内堤脚线的距离不应小于。
每一储罐组的防火堤、防护墙应设置不少于2处越堤人性踏步或坡道,并因该设置在不同的方位上。
防火堤的相邻踏步、坡道、爬梯之间的距离不宜大于60m,高度大于或等于的踏步或坡道应设护栏。
依据《化工企业总图运输设计规范》(GB50489-2009)循环水冷却设施与相邻建筑物、构筑物之间的最小水平间距管架与建筑物、构筑物之间的最小水平间距(m)架空管线、管架跨越道路的最小净空高度尽头式装卸线末端的安全距离应符合下列规定:1、一般货物装卸线自货位末端至车档的距离不应小于10m;有火灾危险性和其它危险品的装卸线,自货位末端至车档的距离不应小于20m。
2、厂房、仓库内安装弹簧车档或金属车档的线路停车位置距车档不应小于5m。
3、厂房内车档后部的安全距离不应小于6m,露天布置车档后部的安全距离不应小于15m。
车档外延30m范围内不应布置生产、使用和储存有火灾危险性和其它危险品的设施及全厂性大型管廊或管廊支柱。
厂内道路边缘至建筑物、构筑物的最小距离依据《压缩空气站设计规范》(GB50151-2010)车间架空压缩空气管道与其他架空管线的净距(m)压缩空气站在厂内的布置:1、靠近用气负荷中心;供电供水合理;有扩建的可能性;避免靠近散发爆炸性、腐蚀性和有毒气体以及粉尘等有害物质的场所,并宜位于上述场所全年最小频率风向的下风侧;2、自然通风好并宜减少西晒;3、工作压力大于或等于的压缩空气站不得布置在地下室、半地下室以及楼层内,季期间和储气罐间应为单层,层面不得设置与压缩空气站无关的设备与设施。
依据《声环境质量标准》GB3095-2012各类声环境功能区适用表(规定的环境噪声等效声级限值)环境噪声限值乡村声环境功能的确定1、位于乡村的康复疗养区执行0类声环境质量要求;2、村庄原则上执行1类声环境功能区要求,工业活动较多的村庄以及有交通干线经过的村庄(指执行4类声环境功能区要求以外的地区)可局部或全部执行2类声环境功能区要求;3、集镇执行2类声环境功能区要求;4、独立于村庄、集镇之外的工业、仓储集中区执行3类声环境功能区要求;5、位于交通干线两侧一定距离(参考GB/T15190第条规定)内的噪声敏感建筑物执行4类声环境区要求依据《仓储场所消防安全管理通则》(GA1134-2014)。