质量工程师职位说明书
- 格式:docx
- 大小:38.95 KB
- 文档页数:2
cqe岗位职责说明书一、职位概述CQE(质量工程师)是负责质量管理和质量控制的专业人员。
他们在产品生命周期的各个阶段进行质量保证和改进工作,确保产品符合客户需求和质量标准。
本文将详细介绍CQE的岗位职责和工作内容。
二、质量计划和策略1. 撰写和执行质量管理计划,确保制定的质量目标得以实现。
2. 协助制定质量策略和流程,促进持续改进和质量管理标准的制定。
3. 与相关团队合作,确保质量目标和时间表的一致性。
三、质量控制和数据分析1. 开展产品质量检验和测试,以确保产品的合格率和符合性。
2. 分析产品数据,追踪和报告产品质量问题和不良趋势。
3. 针对不合格品进行问题解决和根本原因分析,并制定有效的纠正和预防措施。
4. 管理供应商质量,包括审核和监督供应商,确保符合质量要求。
四、质量培训与文档管理1. 开展内部培训以提高员工对质量要求的理解和遵守。
2. 管理和维护相关质量文件和记录,包括标准操作程序和工作指导书等。
3. 协助制定和更新标准文件,并确保它们得到正确的执行。
五、客户沟通与改进1. 建立和维护与客户的合作关系,了解和满足客户的质量要求。
2. 处理客户投诉和质量问题,积极解决并提供有效的解决方案。
3. 基于客户反馈和市场调查,参与产品的改进和创新。
六、团队合作和领导能力1. 在团队中发挥积极的作用,促进协作和团队目标的达成。
2. 帮助和指导其他员工,提高整个团队的质量水平。
3. 领导和推动质量管理项目,确保项目按时交付和符合质量标准。
七、符合职业道德和规范1. 严格遵守公司的行为准则和职业道德标准。
2. 定期参加职业培训和继续教育,提高专业知识和技能。
以上是CQE岗位的一般职责说明,各公司可能根据实际情况和需求有所不同。
CQE在现代企业中扮演着重要的角色,通过他们的工作,产品质量得到有效的保障和改善,带来客户满意度的提升和企业的可持续发展。
cqe岗位职责说明书CQE(质量工程师)岗位职责说明书一、岗位概述CQE(质量工程师)是负责质量管理和质量保障的专业人员。
其主要职责是负责监控质量标准、制定和实施质量管理措施、参与质量改进项目以及协助解决质量问题等。
本文将详细介绍CQE岗位的职责和要求。
二、岗位职责1. 确定质量标准:负责参与制定与产品质量相关的标准和规程,并确保这些标准符合相关的法规和行业要求。
2. 审核质量管理系统:负责审核和评估公司的质量管理系统,以确保其符合ISO9001等相关质量管理体系的要求,并提出改进意见。
3. 制定质量计划:根据项目需求,制定相应的质量计划,明确质量目标、验收标准、测试方法等,并确保计划的执行与达成。
4. 监控质量指标:负责收集、分析和报告与质量相关的数据,确保产品满足质量要求,并提出改进措施。
5. 领导质量改进项目:作为质量改进项目的核心成员,负责协调各部门合作,指导团队成员实施改进方案,并进行质量成本分析。
6. 质量问题处理:负责调查和解决质量问题,包括客户投诉、不良品处理和质量事故调查等,确保及时有效地处理问题并提供解决方案。
7. 培训与指导:负责组织和开展质量培训,提高员工的质量意识和技能,推动全员参与质量管理。
8. 供应商质量管理:负责与供应商进行质量管理沟通和交流,评估供应商的质量能力,并与供应商合作解决质量问题。
9. 审计和评估:参与内部和外部质量体系的审核、评估和认证,确保质量管理体系的有效性和符合性。
三、岗位要求1. 教育背景:本科及以上学历,工科、质量管理或相关专业优先。
2. 熟练掌握质量管理知识:熟悉质量管理体系和质量工具的使用,如ISO9001、八D报告、故障模式与影响分析等。
3. 良好的沟通能力:具备良好的团队合作和沟通能力,能够与各级员工进行有效地沟通和协作。
4. 问题解决能力:能够独立分析和解决质量问题,并能提出有效的改进方案。
5. 严谨细致:工作细致认真,有良好的数据分析和报告撰写能力。
QE岗位说明书QE岗位说明书一、岗位概述QE(Quality Engineer)是指质量工程师。
他/她是一种专职质量保证专家,主要负责质量管理、质量控制,以确保产品或服务的符合质量标准。
QE是生产流程的关键可靠性管理者,他/她需要配合市场、产品设计、加工、装配、测试等各部门的合作,有效地确保产品或服务质量,从而达到增加公司效益的目标。
二、岗位职责1、开展产品质量保证方案的编制、实施和评估。
2、负责各阶段的质量控制流程,保证产品质量符合规范标准。
3、优化产品质量管理体系,推动公司持续改进质量管理工作。
4、负责对合作伙伴的质量管理要求,推动与供应商合作共同提升产品质量水平。
5、开展质量统计及数据分析工作,了解产品质量变化趋势,提出问题解决方案。
6、参与公司对市场反馈及产品使用测试的质量标准制定等工作。
7、负责解决发现的质量问题,提出改进意见并推动实施。
8、提高生产车间的质量管理水平,提高工人的质量管理意识,促进生产率提高。
9、推广能力培养,培养和招募新的QE人员团队。
三、岗位要求1、全日制大学本科及以上学历,机械工程、自动化、电子信息等相关专业。
2、理解质量管理体系和工艺流程,对产品质量控制、检测和改进有深入的了解。
3、熟悉质量管理工具,如六西格玛、PDCA等。
4、有较强的团队合作能力,沟通协调技能和表达能力。
5、有良好的数据分析和问题诊断能力。
6、熟悉ISO9001及IPC-A-610D等质量标准体系和流程,拥有电子行业质量管理经验者优先。
四、薪资待遇QE作为一个非常重要的岗位,在招聘过程中公司要为招募QE设置优厚的薪资待遇。
在不同地区、不同公司和不同员工经验下薪资水平会有所差异,但大体薪资待遇如下:1、刚入职的QE,月薪在8000-10000左右。
2、经验较为丰富的QE,月薪在10000-15000左右。
3、高级QE,月薪在15000-25000左右。
五、专业能力提升QE的职责在质量领域较为深入,因此需要不断学习和提升知识和能力。
质量工程师岗位说明书一、岗位概述质量工程师是企业质量管理主要负责人员之一,是保证产品/服务质量的重要保障。
主要职责是通过开展质量管理体系建设,监督产品/服务的生产/提供过程中遵守质量规范和标准,以确保产品/服务的质量和技术标准达到客户需求和企业内部标准。
二、岗位职责1. 负责企业质量管理体系的建设、维护和监督,包括ISO、TS等质量管理标准体系,建立完善的体系文件和档案;2. 制定并更新企业质量控制计划和程序,防止产品/服务中出现问题;3. 检查、许可并监督供应商;4. 维护产品/服务质量及相应的技术规格以适应法规、客户需求和公司内部标准,并对相应的设施、装置和信息技术系统进行评估和分析分析;5. 根据合同和规定要求检查产品/服务的质量和技术标准,制定和评估执行测试和评审的计划;6. 研究和分析有关质量、技术、安全等方面的问题,提出改进意见和方案;7. 组织和参与企业质量问题的调查和分析,以确定出现问题的根本原因,并采取有效的措施,防止类似的问题再次发生;8. 管理质量数据,统计和分析企业的各项数据,建立数据观察和反馈机制,协助决策;9. 编写各种报告、文件,以报告企业的质量状况并建立优化的流程;10. 提供质量培训和技术支持服务。
三、岗位任职要求1. 本科及以上学历,机械、电子等相关专业优先;2. 具有3年以上相关工作经验,有汽车、机械制造或电子产业工作经验者优先;3. 精通ISO、TS质量管理体系标准和规程的设计和实施,并具有相关的证书;4. 具有较强的团队协作能力、分析判断和沟通能力,能够独立分析问题并提出有效的解决方案;5. 具备良好的英语听、说、读、写能力,具有境外工作或留学经验者优先。
四、总结质量工程师是企业中非常重要的职位之一,主要负责企业质量管理体系的建设、监督和维护,以保证产品/服务的质量达到客户需求和公司内部标准要求。
岗位任职要求包括学历、相关工作经验、证书和能力方面的多方面要求。
质量工程师岗位说明书篇1(1)进行产品质量、质量管理体系及系统可靠性设计、研究和控制;(2)组织实施质量监督检查;(3)进行质量的检查、检验、分析、鉴定、咨询;(4)进行产品认证、生产许可证、体系认证、审核员和评审员注册、质量检验机构和实验室考核等合格评定管理:(5)调节质量纠纷,组织对重大质量事故调查分析;(6)研究开发检验技术、检验方法、检验仪器设备;(7)制定质量技术法规并监督实施;(8)设计、实施、改进、评价质量与可靠性信息系统。
质量工程师岗位说明书篇21、认真贯彻学习合同文件,技术规范、规程及上级颁发的施工技术管理制度,不断提高自身业务素质。
2、熟悉设计图纸及数据,贯彻实施项目施工方案及质量保证措施,坚持在施工第一线,发现问题,处理问题。
3、根据项目进度计划安排所负责班组的施工任务,并负责所管理班组或劳务队伍的现场技术交底,对工程质量、进度、现场文明施工情况负责。
4、好分管工作内人工、材料、机械设备的合理安排,充分调动施工人员积极性,落实工程技术质量、安全保证措施,树立预防为主,事前控制的指导思想,对施工重点工程、隐蔽工程进行全方位检查指导,确保质量第一。
5、规定日期收集资料编制工程月、季度统计表格。
6、整理各种施工放样,检测原始记录资料、竣工资料并存档。
质量工程师岗位说明书篇3一、贯彻执行国家有关建筑安装的法律法规,贯彻执行各级地方政府有关建筑安装的行政法规,贯彻执行公司的各项规章制度。
二、负责工地的安全管理工作,坚持巡视工地的安全状况,检查督促各施工单位的安全工作。
三、贯彻执行国家的安全要求“一标三规范”“建筑工,程安全操作规程” ,并收集、整理、保存好安全管理资料。
四、负责工地的文明施工管理,努力做到材料堆码整齐、工完料净场清。
垃圾不乱弃、施工不扰民。
五、负责工地的卫生环境管理,监督检查各施工单位的食堂、宿舍、厕所等生活环境的卫生工作。
六、负责工地材料收发、保存等管理工作,及时办理收发资料签证,保证材料帐、物相符。
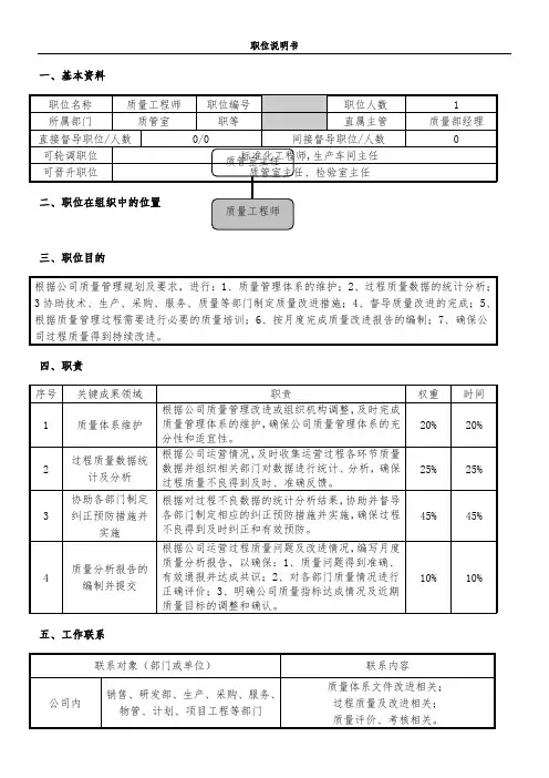
质量工程师岗位职责说明书质量工程师一、基本信息岗位名称所属单位所属职系直接上级所属层级二、岗位使命1、质量标准化建立、培训、执行监控。
2、质量数据建立及统计分析。
3、持续改善,组织质量问题分析、改善、效果追踪。
4、参与供应商管理与评审。
5、协助质量管控中心完成客户投诉处理。
三、岗位职责主要责任具体岗位职责及工作内容1、制定质量控制计划、检验作业指导书、质量记质量标准化录、质量统计表等。
2、质量标准化培训及监督执行。
1、组织建立质量数据库。
质量数据2、统计分析数据库信息,用于质量统计、分析。
3、组织质量问题分析改善,保证质量目标达成。
4、组织参与不合格处置评审。
供应商管理1、统计来料检验数据,对原材料质量稳定性进行分析。
2、参与定期、不定期供应商评审工作。
客户投诉处理次要职责1、协助质控中心进行客户投诉确认。
2、协助进行客户投诉的纠正措施处理。
3、协助进行客户投诉分析、改善。
具体岗位职责及工作内容制定员工安全手册,并普及全员教育,全员培训百安全管理分之百覆盖;统一思想(企业文化的认同);团队精神(信任与团队建设合作);建立学习型组织。
根据实际情况进行评价根据相关记录评分考核指标客户投诉结案来料入库合格率质量目标达成情况标准化工作完成情况评分考核指标质量工程师产业化移动工厂技术序列质量经理中级岗位编号所属部门所辖人数直接下级管理序列无中级-中高级-高级质量管理部编号:JTZB-RL-ZD00X卓达集团总部岗位说明书版号:A/0页码:其他上级领导临时交办事项任务完成率、及时性四、授权详见公司《授权体系》五、内外协作关系单位(或部门)内部关系外部关系采购部、生产部、工艺技术部、设备部及各职能部门计量所等机构频度频繁频繁六、岗位任职条件最低学历工作经验专业知识专科从事质量管理工作5年以上专业要求质量管理相关专业或建筑、化学等理工专业熟悉生产各环节,了解生产管理中各环节职能,有质量管理工作相关知识具有良好的组织管理、沟通和协调能力;能力素质语言表达、交流沟通、学习创新及适应能力强;思维清晰、缜密,处事条理清晰,逻辑思维能力较强;具有敬业精神和团队协作精神。
质量工程师岗位说明书质量工程师岗位说明书一. 岗位概述质量工程师是企业质量管理部门的重要人员,主要职责是通过各种协调手段,确保产品或服务的符合客户和公司的质量要求和标准。
质量工程师需要在企业内部或与外部客户之间协调各种相关质量活动,将企业内部和外部质量相关的事宜协调一致,制定相应的公司质量标准和相关工作流程。
质量工程师需要将企业质量管理与营销、设计、制造、生产等部门整合,协调员工之间的相互关系,确保企业质量水平稳步提升,以实现企业的发展目标。
二. 岗位职责1. 负责企业的质量管理体系的建设和维护,确保质量管理体系顺利实施,并根据公司战略方向不断完善和优化。
2. 按照公司和客户要求,负责制定产品和服务的质量标准,确保产品和服务的质量符合市场的要求和标准。
3. 对公司的生产过程进行分析,确保生产过程可控并按照设定的质量标准进行生产,同时制定并实施相应的制度和控制措施,以确保产品品质符合客户和公司的质量要求。
4. 协助企业的产品研发团队,参与产品开发和设计,制定新产品的质量标准和测试方法,确保新产品的性能符合市场和客户的要求。
5. 负责制定公司的内部培训计划和培训材料,培训公司的相关人员,提高员工的质量意识和素质。
6. 管理供应商和合作伙伴,确保供应商提供的原材料和零部件符合公司和客户的质量要求。
7. 对公司质量问题进行跟踪,并制定相关的问题分析和解决方案,确保维持公司的品牌形象。
8. 组织内部审核、提供报告并跟进整改活动。
9. 负责评估供应商并提供改进计划。
三. 岗位要求1. 本科及以上学历,工程、计算机、电子等相关专业优先;2. 熟悉ISO9001或其他质量管理体系标准体系,具有相关认证者优先;3. 具备良好的沟通能力和团队协作精神;4. 具备较强的思考能力和问题解决能力;5. 工作积极主动,能够承受一定的工作压力;6. 熟练掌握办公软件和统计分析软件(如SPSS等)。
四. 岗位技能1. 熟悉质量管理体系标准,能够编写、实施、维护质量管理体系手册、程序及相关业务流程;2. 熟悉质量规划和质量管理工程原理,掌握统计分析方法;3. 对产品质量控制、流程控制、原料控制、内部审核等方面具备深入了解和实践经验。
qe职务说明书QE职务说明书QE(Quality Engineer)质量工程师是企业中非常重要的职位,他们负责确保产品和服务的质量符合国家标准和客户要求。
以下是对QE职务的说明。
1. 职责和职能:- 负责制定和执行质量管理计划,确保产品和服务的质量达到要求;- 分析和解决产品和服务质量问题,提出改进措施;- 设计和执行各种质量控制测试和检查工作,确保产品和服务符合标准;- 协调与供应商和客户的质量沟通,建立和维护良好的合作关系;- 参与产品和服务的设计和开发过程,提供质量方面的意见和建议;- 培训员工,提高他们的质量意识和技能。
2. 任职要求:- 本科及以上学历,在工程、质量管理或相关领域有相关经验;- 具有较强的质量控制和问题解决能力,能够独立分析和解决质量问题;- 熟练掌握质量管理工具和方法,如SPC、FMEA、6 Sigma 等;- 具备优秀的团队协作和沟通能力,能够与不同部门和层级的人员合作;- 具备良好的计划和组织能力,能够同时处理多个项目;- 具备良好的英语读写能力,能够与国际客户进行有效的沟通。
3. 工作环境和条件:- QE职位通常在工厂或办公室环境中工作,需要与生产人员和管理人员进行紧密合作;- 需要经常走访生产线或现场,进行产品和服务的质量检查; - 可能需要在国内外出差,参与供应商审查和客户评估等活动;- 工作压力较大,需要能够处理紧急情况和时间压力;- 需要不断学习和更新知识,跟踪质量管理领域的最新发展。
4. 职业发展和前景:- QE职位是质量管理领域的一个重要职位,具有广泛的职业发展前景;- 可以通过积累项目经验和技术能力,晋升为高级QE或质量经理;- 可以选择进修研究生或相关证书,提高专业水平,拓宽职业发展领域;- 可以发展自己的团队,成为质量管理的专家和顾问。
总结:QE职务是一个负责企业产品和服务质量的重要职位,需要具备较强的技术能力和问题解决能力,以及良好的团队合作和沟通能力。
cqe岗位职责说明书一、岗位职责概述CQE(Quality Engineer)是指质量工程师,主要负责质量管理体系的建立和维护,以确保产品质量符合标准和客户需求。
下面将详细介绍CQE岗位的职责和要求。
二、质量管理体系建立和维护1. 根据ISO9001等质量管理体系要求,制定和更新相应的质量管理文件,包括质量手册、程序文件、工作指导书等,以保证公司质量管理体系的有效实施。
2. 制定并完善质量管理体系相关的工作流程和规范,确保各个环节的质量控制标准和操作规程得到有效执行。
3. 定期组织内部质量管理体系审核,对各个环节进行检查和评估,及时发现和解决潜在质量问题,提出持续改进的建议。
三、质量控制与改进1. 制定并跟踪产品和过程的质量控制计划,确保产品符合相关标准和客户需求。
2. 参与产品设计和开发过程,对设计文件进行评审,提出合理化建议,以降低产品质量风险。
3. 根据产品质量问题的反馈,制定并实施纠正措施和预防措施,以减少缺陷率和不合格品数。
4. 分析产品质量问题的根本原因,并提出改进措施,为产品质量提供持续改进的方向和方案。
5. 开展质量数据分析和报告,及时向相关部门提供合理的数据支持,并根据数据分析结果,制定并推动质量改进计划的执行。
四、供应商管理1. 进行供应商的评估和审核,确保供应商的能力和质量水平符合公司的要求。
2. 参与供应商的选择和批准工作,与供应商沟通协调,提供技术支持和培训,以确保供应链的质量稳定性。
3. 定期评估供应商的绩效,跟踪供应商质量风险,并提出改进建议,促使供应商改进质量管理体系。
五、培训与培养1. 定期开展质量管理培训,提高员工的质量意识和质量知识,为提升产品质量提供人力保障。
2. 对新进岗位的员工进行岗前培训,确保其了解和掌握相关质量管理规范和操作要求。
3. 组织和开展内部培训,提升内部质量管理人员的专业能力和技术水平。
六、岗位要求1. 本科及以上学历,工科或相关专业背景。
cqe岗位职责说明书一、岗位背景质量工程师(CQE)是负责组织并实施质量管理体系的关键角色之一。
CQE通过有效的质量管理措施,确保产品与服务的质量符合标准和客户要求,以提升企业的竞争力和客户满意度。
二、岗位职责1. 负责质量管理体系的开发和维护,编写质量相关的标准和程序文件,确保质量管理体系符合ISO标准和公司要求。
2. 研究和分析产品质量问题,建立质量改进计划,并监督执行,以提高产品的质量和可靠性。
3. 根据客户要求制定稽核计划,组织内部质量稽核,并及时解决发现的问题。
4. 协助供应链管理部门评估并审核供应商的质量体系,并提供改进建议,确保供应商的产品和服务符合公司要求。
5. 参与新产品开发过程,进行质量风险评估和控制,协助解决新产品开发中的质量问题。
6. 协调各部门间的质量问题解决,制定和推动质量改进措施。
7. 组织并参与质量培训,提高员工对质量管理的理解和意识,推动全员参与质量管理。
8. 分析质量数据,制定质量报告,向管理层汇报质量绩效和改进情况。
9. 参与质量异常处理和投诉处理,及时解决客户反馈的质量问题,确保客户满意度。
10. 关注质量管理的最新发展和趋势,不断更新知识和技能,推动质量管理提升。
三、任职要求1. 本科及以上学历,质量管理、工程或相关专业背景。
2. 具备良好的质量管理体系知识,熟悉ISO标准和质量工具的应用。
3. 熟悉质量问题分析和解决方法,具备良好的问题分析和解决能力。
4. 具备较强的沟通协调能力和团队合作意识,能够与不同部门的人员有效合作。
5. 具备良好的数据分析和报告撰写能力,能够清晰地向管理层传递质量绩效和改进情况。
6. 具备良好的自我驱动能力和学习能力,能够不断提升质量管理的知识和技能。
四、总结CQE作为质量工程师的职位,承担着重要的质量管理职责。
通过贯彻质量管理体系,研究和解决质量问题,协调各部门合作,CQE能够提升产品质量和客户满意度,为企业的可持续发展做出贡献。
质量工程师岗位说明书质量工程师岗位说明书质量工程师负责建立、改进并运行质量管理体系,规划实施质量管理方案,实现对产品、工艺的质量控制目标。
质量工程师岗位职责1、在安质环保部长领导下,全面负责质量监察工作;2、熟悉合同条款、技术规范、设计图纸及铁路工程质量验收标准,熟练运用各种质量检测器材;3、贯彻执行国家、铁道部、建设单位以及省市关于工程建设工作的有关法律、法规和规定,辨识、建立相关质量方面的有效文件清单,协助作好宣贯学习培训工作;4、依据质量方针和质量目标,制定质量管理规划,负责质量综合管理,行使质量监察职能。
按照施工质量验收标准,对本项目全部工程质量进行检查指导;5、负责工区项目部质量控制体系实施,做好工序质量控制。
督促所属各单位认真执行工程质量的三检制度;6、经常进行质量监督检查,并做好检查记录,针对检查出的问题采取相应的整改措施并负责监督落实;参加质量分析会,严格执行质量奖罚制度;7、负责执行局三标一体体系文件中质量目标管理、工程质量管理、工程质量检验、不合格品、纠正和预防措施等控制程序,并做好有关记录;谋求电气工程师职位,希望在项目建设期间或工厂正式投产以后,能利用我所掌握的知识和积累的工作经验,更好的为贵企业服务,同时使企业的利益最大化。
8、参与质量事故的调查、分析和处理,按有关规定及时上报事故原因分析和处理意见,并形成完整记录;9、积极参与推广新材料、新技术、新工艺、新方法的应用工作,督促、指导相关部门认真抓好创优规划的落实与QC小组活动。
(3)检查施工单位编制的施工组织设计,施工方案,和施工进度计划,提出审查意见,供总监审批时参考,并对计划的执行情况定期进行检查与监督;质量工程师岗位要求1、行业/产品/IT相关专业;2、具有项目管理、质量管理方面的知识;3、有质量管理工作经验;4、熟悉ISO体系,丰富的现场品质管理经验;5、熟悉品质管理手法;6、能够编制质量管理系统文件;7、有质量管理体系建设经验;8、灵活应变的处事能力,有较强的说服、教育、组织能力;9、踏实勤恳,执著敬业,富有团队精神。
cqe岗位职责说明书职位名称:CQE(质量工程师)岗位职责说明书1.岗位概述CQE(质量工程师)是负责质量管理和质量控制的专业人员。
他们与研发、生产、供应链以及客户进行密切合作,确保公司产品和流程达到预期的质量要求。
本文将详细介绍CQE岗位的职责和能力要求。
2.质量管理职责CQE负责制定和实施完善的质量管理体系,监督和管理质量控制过程,确保产品质量符合公司标准和客户需求。
具体包括以下方面:2.1 研发阶段支持与研发团队合作,参与产品设计评审,确保设计满足质量和可制造性要求。
提供质量工程的专业支持,例如制定合适的概要设计评审表。
2.2 质量标准制定根据公司和行业标准,制定产品和流程的质量标准,包括关键特性、外观要求、性能指标等。
2.3 控制计划和检验规范编制产品的控制计划和检验规范,确保产品在各个生产阶段和供应链环节都符合标准要求。
合理选择和应用各类检验工具和方法。
2.4 供应商质量管理与供应商建立合作关系,制定供应商质量管理计划,对供应商进行评估和监督,确保原材料和零部件的质量符合要求。
3.质量控制职责CQE负责质量控制过程,通过各种手段和方法进行质量问题的预防和发现,确保产品质量达到预期标准。
具体职责如下:3.1 过程能力分析通过使用统计工具和方法,分析生产过程的能力和稳定性。
例如,应用控制图对关键特性进行实时监控。
3.2 不良品处理制定不良品处理方案,协助生产团队进行不良品分析,提供相应的解决方案以防止类似问题再次发生。
3.3 问题解决和改进负责质量问题的处理和改进,包括根本原因分析、制定纠正和预防措施,并跟踪实施效果。
3.4 内部培训组织和进行内部培训,提高员工的质量认识和质量管理技能。
4.能力要求为了胜任CQE岗位,以下能力和技能是必备的:4.1 质量管理知识具备扎实的质量管理理论知识,了解质量管理体系的要求和标准。
4.2 统计分析能力熟悉统计工具和方法,能够运用统计分析技术解决实际问题。
qe岗位职责说明书一、岗位概述qe岗位指质量工程师(Quality Engineer),是公司质量管理体系中的重要职位之一。
qe在保证产品质量、提升客户满意度方面起着关键作用。
他们负责质量控制和质量改进工作,协助相关部门确保产品符合质量标准和客户需求。
本文将详细介绍qe岗位的职责和要求。
二、职责描述1. 完善质量管理体系qe负责制定和持续改进公司的质量管理体系。
他们需要参与质量管理手册的编撰、流程规范的制定,并通过内部审核和评估,确保体系的合规性和有效性。
此外,qe还负责培训员工,提高他们对质量管理体系的理解和遵守情况。
2. 设计和执行质量检测计划qe负责制定质量检测计划,并确保计划的执行。
他们需要根据产品特性和质量要求,选择适当的检测方法和工具,进行质量控制。
在整个生产过程中,qe会收集、分析和报告产品的质量数据,发现问题并提出改进措施。
3. 进行供应商评估和监控qe负责对供应商进行评估和监控,确保其质量控制符合要求。
他们会制定供应商审核计划,定期进行供应商现场评估,并跟踪解决供应商质量问题。
同时,qe还会与供应商合作,推动供应链的质量持续改进。
4. 参与问题解决和改进活动qe作为质量问题的专家,会参与解决产品质量问题的活动。
他们需要运用质量工具和方法,分析问题的根本原因,并制定改进措施。
qe 还会与跨部门团队合作,推动质量改进项目的实施,并确保改进措施的有效性和持续性。
5. 参与新产品开发qe在新产品开发阶段发挥着重要作用。
他们会参与产品规划、设计评审和验证测试等活动,确保产品符合质量标准和客户需求。
在整个开发过程中,qe会不断提供质量意见和建议,确保产品的质量和可靠性。
三、任职要求1. 教育背景具有相关专业本科及以上学历,如质量管理、工程等。
2. 技术能力熟悉质量管理体系和质量工具,如ISO9001、SPC、FMEA等。
能够熟练运用统计方法进行数据分析,并具备良好的问题解决能力。
3. 组织协调能力具备良好的组织和协调能力,能够有效地推动质量管理工作的开展,并与跨部门团队进行高效合作。
qep岗位职责说明书全文共四篇示例,供读者参考第一篇示例:QEP(Quality Engineering Professional)岗位是质量工程师的一种职位,主要负责产品质量管理和质量改进工作。
QEP岗位职责说明书旨在明确QEP岗位的职责和要求,以帮助员工更好地了解自己的工作内容和目标。
一、岗位概述QEP岗位是公司质量管理团队中的重要一员,主要负责产品质量的监控和改进工作。
QEP需要具备良好的质量管理知识和技能,能够有效地指导和支持生产部门实施质量管理体系,确保产品质量符合公司标准和客户要求。
二、岗位职责1. 制定和优化产品质量管理制度和流程,确保产品质量符合相关标准和法规要求;2. 设计和实施产品质量检测方案,监控产品各项指标并制定改进计划;3. 负责产品质量异常处理和质量事故的调查和处理,及时解决质量问题;4. 参与新产品试制和验证工作,提出质量改进建议并跟踪实施效果;5. 参与供应商质量评估和管理,建立长期合作关系并提高供应链质量水平;6. 组织相关部门开展质量管理培训,提升员工的质量意识和技能水平;7. 定期组织内部质量审核和外部认证审核,持续改进公司质量管理水平;8. 参与客户投诉处理和质量报告制作,保证客户满意度。
三、任职要求1. 本科及以上学历,工科相关专业,质量管理、工程管理等专业优先;2. 具备ISO质量管理体系相关知识和经验,持有质量管理体系内审员资质者优先;3. 三年以上相关行业工作经验,熟悉产品质量管理流程和方法;4. 熟练使用办公软件和质量管理工具,具备较强的数据分析能力;5. 具备良好的沟通和协调能力,团队合作意识强,能够独立分析和解决问题;6. 具备良好的学习能力和适应能力,能够适应工作压力。
四、发展前景QEP岗位是公司质量管理团队中的重要一员,具有良好的发展前景。
随着公司业务的不断扩展和产品质量要求的提高,QEP将承担更多的质量管理责任和挑战。
有能力的QEP可以逐步晋升为质量管理主管、质量经理等职位,成为公司质量管理团队的核心力量。