工程部部门职责与岗位说明书.docx
- 格式:docx
- 大小:121.26 KB
- 文档页数:9
工程部部门职责与岗位说明Prepared on 22 November 2020附件1:筹建处工程管理部部门职责一、部门职责概述负责编制、审核筹建处工程管理的相关制度与工作标准并严格执行;负责基建工程从初步设计、施工图设计、工程建设、工程验收、工程调试、移交生产全过程的安全、质量、进度、和造价管理等工作。
二、具体职责1.根据国家、行业有关法律、法规、标准及集团公司、省公司相关制度、规范要求,制定筹建处工程管理的相关制度与工作标准。
2.负责组织设计院、生产准备技术人员对初步设计文件、施工图设计文件中所有技术路线、设备选型的论证与优化工作,编制本工程“精品工程”策划方案。
3.负责组织设计院、生产准备技术人员对本工程施工、设备、材料、服务等招标项目的技术文件的编制,参与设备、材料、施工、服务等招标工作,并负责技术协议的签定。
4.负责组织本工程施工、设备、材料采购的设计联络会,对设备选型、设备监造、设备监装、设备验收、设备接收负责。
5.负责本工程安全设施设计、职业病防护设施、环境保护设施设计的施工进度控制与质量验收工作。
6.负责督促、协助设计院和EPC总包商完成全部工程施工图(含水、电、路、气、综合管网等)的设计工作,组织各参建单位、生产准备人员对所有施工图纸进行审核,对图纸质量负主要责任。
7.负责本工程里程碑计划及一级施工网络进度计划的编制,督促并审核各参建单位编制二级施工网络进度计划,负责本工程整体施工网络进度计划的落实。
8.负责制定本工程质量管理办法,负责本工程范围内的质量监督和技术监督工作,对工程施工质量、设备材料质量进行检查验收,配合生产准备进行调试质量验收,对工程设备、材料及施工质量负主要责任。
9.负责本工程各参建单位重大作业安全措施、组织措施、技术措施及应急预案的审核和实施,负责本工程安全文明施工实施细则的落实及考核工作,对本工程现场安全文明施工负主体责任。
10.负责本工程达标验收工作,配合计划部做好工程后评价工作;11.负责本工程建设档案的收集、整理、汇总、移交工作。
工程部的岗位职责工程部的岗位职责(通用13篇)在我们平凡的日常里,岗位职责在生活中的使用越来越广泛,岗位职责具有提高内部竞争活力,更好地发现和使用人才的作用。
岗位职责到底怎么制定才合适呢?下面是小编整理的工程部的岗位职责,希望对大家有所帮助。
工程部的岗位职责篇11、负责根据公司年度经营计划,分解制定部门年度、月度和目标。
2、全面负责本部门人员的日常管理工作,合理安排部门人员的工作任务,对部门人员的工作情况进行检查和督促。
3、组织前期的施工组织设计审查,确定总体施工内容及施工周期,把控总的施工进度、施工质量、安全管理。
4、组织对公司各项目施工现场的工程质量、技术、安全、施工进度、成本、文明卫生、环保等施工全过程的监督、控制工作,对此负有重大管理责任;评估项目建设情况,组织公司相关职能部门开展项目经理年度考评工作。
5、参与对项目部编写的工程施工组织设计、特殊或关键工序的施工技术交底、施工进度、质量、成本控制计划的审核、监督、协调、审核项目部对内、外的现场签证及设计变更工程量,督促项目部及时报签、上交,监督、协调、审核对外工程竣工结算编制、报审及向客户收回工程款。
监督、协调、审核对内分包工程竣工结算的编制、报审、工程款的支付申请工作。
6、根据现场情况及时修订施工进度表,定期向项目管理部上报进度;协调公司内部,外部(甲方、监理与项目组)两方间的相关事宜。
工程部的岗位职责篇21、编制工程项目进度计划,配合预算部门提供工程预算、决算、资料等;2、依据设计部提供的工程施工图纸,与设计部门进行现场勘察,测量及复核尺寸数据;3、组织有关人员熟悉、审阅并参加图纸会审,严格按施工图纸进行监督施工与验收,对施工图纸及工程材料量进行审核与确认;4、依据工程项目进度计划确认供货时间、施工方案,并对工程施工过程中的材料、成本、进度进行控制;5、根据工程施工计划与业主方确定工期,确认施工条件;6、依据施工计划、方案,合理安排班组进行现场施工,对工地进展情况进行监督,并对各班组现场进行管理对生产的工程材料就产品质量、数量、包装及标识进行检验,反馈给工程管理部;7、为工程预算提供相关的材料量、工时数据,依据出库单,依据工程合同条约及现场进度给工程部门提供工程款回收时间;8、对现场施工中出现的异常情况如现场状况、方案的更改、变动进行反馈、分析与处理,给设计提供相关数据以便于设计部门作设计的改良;9、检查施工质量,组织有关人员对质量、安全进行分析和评定,竣工预检,参加竣工验收,并递交施工和施工;10、领导管理工程部门的项目经理,组织安排项目管理人员及施工队伍。
工程部工作职责说明书工程部工作职责:工程部是基建办的内设机构,承担工程技术、功能设计、工程监理、现场施工安全、变更控制、工程进度和工程质量管理。
主要职责:(1)负责工程技术工作,提供技术咨询,参与工程建设、设计策划,负责专家组的协调管理和专家组技术讨论会议的组织。
(2)负责组织工程勘察设计,审查勘察设计方案、勘查报告和设计图纸的质量,并出具意见。
(3)负责现场施工管理,审查施工组织设计、施工技术方案和施工进度计划等,并出具意见。
(4)参与勘察、设计、施工、监理单位等各项工程招标活动。
(5)负责工地的安全生产和工地人员安全管理。
(6)负责监理单位的协调管理,审查监理规划、细则和监理报表。
(7)组织工程施工的开工、检查和验收,监督工程施工,负责工程签*,落实投资控制计划,协助工程结算。
(8)会同监理部门编制工程建设进度计划,落实施工期控制。
(9)审核、确认设计变更,协调各设计、施工单位的关系。
(10)负责工地现场的管理协调工作,创建文明工地。
(11)落实工程质量全方位、全过程管理,参与各项检查评优工作,负责组织省“世纪杯”和国家“鲁班奖”的评审、申报准备和协调工作。
(12)参与工程各项招标以及材料、设备选型、方案审查和测试工作。
(13)承担工程设备、设施的检查、调试、验收工作,并制作音像资料。
(14)负责工程信息资料、定期制作施工过程的照片和录像资料,协助综合部做好资料归档和工程档案管理工作。
(15)定期报送基建报表,编审“基建简报”和各部分工程简报。
(16)完成领导交办的其他工作。
千里之行,始于足下。
工程部岗位职责说明书工程部岗位职责说明书一、部门背景工程部是企业的重要部门之一,主要负责企业的工程项目的规划、组织、执行和监督等工作。
工程部是一个跨职能部门,与企业的其他部门紧密合作,为企业的进展供应技术支持和工程解决方案。
二、岗位职责1.负责工程项目的规划和设计。
依据企业进展的战略目标,制定工程项目的规划方案,并进行具体的设计,包括项目的时间节点、资源配置、成本进行等。
2.组织工程项目的实施。
依据项目的规划方案,组织相关人员进行项目的实施工作。
包括协调人员的协作,安排任务,监督工作进度等。
3.负责工程项目的监督和管理。
对工程项目的实施进行监督和管理,确保项目按方案进行,准时发觉并解决各种问题和难题。
4.关注新技术和新材料的应用。
准时争辩各种新技术和新材料的应用,为企业供应先进的工程解决方案。
5.参与工程项目的评估和策划工作。
负责对工程项目进行评估和策划工作,包括对项目的可行性进行分析和评估,制定项目实施方案等。
第1页/共3页锲而不舍,金石可镂。
6.与其他部门进行沟通和协调。
与企业的其他部门进行沟通和协调,确保项目实施过程中的协作和协作。
7.参与工程项目的验收和总结工作。
参与工程项目的验收和总结工作,对项目的完成状况进行评估和总结,提出改进意见。
8.负责相关文件的撰写和整理工作。
负责相关文件的撰写和整理工作,包括工程项目的报告、方案、方案等。
9.组织工程培训和技术沟通。
组织工程培训和技术沟通活动,提高工程部员工的专业素养和技术水平。
10.完成领导交办的其他工作。
完成领导交办的其他工作,确保工程部的工作顺当进行。
三、力量要求1.具备较强的技术力量和专业学问。
生疏工程项目的规划、设计、实施和管理等各个环节,把握相关的技术和学问。
2.具备良好的沟通和协调力量。
能够与企业的其他部门进行良好的沟通和协调,能够有效地解决问题和难题。
3.具备较强的组织和管理力量。
能够组织和管理工程项目的实施工作,协调各个环节的协作,确保项目的顺当进行。
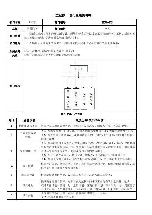
工程部部门职能说明书部门名称工程部部门编号THRD-GCB 上级常务副总部门编制10人部门宗旨全面负责项目前期的施工图设计,预算造价等工作以及施工阶段的进度、工期、质量和安全文明施工管理,促进项目实现公司预定目标。
部门原则在确保安全和质量的前提下,用尽可能低的成本达成尽可能高的质量和效率。
主要内外关系对内:市场部采购部策划设计部财务部对外:项目单位相关人员、现场采购物资供应商部门架构部门主要工作内容序号主要职责职责分解与工作标准1制度建设与实施负责建立工程部管理体系,健全项目管理流程、制度与标准,并组织实施。
2工程进度统筹管理(1)统筹负责项目归口管理,推动各项目按整体项目计划如期实现各节点目标;(2)跟进各项目进展情况,及时对各项目的工作情况进行评价,对项目工程款计量进行监督。
3项目前期工作(1)参与前期的工程勘察、设计、招标代理、评估机构、施工、监理、设备材料采购等前期考察与招标工作,负责施工招标文件的技术条款拟定工作,审查设备与材料采购等招标文件、询标及合同条款的技术部分;(2)配合开展方案设计、初步设计,招标图、招标图设计及其审查工作;(3)参与工程项目施工、监理招标和设备采购工作,协助确定相关中标单位。
4项目预算根据设计方案,结合商务、采购、造价的成本费用计划,做整体的项目预算。
上报审批并交付给商务做项目招标。
5施工图设计根据现场勘察的情况,设计施工图并深化,进行施工图交底。
6项目计划根据确定的项目目标,对项目实施过程中的各项工作所做的计划安排。
包括:项目工作计划、费用计划、进度计划、变更控制计划、项目采购计划、资源需求与供应计划、人员组织计划、文件控制计划、风险应对计划和项目支持计划等。
7项目实施负责项目现场的组织、实施、协调整和管理工作。
包括:(1)招募临时现场工作人员;(2)施工现场的物资采购;(3)与甲方监理对接;(4)管线预埋、综合布线、设备安装、系统调试等工作;(5)项目进度管理。
工程部部员岗位职责说明书工程部部员岗位职责【篇1:工程部人员各个岗位职责】工程部人员岗位职责一、主管工程师岗位职责1、服从工程部经理的领导,对主管项目的工程施工进度、质量、安全负责。
2、参与监理、施工单位招标文件的编制,参与有关合同条款的制订。
3、负责组织设计、监理、建设,施工及有关单位进行图纸会审并跟踪落实会审中提出的问题。
4、熟悉项目工程各专业施工图、会审纪要、设计变更等工程文件,并做好本工程的大事纪要。
5、组织审查项目工程的监理规划、监理细则、施工组织设计和施工作业方案。
6、根据监理合同要求,监督各专业监理工程师按照《监理细则》进行监理工作。
定期对合同执行,安全文明施工、影响工期进度的主要因素,质量控制效果等进行分析和纠编。
7、复核证实现场发生的工程量签变更签证、各种进度付款和进度罚款的确认签字,并报公司领导审批。
8、参加现场各种重大质量安全事故的调查、处理。
9、参加施工现场的各种例会和会议。
10、组织参加各种工程验收并签认,做出工程验收总结。
11、负责办理《工程竣工验收证书》负责项目工程竣工资料的完整性,并按时办理回档移交工作。
12、负责督促并协调工程各专业技术人员的工作。
13、安排部分职员的岗位及工作分工,检查并督促部分员工做好本职工作。
14、审批监理单位编写报批的监理规划。
15、审核工程的现场签证,工程月报量、工程进度款以及设备,材料选型等有关投资控制方面的工作。
16、审核部分月度工作计划及计划完成情况。
17、参加分项工程的主要验收工作及主要设备的试车验收工作。
18、参加有关工程项目的各种招、投标工作。
19、完成上级交办的其它工作。
二、土建工程师岗位职责1、负责编制和完善土建工程管理程序文件、质量管理作业指导书。
2、参与编制施工招标标准文件,参与和确定工程招投标文件。
3、审查施工组织设计,参与组织施工图纸技术交底会,提出建设性意见。
4、掌握图纸内容、工艺要求、材料的选用要求,负责本专业范围工程图纸的全面审核。
工程部岗位职责说明书一、部门名称工程部二、部门概述工程部是公司项目实施的核心部门,主要负责工程项目从策划、设计、施工到验收的全过程管理与控制工作,确保工程项目按照既定目标、质量标准、预算及时间表顺利完成。
三、主要岗位职责1.工程策划与设计管理-根据公司发展战略和业务需求,参与制定工程项目总体计划。
-组织协调设计团队,进行项目前期规划、设计方案评审和技术交底工作。
2.施工组织与管理-制定详细施工方案,编制施工进度计划,并监督执行。
-负责施工现场管理,协调各施工单位及监理单位的工作关系,解决现场技术问题。
3.工程质量控制-建立并落实工程质量保证体系,对施工过程中的各项工序进行严格的质量检查与监控。
-参与隐蔽工程验收、中间验收及竣工验收等工作,确保工程质量达到合同约定和相关规范要求。
4.成本与预算控制-编制项目成本预算,跟踪并控制工程项目的实际支出,防止超预算现象的发生。
-定期分析成本状况,提出成本节约措施和优化建议。
5.安全管理-制定并实施工地安全规章制度,定期组织安全教育培训和应急演练活动。
-对施工现场进行安全巡查,发现隐患及时整改,预防安全事故的发生。
6.合同与采购管理-负责工程材料设备的采购、合同签订以及供应商管理工作,确保供应质量和进度满足工程需求。
-处理与工程相关的合同变更、索赔等问题,保障公司合法权益。
7.资料归档与信息管理-督促完成各类工程技术文件、图纸资料的整理、归档和保管工作。
-通过信息化手段,实现工程项目的有效管理和信息共享。
8.竣工验收与交付-组织开展工程竣工验收工作,准备并提交验收所需的相关资料。
-协调处理验收过程中出现的问题,确保工程顺利通过验收并按期交付使用。
工程部岗位说明书3篇建立各级岗位职责,明确工作范围,确保工作质量。
2 适用范围2.1 适用于公司工程部各岗位;2.2工程部岗位包括工程部经理,项目经理,内勤。
3 工程部经理岗位3.1.1学历要求:大专以上学历;3.1.2工作阅历:5年以上门窗技术或施工管理阅历;3.1.3专业学问:有关本行业的相关法律法规学问,门窗学问及项目管理学问;3.1.4工作技能:项目谈判技巧,项目合同鉴定及管理;3.1.5职称要求:中级以上职称;3.1.6力量素养:责任心强,较强的沟通、管理及协调和团队建设力量。
3.2工程部经理岗位权力与义务3.2.1对公司工作有建议权;3.2.2对所辖人员有任免权;3.2.3对所辖人员有奖惩权。
3.3工程部经理岗位工作职责3.3.1学习、执行国家相关法律、法规、操作规程及行业标准;3.3.2领导项目经理与业主单位沟通协调,准时处理问题,维护公司形象;3.3.3作好项目资料的保管、整理、归档,作好项目分析;3.3.4负责本部门的队伍建设,作好员工思想工作,培育业务骨干;3.3.5参加工程项目的招投标工作及工程项目的会审;3.3.6接管项目后测量洞口尺寸并递送设计中心;3.3.7负责组织工程实施方案、打算、质量等措施,编制并实施;3.3.8负责准时下发车间生产打算通知单,并附技术交底通知书;3.3.9负责组织对安装队的考察、选用、管理及合同签订工作;3.3.10进驻工地后15日内及竣工验收前15日内要进行巡查工作;3.3.11负责工程验收工作,工程拨款的预算,帮助财务作好工程款回收工作;3.3.12对工程部全部人员合同、价格严守保密制度。
3.4 工作沟通关系3.4.1直接上级:董事长3.4.2直接下级:本部门所辖员工3.4.3内部沟通关系:各部门3.4.4外部沟通关系:安装队、监理方、总包方、业主方、检测部门等3.5绩效考核指标3.5.1忠于企业,爱岗敬业,自觉维护企业荣誉,遵守公司各项规章制度,团队协作精神;3.5.2项目资料保管的完好性;3.5.3洞口测量的精确性和递送准时性;3.5.4项目实施过程中平安、质量、进度指标的考核;3.5.5项目实施过程中消失问题上报的准时性和解决问题的力量;3.5.6本钱管控力;3.5.7工程款回收状况;3.5.8领导力及与各相关外部单位协调力量。
工程部主管岗位说明书
1、负责部门职责范围内各项工作的计划组织、监督、落实工作,对部门工作负责。
2、全面了解熟悉小区各项物业设施设备的综合状况及维保要求,严格根据有关操作规范,领导、组织、监督维修员对各项设施设备的巡查、管养、检测和相关记录,正确处理各类突发设备故障和紧急情况。
3、负责组织、监督日常公共设施,住户房屋维护维修,家庭装修跟踪监管,参与疑难复杂问题的现场处理工作。
4、认真做好设备的年、季、月、周的检修和材料计划,将批准后的计划下达班组,并检查落实情况。
5、协助品质部制订设备维保措施,操作规程和技术培训计划,申请用能指标,并在经主管领导同意后下达送、停水、电指令。
6、保证设备良好的技术状态。
定期检查设备的使用、维护和保养情况,做好设施及设备的日、周巡检工作,并在品质部领导下负责解决有关技术问题,掌握设备技术资料。
负责设备事故的处理。
7、负责做好月能源消耗的统计和维修用料的统计,配合电业、劳动等管理部门,做好设备的安全检查工作。
8、负责部门员工的岗位业务培训和工作考核,配合品质部组织员工的技术学习,做好员工工作量的统计,提供奖惩依据。
工程部部门职责说明(doc 2页)
工程部部门职责说明书
化建议;
10.协助配合其他部门的相关工作;11.承办公司领导交办的其他工作
权限:
1.对工程设计方案的提案权;
2.对工程预算的编制权以及执行权;3.对工程招标项目的技术审核权与建议权;
4.对本部门规章制度的审批权;
5.对工程管理制度和流程的提案权以及执行权;
6.对本部门员工的考核权与奖惩权。
直接上级:公司主管副总
上级指导部门:
同级沟通部门:公司各职能部门
指导下级的部门:供水事业部的供水管理部以及排水事业部的工程部
备注:。
工程部职责说明书工程部职责说明书一、部门职能工程部是公司内部的一个重要职能部门,承担着公司的工程项目管理和工程技术支持的任务。
部门的主要职责包括但不限于以下几个方面:1. 工程项目管理:负责公司的各类工程项目的计划、组织、实施和监督,确保项目按时按质按量完成。
工程项目包括新建工程、改造工程以及维护与保养工程等。
工程部要负责项目的立项、编制项目计划、组织资源、协调各方合作、控制进度和质量,同时做好风险评估,确保工程项目的顺利进行。
2. 工程技术支持:为公司的各个部门提供工程技术方面的支持和咨询,解决相关技术难题,提供技术指导。
工程部要与研发部、生产部等部门紧密合作,共同推进公司的工程技术水平的提升和创新能力的增强。
3. 工程质量控制:负责工程项目的质量控制工作,制定和落实相关的质量管理体系,确保工程项目的质量符合国家标准和公司要求。
工程部要建立完善的质量管理体系,制定标准和流程,严格控制工程项目的各个环节,及时发现和纠正问题,确保工程质量达到预期目标。
4. 工程成本控制:负责工程项目的成本控制工作,制定和落实相关的成本管理制度,确保工程项目的成本控制在预算范围内。
工程部要不断优化工程项目的成本结构,寻求降低成本的有效方法和途径,提高经济效益。
5. 工程安全管理:负责工程项目的安全管理工作,制定和落实相关的安全管理制度,确保工程项目的施工过程安全可靠。
工程部要重视施工现场的安全环境,组织安全培训和演练,加强对施工单位的安全监督,保障工程项目的安全完成。
二、部门组织架构工程部主要分为以下几个职能部门:1. 项目管理部:负责工程项目的规划、组织和管理工作,包括项目立项、项目计划编制、项目资源协调、项目进度控制等。
2. 技术支持部:负责为公司各个部门提供工程技术支持和咨询服务,解决相关技术问题,推动技术创新。
3. 质量控制部:负责工程项目的质量控制工作,制定质量管理体系、建立质量控制标准和流程,进行质量检查和质量评估。
附件1:筹建处工程管理部部门职责一、部门职责概述负责编制、审核筹建处工程管理的相关制度与工作标准并严格执行;负责基建工程从初步设计、施工图设计、工程建设、工程验收、工程调试、移交生产全过程的安全、质量、进度、和造价管理等工作。
二、具体职责1. 根据国家、行业有关法律、法规、标准及集团公司、省公司相关制度、规范要求,制定筹建处工程管理的相关制度与工作标准。
2. 负责组织设计院、生产准备技术人员对初步设计文件、施工图设计文件中所有技术路线、设备选型的论证与优化工作,编制本工程“精品工程”策划方案。
3.负责组织设计院、生产准备技术人员对本工程施工、设备、材料、服务等招标项目的技术文件的编制,参与设备、材料、施工、服务等招标工作,并负责技术协议的签定。
4.负责组织本工程施工、设备、材料采购的设计联络会,对设备选型、设备监造、设备监装、设备验收、设备接收负责。
5.负责本工程安全设施设计、职业病防护设施、环境保护设施设计的施工进度控制与质量验收工作。
6. 负责督促、协助设计院和EPC总包商完成全部工程施工图(含水、电、路、气、综合管网等)的设计工作,组织各参建单位、生产准备人员对所有施工图纸进行审核,对图纸质量负主要责任。
7. 负责本工程里程碑计划及一级施工网络进度计划的编制,督促并审核各参建单位编制二级施工网络进度计划,负责本工程整体施工网络进度计划的落实。
8. 负责制定本工程质量管理办法,负责本工程范围内的质量监督和技术监督工作,对工程施工质量、设备材料质量进行检查验收,配合生产准备进行调试质量验收,对工程设备、材料及施工质量负主要责任。
9. 负责本工程各参建单位重大作业安全措施、组织措施、技术措施及应急预案的审核和实施,负责本工程安全文明施工实施细则的落实及考核工作,对本工程现场安全文明施工负主体责任。
10. 负责本工程达标验收工作,配合计划部做好工程后评价工作;11. 负责本工程建设档案的收集、整理、汇总、移交工作。
工程部部门职责
1、配合开发部、销售部等部门进行项目前期运作。
2、全面负责工程开工前的准备及审查工作。
3、协助工程项目施工单位和监理单位招投标工作。
4、协调承包商、监理、设计及相关单位之间的关系。
5、负责对承包商、监理、设计单位的管理工作。
6、负责工程施工中质量、进度、安全,文明现场及投资成本的控制管理。
7、负责工程竣工验收及移交工作。
8、对工程管理过程中的文件、资料进行管理。
9、督导招投标工作的开展,监督工程招标全过程。
10、参与工程供方考察,审核工程类招标文件。
11、参与工程合同的编制和审核工作。
12、按时完成公司领导交办其他工作任务。
13、
工程部经理岗位说明书
土建工程师岗位说明书
安装工程师岗位说明书
资料员岗位说明书。
附件1:筹建处工程管理部部门职责一、部门职责概述负责编制、审核筹建处工程管理的相关制度与工作标准并严格执行;负责基建工程从初步设计、施工图设计、工程建设、工程验收、工程调试、移交生产全过程的安全、质量、进度、和造价管理等工作。
二、具体职责1。
根据国家、行业有关法律、法规、标准及集团公司、省公司相关制度、规范要求,制定筹建处工程管理的相关制度与工作标准。
2。
负责组织设计院、生产准备技术人员对初步设计文件、施工图设计文件中所有技术路线、设备选型的论证与优化工作,编制本工程“精品工程”策划方案.3。
负责组织设计院、生产准备技术人员对本工程施工、设备、材料、服务等招标项目的技术文件的编制,参与设备、材料、施工、服务等招标工作,并负责技术协议的签定。
4.负责组织本工程施工、设备、材料采购的设计联络会,对设备选型、设备监造、设备监装、设备验收、设备接收负责.5.负责本工程安全设施设计、职业病防护设施、环境保护设施设计的施工进度控制与质量验收工作。
6。
负责督促、协助设计院和EPC总包商完成全部工程施工图(含水、电、路、气、综合管网等)的设计工作,组织各参建单位、生产准备人员对所有施工图纸进行审核,对图纸质量负主要责任.7。
负责本工程里程碑计划及一级施工网络进度计划的编制,督促并审核各参建单位编制二级施工网络进度计划,负责本工程整体施工网络进度计划的落实.8。
负责制定本工程质量管理办法,负责本工程范围内的质量监督和技术监督工作,对工程施工质量、设备材料质量进行检查验收,配合生产准备进行调试质量验收,对工程设备、材料及施工质量负主要责任。
9.负责本工程各参建单位重大作业安全措施、组织措施、技术措施及应急预案的审核和实施,负责本工程安全文明施工实施细则的落实及考核工作,对本工程现场安全文明施工负主体责任。
10。
负责本工程达标验收工作,配合计划部做好工程后评价工作;11。
负责本工程建设档案的收集、整理、汇总、移交工作。
一、工程部部门职能部门基本情况部门名称公司工程部部门编码LDMY-GC分管上级股份公司分管副总裁于清波部门机构无部门定员版本号2016(第 1 版)生效日期核准人部门工作目标根据公司要求,组织公司工程施工管理;对工程项目进度、技术、质量及成本进行控制。
部门工作职能序职能类别职能描述权限责任号1项目建设做好项目的招投标工作,按总经理的要求起草标组织执行权直接书,做好招投标工作,制定并参与合同的签订工作。
负责项目施工前的手续办理和施工准备工作,参与2项目实施项目的可行性研究及施工方案拟定,施工图纸会组织执行权直接审,负责组织工程的报建工作及办理开工证。
3预算管理完成施工工程预算管理办法,负责组织编制和审核选择权直接工程项目预算,对材料、设备的采购预算提出建议。
指导项目的实施,监督检查项目的施工进度和质4技术管理量,加强对技术人员培训,解决好施工现场技术变审查权直接更和技术难题。
对施工现场进行监督,加强施工材料和施工人员管5现场管理理,努力降低成本,负责施工过程中的安全管理,处理权连带建立明确的安全责任,落实有效的安全政策。
6组织协调协助好工程施工过程中与外部各部门、各单位的联组织执行权直接系,合理配置资源,提高工作效益。
做好工程的竣工验收工作,包括验收前的准备工7工程验收作、验收过程中的应对措施,验收后的补救完善方拒绝权连带案等。
8资料管理做好工程施工资料和图纸的收集整理工作,保证工组织执行权直接程档案的完整性。
9工程维护保证公司所有生产、设施正常运行。
组织执行权直接二、岗位说明书(一)工程部部长岗位基本情况岗位名称公司工程部部长岗位编码LDMY-GC-01所属部门公司工程部薪酬类型固定直接上级股份公司分管副总裁于清波直接下级技术员、资料员、机修工、电工、水暖工内部协作公司各部门、各分子公司外部协作无本职工作主持开展工程部工作职务任命总经理提请,董事长审批编制部门公司工程部版本号2016( 第 1 版 )生效日期核准人岗位工作目标在总经理的领导下,主持工程部全面工作,组织完成工程部职责范围内各项工作任务,不断提高公司技术人员专业水平,保障公司工程顺利进行。
岗位工作职责职责描述:认真贯彻、执行国家的政策、法规和公司各项规章制度,全面负责工程进场前人力、职财力的组织工作和入场后施工现场的管理工作,主持工程部的日常工作。
责1、组织制定工程管理的相关规章制度报领导审批后监督执行;一工作任务2、制定工程项目进度计划,报领导审批后组织实施;职责描述:严格监督土建工程的施工质量,参加土建工程检查验收,隐蔽验收及土建工程材料、设职备进场检查验收,对土建工程质量负监管责任。
责工作二任务3、监督、检查各个工程项目质量与安全管理情况,杜绝质量安全隐患;4、会同内部质检部门与特检院进行工程竣工验收,及时指导处理验收中遇到的问题;职责描述:监督落实公司生产设备、设施正常运行,组织管理公司维修人员进行工作。
职5、监督、检查各个设备、设施运行情况,杜绝安全隐患;责三工作任务6、安排部门人员的岗位及工作分工,检查并督促部门员工做好本职工作;7、岗位工作权限与责任1、工程项目管理制度、计划的审核权;2、工程技术文件的审批权;3、安装、维护业务主要权限管理权; 4、部门下属工作的监督考核权。
主要责任1、对部门工作开展的及时性、正确性负责;2、对工程部内部控制负责;3、对下属因工作失误给公司造成不良影响负连带责任; 4、因工作失职给公司造成损失,负相应的经济责任和行政责任。
任职资格专业技能 熟悉工程建设管理理论与实务,具有高级建设师专业技术资格 工作经验 两年以上工作经验。
协调能力 具有良好的人际沟通与合作技能,有较强的组织和管理能力。
学历本科以上学历 身体素质 健康。
政治面貌无特殊要求(二) 工程部技术员岗位基本情况岗位名称 公司工程部技术员 岗位编码 LDMY-GC-02 所属部门 公司工程部 薪酬类型 固定 直接上级 工程部部长直接下级 无 内部协作 公司各部门间的关系外部协作 无本职工作 管理工程按规范保质保量进行 职务任命 总经理提请,董事长审批 编制部门 公司工程部版 本 号 2016( 第 1 版 )生效日期核 准 人岗位工作目标组织开展施工生产指挥、 协调、指导、监督为核心的工程项目各项施工管理工作, 调配好现场各类资源、实现工程进度目标,同时做好施工过程中的质量、安全、成本控制。
岗位工作职责职责描述: 认真贯彻执行国家建筑业法规的技术标准规范,保证工程按照计划, 保质保量顺利完成。
职责1、认真贯彻执行国家建设部各项施工规范,执行省、市下达的各项有关规定。
一工作 2、坚持原则,廉洁勤政,工作以身作则,深入施工现场,平衡协调施工程序,及时处理任务好施工中出现的各种技术问题。
职责描述: 规范工作程序,制定监理工作计划,协调内外业务关系,审核施工技术方案,科学安排职 施工时间。
并对施工质量和工程进度负责责 工作 3、解决施工中遇到的各类问题。
配合质检人员对分部、分项工程进行检查验收,把好质 二量关。
任务4、按施工规范和验收标准对分部、分项工程做好质检内业。
职 职责描述: 健全项目管理的工程管理制度,明确工作责任。
齐心协力、团结合作,确保工作任务按责质按量完成。
三工作 5 、完成领导交办的各项任务,按时参加范围内的各种会议及各项集体活动。
任务6、工程竣工前将所有内业资料图纸整理完毕,按标准和要求报送上级有关部门。
岗位工作权限与责任1、各类合同结账的建议权。
2 、供应商、施工班组的考评权。
3 、依据施工要求,主要权限对劳动力、施工机具和材料等进行合理利用及调配。
4 、对不合格品有拒绝使用权。
5 、发现不能保证工程质量和安全生产的现象,有制止权,并提出改良意见和措施。
1、严格按照政府颁发的规范、规程、验收标准、施工图及有关技术要求组织施工及验收,并对所管工程项目的安全生产负责直接责任。
2、按照施工组织设计、质量计划、作业指导书,认真组织实施。
及时做好施工日记和自检、隐检验收检查等签证及质量记录,保证施工过程中可追溯。
主要责任3、参与图纸会审,认真熟悉施工图样和施工组织设计,认真、清楚地向班组进行技术交底,不违章指挥,对质量事故、安全事故如实上报,并及时处理,对因失职或交底不清造成的事故负责。
4、负责施工项目的工程技术资料、记录和收集、整理、归档,保证工程技术档案完整,提供绘制竣工图的资料。
5 、督促检查作业班组、分包队伍,严格执行施工规范、规程,坚持制止违章作业,搞好安全生产,发现问题及时纠正,予以解决,处理不了的问题及时反馈。
任职资格专业技能工民建、工程管理等相关专业知识,熟悉图纸,熟练使用各种测量仪器工作经验 2 年以上工作经历协调能力具有良好的人际沟通与合作技能。
学历大专以上学历身体素质健康。
政治面貌无特殊要求。
(三)工程部资料员岗位基本情况岗位名称公司工程部资料员岗位编码LDMY-GC-03所属部门公司工程部薪酬类型固定直接上级工程部部长直接下级无内部协作公司各部门间的关系外部协作无本职工作负责工程部资料整理、总结编制职务任命总经理提请,董事长审批编制部门公司工程部版本号2016( 第 1 版 )生效日期核准人岗位工作目标做好工程施工资料和图纸的收集整理工作,保证工程档案的完整性。
岗位工作职责职责描述:内部管理职责一工作1、服从项目经理的工作指示与安排,在项目经理的指导下开展工作;任务2、落实部门管理计划职责描述:主要工作职责工作3、整理、监理档案、资料;二任务4、编制部门重点工作汇总;职责描述:资料的及时收集与申报职责三工作任务主要权限主要责任专业技能工作经验协调能力学历身体素质政治面貌5 、收集工程变更、现场签证、工程计量的数据和原始凭证;6 、按合同规定,核实已完工程量,对工程、材料、设备用款的支付进行申报;7、对施工单位上报的合同争议、索赔、工程延期报告等文本进行收集;岗位工作权限与责任1、调取查阅过往工程资料的权利 2 、提请协作协作单位及时提交资料的权利 3 、提请改善和保证资料完好保存与管理条件的权利 4 、否定不合格协作资料的权利 5 、申请增加编制重要资料文件的权利接收上级有关部门,各部、室发送的各种图纸、文件等资料,并登记造册,妥善保管,对资料不全、破损或丢失负直接责任。
2 、负责发放本部门对外发送的各种图纸、文件等资料,并办理登记手续。
3 、规范工程项目开发施工期间的各类图纸变更通知、工程合同及其它工程项目方面文件资料的收发,保管制度。
4 、对各种工程资料进行科学的规范的编号、登记、复印。
5、负责管理好有关工程技术资料的归档保存和借阅管理,并按有关工程技术资料的重要性进行分类,及时清理作废资料不被误用。
任职资格档案管理、信息管理等相关专业知识,熟悉房企业合同、工程资料、各种建筑图纸等各种档案管理知识2 年以上工作经历具有良好的人际沟通与合作技能。
大专以上学历健康。
无特殊要求。
(四)工程部电工岗位基本情况岗位名称公司工程部电工岗位编码LDMY-GC-04所属部门公司工程部薪酬类型固定直接上级工程部部长直接下级无内部协作公司各部门间的关系外部协作无本职工作电力设备维护维修工作职务任命总经理提请,董事长审批编制部门公司工程部版本号2016( 第 1 版 )生效日期核准人岗位工作目标所负责的电力工程质量达到标准;按生产进度完成施工任务;降低用电成本的要求,各种资料符合规范化管理要求。
岗位工作职责职责描述:在工程经理和主管领导下,对电气工程和临时用电负职直接管理责任责1、认真做好责任区内电器设备、线路的巡查、一工作保养、检修、记录等工作。
任务2、保障工程的供电及时用电安全,保管好各类工具、配件,不得丢失。
职职责描述:根据图纸或者现场情况制定用电预算,计算设备用电量。
责工作3、规范、操作规程、图纸和报价清单。
二任务4、按部位计算和控制材料用量,按图纸要求和规范施工的目的。
职职责描述:制定安全生产文明施工保护措施及降低成本的方案责5 、施工前做好各项准备工作,提交料具申请计划。
三工作任务6、制定安全文明用电制度并严格遵守。
岗位工作权限与责任主要权限1、对工作中出现的问题有提出意见和建议权。
2、根据公司有关制度,对违反用电管理办法的人员有建议处罚权。
3、有拒绝违章指挥、违章作业的权力,并及时向上级领导汇报。
1、要认真学习贯彻上级安全生产指示精神,做好本岗位安全生产工作,在工作中负直接安主要责任全责任; 2、执行安全规程、技术规程、操作规程,杜绝“三违”现象,消灭简化作业程序,习惯性违章。
3、坚持巡回检查制度,发现事故隐患及时处理,对不能及时处理的隐患,要采取有效措施,加以保护,并及时向领导汇报。
任职资格专业技能电力专业工作经验 2 年以上工作经历协调能力具有良好的人际沟通与合作技能。