项目03 外圆锥、圆弧车削
- 格式:ppt
- 大小:1.12 MB
- 文档页数:22
试析圆锥的车削方法
圆锥的车削方法是在工件表面上以旋转圆锥体为刀具的车削方法。
这种车削方法适用于加工圆锥形零件,如圆锥形工件、锥形孔和锥形轴等。
圆锥的车削方法主要包括圆锥面车削和圆锥孔车削两种。
一、圆锥面车削方法
1. 刀具选择:圆锥面车削一般选用圆弧形刀具或者带有圆弧刀片的车刀。
刀具的刀尖要与圆锥体的旋转轴线成一定的角度,以便于切削。
2. 调整车床:在进行圆锥面车削时,需要首先调整车床的工进和退刀的方向,使刀具能够按照一定的轨迹进行切削。
3. 确定工件位置:将工件夹在车床的工件夹持中,使之固定牢靠,并与刀具的刀尖成一定的角度。
4. 开始车削:启动车床,使工件和刀具旋转起来,利用工进和退刀的方式,使刀具沿着圆锥体的轨迹进行切削,直至完成车削。
5. 注意事项:在进行圆锥面车削时,需要注意刀具的位置、调整车床的速度和进给量,以保证切削质量。
总结:圆锥的车削方法是在车床上采用圆锥体为刀具对工件进行切削加工的方法,其主要包括圆锥面车削和圆锥孔车削两种。
在进行圆锥车削时,需要注意刀具的选择、车床的调整、工件的固定以及切削工艺的操作,以保证加工质量。
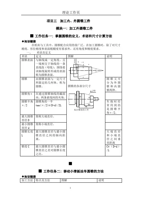
项目三加工内、外圆锥工件
模块一: 加工外圆锥工件
■工作任务一: 掌握圆锥的定义、术语和尺寸计算方法
◆知识链接
在机床与工具中,圆锥配合应用的很广泛。
在加工圆锥时,除了对尺寸精度,形位精度和表面粗糙度有要求外,还有角度和精度要求。
■
■工作任务二: 移动小滑板法车圆锥的方法
(1)车外锥时,利用端面中心对刀。
(2)车内锥时,可利用尾座顶尖对刀或者在孔端面上涂上显示剂,用刀尖在端面上划一条直线,卡盘旋转180度,再划一条直线,如果重合则车刀已对准中心,否则继续调整垫片厚度达到对准中心的目的。
图3.1 三、加工锥度的步骤
1、根据图纸得出角度,将小滑板转盘上的两个螺母松开,转动一个圆锥半角后固定两个螺母。
2、进行试切削并控制尺寸,要求锥度在五次以内合格。
3、检查。
◆任务完成过程中操作技巧与禁忌
1、车刀应对准工件中心,以防母线不直。
2、粗车时进刀不宜过深,应先找正锥度,以防工件车小报废。
3、随时注意两顶尖间的松紧和前顶尖的磨损情况,以防工件飞出伤人。
4、如果工件数量较多时,其长度和中心孔的深浅、大小必须一致。
5、精加工锥面时,a
和f都不能太大,否则影响锥面加工质量.
p
6、当车刀在中途刃磨以后装夹时,必须重新调整,使刀尖严格对准中心。
试析圆锥的车削方法
圆锥的车削方法是通过旋转刀具对工件进行加工,将工件的外形变成圆锥形状的加工方法。
圆锥的车削方法包括外圆锥车削和内圆锥车削两种。
1. 外圆锥车削
外圆锥车削是将具有直锥形外轮廓的工件按照一定的程序进行车削。
其车削工序一般包括以下步骤:
(1) 安装工件:将工件安装在车床的工件夹具上,并固定好,保证工件的稳定性。
(2) 确定切削参数:根据工件的材料和尺寸要求,确定切削速度、进给速度和切削深度。
(3) 调整车床:根据工件的尺寸要求,调整车床的各项参数,如刀架位置、主轴转速等。
(4) 开始车削:打开主轴,使工件开始旋转,同时将切削刀具按照一定路径移动,切削下去,直到达到所需的尺寸和形状。
(5) 精加工和磨光:根据需要,进行精加工和磨光,以提高工件的表面质量和尺寸精度。
无论是外圆锥车削还是内圆锥车削,都需要根据工件的要求确定切削参数,并进行适当的调整。
车削时要注意刀具的选用和刃研磨,以确保切削效果和工件质量。
生产实习授课教案科目数控加工与编程课题名称圆锥面、圆弧面的车削教学目的(1)复习基点的几种计算方法。
(2)理解和熟练的应用封闭切削复合循环G71代码编制出合理的程序。
(3)培养学生的思维能力,掌握其指令的编程技巧。
(4)培养学生运用所学知识解决问题的能力;会使用复合循环指令编程,并初步掌握数控车加工的主要步骤和合理路径,拓展数控车的应用范围并能对工件进行正确分析处理。
讲授主要内容1、G71代码的格式及参数含义;2、走刀路线及车削方法;3、注意事项。
4、编程举例及演示;教学重点G71指令格式、参数、刀具路径及编程要点教学难点熟练的运用G71编程程序和加工零件。
组织教学1、准备教具(挂图、小纸板、小黑板);2、检查学生穿着是否符合要求,记录出勤情况;3、集中讲授——操作示范——操作练习——巡回指导——总结。
示范演示1、G71的走刀路线;2、举例演示G71的编程及加工过程;课题练习内容要求1、能灵活选取指令进行圆锥面、圆弧面的切削;2、能按工艺要求进行编写程序加工零件。
巡回指导1、指导学生的程序编制及工艺制定;2、纠正学生的错误操作,保证安全文明生产;3、对加工误差的工件进行分析原因并加以修正。
总结指导详见后面教学内容课时分配总课时:300分钟新课导入新课内容练习、测试、巡回指导课题总结相关的工艺知识注意事项例题讲解及演示5分钟20分钟10分钟15分钟240分钟10分钟巡回 指导 整体教学流程图教学区2、操作演示 机床测试针对讲解 (解决问题) 发现差距认真听讲集体测试 1、测试YES (加大难度)发现问题 实操练习 布置任务实操练习2、测试NO(难度适当)提出目标 认真听讲拟订目标 讲授新课 讲授新课 2、仔细观摩1、认真听讲 1、讲解编程 竞赛测试测试小结再练习任务练习复习旧课图形编程 举例操作开 始结 束课堂总结和课后作业教案过程教学内容教学说明[复习旧课、引入新课](5分钟)1、提问学生G90 指令的格式及走刀路线。