表面处理中日对照
- 格式:xls
- 大小:18.50 KB
- 文档页数:2
age hardening 时效硬化ageing 老化处理air hardening 气体硬化air patenting 空气韧化annealing 退火anode effect 阳极效应anodizing 阳极氧化处理atomloy treatment 阿木洛伊表面austempering 奥氏体等温淬火austenite 奥斯田体/奥氏体bainite 贝氏体banded structure 条纹状组织barrel plating 滚镀barrel tumbling 滚筒打光blackening 染黑法blue shortness 青熟脆性bonderizing 磷酸盐皮膜处理box annealing 箱型退火box carburizing 封箱渗碳bright electroplating 辉面电镀bright heat treatment 光辉热处理bypass heat treatment 旁路热处理carbide 炭化物carburized case depth 浸碳硬化深层carburizing 渗碳cementite 炭化铁chemical plating 化学电镀chemical vapor deposition 化学蒸镀coarsening 结晶粒粗大化coating 涂布被覆cold shortness 低温脆性comemtite 渗碳体controlled atmosphere 大气热处理corner effect 锐角效应creeping discharge 蠕缓放电decarburization 脱碳处理decarburizing 脱碳退火depth of hardening 硬化深层diffusion 扩散diffusion annealing 扩散退火electrolytic hardening 电解淬火embossing 压花etching 表面蚀刻ferrite 肥粒铁first stage annealing 第一段退火flame hardening 火焰硬化flame treatment 火焰处理full annealing 完全退火gaseous cyaniding 气体氧化法globular cementite 球状炭化铁grain size 结晶粒度granolite treatment 磷酸溶液热处理graphitizing 石墨退火hardenability 硬化性hardenability curve 硬化性曲线hardening 硬化heat treatment 热处理hot bath quenching 热浴淬火hot dipping 热浸镀induction hardening 高周波硬化ion carbonitriding 离子渗碳氮化ion carburizing 离子渗碳处理ion plating 离子电镀isothermal annealing 等温退火liquid honing 液体喷砂法low temperature annealing 低温退火malleablizing 可锻化退火martempering 麻回火处理martensite 马氏体/硬化铁炭metallikon 金属喷镀法metallizing 真空涂膜nitriding 氮化处理nitrocarburizing 软氮化normalizing 正常化oil quenching 油淬化overageing 过老化overheating 过热pearlite 针尖组织phosphating 磷酸盐皮膜处理physical vapor deposition 物理蒸镀plasma nitriding 离子氮化pre-annealing 预备退火precipitation 析出precipitation hardening 析出硬化press quenching 加压硬化process annealing 制程退火quench ageing 淬火老化quench hardening 淬火quenching crack 淬火裂痕quenching distortion 淬火变形quenching stress 淬火应力reconditioning 再调质recrystallization 再结晶red shortness 红热脆性residual stress 残留应力retained austenite 残留奥rust prevention 防蚀salt bath quenching 盐浴淬火sand blast 喷砂处理seasoning 时效处理second stage annealing 第二段退火secular distortion 经年变形segregation 偏析selective hardening 部分淬火shot blast 喷丸处理shot peening 珠击法single stage nitriding 等温渗氮sintering 烧结处理soaking 均热处理softening 软化退火solution treatment 固溶化热处理spheroidizing 球状化退火stabilizing treatment 安定化处理straightening annealing 矫直退火strain ageing 应变老化stress relieving annealing 应力消除退火subzero treatment 生冷处理supercooling 过冷surface hardening 表面硬化处理temper brittleness 回火脆性temper colour 回火颜色tempering 回火tempering crack 回火裂痕texture 咬花thermal refining 调质处理thermoechanical treatment 加工热处理time quenching 时间淬火transformation 变态tufftride process 软氮化处理under annealing 不完全退火vacuum carbonitriding 真空渗碳氮化vacuum carburizing 真空渗碳处理vacuum hardening 真空淬火vacuum heat treatment 真空热处理vacuum nitriding 真空氮化water quenching 水淬火wetout 浸润处理。
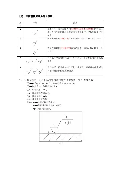
基本符号,表示表面可用得。
当不加注粗糙度参数值或有关说明时,仅适用简化代号标注。
表示表面是用表示表面是用轧等。
在上述三个符号的长边上可加一横线,用于标注有关参数或说明。
在上述三个符号的长边上可加一小圆圈,表示所有的表面具有相同的表面粗糙度的要求。
注: 1.根据需要,可在粗糙度符号周边加入其他数值、符号(如图1)①a—Ra值;如Rz,Ry值,则在数值前加注Rz,Ry;②b—加工方法(包括表面处理);③c—取样长度(mm);④d—加工纹理方向符号;⑤e—加工余量(mm);⑥f—其他粗糙度数值;其中:Ra—轮廓算数平均偏差;Rz—微观不平度十点平均高度;Ry—轮廓最大高度;(图1)精加工记号注:1.日本图纸中粗糙度分为有数字标注和无数字标注:①.无数字标注:当上表【2】中的粗糙度的取值恰好取表中的最大值时;②.数字标注:当粗糙度的值不等于最大值时,则需要在上方加数字标注。
2.图例,具体的数值参照表【3】(1).去除材料的加工面①.一般性表示(下图表示Rz≤6.3;Ra≤1.6)②.指定表面粗糙度时(下图表示Rz≤1.6;Ra≤0.4)(2).非去除材料的加工面①.一般性表示必须同时表示出表面粗糙度数值(下图表示Rz≤25;Ra≤6.3)②.若表面粗糙度可为100S以下时,可略去数值(下图表示Rz≤100;Ra≤25)(3).去除材料的加工面或非去除材料的加工面的任何一种都可以①. 25S以下即可时(下图表示Rz≤25;Ra≤6.3)②.指定表面粗糙度时(下图表示Rz≤12.5;Ra≤3.2)3.在有必要的情况下,需要指定加工方法。
则需在最右边的三角形,或者S 形延长线引出说明线。
图2中的G表示必须用磨床来达到粗糙度。
(图2)【3】.中日表面粗糙度对照表:m)R等级R新国标等级。
表面处理中英文对照1age hardening时效硬化ageing老化处理air hardening 气体硬化air patenting 空气韧化annealing 退火anode effect阳极效应anodizing阳极氧化处理atomloy treatment 阿托姆洛伊表面austempering 奥氏体等温卒火austenite奥氏田体/奥氏体bainite贝氏体baned structure 条纹状组织barrel plating滚镀barrel tumbling滚筒打光blackening 染黑法blue shortness 青熟脆性bonderizing 磷酸盐皮膜处理box annealing 箱型退火box carburizing 封箱渗碳bright electroplating 辉面电镀bright heat treatment 光辉热处理bypass heat treatment旁路热处理carbide 碳化物carburized case depth 浸碳硬化深层carburizing 渗碳cemmentite 碳化铁chemical plating 化学电镀chemical vapor deposition 化学蒸镀coarsening 结晶粒粗大化coating 涂布被覆cold shortness 低温脆性comemtite 渗碳体controlled atmosphere 大气热处理corner effect 锐角效应creeping discharge 蠕缓放电decarburization 脱碳处理decarburizing 脱碳退火depth of hardening硬化深层diffusion扩散diffusion annealing 扩散退火electrolytic hardening 电解卒火embossing 压花etching 表面蚀刻ferrite 肥粒铁first stage annealing 第一段退火flame hardening 火焰硬化full annealing 完全退火gaseous cyaniding 气体氧化法globular cementite 球状碳化铁grain size 结晶粒度granolite treatment 磷酸溶液热处理graphitizing 石墨退火hardenability 硬化性hardenability curve 硬化性曲线hardening 硬化heat treatment 热处理hot bath quenching 热裕卒火hot dipping 热浸镀induction hardening 高周波硬化ion carbonitriding 离子渗碳氮化ion carburizing 离子渗碳处理ion plating 离子电镀isothermal annealing 等温退火liquid honing 液体喷砂法low temperature annealing 低温退火malleablizing 可锻化退火martempering 麻回火处理martensite 马氏体/硬化铁碳metallikon 金属喷镀法metallizing 真空涂膜nitriding 氮化处理nitrocarburizing 软氮化normalizing 正常化oil quenching 油卒化overageing 过老化overheating 过热pearlite 针尖组织phosphating 碳酸盐皮膜处理physical vapor deposition 物理蒸镀plasma nitriding 离子氮化pre-annealing预备退火precipitation 析出precipitation hardening 析出硬化press quenching 加压硬化process annealing 制程退火quench ageing 卒火老化quench hardening 卒火quench crack 卒火裂痕quenching distortion 卒火变形quenching stress 卒火应力reconditioning 再调质recrystallization 再结晶red shortness 红热脆性residual stress 残留应力retained austenite 残留奥氏体rust prevention 防蚀salt bath quenching 盐浴卒火sand blast 喷砂处理seasoning 时效处理second stage annealing 第二段退火secular distortion 经年变形segregation 偏析selective hardening部分卒火shot blast 喷丸处理shot peening 珠击法single stage nitriding 等温渗碳sintering 烧结处理soaking 均热处理softening 软化退火solution treatment 固溶化热处理spheroidizing 球状化退火stabilizing treatment 安定化处理straightening annealing 矫直退火strain ageing 应变老化stress relieving annealing 应力消除退火subzero treatment 生冷处理supercooling 过冷surface hardening 表面硬化处理temper brittleness 回火脆性temper colour 回火颜色tempering 回火tempering crack回火裂痕texture 咬花thermal refining 调质处理thermoechanical treatment 加工热处理time quenching 时间卒火transformation 变态tufftride process 软氮化处理under annealing 不完全退火vacuum carbonitriding 真空渗碳氮化vacuum carburizing 真空渗碳处理vacuum hardening 真空卒火vacuum heat treatment 真空热处理vacuum nitriding 真空氮化water quenching 水卒火wetout 浸润处理。
图面常用日语/中文对照表日本語中国語日本語中国語研削/NC加工研磨加工2ヶ所2个地方フライス铣床10枚重ネ10个重叠放電放电カット切除ワイヤカット/ワイヤ线割カット部刀口部ザグリ/座グリ沉头孔表ヨリ从正面裏ザクリ反面沉头孔裏ヨリ从反面裏ニゲ背面逃孔裏表共正反两面都…ノック穴定位孔反対側モ反面一样ネジ穴螺丝孔Max最大刻模穴刻上穴号Min最小逃げ、逃がし部避空MaxR0.02最大R0.02逃げ角逃角刻印刻字コーナー角度インロウ/合せ装配/配合ワイヤーコーナー逃げ线割角部逃角荒取り粗加工キリ穴打孔プランク取り取外形ランナー無し无流道加工代(シロ)をつける加工留余量半円ランナー半圆流道ツバのみ対称仅爪部对称ゲート浇口全数バラツキ無きこと全部不可以有偏差貫通穴通孔バラツキ0.005以内偏差0.005(不平均)油溝油槽系面取り轻倒角ガスニゲ溝/エアベント排气槽指示無き无指示部エアニゲ溝引气槽面取り不可不可倒角アンダーカット凹槽/倒扣口元面取り不可口部不可倒角クリアランス/ピッチ(单边)间隙寸法尺寸傾斜ピン斜顶针寸法違イ注意注意尺寸不同本図本图所要個数内訳所要个数明细勝手違イ図对称图リーマ仕上げ绞刀加工対称形状对称形状エンドミル铣刀図面形状图面形状スペア备用品深サ深度熱処理热处理幅宽度コーディンク表面处理勾配弧度サブゼロ処理低温处理エッジ尖角Hcr 5u镀硬铬5U放電コーナーR放电R角溶接不可不可补焊ミガキ/バフ仕上げ/ラップ処理抛光加工肉盛(溶接)堆焊角出し、角要清角キズ碰伤ストレート直边ダレ/角ツブレ塌角スプライン曲面カケ缺口テーパ斜面亀裂(きれつ)开裂テーパ基点斜面基准点シワ起皱クロス斜線部交叉的斜线部ズレ偏移ハッチング部阴影部トリムプラス多料シャープコーナー直角トリムマイナス少料引っ掛け挂台バリ/カエリ毛刺下穴下孔変形/ソリ变形突き当て顶部焼きつき拉伤压痕根元尾部擦り傷擦伤口元口部クラック/割れ裂痕両端两端ボイド气泡両側两侧打ゴン打伤センター/センタ中心スパーク火花面粗さ面粗度シボ面蚀纹。
机加工 表处 中日翻译表面处理:氮化—— 窒化 / チッカ / タフトライド /HNT /HNT-G(软氮化)无电解镍—— 無電解メッキ / 無電解ニッケルメッキ / Pni /カニゼン /MFNiIII / ElpFe/Ni-P镀铬—— クロームメッキ黑铬--BCR/黒色クロムメッキ硬质镀铬—— 硬質クロームメッキ / ハードクロム /HCR /MICr /EP-FE /ICR /白上 / Hard chrome硬质氧化——硬質アルマイト白色氧化—— 白アルマイト /AM / AA10 / AM-N4 / SA10 / anodized黑色氧化—— 黒アルマイト / BAM / anodized(black)黑染处理—— 黒染め / パーカ / SOB / blacken / BL / SO 光泽镀锌—— ユニクロ/ MFZnII-C镀金——金メッキFCA--抛光热处理:淬火—— 焼入れ/HQ回火—— 焼き戻し真空淬火—— 真空焼入れ、バーナー焼入れ/VH/HE淬火回火—— 焼入れ焼き戻し/QT/HQ-HT浸炭淬火--GC/浸炭焼入れ/HC.HQHQI/FHA / IHA/高周波淬火 火炎焼き入れ /HEP/フレームハード:火炎淬火加工中:沉头—— 座ぐり/ザグリ精孔——リーマ 长孔—— 長穴从反面加工—— 裏より螺丝—— ねじ/ネジ/螺子避位—— 逃げ/ニゲ杯头—— 皿モミ 牙孔-—— タップ 平牙(普牙):並目 普目螺距—— ピッチ 孔距—— 穴ピッチ线切割:ワイヤー=ワイヤーカット 钢牙—— ヘリサート 黄铜:真鍮 BSBMノックピン --定位针 ノック穴--定位孔ケガキ線:划线公称直径:呼び径滚柱外母线直径:オーバーピン経齿轮的法向压力角:歯直角压力角 模数:モジュール 节圆直径:ピッチ円直径公法线齿厚:またぎ歯厚アヤ目ローレット:网纹滚花中英对比Carburizing prevention→浸炭防止Left hand thread⇒左螺丝ESCAPE PROCESSING→研磨逃がし/研磨避位Right hand thread⇒右螺丝BACK FACE→裏から/从反面加工rim⇒边缘 Hole⇒孔insert heli coil⇒装钢牙division into⇒分为knurling⇒滚花,压花纹 mesh-pattern ⇒网格花样slotting⇒打孔,开槽 through⇒通。
日文中文
レイデント
硬質クロムめっき硬铬
無電解ニッケル
无电解镀镍亜鉛めっき加工処理镀锌
ユニクロ蓝锌
クロメート彩锌
黒色クロメート黑锌
ニッケルめっき电解镀镍装飾クロムめっき
装饰铬
アルマイト加工処理氧化
硬質アルマイト
硬质氧化黒染加工処理发黑
リューブライト加工処理磷酸盐处理鉄鋼の表面に結晶性のリン酸皮膜を生成させ、錆を防ぐ処理のことです。
他の呼び方:パーカーライジング(日本パーカーの製品名)、リン酸塩処理
金属表面处理方法
バフ研磨加工処理抛光
ナシジ加工処理喷砂ナシジ、ブ
ラスト、シ
ョット掛け
、ショット
ブラスト、
梨地処理、
サンドブラ
スト、SB
、ブラスト
掛け、艶消
し処理JIS Z
0310
対応英語:shot brast , blasting
日文中文焼入れ淬火焼き戻し回火焼き鈍し退火焼きならし正火チッカ(浸炭)渗氮
热处理
リューブ、パーカー、パーカーライジング、りん酸マンガン、リン酸マンガン、燐酸マンガン、りん酸Mn、リン酸Mn、燐酸Mn、パーカーリューブライト、 Lb
JIS H 0400
対応英語:
phosphat ing , phosphat ing treatmen t,luberite。
模具专业术语中日英对照金 型(模 具、molding die)金 型 の 種 類(模 具 的 种 类,kind of molding die)金型かながた模具 molding die,metal die ダイだい模头、凸模 die射出成形用金型しゃしゅつせいけいようかながた注塑模具 injection molding die二枚型金型にまいがたかながた二板式模具 two plate molding die 三枚型金型さんまいがたかながた三板式模具 three plate molding die多数個取り金型たすうこどりかながた多型腔模具 malti-cavity molding die組合せ金型くみあわせかながた成套制品模 family molding dieホットランナー金型ほんとらんなーかながた热流道模具 hot-runner molding die断熱ランナー金型だんねつらんなーかながた绝热流道式模具 insulated runner mold ランナーレス金型らんなーれすかながた无流道模具 runnerless molding die電鋳金型でんちゅうかながた电铸模具 electroplatting fomed mold二重金型にじゅうかながた双重模具 double stacked molding die二層金型にそうかながた双层模具 two level molding die亜鉛合金金型(ZAS金型)あえんごうきんかながた锌合金模具 zinc alloy foming die 自動金型じどうかながた自动模具 automatic molding die精密金型せいみつかながた精密模具 precision molding die通気性金型つうきせいかながた通气性模具 porus molding die石こう型せっこうがた石膏模 gypsum molding die割型对开式模具 split molding die金型部品および用語(模具部件及用語、molding die parts and wording)アダプタープレートあだぶたーぷれーと載模板adapter plateアダプターリングあだぶだーりんぐ接模圈adapter ring当て板あていた垫板caul当て金あてがね锁块punch heel合せ穴あわせあな定位銷孔dowel hole合せピンあわせぴん定位銷dowel pinアンカーピンあんかーぴん錨銷、固定銷ancher pinアンギュラーカムあんぎゅらーかむ斜位合模凸轮angular camアンギュラーピンあんぎゅらーぴん斜位銷、斜导销angular pinアンダーカットあんだーかっと凹槽undercut入れ子いれこ模槽嵌件cavity or core insert入れ子穴いれこあな模槽嵌件孔insert holeインサート金具いんさーとかなぐ金属嵌件metal insertインサートピンあんさーとぴん嵌件銷insert pinウエブうえぶ片料、卷筒料web受け板うけいた垫模板、承板backing plateエア突出しえあつきだし气刀脱模air ejectionエアベントえあべんと通气管air ventエジェクタースリーブえじぇくたーすりーぶ脱模套筒ejector sleeveエジェクターピンえじぇくたーぴん顶针ejector pinエジェクタープレートえじぇくたーぷれーと脱模銷托板ejector plateエジェクターフレームえじぇくたーふれーむ顶出框ejector frameエジェクターロッドえじぇくたーろっど顶框连杆ejector rod置き中子おきちゅうし設置芯setting coreオーバーラップゲートおーばーらっぷげーと重迭浇口overlap gateガイドピンがいどぴん合模銷、导柱guide pinガイドピンブッシュがいどぴんぶっしゅ合模銷套、导套guide pin bushガイドプレートがいどぷれーと导料板guide plateガス抜きがすぬき脱气、放气degassing,breathing型当り面かたあたりめん模具型面die face型板かたばん模具装配(固定)板mold plate型継目かたつぎめ模塑接縫mold seam可動側型板かどうそくかたばん可动侧模板movale retainer plate可動側取付け板かどうそくとりつけばん可动侧装模板movale clamping plate可動盤かどうばん活动盘movale plate金型構造かながたこうぞう模具結构die construction金型設計かながたせっけい模具設計die design金型取付け面積かながたとりつけめんせき模具安装面积mold clamping area 金型冷却水路かながたれいきゃくすいろ金属模冷却水路die cooling passege金型冷却状態かながたれいきゃくじょうたい金属模冷却状态die cooling condition 貫通孔かんつうこう貫穿孔道through tube(hole)キャビティきゃびてぃ模槽、阴模cavityキャビティ側きゃびてぃがわ阴模側cavity side 強制突出しきょうせいつきだし強制頂出forced ejectionクーリングスリーブくーりんぐすりーぶ冷却套筒cooling sleeveクーリングマンドレルくーりんぐまんどれる冷却芯型cooling mandrelクーリングリングくーりんぐりんぐ冷却环cooling ring傾斜突出しけいしゃつきだし傾斜脱模slant ejectionゲートげーど浇口gateゲートバランスげーどばらんす浇口平衡gate balanceゲートブッシュげーでぶっしゅ浇口衬套gate bushゲートランドげーどらんど浇口面gate landコアこあ模芯coreコアピンこあぴん成穴銷core pinコアピンプレートこあぴんぷれーと成穴銷托板core pin plate固定側型板固定側模板stationary retainer plate固定側取付け板こていがわとりつけいた固定側装模板stationary clamping plate コールドスラグウエルこーるどすらぐうえる冷块井cold slug wellサイドゲートさいどげーと側向浇口side gateサイドコアさいどこあ側位模芯side coreサブスプルーゲートさぶすぷるーげーと分注道式浇口subsprue gateサブマリンゲートさぶまりんげーと沉陥式浇口submarine gateサーフェスピンさーふぇすぴん回程銷sureface pinサポートピンさぽーとぴん支承銷support pinシアゲートしあげーと剪断浇口shear gate シアピンしあぴん剪断安全銷shear pin自動突出しじどうつきだし自動頂出automatic ehectionストリッパープレートすとりっぱーぷれーと脱模板striper plateストップピンすとっぷぴん止動銷、挡銷stop pinスプルーすぶるー注口、注口冷料sprueスプルー突出しピンすぶるーつきだしぴんdr注道残料銷sprue ejecter pinスプルーゲートすぷるーげーと直浇口sprue gateスプルーブッシュすぷるーぶっしゅ注口衬套sprue bushスプルーロックピンすぷるーろっくぴん注道残料固定銷sprue lock pinスペーサーブロックすぺーさーぶろっく模脚、間隔块spacer blockスライドコアすらいどこあ滑動型芯、滑芯slide coreスリーブ突出しすりーぷつきだし套筒脱模銷sleeve ejectionスラグウエルすらぐうえる冷流井slug well制限ゲートせいげんげーと穿浇口restricted gateセンターゲートせんたーげーと中心浇口center gateダイアフラムゲートだいあふらむげーと隔模型浇口diaphragm gateダイストロークだいすとろーく动模行程die strokダイハイトだいはいと装模高度die heightダイプレートだいぷれーと口模板die plateダイブロックだいぶろっく模体die blockダイラインだいらいん圧模分線die lineダイリングだいりんぐ凹模圈die ringダイレクトゲートだいれくとげーと直接浇口direct gateダウエルピンだうえるぴん定位銷dowel pinダウエルブッシュだうえるぶっしゅ定位銷套dowel bush多点ゲートたてんげーと复式浇口multiple gateタブゲートたぶげーと柄形浇口tab gateダブルサイドゲートだぶるさいどげーど双侧面浇口double side gate 段付きピンだんつきぴん台阶式銷shoulderd ejection pin断熱板だんねつばん絶熱板insulation board突出しつきだし頂出ejection突出し装置つきだしそうち頂出装置ejector突出し板つきだしいた脱模銷托板ejector plate突出しピンつきだしぴん頂出銷ejector pin突出し棒つきだしぼう頂出杆ejector rod,knock-out bar突出しリターンピンつきだしりたーんぴん脱模板回程銷ejector plate return oin 吊りピンつりぴん吊銷support pinディスクゲートでぃすくげーと盘形浇口disk gateトピードとぴーど水雷形扩张器torpedo sprederとも型ともがた双联阴模板duplicate cavity plate取付け板とりずけいた定模板、装模板clamping plateトンネルゲートとんねるげーと隧道形浇口tunnel gate中子ちゅうし芯、芯子core斜めピンななめぴん指形銷finger pin二次スプルーにじげんすぶるー二次注口second sprue二次ランナーにじげんらんなー分流道secondry runner二段突出しにだんつきだし二工位頂出two step ejection抜き勾配(ドラフト)ぬきこうはい(どらふと) 抜模斜度draftノズルのずる注嘴nozzleノズルシートのずるしーと注嘴座nozzle seatノズルタッチのずるたっち注嘴接触nozzle touchingノズルマニホールドのずるまにほーるど注嘴分流腔nozzle manifoldノックピンのっくぴん定位銷knock pinノックアウトのっくあうと頂出knock-outノックアウトピンのっくあうとぴん頂出銷knock-out pinノックアウトピンプレートのっくあうとぴんぷれーと頂出銷托板knock-out pin plateパーティングラインはーてぃんぐらいん合模线parting lineバッフルプレートばっふるぷれーと隔板、挡板baffle plateバランスドランナーばらんすどらんなー平衡流道balanced runnerバルブゲートばるぶげーと阀门浇口valve gate非制限ゲートひせいげんげーと无阻浇口unrestricted gate標準ゲートひょうじゅんげーと标准浇口standerd gate標準ノズルひょうじゅんのずる标准注嘴standred nozzleピンポイントゲートぴんぽいんとげーと針孔形浇口pin point gateファンゲートふぁんげーと扇形浇口fan gateフィルムゲートふぃるむげーと膜形浇口film gateブッシュぶっしゅ衬套bushフラッシュゲートふらっしゅげーと飞边形浇口flash gateブランクぶらんく毛坯blank分割線ぶんかつせん合模線parting lineベントべんと通気口ventホットランナーほっとらんなー熱流道hot runnerホットチップほっとちっぷ加熱片hot chipマニホールドまにほーるど集流腔manifoldマルチゲットまるちげっと复式浇口multi gate水穴みずあな水冷腔water channelめくら栓めくらせん暗栓、暗塞blank plugモールドベースもーるどべーす金属模底座mold baseライナーらいなー衬垫、套筒、嵌入件linerランドらんど溢料面、合模面landランナーらんなー流道runnerランナーストリッパープレートらんなーすとりっぱーぷれーと流道頂出板runner stripper plate ランナーロックピンらんなーろっくぴん流道鎖銷runner lock pinリーダーピンりーだーぴん导銷leader pinリーダーピンブッシュりーだーぴんぶっしゅ导銷套leader pin bushリターンピンりたーんぴん回程銷return pinリテーナーピンりてーなーぴん嵌件回程銷retainer pin リテーナープレートりてーなーぷれーと嵌件托板retainer plateリムゲートりむげーと边形浇口rim gate流路流路fluid passageリング状回路りんぐじょうかいろ环形回路ring circuit passeageリングゲートりんぐげーと环形浇口ring gate冷却回路れいきゃくかいろ冷却回路cooling passeage冷却効果れいきゃくこうか冷却效应cooling effect冷却速度れいきゃくそくど冷却速度cooling speed冷却水通路れいきゃくすいつうろ冷却水通道cooling channelロッキングブロックろきんぐぶろっく滑块锁紧块rocking bolckロッドピンろっどぴん定位銷rod pinロケートリングろけーとりんぐ定位环locating ring金型関連機械部品および用語(模具有关的机械部件及用語、mechanical parts and wording for molding die)アイボルトあいぼると吊环螺栓eye boltアスベスト板あすべすとばん石棉板asbestos plateあり溝ありこう燕尾槽dovetailいんろういんろう凹窝centering locationエアシリンダーえあしりんだー气罐、气缸air cylinderエルボ えるぼ弯elbowOリング OりんぐO形环、密封圈O ring型替え 换模ガスケットがすけっと密封垫gaskerカップリングかっぷりいぐ偶联couplingカムかむ凸轮cam管用テーパーねじかんようてーぱーねじ錐管螺紋taper pipe thread管用平行ねじかんようへいこうねじ平管螺紋parallel pipe threadギアポンプぎあぽんぷ齿轮泵gear pump機械加工性きかいかこうせい切削性machinability木型木模wooden pattern機械的性質きかいてきせいしつ機械性能machanical characteriticキャップボルトきゃっぷぼると盖螺栓cap boltくさびくさび木楔、开口銷cotter 口金くちがね柱帽、管塞capグラファイトぐらふぁいと石墨graphiteクリアランスくりあらんす間隙、游隙clearanceグリースニップルぐりーすにっぷる潤滑脂注入口、潤滑脂嘴grease nipple光沢こうたく光沢glossコーナー半径(R)こーなーはんけい(あーる)角半径corner radiusゴムごむ橡胶rubberゴムホースごむほーす橡胶软管rubber tube作動油液圧油hydraulic oilジグ(治具)じぐ夾具jig締付け金具しめつけがなぐ卡子、箱夹clampシリコンゴムしりこんごむ硅橡胶silicon rubberシールテープしーるてーぷ密封带seal tape数値制御(NC)すうちせいぎょ(えぬじー)数字控制numerical controleスクリュウ(ねじ)すくりゅう螺絲、螺杆screwスプリングワッシャーすぷりんぐわっしゃー弾簧垫圈spring washerスライダックすらいだっく滑线电阻調圧器slidac寸法安定性すんぽうあんていせい尺寸穏定性dimensional stability台形だいけい梯形trapezoidダイアフラムだいあふらむ隔模diaphragm耐用年数たいようねんすう耐用年限durable period(term)ツーリングつーりんぐ工具准备、工具布置toolingテーパーてーぱー錐度taperテーパーピンてーぱーぴん錐形銷taper pinテンプレートてんぷれーと様板、様規、模板template逃げ角にげかく切口斜角relief angleニップルにっぷる管接头、喷嘴nippleバカ孔ばかこう空炮眼loose holeパッキンばっきん填料packingバッフルばっふる导流塞baffleばねばね弹簧springピッチぴっち螺距pitchプリホーマーぷりほーまー預圧機preformerマスキングますきんぐ遮蔽maskingマスキングテープますきんぐてーぷ遮蔽胶带masking tape油圧シリンダーゆうあつしりんだー液圧缸hydraulic cylinder油圧ポンプゆうあすぽんぷ液圧泵hydraulic pump六角穴付きボルトろっかくつきぼると内六角螺栓bolt of hexagon scoket head 六角ナットろっかくなっと六角螺母hexagon nut 六角ボルトろっかくぼると六角头螺栓hexagon boltロックナットろっくなっと鎖緊螺母lock nutワッシャーわっしゃー垫圈washer金 型 加 工(模 具 加 工、manufacturing of molding die)合いマークあいまーく対刻印notch markあそびあそび游隙、间隙clearance当り(あたり)あたり接触、刮研点contact当り面あたえいめん接触点、噛合点contact point圧縮加工あっしゅくかこう圧縮成形forming for compression合せ作業あわせさぎょう配合作業matching work粗仕上げあらしあげ預修飾prefinising上向き削りうわむきけずり逆銑up-cut milling液体ホーニングえきたいほーにんぐ液体搪磨liquid honingエッチングえっちんぐ蝕刻、侵蝕etching送り量おくりりょう送進量feed rate送り速度おくりそくど送進速度feed speed化学研磨かがくげんま化学(研)磨chemical polishing加工かこう加工fabrication,processing加工基準面かこうきじゅんめん加工基準面die reference plane型合せからあわせ模具定位die spottingがたがた松度、松驰loosenessカッターオフセットかったーおふせっと刀具偏量cutter offsetカッターパス(工具経路)かったーぱす(こうぐけいろ)刀具軌迹cutter passカッター干渉かったーかんしょう刀具干渉cutter interferes金型調整かながたちょうせつ模具調整die tryout,spotting in基準面きじゅんめん基準面working reference plane許容限度寸法きょようげんどすんぽう允許尺寸偏差limited size許容寸法きょようすんぽう允許尺寸allowable size鏡面研磨きょうめんげんま鏡面研磨mirror polishing切込み深さきりこみふかさ切削深度depth of cut組立時間くみたてじかん装配時間assembly time組立図くみたてず装配図、組装図assembly drawingグリースアップぐりーすあっぷ加油、加注潤滑脂grease upけがきけがき刻線marking offゲージ長さげーじながさ标距gauge length現物合せけんぶつあわせ装配件配作shop adjustment研磨仕上げけんましあげ研磨加工abrasive finishing工具径補正こうぐけいほせい刀具直径补偿tool diameter compensation 工具長補正こうぐちょうほせい刀具长度补偿tool length compensation 工具再研削刀具重磨tool resharpening 工具寿命こうぐじゅみょう工具寿命tool life 工作図こうさくず工作図shop drowing工作精度こうさくせいど加工精度machining accuracy構成刃先こうせいはさき积屑瘤、刀瘤build up edge公差こうさ公差tolerance誤差ごさ誤差errer コールドホビングこーるどほびんぐ冷挤圧制模cold hobbingさらう疎浚clean out三次元加工さんじげんかこう三元加工、立体加工three dimention milling サンドブラストさんどぶらすと噴砂处理sand blast仕上げしあげ修飾finising仕上げ程度しあげていど修飾程度finising grade仕上げしろしあげしろ修飾余量finising allowance試打ちためしうち試模塑test forming下向き削りしたむきけずり順銑down-cut milling重切削加工強力切削heavy cuttingショットブラストしょっとぶらすと噴丸処理shot blast水圧試験すいあつしけん水圧試験hydraulic pressure testスプレーすぷれー噴射sprayすり合せすりあわせ面磨合facing up製品図せいひんず产品图product drowing切削速度切削速度cutting speed切削巾切削寛度width of cut線図せんず線型図lines chart塑性加工ちょうせいかこう塑性加工plasticty processingタッピングたっぴんぐ攻絲tapping段取りだんどり安排程序preparetory plan調整箇所ちょうせいかしょ調整部分adjust part調整寸法ちょうせいすんぽう調整尺寸adjustable length調整方法ちょうせいほうほう調整方法adjust method槌打錘击、鍛打hammering突合せ箇所つきあわせかしょ突出部分、粗端部分butt place手直してなおし修正、修改repair電解加工でんかいかこう电解加工electrolytic processing電解研削电解磨削electrolytic grinding電解研磨でんかいけんま电解抛光electrolytic polishing電着法でんちゃくほう电解沉积法electro deposition process電鋳法でんちゅうほう電鋳法electroplating forming method点検てんけん検点inspection,check熱間加工ねっかんかこう熱加工hot processingバリ切りばりきり模具面配合die face fittingピックフィードぴっくふぃーど周期進給pick feed冷やしばめひやしばめ冷圧配合cooling fit 不具合箇所ふぐあいかしょ不具備部分defecient portion腐食加工ふしょくかこう磨蝕加工erosion working放電加工(EDM)ほうでんかこう(いーでぃーえむ)电火花加工electric discharge machining ホーニングほーにんぐ珩磨honingボーリングぼーりんぐ钻探、钻孔boringみがき抛光polishing面とりめんどり倒角chamfering面削加工表面加工,刨削,面飾facing work焼きばめやきばめ熱圧配合shrinkage fit有効巾ゆうこうきん有効寛度working width溶射ようしゃ火炎噴涂flame spray coating呼び寸法よびすんぽう基本尺寸nominal dimension冷間加工れいかんかこう冷加工cold workレベル調整れべるちょうせい水準調整levelling adjustment六面切削加工ろくめんけずりかこう六面切削加工hexadral face cuttingワイシャカット放電加工(WEDM)わいしゃかっとほうでんかっと电火花线切割wire cutting E 金型加工機械および設備(模具加工機械及設備、machine tools and equipment)数値制御(NC)工作機械すうちせいぎょ(えぬしー)こうさくきかい数控机床numerical contro フライス盤(ミーリングマシン)すらいすばん(みーりんぐましん)铣床milling machine倣いフライス盤仿形铣床copy milling machineマシニングセンター(MC)ましにんぐせんたー(えむしー)自动换刀数控机床、加工中心machi ダイシンカー(型彫刻機)だいしんかー(けいちょうこっき)刻模机、仿形铣床die sinkerプラノミラー(平削り盤)ぷらのみらー(ひらけずりばん)龙门铣床planomiller旋盤せんばん车床latheターニングセンター(TC)たーにんぐせんたー(てぃーしー)车削加工中心(机床) turning cente 正面旋盤しょうめんせんばん端面车床facing latheたて旋盤たてせんばん立式车床vertical lathe倣い旋盤仿形车床copy lathe研削盤磨床grainding machine円箇研削盤外圓磨床cylindrical grainding machine工具研削盤工具磨床cutter grainding machineジグ研削盤座标磨床jig grainding machine電解研削盤电解磨削床clectrolyic grainding machine投影式研削盤光学曲线磨床projection grainderドリル研削盤钻头磨床drill grainding machine内面研削盤内圓磨床internal grainding machine倣い研削版仿形磨床copy grainding machine平面研削盤平面磨床suface grainding machine中ぐり盤镗床boring machineシグ中ぐり盤(ジグボーラー)座标镗床jig boring machineセーパー(型削盤)牛头刨床shaperプレーナーぷれーなー龙门刨床planerボール盤ぼーるばん钻床drilling machineガンドリルマシンがんろりるましん深孔钻床gun drilling machine電解ボール盤でんかいぼーるばん电解钻床electrolytic drilling machine深孔ボール盤しんこうぼーるばん深孔钻床long hole drilling machineラジアルボール盤らじあるぼーるばん摇臂钻床ragial drilling machine放電加工機(EDM)ほうでんかこうき(いーてぃーえむ)电火花加工机床electric dischage m ワイヤーカット放電加工機(WEDM)わいやほうでんかこうき(だぶりゅーいーでぃー)电火花线切割電解加工機でんかいかこうき电解加工机electrlyic processing machine彫刻機ちょうこっき刻模机engraving machineバンドソー(帯のこ盤)帯鋸band sawベルトサンダーべるとさんだー砂帯磨机belt sanderコールドホビングプレスこーるどほびんぐぶれす冷挤制模圧力机cold hobbing pressダイスポッティングプレスだしすぽってぃぐぷれす模具定位圧力机die spotting pressダイセッティングプレスだいせってぃんぐぷれす模具装配圧力机die setting oress傾斜円テーブルけいしゃえんてーぶる傾斜圓盘工作台incling circular table工具交換装置こうぐこうかんそうち換刀装置tool changer工具マガジンこうぐおまがじん多刀刀座tool magazineシャンクしゃんく柄、杆shankスタイラスさたいらす触针、触指stylus電磁チャックでんじちゃっく电磁吸盘electromagnetic chuck銅電鋳電極どうでんちゅうでんきょく铜电铸电极copper electroplating formed electrodeドリルチャックどりるちゃっく钻夹头drill chuckトレーサーとれーさー仿形触头tracerドッレサーどれっさー整修器、整形器dresserパンタグラフ式伸縮設備ぱんたぐらふしきしんしゅくせつび导电式伸缩设备pantagraph type e加工工具および用具(加工工具及用具、processing tools and implement)手工具てこうぐ手動工具hand tool電動工具でんどうこうぐ電動工具electric power tool空気圧工具くうきあつこうぐ風動工具compressed air tool物差し(スケール)ものさし(すけーる)尺、刻度尺rule,measure定盤ていばん平台、刻線台surface plateイケールいけーる三角板、丁字尺、弯板、直角angle plateトースカンとーすかん划针、划线盘tosecan取付けマスとりつけます帯V溝装配箱installed box with V grooveVブロックぶぃーぶろっくV形定位板V-block平行台へいこうだい平行块perallel block豆ジャッキまめじゃっき小型千斤顶small jack万力まんりき虎钳viceけがき針けがきばり刻线针marking off pinパスぱす卡钳(規)caliper内パスうちぱす内卡钳(規)inside caliper外パスそとぱす外卡钳(規)outside caliper片パスかたぱす単边钳(規)nermaphrodite calioerコンパスこんぱす制图圆规drawing compasses研磨材けんまざい磨料abrasive酸化鉄さんかてつ氧化铁iron oxide酸化クロムさんかくろむ氧化鉻chromic oxideベンガラ磨粉べんがらまこ紫红铁粉crous炭化けい素たんかけいそ二碳化硅silicon carbids酸化アルミナさんかあるみな氧化铝alumina oxide光明丹こうみょうたん红丹、铅丹lead red当て金あてがね凸模背靠块punch heelハンマー(金槌)はんまー(かなづち)锤hammer銅ハンマーどうはんまー铜锤copper hammerプラスチックハンマーぷらすちっくはんまー塑料锤plastic hammer木ハンマーきはんまー木锤wooden hammerやすりやすり锉(刀) file平やすりたいらやすり偏(平)锉flat file丸やすりまるやすり圆锉round file角やすりかくやすり方锉square file三角やすりさんかくやすり三边锉trianguler file半丸やすりはんまるやすり半圆锉half round file先細やすりせんさいやすり圆锥锉taper file先細平やすりせんさいたいらやすり锥形偏锉刀taper flat fileダイヤモンドやすりだいやもんどやすり金刚石锉diamond fileエメリーペーパーえめりーぺーぱー金刚砂纸、硬玉粉纸emery paperサンドペーパーさんどぺーぱー砂纸sand paperスティック砥石すてぃっくていせき修磨砂stick wet stoneダイヤモンドペーストだいやもんどぺーすと金刚石研磨膏diamond pasteリーマーりーまー铰刀reamer調整リーマーちょうせいりーまー可整式铰刀adjustable reamerテーパーリーマーてーぱーりーまー锥形铰刀taper reamerシェルリーマーしぇるりーまー套装铰刀shell reamerハンドリーマーはんどりーまー手胶刀hang reamerきさげ(スクレーパー)きさげ(すくれーぱー)刮刀scraper平きさげたいらきさげ平刮刀flat scraperささばきさげささばきさげ扁三角刮刀cantchi scraperたがねたがね凿子chiselポンチぽんち冲头punchセンターポンチせんたーぽんち中心冲头center punchニッパーにっぱー钳子nipperペンチぺんち克丝钳plierねじ回し(ドライバー)ねじまわし(どらいばー)螺丝起子、螺丝刀screw driver十字ねじ回し(プラスドライバー)じゅうじねじまわし(ぷらすどらいばー)十字头螺丝刀screw スパナーすぱなー板手spannerソケットレンチそけっとれんち套筒板手socket wrenchめがねレンチめがねれんち閉口板手closed wrenchモンキーレンチもんきーれんち活動板手monkey wrench六角レンチ(六角棒スパナー)ろっかくれんち(ろっかくぼうすぱなー)六角板手hexagon wre 電気ドリルだんきどりる电钻electric drillディスクサンダーでぃすくさんだー盘式砂磨器disk sanderエアガンえあがん喷气枪air gunグリースガンぐりーすがん潤滑脂枪、注油枪grease gunスプレーガンすぷれーがん喷枪spray gunガスバーナーがすばーな燃焼气喷灯gas burnerトーチとーち焊炬torch切 削 工 具(切 削 工 具,cutting tool)正面フライスしょうめんふらいす端(面)锉刀face millあり溝フライスありみぞふらいす燕尾槽铣刀dovetail milling cutter座グリフライスざぐりふらいす鍯孔铣刀spot facing fraise総形フライスそうけいふらいす成形铣刀formed cutterT溝フライスてぃーみぞふらいすT形槽铣刀T-slot milling cutter面取りフライスめんどりふらいす(外)圆角锉刀corner rounding cutterエンドミルえんどみる立铣刀end millスパイラルエンドミルすぱいらるえんどみる螺旋立铣刀spiral end mill直刃エンドミルちょくはえんどみる直刃立铣刀straight tooth end millテーパーエンドミルてーぱーえんどみる锥形立铣刀taperd end millテーパーボールエンドミルてーぱーぼーるえんどみる锥形球头立铣刀taperd ball end mill二枚刃エンドミルにまいばえんどみる双刃立铣刀two blade end millねじれ刃エンドミルねじればえんどみる螺旋刃立铣刀helical tooth end millボールエンドミルぼーるえんどみる圆头指形立铣刀ball end millドリルどりる钻、钻头drill油穴付きドリルあぶらあなつきえんどみる帯油孔深钻oil hole drillガンドリルがんどりる深孔钻、枪管钻gun drillセンタードリルせんたーどりる中心钻center drillロングドリルろんぐどりる长钻头long drill研削砥石けんさくていせき磨轮grinding wheel砥石用結合剤ていせきようけつごうざい磨料粘結剤abrasive binderスローアウエイチップすろーあうえいちっぷ不磨刃刀片throwaway chipバイトばいと切削刀biteメタルソーめたるそー金属开缝锯metal sliting sawホブほぶ挤圧母模hob測 定 器 具(測 量 仪 器、measuring equepment)絶対測定ぜったいそくてい絶対測量absolute measuring比較測定ひかくそくてい比較測量comparison measuring三次元座標測定機さんじげんざひょうそくていき三座标測量仪three dimention measuring m 拡大投影機かくだいとうえいき扩大投影设备enlarge projecting apparatos工具顕微鏡こうぐけんびきょう工具显微镜tool microscopeオプチカルフラットおぷちかるふらっと光学平玻璃optical flatノギスのぎす游标卡尺vernier caliperハイトゲージはいとげーじ高度規height gaugeデップスゲージでっぷすげーじ測深規depth gaugeダイヤルゲージだいやるげーじ刻度盘dial gaugeてこ式ダイヤルゲージてこしきだいやるげーじ杠杆式刻度盘lever type dial test indicater ピックテスターぴっくてすたー抽样検査計pick testerシリンダーゲージしりんだーげーじ缸径規cylinder gaugeマイクロメーターまいくろめーたー測微計、千分尺micrometer外測マイクロメーターがいそくまいくろめーたー外測測微計outer measur micrometer内測マイクロメーターないそくまいくろめーたー内測測微計inner measur micrometer棒マイクロメーターぼうまいくろめーたー棒状測微計bar type micrometerデップスマイクロメーターでっぷすまいくろめーたー測深測微計depth micrometerブロックゲージぶろっくげーじ块規block gauge直角定規ちょっかくげーじ直角尺、験方角規trysquareサインバーさいんばー正弦尺(規)sine bar丸箇スコヤまるつつすこや圆筒形直角尺cylindrical squareすきみゲージ(シックネスゲージ)すきみげーじ(しっくねすげーじ)塞尺、厚度規thickness ラジアスゲージ(Rゲージ)らじあすげーじ(あーるげーじ)圓角規radius gauge直定規(ストレートエッジ)ちょうくじょうぎ直規尺straight edge水準器すいじゅうき水平器levwlvial金 型 不 良(模 具 不 良,molding die defective)圧こんあつこん圧痕indentationかじりかじり咬、咬住、卡住scuffing,galling型合せ不良かたあわせふりょう模具定位不良die miss spotting型くずれ、ぐいちかたくずれ、ぐいち错箱、合模错位、模具偏移miss matching型きずかたきず模损、模型伤损mold mark型ずれかたずれ错箱、错位、偏芯mold shift片減りかたへり偏向毁(磨)损swaying defacement金型調整不良かながたちょうせいふりょう模具調整不良、模具偏心die miss adjustment金型破損かながたはそん模具损坏die failureゲートマークげーとまーく浇口痕進gate mark研削割れけんさくわれ磨削裂纹grainding crackピンホールぴんぼーる针孔、针眼pin hole温 度 測 定 および 加 熱 法(温度測量及加熱法,temperture measurement and heating)棒状温度計ぼうじょうおんどけい棒形温度計bar type thermometerサーミスターさーみすたー热敏电阻thermisterサーモカップルさーもかっぷる热电偶、温差电偶thermocoupleヒーターひーたー加热器heater棒状ヒーターぼうじょうひーたー棒形加熱器bar type heaterカートリッジヒーターかーとりっじひーたー筒形加熱器cartridge heaterサーモスタットさーもすたっと温度自動調節器thermostatシーズヒーターしーずひーたー封装加热器sheath heaterスペースヒーターすぺーすひーたー空间加热器space heaterパイロメーターぱいろめーたー高温計pyrometerバンドヒーターばんどひーたー帯式加熱器band heaterヒートパイロひーとばいろ熱管heat pipe誘電加熱ゆうでんかねつ介質加熱dielectric heating誘導加熱ゆうどうかねつ感应加热induction heating高周波加熱こうしゅうはかねつ高频加热high frequency heating金 型 材 料(模 具 材 料,molding die material)金型用鋼材かながたようどうざい模具鋼mold steel高炭素鋼こうたんそどう高碳鋼high carbon steelクロームモリブデン鋼くろーむもりぶでんこう铬钼鋼chrome molybdenum steel機械構造用炭素鋼きかいこうぞうようたんそこう機械機構用碳素鋼mechanic structual carbon 高速度工具鋼こうそくどこうぐどう高速工具鋼high speed tool steel炭素工具鋼たんそこうぐどう碳素工具鋼carbon tool steelモリブデン鋼もりぶでんどう钼钢molybdenum steel折出硬化鋼おりだしこうかどう沉淀硬化鋼precipitation hardening steelプリハードン鋼ぷりはーとんこう預硬化鋼prehardened steel真空熔解鋼しんくうようかいこう真空熔解鋼vacuum melting steel真空鋳造鋼しんくうちゅうぞうこう真空浇注钢vacuum casting steelべりリウム鋼べりりうむこう铍钢beryllium copper真鍮しんちゅう黄铜bressアルミ合金あるみごうきん铝合金aluminium alloy亜鉛合金(ZAS)あえんごうきん锌合金zinc alloy超硬合金ちょうごうごうきん硬質合金sintered hard alloy焼結合金しょうけつごうきん焼結合金sintering alloy粉末合金ふんまつごうきん粉末合金powder alloyシートメタルしーとめたる薄钢板、金属薄板sheet metal針金はりがね钢线、钢丝steel wire黒皮くろかわ黑皮、铸皮、氧化皮mill scale炭化物たんかぶつ碳化物carbide窒化物ちっかぶつ氮化物nitrideタングステンたんぐすてん钨tungstenチタンちたん钛titanモリブデンもりぶでんどう钼molybdenum金属組織きんぞくそしき金相metallography火花試験ひばなじっけん火花試験spark test熱 処 理(热 处 理、heat treatment)焼入れ(クエンチング)やきいれ(くえんちんぐ)淬火quenching焼なまし(焼鈍、アニーリング)やきなまし(しょうとん、あにーりんぐ)退火annialing焼ならし(焼準、ノルマライジング)やきならし(しょうじゅん、のるまらいじんぐ)正火norm 焼戻し(テンパリング)やきもどし(てんぱりんぐ)回火tenpering真空焼入れしんくうやきいれ真空淬火vacuum quenching真空焼戻ししんくうやきもどし真空回火vacuum tenperingサブゼロ処理さぶぜろしょり冷冻处理subzero treatment浸炭焼入れしんたんやきいれ渗碳淬火cemented quenching火炎焼入れかえんやきいれ火焰淬火flame hardening高周波焼入れこうしゅうはやきいれ高频淬火high frequency quenching固体浸炭こたいしんたん固体淬火solid carburzing急冷きゅうれい骤冷quenching浸炭しんたん渗碳cementation時効効果じこうこうか垫效效应aging effect常温硬化じょうおんこうか冷固化room temperature cure,cold setting焼結(シンタリング)しょうけつ(しんたりんぐ)焼結sintering硬化こうか固化、硬化、硫化cure,curing調質ちょうしつ調質quench and tempering焼割れやきわれ淬裂quenching crack変態点へんたいてん相変点transformation point表 面 処 理(表 面 处 理、surface treating)窒化ちっか氮化nitriding軟窒化なちっか软氮化soft nitridingイオン窒化いおんちっか电离化、氮化ion nitriding化学蒸着(CVD)かがくじょうちゃく化学蒸气沉积chemical vaper depostion真空蒸着しんくうじょうっちゃく真空蒸镀vacuum deposition,vacum metallizing物理蒸着(PVD)ぶつりじょうっちゃく物理汽相沉积physical vaper deposition前処理まえしょり預处理pretreatingメッキめっき镀plating化学メッキかがくめっき化学镀chemical plating電気メッキでんきめっき电镀electroplating電極でんきょく电极electrode無電解メッキむでんかいめっき无电镀electroless platingクロームメッキくろーむめっき镀铬chromium plating硬質クロームメッキこうしつくろーむめき镀硬铬hard chromium plating熔 接(焊 接、welding)熔接ようせつ焊接weldingアーク熔接あーくようせつ电孤焊接arc weldingアセチレン熔接あせちれんようせつ乙炔焊接acetylene weldingアルゴン熔接あるごんようせつ氩弧焊接argon weldingガス熔接がすようせつ气焊gas weldingプラズマ熔接ぷらずまようせつ等离子焊接plasma welding熔接ビードようせつびーど焊道weld bead熔接棒ようせつぼう焊条weld rod ろう付ろうつき渗焊brazeing炉中ろう付(ファーネスブレージング)炉内渗焊furnace brazeingハンダ付はんだつき软渗焊soldering各 種 油 剤(各 种 油 剤、oil for cutting,lubrication and others)水溶性切削油剤溶性油質切削剤soluble cutting oil不水溶性切削油剤不水溶性油質切削剤unsoluble cutting oil油性切削剤油質切削剤cutting oil潤滑油じゅんかつゆ潤滑油lubricant oil固体潤滑剤こたいじゅんかつざい固体潤滑剤solid lubricant減磨剤げんまざい減磨剤antifriction composition防錆剤ぼうちんざい防銹剤anticorrosive agent二硫化モリブデンにりゅうかもりぶでん二硫化钼disulphideグリースぐりーす潤滑脂、脂膏、黄脂greaseスピンドル油すぴんどるゆ轴潤滑油spindle oilベンジンべんじん笨块benzineワセリンわせりん凡士林、矿脂petrolum ointment灯油とうゆ煤油、灯油kerosene軽油けいゆ軽油light oilシリコンしりこん硅、硅油silicon洗浄油せんじょうゆ洗消油detergent oilワックスわっくす蜡、涂蜡waxCAD/CAM電子計算機支援設計/製造(CAD/CAM)でんしけいさんきしえんせっけい/せいぞう电脑補助設計/二進数にしんすう二進制数字binary number十進数じゅっしんすう十進制数字decimal numberハードウェアはーどうぇあ硬件hard wareソフトウェアそふとうぇあ軟件soft ware中央演算処理装置(CPU)ちゅうおうえんさんしょりそうち中心运算处理设备central operation エンジニアリングワークステーション(EWS)えんじにありんぐわーくすてーしょん工程作业工作站ホストコンピューターほすとこんぴゅーたー主计算机host computerグラフィックディスプレーぐらふぃっくぢすぷれー图形显示装置graphic displayキーボードきーぼーど键盘key boardメモリーめもりー在储memoryシミュレーションしみゅれーしょん模拟、仿真simulationモデリングもでりんぐ模型制造modeling自由曲線じゆうきょくせん自由曲线free-form curve自由曲面じゆうきょうくめん自由曲面free-form surface近似曲線きんじきょくせん近似曲线approximate interpolation円弧補間えんこほかん圆弧插値linear interpolation直線補間ちょくせんほかん线架模型wire frame modelワイヤーフレームモデルわいやーふれーむもでる表面模型surface modelサーフェスモデルさーふぇいすもでる実体模型solid modelソリッドモデルそりっどもでる基本体素primitive unitクーンツ曲線くーんつきょくせん孔斯曲线Coons curveスプライン曲線すぷらいんきょくせん样条曲线spline curveNURBS曲線 NUPBSきょくせんNURBS曲线NURBS curveバッチばっち曲面片batchセグメントせぐめんと线段、部分segmentプロファイルぷろふぁいる断面、截面profileレイアウトれいあうと布置、配置layout集合演算しゅうごうえんさん集合运算set opration演算速度(速度単位mips)えんさんそくど(そくどたんいmips)計算速度calculation speedmips(百万回/毎秒) mips(ひゃくまんかい/まいびょう)每秒钟执行/百万条指示million アナログあなろぐ模拟的analog(ue)デジタルでじたる数字的digitalマグネットテープまぐねっとてーぷ磁铁带magnet tapeパンチ(穿孔)テープ穿孔带punch tapeフロッピーディスクふろっぴーでぃすく软(磁)盘floppy disc成 形(成 形、molding)成 形 方 法(成 形 方 法、molding methords)圧縮(コンプレッション)成形あっしゅく(こんぷれっしょん)せいけい圧塑compression mol 移送(トランスファ)成形いそう(とらんすふぁ)せいけい传递塑transfer molding射出(インジェクション)成形しゃしゅつ(いんじぇくしょん)せいけい注塑injection molding 中空(吹込、ブロー)成形ちゅうくう(ふきこみ、ぶろー)せいけい吹塑blow molding真空成形しんくうせいけい真空成形vacuum forming押出成形おしだしせいけい挤塑extrusion molding発泡成形はっぽうせいけい发泡成形expansion molding射出圧縮成形しゃしゅつあっしゅくせいけい注射圧塑injection compression molding射出ブロー成形しゃしゅつぶろーせいけい注射吹塑injection blow molding低圧射出成形ていあつしゃしゅつせいけい低圧注塑low pressure injection molding低発泡射出成形ていはっぽうしゃしゅつせいけい低发泡注塑low expansion injection molding 粉末射出成形ふんまつしゃしゅつせいけい粉末注塑powder injection molding反応射出成形(RIM)はんのうしゃしゅつせいけい反应注塑reaction injection moldingロストコア成形ろすとこあせいけい失芯注塑lost core injection molding2シェル式射出成形つーしぇるしきしゃしゅつせいけい二売注塑tow shell injection moldingアウトサート成形あうとさーとせいけい金属嵌件上注塑outsert molding一体射出成形いったいしゃしゅつせいけい连(一、整)体注塑monolithic(one piece)injection m インサート成形いんさーとせいけい嵌件注塑insert moldingガスアシスト射出成形がすあしすとしゃしゅつせいけい气张注塑gas assist injection molding 金属粉末射出成形(MIM)きんぞくふんまつしゃしゅつせいけい金属粉末注塑metal powder in 多色射出成形たしきしゃしゅつせいけい多色注塑multi color injection molding二次成形にじせいけい后成形post moldingワンショット成形わんしょっとせいけい一次成形one shot molding熱成形ねつせいけい热成形thermo foming注型ちゅうがた铸型castingロータリー成形ろーたりーせいけい轮转式模塑rotary moldingダイキャスティングだいきゃすてぃんぐ圧铸die castingシェルモールドしぇるもーるど売型鋳造sheel moldingロストワックス法ろすとわっくすほう失蜡法lost wax process深絞り法ふかしぼりほう深冲成形、深扛成形deep drow forming成形機および機構(成形机及机構、molding machine and mechanism)インラインスクリュウ式射出成形機いんらいんすくりゅうしきしゃしゅつせいけいき同轴往复螺杆式注射出成形機しゃしゅつせいけいき注塑机injection molding machine多色射出成形機たしきしゃしゅつせいけいき多色注塑机multi color injection molding machi プランジャー式射出成形機ぷらんじゃーしきしゃしゅつせいけいき柱塞式注塑机plunger type ロングノズル式射出成形機ろんぐのずるしきしゃしゅつせいけいき延长嘴式注塑机injection mol 射出装置しゃしゅつそうち注射装置injection unit射出ノズルしゃしゅつのずる注射嘴injection nozzle延長ノズルえんちょうのずる增长注嘴extension nozzle射出プランジャーしゃしゅつぷらんじゃー注射柱塞injection plunger熱盤ねつばん加热板heating plate直圧式型締め機構ちょくあつかたしめそうち直接液圧式合模系統straight hydraulic mold clam トグル式型締め装置とぐるしきかたしめそうち肘节式合模装置toggle type mold clamping s タイバー(控え棒)たいばー(ひかえぼう)拉扛、拉杆tie barボルスターぼるすたー支承物bolster可動盤かどうばん活动盘movale plate固定盤こていばん固定台stationary platen,fixed platen温度調整装置(温調器)おんどちょうせつそうち温度調节设备(恒温器) temperature regulation 取出しロボットとりだしろぼ頂出機械手take out robot成 形 用 語(成 形 用 語、molding wording)アイドルタイムあいどるたいむ空閑時間idle time後仕上げあとしあげ後修飾post finisingアト収縮あとしゅうしゅく後収縮after shrinkage,post shrinkageインサート金具あんさーとかなぐ金属嵌件metal insertインサートピンいんさーとぴん嵌件销insert pinインチングいんちんぐ寸進inchingウエルドうえるど熔合weldエンジニアリングプラスチックえんじにありんぐぷらすちっく工程塑料engineering plastics 可塑化かそか塑化plasticization型締力かたしめりょく合模圧力locking force,clamping force型開き力かたひらきりょく开模力mold opening force過剰充填かじょうじゅうちん过充填over packing完全充填かんぜんじゅうちん完全充气complete inflation強化プラスチックきょうかぷらすちっく高強度层圧塑料high strength plastics結晶性樹脂けっしょうがたじゅし晶形樹脂crystallion polymer合成樹脂ごうせいじゅし合成樹脂synthetic resinサイクル(周期)さいくる(しゅうき)周期、循环cycleしぼしぼ缩皱textureしぼ付けしぶつけ圧花enbossing射出圧力しゃゆつあつりょく注塑圧力injection pressure射出成形サイクルしゅしゅつせいけいさいくる注塑周期injection molding cycle射出速度しゃしゅつせいけいそくど注塑速度injection speed射出容量しゃしゅつようりょう注射量machine shot capacity樹脂じゅし树脂resin樹脂流れじゅしながれ树脂条痕resin streakショットしょっと注射、注料、注塑料shotストロークすとろーく行程、冲程strokeスローダウンすろーだうん減速slow down成形せいけい成形、模塑molding,forming成形圧力せいけいあつりょく注塑圧力molding pressure成形温度せいけいおんど成形温度molding temperature成形サイクル(時間)せいけいさいくる成形周期(時間)molding cycle(time)成形材料せいけいざいりょう成形材料molding material成形収縮せいけいしゅしゅく成形収縮、模後収縮molding shrinkage成形性せいけいせい可模塑性moldability成形ひずみせいけいひずみ成形応変molding strainダイアプローチだいあぷろーち模头接近die approachダイ間隔だいかんかく模口隙距die gapダイストロークだいすとろく动模行程die strokタイバー間隔たいばーかんかく柆杆间距tiebar strok滞留時間たいりゅうじかん保留時間retention time縮みしろちぢみしろ収縮許容量ahrinkage allowanceデイライトでいらいと圧板間距day-lite lengthドライサイクルどらいさいくる干循环dray cycleトリミングとりみんぐ切边triming二次加工にじかこう二次加工fabication熱可塑性樹脂ねつかそせいじゅし热塑性樹脂thermoplastic resin熱硬化性樹脂ねつこうかせいじゅし熱固性樹脂thermosetting resinノズル閉鎖のずるへいさ注嘴止流nozzle shut offパージぱーじ清洗、清除purgeバフばふ抛光布轮buff,buffing wheelバフ仕上げばふしあげ布轮抛光buffingパリソンばりそん型坯parisonバリ取りばりとり去飞边deflashingバリ溝ばりこう滋流沟flashe groove非晶性樹脂ひけっしょうじゅし非结晶性树脂non-crystalling polymerフィレットふぃれっとじゅし圆填角料filletプラスチックぷらすちっく塑料plasticesフランジふらんじ凸縁flangeぺレットぺれっと晶片、小片pellet保圧時間ほあつじかん保圧時間dwelling timeボスぼす凸台boss補強リブほきょうりぶ防挠肋、加強肋stiffening ribメルトフローインデックスめるとふろーいんでっくす熔体流動指数melt flow index 予備加熱よびかねつ預熱preheat予備乾燥よびかんそう預乾燥predry離型脱模mold release離型剤脱模剤mold release agent離型抵抗脱模阻抗mold release resistanceリブりぶ肋rib 流速りゅうそく流速current speed流動条件りょうどうじょうけん流动条件fluid condition流動抵抗りょうどうていこう流动阻抗fluid resistance流動配向りゅうどうはいこう流动取向fluid flow orientationローレットろーれっと滚花加工roulete成 形 不 良(成 形 不 良、molding defective)あばたあばた陥坑、粗糙crater,pit泡(あわ)あわ暗泡、空泡、气泡bubble糸ひきいとひき蜘网筒子stringness色ムラいろむら色相、着色color shadingウエルドマークうえるどまーく熔合痕weld markウエルドラインうえるどらいん熔合纹weld lineかじりかじり咬、咬住、卡住scufing,galling過剰充填かじょうじゅうちん过充填over packing型くずれ、ぐいちかたくずれ、ぐいち错箱、合模错位、模具変移miss matching型ずれかたずれ错箱、错位、偏芯mold shift片減りかたへり偏向毁(磨)損swaying defacement型きずかたきず磨損、模型仿損mold mark気泡きほう气泡bubble亀裂(クラック)(きれつ)龟裂crack銀条ぎんじょう银丝纹、银线、丝线silver streakくもりくもり雾状hazeクレーターくれーたー陥坑craterゲートマークげーとまーく浇口痕迸gate mark光沢こうたく光泽gloss黒条黑条线black streak,brown streakコールドスラグこうーるどすらぐ冷块cold slugコールドフローこうーるどふろー冷形変cold flow。
图面常用日语/中文对照表日本語中国語日本語中国語研削/NC加工研磨加工2ヶ所2个地方フライス铣床10枚重ネ10个重叠放電放电カット切除ワイヤカット/ワイヤ线割カット部刀口部ザグリ/座グリ沉头孔表ヨリ从正面裏ザクリ反面沉头孔裏ヨリ从反面裏ニゲ背面逃孔裏表共正反两面都…ノック穴定位孔反対側モ反面一样ネジ穴螺丝孔Max最大刻模穴刻上穴号Min最小逃げ、逃がし部避空MaxR0.02最大R0.02逃げ角逃角刻印刻字コーナー角度インロウ/合せ装配/配合ワイヤーコーナー逃げ线割角部逃角荒取り粗加工キリ穴打孔プランク取り取外形ランナー無し无流道加工代(シロ)をつける加工留余量半円ランナー半圆流道ツバのみ対称仅爪部对称ゲート浇口全数バラツキ無きこと全部不可以有偏差貫通穴通孔バラツキ0.005以内偏差0.005(不平均)油溝油槽系面取り轻倒角ガスニゲ溝/エアベント排气槽指示無き无指示部エアニゲ溝引气槽面取り不可不可倒角アンダーカット凹槽/倒扣口元面取り不可口部不可倒角クリアランス/ピッチ(单边)间隙寸法尺寸傾斜ピン斜顶针寸法違イ注意注意尺寸不同本図本图所要個数内訳所要个数明细勝手違イ図对称图リーマ仕上げ绞刀加工対称形状对称形状エンドミル铣刀図面形状图面形状スペア备用品深サ深度熱処理热处理幅宽度コーディンク表面处理勾配弧度サブゼロ処理低温处理エッジ尖角Hcr 5u镀硬铬5U放電コーナーR放电R角溶接不可不可补焊ミガキ/バフ仕上げ/ラップ処理抛光加工肉盛(溶接)堆焊角出し、角要清角キズ碰伤ストレート直边ダレ/角ツブレ塌角スプライン曲面カケ缺口テーパ斜面亀裂(きれつ)开裂テーパ基点斜面基准点シワ起皱クロス斜線部交叉的斜线部ズレ偏移ハッチング部阴影部トリムプラス多料シャープコーナー直角トリムマイナス少料引っ掛け挂台バリ/カエリ毛刺下穴下孔変形/ソリ变形突き当て顶部焼きつき拉伤压痕根元尾部擦り傷擦伤口元口部クラック/割れ裂痕両端两端ボイド气泡両側两侧打ゴン打伤センター/センタ中心スパーク火花面粗さ面粗度シボ面蚀纹。
常用表处理,热处理对照表,中文,日文,对照
中文英文日文
参考镀层厚度(μm)
颜色类型硬铬Icr,HCr,10-20银白表面处理装饰铬Cr 5-10银白表面处理阳极氧化(白色)SA(W)3-6带光泽的白色表面处理阳极氧化(黑色)
SA(BL)10-30带光泽的黑色
表面处理磷化SCHP 5-15黑色表面处理发黑SOB 1-5黑色表面处理电解镍E-Ni 3-10白黄表面处理化学镍Ni 8-11白黄表面处理蓝白锌Zn-CMI 5-10
青白表面处理烤漆P(SV)银色
表面处理高频淬火HQI 热处理抛光研磨buff 机加工氮化处理HNTS 10-30
灰色
表面处理本色硬质氧化SH(W)两种:白色,黑色
表面处理高频淬火+回火HQ-HT 热处理碳氮共渗HNT
100-200
热处理黑色硬质氧化
表面处理
常用符号对照表
备注
灰色。
平面表面粗糙度比较样块-日本金属电铸(JIS标准)详细信息品牌:符合JIS标准型号:平面表面粗糙度比较样块价格:CNY 0最少订量:1のアラサ標準片は、加工方法、粗さの規格毎に20種類の製品があります大至可分为平面(主要加工平铣) 圆筒(主要加工车床),放电加工表面、铸造表面、气体切断表面,有气体溶断表面等等。
关于各个选定,参考请下面产品用途:型式加工法▽ ▽▽▽▽ ▽▽▽ ▽▽ ▽ 摘要Rmax 0.2S 0.4S 0.8S 1.6S 3.2S 6.3S 12.5S 18S 25S 35S 50S 100SRy Rz 0.2 0.4 0.8 1.6 3.2 6.3 12.5 18 25 35 50 100平面ペーパー仕上○ 2枚1組研削○ ○ ○ ○ ○ ○形削り○ ○ ○ ○ ○フライス○ ○ ○ ○ ○ ○正面フライス○ ○ ○ ○ ○ ○円筒外面研削○ ○ ○ 1枚丸削り○ ○ ○ ○ ○ ○ ○ ○ ○手仕上面ペーパー仕上○ ○ ○ ○ ○ 1枚ヤスリ仕上○ ○ ○ ○ ○教材用平面ペーパー仕上○ ○ ○ 1枚研削○ ○ ○形削り○ ○ ○ヤスリ仕上○ ○ ○FLATSURFACE(平面) P Rrms 5 2枚1組GROUND Rrms 6 12 24 58 95 265SHAPED Rrms 68 130 260 590 1200ENDMILLED Rrms 20 35 80 135 260 540MILLED Rrms 16 35 65 130 260 530CYLINDROCAL(円筒外面) GROUND Rrms 5 12 24 1枚TURNED Rrms 17 34 70 130 190 260 380 530 990ラップ仕上面▽ ▽▽▽▽ 1枚Rmax 0.2S 0.4S 0.8SRyRz 0.2 0.4 0.8放電加工面▽ ▽▽▽ ▽▽ ▽ 1枚Rmax 3.2S 6.3S 10S 12.5S 15S 18S 25S 35SRy Rz 3.2 6.3 10 12.5 15 18 25 35ガス切断A切断面 0.10m/m 0.12m/m 0.16m/m 0.25m/m 0.60m/m 1枚ガス切断B切断面 0.04m/m 0.05m/m 0.10m/m 0.12m/m 0.18m/m 1枚ガス溶断面A、B 溶断面 A 粗さ(R)スラグ(S) 2枚1組1級50S 2級100S 3級200S 1級 2級 3級 4級B平坦性(F)上縁の溶け(M)15m/m≦板厚≦25m/m 板厚>25m/m1級 2級 1級 2級 1級 2級 3級鋼板仕上面(塗装下)グラインダーRmax 25S 35S 70S 100S 2枚1組サンダー 12μ 16μ 26μ 36μ型式加工法▽ ▽▽▽▽ ▽▽▽ ▽▽ ▽ 摘要Ra 0.1a 0.2a 0.4a 0.8a 1.6a 3.2a 6.3a 12.5a番号 N3 N4 N5 N6 N7 N8 N9 N10平面研削Ra○ ○ ○ ○ 1枚平面形削りRa○ ○ ○ ○ 1枚平面フライスRa○ ○ ○ ○ 1枚平面正面フライスRa○ ○ ○ ○ 1枚円筒外面研削Ra○ ○ ○ 1枚円筒外面丸削りRa○ ○ ○ ○ 1枚日本原装进口,符合国际标准2. 回答人: 时间: 2008-08-01 13:12:19图纸上△、△△及△△△代表表面粗糙度是多少对应关系:△:Ra25~12.5;△△:Ra6.3~3.2;△△△:Ra1.6~0.4;△△△△:Ra0.2~0.0013。