性病实验室梅毒sop(1)
- 格式:docx
- 大小:20.32 KB
- 文档页数:11
目的:规范的梅毒螺旋体检验操作,确保检测结果准确。
适用范围:性病实验室工作人员责任人:实验操作者1、标本的采集与处理1.1标本采集的基本要求1.1.1操作应规范化。
1.1.2所有标本都应当被视为具有传染性,医务人员应戴手套谨慎操作。
1.2梅毒标本采集梅毒的实验室诊断主要有病原体检测和血清学检测方法,各期梅毒的检测方法及部位见下表。
1.2.1血液1.2.1.1血清标本根据需要,用一次性真空采血针与促凝采血管抽取静脉血2-5 ml,室温静置1-2小时(或37℃静置30分钟),待血液凝固、血块收缩后,3000r/min离心10-15分钟,分离新鲜血清,备用。
也可采用保存于2-8℃或-20℃的血清。
溶血、脂血或污染的标本可影响试验结果。
1.2.1.2血浆标本根据需要,用一次性真空采血针与抗凝采血管抽取静脉血2-5 ml,轻轻颠倒混匀8-10次,3000r/min离心10-15分钟,分离血浆,备用。
血库血浆以及EDTA 抗凝血浆同样可以用于梅毒血清学实验(一般仅用于RPR实验,),但易出现假阳性反应(需用血清复试),如用其他抗凝剂应首先评价后再用。
1.2.1.3末梢全血消毒局部皮肤(成人和1岁以上儿童可选择手指或耳垂,1岁以下儿童采用足跟部)。
一次性采血针刺破皮肤,用无菌棉签擦掉第一滴血。
收集滴出的血液,立即用于检测。
1.2.2皮损部位组织液1.2.2.1用于病原学检查用无菌生理盐水浸湿的棉拭子擦去皮损表面的污物,钝刀/刮勺轻刮、挤压皮损部位,取渗出液与预先滴加在载玻片上的生理盐水混合后加盖玻片立即用于暗视野显微镜检测,或取渗出液直接涂片,用于镀银染色试验。
1.2.2.2用于核酸检测用无菌生理盐水浸湿的棉拭子擦去皮损表面的污物,钝刀/刮勺轻刮、挤压皮损部位,刮取渗出液,加入有DNA保存液(1ml/管)的标本管中,备用。
1.2.3淋巴液无菌操作下穿刺腹股沟淋巴结,注入0.3ml无菌生理盐水并反复抽吸2-3次,取少量的淋巴液直接滴于载玻片上,加盖玻片后立即进行暗视野镜检或备用。
梅毒TRUST检测作业指导书1、试验原理:梅毒非特异抗体检测是采用抗原抗体凝集反应。
其原理如下:采用VDRL抗原(牛心磷脂、卵磷脂及胆固醇)重悬于含有特制的甲苯胺红溶液中制成,供在白色卡片上进行实验,以检测血清或血浆中反应素用。
2、样本收集和贮存:标本仅限于血清或血浆。
适宜标本量为血清或血浆500ul,最少标本用量为血清或血浆200ul,三天内检测的标本应在2-8℃保存,三天内不检测的标本应贮存在-20℃,同时避免反复冻融血清。
对于出现以下情况之一的标本应拒收:送检血清或血浆低于最少用量;蛋白变性标本;标本中含有颗粒物质;严重溶血、严重脂血的标本;有微生物污染的标本。
3、安全防范:3.1检测试剂盒及内容物视为有传染性物质,属于生物危害物品。
3.2移液过程禁止用口。
3.3 在处理试剂和标本的地方禁止吸烟,饮食。
^3.4使用试剂盒和标本时,必须戴一次性手套,穿试验服。
使用后请彻底洗手清洁。
3.5患者样本及其他潜在感染材料试验后应放入医用垃圾桶内。
4、试剂:4.1 储存与稳定性:试剂应在2-8℃保存,效期1年。
4.2试剂盒组成:(上海荣盛)TRUST抗原悬液×1瓶阳性对照血清 1mL×1支阴性对照血清 1mL×1支实验专用卡片 120人份专用滴管及针头 1套'说明书 1份5、仪器设备:5. 1振荡器5. 2微量移液器6、操作步骤:6. 1分别吸取阴性和阳性对照,各滴加l滴(50UL)(或用加样枪吸取50 UL)到反应卡的二个圈内铺匀。
6. 2吸取血清或血浆50UL (不需灭活)均匀涂满到白色卡片的另一个卡圈内。
6. 3轻轻摇匀抗原悬液,用加样枪吸取50 UL于血清圈内。
6. 4按每分钟100转振荡或摇动卡片8分钟后,立即肉眼观察结果。
6. 5结果记录于《免疫室夜班项目操作表2》。
7、结果解释?7.1肉眼见到较大或较小的红色凝聚物,定为阳性反应。
代表该标本中可以检测出反应素。
梅毒螺旋体抗体检测(TPPA)(凝集法)1.目的:规范实验室TPPA检测操作。
2.范围: xxx 院 xxx 科3.测定原理:将梅毒螺旋体(Nichols株)的精制菌体成分包被在人工载体明胶粒子上。
这种致敏粒子和样本中的梅毒螺旋体抗体进行反应发生凝集,产生粒子凝集反应(Particle Agglutination Test,PA法)由此可以检测出血清和血浆中的梅毒螺旋体抗体,并且用来测定抗体的效价。
4.标本:4.1采用正确医用技术收集血清/血浆样本,血浆样本推荐使用肝素钠抗凝血浆,枸橼酸钠和EDTA抗凝剂。
4.2样本中的沉淀物和悬浮物,红细胞等其它有形成分可能会影响试验结果,应离心除去,并确定样本未变质方可使用。
4.3严重溶血或脂血的样本不能用于测定。
4.4样本收集后在室温放置不可超过8小时;如果不在8小时内检测需将样本放置在2~8℃的冰箱中;若需48小时以上保存或运输,则应冻存于-20℃以下,避免反复冻融。
使用前恢复到室温,轻轻摇动混匀。
4.5血清样品即使钝化也不会影响检测结果。
5.试剂:珠海丽珠试剂股份有限公司提供的试剂。
5.1试剂盒在2℃—10℃储存,防止冷冻,避免强光照射,有效期12个月。
5.2 试剂盒开启使用后,冷冻干燥品配好后,2℃—10℃保存可使用7日,使用前必须做对照试验。
5.3试剂组成5.3.1溶解液(液体):用于调制致敏粒子和未致敏粒子。
5.3.2血清稀释液(液体):用于样品的稀释。
5.3.3致敏粒子(冷冻干燥):调制浓度为1%的梅毒螺旋体(Nichols株)致敏明胶粒子。
5.3.4未致敏粒子(冷冻干燥)经单宁酸处理调制浓度为1%的明胶粒子。
5.3.5阳性对照血清(液体)用抗梅毒螺旋体(Nichols株)家兔免疫血清调制成抗体效价为1:320(最终稀释倍数)。
6.临床标本测定6.1试剂的调制6.1.1溶解液(液体):按照测定操作规则使用。
6.1.2血清稀释液(液体):按照测定操作规则使用。
梅毒的实验室检查与技术规范概述梅毒(syphilis)是一种由螺旋体梅毒螺旋体(Treponema pallidum)引起的性传播疾病。
梅毒的及时检测和确诊对于治疗及防止梅毒的传播至关重要。
本文将探讨梅毒的实验室检查方法和相关的技术规范。
实验室检查方法血清学检测血清学检测是梅毒的首选检测方法,常用的血清学检测方法包括非梅毒螺旋体凝集试验(non-treponemal tests)和梅毒螺旋体特异性试验(treponemal tests)。
非梅毒螺旋体凝集试验包括梅毒螺旋体血清检测(VDRL)和荧光梅毒螺旋体抗体吸附试验(FTA-ABS)。
这些试验通过检测抗体反应来判断是否感染梅毒,并可评估感染程度。
梅毒螺旋体特异性试验主要包括T. pallidum颗粒凝集试验(TP-PA)和ELISA试验。
这些试验可以进一步证实梅毒感染,并对阳性样本进行确认。
分子生物学检测分子生物学检测方法可以直接检测梅毒螺旋体的基因组或其特异性基因片段。
常见的分子生物学检测方法包括聚合酶链式反应(PCR)和DNA杂交试验。
PCR技术可在早期感染时检测到梅毒螺旋体的DNA,具有高度敏感性和特异性。
DNA杂交试验主要用于检测神经梅毒,可检测到T. pallidum在脑脊髓液中的存在。
细菌学检测细菌学检测是直接观察样本中是否存在活动的梅毒螺旋体。
常用的细菌学检测方法有暗视野显微镜检查、苏木精-伊红染色和螺旋体培养。
在显微镜下观察暗视野试验时,活动的梅毒螺旋体会显示出旋转的运动。
苏木精-伊红染色可以染出梅毒螺旋体的形态。
螺旋体培养可以将梅毒螺旋体培养出来,但是需要较长的培养周期,并且并非常规检测方法。
技术规范为确保梅毒实验室检查结果的准确性和可靠性,以下是一些常见的技术规范:1.实验室人员需接受充分的培训,熟悉各项检测方法和技术操作流程,并按照操作规程执行。
2.所有试剂和材料必须符合质量管理规范,并保持良好的保存和标识。
3.实验室必须建立完善的质量控制体系,包括使用标准品进行日常质控、参加外部质控项目以及进行内部质量评估。
SOP标准操作程序TP梅毒螺旋体抗体【实验原理】梅毒试剂条采用高度特异性的抗体抗原反应及免疫层析分析技术来定性检测全血/血清/血浆中是否含有梅毒抗体,试剂盒含有被事先固定于膜上测试区(T)的重组特异性梅毒抗原和质控区(C)的相应抗体。
【标本】全血标本收集后应尽快使用,或尽快分离血清或血浆以避免融血,检测时只能使用未融血的标本,严重融血的标本必须重新采集血样。
样本收集后应尽可能马上使用,不能够在室温下长时间存放。
血清或血浆标本可在2 -8℃冷藏存放一周。
长期保存需冷冻于-20℃。
冷藏或冷冻样本应在检测前恢复到室温并充分混匀。
样本切忌反复冻融。
【注意事项】1.本产品是一种定性地检测梅毒抗体存在的试剂,不能确定标本中抗体的含量。
2.本产品只用于初筛检测使用,检测结果不能作为机体感染梅毒临床诊断的唯一依据。
3.本产品仅用于体外诊断,并适用于检测血清/血浆样本中的梅毒抗体。
4.本产品只用于初筛检测使用,检测结果不能作为确诊依据。
为了确保结果的准确性,可对样本用其他方法,例如ELISA,进一步确认。
5.同所有的诊断试剂一样,检测结果必须结合内科医生得出的其它临床症状进行诊断。
6.如果测试结果呈阴性并有临床症状存在,可建议使用其他临床方法进行测试。
阴性结果并不能排除感染梅毒的可能性。
【操作步骤】*实验前准备在进行测试前必须先完整阅读使用说明书,使用前将试剂板和血样标本恢复至室温(20℃-30℃)。
*实验步骤1.从原包装铝箔带中取出试剂条,粘附于记录卡上,平置桌面,在1小时内应尽快地使用。
2.吸取全血/血清/血浆标本50ul(或吸管2滴)置于加样区,再加1滴缓冲液。
3.等待红色条带的出现,在10分钟内读取测试结果。
关键要注意,在红色条带出现以前,背景要清晰,特别当样本中含有低滴度的梅毒抗体,会导致出现的T线颜色很淡,此时更需注意背景要清晰。
在30分钟后读取的结果无效。
【结果判定】阳性(+):两条红色条带出现。
一条位于测试区(T)内,另一条位于质控区(C)内。
梅毒螺旋体明胶凝集试验(TPPA)1.原理梅毒螺旋体颗粒凝集试验(TPPA)是用超声裂解梅毒螺旋体抗原致敏明胶粒子,致敏粒子与待检血清(浆)中的梅毒螺旋体抗体结合,产生肉眼可见的颗粒凝集。
2.方法2.1仪器耗材:1)TPPA检测试剂盒2)移液器3)保湿盒2.2检测流程:1)试剂准备:试验前30分钟将待检标本和试剂从冰箱中取出,恢复至室温。
2)加稀释液:每份样本作4孔,用移液器将血清稀释液滴入微量反应板第1孔(100μl),从第2孔-第4孔各滴25μl。
3)样本稀释:用移液器取待检血清25μl置第1孔中,然后以2n 的方式从第1孔稀释至第4孔。
4)加对照液:用移液器在第3孔滴入25μl未致敏粒子;在第4孔滴入25μl致敏粒子。
5)混合:以不会导致微量反应板内容物溅出的强度混合30秒钟。
6)反应:加盖置湿盒内,于室温(15℃-30℃)下水平静置。
2小时后观察并记录结果。
附:重吸收试验对于未致敏粒子和致敏粒子均显示±以上凝集的样品,要按照下列程序在完成吸收操作的基础上进行再试验。
1)取用定量的溶解液调制好的未致敏粒子0.95ml至小试管中。
2)加入样品50μl混合,于室温(15℃-30℃)下放置20分钟以上。
3)离心分离(2000rpm、5分钟),然后分别吸取上清液【吸收完毕的稀释样品(1:20)】50μl至反应板第3孔中,特别注意不要混入粒子。
4)从第4孔以后,要预先各滴入25μl血清稀释液,从第3孔至最后一孔用移液器以2n 的方式进行稀释。
5)之后的步骤同上。
3.结果3.1结果判读首先观察未致敏粒子反应孔是否出现凝集(第3孔),判断试验有效性后,再根据致敏粒子与标本反应孔(第4孔)与致敏粒子是否产生1+ ~2+凝集反应凝集反应,判断结果。
如未致敏粒子反应孔出现凝集(第3孔)为无效试验,需要对标本进行重吸收试验后再进行检测。
++ :产生均一的凝集,凝集粒子在底部,呈膜状延展;+ :粒子环明显变大,其外周边缘不均匀且杂乱的凝集在周围;±:粒子形成小环状,呈现出外周边缘均匀且平滑的圆形;- :粒子呈纽扣状聚集,呈现出外周边缘均匀且平滑的圆形。
梅毒实验室检验主要流程简介梅毒是一种由螺旋体梅毒螺旋体引起的性传播疾病,严重威胁人类健康。
实验室检验是梅毒的重要诊断手段之一,主要通过血清学检测来确定患者是否感染了梅毒螺旋体。
本文将详细描述梅毒实验室检验的主要流程和步骤,确保流程清晰且实用。
流程概述梅毒实验室检验的主要流程包括样本采集、标本处理、血清学检测和结果解读。
具体步骤如下:1.样本采集2.标本处理3.血清学检测4.结果解读下面将逐步详细介绍每个步骤的具体操作。
1. 样本采集样本采集是梅毒实验室检验的第一步,通常采用静脉血作为样本。
采集前需要告知患者相关信息,并征得其同意。
操作步骤如下:1.1 准备采集工具和材料,包括一次性采血针、采血管、消毒棉球、乙醇、手套等。
1.2 患者取坐位或卧位,将采血部位(通常是患者的前臂)暴露。
1.3 穿戴手套,用消毒棉球擦拭采血部位,然后用乙醇再次擦拭,待干燥。
1.4 使用一次性采血针快速穿刺患者的静脉血管,并将血液采集到采血管中。
1.5 采集足够的血液量,通常为5-10ml。
1.6 将采血管密封并标记好患者的相关信息,如姓名、性别、年龄等。
1.7 将采血管放入离心机进行离心,分离血清。
2. 标本处理标本处理是为了获取清晰的血清样本,以便进行后续的血清学检测。
操作步骤如下:2.1 离心结束后,将离心管取出,小心地将血清转移到一个干净的离心管中。
2.2 将血清离心管再次密封,并标记好样本的相关信息。
2.3 将血清离心管放入冰箱中保存,保持在2-8摄氏度。
3. 血清学检测血清学检测是梅毒实验室检验的核心步骤,主要通过血清中的抗体来判断患者是否感染了梅毒螺旋体。
常用的血清学检测方法包括非梅毒螺旋体试验和梅毒螺旋体试验。
操作步骤如下:3.1 非梅毒螺旋体试验 3.1.1 微量血凝试验(VDRL):将患者血清与VDRL试剂混合,在特定条件下观察血清的凝集反应。
3.1.2 螺旋体颗粒吸附试验(TPPA):将患者血清与螺旋体颗粒混合,观察是否有抗体与螺旋体颗粒结合。
SOP标准操作程序TP梅毒螺旋体抗体【实验原理】梅毒试剂条采用高度特异性的抗体抗原反应及免疫层析分析技术来定性检测全血/血清/血浆中是否含有梅毒抗体,试剂盒含有被事先固定于膜上测试区(T)的重组特异性梅毒抗原和质控区(C)的相应抗体。
【标本】全血标本收集后应尽快使用,或尽快分离血清或血浆以避免融血,检测时只能使用未融血的标本,严重融血的标本必须重新采集血样。
样本收集后应尽可能马上使用,不能够在室温下长时间存放。
血清或血浆标本可在2 -8℃冷藏存放一周。
长期保存需冷冻于-20℃。
冷藏或冷冻样本应在检测前恢复到室温并充分混匀。
样本切忌反复冻融。
【注意事项】1.本产品是一种定性地检测梅毒抗体存在的试剂,不能确定标本中抗体的含量。
2.本产品只用于初筛检测使用,检测结果不能作为机体感染梅毒临床诊断的唯一依据。
3.本产品仅用于体外诊断,并适用于检测血清/血浆样本中的梅毒抗体。
4.本产品只用于初筛检测使用,检测结果不能作为确诊依据。
为了确保结果的准确性,可对样本用其他方法,例如ELISA,进一步确认。
5.同所有的诊断试剂一样,检测结果必须结合内科医生得出的其它临床症状进行诊断。
6.如果测试结果呈阴性并有临床症状存在,可建议使用其他临床方法进行测试。
阴性结果并不能排除感染梅毒的可能性。
【操作步骤】*实验前准备在进行测试前必须先完整阅读使用说明书,使用前将试剂板和血样标本恢复至室温(20℃-30℃)。
*实验步骤1.从原包装铝箔带中取出试剂条,粘附于记录卡上,平置桌面,在1小时内应尽快地使用。
2.吸取全血/血清/血浆标本50ul(或吸管2滴)置于加样区,再加1滴缓冲液。
3.等待红色条带的出现,在10分钟内读取测试结果。
关键要注意,在红色条带出现以前,背景要清晰,特别当样本中含有低滴度的梅毒抗体,会导致出现的T线颜色很淡,此时更需注意背景要清晰。
在30分钟后读取的结果无效。
【结果判定】阳性(+):两条红色条带出现。
一条位于测试区(T)内,另一条位于质控区(C)内。
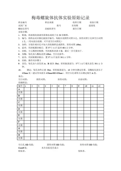
梅毒螺旋体抗体实验原始记录
样品编号样品来源收样日期检验日期
试剂厂家批号有效期温湿度
酶标仪型号洗板机型号报告日期
实验步骤:
1、配液:将浓缩洗涤液用蒸馏水或离子水20倍稀释。
2、编号:将样品对应微孔板按序编号,每板应设阴性对照3孔,阳性对照2孔和空白对照
1孔。
(用双波长检测,可不设空白对照孔)
3、加样:分别在相应孔中加入待检测样品或阴性、阳性对照100ul。
4、温育:用封板膜封板后,置37℃±1℃温育60±2分钟。
5、洗板:小心揭掉封板膜,用洗板机洗涤5遍,最后一次尽量扣干。
6、加酶:每孔加入酶标试剂100ul,空白孔除外。
7、温育:用封板膜封板后,置37±1℃温育30±1分钟。
8、洗板:操作同步骤5.
9、显色:每孔加入显色剂A、B液各50ul,轻轻振荡混匀,37℃±1℃避光显色30±1分
钟。
10、测定:每孔加终止液50ul,轻轻振荡混匀,10分钟内测定结果。
设酶标仪波长于
450nm处(建议用双波长450nm/600-650nm),用空白孔调零点后测定隔空A值。
备注:
空白对照:阴性对照:阳性对照:内部对照:
空白孔OD均值:阴性对照OD均值:阳性对照OD均值:Cutoff值:本次实验是否成立
检验者:复核者:。
梅毒螺旋体抗体测定标准操作程序(SOP)【目的】指导免疫项目梅毒螺旋体抗体的测定。
【适用仪器】酶标仪ST-36O、洗板机ST-36W等。
【该SOP变动程序】本标准操作程序的改动,可由任一使用本SOP的工作人员提出,并报经下述人员批准签字:专业主管、科主任。
【方法原理】ELISA法:用HTP特异性抗原包被酶联板,待检血清中的抗TP抗体与包被抗原反应,再与酶标IgG结合,形成抗原-抗体-酶标抗体复合物,加底物(TMB)显色,在酶标仪上测定后根据OD值判定有无TP抗体的存在。
【标本要求】种类:血清、血浆。
【试剂】试剂盒:样品稀释液、阴性和阳性对照、浓缩洗液、酶标抗体、底物液A、底物液B、终止液。
保存条件及有效期:2--8℃储存。
自生产日期起,有效期半年。
【质控品】试剂盒中的阴性和阳性对照、省临检中心下发的,依说明书4–8℃冷藏。
【操作步骤】1.加样:每次试验设空白对照1孔;阴性对照3孔,阳性对照2孔,分别加入HCV阴、阳性对照10微升。
除空白孔外,其余孔加入50微升样本。
2.温育:振荡混匀,盖上封板膜,置37±1℃温育60分钟。
3.洗涤:用洗板机洗板,重复洗5次后拍干。
4.加酶:空白对照孔不加酶标记物,其余孔加入酶标记物100微升。
5.温育:振荡混匀,盖上封板膜,置37±1℃温育30分钟。
6洗涤:用洗板机洗板,重复洗5次后拍干。
7.显色:每孔加入底物缓冲液50微升,再加入底物液50微升,振荡混匀,盖上封板膜,置37±1℃温育30分钟。
8.终止:每孔加入终止液50微升,混匀。
9.用酶标仪读值,零置酶标仪450nm或双波长450nm/630nm下测定OD值。
结果判定1.阴、阳性对照和被检样品的OD值减去空白对照OD值即为计算值。
2.试剂空白需<0.08,阴性对照孔值≤0.120,阳性对照孔值≥0.300。
3.临界值(cut off值)的设定:cut off值=0.100+阴性对照OD均值4.被检样品的OD值>=临界值应判为HCV抗体阳性反应,<临界值为阴性反应。
梅毒螺旋体明胶凝集试验(TPPA)1.原理梅毒螺旋体颗粒凝集试验(TPPA)是用超声裂解梅毒螺旋体抗原致敏明胶粒子,致敏粒子与待检血清(浆)中的梅毒螺旋体抗体结合,产生肉眼可见的颗粒凝集。
2.方法2.1仪器耗材:1)TPPA检测试剂盒2)移液器3)保湿盒2.2检测流程:1)试剂准备:试验前30分钟将待检标本和试剂从冰箱中取出,恢复至室温。
2)加稀释液:每份样本作4孔,用移液器将血清稀释液滴入微量反应板第1孔(100μl),从第2孔-第4孔各滴25μl。
3)样本稀释:用移液器取待检血清25μl置第1孔中,然后以2n 的方式从第1孔稀释至第4孔。
4)加对照液:用移液器在第3孔滴入25μl未致敏粒子;在第4孔滴入25μl致敏粒子。
5)混合:以不会导致微量反应板内容物溅出的强度混合30秒钟。
6)反应:加盖置湿盒内,于室温(15℃-30℃)下水平静置。
2小时后观察并记录结果。
附:重吸收试验对于未致敏粒子和致敏粒子均显示±以上凝集的样品,要按照下列程序在完成吸收操作的基础上进行再试验。
1)取用定量的溶解液调制好的未致敏粒子0.95ml至小试管中。
2)加入样品50μl混合,于室温(15℃-30℃)下放置20分钟以上。
3)离心分离(2000rpm、5分钟),然后分别吸取上清液【吸收完毕的稀释样品(1:20)】50μl至反应板第3孔中,特别注意不要混入粒子。
4)从第4孔以后,要预先各滴入25μl血清稀释液,从第3孔至最后一孔用移液器以2n 的方式进行稀释。
5)之后的步骤同上。
3.结果3.1结果判读首先观察未致敏粒子反应孔是否出现凝集(第3孔),判断试验有效性后,再根据致敏粒子与标本反应孔(第4孔)与致敏粒子是否产生1+ ~2+凝集反应凝集反应,判断结果。
如未致敏粒子反应孔出现凝集(第3孔)为无效试验,需要对标本进行重吸收试验后再进行检测。
++ :产生均一的凝集,凝集粒子在底部,呈膜状延展;+ :粒子环明显变大,其外周边缘不均匀且杂乱的凝集在周围;±:粒子形成小环状,呈现出外周边缘均匀且平滑的圆形;- :粒子呈纽扣状聚集,呈现出外周边缘均匀且平滑的圆形。
梅毒螺旋体抗体检测(TPPA)(凝集法)1.目的:规范实验室TPPA检测操作。
2.范围: xxx 院 xxx 科3.测定原理:将梅毒螺旋体(Nichols株)的精制菌体成分包被在人工载体明胶粒子上。
这种致敏粒子和样本中的梅毒螺旋体抗体进行反应发生凝集,产生粒子凝集反应(Particle Agglutination Test,PA法)由此可以检测出血清和血浆中的梅毒螺旋体抗体,并且用来测定抗体的效价。
4.标本:4.1采用正确医用技术收集血清/血浆样本,血浆样本推荐使用肝素钠抗凝血浆,枸橼酸钠和EDTA抗凝剂。
4.2样本中的沉淀物和悬浮物,红细胞等其它有形成分可能会影响试验结果,应离心除去,并确定样本未变质方可使用。
4.3严重溶血或脂血的样本不能用于测定。
4.4样本收集后在室温放置不可超过8小时;如果不在8小时内检测需将样本放置在2~8℃的冰箱中;若需48小时以上保存或运输,则应冻存于-20℃以下,避免反复冻融。
使用前恢复到室温,轻轻摇动混匀。
4.5血清样品即使钝化也不会影响检测结果。
5.试剂:珠海丽珠试剂股份有限公司提供的试剂。
5.1试剂盒在2℃—10℃储存,防止冷冻,避免强光照射,有效期12个月。
5.2 试剂盒开启使用后,冷冻干燥品配好后,2℃—10℃保存可使用7日,使用前必须做对照试验。
5.3试剂组成5.3.1溶解液(液体):用于调制致敏粒子和未致敏粒子。
5.3.2血清稀释液(液体):用于样品的稀释。
5.3.3致敏粒子(冷冻干燥):调制浓度为1%的梅毒螺旋体(Nichols株)致敏明胶粒子。
5.3.4未致敏粒子(冷冻干燥)经单宁酸处理调制浓度为1%的明胶粒子。
5.3.5阳性对照血清(液体)用抗梅毒螺旋体(Nichols株)家兔免疫血清调制成抗体效价为1:320(最终稀释倍数)。
6.临床标本测定6.1试剂的调制6.1.1溶解液(液体):按照测定操作规则使用。
6.1.2血清稀释液(液体):按照测定操作规则使用。
一、梅毒分类诊断标准(一)一期梅毒的诊断标准。
1、病史:有性接触史或性伴感染史。
2、临床表现:具有符合相应特征的硬下疳、腹股沟淋巴结肿大。
3、实验室检查:硬下疳组织渗出液或淋巴结节穿刺液:TP暗视野检查阳性;或RPR(或TRUST)阳性和TPPA(或TPHA或TP-ELISA)阳性。
同时符合1、2、3为确诊病例。
同时符合1、2,以及实验室检查RPR(或TRUST)阳性,未做TPPA(或TPHA或TP-ELISA或TP暗视野检查)或结果为阴性的为疑似病例。
(二)二期梅毒的诊断标准1、病史:有性接触史或性伴感染史或输血史。
2、临床表现:病期2年内,多为无症状性、暗红色、符合相应特征的多形性皮损,尤其掌趾部位的暗红斑或鳞屑性丘疹,也可出现其它损害(关节、眼、内脏等)。
3、实验室检查:皮损如扁平湿疣、湿丘疹、粘膜斑等:TP暗视野检查阳性;或RPR(或TRUST)阳性,同时TPPA (或TPHA或TP-ELISA)阳性。
同时符合1、2、3为确诊病例。
同时符合1、2,以及实验室检查RPR(或TRUST)阳性,未做TPPA(或TPHA或TP-ELISA)的为疑似病例。
(三)三期梅毒的诊断标准。
1、病史:有性接触史或性伴感染史或输血史或一、二期梅毒史。
2、临床表现:病期2年以上。
有如下特征中的任一项表现,包括皮肤黏膜损害如结节梅毒疹、树胶肿,上腭、鼻中隔等穿孔性损害;骨、眼损害,其它内脏损害;神经梅毒;心血管梅毒。
3、实验室检查:RPR(或TRUST)阳性,同时TPPA (或TPHA或TP-ELISA)阳性;或脑脊液检查:WBC≥10×106/L,蛋白>500mg/L,并排除其它引起这些异常的原因。
或三期梅毒组织病理变化。
同时符合1、2、3为确诊病例。
同时符合1、2,以及实验室检查RPR(或TRUST)阳性,未做TPPA(或TPHA或TP-ELISA)脑脊液检查或组织病理检查的为疑似病例。
(四)隐性梅毒的诊断标准。
目的:规范的梅毒螺旋体检验操作,确保检测结果准确。
适用范围:性病实验室工作人员责任人:实验操作者1、标本的采集与处理1.1标本采集的基本要求1.1.1操作应规范化。
1.1.2所有标本都应当被视为具有传染性,医务人员应戴手套谨慎操作。
1.2梅毒标本采集梅毒的实验室诊断主要有病原体检测和血清学检测方法,各期梅毒的检测方法及部位见下表。
1.2.1血液1.2.1.1血清标本根据需要,用一次性真空采血针与促凝采血管抽取静脉血2-5 ml,室温静置1-2小时(或37℃静置30分钟),待血液凝固、血块收缩后,3000r/min离心10-15分钟,分离新鲜血清,备用。
也可采用保存于2-8℃或-20℃的血清。
溶血、脂血或污染的标本可影响试验结果。
1.2.1.2血浆标本根据需要,用一次性真空采血针与抗凝采血管抽取静脉血2-5 ml,轻轻颠倒混匀8-10次,3000r/min离心10-15分钟,分离血浆,备用。
血库血浆以及EDTA 抗凝血浆同样可以用于梅毒血清学实验(一般仅用于RPR实验,),但易出现假阳性反应(需用血清复试),如用其他抗凝剂应首先评价后再用。
1.2.1.3末梢全血消毒局部皮肤(成人和1岁以上儿童可选择手指或耳垂,1岁以下儿童采用足跟部)。
一次性采血针刺破皮肤,用无菌棉签擦掉第一滴血。
收集滴出的血液,立即用于检测。
1.2.2皮损部位组织液1.2.2.1用于病原学检查用无菌生理盐水浸湿的棉拭子擦去皮损表面的污物,钝刀/刮勺轻刮、挤压皮损部位,取渗出液与预先滴加在载玻片上的生理盐水混合后加盖玻片立即用于暗视野显微镜检测,或取渗出液直接涂片,用于镀银染色试验。
1.2.2.2用于核酸检测用无菌生理盐水浸湿的棉拭子擦去皮损表面的污物,钝刀/刮勺轻刮、挤压皮损部位,刮取渗出液,加入有DNA保存液(1ml/管)的标本管中,备用。
1.2.3淋巴液无菌操作下穿刺腹股沟淋巴结,注入0.3ml无菌生理盐水并反复抽吸2-3次,取少量的淋巴液直接滴于载玻片上,加盖玻片后立即进行暗视野镜检或备用。
非特异性梅毒螺旋体试验1.原理:非特异性梅毒螺旋体试验包括性病研究实验室试验(venereal disease research laboratory test,VDRL),不加热血清反应素试验(unheated serum reagin test,USR)和快速血浆反应素环状卡片试验(rapid plasma reagin test,RPR)。
其原理是梅毒螺旋体可使被破坏的组织细胞释放类脂样物质,螺旋体自身释放亦产生类脂及脂蛋白。
这些物质刺激机体产生抗体(IgG或IgM)。
这些抗体可与从牛心中提出的心磷脂发生抗原抗体反应。
由于非梅毒螺旋体感染引起的各种急性或慢性组织损伤也可产生类似的抗体,所以这种反应是非特异性的,适合用于筛选实验。
将标准的心磷脂抗原吸附在特制的活性碳粒上,这种碳粒抗原与患者血清混合在一起后,可以与血清中抗心磷脂抗体起反应在白色纸卡上形成肉眼可见的黑色凝集颗粒。
2.试剂:1)RPR检测试剂盒2)移液器3.方法:1)将待检血清及试剂用前放室温平衡(23-29℃),冻干阳性对照血清应在试剂前5分钟用0.2ml生理盐水溶解。
2)吸取待检血清50μl,在卡片圈内,并将血清用牙签或吸液嘴扩展到整个圆圈。
3)将盒内RPR抗原悬液轻轻摇匀,用专用滴管和针头吸取抗原于每个血清圈内垂直加一滴。
4)振荡或摇动8分钟后,立即在明亮光线下用肉眼观察结果。
5)如有需要,阳性标本可做1:2 1:4 1:8 1:16和1:32稀释,按定性试验方法作定量试验。
4.结果判定:阳性反应:中等或大块黑色凝集块。
弱阳性反应:散在的小黑色凝集块。
阴性反应:黑色均匀分散无凝集块。
必要时应再做TPHA试验确证。
5.注意事项:1、本试剂应保存于2-8℃,效期一年。
2、如做半定量试验,可将待检血清用生理盐水作倍比稀释,然后按上述方法进行试验,以呈现出明显凝集反应的最高稀释度作为该血清的凝集效价。
3、本试验系非特异性反应,需再做TPHA确证。
目的:规范的梅毒螺旋体检验操作,确保检测结果准确。
适用范围:性病实验室工作人员责任人:实验操作者1、标本的采集与处理标本采集的基本要求1.1.1 操作应规范化。
1.1.2 所有标本都应当被视为具有传染性,医务人员应戴手套谨慎操作。
梅毒标本采集梅毒的实验室诊断主要有病原体检测和血清学检测方法,各期梅毒的检测方法及部位见下表。
1.2.1 血液1.2.1.1 血清标本根据需要,用一次性真空采血针与促凝采血管抽取静脉血2-5 ml,室温静置1-2 小时(或37℃静置30 分钟),待血液凝固、血块收缩后,3000r/min 离心10-15 分钟,分离新鲜血清,备用。
也可采用保存于2-8℃或-20 ℃的血清。
溶血、脂血或污染的标本可影响试验结果。
1.2.1.2 血浆标本根据需要,用一次性真空采血针与抗凝采血管抽取静脉血2-5 ml ,轻轻颠倒混匀8-10 次,3000r/min 离心10-15 分钟,分离血浆,备用。
血库血浆以及EDTA 抗凝血浆同样可以用于梅毒血清学实验(一般仅用于RPR实验,),但易出现假阳性反应(需用血清复试),如用其他抗凝剂应首先评价后再用。
1.2.1.3 末梢全血消毒局部皮肤(成人和1岁以上儿童可选择手指或耳垂,1 岁以下儿童采用足跟部)。
一次性采血针刺破皮肤,用无菌棉签擦掉第一滴血。
收集滴出的血液,立即用于检测。
1.2.2 皮损部位组织液1.2.2.1 用于病原学检查用无菌生理盐水浸湿的棉拭子擦去皮损表面的污物,钝刀/ 刮勺轻刮、挤压皮损部位,取渗出液与预先滴加在载玻片上的生理盐水混合后加盖玻片立即用于暗视野显微镜检测,或取渗出液直接涂片,用于镀银染色试验。
1.2.2.2 用于核酸检测用无菌生理盐水浸湿的棉拭子擦去皮损表面的污物,钝刀/ 刮勺轻刮、挤压皮损部位,刮取渗出液,加入有DNA保存液(1ml/ 管)的标本管中,备用。
1.2.3 淋巴液无菌操作下穿刺腹股沟淋巴结,注入无菌生理盐水并反复抽吸2-3 次,取少量的淋巴液直接滴于载玻片上,加盖玻片后立即进行暗视野镜检或备用。
1.2.4 脑脊液操作由专业人员进行,一般用腰椎穿刺术获得。
患者侧卧于硬板床,两手抱膝紧贴腹部,头向前胸屈曲,使躯干呈弓形,以髂后上棘连线与后正中线的交点为穿刺点,相当于第3-4 腰椎棘突间隙,消毒处理后,用2%利多卡因自皮肤到椎间韧带作局部麻醉。
术者用左手固定穿刺皮肤,右手持穿刺针以垂直背部方向缓缓刺入,针尖稍斜向头部,成人进针深度约4-6cm,儿童约2-4cm。
当针头穿过韧带与硬脑膜时,有阻力突然消失落空感,此时可将针芯慢慢抽出,即可见脑脊液流出,至于合适的容器中,备用。
标本接收的标准1.3.1 核对样品与运送单,检查样品管有无破损和溢漏。
如发现溢漏应立即将尚存留的样品移出,对样品管和盛器消毒并做记录。
1.3.2 检查样品的状况,记录有无严重溶血、微生物污染、脂血以及黄疸等情况。
如果样品污染或者认为样品不能被接受,应将样品安全废弃。
并将样品情况立即通知运送机构。
1.3.3 对不合要求的标本,可以拒绝接受。
2、梅毒的实验室检查梅毒螺旋体暗视野显微镜检查2.1.1 原理梅毒螺旋体侵入人体后,在皮肤黏膜下增殖,并很快沿着淋巴管到达附近淋巴结,经过2-4 周的潜伏期,在侵入部位发生炎症反应,称为硬下疳,数天到1 周后,淋巴结肿大。
二期梅毒是梅毒螺旋体由局部经淋巴结进入血液,在人体内大量播散后而出现的全身表现,一般发生在感染后的7-10 周或硬下疳出现后6-24 周,主要为皮肤黏膜损害,有扁平疣、黏膜斑和玫瑰斑疹等。
患梅毒的孕妇可以通过胎盘使胎儿受染。
研究证明,在妊娠期7 周时,梅毒螺旋体即可通过胎盘。
其梅毒患者硬下疳、淋巴结、皮肤黏膜损害以及孕妇羊水中均可检查到梅毒螺旋体。
将标本置于暗视野显微镜下,光线从聚光器的边缘斜射到涂片上,可使梅毒螺旋体折射出亮光,从而可根据其特殊形态和运动方式进行检测。
2.1.2 方法2.1.2.1 仪器耗材:1) 暗视野显微镜2) 无菌纱布3) 不锈钢刮刀4) 灭菌棉拭子5) 载玻片、盖玻片6) 注射器,注射针头7) 灭菌生理盐水2.1.2.2 检测流程1) 将待检标本制成生理盐水涂片,加盖玻片后立即备检。
2) 在预先调整好的暗视野显微镜的聚光器上加数滴浸油,轻轻调低聚光器,使之在载物台下方。
3) 将标本玻片置载物台上,上升聚光器,使浸油接触载玻片底面,避免浸油内有气泡。
4) 镜检:先低倍后高倍,寻找有特征形态和运动方式的梅毒螺旋体。
2.1.3 结果2.3.1.1 结果判读:在暗视野显微镜下观察,发现有纤细、白色、有折光的螺旋状微生物,长6-20um, 直径小于,有6-14 个螺旋,具有旋转、蛇行及伸缩等特征性的运动方式,可判断为梅毒螺旋体。
2.3.1.2 结果报告:暗视野显微镜下若发现上述特征的梅毒螺旋体则报告阳性结果;未见到上述特征的梅毒螺旋体则报告阴性结果。
2.1.4 临床意义1) 梅毒螺旋体暗视野显微镜检测阳性在临床上可确诊梅毒,特别是对于有皮肤黏膜损害和淋巴结病变的一、二期梅毒的诊断具有重要价值,且具有快速,方便,易操作等特点。
2)若未能发现梅毒螺旋体,不能排除梅毒诊断。
阴性结果原因可能为:标本中的微生物数量不足(单次的暗视野检测其敏感性低于50%)、病人已接受治疗、皮损已接近自然消退或取自非梅毒性皮损。
3)无论暗视野显微镜检查的结果如何,都应进一步进行血清学检测。
2.1.5 注意事项1)取材前,应用无菌生理盐水清洁皮肤表面,取材时应注意无菌操作。
2)应取到组织渗出液,尽量避免出血,以提高检出阳性率。
3)取材后应立即置暗视野显微镜下观察,如搁置太久,梅毒螺旋体活动能力会下降,导致镜下难以观察到阳性结果。
4)对口腔溃疡标本,在暗视野显微镜下如观察到梅毒螺旋体的特征性形态和运动方式,应与其他螺旋体相区别。
. 甲苯胺红不加热血清试验(TRUS)T2.2.1 原理梅毒螺旋体一旦感染人体,宿主迅速对感染早期被损害的自身细胞以及梅毒螺旋体细胞表面所释放脂类物质做出免疫应答,在3-4 周内可产生抗类脂抗原的抗体(亦称为反应素)。
这种抗体在体外可与心磷脂、卵磷脂和胆固醇等组成的抗原(%心磷脂、%卵磷脂和%胆固醇)发生抗原-抗体反应。
心磷脂、卵磷脂和胆固醇都是醇溶性脂类,遇水形成胶体溶液。
当含有反应素的梅毒血清与之混合时,即粘附在胶体颗粒的周围。
经摇动、碰撞,形成抗原抗体复合物,出现凝集颗粒,即为阳性反应。
甲苯胺红不加热血清试验即在抗原中加入甲苯胺红颗粒作为指示物,与待检血清(浆)中的反应素结合,形成肉眼可见的红色絮状物。
血清不需灭活,肉眼可观察结果。
2.2.2 方法2.2.2.1 仪器耗材:1) TRUST试剂盒2)水平旋转仪:要求旋转环状直径为2cm,转速为(100±2)r/min ,并带有计时器和保湿盖)3)无菌生理盐水(%)2.2.2.2 检测流程:2.2.2. 定性试验1)试剂准备:检测前将试剂盒置室温预温30 分钟2)加标本:吸取50μl 血清(浆)置试验卡片圈中,并均匀地涂布在整个卡圈内。
不能将标本溢出环圈外面。
3)加抗原:将抗原轻轻摇匀,在每个标本圈中,用专用滴管针头垂直滴加1 滴(60±1滴/ml ,约17μl/ 滴)抗原,不需要手工混匀。
4)反应:将卡片置水平旋转仪上,建议罩上保湿盖,(100± 2)r/min 旋转8 分钟。
5)从旋转仪中取出卡片后立即在亮光下用肉眼观察结果。
用手轻微的旋转或倾斜卡片可有助于弱阳性和阴性标本。
2.2.2. 定量实验1)实验卡片准备:在卡片中圈1 到圈4中分别标上1:2 ,1:4,1:8,1:162)稀释液准备:在圈1 到圈4中加入50μl 生理盐水,勿将盐水液滴涂开。
3)标本稀释:吸取50μl 血清(浆)于圈1 中,用移液器来回吸放5-6 次已混合圈1 中的生理盐水和标本,但要避免产生气泡。
从圈1(1:2 )中移取50 μl 到圈2(1:4)用上述同样方法混合后依次稀释至圈3(1:8)和圈4(1:16)。
混旋后从圈4中弃去50μl 。
4)依次从圈4- 圈1 将不同稀释度的标本涂布整个圈内。
5)加抗原等以下实验步骤同定性试验的2-4 。
6)如阳性反应滴度大于1;16, 则继续稀释以测定最高稀释反应滴度。
2.2.3 结果2.2.3.1 结果判读1)阳性反应:圆圈内出现中或大的红色絮状物,液体清亮;2) 弱阳性反应:圆圈内出现小的红色絮状物,液体混浊;3) 阴性反应:圆圈内仅见炭颗粒集中于中央一点或均匀分散。
2.3.3.2 结果报告1) 定性试验:出现凝集反应报告阳性,不产生凝集反应报告阴性。
2) 定量实验:出现凝集反应的血清最高稀释倍数为抗体滴度,结果报告滴度为1:X,X依次为1、2、4 等稀释倍数。
2.2.4 临床意义1) 梅毒螺旋体一旦感染人体后产生抗类脂抗原的抗体,未经治疗可长期存在。
经适当治疗后,抗体可以逐渐减少至转为阴性,早期梅毒(一期、二期)经足量规则抗梅毒治疗后3个月,TRUST 抗体滴度可下降2个稀释度,6个月可下降4个稀释度,一期梅毒一般约1 年后可转为阴性,二期梅毒2 年后可转为阴性。
但晚期梅毒治疗后血清滴度下降缓慢,2 年后约50%病人血清反应仍为阳性。
2) TRUST定性试验结果可用于现症梅毒诊断。
TURST定量试验结果可用于疗效观察和判愈。
2.2.5 注意事项1) 生物学假阳性:非梅毒螺旋体抗原血清学试验采用的抗原为心磷脂、卵磷脂和胆固醇的混合物,所检测的抗心磷脂抗体易见于其他多种疾病,如急性病毒性感染、自身免疫性疾病、结缔组织病、静脉吸毒者以及怀孕的妇女等。
因此该类反应会出现假阳性反应。
所以该类试验阳性标本需进一步采用梅毒螺旋体抗原血清学试验(如TPPA、ELISA)等复检,以排除生物学假阳性,确认是否为梅毒螺旋体感染。
2) 前带现象:只对早期梅毒患者进行非梅毒螺旋体抗原血清试验时,有时血清中存在高浓度的抗体,导致抗原抗体浓度不匹配,出现弱阳性、不典型或阴性反应的结果,此时需将血清稀释后再进行试验,可出现阳性结果。
该现象称为前带现象。
梅毒螺旋体明胶凝集试验( TPPA)2.3.1 原理梅毒螺旋体颗粒凝集试验( TPPA)是用超声裂解梅毒螺旋体抗原致敏明胶粒子,致敏粒子与待检血清 (浆)中的梅毒螺旋体抗体结合,产生肉眼可见的颗粒凝集。
2.3.2 方法2.3.2.1 仪器耗材:1) TPPA检测试剂盒2) 移液器3) 保湿盒2.3.2.2 检测流程:1) 试剂准备:试验前30 分钟将待检标本和试剂从冰箱中取出,恢复至室温。
2) 加稀释液:每份样本作4 孔,用移液器将血清稀释液滴入微量反应板第1 孔 (100μl ),从第2孔-第4孔各滴25μl 。