QC080000-2017内审员考试题库及答案
- 格式:doc
- 大小:54.00 KB
- 文档页数:11
廣東省惠州市博羅縣龍溪鎮小蓬崗村怡富萬大道2號QC080000-2017内审员培训考试题(A卷)姓名:部门:得分:一、判断题(60分,每题2分)(对的打“√”,错的打“×”)1)ROHS指令仅对电子电器产品及其部件适用。
(√)2)QC080000体系仅需满足ROHS指令的要求,不包括满足WEEE的要求。
(ⅹ)3)RoHS及WEEE指令涉及产品领域是完全一致的。
(ⅹ)4)如果企业有SONY产品,其QC080000体系应同时包括符合SONY的GP审核要求。
(√)5)进入欧洲的包装材料和扭扣电池不需满足ROHS指令的要求,只需满足其相应专门的有害物质限制要求即可。
(√)6)铝合金中的铅含量达到3500PPM,不符合ROHS指令的要求。
(ⅹ)7)中国ROHS2.0《电器电子产品有害物质限制使用管理办法》于2016/7/1日生效实施。
(√) 8)最高管理者应知晓违反HSF法律法规和顾客要求的后果。
(√)9)IECQ QC080000-2017国际规范仅适用于已实施ISO9001:2015或与其完全等同的QMS标准的组织。
(√)10)组织的QMS活动和地理范围应等同或大于其HSPM体系的活动和地理范围。
(√)11)QC080000-2017要求任命一名指定管理者代表负责整个HS管理体系的各个过程。
(√)12)如果在生产车间同时或交替生产HS和HSF的产品和服务,应确保基础设施充足,防止出现产品污染。
(√)13)均质材料指无法使用物理和化学方法分离的单一材料。
(ⅹ)14)有害物质含量计算的基础是“均质材料(homogeneous material)”。
(√)15)HSF特性的测量必须可溯源,应按照国际或国家测量标准对测量设备进行校准或验证。
(√)16)员工应知晓将HS引入过程输出或产品的风险,以及他们对实现HSF目标的贡献。
(√) 17)当在交付或开始使用后发现HSF产品不合格时,必须通报客户。
(√)18)公司必须建立使用HS的清单(√)。
QC080000-2017内审员培训考试题A卷QC080000-2017内审员培训考试题(A卷)姓名:公司/部门:得分:一、判断题(60分,每题2分)(对的打“√”,错的打“×”)1)ROHS指令仅对电子电器产品及其部件适用。
(√)2)QC080000体系仅需满足ROHS指令的要求,不包括满足WEEE的要求。
(ⅹ)3)RoHS及WEEE指令涉及产品领域是完全一致的。
(ⅹ)4)如果企业有SONY产品,其QC080000体系应同时包括符合SONY的GP审核要求。
(√)5)进入欧洲的包装材料和扭扣电池不需满足ROHS指令的要求,只需满足其相应专门的有害物质限制要求即可。
(√)6)铝合金中的铅含量达到3500PPM,不符合ROHS指令的要求。
(ⅹ)7)中国ROHS2.0《电器电子产品有害物质限制使用管理办法》于2016/7/1日生效实施。
(√) 8)最高管理者应知晓违反HSF法律法规和顾客要求的后果。
(√)9)IECQ QC080000-2017国际规范仅适用于已实施ISO9001:2015或与其完全等同的QMS标准的组织。
(√)10)组织的QMS活动和地理范围应等同或大于其HSPM体系的活动和地理范围。
(√)11)QC080000-2017要求任命一名指定管理者代表负责整个HS 管理体系的各个过程。
(√)12)如果在生产车间同时或交替生产HS和HSF的产品和服务,应确保基础设施充足,防止出现产品污染。
(√)13)均一材料指无法使用物理和化学方法分离的单一材料。
(ⅹ)14)有害物质含量计算的基础是“均一材料(homogeneous material)”。
(√)15)HSF特性的测量必须可溯源,应按照国际或国家测量标准对测量设备进行校准或验证。
(√)16)员工应知晓将HS引入过程输出或产品的风险,以及他们对实现HSF目标的贡献。
(√) 17)当在交付或开始使用后发现HSF产品不合格时,必须通报客户。
精选考试类应用文档,如果您需要本文档,请点击下载@_@最新QC080000-2017内审员考试试题及答案姓名成绩温馨提示:同学们,经过培训学习,你一定积累了很多知识,现在请认真、仔细地完成这张试题吧。
加油!一.单项选择题(共15小题每小题2分共计30分)1、ISO9001-2008标准中提及的记录是:( b )a.提供产品符合要求的记录;b.提供质量管理体系有效运行的记录;c.提供认证机构证实体系运行的记录;d.a+b两种;2、ISO9001:2008标准的要求由于组织及其产品特点不适用时:( b ) a.可以删减不适用的条款;b.仅限于删减第七章的条款;c.仅限于删减有关监视和测量的条款;d.可删减组织做不到的条款;3、质量管理体系要求的“产品”适用的范围:( c )a. 适用于所有的产品;b. 预期提供给顾客或顾客所要求的产品;c. 产品实现过程所产生的任何预期输出;d. 硬件,软件产品;4、组织应定期进行内部审核,以确定质量管理体系有效运行的结果:( d )a. 符合ISO9001-2008标准要求;b. 符合计划的安排并得到有效实施;c. 得到有效实施和保持;d.a+c5、质量目标:( a )a. 是可测量的;b. 是已达到的;c. 在质量方面所追求的目的d. 是量化的6、对审核中查明的问题进行分析和制定防止纠正措施的活动的验证:( c )a. 实施纠正措施的有效性;b. 不符合项的纠正;c. 评价确保不合格不再发生的措施的需求;d. 审核报告;7、审核组长在策划质量管理体系审核时,应确定:( d )a. 审核的目的和范围;b. 有关质量管理体系的要求;c. 审核所需时间(人.时/日);d. 上述全部8、八项质量管理原则是ISO9001-2008标准的:( d )a. 补充b. 附加条件;c. 理论基础;d. a+b9、7.5.1条款中规定使用的生产设备是指:( c )a. 使用满足生产要求的足够数量的生产设备;b. 使用自动化程度最高的生产设备;c. 使用适宜的生产设备;d. 使用高效、节能、低污染的生产设备;10、内审员在现场审核时,应怎样使用检查表:( d )a. 向受审核方出示检查表;b. 把问题念一遍,然后进行检查;c. 把检查表交给受审核方,然后提问;d. 将检查表作为检查的辅助手段;11..“中国RoHS”的正式实施日期是。
IECQ QC080000:2017培训测试题公司名: 学员名: 测试日期:一、请判断下面说法是否正确:(每题2分,共40分)1)ROHS指令仅对电子电器产品及其部件适用。
( )2)QC080000体系仅需满足ROHS指令的要求,不包括满足REACH的要求。
( )3)RoHS指令和中国电子信息产品污染控制管理办法涉及产品领域是完全一致的。
( )4)如果企业有SONY产品,其QC080000体系应同时包括符合SONY的GP审核要求。
( )5)进入欧洲的包装材料和扭扣电池不需满足ROHS指令的要求,只需满足其相应专门的有害物质限制要求即可。
( )6)中国《电子信息产品污染控制管理办法》于2007/3/1生效实施。
( )7)IEC是国际电工委员会的英文缩写,他隶属于ISO组织。
( )8)IECQ QC080000要求包括了全部ISO9001:2015的要求。
( )9)HSPM指“有害物质过程管理体系”,而HSF指“有害物质减免”。
( )10)均一材料指无法使用物理和化学方法分离的单一材料。
( )11)HS和HSF在QC080000中可以认为是一回事,需要等同对待。
( )12)组织的 QMS 活动和地理范围应等同或大于其 HSPM 体系的活动和地理范围。
( )13)当在交付或开始使用后发现HSF产品不合格时,必须通报客户。
( )14)公司必须建立使用HS的清单( )。
15)QC080000附录的适用性应与 IECQ HSPM 的认证范围相一致。
( )16)客户沟通时,应确保任何可能使用HS的过程已有能力得到控制,但可不通知客户。
( ) 17)生产过程中,任何可能发生污染的过程必须识别并建立文件化的控制规定。
( )18)适当时,组织应在产品实现的全过程中使用适宜的方法标识HSF产品。
( )19)产品防护时,应保持HSF 不合格材料和产品储存和放行的记录。
( )20)顾客提出HSF不合格抱怨,公司应进行原因分析,必要时采取纠正措施。
IECQ QC080000内审员培训测试题公司名: 学员名: 测试日期:一、请判断下面说法是否正确:(每题1分,共25分)1)ROHS指令仅对电子电器产品及其部件适用。
(√)2)QC080000体系仅需满足ROHS指令的要求,不包括满足WEEE的要求。
(ⅹ)3)RoHS及WEEE指令涉及产品领域是完全一致的。
(ⅹ)4)如果企业有SONY产品,其QC080000体系应同时包括符合SONY的GP审核要求。
(√)5)进入欧洲的包装材料和扭扣电池不需满足ROHS指令的要求,只需满足其相应专门的有害物质限制要求即可。
(√)6)铝合金中的铅含量达到3500PPM,不符合ROHS指令的要求。
(ⅹ)7)中国《电子信息产品污染控制管理办法》将于2007/3/1生效实施。
(√)8)IEC是国际电工委员会的英文缩写,他隶属于ISO组织。
(ⅹ)9)IECQ QC080000要求包括了全部ISO9001:2000的要求。
(√)10)HSPM指“有害物质过程管理体系”,而HSF指“无有害物质”。
(√)11)不能使用融出式测试方法来判定产品中有害物质是否超标。
(√)12)手持式X光螢光分析儀不能用于有害物质精密测试。
(√)13)均一材料指无法使用物理和化学方法分离的单一材料。
(ⅹ)14)有害物质含量计算的基础是“均一材料(homogeneous material)”。
(√)15)HS和RS在QC080000中可以认为是一回事,需要等同对待。
(√)16)除非在要求的评审已圆满完成,不应放行和交付产品。
(√)17)当在交付或开始使用后发现HSF产品不合格时,必须通报客户。
(√)18)公司必须建立使用HS的清单(√)。
19)管理者代表应确保供方组织内了解其与HSF相关的要求和职责。
(√)20)合同评审时,应确保任何可能使用HS的过程已有能力得到控制,但可不通知客户。
(ⅹ) 21)可能发生污染的过程必须建立文件化的控制规定。
(√)22)适当时,组织应在产品实现的全过程中使用适宜的方法标识HSF产品。
QC080000内审员培训考试题及答案一、选择题(每题2分,共20分)1. QC080000标准适用于以下哪个行业?A. 食品行业B. 电子行业C. 珠宝行业D. 航空业答案:B2. QC080000标准的全称是什么?A. 质量管理体系B. 环境管理体系C. 有害物质过程管理体系D. 职业健康安全管理体系答案:C3. 在QC080000标准中,哪个术语指的是有害物质?A. HAPB. ROHSC. WEEED. REACH答案:A4. 以下哪个不是QC080000标准要求的文件?A. 有害物质清单B. 过程控制文件C. 质量手册D. 内部审核报告答案:C5. QC080000标准中,有害物质过程管理的目的是?A. 提高产品质量B. 减少有害物质的使用C. 提高生产效率D. 降低成本答案:B二、填空题(每题2分,共20分)1. QC080000标准的发布机构是________。
答案:IEC2. QC080000标准的发布年份是________。
答案:20053. 在QC080000标准中,________是指在产品中存在的有害物质。
答案:HAP4. QC080000标准要求组织必须建立________,以确保有害物质的控制。
答案:有害物质过程管理体系5. 组织应通过________来识别和控制供应链中的有害物质。
答案:供应商管理三、简答题(每题10分,共30分)1. 简述QC080000标准中有害物质过程管理的主要内容。
答案:QC080000标准中有害物质过程管理的主要内容包含识别和控制组织内部和供应链中的有害物质,确保产品符合环保法规要求,同时通过持续改进,减少有害物质的使用。
2. 描述QC080000标准中内部审核的目的和作用。
答案:QC080000标准中内部审核的目的是验证组织有害物质过程管理体系的有效性和符合性,确保其持续改进和满足标准要求。
内部审核的作用是发现体系运行中的问题和不足,提供改进的机会,同时为外部审核和认证提供准备。
qc0800002017内审员培训考试题选择题:(每题4分,共80分)1、《医疗器械质量管理体系用于法规的要求》的标准代号是(B)A、GB/T 19002 YY/T 0288B、YY/T0287 ISO 13485C、GB/T 19000 ISO 9000D、GB/T 19011 ISO 190112、管理评审应由(C)进行?A、负有决策职责的董事长领导进行B、质量经理负责领导和组织实施C、最高管理者领导进行D、以上均可3、ISO13485:2016标准中关于设计开发验证,下列说法错误的是(C)A、验证计划包括方法、接收准则B、如果预期用途要求医疗器械连接至或通过接口连接至其他的一个或多个医疗器械,验证应包括证实当这样连接或通过接口连接时设计输出满足设计输入C、验证计划无需形成文件D、保留验证结果和结论及必要措施的记录4、组织的知识是指组织从其经验中获得的特定的知识,是实现组织目标所使用的共享信息。
其中内部来源的知识可以是(B)国际标准B、从失败和成功项目得到的经验教训C、学术交流D、专业会议5、培训机构提供的产品是(C)A、硬件B、软件C、服务D、流程性材料6、文件发布前的评审和批准目的是(A)A、确保文件的充分性与适宜性B使文件保持清晰易于识别C、确保文件能够及时发放D、以上全部D7、防护涉及的对象是(D)A、成品B、半成品C、原材料D、以上全部8、ISO13485:2016标准中7.3“设计和开发”指的是(A)A、产品的设计和开发B、过程的设计和开发C、工艺的设计和开发D、市场的设计和开发9、依据ISO13485:2016标准,对与产品有关要求的评审应在(A)进行。
A、作出提供产品的承诺之前B、签订合同之后C、将产品交付给顾客之前D、提交标书之后10、ISO13485:2016标准要求最高管理者应按策划的时间间隔评审质量管理体系,以确保其持续的(C)。
A、符合性、实施性和有效性B、符合性、充分性和有效性C、适宜性、充分性和有效性D、适宜性、实施性和有效性。
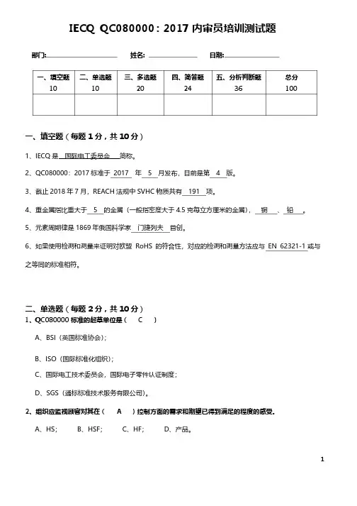
IECQ QC080000:2017内审员培训测试题部门: 姓名: 日期:一、填空题10 二、单选题10三、多选题20四、简答题24五、分析判断题36总分100一、填空题(每题1分,共10分)1、IECQ是国际电工委员会简称。
2、QC080000QC080000::2017标准于2017 年 5 月发布,目前是第 4 版。
3、截止2018年7月,月,REACHREACH法规中SVHC物质共有191 项。
4、重金属指比重大于 5 的金属(一般指密度大于4.5克每立方厘米的金属),铜、铅。
5、元素周期律是1869年俄国科学家门捷列夫首创。
6、如果使用检测和测量来证明对欧盟RoHS 的符合性,对应的检测和测量方法应与62321-1EN 62321-1 或与或与之等同的标准相符。
二、单选题(每题2分,共10分)1、QC080000标准的起草单位是( C )A、BSIBSI(英国标准协会)(英国标准协会);B、ISOISO(国际标准化组织)(国际标准化组织);C、国际电工技术委员会,国际电子零件认证制度;D、SGSSGS(通标标准技术服务有限公司)(通标标准技术服务有限公司)。
2、组织应监视顾客对其在( A )控制方面的需求和期望已得到满足的程度的感受。
A、HSHS;;B、HSFHSF;;C、HF HF;;D、产品。
13、有害物质减免(HSF)是指任何HS的减少或者( B )。
A、降低;B、消除;C、减免;D、提升。
4、产品的相关有害物质检测报告至少保存( B )。
A、5年;B、10年;C、15年;D、20年。
5、当组织是RoHS 所定义的制造商时,应准备下列成文信息( D )。
A、技术文档;B、CE 标志;C、符合欧盟RoHS 附录VI 的欧盟符合性声明;D、以上都正确。
三、多选题(每题2分,共20分)1、QC080000:2017规范性引用文件包括(ABCD )A、IECQ 03-2,程序规则–第1 部分;B、ISO 9000:2015,质量管理体系–基础和术语;C、ISO 9001:2015,质量管理体系–要求;D、中国《电器电子产品有害物质限制使用管理办法》。
2019QC080000-2017内审员考试题及答案姓名成绩温馨提示:同学们,经过培训学习,你一定积累了很多知识,现在请认真、仔细地完成这张试题吧。
加油!一.单项选择题(共15小题每小题2分共计30分)1、ISO9001-2008标准中提及的记录是:( b )a.提供产品符合要求的记录;b.提供质量管理体系有效运行的记录;c.提供认证机构证实体系运行的记录;d.a+b两种;2、ISO9001:2008标准的要求由于组织及其产品特点不适用时:( b ) a.可以删减不适用的条款;b.仅限于删减第七章的条款;c.仅限于删减有关监视和测量的条款;d.可删减组织做不到的条款;3、质量管理体系要求的“产品”适用的范围:( c )a. 适用于所有的产品;b. 预期提供给顾客或顾客所要求的产品;c. 产品实现过程所产生的任何预期输出;d. 硬件,软件产品;4、组织应定期进行内部审核,以确定质量管理体系有效运行的结果:( d )a. 符合ISO9001-2008标准要求;b. 符合计划的安排并得到有效实施;c. 得到有效实施和保持;d.a+c5、质量目标:( a )a. 是可测量的;b. 是已达到的;c. 在质量方面所追求的目的d. 是量化的6、对审核中查明的问题进行分析和制定防止纠正措施的活动的验证:( c )a. 实施纠正措施的有效性;b. 不符合项的纠正;c. 评价确保不合格不再发生的措施的需求;d. 审核报告;7、审核组长在策划质量管理体系审核时,应确定:( d )a. 审核的目的和范围;b. 有关质量管理体系的要求;c. 审核所需时间(人.时/日);d. 上述全部8、八项质量管理原则是ISO9001-2008标准的:( d )a. 补充b. 附加条件;c. 理论基础;d. a+b9、7.5.1条款中规定使用的生产设备是指:( c )a. 使用满足生产要求的足够数量的生产设备;b. 使用自动化程度最高的生产设备;c. 使用适宜的生产设备;d. 使用高效、节能、低污染的生产设备;10、内审员在现场审核时,应怎样使用检查表:( d )a. 向受审核方出示检查表;b. 把问题念一遍,然后进行检查;c. 把检查表交给受审核方,然后提问;d. 将检查表作为检查的辅助手段;11..“中国RoHS”的正式实施日期是。
QC080000:2017体系内部审核员试卷姓名(正楷):身份证号码:公司名称:得分:年月日QC080000:2017体系内部审核员班试卷一、不定项选择题(40分,每题2分)1、QC080000标准的起草单位是()A、DNV(挪威船级社);B、ISO(国际标准化组织);C、国际电工技术委员会,国际电子零件认证制度;D、SGS(通标标准技术服务有限公司)。
2、IECQ认证的好处( )A、成为IECQ制度下的合格制造商即表明其产品品质、质量管理体系、生产技术符合国际水准,提高商誉与市场竞争能力,增加经济效益。
B、IECQ体系执行无歧视性的准则,体系各国互认,促进电子元器件厂商产品出口贸易,电子元器件合格认可后可登录在IECQ合格名录(QC001005)中,提供全世界各产品制造业者和使用者选用,并向客户证实所生产的电子元器件性能符合国际上认可的性能与品质水准。
C、制造厂商严格依据国际上认同的规格/标准组织生产,促进生产过程受控,产品一致性的提高,确保顾客满意。
D、可使电子元器件生产及品质系统获得客观评估与认可,减少/避免不同客户的重复认可并节省费用。
E、经由每批出厂的合格证明可向客户提供持续的品质保证,合格证明的提供必须在国际认可的NSI(国家监督检查机构CEPREI)监管下,完全符合IECQ产品认证规格的逐批与周期试验。
向客户提供使用产品的信心。
3、QC080000引用了哪些标准()A、ISO9000:2000《质量管理体系基础和术语》;B、ISO9001:2000《质量管理体系要求》;C、ISO1005:1995《质量管理品质计划指南》;D、IEC PAS 61906:2005《电工电子产品原材料宣告程序》;E、ISO1006:1997《质量管理品质项目管理指南》。
4、认证公司对企业做QC080000认证,其认证标准是()A、IECQ体系规定的要求+ISO9001标准要求+产品的认证标准;B、IECQ体系规定的要求+产品的认证标准C、ISO9001标准要求+产品的认证标准5、以下术语说法正确的是()A、HSF:含有有害物质B、可能:指行动过程被允许在文件规定的范围内实施。
最新QC080000-2017内审员考试题库及答案姓名成绩温馨提示:同学们,经过培训学习,你一定积累了很多知识,现在请认真、仔细地完成这张试题库吧。
加油!一.单项选择题库(共15小题库每小题库2分共计30分)1、ISO9001-2008标准中提及的记录是:(b )a.提供产品符合要求的记录;b.提供质量管理体系有效运行的记录;c.提供认证机构证实体系运行的记录;d.a+b两种;2、ISO9001:2008标准的要求由于组织及其产品特点不适用时:( b )a.可以删减不适用的条款;b.仅限于删减第七章的条款;c.仅限于删减有关监视和测量的条款;d.可删减组织做不到的条款;3、质量管理体系要求的“产品”适用的范围:( c )a. 适用于所有的产品;b. 预期提供给顾客或顾客所要求的产品;c. 产品实现过程所产生的任何预期输出;d. 硬件,软件产品;4、组织应定期进行内部审核,以确定质量管理体系有效运行的结果:( d )a. 符合ISO9001-2008标准要求;b. 符合计划的安排并得到有效实施;c. 得到有效实施和保持;d.a+c5、质量目标:( a )a. 是可测量的;b. 是已达到的;c. 在质量方面所追求的目的d. 是量化的6、对审核中查明的问题库进行分析和制定防止纠正措施的活动的验证:( c )a. 实施纠正措施的有效性;b. 不符合项的纠正;c. 评价确保不合格不再发生的措施的需求;d. 审核报告;7、审核组长在策划质量管理体系审核时,应确定:(d )a. 审核的目的和范围;b. 有关质量管理体系的要求;c. 审核所需时间(人.时/日);d. 上述全部8、八项质量管理原则是ISO9001-2008标准的:( d )a. 补充b. 附加条件;c. 理论基础;d. a+b9、7.5.1条款中规定使用的生产设备是指:(c )a. 使用满足生产要求的足够数量的生产设备;b. 使用自动化程度最高的生产设备;c. 使用适宜的生产设备;d. 使用高效、节能、低污染的生产设备;10、内审员在现场审核时,应怎样使用检查表:(d )a. 向受审核方出示检查表;b. 把问题库念一遍,然后进行检查;c. 把检查表交给受审核方,然后提问;d. 将检查表作为检查的辅助手段;11..“中国RoHS”的正式实施日期是。
QC080000:2017体系内部审核员试卷姓名(正楷):身份证号码:公司名称:得分:年月日QC080000:2017体系内部审核员班试卷一、不定项选择题(40分,每题2分)1、QC080000标准的起草单位是()A、DNV(挪威船级社);B、ISO(国际标准化组织);C、国际电工技术委员会,国际电子零件认证制度;D、SGS(通标标准技术服务有限公司)。
2、IECQ认证的好处( )A、成为IECQ制度下的合格制造商即表明其产品品质、质量管理体系、生产技术符合国际水准,提高商誉与市场竞争能力,增加经济效益。
B、IECQ体系执行无歧视性的准则,体系各国互认,促进电子元器件厂商产品出口贸易,电子元器件合格认可后可登录在IECQ合格名录(QC001005)中,提供全世界各产品制造业者和使用者选用,并向客户证实所生产的电子元器件性能符合国际上认可的性能与品质水准。
C、制造厂商严格依据国际上认同的规格/标准组织生产,促进生产过程受控,产品一致性的提高,确保顾客满意。
D、可使电子元器件生产及品质系统获得客观评估与认可,减少/避免不同客户的重复认可并节省费用。
E、经由每批出厂的合格证明可向客户提供持续的品质保证,合格证明的提供必须在国际认可的NSI(国家监督检查机构CEPREI)监管下,完全符合IECQ产品认证规格的逐批与周期试验。
向客户提供使用产品的信心。
3、QC080000引用了哪些标准()A、ISO9000:2000《质量管理体系基础和术语》;B、ISO9001:2000《质量管理体系要求》;C、ISO1005:1995《质量管理品质计划指南》;D、IEC PAS 61906:2005《电工电子产品原材料宣告程序》;E、ISO1006:1997《质量管理品质项目管理指南》。
4、认证公司对企业做QC080000认证,其认证标准是()A、IECQ体系规定的要求+ISO9001标准要求+产品的认证标准;B、IECQ体系规定的要求+产品的认证标准C、ISO9001标准要求+产品的认证标准5、以下术语说法正确的是()A、HSF:含有有害物质B、可能:指行动过程被允许在文件规定的范围内实施。
温馨提示:同学们,经过综合学习,你一定积累了很多知识,现在请认真、仔细地完成这张试题库吧。
加油!
QC080000-2017内审员考试题库及答案
姓名成绩
温馨提示:同学们,经过培训学习,你一定积累了很多知识,现在请认真、仔细地完成这张试题库吧。
加油!
一.单项选择题库(共15小题库每小题库2分共计30分)
1、ISO9001-2008标准中提及的记录是:( b )
a.提供产品符合要求的记录;
b.提供质量管理体系有效运行的记录;
c.提供认证机构证实体系运行的记录;
d.a+b两种;
2、ISO9001:2008标准的要求由于组织及其产品特点不适用时:( b )
a.可以删减不适用的条款;
b.仅限于删减第七章的条款;
c.仅限于删减有关监视和测量的条款;
d.可删减组织做不到的条款;
3、质量管理体系要求的“产品”适用的范围:
( c )
a. 适用于所有的产品;
b. 预期提供给顾客或顾客所要求的产品;
c. 产品实现过程所产生的任何预期输出;
d. 硬件,软件产品;
4、组织应定期进行内部审核,以确定质量管理体系有效运行的结果:( d )
a. 符合ISO9001-2008标准要求;
b. 符合计划的安排并得到有效实施;
c. 得到有效实施和保持;
d.a+c
5、质量目标:( a )
a. 是可测量的;
b. 是已达到的;
c. 在质量方面所追求的目的
d. 是量化的
6、对审核中查明的问题库进行分析和制定防止纠正措施的活动的验证:( c )
a. 实施纠正措施的有效性;
b. 不符合项的纠正;
c. 评价确保不合格不再发生的措施的需求;
d. 审核报告;
7、审核组长在策划质量管理体系审核时,应确定:( d )
a. 审核的目的和范围;
b. 有关质量管理体系的要求;
c. 审核所需时间(人.时/日);
d. 上述全部
8、八项质量管理原则是ISO9001-2008标准的:( d )
a. 补充
b. 附加条件;
c. 理论基础;
d. a+b
9、7.5.1条款中规定使用的生产设备是指:( c )
a. 使用满足生产要求的足够数量的生产设备;
b. 使用自动化程度最高的生产设备;
c. 使用适宜的生产设备;
d. 使用高效、节能、低污染的生产设备;
10、内审员在现场审核时,应怎样使用检查表:( d )
a. 向受审核方出示检查表;
b. 把问题库念一遍,然后进行检查;
c. 把检查表交给受审核方,然后提问;
d. 将检查表作为检查的辅助手段;
11..“中国RoHS”的正式实施日期是。
( B)[单项选择]
A、2006年2月28日。
B、2007年3月1日。
C、2006年7月1日。
D、2007年6月1日。
12.ROHS指得是()
A.欧盟物质禁用指令 B 中国环保指令 C日本环保指令 D以上都不对13.ISO指得是(A )
A.国际标准化组织
B.企业质量管理体系
C.质量标识
D.中国标准化组织
14.质量包括( C )
A 产品的价格
B 维修的费用
C产品的固有特性满足顾客要求的程度
D A+B+C
15.ISO9000标准与其他管理标准的关系是( D )
A 包容
B 相容
C 不相容
D 既包容又相容
二.多项选择题库(每题库4分共10小题库共计40分)
1.关于RoHS的含盖的危害物质有哪些,以下哪些是正确的:( ABCDE ) A、Pb铅;B、Hg汞;C、Cd镉;
D、Cr6+六价铬;
E、PBB聚溴联苯和PBDE聚溴二苯醚。
2.关于为什么要执行RoHS指令的理由,以下说法哪些是正确的:( AB )
A、这些成分有可能对人类健康和环境形成危险;
B、构建绿色的生产制造体系,使贯穿整个供应商→客户→消费者的供应链成为“绿色供应链”;
C、是对电子电器产品的一种过度的要求;
D、因为它主要关系到产品的安全性能。
3.“中国RoHS”的正式实施日期是。
( B)[单项选择]
A、2006年2月28日。
B、2007年3月1日。
C、2006年7月1日。
D、2007年6月1日。
4.与HSF产品相关的决定和要求,包括(ABCD)
A、顾客指定的HSF要求;
B、非顾客指定的HSF要求但为指定或计划使用所必需;
C、与产品相关的HSF的法令和调整的要求;并且
D、任何附加的HSF要求由组织决定。
5.质量管理体系文件包括( ABCDE )
A、组织内所使用的有害物质清单;
B、适切的HSF政策声明与目标,包括所有有害物质的使用及排除时程;
C、在组织质量手册中订定HSF流程管理计划、目标及与HSF相关的书面程序;
D、组织的HSF进程管理计划所需的书面程序;
E、组织的HSF进程管理性能的记录。