MBR一体化设备操作手册范本
- 格式:docx
- 大小:26.02 KB
- 文档页数:8
MBR膜组件安全操作规程范本第一章总则第一条目的与依据为了确保MBR膜组件的安全运行,保护操作人员的人身安全和财产安全,制定本规程。
第二条适用范围本规程适用于MBR膜组件的操作、维护和保养工作,包括膜组件的安装、调试、运行、维修和维护等。
第三条安全责任1. 生产单位负责通过规范化的操作规程、健全的安全管理制度来确保MBR膜组件的安全运行。
2. 运行单位负责组织实施本规程,并对操作人员进行安全教育培训和技术培训。
第四条安全原则1. 安全第一:生产单位、运行单位和操作人员必须始终将安全放在第一位,严格按照本规程操作,杜绝违章操作。
2. 预防为主:采取预防措施,消除安全隐患,预防事故发生。
3. 综合治理:从管理、技术、设备、人员等各个方面进行综合治理,全面提高安全管理水平。
4. 原则负责:生产单位负责设备的安全性能,运行单位负责设备的运行安全,操作人员负责自己的安全。
第二章安全管理第五条安全管理制度1. 生产单位和运行单位应建立健全安全管理制度,明确责任和权限,确保安全工作的有序进行。
2. 安全管理制度应包括以下内容:(1) 安全责任制度:明确各级管理人员的安全职责和权限。
(2) 安全生产规章制度:制定安全生产规定和操作规程,要求员工遵守。
(3)事故应急预案:建立事故应急预案,明确各级责任人员和应急措施。
(4) 安全教育培训制度:定期组织安全教育培训,提高员工的安全意识和技能。
(5) 安全生产检查制度:定期检查设备和操作情况,发现问题及时整改。
第六条安全生产培训1. 运行单位应组织对操作人员进行安全培训,包括岗位培训和安全操作技能培训。
2. 岗位培训内容包括:设备的基本知识、操作规程、应急措施等。
3. 安全操作技能培训内容包括:操作流程、操作规范、设备维护和保养等。
第七条安全技术措施1. 生产单位应根据MBR膜组件的特点,制定相应的安全技术措施,确保安全的操作。
2. 安全技术措施包括:设备检修和维护的安全措施、设备运行过程中的安全措施等。
MBR膜组件安全操作规程范本第一章总则第一条目的与依据为了确保MBR膜组件的安全运行,保护操作人员的人身安全和财产安全,制定本规程。
第二条适用范围本规程适用于MBR膜组件的操作、维护和保养工作,包括膜组件的安装、调试、运行、维修和维护等。
第三条安全责任1. 生产单位负责通过规范化的操作规程、健全的安全管理制度来确保MBR膜组件的安全运行。
2. 运行单位负责组织实施本规程,并对操作人员进行安全教育培训和技术培训。
第四条安全原则1. 安全第一:生产单位、运行单位和操作人员必须始终将安全放在第一位,严格按照本规程操作,杜绝违章操作。
2. 预防为主:采取预防措施,消除安全隐患,预防事故发生。
3. 综合治理:从管理、技术、设备、人员等各个方面进行综合治理,全面提高安全管理水平。
4. 原则负责:生产单位负责设备的安全性能,运行单位负责设备的运行安全,操作人员负责自己的安全。
第二章安全管理第五条安全管理制度1. 生产单位和运行单位应建立健全安全管理制度,明确责任和权限,确保安全工作的有序进行。
2. 安全管理制度应包括以下内容:(1) 安全责任制度:明确各级管理人员的安全职责和权限。
(2) 安全生产规章制度:制定安全生产规定和操作规程,要求员工遵守。
(3)事故应急预案:建立事故应急预案,明确各级责任人员和应急措施。
(4) 安全教育培训制度:定期组织安全教育培训,提高员工的安全意识和技能。
(5) 安全生产检查制度:定期检查设备和操作情况,发现问题及时整改。
第六条安全生产培训1. 运行单位应组织对操作人员进行安全培训,包括岗位培训和安全操作技能培训。
2. 岗位培训内容包括:设备的基本知识、操作规程、应急措施等。
3. 安全操作技能培训内容包括:操作流程、操作规范、设备维护和保养等。
第七条安全技术措施1. 生产单位应根据MBR膜组件的特点,制定相应的安全技术措施,确保安全的操作。
2. 安全技术措施包括:设备检修和维护的安全措施、设备运行过程中的安全措施等。
1T/h污水处理设备(MBR)操作手册青岛海晏环境工程技术有限公司2015目录一、工程概述二、进出水指标三、主要工艺说明四、工艺特点五、工艺流程六、设备操作流程七、主要设备参数八、设备维护和保养一、工程概述设计处理量为1T/H的生活污水处理装置一座。
二、进出水指标1、进水水质按常规生活污水水质设计2、处理后水质标准出水水质达到中水管网入网要求三、主要工艺说明本项目中采用的核心技术为MBR膜生物反应器技术。
膜生物反应器工艺(MBR 工艺)是膜分离技术与生物技术有机结合的新型污水处理技术,它是利用膜分离设备将生化反应池中的活性污泥和大分子有机物质截留住,省掉了二沉池。
通过膜的截留可保证反应池中具有较高的污泥浓度,水力停留时间(HRT)和污泥停留时间(SRT)可以分别控制,难降解有机物可在反应池中充分降解。
因此,MBR 工艺是目前最有前途的污水处理技术之一。
四、工艺特点(1)出水水质优质稳定由于膜的高效分离作用,分离效果远好于传统沉淀池,处理出水极其清澈,悬浮物和浊度接近于零,细菌和病毒被大幅去除,可以直接作为非饮用市政杂用水进行回用,用途较广。
同时,膜分离也使微生物被完全被截流在生物反应器内,使得系统内能够维持较高的微生物浓度,不但提高了反应装置对污染物的整体去除效率,保证了良好的出水水质,同时反应器对进水负荷(水质及水量)的各种变化具有很好的适应性,耐冲击负荷,能够稳定获得优质的出水水质。
(2)剩余污泥产量少该工艺可以在高容积负荷下运行,由于MBR膜池内膜的截留,一次剩余污泥产量极低,降低了污泥处理费用。
(3)占地面积小,不受设置场合限制生物反应器内能维持高浓度的微生物量,处理装置容积负荷高,增量扩容方便,占地面积大大节省(只有传统工艺的1/2);该工艺流程简单、结构紧凑、不受设置场所限制,适合于任何场合,可做成地面式、半地下式和地下式。
(4)可去除氨氮及难降解有机物由于微生物被完全截流在生物反应器内,从而有利于增殖缓慢的微生物如硝化细菌的截留生长,系统硝化效率得以提高。
1T/h污水处理设备(MBR)操作手册青岛海晏环境工程技术有限公司2015目录一、工程概述二、进出水指标三、主要工艺说明四、工艺特点五、工艺流程六、设备操作流程七、主要设备参数八、设备维护和保养一、工程概述设计处理量为1T/H的生活污水处理装置一座。
二、进出水指标1、进水水质按常规生活污水水质设计污染物 CODcr BOD SS 氨氮磷 pH 56-9150300mg/L 351505浓度、处理后水质标准2 出水水质达到中水管网入网要求三、主要工艺说明本项目中采用的核心技术为MBR膜生物反应器技术。
膜生物反应器工艺(MBR工艺)是膜分离技术与生物技术有机结合的新型污水处理技术,它是利用膜分离设备将生化反应池中的活性污泥和大分子有机物质截留住,省掉了二沉池。
通过膜的截留可保证反应池中具有较高的污泥浓度,水力停留时间(HRT)和污泥停留时间(SRT)可以分别控制,难降解有机物可在反应池中充分降解。
因此,MBR 工艺是目前最有前途的污水处理技术之一。
四、工艺特点(1)出水水质优质稳定由于膜的高效分离作用,分离效果远好于传统沉淀池,处理出水极其清澈,悬浮物和浊度接近于零,细菌和病毒被大幅去除,可以直接作为非饮用市政杂用水进行回用,用途较广。
同时,膜分离也使微生物被完全被截流在生物反应器内,使得系统内能够维持较高的微生物浓度,不但提高了反应装置对污染物的整体去除效率,保证了良好的出水水质,同时反应器对进水负荷(水质及水量)的各种变化具有很好的适应性,耐冲击负荷,能够稳定获得优质的出水水质。
(2)剩余污泥产量少该工艺可以在高容积负荷下运行,由于MBR膜池内膜的截留,一次剩余污泥产量极低,降低了污泥处理费用。
)占地面积小,不受设置场合限制(3生物反应器内能维持高浓度的微生物量,处理装置容积负荷高,增量扩容方便,占地面积大大节省(只有传统工艺的1/2);该工艺流程简单、结构紧凑、不受设置场所限制,适合于任何场合,可做成地面式、半地下式和地下式。
MBR膜组件安全操作规程范本一、操作前的准备工作1. 确保操作人员具备相关专业知识和操作经验,并参加过相关培训。
2. 检查膜组件所在设备的周围环境是否安全,清除可能存在的障碍物。
3. 检查膜组件的设备是否完好,包括膜组件本身、膜池、水泵、管道等。
如发现异常情况,及时报修并等待修复后再进行操作。
4. 穿戴必要的个人防护装备,包括安全帽、防护眼镜、防护手套等。
二、膜组件操作规程1. 操作步骤:a. 打开膜组件的进水阀门,并逐渐调节进水流量,确保流量适中。
b. 启动水泵,并观察膜组件是否正常运行,检查是否存在水泵堵塞、泄露等异常情况。
c. 监测膜组件的运行压力和流量,确保正常运行。
如发现异常,及时停机检查原因。
d. 定期观察膜组件的的转子、过滤板等部件,如发现磨损、裂纹等问题,应及时更换。
e. 定期清洗膜组件,确保膜面清洁,避免膜堵塞。
清洗方法可参考厂家提供的操作手册。
2. 避免操作中的安全风险:a. 避免操作人员站在膜组件上方,以免发生高处坠落事故。
b. 确保膜组件的进水阀门在操作期间处于开启状态,避免发生压力过高的危险。
c. 禁止在膜组件周围进行吸烟等火源活动,防止引发火灾。
d. 避免将腐蚀性、有毒的物质接触膜组件,可采取物理隔离或其他措施。
三、紧急情况处理1. 如发生膜组件堵塞、泄漏等紧急情况,应立即关闭进水阀门,停机检修。
2. 在紧急情况下,一定要确保操作人员的安全。
如果需要,应及时报警,并呼叫专业人员进行处理。
3. 在紧急情况得到解决后,应对膜组件及相关设备进行全面检查,确保无隐患后再进行操作。
四、设备维护与保养1. 定期对膜组件及相关设备进行检修与保养,保持其正常运行。
2. 定期更换膜组件,确保其过滤效果。
3. 注意清洁膜组件的周围环境,防止灰尘和污物进入设备。
4. 定期监测设备的运行参数,如压力、流量等,及时检修异常现象。
五、操作记录与安全培训1. 操作人员应按规定填写操作记录,记录操作时间、操作内容、设备状况等信息。
MBR膜组件安全操作规程范本一、操作前的准备工作1. 确保操作人员具备相关专业知识和操作经验,并参加过相关培训。
2. 检查膜组件所在设备的周围环境是否安全,清除可能存在的障碍物。
3. 检查膜组件的设备是否完好,包括膜组件本身、膜池、水泵、管道等。
如发现异常情况,及时报修并等待修复后再进行操作。
4. 穿戴必要的个人防护装备,包括安全帽、防护眼镜、防护手套等。
二、膜组件操作规程1. 操作步骤:a. 打开膜组件的进水阀门,并逐渐调节进水流量,确保流量适中。
b. 启动水泵,并观察膜组件是否正常运行,检查是否存在水泵堵塞、泄露等异常情况。
c. 监测膜组件的运行压力和流量,确保正常运行。
如发现异常,及时停机检查原因。
d. 定期观察膜组件的的转子、过滤板等部件,如发现磨损、裂纹等问题,应及时更换。
e. 定期清洗膜组件,确保膜面清洁,避免膜堵塞。
清洗方法可参考厂家提供的操作手册。
2. 避免操作中的安全风险:a. 避免操作人员站在膜组件上方,以免发生高处坠落事故。
b. 确保膜组件的进水阀门在操作期间处于开启状态,避免发生压力过高的危险。
c. 禁止在膜组件周围进行吸烟等火源活动,防止引发火灾。
d. 避免将腐蚀性、有毒的物质接触膜组件,可采取物理隔离或其他措施。
三、紧急情况处理1. 如发生膜组件堵塞、泄漏等紧急情况,应立即关闭进水阀门,停机检修。
2. 在紧急情况下,一定要确保操作人员的安全。
如果需要,应及时报警,并呼叫专业人员进行处理。
3. 在紧急情况得到解决后,应对膜组件及相关设备进行全面检查,确保无隐患后再进行操作。
四、设备维护与保养1. 定期对膜组件及相关设备进行检修与保养,保持其正常运行。
2. 定期更换膜组件,确保其过滤效果。
3. 注意清洁膜组件的周围环境,防止灰尘和污物进入设备。
4. 定期监测设备的运行参数,如压力、流量等,及时检修异常现象。
五、操作记录与安全培训1. 操作人员应按规定填写操作记录,记录操作时间、操作内容、设备状况等信息。
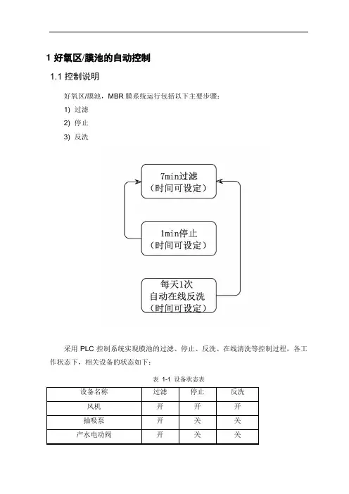
1 好氧区/膜池的自动控制
1.1 控制说明
好氧区/膜池,MBR膜系统运行包括以下主要步骤:
1) 过滤
2) 停止
3) 反洗
采用PLC控制系统实现膜池的过滤、停止、反洗、在线清洗等控制过程,各工作状态下,相关设备的状态如下:
表1-1 设备状态表
设备名称过滤停止反洗
风机开开开
抽吸泵开关关
产水电动阀开关关
处于运行状态;产水电动阀处于开启状态。
停止:过滤之后自动转为停止程序,维持1min(时间可以通过触摸屏设置),抽吸泵转为停止状态,污泥泵和风机处于运行状态,产水电动阀转为关闭状态。
反洗:屏幕设置定时开启反洗,定时关闭反洗。
抽吸泵处于停止状态,污泥泵、风机和反洗泵转入运行状态;产水电动阀转为关闭状态,反洗电动阀转为开启状态。
风机:两台风机分别开启一小时停5分钟,轮流切换。
1.2 连锁控制
所有参与自动运行的设备和阀门除了受设定时间控制外,需要受到仪表信号连锁控制,仪表信号主要来自泵前压力、液位(膜池、产水箱和药箱)。
主要连锁控制要求如下:
1.3 膜系统步序表
不同运行程序下各设备和阀门动作参照系统步序表。
*1:MBR系统启动产水前,需要先开启污泥泵和风机;
*2:T为自动阀门启闭时间,启闭时间暂定5s;
*3:上述具体时间均可以在PLC上进行设定;
*4:正常运行过程中按屏幕设定时间开启反洗,受清水池液位控制,低停。
MBR系统运行技术手册MBR系统运行技术手册一、概述MBR(膜生物反应器)是一种先进的污水处理技术,集生物反应和膜分离于一体,适用于各种规模的污水处理系统。
MBR系统运行技术手册旨在为操作人员提供详细的操作和维护指南,以确保系统的稳定运行和长期性能。
二、系统描述MBR系统主要包括生物反应器、膜组件、控制系统以及其他辅助设备。
生物反应器内装有活性污泥,通过生物降解作用去除有机物和营养物;膜组件则通过膜分离技术,使出水得到净化。
三、操作步骤1、系统启动:在系统初次启动时,需进行设备检查、填充物料的步骤,并确保所有设备运行正常。
2、进水控制:根据进水水质和设计要求,调节进水量。
保持进水流量稳定,避免对生物反应器造成冲击。
3、曝气控制:根据生物反应器的需氧量,调节曝气量。
曝气过多会导致能源浪费,曝气不足会影响生物降解效果。
4、膜组件清洗:定期进行膜组件清洗,以去除沉积在膜表面的污染物。
根据运行记录,确定清洗周期。
5、设备维护:定期检查设备运行状态,如电机、泵、风机等,确保设备正常运行。
如有故障,及时修复或更换。
6、记录与分析:做好运行记录,包括进出水水质、运行参数等,以便对系统运行状态进行评估和优化。
四、故障处理1、设备故障:如设备出现故障,首先应关闭相应设备,避免故障扩大。
然后根据设备类型,进行维修或更换。
2、水质异常:如出水水质出现异常,应立即检查进出水水质,分析异常原因。
可能的原因包括进水中含有有毒物质、生物反应器内微生物活性降低等。
针对原因采取相应措施,如更换进水管路、增加曝气量等。
3、流量异常:如进出水流量出现异常,应检查流量计是否准确,管道是否堵塞。
如有问题,进行修复或更换。
五、安全注意事项1、操作人员应接受相关安全培训,了解设备操作规程,确保安全操作。
2、操作人员应穿戴防护服,避免直接接触有毒物质。
3、保持设备周边环境整洁,避免因杂物堆积而引发火灾或设备故障。
4、定期检查电气设备,确保其接地良好,防止电气事故发生。
中江环保感您选用“污水处理与回用一体化设备——改良型膜技术污水处理器”!中江环保准备了这本用户手册作为膜技术污水处理器使用的依据。
在使用本公司产品之前,请您认真阅读本用户手册。
当您开始使用本公司产品时,本公司认为您已经认真阅读并了解本手册。
本用户手册中记述的参数、使用条件等仅供参考,用户应该根据实际过程需要建立自己的操作条件,本公司对此提供相应的技术协助。
请用户不要在未考虑进水性质、使用环境的情况下直接使用本手册中的参数。
本手册所建议的工艺条件与参数不能作为对产品安全性与适用性的保证。
本用户手册仅适用于指导膜技术污水处理器用户了解膜技术污水处理器,帮助膜技术污水处理器用户安全、正确地使用膜技术污水处理器。
本用户手册资料仅保证在发行时的正确性,不直接提供今后进行的更新信息。
若用户期望获得任何更新信息或有特殊的技术问题,建议拨打客服热线05或9,同我们的销售和技术部门联系。
中江环保拥有本用户手册的,手册中的材料未经本公司书面允许不得翻录。
本用户手册的最终解释权归中江环保所有。
如用户在实际运行中遇到疑难问题,可及时与我公司联系!我公司会竭诚为用户服务!安全指南为了正确、安全地使用膜技术污水处理器,请务必遵守本用户手册中的注意事项。
对于因没有遵守本用户手册中的容而发生事故造成损害的,本公司不负任何责任。
敬请谅解。
警示词汇的定义在本用户手册中,有关安全的注意事项分为以下两类。
安全注意事项警告注意目录第1章概述1第2章规格与安装22.1规格、处理水量22.2主要系统和配套设施2第3章膜组件使用53.1 标准使用条件53.2 原水的注意事项53.3 药洗6第4章膜技术污水处理器的操作64.1 各阀门功能和操作64.2智能化系统功能和操作74.3第一次运转84.4 常规运转94.5设备异常操作95.1 产水泵95.2 液位计105.3 鼓风机11第6章膜技术污水处理器的常见故障处理13第1章概述膜技术污水处理器是集污水处理及中水回用为一体的智能化处理装置,该设备主要特点是将活性污泥法和膜技术完美结合,以膜组件代替传统污水生物处理工艺中的二次沉淀池,在膜组件的高效截留作用下使泥水彻底分离;由于膜区中的高浓度活性污泥的作用,提高了生化反应速率,减少了剩余污泥产量,解决了传统污水生物处理工艺普遍存在的出水水质不稳定、占地面积大、运行维护复杂、易发生污泥膨胀等突出问题。
MBR污水处理设备说明书目录一体化设备使用规程 (1)一、前期准备 (1)1.1检查电器仪表盘,核实电压、电流是否正常 (1)2.1运行管理 (1)2.2安全操作 (1)2.3维护保养 (2)3.1开机前检查: (2)3.2开机步骤 (3)3.3注意事项 (3)二、正常运转 (3)三、运行维护 (4)MBR膜组件产品使用规程 (4)一、注意说明 (4)1.1贮存 (4)1.2运输 (4)二、原水条件 (5)2.1活性污泥条件 (5)2.2抗污染膜生物反应器的布置 (6)2.3运行设计 (6)三、膜组件的安装 (9)3.1准备 (9)3.2组件放置 (9)3.3接管 (9)3.4曝气 (9)3.5试漏 (9)3.6污泥的置入 (9)3.7运行 (9)四、抗污染MBR的调试 (10)五、膜组件的运行 (10)六、抗污染,膜元件的保管条件 (13)6.1新膜元件(使用前) (13)6.2使用后的膜元件 (13)6.3清洗 (13)七、原水的预处理 (14)7.1抗污染膜元件对原水中固体颗拉的要求 (14)7.2抗污染膜元件对原水pH值的要求 (14)7.3抗污染膜元件对原水硬度的要求 (14)7.4抗污染膜元件对温度的要求 (15)7.5抗污染膜元件对油分和有机溶剂的要求 (15)7.6抗污染膜元件对化学污染物的要求 (15)八、组件故障、原因及解决办法 (15)一体化设备使用规程一、前期准备1.1检查电器仪表盘,核实电压、电流是否正常2、启动前检查水泵轴转动灵活、需加油的加油,单台试转几次,然后开启前后阀门。
在正常运转中执行以下操作:2.1运行管理2.1.2水泵在运行中应符合下列规定2.1.2.1应注意观察各种仪表显示是否正常、稳定。
2.1.2.2轴承温升不得超过环境温度35℃,总和温度最高不得超过75℃。
2.1.2.3应检查水泵填料压盖处是否发热,滴水是否正常。
2.1.2.4水泵机组不得有异常的噪音或震动。
1T/h污水处理设备(MBR)操作手册青岛海晏环境工程技术有限公司2015目录一、工程概述二、进出水指标三、主要工艺说明四、工艺特点五、工艺流程六、设备操作流程七、主要设备参数八、设备维护和保养一、工程概述设计处理量为1T/H的生活污水处理装置一座。
二、进出水指标1、进水水质按常规生活污水水质设计2、处理后水质标准出水水质达到中水管网入网要求三、主要工艺说明本项目中采用的核心技术为MBR膜生物反应器技术。
膜生物反应器工艺(MBR工艺)是膜分离技术与生物技术有机结合的新型污水处理技术,它是利用膜分离设备将生化反应池中的活性污泥和大分子有机物质截留住,省掉了二沉池。
通过膜的截留可保证反应池中具有较高的污泥浓度,水力停留时间(HRT)和污泥停留时间(SRT)可以分别控制,难降解有机物可在反应池中充分降解。
因此,MBR工艺是目前最有前途的污水处理技术之一。
四、工艺特点(1)出水水质优质稳定由于膜的高效分离作用,分离效果远好于传统沉淀池,处理出水极其清澈,悬浮物和浊度接近于零,细菌和病毒被大幅去除,可以直接作为非饮用市政杂用水进行回用,用途较广。
同时,膜分离也使微生物被完全被截流在生物反应器内,使得系统内能够维持较高的微生物浓度,不但提高了反应装置对污染物的整体去除效率,保证了良好的出水水质,同时反应器对进水负荷(水质及水量)的各种变化具有很好的适应性,耐冲击负荷,能够稳定获得优质的出水水质。
(2)剩余污泥产量少该工艺可以在高容积负荷下运行,由于MBR膜池内膜的截留,一次剩余污泥产量极低,降低了污泥处理费用。
(3)占地面积小,不受设置场合限制生物反应器内能维持高浓度的微生物量,处理装置容积负荷高,增量扩容方便,占地面积大大节省(只有传统工艺的1/2);该工艺流程简单、结构紧凑、不受设置场所限制,适合于任何场合,可做成地面式、半地下式和地下式。
(4)可去除氨氮及难降解有机物由于微生物被完全截流在生物反应器内,从而有利于增殖缓慢的微生物如硝化细菌的截留生长,系统硝化效率得以提高。
江苏中江环保有限公司感谢您选用“污水处理与回用一体化设备——改良型膜技术污水处理器”!江苏中江环保有限公司准备了这本用户手册作为膜技术污水处理器使用的依据。
在使用本公司产品之前,请您认真阅读本用户手册。
当您开始使用本公司产品时,本公司认为您已经认真阅读并了解本手册。
本用户手册中记述的参数、使用条件等仅供参考,用户应该根据实际过程需要建立自己的操作条件,本公司对此提供相应的技术协助。
请用户不要在未考虑进水性质、使用环境的情况下直接使用本手册中的参数。
本手册所建议的工艺条件与参数不能作为对产品安全性与适用性的保证。
本用户手册仅适用于指导膜技术污水处理器用户了解膜技术污水处理器,帮助膜技术污水处理器用户安全、正确地使用膜技术污水处理器。
本用户手册资料仅保证在发行时的正确性,不直接提供今后进行的更新信息。
若用户期望获得任何更新信息或有特殊的技术问题,建议拨打客服热线电话05或,同我们的销售和技术部门联系。
江苏中江环保有限公司拥有本用户手册的版权,手册中的材料未经本公司书面允许不得翻录。
本用户手册的最终解释权归江苏中江环保有限公司所有。
如用户在实际运行中遇到疑难问题,可及时与我公司联系!我公司会竭诚为用户服务!安全指南为了正确、安全地使用膜技术污水处理器,请务必遵守本用户手册中的注意事项。
对于因没有遵守本用户手册中的内容而发生事故造成损害的,本公司不负任何责任。
敬请谅解。
警示词汇的定义在本用户手册中,有关安全的注意事项分为以下两类。
警告表示如果无视本指示错误地进行操作,将可能造成人身伤亡。
注意表示如果无视本指示错误地进行操作,将可能造成人身伤害和财物损害。
安全注意事项警告非专业人员或未经培训人员请不要操作本设备。
使用次氯酸钠时,请戴防护眼镜、橡胶手套等防护用具。
如果不慎药液滴入眼睛或溅到皮肤时,请立即用大量清水冲洗,并及时去医院检查或治疗。
需操作、检修或观察膜技术污水处理器时,请采取防御措施,以防止操作人员跌落到槽里。
MBR污水处理工程调试及试运行指导手册1宗旨本手册是针对污水处理工程调试及试运行工作编写的,可供安装、调试及营运工作人员使用,亦可作为建设方、施工方施工验收之参考。
2纲目手册含以下主要内容:调试条件、调试准备、试水方式、单机调试、单元调试、接种菌种、驯化培养、全线连调、检测分析、改进缺陷、补充完善、正式试运行、自行检验、正式提交检验、竣工验收。
3细则1、调试条件(1)土建构筑物全部施工完成;(2)设备安装完成;(3)电气安装完成;(4)管道安装完成;(5)相关配套项目,含人员、仪器,污水及进排管线,安全措施均已完善。
2、调试准备(1)组成调试运行专门小组,含土建、设备、电气、管线、施工人员以及设计与甲方代表共同参与;(2)进行相应的物质准备,如水(含污水、自来水),电(由甲方负责提供),气(压缩空气、曝气气源),药剂,工具的购置、准备;水:能够直接取用,或排空。
气:可以满足设备运行和系统运行的需要。
电:联通到位。
药剂:次氯酸钠药液工具:便携工具箱一个,管道扳手一付,步梯一付。
(3)准备必要的供水、排水及抽水设备(消防软管、潜水泵等);(4)必须的检测设备、装置(PH计、试纸、COD检测仪、 MLSS);(5)建立调试记录、检测档案。
3、试水(充水)方式(1)按设计工艺顺序向各单元进行充水试验;本工程可完全使用洁净水或轻度污染水(积水、雨水);(2)建构筑物未进行充水试验的,充水按照设计要求一般分三次完成,即1/3、1/3、1/3充水,每充水1/3后,暂停3-8小时,检查液面变动及建构筑物池体的渗漏和耐压情况。
特别注意:设计不受力的双侧均水位隔墙,充水应在二侧同时冲水。
已进行充水试验的建构筑物可一次充水至满负荷。
(3)充水试验的另一个作用是按设计水位高程要求,检查水路是否畅通,保证正常运行后满水量自流和安全超越功能,防止出现冒水和跑水现象。
注:此项应由土建方完成后交于设备供应方。
4单机调试(1)工艺设计的单独工作运行的设备、装置或非标均称为单机。
MBR操作手册
1、此MBR系统可进行手动或自动操作
2、使用注意点:
(1)、建议使用微孔曝气器,通过曝气产生的气泡及水流,使膜丝充分抖动对膜进行擦洗。
(2)、采用间歇的运行方式,自吸泵抽吸15分钟,停止2分钟,可防止膜孔堵塞,使长期的稳定运行成为可能。
(3)、初始使用时,生化池微生物培养达到活性好,粘性较小时,膜片才开始投入运行。
(4)、系统运行时,采用恒定流量办法,严格禁止出水流量不稳定。
在初始使用时,在满足出水量的要求下,抽吸负压越小越好,抽吸压可通过负压压力表读取,膜片正常操作负压控制在-0.005 ~ -0.03Mpa,初始时最好在-0.005~ -0.01Mpa之间;当条件许可时,出水宜采用虹吸方式,且生化池液位与膜出水水池液位差应为3.0~4.0米,则膜片不易污染,使用周期更长,严禁在初次使用时即将出水开的很大,造成膜的迅速污染。
(5)、每天对膜进行3次水反洗,反洗流量大于200l/ h.片,反洗压力约为0.1MPa,反洗时间为2-3分钟,反洗水用膜出水,反洗泵出口要设置1um 的保安过滤器,以防管道或水箱中的杂质对膜造成逆向污染。
(6)、当操作负压超过0.05MPa时,需对膜片及时进行化学清洗。
清洗方法是将膜片从膜架上取下,用清水对膜片表面进行冲洗,除去膜片表面附着的活性污泥;再用0.5%NaClO和3-5%的NaOH混合溶液浸泡2小时,杀死附着在膜表面的细菌,并除去附着在膜片表面的有机物和胶体物质;再用清水对膜片表面进行冲洗,装入膜池后还应对膜片进行2-3分钟的反洗,膜片通量即可恢复。
此项工作要求操作人员在清洗过程中要十分小心,以免弄断膜丝及污染膜丝内表面。
1T/h污水处理设备(MBR)操作手册青岛海晏环境工程技术有限公司2015目录一、工程概述二、进出水指标三、主要工艺说明四、工艺特点五、工艺流程六、设备操作流程七、主要设备参数八、设备维护和保养一、工程概述设计处理量为1T/H的生活污水处理装置一座。
二、进出水指标1、进水水质按常规生活污水水质设计2、处理后水质标准出水水质达到中水管网入网要求三、主要工艺说明本项目中采用的核心技术为MBR膜生物反应器技术。
膜生物反应器工艺(MBR工艺)是膜分离技术与生物技术有机结合的新型污水处理技术,它是利用膜分离设备将生化反应池中的活性污泥和大分子有机物质截留住,省掉了二沉池。
通过膜的截留可保证反应池中具有较高的污泥浓度,水力停留时间(HRT)和污泥停留时间(SRT)可以分别控制,难降解有机物可在反应池中充分降解。
因此,MBR工艺是目前最有前途的污水处理技术之一。
四、工艺特点(1)出水水质优质稳定由于膜的高效分离作用,分离效果远好于传统沉淀池,处理出水极其清澈,悬浮物和浊度接近于零,细菌和病毒被大幅去除,可以直接作为非饮用市政杂用水进行回用,用途较广。
同时,膜分离也使微生物被完全被截流在生物反应器内,使得系统内能够维持较高的微生物浓度,不但提高了反应装置对污染物的整体去除效率,保证了良好的出水水质,同时反应器对进水负荷(水质及水量)的各种变化具有很好的适应性,耐冲击负荷,能够稳定获得优质的出水水质。
(2)剩余污泥产量少该工艺可以在高容积负荷下运行,由于MBR膜池内膜的截留,一次剩余污泥产量极低,降低了污泥处理费用。
(3)占地面积小,不受设置场合限制生物反应器内能维持高浓度的微生物量,处理装置容积负荷高,增量扩容方便,占地面积大大节省(只有传统工艺的1/2);该工艺流程简单、结构紧凑、不受设置场所限制,适合于任何场合,可做成地面式、半地下式和地下式。
(4)可去除氨氮及难降解有机物由于微生物被完全截流在生物反应器内,从而有利于增殖缓慢的微生物如硝化细菌的截留生长,系统硝化效率得以提高。
1T/h污水处理设备(MBR)操作手册青岛海晏环境工程技术有限公司2015目录一、工程概述二、进出水指标三、主要工艺说明四、工艺特点五、工艺流程六、设备操作流程七、主要设备参数八、设备维护和保养一、工程概述设计处理量为1T/H的生活污水处理装置一座。
二、进出水指标1、进水水质按常规生活污水水质设计2、处理后水质标准出水水质达到中水管网入网要求三、主要工艺说明本项目中采用的核心技术为MBR膜生物反应器技术。
膜生物反应器工艺(MBR工艺)是膜分离技术与生物技术有机结合的新型污水处理技术,它是利用膜分离设备将生化反应池中的活性污泥和大分子有机物质截留住,省掉了二沉池。
通过膜的截留可保证反应池中具有较高的污泥浓度,水力停留时间(HRT)和污泥停留时间(SRT)可以分别控制,难降解有机物可在反应池中充分降解。
因此,MBR工艺是目前最有前途的污水处理技术之一。
四、工艺特点(1)出水水质优质稳定由于膜的高效分离作用,分离效果远好于传统沉淀池,处理出水极其清澈,悬浮物和浊度接近于零,细菌和病毒被大幅去除,可以直接作为非饮用市政杂用水进行回用,用途较广。
同时,膜分离也使微生物被完全被截流在生物反应器内,使得系统内能够维持较高的微生物浓度,不但提高了反应装置对污染物的整体去除效率,保证了良好的出水水质,同时反应器对进水负荷(水质及水量)的各种变化具有很好的适应性,耐冲击负荷,能够稳定获得优质的出水水质。
(2)剩余污泥产量少该工艺可以在高容积负荷下运行,由于MBR膜池内膜的截留,一次剩余污泥产量极低,降低了污泥处理费用。
(3)占地面积小,不受设置场合限制生物反应器内能维持高浓度的微生物量,处理装置容积负荷高,增量扩容方便,占地面积大大节省(只有传统工艺的1/2);该工艺流程简单、结构紧凑、不受设置场所限制,适合于任何场合,可做成地面式、半地下式和地下式。
(4)可去除氨氮及难降解有机物由于微生物被完全截流在生物反应器内,从而有利于增殖缓慢的微生物如硝化细菌的截留生长,系统硝化效率得以提高。
1T/h污水处理设备
(MBR)
操作手册
青岛海晏环境工程技术有限公司
2015
目录
一、工程概述
二、进出水指标
三、主要工艺说明
四、工艺特点
五、工艺流程
六、设备操作流程
七、主要设备参数
八、设备维护和保养
一、工程概述
设计处理量为1T/H的生活污水处理装置一座。
二、进出水指标
1、进水水质
按常规生活污水水质设计
2、处理后水质标准
出水水质达到中水管网入网要求
三、主要工艺说明
本项目中采用的核心技术为MBR膜生物反应器技术。
膜生物反应器工艺(MBR工艺)是膜分离技术与生物技术有机结合的新型污水处理技术,它是利用膜分离设备将生化反应池中的活性污泥和大分子有机物质截留住,省掉了二沉池。
通过膜的截留可保证反应池中具有较高的污泥浓度,水力停留时间(HRT)和污泥停留时间(SRT)可以分别控制,难降解有机物可在反应池中充分降解。
因此,MBR工艺是目前最有前途的污水处理技术之一。
四、工艺特点
(1)出水水质优质稳定
由于膜的高效分离作用,分离效果远好于传统沉淀池,处理出水极其清澈,悬浮物和浊度接近于零,细菌和病毒被大幅去除,可以直接作为非饮用市政杂用水进行回用,用途较广。
同时,膜分离也使微生物被完全被截流在生物反应器内,使得系统内能够维持较高的微生物浓度,不但提高了反应装置对污染物的整体去除效率,保证了良好的出水水质,同时反应器对进水负荷(水质及水量)的各种变化具有很好的适应性,耐冲击负荷,能够稳定获得优质的出水水质。
(2)剩余污泥产量少
该工艺可以在高容积负荷下运行,由于MBR膜池内膜的截留,一次剩余污泥产量极低,降低了污泥处理费用。
(3)占地面积小,不受设置场合限制
生物反应器内能维持高浓度的微生物量,处理装置容积负荷高,增量扩容方便,占地面积大大节省(只有传统工艺的1/2);该工艺流程简单、结构紧凑、不受设置场所限制,适合于任何场合,可做成地面式、半地下式和地下式。
(4)可去除氨氮及难降解有机物
由于微生物被完全截流在生物反应器内,从而有利于增殖缓慢的微生物如
硝化细菌的截留生长,系统硝化效率得以提高。
同时,可增长一些难降解的有机物在系统中的水力停留时间,有利于难降解有机物降解效率的提高。
(5)无需进行深度处理
高效的固液分离将污水中的悬浮物、胶体物质、生物单元流失的微生物菌群与已净化的水分开,该工艺所采用的MBR 膜孔径为0.08-0.3μm,细菌不能通过,理论上无需消毒处理。
因此采用该工艺不须经深度处理即可直接回用。
五、工艺流程
流程说明:
污水通过污水管网汇集到集水池,由污水提升泵将污水提升至缺氧池,污水在缺氧池中,进行反硝化处理,实现氮的进一步去除,然后污水进入MBR 反应池。
MBR 反应池内装浸没式平片膜,反应池中的微生物将污水中的可生化污染物进行同化和异化,异化产物多数成为无害的CO 2和H 2O ,同化产物成为微生物的组成物质。
膜单元部分主要用于固液分离,微生物固体可有效地被截留在反应器中,保证了出水水质的稳定。
MBR 池中的污泥一部分排入污泥消化池,一部分回流入缺氧池,为缺氧段提供硝酸盐和亚硝酸盐,达到脱氮的目的。
MBR 反应池出水可直接进入清水池,投加消毒剂进行消毒杀死毒菌,并去除色度,各项水质指标达标后,停留或直接打入中水管网进行回用。
污泥收集到污泥池。
六、设备操作流程 主要控制说明
调节池提升泵2台:受调节池液位控制,高液位开启水泵,低液位停泵,液位可人工调整,两台提升泵每2小时切换一次;
膜池抽吸泵:受MBR 池液位控制影响,膜池设高、低两液位,高液位开启抽吸泵,低液位抽吸泵停止工作;抽吸泵工作时间为抽8分钟,停2分钟,每4
排放
剩余污泥
小时切换一次;
MBR池风机2台:8小时进行切换。
污泥池电动阀设置:2天(48小时)开启3秒钟排泥;
1、控制开关操作
设备运行时首先检查控制柜控制开关是否处在停机状态,如果没有处在停机状态请将控制开关打到停止位置,接通电源再将控制开关打到手动位置,然后再进行单机运行操作。
2、污水提升泵操作
启动污水提升泵前请先将泵壳内注满水然后再将阀门WF1、WF3、WF5、WF6打开,然后启动1#污水提升泵等待几分钟确认有水进入设备后,再用同样的方法打开阀门WF2、WF4启动2#污水提升泵,确认1#、2#污水提升泵都能够正常运行的情况下在进行下一步操作。
3、风机操作
当污水完全浸没膜组件的情况下进行风机的运行操作,在启动风机前,将风机出口阀门F1、F2及膜池上方F3、F5进气阀然后启动风机,确认1#、2#风机均能够运行的情况下在进行膜出水抽吸泵的操作。
(为了节约运行成本日常运行只要启动一台风机就可以满足设备供气需求)
4、抽吸泵操作
风机正常运行的情况下进行膜组件抽吸泵的运行操作,在启动抽吸泵前,将抽吸泵泵腔内注满水再将抽吸泵进口阀门ZF1、ZF2及出口阀门ZF3、ZF4打开,然后启动抽吸泵同时观察出水流量计是否有水流出,确认有出水的情况下调节抽吸泵进口阀门ZF1、ZF2或出口阀门ZF3、ZF4调节水量控制在设计流量一下运行,待膜池中活性污泥浓度大于3000mg/L的情况下再调节进口阀门ZF1、ZF2及出口阀门ZF3、ZF4控制出水流量在设计的流量下运行。
(为了保证膜的性能在操作过程中,禁止风机停止运行的情况下启动抽吸泵,同时在污泥浓必须达到3000mg/L 以上才可以满负荷运行,即设计的出水量)
5、污泥泵的运行操作
为了调节MBR系统中的你性能日常运行管理中会启动污泥泵进行排泥和回流操作,首先将泵腔内灌满水再打开阀门WF7、WF8、WF9然后再启动污泥泵,污
泥泵在日常运行过程中是不常用设备,在污泥浓度高于8000mg/L的时候需要启动污泥泵进行排泥。
在设计过程中为了便于日常操作,整个系统是在自动状态下运行,在手动状态下确认系统的所有设备都能够正常运行的情况下,将控制开关打在自动状态系统便可自动运行,系统日常运行管理过程中需要注意的一些事项详见系统日常运行管理手册。
七、主要设备参数
八、设备维护和保养
1、维护检修工作大纲
[1]膜通量衰减监测及判断
[2] 膜在线清洗
[5] 系统故障及解决
2、日常运行检测指标及异常处理
三膜通量衰减监测及判断
为真空压力表P变化值/原始值注:⊿P/P
四膜在线重力浸泡清洗
清洗溶液量计算:V=膜板数量X3L
五系统故障及解决。