排水沟首件施工
- 格式:doc
- 大小:187.00 KB
- 文档页数:12
排水工程首件工程施工总结一、工程概况根据我标段的整体工作布署,将K43+520-~K43+580左侧A型水沟作为首件工程先行施工。
浆砌排水沟全长60m,采用M7.5浆砌片石砌筑,M10砂浆勾缝和抹面。
开工时间为2019年5月10日,完成时间为2019年5月15日。
二、主要人员及机械设备投入情况1、人员配置情况人员方面,从我项目部安排以往公路工程中排水工程施工经验丰富的管理、技术人员进行技术指导,安排施工经验丰富的排水工程施工作业队进行施工。
主要人员如下:其他技术人员:2、主要机械设备投入情况机械设备方面,为保证工程质量及工期,对施工机械设备作了适当的调整,完全可以满足施工要求。
主要机械设备如下:三、施工工艺简述1、施工工艺流程浆砌片石沟施工工艺流程图2、排水工程砌筑要求(1)、片石应分层砌筑,宜以2–3层砌块组成一工作层,每一工作层的水平缝应大致找平。
各工作层竖缝应相互错开,不得贯通。
(2)、外圈定位行列和转角石,应选择较为方正尺寸较大的片石,并长短相间地与里层砌块咬接,砌缝宽度一般不大于40mm。
(3)、采用坐浆法分层砌筑。
每分层高度10~15cm,分层与分层间的砌筑砌缝应大致找平,各工作层应相互错开,不得贯通。
较大的片石使用于下层且大面朝下,砌筑时选取形状及尺寸较为合适的片石,尖锐突出部分敲除,竖缝较宽时,在砂浆中塞以小石块,砌缝宽度不大于2cm,砌筑过程中要注意选用较大、较平整的石块为外露面和坡顶、边口,石块使用时应洒水湿润,若表面有泥土、水锈先冲洗干净,尤其下层砌角隅石不能偏小,砂浆要饱满,石缝用砂浆和小碎石充填,片石不能竖立使用,石料挤浆要符合要求,不能紧贴无砂浆,宽度要一致,不能有假缝。
当分几段同时砌筑时,相邻高差不大于1.2m,各段水平砌缝一致。
砌筑中的三角缝不得大于20mm;各工作缝相互错开。
若石块松动或砌缝开裂,要将石块提起,将垫层砂浆与砌缝砂浆清扫干净,然后将石块重铺砌在新砂浆上。
贵州省余庆至安龙高速公路平塘至罗甸段公路工程PLTJ-5 标段排沟渠首件施工方案编制:审察:同意:中国建筑第八工程局有限公司平塘至罗甸高速公路PLTJ-5 标项目经理部二〇一六年六月目录1、编制依照 (1)2、编制原则 (1)3、工程大概 (1)4、首件工程目的 . (2)5、首件工程计划工期 (2)6、人工机械设施配置 (3)6.1 人员配置 (3)6.2 机械设施配置 (4)7、施工准备 (4)7.1 场所标准化建设 (4)7.2 人员组织 (4)7.3 技术准备 (5)7.4 资料准备 (5)8、施工方案 (6)8.1 施工序次 (6)8.2 施工工艺 (6)9、质量查收程序 . (7)10、质量、安全及文明施工保证 (8)10.1 质量保证 (8)10.2 安全防范措施 (9)10.3 文明施工 (9)11、环境保护 .101、编制依照1、贵州省平塘至罗甸高速公路土建第五标段招标文件、合同技术条款、图纸。
2、《公路工程技术标准》(JTGB01-2014)3、《公路路基施工技术规范》(JTG F10-2006)4、《公路排水设计规范》(JTJ018-97 )5、《公路工程质量检验评定标准》(JTG F80/1-2004 )2、编制原则1、严格依照国家和地方的逼迫性各种规范。
2、依照招标文件、合同文件原则。
3、依照设计和验标的原则,正确组织施工,保证工程质量优异。
4、坚持招标文件中技术规范的原则,保证产品使业主满意。
5、坚持脚扎实地的原则,保证施工组织的可行性,先进性和合理性。
3、工程大概本标段路线起于凯阳隧洞进口端,起点桩号为,设凯阳坡地道穿越山体,顺沟向西南至汪降,经董老向南绕过大研脚山体,经下坝、龙中至下堰、顺拉抹南侧山脚布线至通州南部的白香坳设置互通服务于通州等周边乡镇。
出互通后即到本标段终点,终点桩号为。
路线全长 9.450519 。
本标段路基排水系统中,排沟渠共计49 段,其中主线路基的排沟渠共计 21 段。
排水沟首件施工方案引言在建筑、道路、农田等项目中,为了有效排除积水和降低洪涝灾害风险,排水沟成为一种重要的工程设施。
排水沟的建设需要合理的施工方案,以确保其正常运行和有效排水。
本文将介绍一种排水沟的首件施工方案。
1. 设计与规划在开始施工之前,首先需要进行排水沟的设计与规划。
设计与规划的目的是确定排水沟的形状、尺寸、材料等参数,以及确定施工过程中的时间计划、资源需求等。
1.1 排水沟形状与尺寸排水沟的形状与尺寸应根据实际情况来确定。
一般来说,排水沟的横断面形状可选用三角形、梯形、矩形等,根据地形条件、水流量等因素进行选择。
尺寸则需要考虑排水沟的设计流量,以确保排水能力满足项目需求。
排水沟的材料选择应考虑其强度、耐久性和抗腐蚀性等因素。
常用的材料包括混凝土、钢筋混凝土、塑料等。
鉴于排水沟在使用过程中会接触到不同的水质和化学物质,因此对于材料的选择要特别注意其耐腐蚀性能。
1.3 时间计划与资源需求为确保施工进度和资源的合理利用,需要编制详细的时间计划和资源需求计划。
时间计划应包括施工的起止时间、各个施工环节的工期、关键节点等;资源需求计划应包括人力、物力和机械设备等资源的需求量和供应安排。
2. 施工准备在进入施工阶段之前,需进行必要的准备工作,以确保施工过程的顺利进行。
2.1 施工人员培训施工人员需接受相应的培训,包括工艺流程、施工操作规范、安全注意事项等方面的培训,以提升其技术水平和安全意识。
根据设计与规划,对所需材料进行采购和准备。
材料的准备要提前计划,并确保其数量和质量满足施工要求。
2.3 设备检查与调试排水沟施工过程中需要使用各种机械设备,如挖掘机、搅拌机等。
在施工前,需要对这些设备进行检查和调试,确保其正常运转和安全性能。
3. 施工过程排水沟的施工过程可以分为开挖、回填、施工结构部分等环节。
3.1 开挖在施工区域内,根据设计要求和实际情况,使用挖掘机等设备进行排水沟的开挖工作。
开挖的深度和宽度应根据设计要求进行控制,并保持斜坡的稳定。
水沟首件施工方案
一、前言
在城市建设和农村改造中,水沟的施工方案至关重要。
一项精心设计的水沟首件施工方案不仅可以有效排水,还能有效防止污染和水土流失,是保障城乡环境卫生的重要措施。
二、设计原则
1.适宜性:水沟的设计应根据地势起伏、流域情况等因素进行,以确
保排水畅通。
2.稳定性:施工方案需考虑水沟横断面结构的稳定性,确保长期使用
不变形、不损坏。
3.经济性:方案应尽可能减少材料和人力成本,提高施工效率。
三、施工步骤
1. 方案设计
根据实地勘察结果,绘制水沟首件的详细设计图纸,包括水沟长度、宽度、深度等参数。
2. 准备材料和器具
根据设计图纸确定所需材料和施工器具,包括水泥、砖块、沙子、水平仪等。
3. 土方开挖
根据设计要求,对水沟的通道进行土方开挖,保证通道顺畅。
4. 水泥砌筑
利用水泥和砖块,按设计要求对水沟首件进行砌筑,确保结构牢固。
5. 排水管道设置
安装排水管道,确保排水通畅,防止水沟水位过高造成溢水。
6. 稳固土方
对水沟周围的土方进行稳固处理,防止坡体坍塌。
四、验收与保养
完成施工后,应及时进行验收,确保施工质量符合设计要求。
对水沟进行定期检查和维护,保持畅通和干净。
五、总结
水沟首件施工方案的设计与实施对城乡环境保护具有重要意义,应根据实际情况精心制定方案,并加强施工后的验收和保养工作,以确保水沟长期有效运行。
以上是关于水沟首件施工方案的相关内容,希望对您有所帮助。
一、工程概况本工程位于我国某城市,主要目的是新建一条雨污排水管道,以改善该区域的排水状况,防止内涝现象的发生。
本次首件工程施工,将严格按照《建筑工程施工质量验收统一标准》和《城市排水管道工程施工及验收规范》进行。
二、施工准备1. 组织准备(1)成立首件工程施工领导小组,负责组织、协调和监督首件工程施工。
(2)明确各施工班组职责,确保施工过程中的沟通与协作。
2. 技术准备(1)根据设计图纸和相关规范,编制施工方案,明确施工工艺、质量标准和进度安排。
(2)对施工人员进行技术交底,确保施工人员熟悉施工工艺和质量要求。
3. 材料准备(1)采购符合国家标准的管道、管件、阀门等材料。
(2)对材料进行检验,确保材料质量合格。
4. 施工机械准备(1)配置挖掘机、装载机、压路机等施工机械。
(2)对施工机械进行保养和调试,确保机械性能良好。
三、施工工艺1. 施工放样(1)根据设计图纸,确定管道走向、埋设深度和坡度。
(2)使用全站仪进行施工放样,确保放样精度。
2. 土方开挖(1)按照设计要求,开挖管道沟槽,确保沟槽尺寸符合规范。
(2)对沟槽进行平整,避免积水。
3. 管道铺设(1)根据设计图纸,对管道进行分段铺设。
(2)检查管道接口质量,确保管道连接严密。
4. 管道回填(1)按照设计要求,对管道进行回填。
(2)分层回填,确保回填密实。
5. 检验检测(1)对管道铺设、回填等工序进行质量检验。
(2)检测管道坡度、埋设深度等指标,确保符合规范要求。
四、质量控制1. 严格按照规范要求进行施工,确保施工质量。
2. 加强施工过程中的质量监控,发现问题及时整改。
3. 对施工人员进行质量教育,提高施工人员质量意识。
五、安全文明施工1. 施工现场设置安全警示标志,确保施工安全。
2. 加强施工过程中的环保措施,减少对环境的影响。
3. 严格执行文明施工规范,确保施工现场整洁有序。
六、进度安排首件工程施工周期为30天,具体进度安排如下:第1-5天:施工准备、技术交底、材料采购。
排水沟首件施工方案概述排水沟是一种将雨水或废水从道路、建筑物和其他区域排放出去的重要设施。
本文档提供了一个排水沟的首件施工方案,旨在引导工程师和施工人员以正确的方法进行排水沟的首次施工。
本方案将涵盖施工前的准备工作、材料清单、施工步骤和必要的注意事项。
准备工作在开始施工排水沟之前,需要进行以下准备工作:1.确定施工的位置和长度:首先,在需要排水的区域进行勘测和测量,确定排水沟的位置和长度。
根据需要排水的量和地形条件,合理规划排水沟的布局。
2.评估地质条件:地质条件对排水沟的稳定性和排水效果有重要影响。
进行地质勘测,评估土壤的承载力和渗透性,以决定施工过程中需要采取的措施。
3.安全措施:确保施工现场安全,按照相关安全规定配备必要的安全设施,例如警示标志、安全帽和护目镜等。
4.工具和设备准备:准备施工所需的工具和设备,包括挖掘机、压路机、平板和测量仪器等。
材料清单下面是排水沟首件施工所需的材料清单:•预制混凝土排水渠块:根据设计要求和施工需求,选用合适规格的预制混凝土排水渠块。
•沟底垫层材料:选择合适的沟底垫层材料,例如砂石或碎石等,以提供均匀的沟床并增强排水效果。
•水泥和砂浆:用于渠块的固定和连接,保证渠块的稳定性和密封性。
•排水管道:根据需要排水的量和流速,选用合适规格的排水管道。
•排水口:用于排出水流,并防止杂物进入排水沟。
•防腐涂料:选择耐腐蚀性能好的防腐涂料,以延长排水沟的使用寿命。
•管道连接件:包括弯头、法兰和密封胶等,用于连接排水管道和排水口。
施工步骤1.清理施工区域:在施工区域清除杂物和障碍物,确保施工区域整洁且无阻碍。
2.挖掘沟槽:使用挖掘机或手动工具挖掘沟槽,根据设计要求和测量结果确定沟槽的深度和宽度。
确保沟槽底部平整,并在需要的地方设置正确的坡度以保证排水顺利。
3.敷设沟底垫层:将选择的沟底垫层材料均匀敷设在沟底上,压实并充分填实。
确保沟底平整且无空隙,以保证渠块的稳定性和排水效果。
路堤排水沟首件施工总结我部于2012年4月22日至5月5日进行了K79+220—340左侧F型排水沟首件的施工工作,在监理工程师的现场监督下,严格按照《公路路基施工技术规范》(JTG F10-2006)要求进行。
现将排水沟首件工程施工总结归纳如下:1 工程概况K79+220~K79+340左侧F型排水沟长120m,采用M7.5浆砌片石砌筑,厚度为30cm,浆砌片石工程量244.80m³。
排水沟断面详见图1.1。
图1.1排水沟大样图2 施工安排2.1工期安排根据实施性总体施工进度计划,结合目前工地实际情况。
本分项工程于2012年4月22日开工,2012年5月5日完成,共计14天。
2.2人员组织表2.1 主要管理人员2.3施工队伍表2.2 各类施工操作人员数量2.4机械设备安排3 施工过程图3.1施工工序流程图3.1 施工准备(1)施工管理人员、工人已进场,人数能够满足施工要求。
(2)用于施工的材料如水泥、片石、砂等已进场,并检验合格,数量满足施工要求,砂浆配合比试验已报监理工程师批准。
(3)对砂浆拌和场地进行平整、硬化,拌和机运行良好,施工便道已修通。
(4)技术准备工作,首先进行技术交底工作,将施工技术方案落实到每个参建人员,用于指导施工。
3.2 施工放样根据设计资料定出排水沟中线,线位布设好以后请监理检测,符合要求后再进行下道工序。
经施工放样后,与现场地形符合,且与外排水系统或自然水系能平顺衔接。
3.3 沟槽开挖放好路堤排水沟内外轮廓线,利用人工配合挖掘机开挖,自卸汽车运输,开挖至距设计尺寸10-15cm时,改以人工挖掘。
人工修整至设计尺寸,不能扰动沟底及坡面原土层,不允许欠挖,控制超挖。
基坑开挖后,需进行沟底高程复测。
基坑开挖土方运出场外,禁止堆放在水沟外侧。
开挖清理完毕后,请监理检验合格后进行下道工序。
3.4 片石砌筑浆砌施工前,对片石进行检验,石料强度不小于30MPa,厚度不小于15cm,长度不小于30cm(如有锋棱锐角,予以敲除),若表面有泥土、水锈,先清除干净。
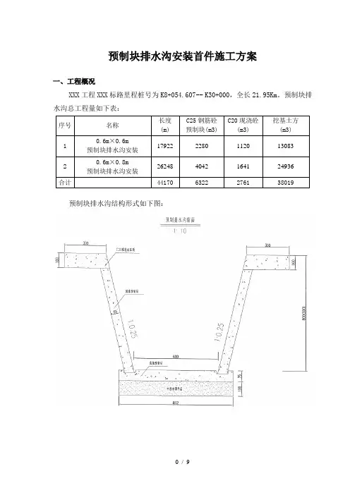
预制块排水沟安装首件方案(上传)施工方案:预制块排水沟安装首件一、工程概况XXX工程XXX标路里程桩号为K8+054.607--K30+000,全长21.95公里。
预制块排水沟总工程量如下表:序号 | 名称。
| 长度(m) |1.| 0.6m×0.6m预制块排水沟安装 | .|2.| 0.6m×0.8m预制块排水沟安装 | .|合计 |。
| .|预制块排水沟结构形式如下图:选择K23+088-K23+230右侧0.6m×0.8m预制块排水沟安装作为首件工程,首件工程量如下表:名称。
| 长度(m) | C25钢筋砼预制块(m3) | C20现浇砼(m3) | 挖基土方(m3) | 底板(块) | 侧墙(块) | 中粗砂(m3) |预制块排水沟安装 | 223.| 557.| 109.| 135.| 142.| 12.|。
|二、施工准备1、人员配置施工管理人员配置表:序号 | 岗位。
| 姓名。
|1.| 技术负责人。
|。
|2.| 施工现场负责人。
|。
|3.| 质检负责人。
|。
|4.| 试验负责人。
|。
|5.| 施工员。
|。
|6.| 测量员。
|。
|7.| 实验员。
|。
|劳动力配置表:序号 | 姓名。
| 工种。
| 劳动力人数 | 备注。
|1.|。
| 预制块安装工 | 10.| 预制块安装。
|2.|。
| 模板工。
| 2.| 模板安装、拆除 |3.|。
| 混凝土工。
| 2.| 混凝土浇筑。
|2、设备配置主要设备计划配备表:序号 | 机械设备名称 | 单位 | 数量 | 备注。
|1.| 挖掘机。
| 台。
| 1.|。
|2.| 装载机。
| 台。
| 2.|。
|3.| 砂浆搅拌机。
| 台。
| 1.|。
|4.| 打夯机。
| 台。
| 1.|。
|5.| 钢模板。
| ㎡。
| 60.| 模板安装 |3、材料准备在施工前,根据首件工程量按10%的富余系数及时组织水泥、砂、预制块进场,计划在开工前5天进场到位,预制块提前安排从共青城构件预制中心运至指定施工点。
首段浆砌排水沟施工总结一、首段工程概况及施工过程:本合同段的排水沟分为A、B、C、暗盖板沟等规格,均为M7.5#水泥砂浆砌片石。
其主要的施工材料为水泥、砂浆及片石。
为了加强工程质量,立足于“预防为主,先试点”的原则,认真贯彻执行“以工序保分项,以分项保分部、以分部保单位,以单位保总体”的质量保证体系,为了确保我合同段内的排水沟工程质量符合设计要求及技术标准,我标段选定K419+400~K419+420段C型浆砌排水沟作为首段开工工程。
于2011年11月20日开始基坑开挖及基坑修整,经报现场监理工程师检验合格后于11月25日开始正式砌筑,当日砌筑完成。
本项工程采取的主要施工方法为:采用反铲挖掘机开挖,人工配合整修的作业方式开挖基坑,采用座浆法砌筑,凸形勾缝。
从整个施工过程来看,该首段工程过程受控,施工工序顺畅,排水沟砌筑质量达到设计及规范要求。
二、参加首件工程的主要施工人员职务姓名职责注施工负责人:黄新兴负责全面组织、协调管理工作技术负责人:王东伟负责施工方案的设计及交底,现场施工组织质检工程师:蔡为国负责现场质量控制,报验试验负责人:王金生负责材料检验工作现场技术员:史松敏负责现场测量、技术、质量控制三、排水的沟施工方案及工艺流程1、施工准备(1)沙石料进场,经试验合格方可使用;砂浆搅拌机到场后必须经过调试;按要求的人员到场,进行技术交底。
(2)测量人员放样出排水沟中心位置及标高,确保水沟位置的正确性。
(3)挖掘机开挖基坑,人工按设计高程进行修整到位。
2、砌筑工艺(1)施工顺序,先施工水沟底板,再施工水沟边墙(2)砌筑前根据路基排水沟底标高进行挂线,确保排水沟底标高平顺,流水畅通,无积水现象。
(3)采用“座浆法”施工;施工时先在底面上铺砂浆,然后将片石大面向上铺砌,定位后再铺砂浆砌铺第二块;片石间砌缝砂浆饱满,砌缝宽度为2-3cm;砌缝宽度过大时,先填满砂浆然后在塞入小片石,将砌缝内砂浆挤满。
(4)每隔20米设置一道沉降缝,要求沉降缝垂直、贯通,沉降缝中填塞沥青麻絮应饱满。
预制块排水沟安装首件施工方案一、工程概况XXX工程XXX标路里程桩号为K8+054.607-- K30+000,全长21.95Km。
预制块排水沟总工程量如下表:序号名称长度(m)C25钢筋砼预制块(m3)C20现浇砼(m3)挖基土方(m3)10.6m×0.6m预制块排水沟安装17922 2280 1120 1308320.6m×0.8m预制块排水沟安装26248 4042 1641 24936合计44170 6322 2761 38019 预制块排水沟结构形式如下图:选择K23+088-K23+230右侧0.6m×0.8m预制块排水沟安装作为首件工程,首件工程量如下表:二、施工准备1、人员配置劳动力配置表2、设备配置主要设备计划配备表3、材料准备在施工前,根据首件工程量按10%的富余系数及时组织水泥、砂、预制块进场,计划在开工前5天进场到位,预制块提前安排从共青城构件预制中心运至指定施工点。
砼由2#搅拌站提供。
4、技术准备根据设计图纸对排水沟放样完成后,经复核与现场地形符合,与桥涵、结构物及线外排水系统或自然水系能平顺衔接,能够形成完整的排水系统。
临时施工便道通畅,材料堆放场地已平整。
设计图纸及技术资料经过审核,提出的问题已得到相关部门的回复。
开工前组织技术人员认真学习,澄清有关技术问题,熟悉规范和技术标准。
制定施工质量、安全保证措施,对施工人员进行技术交底。
三、施工工艺及方法1、预制块排水沟施工工艺流程测量放样→基坑开挖→基底调平→预制块安装→现浇砼压顶→养生2、测量放样采用GPS测量仪对排水沟进行测量放样,沿路线方向处每隔20m打点(弯道位置要适当加密),撒出排水沟纵向中心线以便检查排水沟放样线形和方便开挖。
测出放样点位地面标高,计算开挖深度,在地面上标出里程桩号以及相应开挖深度,然后向监理工程师报验,在监理工程师的认方可下进行基坑开挖。
3、基坑开挖基坑开挖采用挖掘机开挖和人工辅助开挖,先用挖掘机在灰线内进行粗挖,挖至离基底标高5-10cm范围时采用人工修整。
国道353 大岩洞至雷波县城改建工程 B 合同段K46+780〜K80+000排水边沟首件施工方案编辑:审核:河南中原路桥建设(集团)有限公司国道 353 改建工程 B 合段项目部二O—六年五月七日目录一、编制依据及目的........................................................ - 3 -1.1 编制依据.......................................................... - 3 -1.2 首件目的.......................................................... - 3 -二、工程概况.............................................................. - 3 -1、工程简介........................................................... - 3 -2.1 主要技术指标...................................................... - 3 -三、施工组织安排 ........................................................ - 3 -3.1 首件工程人员分工.................................................. -23.2 材料、设备及人员安排.............................................. - 4 -四、C20砼排水边沟首件主要施工工艺...................................... -5 -4.1 施工工艺流程..................................................... - 5 -4.2 施工场地准备..................................................... - 5 -4.3 基槽开挖......................................................... - 5 -4.4 C20 砼底板施工................................................... - 5 -4.5 C20 砼墙身浇筑................................................... - 5 -4.6 沉降缝设置........................................................ - 5 -4.7 混凝土拆模....................................................... - 5 -4.8 混凝土拆模....................................................... - 5 -五、质量保证体系及措施 .................................................. - 7 -5.1 建立完善的质量检查组织机构:...................................... - 8 -5.2 施工质量标准..................................................... - 8 -5.3 建立严格的质量检查程序:.......................................... - 9 -5.4 质量保证措施:................................................... - 9 -5.5 雨季施工技术措施................................................ - 10 -六、安全及文明施工....................................................... - 10 -6.1 安全保证体系..................................................... - 10 -6.2 安全措施........................................................ - 12 -6.3 文明施工措施.................................................... - 10 -七、环境保护措施......................................................... - 10 -排水边沟首件工程施工方案一、编制依据及目的1.1 编制依据1、根据相应的施工图设计。
排水边沟首件工程施工总结报告1、工程概况本合同段起点桩号为K0+000,终点桩号为K25+415.871,路线全长25.969公里。
其中K0+000~K1+070段为完全利用城镇道路,长度1.07km,实际建设里程为24.899km。
为了确保我合同段内的边沟工程质量符合设计要求及技术标准,根据我项目部对现场实际情况的深入考察选取K19+380-K19+550段排水边沟为首件工程。
2、首件工程意义通过排水边沟首件工程施工,确定劳动力、机械设备等的最佳组合,以及各工序之间的衔接,并以此为依据指导全施工段排水边沟施工,确保工程质量。
为了能尽快使排水边沟的施工步入正轨,我标段进行了排水边沟首件工程施工,安排工程技术人员全过程旁站,监理工程师参与全过程监控,确保排水边沟进场原材料为合格原材料,排水边沟砼严格按照实验配合比拌制,砼强度、外观质量均达到设计规范要求。
3、施工准备3.1边坡防护工程安排及工期目标我部根据现场实际情况选取K19+380-K19+550段排水边沟作为我部排水边沟首件工程。
计划开工时间:2018年6月23日开工,2018年7月2日完工,计划工期10天。
3.2人员组织3.2.1为保证排水边沟工程施工质量,在施工前应对现场施工技术人员特别是一线操作工人的技术水平加以提高。
首先对所有参与施工的人员进行严格技术交底,使其充分掌握具体施工工艺,树立质量第一的意识。
组织以项目总工为主的技术培训会,使操作工人对挂网喷砼技术熟悉掌握,做到心中有数,使工人充分了解施工工艺,做到施工有序,保证现场施工在受控、有序进行。
3.2.2 其次严格作业值班制度,保证现场每一作业时间段内都有主要施工负责人进行现场管理和技术指导工作,投入足够的施工一线人员,保证工人轮班作业,不搞疲劳战术。
3.2.3 本工程管理人员配备如下表所示:本分项工程人员配备:测量、土方施工、及配套辅助人员,如下表所示:3.3技术准备(1)路基施工完毕,边坡刷坡已完成。
2023年隧道洞外截水沟首件工程施工技术方案一、工程概况本次工程为隧道洞外截水沟首件工程,主要任务是在洞外开挖一段隧道洞外截水沟,以保证隧道施工过程中地下水的有效控制和排泄。
该工程位于XX地区,隧道洞身为XX型隧道,总长XX 米。
本工程施工技术方案旨在确保施工质量,提高效率,保障施工安全。
二、施工方法1. 开挖方法采用人工开挖和机械开挖相结合的方法进行开挖,首先对开挖沟段进行人工开挖,然后利用挖掘机、铲车等机械进行挖掘。
为了保障施工安全,需要提前进行地下管线勘测,确保施工过程中不会破坏现有地下管线。
2. 土方处理在开挖完成后,对挖出的土方进行处理。
挖出的土方可以直接作为填埋物,填埋在工地附近的划定区域内。
同时,也可以通过车辆运输到远离工地的地方进行填埋。
在土方填埋过程中,需要注意保护环境、遵守环保相关规定。
3. 支护结构根据洞外截水沟的尺寸和土质特点,采用适当的支护结构。
一般可以采用预制钢筋混凝土构件和喷射混凝土等方式进行支护。
施工过程中需要确保施工质量,保证支护结构的稳定性和耐久性。
4. 排水处理为了保证施工过程中的排水,需要进行合理的排水处理。
可以在洞外截水沟处设置泵站,通过泵站进行地下水的有效控制和排泄。
同时也可以设置合适的排水管道,将地下水排到指定位置。
三、施工方案1. 施工准备在施工前需要进行必要的准备工作,包括施工方案的编制、材料和设备的采购、场地的清理等。
同时还需要与相关部门进行沟通,确保施工过程中能够满足相关法规和标准的要求。
2. 施工过程(1)土方开挖:按照施工图纸和设计要求进行土方开挖,确保开挖平整。
(2)支护结构安装:根据洞外截水沟的尺寸和土质特点,进行支护结构的安装。
可以采用预制钢筋混凝土构件和喷射混凝土等方式进行支护。
(3)排水处理:在支护结构安装完毕后,进行排水处理。
设置泵站以及排水管道,将地下水排到指定位置。
(4)土方处理:将挖出的土方进行处理,可以填埋在工地附近的划定区域内,或者运输到远离工地的地方进行填埋。
贵州省余庆至安龙高速公路平塘至罗甸段公路工程PLTJ-5标段排水沟首件施工方案编制:审核:批准:中国建筑第八工程局有限公司平塘至罗甸高速公路PLTJ-5标项目经理部二〇一六年六月目录1、编制依据 (1)2、编制原则 (1)3、工程概况 (1)4、首件工程目的 (2)5、首件工程计划工期 (2)6、人工机械设备配置 (3)6.1人员配置 (3)6.2机械设备配置 (4)7、施工准备 (4)7.1场地标准化建设 (4)7.2人员组织 (4)7.3技术准备 (5)7.4材料准备 (5)8、施工方案 (6)8.1施工顺序 (6)8.2施工工艺 (6)9、质量验收程序 (7)10、质量、安全及文明施工保证 (8)10.1质量保证 (8)10.2安全防范措施 (9)10.3文明施工 (9)11、环境保护 (10)1、编制依据1、贵州省平塘至罗甸高速公路土建第五标段招标文件、合同技术条款、图纸。
2、《公路工程技术标准》(JTGB01-2014)3、《公路路基施工技术规范》(JTG F10-2006)4、《公路排水设计规范》(JTJ018-97)5、《公路工程质量检验评定标准》(JTG F80/1-2004)2、编制原则1、严格按照国家和地方的强制性各种规范。
2、遵循招标文件、合同文件原则。
3、遵循设计和验标的原则,正确组织施工,保证工程质量优良。
4、坚持招标文件中技术规范的原则,确保产品使业主满意。
5、坚持实事求是的原则,确保施工组织的可行性,先进性和合理性。
3、工程概况本标段路线起于凯阳隧洞进口端,起点桩号为K34+360.000,设凯阳坡隧道穿越山体,顺沟向西南至汪降,经董老向南绕过大研脚山体,经下坝、龙中至下堰、顺拉抹南侧山脚布线至通州南部的白香坳设置互通服务于通州等周边乡镇。
出互通后即到本标段终点,终点桩号为K43+810.663。
路线全长9.450519。
本标段路基排水系统中,排水沟共计49段,其中主线路基的排水沟共计21段。
本标段的路基排水沟施工拟定主线路基K42+300~K42+400排水沟(左)做为路基排水沟首件工程。
M7.5浆砌片石72方。
4、首件工程目的1、通过路基排水沟首件工程的实施,验证拟定施工方案的可行性,优化施工工艺组合,获取相关的技术参数,为规范化施工创造条件,同时以便指导后续同类型排水沟施工。
2、通过首件工程的实施,解决有可能影响工程质量的各种因素和问题,对出现的问题及时处理,避免施工后期造成返工。
同时总结各种问题的原因,对后续的路基排水沟施工进行指导。
3、通过首件工程的实施,熟悉设计、施工规范和技术要求。
对后期的全面施工提供技术、质量上的参考。
5、首件工程计划工期为了保证首件工程的经验得到总结和推广,因此在首件工程上对于工期的安排如下:1、场地整理、测量定位预计2016年6月17日~2016年6月18日;2、路基排水沟开挖预计2016年6月19日~2016年6月20日;3、路基排水沟砌筑预计2016年6月21日~2016年6月30日;6、人工机械设备配置6.1人员配置为了保证本工程设计的质量、安全、进度,我项目部组织强有力的技术管理力量和施工经验丰富的施工队伍,保证路基排水沟施工的顺利进行。
所投入的施工人员力量见表6-1、6-2。
表6-1:管理人员表表6-2:施工人员表6.2机械设备配置为保证本工程顺利进行,根据项目工程数量、工程进度和进度计划,按照经济适用、合理配置的原则,安排机械设备。
主要施工机械设备表6-3(可用的机械设备清单)表6-3:主要机械设备清单7、施工准备7.1场地标准化建设排水沟施工场地已经满足施工条件,做到了“三通一平”。
现场广告宣传标识醒目,施工现场“三图二牌“齐全,即总体示意图、施工公告牌、工程概况图、施工进度图、安全记录牌;砂,石,堆放场地均已硬化,满足堆放条件。
保证施工现场临时设施井然有序。
7.2人员组织1、技术员及主管人员及时进场,并根据现场实际情况调整人员配备及设备。
2、依据合同工期安排及施工队伍情况制定劳务用工计划。
3、依据工程进展状况及天气因素,制定特殊气候劳务人员数量。
4、定期组织作业人员进行安全教育,提高现场作业安全意识。
7.3技术准备1、进场后,技术员认真全面熟悉图纸、技术规范等文件,详细做好分项工程施工组织设计并报监理工程师批准。
2、技术员对各控制点进行仔细校对及复测,并进行细部施工放样。
3、结合现场实际情况,提出场地平整方案,提供良好的施工平台,并搞好施工用水的供应。
4、将施工所需设备机具调配到位并做好保养工作,保证施工时能正常运行。
5、在施工前,现场技术人员要向施工队各班组进行书面技术交底,驻地办监理参加。
7.4材料准备1、现场布置:根据现场情况确定片石材料的堆放场地。
2、石料:应符合图纸规定或监理工程师要求。
材料必须质地坚硬、无分化脱落或裂纹,强度不低于30Mpa。
材料及时送检,以免耽误正常施工。
表面不平整的石料必须进行修凿平整、挑选有规整面的片石。
M7.5砂浆配合比:水泥 286KG 机制砂 1650KG 水 270KG8、施工方案8.1施工顺序施工准备基坑开挖沟底砌筑沟身砌筑养护伸缩缝处理8.2施工工艺为减少占地,在满足排水能力的前提下,排水沟为梯形断面,底宽60cm,沟深60cm,采用M7.5浆砌片石砌筑,沟底铺筑厚度为25cm。
1、施工前先用人工将坡脚整理平整,利于沟底中心桩的放样及沟底开挖深度的确定。
基础开挖开始前通知监理工程师,检查、测量基础平面位置和现有的底面标高。
用水准仪测量底面标高并计算下挖深度,用全站仪放出排水沟中心桩,每10米一个,并用白灰将排水沟中心线撤出。
为便于开挖后检查校核,基础轴线控制桩应延长至基坑外加以固定。
根据测量队放出的开挖线,清除施工区域内的草皮、树根等杂物,然后根据排水沟中心线及水沟尺寸进行人工开挖,并清理基底。
开挖过程中注意控制好沟底高程,严禁超挖,开挖完成后应及时除掉表面及沟底松浮土。
2、基坑开挖应始终保持良好的排水性,开挖的基坑未经监理工程师批准前,不得进行砌筑施工,基坑成型后认真核对。
3、经监理工程师验收过后的基坑中基础砌体的边线,按照设计要求的砂浆标号采用人工砌筑,砂浆在现场采用砂浆搅拌机拌合。
砌筑砌体基础,如基底是土质,可直接坐浆砌筑;如基底为岩层时,应先将表面加以清洗、湿润,再坐浆砌筑。
水沟浆砌片石选择粒径、色泽、强度均符合要求的材料,做到咬扣紧密,嵌缝饱满、密实,勾缝平顺无脱落,缝宽大体一致,压顶强度高,砌体表面必须拉线立架,保证墙面平整,线条流畅。
在砌筑前每一石块均应用干净水洗净并使砌底饱和,所有石块均应坐于新拌砂浆上,大的石块应砌于下层,安砌时应选择尺寸较为合适的砌块,尖锐突出部分应敲除。
竖缝较宽时,应在砂浆中塞以小石块,不得在石块下面用高于砂浆缝的小石块支垫。
在砂浆凝固前,所有缝应满浆,然后用侧压砌置下一相邻石块;石块就位后灌入砂浆,填满垂直缝时,应用扁钢捣实。
墙体砌筑到顶后,应及时用砂浆抹平,以防止地面水冲刷和渗入。
在砂浆凝固前应将外露缝勾好,勾缝不小于20mm,如条件不允许时,应在砂浆为凝固前,将砌缝砂浆刮深不小于20mm,为以后勾缝做准备。
4、勾好缝或灌好浆的砌体完工后,视水泥种类及气候情况,在7~14d 内加强养护。
5、排水沟应按照设计要求设置沉降缝。
9、质量验收程序1、首件工程验收认可制评价责任体系应坚持“自下而上,分级负责”的原则。
参建单位根据合同要求和监理规程,结合实际工作,分别承担各自所负的责任。
2、首件工程完成后,由总监理工程师组织项目办、总包部、驻监办进行检测、验收和评定。
承包人应对已完成的首件工程的施工工艺和质量进行综合评价,提交总结报告。
由监理组织有关人员对其进行分析、研究,验证施工工艺的可靠性、合理性、提出改进意见,并形成评审会议纪要。
分项工程评分未达到98分以上不能视为首件样板工程。
3、首件工程经评审通过后、监理工程师应根据评审报告进一步完善施工和监理实施方案作为最终方案。
在此基础上审批分项开工报告。
4、首件工程检验评定后被认可为样板工程的的项目,有监理组织召开现场会,推广示范,以保证后续工程质量水平不低于首件工程的质量标准。
5、得到认可的首件工程检查评定结果形成总结报告并加盖施工单位与监理单位的公章,有关人员签字。
首件工程认可的所有相关资料均作为分项工程开工报告的附件整理和归档。
10、质量、安全及文明施工保证10.1质量保证1、原材料检验。
材料进场前,要提供片石、水泥、砂,样品报送监理、实验室,检验合格后才能进场,材料进场后要经监理现场检验合格后才能使用。
2、设置现场工程质量控制机构,配备足够的有经验的技术人员、质检人员、管理人员和操作人员。
3、对现场工人加强质量教育,强化质量意识,开工前进行全面细致的技术交底,进行应知应会教育,严格执行规范,严格操作规程。
4、提高安全员质量意识,建立健全质量保证体系。
开展全面质量管理活动,实行全员、全过程、全方位的质量管理方法,用工作质量保证工序质量;以工序质量保证整个分项工程质量。
10.2安全防范措施1、对施工安全工作应贯彻“安全第一,预防为主”的方针,严格遵守《公路工程施工安全技术规程》的有关规定,制订安全制度和采取安全措施,并负责检查实施情况,切实做到施工安全。
对所有进入工地施工现场施工的工作人员进行安全教育,讲述安全知识。
2、人行通道处及路线交叉处设置安全警示牌,对存在安全隐患的地方采取相应的安全防护措施。
在施工作业中应采取各种有效的防护措施,做好防尘、防水、降温等,保护环境卫生,保障施工人员的健康和安全生产。
3、机械设备及输电线路安装完毕后,必须经技术部门验收合格后方可使用。
4、安全帽质量必须经相关部门检验合格后方能使用。
10.3文明施工1、结合本工程的实际情况,在经理部及各负责人中明确分工,落实文明施工现场责任区,制定相关规章制度,确保文明施工现场管理有章可循。
2、合理布置场地,各项临时设施必须符合规定标准,做到场地整洁、道路平顺、排水畅通、标志醒目、生态环境达到标准作业要求。
进场后结合现场实际情况,重新科学全面详细地编制施工组织设计,合理布局施工设备,规范场容,建立健全各项施工管理制度,文明施工措施落实、责任到人、执行到岗,有检查督促考核。
3、施工现场材料、设备、按平面布置图指定地点整齐堆放,保证施工现场无积水,挖弃土石按规定堆码,现场材料、机具及时回收归库,做到工完、场清料净。
4、施工现场管理人员和工人佩戴分色安全帽。
现场指挥及质检、安全等检查人员佩章执班。
5、对施工范围内的通道须维持原交通,在通道上方搭设防护设施,并悬挂悬警示牌或警示灯,保证行人车辆安全。
6、施工中严格使用“安全三宝”,现场机械设备整洁,电器开关柜(箱)完整带锁,并配备安全保护装置,操作人员持证上岗,有岗位职责和安全操作规程标备有消防器材和防火消防制度。