监控系统验收标准
- 格式:docx
- 大小:21.22 KB
- 文档页数:7
监控系统验收方案一、引言监控系统是一种用于实时监测、控制和管理各类设备和环境的技术系统。
它通过感知器件、数据传输、数据处理和数据展示等环节,帮助用户实现对目标对象的全面监控和远程操作。
为了确保监控系统能够满足预期的功能和性能要求,本文将详细介绍监控系统验收方案。
二、验收目标监控系统验收的主要目标是确认系统的功能、可靠性、稳定性和性能是否符合预期要求。
具体包括以下几个方面:1.功能验收:验证系统是否满足需求规格说明书中所描述的功能要求。
2.可靠性验收:测试系统的稳定性和可靠性,确保在长时间稳定运行时不会出现崩溃和故障。
3.性能验收:测试系统的响应时间、数据处理速度和资源利用效率等性能指标是否达到要求。
4.用户界面验收:评估系统的用户界面是否友好、易用,并且能够满足用户操作和信息展示的需求。
三、验收方法1.验收组成员的确定:根据系统验收范围和需求,确定验收组成员,并明确各成员的责任和任务。
2.验收环境的准备:搭建与监控系统预期的实际使用环境相近的测试环境,确保系统在实际环境下的性能表现。
3.验收测试用例的制定:编写一系列测试用例,覆盖系统的各项功能和性能指标,并对测试用例进行复核和审批。
4.功能验收测试:根据测试用例,逐个验证系统的功能是否符合需求,在验收记录表中记录测试结果。
5.可靠性验收测试:对系统进行长时间连续运行测试,观察系统在稳定状态下是否出现异常和故障。
6.性能验收测试:通过模拟并发用户、大规模数据输入和高负载情况下的测试,检查系统的响应时间、数据处理速度和资源利用效率等性能指标。
7.用户界面验收测试:由验收组成员模拟真实用户操作,评估系统的用户界面是否符合用户需求,并记录评估结果。
8.验收结果分析:根据验收测试结果,对系统的功能、可靠性、性能和用户界面进行评估,并编写验收报告。
四、验收标准1.功能验收标准:系统需满足需求规格说明书中所描述的所有功能需求,并且功能实现正确、完整、可靠。
2.可靠性验收标准:系统在长时间连续运行测试中无崩溃和故障,系统可靠性达到预期目标。
监控验收标准监控验收是指对监控系统进行检查、测试和评估,以确保其功能正常、性能稳定、数据准确。
监控验收标准是对监控系统进行验收时所需遵循的标准和规范,其制定的目的是为了保证监控系统的正常运行和有效使用。
本文将就监控验收标准进行详细介绍。
一、监控设备验收标准。
1. 设备外观,设备外观应完好无损,无变形、刮花、腐蚀等现象。
2. 设备安装,设备应按照安装说明书进行正确安装,固定牢固,连接稳定可靠。
3. 设备功能,各项功能应能正常开启和关闭,各个参数应能正常调节。
4. 设备数据,设备所采集的数据应准确可靠,无明显误差。
5. 设备报警,设备报警功能应正常可靠,能够及时发出报警信号。
二、监控软件验收标准。
1. 软件安装,软件应按照安装说明书进行正确安装,安装过程中无错误提示。
2. 软件登录,软件登录应方便快捷,无卡顿、闪退等现象。
3. 软件功能,各项功能应能正常使用,操作流畅,无明显bug。
4. 数据显示,软件所显示的数据应与实际数据一致,无明显误差。
5. 数据存储,软件所存储的数据应完整无缺失,能够长期保存并进行查询。
三、监控系统验收标准。
1. 系统集成,各个监控设备和软件应能够完整集成,无冲突、漏洞等问题。
2. 系统稳定,监控系统应能够稳定运行,无死机、卡顿等现象。
3. 系统联动,各个部分应能够互相联动,协同工作,实现全面监控。
4. 系统报警,系统报警应能够及时、准确地发出警报,保障监控的及时性和有效性。
5. 系统维护,系统应具备远程维护功能,能够进行远程升级、维修等操作。
四、监控验收流程。
1. 制定验收计划,确定监控验收的时间、地点、人员等信息,制定详细的验收计划。
2. 进行验收测试,按照验收计划,对监控设备、软件和系统进行全面的测试和检查。
3. 记录验收结果,对测试结果进行详细记录,包括设备功能、数据准确性、系统稳定性等方面。
4. 整理验收报告,根据验收记录整理成验收报告,对验收结果进行总结和评估。
安防监控系统验收标准一、引言。
安防监控系统是现代社会重要的基础设施之一,它可以帮助我们监测和保护人员和财产安全。
为了确保安防监控系统的正常运行和有效性,需要进行严格的验收。
本文档将介绍安防监控系统验收标准,以便相关人员进行系统验收时能够依据标准进行操作。
二、验收前准备。
1. 验收人员应熟悉安防监控系统的基本原理和技术规范,了解系统的基本构成和功能。
2. 准备验收所需的相关文件资料,包括系统的设计文件、安装调试记录、用户手册等。
3. 确保安防监控系统已经完成安装、调试和相关设备已经联网。
三、验收内容。
1. 硬件设备验收。
(1)摄像头,检查摄像头的安装位置和角度是否符合设计要求,确认摄像头的清晰度和视野范围是否满足需求。
(2)录像机,检查录像机的安装位置和连接线路是否符合设计要求,确认录像机的录像质量和存储容量是否满足需求。
(3)监控显示器,检查监控显示器的安装位置和显示效果是否符合设计要求,确认监控显示器的清晰度和色彩还原度是否满足需求。
2. 软件系统验收。
(1)系统设置,确认系统的时间同步、录像参数、告警设置等功能是否正常,检查系统的远程访问和管理功能是否可靠。
(2)录像回放,进行录像回放测试,确认录像的清晰度和流畅度是否符合要求,检查录像文件的存储和检索功能是否正常。
(3)告警功能,测试系统的告警功能,包括移动侦测、遮挡报警等,确认告警的触发和处理是否及时有效。
3. 系统整体验收。
(1)系统稳定性,对系统进行长时间稳定性测试,确认系统在连续运行中是否会出现故障或异常情况。
(2)系统兼容性,测试系统与其他设备和软件的兼容性,确认系统在不同环境下的稳定性和可靠性。
四、验收标准。
1. 系统硬件设备应符合设计要求,安装位置、连接线路、视野范围、清晰度等均需符合技术规范。
2. 软件系统功能应完善,包括系统设置、录像回放、告警功能等均需稳定可靠。
3. 系统整体运行稳定可靠,长时间运行中不出现故障或异常情况。
监控系统工程验收标准
一、电源、设备线缆验收标准
1、线缆、设备等各种标签应完整、清晰,检查连接线缆路由,走线是否整齐,各设备连接
线缆是否绑扎整齐;
2、不同连接线缆进行明显标识,各摄像头对应的视频线、控制线应明确标识或在提交用
户资料内注明;
3、视频接头处用焊锡将BNC接头与视频线连接,保证无虚焊;安装螺丝必须拧紧;
4、摄像头电源的防水和绝缘需可靠;
5、电源、线缆等接地需符合防雷标准,设备安装需在35m/s的风速下正常工作;
6、敷设的电源线缆应符合相关要求;
二、摄像机安装要求
1、摄像机装置的安装应牢靠、稳固;
2、从摄像机引出的电缆宜留有1m的余量,不得影响摄像机的转动;摄像机的电缆和电源
线均应固定,并不能用插头承受电缆的自重;
3、检查摄像机检查各项功能,观察监视区域的覆盖范围和图像质量,是否符合要求;
4、其他摄像机机座与支架或云台的安装尺寸应符合要求;
5、所有摄像机的电缆和电源线均应固定,并且不得使插头承受电缆的自重;
6、摄像机镜头应避免强光直射,逆光安装,若必须进行逆光安装的地方,应选择将监视区
的光对比度控制在最低限度范围内;
三、线缆敷设部分的验收要求
1、管材的材质、规格、型号应符合设计文件的规定;
2、表面应光滑、平整,不得变形、断裂;
3、管件的材质、规格均符合质量标准,不得歪斜、扭曲、飞刺、断裂或破损;
四、硬盘录像机的验收要求
1、安装位置正确;
2、安装符合工艺要求;
3、现场调阅录像资料,抽查夜间录像资料;
4、检查录像时间;
五、监控图像的验收标准
1、图像上不易察觉有损伤或干扰存在;
2、记录图像的回放质量能辨别人的面部特征;。
一、普通规定1、所有路线必须全程穿管或者走线槽,不便于管或者走线槽的部位应给采取适当的保护措施,并且布线要美观慷慨、横平竖直、劳固结子。
2、直线管的管径利用率应为 30%~40% ,弯管的管径利用率应为20%~30% 。
3、所布路线上存在局部干扰源,且不能满足最小净距离要求时,应采用钢管。
4、暗管必须弯曲敷设时,其路由长度应≤ 15 米,且该段内不得有 S 弯。
连续弯曲超过 2 次时,应加装过线盒。
所有转弯处均用弯管器完成,为标准的转弯半径。
不得采用国家明令制止的三通四通等。
5、在暗管孔内不得有各种线缆接头。
6、电源线配线时,所用导线截面积应满足用电设备最大输出功率。
7、电线与暖气、热水、煤气管之间的平行距离不应小于300mm ,穿插距离不应小于 100mm 。
8、穿入配管导线的接头应设在接线盒内,接头搭接结子,用绝缘带包缠,应均匀严密。
9、视频电缆到摄像机的预留长度不小于 30CM。
二、主要材料质量要求1、分体设备、器材的规格、型号应符合设计要求及国家现行电器产品标准的有关规定。
2、设备器材包装应完好,材料外观不应有破损,附件、备件应齐全。
3、室外设备连接电缆时,必须从设备的下部进线。
4、金属电线保护管及接线盒外观不应有折扁和裂缝,管内应无毛刺,管口应平整。
5、通信系统使用的终端盒、接线盒与配电系统的开关、插座,选用与各设备相匹配的产品。
6、电源线配线时,所用导线截面积应满足用电设备的最大输出功率。
7、暗盒接线头留长 30 厘米,所有路线应贴上标签,8、穿线管与暗盒连接处,暗盒不许切割,须翻开原有管孔,将穿线管穿出。
穿线管在暗盒中保存 5 毫米。
9、暗线敷设必须配管。
10、电源线及插座与电视线、网络线、音视频线及插座的水平间距不应小于 500mm。
11、穿入配管导线的接头应设在接线盒内,接头搭接应结子,绝缘带包缠应均匀严密。
12、线槽外观要求:横平竖直,大小均匀。
13、线槽线管的固定① 地面 PVC 管要求每间隔一米必须固定;② 槽 PVC 管要求每间隔两米必须固定;③ 墙槽 PVC 管要求每间隔一米必须固定。
监控系统验收标准监控系统是现代企业管理中不可或缺的一部分,它可以帮助企业实时监测生产过程、设备运行状态、安全环境等重要信息,为企业的生产经营提供重要的数据支持。
因此,监控系统的验收标准显得尤为重要。
下面将对监控系统验收标准进行详细介绍。
首先,监控系统的硬件设备应符合国家相关标准,包括但不限于设备的质量、性能、稳定性等方面。
硬件设备应具备良好的抗干扰能力,能够适应不同的工作环境,并且应具备一定的扩展性,以适应未来业务发展的需求。
其次,监控系统的软件应具备良好的稳定性和可靠性,能够确保系统长时间稳定运行。
软件应具备友好的用户界面和操作逻辑,方便用户进行操作和管理。
同时,软件应具备良好的数据处理能力,能够准确、及时地处理监控数据,并能够对数据进行多维度的分析和展示。
再者,监控系统应具备良好的网络通信能力,能够实现设备之间的互联互通,实现数据的共享和交换。
同时,监控系统应具备良好的安全性能,能够有效防范网络攻击和数据泄露,确保监控数据的安全可靠。
此外,监控系统的验收还需要考虑系统的可维护性和可扩展性。
系统应具备良好的故障诊断和排除能力,能够快速定位和解决问题。
同时,系统应具备良好的扩展性,能够方便地进行功能扩展和升级,以满足未来业务发展的需求。
最后,监控系统的验收还需要考虑系统的性价比和整体效益。
系统应具备良好的性价比,能够在满足功能需求的前提下,尽可能降低投资成本。
同时,系统应能够为企业带来明显的效益,提高生产效率,降低成本,提升管理水平。
综上所述,监控系统的验收标准涉及硬件设备、软件系统、网络通信、安全性能、可维护性、可扩展性、性价比等多个方面。
在验收过程中,需要综合考虑这些方面的要求,确保监控系统能够满足企业的实际需求,为企业的生产经营提供可靠的技术支持。
监控系统验收标准监控系统是企业重要的信息化基础设施之一,它的稳定性和可靠性直接关系到企业的生产运营和安全管理。
为了确保监控系统的正常运行,对其进行验收是非常必要的。
本文将就监控系统验收标准进行详细介绍,以期为相关人员提供参考和指导。
首先,监控系统验收标准应包括硬件设备的验收和软件系统的验收两个方面。
在硬件设备验收方面,应当对监控摄像头、传感器、服务器等设备进行检查,确保其安装位置合理、连接稳定、供电正常等。
同时,还需对设备的性能指标进行测试,包括分辨率、响应速度、抗干扰能力等方面的指标。
在软件系统验收方面,需要对监控软件的功能模块、数据存储、报警处理等进行全面检查,确保系统的功能完备、数据稳定、报警准确可靠。
其次,监控系统验收标准还应包括系统性能测试和安全性测试两个方面。
在系统性能测试中,应当对监控系统的运行稳定性、数据处理能力、远程访问速度等进行测试,确保系统在各种情况下都能够正常运行。
在安全性测试中,需要对监控系统的数据加密、权限管理、远程访问控制等进行测试,确保系统的数据安全和隐私保护。
最后,监控系统验收标准还应包括验收文件的编制和验收报告的提交。
在验收文件的编制中,需要详细记录监控系统的硬件设备清单、软件系统功能清单、系统性能测试报告、安全性测试报告等内容。
在验收报告的提交中,需要将验收文件提交给相关部门进行审核,确保监控系统的验收工作得到了有效的确认和认可。
综上所述,监控系统验收标准是保障监控系统正常运行的重要保障,只有严格按照标准进行验收,才能够确保监控系统的稳定性和可靠性。
希望相关人员能够认真贯彻执行监控系统验收标准,确保企业监控系统的正常运行,为企业的生产经营和安全管理提供有力支持。
辅助设备全面监控系统验收标准
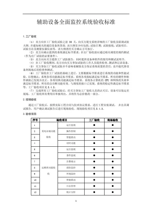
1.工厂验收
(1)卖方应在工厂验收试验之前 30 天,向买方提交系统详细的工厂验收及联调试验大纲,并通知相关的通信设备供货商,该大纲至少应包括:试验日期,试验接线,试验项目,试验方法及测量仪器仪表等。
该大纲需经买方确认方可执行。
(2)卖方应确认提供的系统满足标书要求,在出厂验收前应通过相关调度的规约测试(作为出厂试验的必要条件)。
(3)卖方应向买方提供工厂试验报告,同时提供设备和软件的使用和测试说明书。
(4)在工厂验收期间,卖方应向买方参加试验的工作人员提供检查、测试和记录设备。
(5)买方参加工厂验收试验并不意味着解除卖方保证系统质量的责任,也不能代替设备到现场后的检查和测试。
(6)工厂验收在工厂试验的基础上进行,主要根据标书要求进行系统的功能和性能试验,以便确认:系统各项功能满足标书要求。
系统各项指标满足标书要求。
所有的硬件和软件缺陷已发现并改正。
各项切换功能满足标书要求。
系统各计算机的 CPU 和网络的负荷率满足标书要求。
所有的自诊断功能有效。
与调度的接口已实现。
系统的稳定性满足标书要求等。
工厂验收项目见5.4.3。
(7)完成所有工厂验收试验后,经买方参加工厂验收人员的认可后,设备可以装运至现场。
工厂验收所有费用应单独列出,并将作为总价格的一部分。
2.现场验收
通过工厂验收后,按照实际工程合同与技术协议要求,进行工程安装调试,并出具调试报告,用户确认调试报告后进行现场验收。
现场验收项目见5.4.3。
3.验收项目
注:●表示必做项目,○表示可选项目。
视频监控系统验收标准一、引言。
视频监控系统是现代社会安全防范的重要手段之一,其功能和性能的稳定性对于保障公共安全具有重要意义。
为了确保视频监控系统的正常运行和有效使用,制定视频监控系统验收标准是非常必要的。
二、验收标准。
1. 系统硬件设备。
视频监控系统的硬件设备包括摄像头、监控主机、存储设备等。
在验收时,需要检查这些硬件设备是否符合技术要求,包括分辨率、存储容量、传输速度等方面的指标是否达到要求。
2. 系统软件功能。
视频监控系统的软件功能包括监控画面清晰度、远程监控、报警功能等。
在验收时,需要检查系统的软件功能是否完备,是否能够满足实际使用需求。
3. 系统网络连接。
视频监控系统需要与网络相连,以实现远程监控和数据传输。
在验收时,需要检查系统的网络连接是否稳定,是否存在断连或延迟等问题。
4. 系统安全性能。
视频监控系统的安全性能对于防止被黑客攻击和数据泄露具有重要意义。
在验收时,需要检查系统的安全性能是否达标,是否存在漏洞和风险。
5. 系统运行稳定性。
视频监控系统的运行稳定性是其最基本的要求,需要在验收时对系统进行长时间运行测试,以确保系统在长时间运行中不会出现故障和异常。
6. 系统管理和维护。
视频监控系统的管理和维护是系统长期稳定运行的保障,需要在验收时检查系统的管理和维护功能是否完善,是否能够满足日常运维需求。
三、验收流程。
1. 提交验收申请。
申请方需要向验收方提交视频监控系统验收申请,包括系统的基本信息、硬件设备清单、软件功能清单等资料。
2. 确定验收时间和地点。
验收方收到申请后,需要与申请方商定验收时间和地点,并通知相关人员参与验收工作。
3. 进行系统验收。
在验收时间和地点,验收方对视频监控系统进行全面的检查和测试,包括硬件设备、软件功能、网络连接、安全性能、运行稳定性等方面的内容。
4. 形成验收报告。
验收方根据实际验收情况,形成视频监控系统验收报告,包括系统的优点、存在的问题和建议改进的内容。
监控工程验收及测试方案一、前言随着社会的发展和科技的进步,监控系统在各行各业中得到广泛应用,作为安全技术的重要组成部分,监控工程的质量关系到人们的生命财产安全和社会稳定。
因此,监控工程的验收及测试是非常重要的环节,本文将详细介绍监控工程的验收及测试方案。
二、监控工程验收指标1.设备性能指标:监控摄像头的分辨率、灵敏度、信噪比、色彩还原度等性能指标需要达到标准要求。
2.系统可靠性指标:监控系统需要保证设备的可靠性、稳定性、兼容性和扩展性。
3.监控系统覆盖范围:监控系统需要覆盖到各个需要监控的区域,确保监控全面。
4.数据存储和传输:监控系统需要保证数据的存储安全和传输稳定。
5.监控系统的合规性:监控系统需要符合相关法律法规和标准要求。
三、监控工程测试方案1.设备性能测试:(1)分辨率测试:利用专业的测试设备对监控摄像头的分辨率进行测试,确保其达到标准要求。
(2)色彩还原度测试:利用色差仪对监控摄像头的色彩还原度进行测试,确保色彩还原度达到标准要求。
(3)信噪比测试:利用专业测试仪器对监控摄像头的信噪比进行测试,确保其达到标准要求。
(4)灵敏度测试:通过对监控摄像头在不同光线条件下的拍摄结果进行测试,确保摄像头的灵敏度达到标准要求。
2.系统可靠性测试:(1)设备稳定性测试:对监控系统中的各个设备进行长时间稳定性测试,确保设备的可靠性。
(2)设备兼容性测试:对监控系统中不同设备的兼容性进行测试,确保各个设备的兼容性良好。
(3)系统扩展性测试:对监控系统进行扩展性测试,确保系统能够满足日后的扩展需求。
3.监控系统覆盖范围测试:(1)全面性测试:对监控系统的覆盖范围进行全面性测试,确保监控系统覆盖到各个需要监控的区域。
(2)监控视野测试:对监控摄像头的视野进行测试,确保摄像头能够覆盖到需要监控的区域。
4.数据存储和传输测试:(1)数据存储安全测试:对监控系统的数据存储设备进行安全性测试,确保数据存储安全可靠。
千里之行,始于足下。
监控系统检查、验收与维护标准监控系统检查、验收与维护标准一、概述监控系统是企业、机构、公共设施等各种场所中的重要设备,用于监控和记录四周环境的状况,保障平安和管理。
为了确保监控系统的正常运行和效果,需要进行定期的检查、验收和维护工作。
本文介绍监控系统的检查、验收和维护的标准和方法,旨在供应一个操作流程和指导,挂念保障监控系统的稳定性和牢靠性。
二、监控系统的检查1. 定期巡检:对监控系统的全部部件设备进行定期巡检,包括监控摄像头、监控主机、显示屏等。
巡检内容包括设备是否损坏、设备是否正常工作、设备与监控中心的连接是否稳定等。
2. 摄像头画面质量检查:对监控摄像头的画面质量进行检查,包括清楚度、颜色还原度、饱和度等。
假如发觉画面质量不符合要求,需要进行调整或更换设备。
3. 主机设备监测:对监控主机设备进行检查,包括硬盘空间、电源供电是否正常、网络连接是否稳定等。
假如发觉特别状况,需要准时进行处理和修复。
4. 数据存储检查:对监控系统的数据存储设备进行检查,包括硬盘、存储服务器等。
检查内容包括数据存储空间是否充分、存储设备是否正常工作等。
5. 系统软件检查:对监控系统的软件进行检查,包括系统更新、平安补丁安装等。
确保系统软件的平安和稳定性。
第1页/共3页锲而不舍,金石可镂。
三、监控系统的验收1. 确认设备安装位置和画面掩盖范围:验收时,需要确认监控设备的安装位置是否符合要求,画面的掩盖范围是否满足要求。
2. 确认设备连接状况:验收时,需要确认监控设备与监控中心的连接是否稳定,传输质量是否符合要求。
3. 验收监控画面质量:验收时,需要对监控画面的质量进行检查,确保清楚度、颜色平衡、对比度等符合要求。
4. 确认图像保存和备份功能:验收时,需要确认监控系统的图像保存和备份功能是否正常,可以正确保存和备份监控数据。
四、监控系统的维护1. 定期备份数据:为了避开数据丢失,需要定期对监控系统中的重要数据进行备份,保证数据的平安性和牢靠性。
监控系统验收标准监控系统是企业信息化建设中的重要组成部分,它可以实时监测和控制生产过程、设备运行状态和环境条件,为企业提供及时、准确的数据支持,帮助企业管理者做出科学决策。
监控系统的验收标准是评价监控系统是否能够满足使用要求的重要依据,下面将从硬件设备、软件系统、数据采集、报警功能、系统稳定性等方面进行详细介绍。
首先,硬件设备方面,监控系统的硬件设备应当符合国家相关标准,且能够满足实际生产环境的需求。
验收时需要检查硬件设备的安装位置、连接线路、供电情况等,确保硬件设备的正常运行。
其次,软件系统方面,监控系统的软件应当具备良好的用户界面和操作体验,能够满足用户的实际使用需求。
验收时需要对软件系统的功能模块、数据显示、报警设置等进行全面检查,确保软件系统的稳定性和可靠性。
再次,数据采集方面,监控系统应当能够准确、及时地采集生产过程中的各项数据,并能够对数据进行分析和处理。
验收时需要对数据采集设备的数据准确性、采集频率、数据传输等进行检查,确保数据采集的完整性和准确性。
此外,报警功能方面,监控系统应当能够及时发现生产过程中的异常情况,并能够通过各种方式进行报警提示。
验收时需要对监控系统的报警设置、报警响应速度等进行检查,确保报警功能的可靠性和有效性。
最后,系统稳定性方面,监控系统应当能够在长时间运行中保持稳定的性能和功能。
验收时需要对监控系统进行长时间的运行测试,确保系统在各种情况下都能够保持稳定的运行状态。
综上所述,监控系统的验收标准涉及硬件设备、软件系统、数据采集、报警功能、系统稳定性等多个方面,只有在这些方面都能够满足要求时,监控系统才能够通过验收。
希望企业在进行监控系统验收时,能够严格按照相关标准进行检查,确保监控系统的正常运行和稳定性,为企业的生产经营提供有力支持。
视频监控工程验收方案一、前言本文将详细介绍视频监控工程验收方案,包括验收目的、验收标准、验收程序和验收要求等内容,以确保视频监控工程的质量和效果。
二、验收目的该视频监控工程的验收目的是:1.验证视频监控工程的设计是否符合要求,满足实际使用需要。
2.确保视频监控设备的安装部署和布线工作符合规范和标准。
3.核对视频监控系统的功能和性能是否达到设计要求。
4.检查视频监控系统的操作和维护手册是否齐全,是否能够为用户提供相关的技术支持与培训。
三、验收标准1.设备安装和布线:视频监控设备的安装和布线必须符合相关的安装规范和标准,如无线设备的布局要合理、有线设备的布线要整洁。
2.设备性能和功能:视频监控设备应具备良好的画质和稳定的性能,能够实时监控和录像,具备远程访问的功能,并能够满足用户的实际需求。
3.视频监控系统的稳定性:视频监控系统应在测试期间保持稳定运行,不出现明显的故障和故障。
4.操作和维护手册:验收过程中要核对操作和维护手册的完整性和准确性,确保能给用户提供相关的技术支持与培训。
四、验收程序1.配置验收小组:由工程建设单位和监管单位的相关人员组成验收小组,确定验收日期。
2.准备材料:承建单位应准备相关的验收文件,包括设计文件、安装方案、操作和维护手册等。
3.现场验收:验收小组到达现场,检查设备的安装和布线情况,并进行设备的功能测试。
4.数据采集和分析:在实际使用环境下,对视频监控设备进行数据采集和分析,验证设备的性能和功能是否达到设计要求。
5.缺陷整改:如果在验收过程中发现问题和缺陷,承建单位需及时整改,并重新进行测试和验收。
6.验收报告:由验收小组编写验收报告,将验收结果和建议提交给工程建设单位和监管单位。
五、验收要求1.设备使用性:设备的使用界面应简单直观,易于操作。
2.视频画质:监控画面应清晰细腻,色彩真实。
3.存储和备份:系统应具备足够的存储容量,并能够及时备份重要数据。
4.报警功能:系统应具备报警功能,能够自动报警并进行相应的录像。
视频监控系统验收规范随着科技的不断发展,视频监控系统已成为现代化社会治理和安全保障的重要手段。
但是,在安装和使用视频监控系统时,不能忽视其验收工作。
本文将从验收意义、验收准备、验收标准、验收程序以及验收要点等方面来探讨视频监控系统验收规范。
一、验收意义视频监控系统的验收是测试系统正常运行和优化的过程,是确认系统能够完全达到设计要求并且符合安装标准的行为。
视频监控系统的良好运行,有赖于其安装质量的保障。
对系统进行全面的验收,不仅能够确保系统的稳定性、可靠性和安全性,还能对系统的使用者进行技能培训和相关宣传。
因此,验收视频监控系统对于维护公共安全和保护人民生命财产安全具有重要意义。
二、验收准备视频监控系统的验收需要进行充分的准备工作。
在有效评估前,必须了解所有相关方的需求和期望。
这需要与设备供应商,系统安装商和维护供应商进行沟通,并确定预算、交货时间、产品选择、可用性等因素。
同时还需要确定安装地点,制定完整的用户验收计划,并针对所安装的设备进行测试,开展测试准备工作。
三、验收标准验收标准是确认视频监控系统是否符合设计要求、技术标准和安装规范的条件。
一般来说,验收标准应该包括以下内容:1、系统硬件设备:硬盘、主设备、编解码器、网络存储设备、摄像头等。
2、系统软件:操作系统、管理软件、视频分析软件等。
3、系统功能:视频录制、回放、抓图、报警等功能。
4、系统健康状况:硬盘工作状态、电源使用情况和设备运行状态等。
四、验收程序验收程序是按照规定过程进行的系统验收步骤。
为确保验收过程的公正、公平和透明,必须对验收程序进行详细说明和约定,必须遵照验收计划严格执行,按照约定的要求进行测试,并及时记录检测结果。
具体程序包括:1、开展准备工作:确定验收计划、了解验收标准和确定验收指标。
2、检查硬件设备:检查系统所配备的硬件设备,确保配备齐全和符合技术规范。
3、检查系统软件:检查相关软件是否安装正确、配置正确和运作正常。
机房监控系统验收标准一、引言。
机房监控系统是保障数据中心正常运行的重要设备,对其验收标准的制定和执行对于保障数据中心的安全和稳定运行具有重要意义。
本文档旨在规范机房监控系统验收标准,确保系统的可靠性和稳定性。
二、验收标准的制定原则。
1. 合理性原则,验收标准必须符合机房监控系统的实际需求和技术规范,合理性是制定验收标准的首要原则。
2. 可操作性原则,验收标准必须具有可操作性,能够在实际操作中得到有效执行。
3. 完备性原则,验收标准必须全面、完备,覆盖机房监控系统的各个方面,确保系统的全面验收。
三、验收内容。
1. 设备完好性验收,对机房监控系统的各项设备进行检查,确保设备完好无损,无任何故障。
2. 系统功能验收,对机房监控系统的各项功能进行测试,包括实时监控、报警功能、数据存储和查询等,确保系统功能正常。
3. 数据准确性验收,对机房监控系统采集的数据进行核对,确保数据准确无误。
4. 安全性验收,对机房监控系统的安全性进行检查,包括系统的防护能力、权限控制等,确保系统的安全性。
5. 环境适应性验收,对机房监控系统在不同环境条件下的适应性进行测试,确保系统能够在各种环境条件下正常运行。
四、验收标准执行流程。
1. 制定验收计划,在机房监控系统安装前,需制定详细的验收计划,包括验收内容、验收标准、验收人员等。
2. 系统安装调试,对机房监控系统进行安装调试,确保系统能够正常运行。
3. 系统验收测试,按照验收计划对机房监控系统进行验收测试,对系统的各项功能进行全面测试。
4. 验收报告编制,根据验收测试结果编制验收报告,包括系统的各项指标、存在的问题及改进措施等。
5. 验收结果评定,验收人员根据验收报告对系统的验收结果进行评定,确定系统是否符合验收标准。
五、验收标准的执行要点。
1. 严格按照验收标准执行,不得随意更改验收内容和标准。
2. 对验收结果进行客观评定,不得出于私人利益偏颇评定结果。
3. 对存在的问题和不符合标准的地方,需及时提出改进措施,确保系统的完善和稳定运行。
监控系统验收规范监控系统验收规范一、引言本文档旨在规范监控系统的验收流程和标准,确保监控系统能够正常运行和达到既定的功能要求。
二、验收流程2.1 系统需求确认在开始验收之前,需与监控系统开发商就系统的功能和性能进行确认,并将确认结果记录下来。
确认内容包括但不限于系统功能、性能指标、用户需求等。
2.2 硬件设备验收2.2.1 检查设备完整性:对监控系统所涉及的硬件设备进行检查,确认其完整性,包括监控主机、摄像头、服务器等。
2.2.2 检查设备安装:对监控系统所涉及的硬件设备进行安装检查,确认其安装正确、牢固可靠,并符合相关安全要求。
2.2.3 检查设备连接:对监控系统所涉及的硬件设备进行连接检查,确保设备之间的连接稳定可靠。
2.3 软件系统验收2.3.1 安装软件:将监控系统的软件按照开发商提供的安装方法进行安装,确保软件安装正确并能正常运行。
2.3.2 功能测试:对监控系统的各项功能进行测试,包括但不限于视频监控、报警功能等。
确认系统功能正常,并记录测试结果。
2.3.3 性能测试:对监控系统的性能进行评估测试,包括但不限于系统响应时间、带宽占用等。
确保系统的性能能够满足需求,并记录测试结果。
2.3.4 兼容性测试:对监控系统与其他相关设备或系统的兼容性进行测试,确保监控系统与其他系统能够正常配合使用,并记录测试结果。
2.4 数据管理验收2.4.1 数据存储:确认监控系统中的数据存储方式和存储容量能够满足需求,确保数据能够有效地存储和管理。
2.4.2 数据备份与恢复:确认监控系统中的数据备份和恢复机制能够正常运行,确保数据能够及时备份并能够灵活地进行恢复。
2.4.3 数据安全性:确认监控系统中的数据安全性能够符合相关安全要求,包括但不限于数据加密、权限控制等。
三、验收标准3.1 系统功能:监控系统应能够正常运行,包括视频监控、报警功能等。
3.2 性能指标:监控系统应能够满足性能指标要求,包括但不限于系统响应时间、带宽占用等。
建筑安全监控系统验收标准评估安全监控系统的安装和运行的合格要求建筑安全是每个人关注的重点,为了确保建筑物内部的安全和预防事故的发生,建筑安全监控系统是必不可少的。
为了保证安全监控系统的正常运行和安装质量,必须对其进行验收,并依据一定的标准进行评估。
本文将介绍建筑安全监控系统验收标准以及评估安全监控系统的合格要求。
1. 验收标准1.1 系统完备性在进行验收时,首先要评估的是安全监控系统的完备性。
系统应包括以下基本设备和功能:1.1.1 摄像头和监控设备必须具备足够的摄像头布置,能够覆盖建筑物内的每个关键区域,确保全方位的监控。
监控设备应能够提供高清晰度的图像,确保清晰可见。
1.1.2 监控中心监控中心应配备必要的监视器和控制设备,以监控和控制所有的摄像头。
同时,监控中心应具备数据存储和备份功能,以便日后的回放和数据检索。
1.1.3 报警功能系统应具备报警功能,能够实时监测到异常情况,并通过声音或图像等方式进行警报。
报警设备应保证高灵敏度和低误报率。
1.1.4 网络连接安全监控系统应具备网络连接功能,方便远程监控和管理。
网络连接应稳定可靠,以确保数据传输的安全和实时性。
1.2 安全性能安全监控系统在验收时,还需要对其安全性能进行评估。
以下是几个需要重点考虑的要素:1.2.1 数据加密和访问控制安全监控系统应具备数据加密功能,确保传输过程中的数据安全。
同时,系统的访问控制应该严格,只有授权人员才能访问系统和观看视频。
1.2.2 防止干扰和破坏安全监控系统应具备防止干扰和破坏的能力,能够应对外部干扰和恶意破坏,保证系统的稳定运行。
1.2.3 系统可靠性系统在持续运行和应对突发情况方面应具备高可靠性。
例如,系统应具备备用电源和自动切换功能,以确保在停电等情况下系统的正常运行。
2. 合格要求2.1 安装要求安装人员必须具备相关的技术资质和经验,能够按照相关标准和规范进行安装。
安装要求包括以下几个方面:2.1.1 设备安装位置摄像头和监控设备的安装位置应合理,能够覆盖建筑物内的关键区域。
监控系统验收规范
一、一般规定
1、所有线路必须全程穿管或走线槽,不便于管或走线槽的部位应给采取适当的保护措施,并且布线要美观大
方、横平竖直、劳固结实。
2、直线管的管径利用率应为30%~40%,弯管的管径利用率应为20%~30%。
3、所布线路上存在局部干扰源,且不能满足最小净距离要求时,应采用钢管。
4、暗管必须弯曲敷设时,其路由长度应 < 15米,且该段内不得有S弯。
连续弯曲超过2 次时,应加装过
线盒。
所有转弯处均用弯管器完成,为标准的转弯半径。
不得采用国家明令禁止的三通四通等。
5、在暗管孔内不得有各种线缆接头。
6、电源线配线时,所用导线截面积应满足用电设备最大输出功率。
7、电线与暖气、热水、煤气管之间的平行距离不应小于300mm ,交叉距离不应小于100mm
8、穿入配管导线的接头应设在接线盒内,接头搭接牢固,用绝缘带包缠,应均匀紧密。
9、视频电缆到摄像机的预留长度不小于30CM。
二、主要材料质量要求
1 、分体设备、器材的规格、型号应符合设计要求及国家现行电器产品标准的有关规定。
2、设备器材包装应完好,材料外观不应有破损,附件、备件应齐全。
3、室外设备连接电缆时,必须从设备的下部进线。
4、金属电线保护管及接线盒外观不应有折扁和裂缝,管内应无毛刺,管口应平整。
5、通信系统使用的终端盒、接线盒与配电系统的开关、插座,选用与各设备相匹配的产品。
6、电源线配线时,所用导线截面积应满足用电设备的最大输出功率。
7、暗盒接线头留长30 厘米,所有线路应贴上标签,
8、穿线管与暗盒连接处,暗盒不许切割,须打开原有管孔,将穿线管穿出。
穿线管在暗盒中保留5 毫米。
9、暗线敷设必须配管。
10、电源线及插座与电视线、网络线、音视频线及插座的水平间距不应小于500mm。
11、穿入配管导线的接头应设在接线盒内,接头搭接应牢固,绝缘带包缠应均匀紧密。
12、线槽外观要求:横平竖直,大小均匀。
13、线槽线管的固定
①地面PVC管要求每间隔一米必须固定;
②槽PVC管要求每间隔两米必须固定;
③墙槽PVC管要求每间隔一米必须固定。
第二部分视频监控系统验收标准
一、系统的设备、部件、材料的选择应符合下列规定:
①应采用符合现行的国家和行业有关标准的定型产品;
②系统采用设备和部件的视频输入和输出阻抗以及电缆的特性阻抗均应为75Q。
③系统选用的各种配套设备的性能及技术要求应协调一致并与报价单一致。
④图象质量可按五级损伤制评定,图象质量不应低于4分;(具体见附表)
⑤图象水平清晰度黑白电视系统不应低于400线,彩色电视系统不应低于270线;
二、系统的设计方案应根据下列因素确定:
①、根据系统的技术和功能要求,确定系统组成及设备配置;
②、根据建筑平面或实地勘察,确定摄像机和其它设备的设置地点;
③、根据监视目标和环境的条件,确定摄像机类型及防护措施;
④、根据摄像机分布及环境条件,确定传输电缆的线路路由。
三、摄像机的设置位置、摄像方向及照明条件应符合下列规定:
1摄像机宜安装在监视目标附近不易受外界损伤的地方,安装位置不应影响现场设备
运行和人员正常活动。
安装的高度,室内宜距地面 2.5〜5m室外宜距地面3.5〜10m
2、电梯厢内的摄像机应安装在电梯厢顶部、电梯操作器的对角处,并应能监视电梯厢内全景。
3、摄像机镜头应避免强光直射,保证摄像管靶面不受损伤。
镜头视场内,不得有遮挡监视目标的物体。
4、摄像机镜头应从光源方向对准监视目标,并应避免逆光安装
工程验收:
各工程项目验收合格后,方可交付使用。
当验收不合格时,应由设计、施工单位返修直到合格后,再行验收。
系统的工程验收应包括下列四方面内容:
A、系统工程的施工质量;
B系统质量的主观评价;
C系统质量的客观测试;
D图纸、资料的移交。
具体竣工验收文件包括:
在系统的工程竣工验收前,施工单位应按下列内容编制竣工验收文件一式二份交建设单位,其中一份由建设单位签收盖章后,退还施工单位存档。
①工程说明;
②综合系统图;
③线槽、管道布线图;
⑤设备连接系统图;
⑦设备器材一览表;
⑧主观评价表;
⑨客观测试表;
⑩施工质量验收记录。
竣工验收文件应保证质量,做到内容齐全,标记详细,缮写清楚,数据准确,互相对应。
系统工程验收合格后,验收小组应签署验收证书。
验收证书的格式宜符合本规范的规定下面是具体的验收检查方式
一、系统的工程质量
1
2、为应对隐蔽工程进行随工验收,凡经过检验合格的办理验收签证,在进行竣工验收时,可不再进行检验。
二、系统的质量主观评价
1图象质量的主观评价可采用五级损伤制评定;五级损伤制评分分级应符合下表的规定
2、图象质量的主观评价项目应按表下面的规定
主观评价项目
系统质量的主观评价方法和要求应符合下列规定:
①主观评价应在摄像机标准照度下进行。
②主观评价应采用符合国家标准的监视器.黑白电视监视器的水平清晰度应高于400线;彩色电视监视器的水平清晰度应高于270线。
③观看距离应为荧光屏面高度的6倍,光线柔和。
④评价人员不应少于五名,并应包括专业人员和非专业人员。
⑤评价人员应独立评价打分,取算术平均值为评价结果。
⑥各主观评价项目的得分值均不应低于4分。
三、系统的质量客观测试
1系统的质量客观测试应在摄像机标准照度下进行,测试所用的仪器应有计量合格证书。
2、系统清晰度、灰度可用综合测试卡进行抽测,抽查数不宜小于10%其指标应符合本规范第2.1.6条的规定。
3、当对主观评价的分级有争议时,可用仪器对系统的随机信噪比及各种信号的干扰进行测试。
4、对系统的各项功能应进行检测,其功能指标应符合设计要求。
对工程商的功能检测按表1-1进行。
四、工程验收单格式如表1-2进行
摄像头系统功能检测表
硬盘录像机功能检测表
矩阵功能检测表
控制台、机架和系统主机能检测表
电缆铺设和系统接地功能检测表
电视墙图像质量系统功能检测表
工艺装配无表面处理
工程验收单。