申请表填写须知【模板】
- 格式:docx
- 大小:17.73 KB
- 文档页数:1
尊敬的评审委员会:您好!在此,我谨向贵委员会提交我的申请书,并就填表过程中的一些注意事项进行详细说明,以期望能够得到您的理解和协助。
一、填写目的本次填表旨在全面、准确地反映我的个人情况、学术背景、工作经历、项目计划等信息,以便贵委员会对我的申请进行综合评估。
请您在填写过程中,务必确保信息的真实性和完整性。
二、填写要求1. 请认真阅读填表说明,了解各栏目填写内容的要求。
2. 仔细填写个人信息,包括姓名、性别、出生年月、身份证号码等,确保信息准确无误。
3. 学历、学位信息:请按照实际学历、学位填写,如有特殊情况,请在备注栏内说明。
4. 工作经历:请按照时间顺序填写,包括工作单位、职务、工作时间等。
如有中断,请在备注栏内说明原因。
5. 项目计划:请详细阐述项目背景、目标、内容、实施方案、预期成果等,力求清晰、具体。
6. 获奖情况:请如实填写个人及团队获得的奖项,包括国家级、省级、市级等。
7. 附件材料:请按照要求准备相关附件,如个人简历、学历证书、获奖证书等。
三、注意事项1. 填写过程中,请注意字迹工整、清晰,避免错别字、涂改等情况。
2. 如有特殊情况,请在备注栏内说明,以便评审委员会了解。
3. 请确保填写内容的真实性和完整性,如有虚报、伪造等行为,将承担相应责任。
4. 填写完成后,请仔细核对信息,确保无误后提交。
四、提交方式1. 请将填写完整的申请书电子版发送至指定邮箱。
2. 如有疑问,请及时与联系人联系。
感谢您在百忙之中抽出时间阅读此说明,期待您的关注与支持。
祝您工作顺利,身体健康!此致敬礼!申请人:(签名)日期:年月日。
一、申请表(样表)_样本尊敬的申请人:1. 基本信息:姓名:请填写您的全名,包括姓氏和名字。
性别:请选择您的性别,例如:男/女。
出生日期:请填写您的出生日期,格式为:年月日。
身份证号码:请填写您的身份证号码,确保号码准确无误。
联系电话:请填写您的联系电话,确保号码准确无误。
电子邮箱:请填写您的电子邮箱地址,确保邮箱地址准确无误。
2. 教育背景:最高学历:请填写您的最高学历,例如:本科、硕士、博士等。
毕业院校:请填写您毕业的院校名称。
专业:请填写您的专业名称。
毕业时间:请填写您的毕业时间,格式为:年月。
3. 工作经历:公司名称:请填写您曾经工作过的公司名称。
职位:请填写您在该公司担任的职位。
工作时间:请填写您在该公司的起始和结束时间,格式为:年月。
工作职责:请简要描述您在该职位上的主要工作职责。
4. 个人技能:语言能力:请填写您掌握的语言种类及熟练程度,例如:英语(CET6)、日语(N1)等。
计算机技能:请填写您掌握的计算机技能,例如:熟练使用Microsoft Office、Photoshop等。
其他技能:请填写您具备的其他技能,例如:沟通能力、团队协作能力等。
5. 申请职位:职位名称:请填写您所申请的职位名称。
职位要求:请简要描述该职位的主要要求,例如:工作经验、技能要求等。
职位待遇:请简要描述该职位的待遇,例如:薪资范围、福利待遇等。
6. 其他信息:自我评价:请简要描述您的个人特点、优势和职业规划。
附件:请附上您的个人简历、学历证书、身份证复印件等材料。
祝您申请顺利![机构名称][日期]一、申请表(样表)_样本尊敬的申请人:7. 个人兴趣与爱好:兴趣爱好:请简要描述您的兴趣爱好,例如:阅读、运动、音乐等。
社交活动:请简要描述您参与的社交活动,例如:志愿者工作、社团活动等。
8. 个人荣誉与奖项:荣誉奖项:请简要描述您获得的荣誉和奖项,例如:学术竞赛获奖、优秀员工等。
相关证书:请简要描述您获得的相关证书,例如:专业资格证书、语言等级证书等。
员工外出培训申请表
年月日
注:外出培训人员须在培训前填写本申请表经审批后交于人资备案。
员工外出培训要求与须知
一、外出培训员工须按时参加培训,全面完成培训期间的内容,并取得相应的(合格、专业、结业、毕业)证书。
二、在培训期间培训人员须将培训心得分享到学校工作群,并在当月教研会上做分享。
三、外出前行政中心将分配一名人员为领队,领队负责培训过程中的监管,交通票据的收集,与行政中心沟通联系等工作。
四、培训人员在培训期间必须服从领队指挥,否则发生的安全事故责任自负。
五、住宿费用及餐补标准:一线城市每人每天100元;二、三线城市每人每天80元。
六、交通费标准:报销往返长途交通费(飞机、火车、汽车)及适度公交车费。
学位申请信息表填写须知各有关学院与人员:学位信息表所采集的信息将用于学位证书的印制、网上查询和历史存档,与每位学位申请人的权益紧密相关。
请各相关学院及人员务必高度重视,严格按照如下要求填报、采集和汇总:一、申请答辩人员向申请答辩所在学院提交学位申请材料时,须同时下载、填写并提交“申请学位信息表(学生用)”(电子版)和制证照片、电子照片。
二、“申请学位信息表”由申请人自行按照自身类别(学历博士、同等学力博士、学历硕士、专业学位硕士<含有学历的法律硕士、无学历的法律硕士、工商管理硕士、公共管理硕士>、高校教师硕士、同等学力硕士)选择下载并按如下要求填写:(1)填写时不得改变表的结构与字段,根据表内的“填写说明”在“填写栏”中认真填写或正确选择。
(2)所有数据项中数字均使用半角字符填报。
(3)身份证件类型和身份证件号码以参加入学考试时注册的为准,不得擅自变动:①内地身份证:中国大陆人士(除现役军人外)一律填写中华人民共和国居民身份证证件,证件号码为15位或18位。
②军人证件:中华人民共和国现役军人(含武装警察、军校学员)填写军人证件。
证件号码须以汉字开头,如“参字第********号”、“海字第140832号”、“武总字第017523号”等。
③港澳台身份证件:港澳人士填写“港澳居民来往内地通行证”,台湾人士填写“台湾居民来往大陆通行证”。
④华侨身份证:海外华侨填写其持有的华侨身份证,无华侨身份证者在证件号码字段中填写中国护照号码。
⑤外籍护照:外籍人员填写外籍护照号码。
(4)前置学位学历信息中,获得学位的学位授予单位或毕业院校,如因合并、更名等原因使原名称或代码发生改变的,请填写最新的名称对应代码;因专业目录调整、境外学位等原因,获得学位的专业名称在专业代码库中无法找到对应代码的,选择相似专业的代码填写。
(5)表格填写完成后,选择“另存为”,并以如下格式为文件命名保存:“申请人类别-姓名-证件号码”,例如“学历硕士-张王赵-****************”。
用心用情品质文档
精品行业资料,仅供参考,需要可下载并修改后使用!
《工作申请表》填写须知
1、初试编号请填写签到登记号码。
2、申请职务可填写一个或多个,以第一申请职务为主;希望得到
的待遇依据个人意愿如实填写。
3、个人资料栏中各项须如实详细填写。
为保证您的联系方便,联
系地址请详细填写,联系电话可填写多个,并注明电话所有者
与您本人的关系。
如有不具备项目,不能为空,请填“无”或
“/”。
4、受教育经历栏,请填写您的最高学历情况,学业程度须注明。
5、其他技能条件栏,计算机使用及能否到外地出差情况请在相关
项前打“√”;特长情况可根据实际情况详细填写,如不存在,
请填“无”。
6、工作经历栏请根据工作情况如实填写,单位名称、年限、职务、
待遇、离职原因、联系电话、证明人各项均为必填项目。
7、社会关系栏请填写您的直系亲属情况。
8、档案存放地、社会保险情况均需填写清楚。
9、请注明填表情况及填写日期。
人力资源部
7月16日
01/1。
附件1
水利工程质量检测单位资质等级申请表
申请单位:(盖章)
申请专业:
填表日期:
填表须知
一、本表应使用计算机打印。
二、本表第一至第九部分由申请单位如实逐项填写,如遇没有的项目请填写“无”。
三、本表一律用中文填写,数字均使用阿拉伯数字。
四、本表在填写时如需加页,可自行添加A4型纸。
一、检测单位法定代表人声明
二、检测单位基本情况
三、技术负责人基本情况
四、水利工程质量检测员一览表
五、主要试验检测仪器、设备清单
六、检测能力一览表
六、检测能力一览表
(表内所填为举例内容,请申请单位根据实际情况填写)。
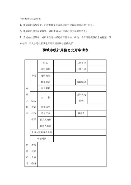
申请表填写注意事项
1、申请表应填写完整,对没有联系方式或联系方式有误的信息恕不回复。
2、申请表内容应真实有效,同时申请人对申请材料的真实性负责。
3、为提高处理效率,对所需信息的描述应尽量详细、明确,若有可能提供信息的标题、发布时间、发文字号或者其他有助于明确该信息的提示。
聊城市统计局信息公开申请表
申请人信息公民
姓名工作单位
证件名称证件号码
通信地址
联系电话邮政编码
电子邮箱
法人
或者
其他
组织
名称
组织机构
代码营业执照
法人代表联系人
联系人电话
联系人邮箱
申请人签名或者盖章
申请时间
所需信息所需信息内容描述
情
况
选填部分
所需信息的信息索引
号
所需信息的用途
是否申请减免费用
信息的指定提供方
式
获取信息方式
□ 申请。
请提供相关证明□ 不
(仅限公民申请) □ 纸面
□ 电子邮件
□ 光盘
□ 磁盘
(可多选)
□ 邮寄
□ 快递
□ 电子邮件
□ 传真
□ 自行领取/当场阅读、抄录
(可多选)
□ 若本机关无法按照指定方式提供所需信息,也可接受其他方式。
“检验申请表”填写要求本表适用于申请人(单位)向中国食品药品检定研究院(以下简称:中检院)提出“注册检验、监督检验、进口检验、委托检验、合同检验”的申请事项。
其中提出“生物制品批签发”、“复验”需按国家食品药品监督管理局相关法规要求,另外填写相对应的检验用申请表单。
检验申请表中“样品信息”、“申请检验信息”、“单位信息”由委托单位填写,其内容应与送检样品标签标示及送检资料内容一致,并加盖委托单位公章确认.“检验任务合同评审”部分由中国食品药品检定研究院相关部门填写。
各项填写具体要求及说明如下:一、Web申报校验码委托单位从我院外网在线提交检验申请时自动获得Web申报校验码。
二、样品信息1.类别判断并选择样品的类别:A保健食品;B化妆品; C食品(包括食品原料、半成品及成品;食品添加剂;与食品相关的其他产品);D药品(包括化学药品、生物制品及中药);E毒种/菌种;F细胞;G医疗器械;H药包材(指直接接触药品的包装材料);I药用辅料;J实验动物及相关产品(如动物血清);K环境设施(包括实验动物环境设施/医疗器械环境设施);L其他(上述类别之外的产品)。
2。
样品中文名称系指待检样品标识的中文名称,须与样品标签的中文名称一致。
实验动物品种名称、环境设施名称、毒种、菌种、细胞、血清、血浆等名称也须在此处填写。
3.样品外文名称系指样品标示的外文名称,须与样品标签的英文名一致。
进口样品必须填写此项。
4.商品名系指样品的商品名称,须与样品标签的商品名一致。
5.生产国家/ 产地系指样品生产单位所在的国家或城市.中药材填写产地。
6.批准文号系指样品获准上市或进口的批准文件号,须与样品标签或说明书中的批准文号一致.7。
剂型/型号药品及保健食品一般填写剂型;部分医疗器械要求填写型号,例如光机电类医疗器械。
其他送检样品根据其特性,可填写如原料、原液、辅料、包材、药材等。
8.规格系指样品规格或产品规格.须与样品标签标示规格一致。
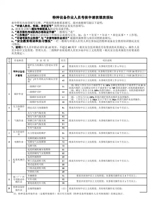
特种设备作业人员考核申请表填表须知
表中所有内容须填写完整,严格按照表格要求填写。
现对表格填写做以下说明:
1、“申请人姓名、性别、身份证号”按照身份证真实内容填写;
2、联系电话填写通知考核联系人固定电话或手机。
3、“是否委托考试机构办理取证手续”一般填写“是”
4、“工作简历”根据自己的实际工作情况认真填写完全。
如:自﹡﹡年至﹡﹡年在﹡﹡单位从事﹡﹡工作等;
5、“申请考核作业种类”与“申请考核作业项目”根据所报种类与项目对照附表填写;
6、“安全教育培训和实习情况”一栏一般填写申请人在用人单位参加过的特种设备安全教育培训情况及实习情况;
7、说明报考人员年龄必须年满18周岁,不超过60周岁(相关安全技术规范另有要求的从其规定);操作人员至少初中文化程度,管理人员、二级锅炉水质处理人员至少高中以上文化程度(相关安全技术规范另有要求的从其规定)。
递交《人员需求申请表》须知一、《招聘管理制度》中的规定1.编制内招聘:各部门及分公司因员工转岗、任免、离职等异动行为造成岗位空缺,或组织架构范围内的岗位空缺,如此类填补空缺岗位的招聘称为编制内招聘;编制内招聘程序:用人部门填写《人员需求申请表》交人力资源部招聘负责人,各分公司上交至各分公司行政人事部,由各分公司行政人事部汇总后上交总部招聘负责人,由总部招聘负责人审核并统一汇总后上交总部人力资源部经理审批。
总部人力资源部于用人部门或分公司行政人事部上交《人员需求申请表》后三个工作日内给予审批结果回复。
2.编制外招聘:各部门及分公司需招聘组织架构范围外的岗位员工,称为编制外招聘。
编制外招聘程序:总部用人部门填写《人员需求申请表》并递交详细的人员增编说明交总部人力资源部招聘负责人,由总部招聘负责人审核并统一汇总后上交总部人力资源部经理审核,人力资源部经理审核通过后报总经理审批;分公司用人部门填写《人员需求申请表》并递交详细的人员增编说明交分公司行政人事部审核,由分公司行政人事部汇总上报至总部招聘负责人审核,由总部招聘负责人统一汇总后上交总部人力资源部经理审核,人力资源部经理审核通过后报总经理审批。
人力资源部于用人部门上交《人员需求申请表》后五个工作日内给予审批结果回复。
3.按各地区目前的招聘市场分析,同时为了保障不影响各部门工作的顺利开展,各部门应提前提交《人员需求申请表》,各岗位具体招聘周期如下:需大批量招聘人员(一次性需求量在30人及以上),或在11月到次年1月招聘淡季期间,具体招聘周期如下:4.总部或分公司任何中心(部门)若未向人力资源部递交《人员需求申请表》,未经总部人力资源部审批而行使的招聘工作,视为无效招聘,不能办理入职。
5.为避免因招聘岗位要求、职责等硬性条件填写不清晰造成招聘周期延长、人力资源部推荐人员不符合用人部门需求等现象,用人部门提交《人员需求申请表》时,应将需招聘岗位的职位名称、需求人数、招聘岗位任职要求(年龄、性别、学历、工作经验、技能需求、岗位职责等)填写清晰后提交人力资源部。
应聘者《求职申请表》填写须知非常欢迎您参加此次面试,为保证公司对您的全面了解和客观的评价,请您配合填写求职申请表,公司将对您的信息严格保密,该表填写内容及要求如下:
1、求职申请表封面:除编号可不填写外其它均需填写;
2、个人基本信息页面:个人基本情况、家庭情况、教育培训和社会经
历
等内容,要求能够尽量填写的内容全部填写,具体要求如下:
第一栏至第六栏均需填写,邮箱可填写qq邮箱,户籍地址请填写到门牌号码;
技术职称或资格,如有证件需填写,如没有可不做要求;
教育及工作经历需分阶段如实填写,对工作经历证明人的电话需提供,如在职状态单位请备注;
家庭成员、个人专长、薪酬期望栏需简单描述填写。
3、个人简历及业绩页面:对自己的教育经历或工作经历按时间前后分
阶段简单描述业绩或相关情况即可。
再次感谢您的配合,祝您面试顺利,创远期待优秀的您加入,谢谢。
湖南创远投资集团有限公司
行政人事部
二O一三年七月。
各类申请表填写要求与说明一)、申请表打印要求:1.《附件1 华南农业大学学生及其家庭情况调查表》与《附件2 华南农业大学家庭经济困难学生认定申请表》需打印在同一张纸的正反面上;2.《华南农业大学学生缓交学费、住宿费申请表》需打印在同一张纸的正反面上;3.《华南农业大学学生暂缓注册申请表》单独打印。
二)、各类申请需提供申请表说明:a、只申请困难登记的同学只需填写《附件1 华南农业大学学生及其家庭情况调查表》及《附件2 华南农业大学家庭经济困难学生认定申请表》,1份;b、需要申请缓交学费、住宿费但不需要贷款的同学须提供《附件1 华南农业大学学生及其家庭情况调查表》、《附件2 华南农业大学家庭经济困难学生认定申请表》(1份)、《华南农业大学学生缓交学费、住宿费申请表》(1份)及《华南农业大学学生暂缓注册申请表》(1份),并提供家庭困难证明材料一份。
c、申请国家助学贷款的同学须提供《附件1 华南农业大学学生及其家庭情况调查表》、《附件2 华南农业大学家庭经济困难学生认定申请表》(1份)、《华南农业大学学生缓交学费、住宿费申请表》(1份)、《华南农业大学学生暂缓注册申请表》(1份)及《国家助学贷款申请审批表》(一式双份,由学院提供,不能自行打印)。
d、需填写《华南农业大学学生缓交学费、住宿费申请表》的必须提供家庭困难证明,只需申请缓交的同学可用《附件1 华南农业大学学生及其家庭情况调查表》复印件作为证明材料或另外提供证明材料原件,需贷款的同学可用《附件1 华南农业大学学生及其家庭情况调查表》复印件或《国家助学贷款申请审批表》中“家庭经济困难证明”一页复印件作为证明材料,也可以另外提供证明材料。
e、所有申请表及需提供资料(包括信息填写和盖章及需提供的复印件)需在暑假期间准备好,新学年开学初上交。
三)、各类申请表填写要求:(说明:所有申请表必须用黑色签字笔或黑色水笔填写,不能用蓝色圆珠笔填写,需填写信息的不能留空,注明暂不用填的除外)1、《附件1 华南农业大学学生及其家庭情况调查表》1)“政治面貌”一栏,填“中共党员”、“中共预备党员”、“共青团员”或“群众”。
查新申请表填写须知1.查新目的(1)立项(包括申报各级、各类科技计划);(2)成果(包括成果鉴定和成果奖励);(3)专利二次开发;(4)其他(请详细注明为何目的)。
2.查新项目的科学技术要点查新项目的“科学技术要点”应充分反映出查新项目的概貌,简述项目的背景技术、要解决的技术问题、解决技术问题所采用的方案、主要技术特征、技术参数或指标、应用范围等相关技术内容。
(切忌与主要技术内容无关的空泛叙述以及修饰性、广告性宣传用语。
)对各种目的的查新,从写法上要有所侧重:(1)立项查新应概述项目的国内外背景,拟研究的主要科学技术内容,要研究解决哪些问题,达到的具体目标(指标)和水平。
(2)项目鉴定类查新应简略说明项目的研究背景,介绍项目的主要科学技术特征,已完成项目与现有同类研究、技术、工艺相比所具有的新颖性所在,主要创新点,体现项目科学技术水平的数据和量化指标。
(3)科学研究类项目应简要地说明项目所在领域的背景,发展趋势,阐明研究的意义,学术水平、主要创新和优点。
(4)专利申报项目应阐明项目的主要技术特征或权项范围,与现有(专利)技术的比较,突出项目的创新内容。
(5)开发类项目(产品、技术)应简述其用途、功能,介绍能反映其技术水平的主要工艺(技术组合)、成分、性能指标等数据,与国内外同类产品的参数对比,项目已达到的规模(小试、中试、工业化生产)及效益。
(6)申报科技成果奖励项目应说明项目的国内外背景,基本原理和技术指标,与同类研究相比项目达到的水平,产生的经济效益和社会效益,推广应用前景。
3.查新点与查新要求查新点是技术要点中要求查证新颖性的部分,即体现该项目新颖性的全部技术创新点。
查新点一般从技术要点中提取,或者是技术要点中技术关键的全部,但不要把查新项目中的一般性技术特征列为查新点。
查新点是查新人员拟定检索词和制定检索策略以至对比分析和判断新颖性的依据,写法上要精练明确,条理清楚。
委托人有多个新颖性查证要求的项目,要逐条列出,以便作查新结论时对照,分别针对每一个查新点作新颖性结论。
申请表填写须知
1、姓名:与身份证一致
2、姓名拼音:姓与名之间以空格分开,wang haiyun
3、预算单位编码:******
4、联系人资料:亲属或同事
5、其他转账功能:指从公务卡对外转账,填“否”,不允许
6、申请人签名不能涂改;其他信息填错了可以用横线划掉,并在其上方写上正确的。
7、各部门、各单位领了多少张申请表,一定要还回多少张,包括空白表和因签名有错误作废的表。
请经办人或办公室主任帮助查收身份证复印件+申请表,核对申请表信息(与身份证信息一致),并据此补充修订各单位名单,上述工作完成后,请将身份证复印件+申请表+名单交到计财处407室或408室,名单电子版发到邮箱:(******)。
谢谢!。