工业园区突发环境事件风险评估程序
- 格式:docx
- 大小:103.57 KB
- 文档页数:1
工业园风险评估与应对方案工业园数字化对人才的需求也提出了新的挑战。
需要培养掌握信息技术和工业知识的复合型人才,能够参与到园区数字化转型过程中。
如何有效地管理和利用好这些人才也是一个关键问题。
工业园数字化对于企业和整个产业链的发展具有重要意义。
它可以提高生产效率和产品质量,优化供应链管理,推动产业升级和转型,降低环境影响。
通过数字化技术和工具的应用,可以实现企业的智能化和可持续发展,为经济增长和社会进步做出贡献。
因此,在当前数字化浪潮的推动下,工业园数字化已经成为企业发展的必然选择和重要战略方向。
数字化可以提升工业园区的交通管理水平。
通过引入智能交通信号灯和车辆管理系统,可以实现对园区内交通流量和车辆行驶轨迹的实时监控和调度。
利用数据分析和优化算法,可以提高交通流量的运行效率,减少拥堵和碰撞事故的发生。
工业园数字化可以促进园区产业结构的升级和优化。
通过引入先进的信息技术和智能制造技术,可以推动传统产业向高端化、智能化转型,培育新兴产业和创新企业。
数字化转型还可以加快传统产业的转型升级,提高产业竞争力。
数字化工业园可以促进企业的技术创新和管理创新,推动企业从传统制造向智能制造的转型升级。
通过引入先进的数字化技术和工具,可以提高企业的竞争力和核心竞争力,实现可持续发展。
本文内容信息来源于公开渠道,对文中内容的准确性、完整性、及时性或可靠性不作任何保证。
本文内容仅供参考与学习交流使用,不构成相关领域的建议和依据。
一、工业园数字化意义(一)提高生产效率1、通过数字化技术和数据分析,可以实现对生产过程的全面监控和管理,实时获取设备运行状态和生产数据,从而及时进行调整和优化,提高生产效率。
2、数字化工业园可以通过智能化的生产设备和自动化系统,减少人力成本,提高生产效率和产能利用率。
例如,自动化的物流系统可以提高物料和产品的运输效率,降低人为错误和损失。
3、数字化工业园还可以通过精细化管理和预测性维护,减少设备故障和停机时间,提高设备的可靠性和稳定性,进一步提升生产效率。
环境风险评估和应急预案1. 环境风险评估环境风险评估是对潜在环境风险进行全面的评估和分析,以确定环境风险的范围、程度和可能产生的影响。
它是保护环境、预防环境污染和减少环境灾害的重要手段。
1.1 风险评估步骤环境风险评估通常包括以下步骤:(1)确定评估目标:明确评估的目的和范围,明确评估的目标和评估标准。
(2)收集数据:收集与环境风险相关的数据和资料。
(3)风险辨识:通过对数据的分析和整理,辨识可能存在的环境风险,并进行分类和定级。
(4)风险评估:对已辨识出的风险进行定量或定性评估,确定其概率和可能造成的损害。
(5)风险管理:根据评估结果确定相应的风险管理策略和措施,制定相应的监测和管理计划。
1.2 风险评估方法(1)定性评估法:主要依靠专家经验和判断,对环境风险进行分类和定级。
它常用于对风险的初步评估和快速风险筛选。
(2)定量评估法:基于科学数据和模型,运用数学方法对环境风险进行定量计算和分析。
它对风险的量化和精细化评估提供了较为准确的结果。
2. 应急预案应急预案是为应对突发环境事件或事故而提前制定的具体方案,以最大程度地减少环境损害和人员伤亡,并恢复环境的正常状态。
它是保障公众安全和环境保护的重要手段。
2.1 预案编制要素(1)事件识别和报告:明确事件的识别标准和报告程序,确保事件能够及时被发现和报告。
(2)预警和警示:建立预警机制,通过媒体、公告等方式及时发布预警信息,提醒公众注意和采取应对措施。
(3)组织协调和指挥:明确责任单位和责任人员,建立组织协调机制和指挥系统,确保应急工作的高效进行。
(4)应急资源准备:确保应急资源的充足准备和及时使用,包括人员、物资、设备等。
(5)人员培训和演练:定期组织人员培训和应急演练,提高应急响应能力和应对能力。
(6)社会参与和沟通:加强与公众和相关利益方的沟通与合作,提高应急救援的协同效应。
2.2 应急预案修订和完善应急预案是动态的,需要根据实际情况进行修订和完善。
突发环境事件应急预案、环境风险评估报告突发环境事件应急预案与环境风险评估报告一、引言随着我国经济的快速发展,工业化和城市化进程加快,环境问题日益凸显。
突发环境事件不仅对生态环境造成严重破坏,还可能对人民群众的生命财产安全造成威胁。
因此,制定突发环境事件应急预案和环境风险评估报告,提高应对突发环境事件的能力,具有重要的现实意义。
二、突发环境事件应急预案1.定义与分类突发环境事件应急预案是指在突发环境事件发生时,为迅速、有序地开展应急救援和处置工作,降低事故损失而预先制定的具体行动计划。
根据突发环境事件的性质、规模和影响范围,可分为自然灾害类、事故灾难类、公共卫生类和社会安全类。
2.应急预案编制原则(1)以人为本:确保人民群众生命安全,最大限度地减少人员伤亡和财产损失。
(2)预防为主:强化风险防控,降低突发环境事件发生的可能性。
(3)统一领导:明确各部门职责,形成协同高效的应急指挥体系。
(4)分级负责:根据事件等级,明确各级政府和相关部门的应急响应职责。
(5)快速反应:建立健全预警机制,提高应急响应速度。
(6)科学应对:充分利用科技手段,提高应急管理的科学化水平。
3.应急预案主要内容(1)组织体系:明确应急指挥部、应急办公室、现场指挥部等组织架构及职责。
(2)预警与监测:建立健全突发环境事件预警体系,加强环境监测。
(3)应急响应:根据事件等级,启动相应的应急响应措施。
(4)救援与处置:组织专业救援队伍,采取有效措施进行现场处置。
(5)信息发布与舆论引导:及时发布权威信息,引导舆论正确导向。
(6)后期处置:开展事故调查,总结经验教训,完善应急预案。
三、环境风险评估报告1.定义与作用环境风险评估报告是对某一区域内可能发生的突发环境事件进行预测、分析和评估,以确定事件发生的可能性和后果严重程度,为环境风险管理提供科学依据。
2.环境风险评估内容(1)风险识别:识别可能导致突发环境事件的风险因素。
(2)风险分析:分析风险因素发生的概率、频率和后果。
区域性突发环境事件风险评价方法区域性突发环境事件的原因比较多,需要政府和企业共同努力,对环境风险进行有效控制,并提出具体的应急措施。
同时,也要将区域环境污染突发事件应急处置方案落实到位,对突发环境污染应急机制进行完善,提高企业和政府对区域性突发环境事件的风险应对能力。
标签:区域性;突发环境事件;风险评价;方法doi:10.19311/ki.16723198.2016.20.1081前言突发环境事件是指提前不能够被预见,突然发生,且人员伤亡和财产损失比较严重的环境问题。
它影响了国家的社会稳定和政治安全。
我国针对突发环境事件的评价起步比较晚,地方性突发环境事件防范工作落实不到位,信息报告和反馈层面存在严重缺失,环境应急监测效果不佳,使突发环境污染事件防控中面临诸多问题。
政府和相关部门要加大对区域性突发环境污染事件监控力度,对区域环境污染进行良好的应对。
2区域性突发环境事件风险评价方法2.1风险源分析(1)危险化学物品环境风险。
以某地区为例,危险化学品的使用数量比较大。
大部分单位已经具备环境事件应急预案,但是其很多预案已经过时,不能够满足当前突发环境事件预防问题,与环保部门也没有构建良性的互动沟通关系。
(2)水体污染环境风险。
该风险源主要是医疗废水或含一类污染物废水排放。
很多医疗机构在污水排放过程中,不注重对废水进行处理,使污水管网中存在大量病原体,导致突发环境事件。
部分电镀废水设施处于非正常运行状态,使得污水管网或直排水体的重金属污染比较严重。
(3)危险废物污染环境风险。
该风险源主要是未按正确规程对危险废物进行处置,向水体倾倒生活垃圾,或排放泄露,对水体和环境造成严重污染。
(4)大气污染环境风险。
大气污染环境风险来源主要是危险化学品爆炸和废气污染物。
(5)放射源污染环境风险。
放射源污染环境风险主要是由放射源和射线装置的射线泄露或丢失导致的。
2.2风险受体分析区域性突发环境事件的受体主要包括人群保护目标、敏感性生态受体保护目标和社会经济保护目标,其直接关系到区域发展过程中的人员、财产及生态环境安全问题。
(工业园区)环境污染事故应急预案工业园区环境污染事故应急预案一、前言随着工业化进程的加快,工业园区在经济发展中扮演着越来越重要的角色。
然而,工业园区的发展也伴随着环境污染问题。
为了确保工业园区的环境安全,降低环境污染事故的发生概率和影响范围,特制定本应急预案。
二、预案目的1. 建立健全工业园区环境污染事故应急机制,提高应对突发环境污染事故的能力;2. 规范应急处置程序,降低环境污染事故对人民群众、生态环境和社会经济的影响;3. 加强应急队伍建设,提高应急队伍的专业素质和应急能力。
三、预案适用范围本预案适用于工业园区内发生的各类环境污染事故的应急处置工作。
四、组织体系与职责1. 应急指挥部:负责组织、指挥、协调园区内的环境污染事故应急工作;2. 应急救援组:负责现场的抢险、救援、清理等工作;3. 信息报告组:负责向上级主管部门报告事故情况;4. 技术专家组:负责提供技术支持和专业指导;5. 后勤保障组:负责提供物资、设备等后勤保障;6. 调查评估组:负责事故原因调查、评估和责任追究。
五、预警与监测1. 建立完善的环境监测网络,定期对工业园区内的大气、水、土壤等环境质量进行监测;2. 建立预警机制,对监测到的异常数据进行分析,发现可能的环境污染事故风险时,及时向应急指挥部报告;3. 对重点行业、重点企业进行重点监测,确保环境污染事故的风险得到有效控制。
六、应急响应与处置1. 发现环境污染事故时,立即启动应急预案,成立应急指挥部;2. 应急指挥部根据事故性质、程度和影响范围,迅速制定应急处置方案,并组织实施;3. 应急救援组迅速赶赴现场进行抢险救援,确保人员安全和生命财产安全;4. 信息报告组及时向上级主管部门报告事故情况,请求支援;5. 技术专家组提供技术支持和专业指导,协助应急指挥部制定科学合理的应急处置方案;6. 后勤保障组提供物资、设备等后勤保障,确保应急处置工作的顺利进行;7. 调查评估组负责事故原因调查、评估和责任追究。
一、摘要本报告针对园区环境应急预案进行风险评估,通过对园区环境风险源、风险等级、风险影响等方面的分析,评估应急预案的合理性和有效性,为园区环境风险管理提供科学依据。
二、园区环境风险源分析1. 工业生产风险:园区内企业涉及多种生产工艺,可能产生有害物质排放,如废气、废水、固体废物等。
2. 设施设备风险:园区内设备老化、损坏等问题可能导致泄漏、火灾、爆炸等事故。
3. 交通运输风险:园区内车辆、船舶等交通运输活动可能产生交通事故,导致环境污染。
4. 自然灾害风险:园区可能遭受地震、洪水、台风等自然灾害的影响。
三、风险等级评估根据园区环境风险源分析,将风险等级分为以下三个等级:1. 高风险:可能对园区及周边环境造成严重污染,影响居民健康。
2. 中风险:可能对园区及周边环境造成一定污染,影响居民生活。
3. 低风险:对园区及周边环境影响较小。
四、风险影响评估1. 环境影响:可能导致土壤、水体、大气污染,影响生态环境。
2. 社会影响:可能导致居民健康受损,影响园区内企业正常生产。
3. 经济影响:可能导致园区经济损失,影响园区可持续发展。
五、应急预案评估1. 预案编制依据:依据国家相关法律法规、标准规范,结合园区实际情况编制应急预案。
2. 预案内容:包括应急组织指挥体系、应急响应措施、应急物资储备、应急演练等。
3. 预案有效性:通过模拟演练、风险评估等方法,验证预案的有效性。
六、结论1. 园区环境风险较高,需加强风险管理。
2. 应急预案编制合理,内容完善,具备一定应对能力。
3. 建议进一步完善应急预案,提高园区环境风险应对能力。
七、建议1. 加强园区环境风险监测,及时发现并消除隐患。
2. 定期开展应急演练,提高园区内企业和居民的应急意识。
3. 加强与周边地区的环境信息共享,共同应对突发环境事件。
4. 建立健全园区环境应急管理体系,提高园区环境风险应对能力。
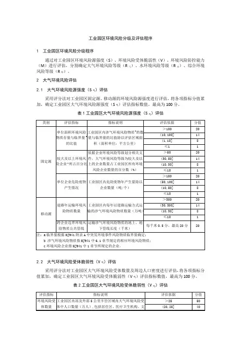
工业园区环境风险分级及评估程序1 工业园区环境风险分级程序通过对工业园区环境风险源强度(S)、环境风险受体脆弱性(V)、环境风险防控能力(M)进行评估,分别确定大气环境风险等级(R气)、水环境风险等级(R水)、综合环境风险等级(R综)。
2 大气环境风险评估2.1 大气环境风险源强度(S气)评估采用评分法对工业园区固定源、移动源的环境风险源强度进行评估,将各项指标分值累加,确定工业园区大气环境风险源强度(S气)评估指标数值,最高为100分。
表1工业园区大气环境风险源强度(S气)评估2.2 大气环境风险受体脆弱性(V气)评估采用评分法对工业园区大气环境风险受体数量及周边人口密度进行评估,将各项指标分值累加,确定工业园区大气环境风险受体脆弱性(V气)评估指标数值,最高为100分。
表2工业园区大气环境风险受体脆弱性(V气)评估2.3 大气环境风险防控能力(M气)评估采用评分法对工业园区及区内企业大气环境风险防控能力进行评估,将各项指标分值累加,确定工业园区大气环境风险防控能力(M气)评估指标数值,最高为100分。
表3工业园区大气环境风险防控能力(M气)评估3 水环境风险评估3.1 水环境风险源强度(S水)评估采用评分法对工业园区水环境固定源、移动源的环境风险源强度进行评估,将各项指标分值累加,确定工业园区水环境风险源强度(S水)评估指标数值,最高为100分。
表4工业园区水环境风险源强度(S水)评估表4 工业园区水环境风险源强度(S水)评估(续)3.2 水环境风险受体脆弱性(V水)评估采用评分法对工业园区水环境风险受体数量及水网密度进行评估,将各项指标分值累加,确定工业园区水环境风险受体脆弱性(V水)评估指标数值,最高为100分。
表5水环境风险受体脆弱性(V水)评估3.3 水环境风险防控能力(M水)评估采用评分法对工业园区及区内企业水环境风险防控能力进行评估,将各项指标分值累加,确定工业园区水环境风险防控能力(M水)指标数值,最高为100分。
某企业突发环境事件应急预案及风险评估范本某企业突发环境事件应急预案及风险评估一、背景某企业致力于生产与销售电子产品,在生产过程中,可能会面临一些突发性的环境事件,例如:火灾、地震等。
这些事件可能会对企业生产带来巨大的影响,甚至影响到企业的正常运营。
因此,制定一份应对突发环境事件的应急预案和风险评估十分必要。
二、风险评估企业生产过程中可能会面临以下的环境事件风险:1. 火灾风险企业生产过程中使用的电子产品可能会引发火灾,导致设施和生产设备损坏,影响生产过程与运营,甚至危害员工安全。
2. 地震风险企业位于地震多发地区,可能会面临地震风险,导致设施损坏,员工安全受到威胁。
3. 突发气候事件企业位于气象灾害多发地区,如台风、暴雨等可能导致周围水域、交通工具受到影响,企业供应链中断;或者公司区域内受到灾害影响,设施和员工遭受损害。
4. 环境污染问题如果企业的生产过程中,没有严格的环境保护措施,可能会造成环境污染的问题,危及到员工的健康和公众利益。
5. 其他突发事件如业务合作伙伴或者竞争对手进行的恶意行为,信息泄露、网络攻击等也有可能危害企业的运营。
以上是企业可能会面临到的风险,为了应对这些突发事件,我们需要制定一份应急预案。
三、应急预案1. 应急预案的目的为了提高企业的应对突发事件的能力,及时处理可能出现的问题,保证员工和生产设施的安全,确保企业顺利运营。
2. 应急响应流程在面对突发事件时,企业应及时响应事件,立即免除危险,包括进行紧急修复、从有危险区域疏散员工及获得合理的支援和帮助等等。
3. 职责分工在应急预案中,需要清楚明确那些人具有决策权,如何联系相关部门,及时组织人员赶赴现场,对事件进行处理等等。
4. 防范措施为了减少企业遭受突发事件带来的损失,我们建议通过以下措施来减轻这些环境风险:a. 执行常识性措施,包括灭火、应急疏散演练,及员工应急响应教育等等。
b. 提高环保措施,实现企业的绿色化生产过程,这样可避免部分环境风险。
企业突发环境事件风险评估指南企业突发环境事件风险评估指南一、引言突发环境事件,如自然灾害、事故等,可能对企业造成重大损失和影响。
为了有效应对突发环境事件,企业需要进行风险评估,并制定相应的应急措施。
本指南旨在向企业提供一套系统的突发环境事件风险评估指导,帮助企业评估风险并采取必要的措施以降低损失。
二、风险评估步骤1. 确定评估目标:明确评估的目的和范围,以确定需要进行风险评估的具体内容。
2. 收集数据:收集与企业所处地区及行业相关的数据和信息,包括历史灾害数据、地质地理数据、气象信息、环境监测数据等。
3. 识别潜在风险:分析已收集的数据,识别出潜在的突发环境事件,如地震、洪水、火灾等,并评估其可能性和影响范围。
4. 评估风险程度:根据潜在风险的可能性和影响程度,对各项风险进行定量或定性评估,确定风险的严重程度。
5. 制定应急措施:根据评估结果,制定相应的应急措施,包括组织架构、应急预案、培训计划等,并确保其与企业现有管理体系相衔接。
6. 实施应急措施:根据应急预案,组织相关人员进行应急演练,提高应对突发环境事件的能力。
7. 定期复审:定期对风险评估和应急措施进行复审,及时调整和改进措施,以应对环境变化和新的风险。
三、评估指标和工具1. 可能性指标:包括历史发生频率、地质地理条件、气象条件等,可以采用统计数据、专家评估或数学模型等进行评估。
2. 影响程度指标:包括人员伤亡、环境污染、设施损害等,可以采用定量评估或定性评估方法进行评估。
3. 风险等级划分标准:根据可能性和影响程度的评估结果,确定风险等级划分标准,一般可以分为高、中、低三个等级。
4. 评估工具:可以采用多种评估工具,如风险矩阵分析、层次分析法、事件树分析等,根据具体情况选择合适的工具进行评估。
四、应急措施制定1. 组织架构:明确应急管理部门及相关人员的职责和权责,建立健全的应急管理组织架构。
2. 应急预案:制定详细的应急预案,包括应急响应程序、预警机制、资源调配、沟通联络等内容。
突发环境事件应急预案、环境风险评估报告一、突发环境事件应急预案随着技术的发展和经济的快速增长,突发环境事件的频率和严重程度也在不断加剧。
因此,认真制定和执行突发环境事件应急预案是非常重要的。
1. 应急预案编制单位及范围应急预案编制单位是市或县级以上环保部门或者相关地方政府。
应急预案适用于各类突发环境事件,包括重污染、化工事故、火泥爆炸、气体泄漏、大面积霾天气等。
应急预案的执行涉及到广泛的社会群体,包括企业、政府、居民、救援和监管机构。
2. 应急预案的内容(1)应急响应等级和指挥体系在应急预案中,应该确定不同等级的突发环境事件所对应的应急响应等级和应急响应指挥体系。
应急响应等级主要分为一级、二级、三级三个等级,不同等级的响应具有相应的要求和责任人。
应急响应指挥体系应包括区、市、县级带头领导和各级应急指挥机构。
(2)应急救援方案应急救援方案主要针对突发环境事件对公共安全和环境保护所造成的严重危害。
主要包括事故现场的控制、人员伤亡救助、污染物处理和废弃物处理方案等。
(3)应急人员和应急设备调度方案应急人员和应急设备调度方案是应急预案中比较重要的组成部分。
这些调度方案应该包括人员的招募和培训、设备的检修和更新、应急物资的准备和调配以及应急演练等内容。
(4)应急预警信息发布和应急响应措施公告在突发环境事件发生时,应急预警信息的发布是非常关键的。
应急预案应该明确发布内容、发布途径和发布频次。
此外,应急响应措施公告应该包括应急响应等级、应急响应事项和责任单位等。
二、环境风险评估报告环境风险评估报告是指为了推动某项工程或活动,对其可能带来的环境风险并采取相应的防范措施而进行的评估报告。
1.评估对象及意义评估对象包括工业、农业、建筑施工等不同类型的项目,目的是为了评估项目的环境风险,确定保护环境的措施。
环境风险评估报告有利于保持环境质量,保护生态系统,防止环境事故。
2.评估过程环境评估分为预评估、初步评估、详细评估、环境影响报告书等不同环节。
工业生产安全事故风险评估与应急处置方案一、引言近年来,工业生产安全事故频发,给社会稳定和民众生命财产安全带来巨大威胁。
为了从源头上减少事故发生的概率,并能及时有效地应对事故,本文将重点介绍工业生产安全事故风险评估与应急处置方案。
二、工业生产安全事故风险评估1. 定义与目的工业生产安全事故风险评估是指对工业生产过程中可能发生的事故以及造成的潜在风险进行系统评估和分析的过程,旨在识别潜在的事故风险并采取相应的防范措施。
2. 评估流程(1)收集数据:收集与生产过程相关的各项数据,包括设备信息、工艺流程、操作规程等。
(2)风险辨识:通过专家咨询、风险矩阵等方法,识别可能导致事故的因素和活动。
(3)风险分析:对辨识出的风险进行定量或定性分析,确定其发生概率和危害程度。
(4)风险评估:根据风险分析结果,评估每种风险的重要性和紧急性。
(5)制定控制策略:根据评估结果确定防范措施和控制策略。
(6)制订应急预案:结合评估结果,制定相应的应急预案,明确应急响应流程和责任划分。
三、应急处置方案1. 紧急避险措施(1)保护人员安全:工作人员在发生事故时应立即停止操作,避免靠近事故现场,尽可能远离危险源。
(2)报警与通知:对于发生的事故应立即向相关部门报警并通知上级领导,确保信息及时传达。
(3)危险区域的隔离:对发生事故的区域进行隔离,防止事故蔓延,并采取相应的警示措施。
2. 事故的初期控制(1)尽快切断事故源:采取相应的措施停止事故源,例如关闭阀门、切断电源等。
(2)同时控制事故扩散:通过灭火、排放有毒气体等措施,避免事故蔓延。
3. 事故的后期处理(1)伤员救治:对伤员迅速进行救治,并及时转送医院。
(2)事故原因分析:对事故原因进行调查,查明事故发生的原因和责任。
(3)设备修复与检查:对事故造成的设备损坏进行修复,并进行全面检查,确保设备安全可靠。
(4)事故记录与报告:对事故的详细情况进行记录和报告,以便事后总结经验教训。
环境风险评估和应急预案在当今现代社会,环境问题日益凸显,各类环境风险对人类自身和自然生态系统造成的潜在威胁也越来越引起广泛关注。
因此,进行环境风险评估和制定相应的应急预案显得尤为重要。
本文将介绍环境风险评估的概念和流程,并探讨如何制定有效的应急预案来应对环境风险。
一、环境风险评估环境风险评估是一种系统的方法,用于确定特定活动或项目对环境可能产生的潜在负面影响。
它旨在识别潜在风险,评估其严重程度,并提供改善建议。
环境风险评估的过程通常包括以下几个主要步骤:1.收集数据:收集与特定活动或项目相关的环境数据,例如空气质量、水质情况、土壤类型等。
2.识别风险:根据数据和相关信息,识别可能产生的环境风险,如水污染、土壤污染、空气污染等。
3.评估严重程度:对所识别的环境风险进行评估,确定其严重程度和可能的影响范围。
4.风险管理:制定合理的风险管理措施,以减少或消除环境风险的可能性和严重程度。
通过进行环境风险评估,我们可以更好地了解特定活动或项目对环境的影响,从而采取适当的措施,保护环境并减少潜在的负面影响。
二、应急预案的制定应急预案是在发生环境事故或突发事件时,为了应对风险和保护人员、财产和环境而预先制定的一套行动计划。
有效的应急预案能够提前确定应对措施,最大限度地减少潜在的损失。
以下是应急预案制定过程的一般步骤:1.风险评估:基于环境风险评估的结果,识别可能的应急情况和潜在危害,为预案制定提供依据。
2.行动程序:确定应急响应的程序和具体行动步骤,包括通知相关人员、启动应急设备、组织人员撤离等。
3.资源准备:明确必要的资源和设备,如急救用品、防护装备、油污清洁剂等,确保在应急情况下的充分供应。
4.培训演习:定期组织模拟演习,提高相关人员的应急响应能力和协同配合能力。
通过制定有效的应急预案,能够在事故或突发事件发生时,保障及时、有序的应对措施,并最大程度地减少损失。
结论环境风险评估和应急预案对于保护环境、预防事故和减少损失具有重要意义。
工业园区突发环境事件应急预案(IS014001-2015/IS045001-2018)1. 0适用范围本导则规定了工业园区突发环境事件应急预案(以下简称应急预案)编制的基本要求,使工业园区能够依据法律、法规和其他相关要求,在强化园区风险管理,有效降低突发环境事件发生概率的前提下,建立健全园区环境应急管理体系,规定环境应急响应措施,对突发环境事件作出有序响应,及时组织有效救援,最大限度减少事件造成的损失。
本导则适用于涉及环境风险源的工业园区,包括:分布有向环境排放污染物的单位,生产、贮存、经营、使用、运输危险物质的单位以及产生、收集、贮存、利用、处置危险废物等单位的工业园区。
本导则不适用于分布有存在生物安全事故和辐射安全事故风险单位的工业园区。
2.0园区环境应急救援的方针、原则环境应急救援必须坚持“安全第一、预防为主、全员动手、综合治理、改善环境、保护健康、科学管理、持续发展”的方针,体现以人为本、求实求严的思想,切实加强应急管理,以最快的速度、最大的效能有序地实施救援,最大限度减少人员伤亡、财产损失和对外环境的影响,把事件危害降到最低,维护园区内外企业(或事业)单位及周边居民的安全和稳定。
组织实施环境应急救援活动的基本原则为:集中管理、统一指挥、规范运行、标准操作、快速反应、救援高效。
3.0规范性引用文件应;(4)检查、监督园区及园区内各企业(或事业)单位应急救援指挥机构和突发环境事件应急救援队伍的组建,依据园区条件和可能发生的突发环境事件类型, 建立(或依托)专业救援队伍,包括通讯联络队、抢险抢修队、侦检抢修队、医疗救护队、应急消防队、治安队、物资供应队和环境应急监测队等;明确环境应急时各级人员和各专业救援队伍的具体职责和任务,以便发生突发环境事件时,快速、有序、高效地开展应急救援行动;(5)负责园区应急设施(备)(如堵漏器材、围堰、环境应急池、应急监测仪器、防护器材、救援器材和应急交通工具等)的建设,以及应急救援物资,特别是处理泄漏物、消解和吸收污染物的化学品物资(如活性炭、木屑和石灰等)的储备;检查、监督园区内各企业(或事业)单位应急救援设施(备)的日常维护和应急物资的储备;(6)负责筹建并维护园区突发环境事件应急指挥中心专家咨询系统,建立专家名单及联系方式,并保持正常交流;在事件发生时组织专家开展应急救援咨询工作。
突发环境事件应急处置阶段污染损害评估工作程序规定第一条为规范突发环境事件应急处置阶段污染损害评估工作,及时确定事件级别,保障人民生命财产和生态环境安全,依据《中华人民共和国突发事件应对法》、《中华人民共和国环境保护法》、《国家突发环境事件应急预案》等法律法规和有关规范性文件,制定本规定。
第二条本规定所称突发环境事件应急处置阶段污染损害评估(以下简称污染损害评估),是指对突发环境事件应急处置期间造成的直接经济损失进行量化,评估其损害数额的活动。
直接经济损失包括人身损害、财产损害、应急处置费用以及应急处置阶段可以确定的其他直接经济损失。
第三条县级以上环境保护主管部门按照同级人民政府应对突发环境事件的安排部署,组织开展的污染损害评估工作适用本规定。
第四条县级以上环境保护主管部门应当遵循分级负责、及时反应、科学严谨、公正公开的原则,组织开展污染损害评估工作。
有关单位和个人应当积极配合开展污染损害评估工作。
第五条污染损害评估所依据的环境监测报告及其他书证、物证、视听资料、当事人陈述、鉴定意见、调查笔录、调查表等有关材料应当符合相关规定。
第六条县级以上环境保护主管部门应当在突发环境事件发生后及时开展污染损害评估前期工作,并在应急处置工作结束后及时制定评估工作方案,组织开展污染损害评估工作。
第七条对于初步认定为特别重大和重大、较大、一般突发环境事件的,分别由所在地省级、地市级、县级环境保护主管部门组织开展污染损害评估工作。
对于初步认定为一般突发环境事件的,可以不开展污染损害评估工作。
跨行政区域突发环境事件的污染损害评估,由相关地方环境保护主管部门协调解决。
第八条县级以上环境保护主管部门可以委托有关司法鉴定机构或者环境污染损害鉴定评估机构开展污染损害评估工作,编制评估报告,并组织专家对评估报告进行技术审核。
第九条污染损害评估应当于应急处置工作结束后30个工作日内完成。
情况特别复杂的,经省级环境保护主管部门批准,可以延长30个工作日。