上海交大18春网络技术基础大作业
- 格式:doc
- 大小:36.50 KB
- 文档页数:10
打开素材文件“操作作业素材.doc”,完成下列题目,参考样张在最后。
1、对下文按照要求完成下列操作。
◆将文中所有错词“款待”替换为“宽带”;将标题段文字(“宽带发展面临路径选择”)设置为三号黑体、红色、加粗、居中并添加文字蓝色底纹,段后间距设置为 16 磅。
◆将正文第一第二段文字(“近来,……难得的历史机会。
”)设置为五号仿宋,各段落左右各缩进 1 厘米,首行缩进 0.8 厘米,行距为 2 倍行距,段前间距 9 磅。
◆将正文第二段(“中国出现宽带接入热潮,……一个难得的历史机会。
”)分为等宽的两栏,栏宽为 7 厘米。
◆第一段首字下沉,下沉行数为 2,距正文 0.2 厘米。
设置第三段格式为:首行缩进两个汉字、五号字、隶书、左对齐,定义此段格式样式为“自定义正文”。
◆添加红色单实线页面边框。
◆在第三段首插入任意剪贴画,设置环绕方式“四周型”,靠左对齐。
◆给此文档加上页眉页脚,页眉中的文字为“宽带发展”,小五号字,居中,页脚中插入页码,包括“第几页,共几页”信息,居中。
◆设置页面为A4;页边距上下为2.3厘米、左右为2厘米。
◆将文档所提供的5行文字转换成一个5行4列的表格,再将表格设置文字对齐方式为底端对齐、水平对齐方式为居中对齐。
◆将表格中字体设置成宋体、5号,设置表格对齐方式为水平居中。
◆在表格的最后增加一列,列标题为“平均成绩”,计算各考生的平均成绩并插入相应单元格内,再将表格中的内容按“数学”成绩的递减次序进行排序。
并将最后一列设置成红色底纹填充。
◆表格内边框设置成1磅单实线,外框设置为1.5磅双实线。
设置列宽为2厘米。
3、将以上内容完成后保存为“word 作业.DOC”文件,上传。
款待发展面临路径选择近来,款待投资热日渐升温,有一种说法认为,目前中国款待热潮已经到来,如果发展符合规律,“中国有可能做到款待革命第一”。
但是很多专家认为,款待接入存在瓶颈,内容提供少得可怜,仍然制约着款待的推进和发展,其真正的赢利方式以及不同运营商之间的利益分配比例,都有待于进一步的探讨和实践。
------------------------------------------------------------------------------------------------------------------------------ (单选题) 1: ( )属于半双工通信。
A: 无线电广播B: 对讲机C: 电话机D: 电视正确答案:(单选题) 2: 国际标准化组织的英文缩写为()A: ITUB: ISOC: OSID: ANSI正确答案:(单选题) 3: VLAN 的一组节点可以位于不同网段上____A: 正确B: 错误正确答案:(单选题) 4: 阻抗为50欧姆的粗缆RG-8或RG-11用于()A: 广域网B: 粗缆以太C: 细缆以太网D: 以上都不是正确答案:(单选题) 5: ( )网卡适用于台式计算机连网。
A: 标准Ethenet网卡B: 便携式网卡C: PCMCIA网卡D: 以上都是正确答案:(单选题) 6: TCP/IP模型的最低层是____。
A: 网络接口层B: 网际层C: 传输层D: 应用层正确答案:(单选题) 7: 以太网交换机是工作在OSI参考模型中的()上的设备A: 网络层B: 物理层C: 数据链路层D: 传输层正确答案:(单选题) 8: 以服务器为中心对计算模式是以____对能力作为外设对延伸A: 客户机B: 服务器------------------------------------------------------------------------------------------------------------------------------ C: 浏览器D: 以上都不是正确答案:(单选题) 9: ( )主要应用于共享共同对应用。
数据和打印机。
A: 以大型机为中心B: 以服务器为中心C: 客户机/服务器D: 浏览器/服务器正确答案:(单选题) 10: ____类地址一般分为具有中等规模主机数的网络用户A: AB: BC: CD: DE: E正确答案:(单选题) 11: 1974年最早推出的SNA适用于()的面向终端的计算机网络A: 集中式B: 分布式C: 对等网正确答案:(单选题) 12: ( )是最早的局域网。
------------------------------------------------------------------------------------------------------------------------------ (单选题) 1: 10BASE-T使用下列哪种线缆?A: 粗同轴电缆B: 细同轴电缆C: 双绞线D: 光纤正确答案:(单选题) 2: 下列哪一个选项按照顺序包括了OSI模型的七个层次()。
A: 物理层数据链路层网络层传输层会话层表示层应用层B: 网络层传输层物理层数据链路层会话层表示层应用层C: 物理层数据链路层传输层网络层会话层表示层应用层D: 物理层数据链路层会话层网络层传输层表示层应用层正确答案:(单选题) 3: 在OSI/RM中,一个层N与它之上的N+1层的关系是什么?A: 第N层为第N+1层提供服务B: 第N+1层把从第N接收的信息添一个报头C: 第N层使用第N+1层提供的服务D: 第N层与第N+1层相互没有影响正确答案:(单选题) 4: 控制相邻两个结点间链路上的流量的工作在()完成。
A: 链路层B: 物理层C: 网络层D: 运输层正确答案:(单选题) 5: ARP协议的主要功能是()。
A: 将IP地址解析为物理地址B: 将物理地址解析为IP地址C: 将主机名解析为IP地址D: 将解析IP地址为主机名正确答案:(单选题) 6: TCP通信建立在连接的基础上,TCP连接的建立要使用()次握手的过程。
A: 2B: 3C: 4D: 5正确答案:(单选题) 7: 1100BASE-FX中的多模光纤最长的传输距离为()。
A: 500mB: 1kmC: 2kmD: 40km正确答案:(单选题) 8: 文件传输协议是()上的协议。
------------------------------------------------------------------------------------------------------------------------------ A: 网络层B: 运输层C: 应有层D: 物理层正确答案:(单选题) 9: 网络的配置主要是安装和配置()。
计算机应用基础(一)a.b.c.d.反馈正确答案是:极大的通用性题目2正确获得1分中的1分标记题目题干微型计算机的微处理器芯片上集成了____。
选择一项:a. CPU和ROMb. 控制器和运算器c. 控制器和RAMd. 运算器和I\O接口反馈正确答案是:控制器和运算器题目3正确获得1分中的1分标记题目题干人们经常利用计算机多媒体技术,对讲解的内容进行形象、直观的描述,以达到更好的表达效果。
这属于计算机应用中的______。
选择一项:a. 辅助设计b. 飞机导航c. 建筑物安全检测d. 文字处理反馈正确答案是:辅助设计题目4不正确获得1分中的0分标记题目题干计算机最重要的特点是______。
选择一项:a. 有记忆能力b. 可靠性与可用性c. 存储程序与自动控制d. 高速度与高精度反馈正确答案是:存储程序与自动控制题目5正确获得1分中的1分标记题目题干各种计算机中,字符的ASCII码不完全相同。
但是对英文26个字母而言,其大写字母与小写字母的序号的相对位置是不变的。
下面的说法正确的是______。
选择一项:a. 大写字母A的序号紧跟在小写字母a的序号后面b. 小写字母a的序号比写大字母A的序号小32c. 大写字母A的序号比小写字母a的序号小32d. 小写字母a的序号紧跟在大写字母A的序号后面反馈正确答案是:大写字母A的序号比小写字母a的序号小32 题目6正确获得1分中的1分标记题目题干SRAM存储器,汉语译为______。
选择一项:a. 静态随机存储器b. 动态只读存储器c. 动态随机存储器d. 静态只读存储器反馈正确答案是:静态随机存储器题目7正确获得1分中的1分标记题目题干在图形用户界面的操作系统中,最常使用的设备是______。
选择一项:a. 鼠标b. 麦克风c. 打印机d. 扫描仪反馈正确答案是:鼠标题目8正确获得1分中的1分标记题目题干按照传送的信息对总线分类,不包括______。
选择一项:a. 地址总线b. 数据总线c. 系统总线d. 控制总线反馈正确答案是:系统总线题目9正确获得1分中的1分标记题目题干"ASCII码",用来将字符转换为二进制数。
满分第六章:计算机网络基础41、关于网络协议,下列哪些选项是正确的()。
A、是网民们签订的合同B、协议,简单的说就是为了网络信息传递,共同遵守的约定C、TCP/IP协议只能用于Internet,不能用于局域网D、拔号网络对应的协议是IPX/SPX42、下列说法中哪个是正确的?A、网络中的计算机资源主要指服务器、路由器、通信线路与用户计算机B、网络中的计算机资源主要指计算机操作系统、数据库与应用软件C、网络中的计算机资源主要指计算机硬件、软件、数据D、网络中的计算机资源主要指Web服务器、数据库服务器与文件服务器43、合法的IP地址是()。
A、202∶196∶112∶50B、202、196、112、50C、202,196,112,50D、202. 196. 112. 5044、在Internet中,主机的IP地址与域名的关系是()。
A、IP地址是域名中部分信息的表示B、域名是IP地址中部分信息的表示C、IP地址和域名是等价的D、IP地址和域名分别表达不同含义45、计算机网络最突出的优点是()。
A、运算速度快B、连网的计算机能够相互共享资源C、计算精度高D、内存容量大46、提供不可靠传输的运输层协议是()。
A、TCPB、IPC、UDPD、PPP。
47、关于Internet,下列说法不正确的是()。
A、Internet是全球性的国际网络B、Internet起源于美国C、通过Internet可以实现资源共享D、Internet不存在网络安全问题48、当前我国的()主要以科研和教育为目的,从事非经营性的活动。
A、金桥信息网(GBNET)B、中国公用计算机网(CHINANET)C、中科院网络(CSTNET)D、中国教育和科研网(CERNET)49、传输控制协议/网际协议即(),属工业标准协议,是因特网采用的主要协议。
A、TelnetB、TCP/IPC、HTTPD、FTP50、配置TCP/IP参数的操作主要包括三个方面:()、指定网关和域名服务器地址。
计算机应用基础(一)a.b.c.d.反馈正确答案是:极大的通用性题目2正确获得1分中的1分标记题目题干微型计算机的微处理器芯片上集成了____。
选择一项:a. CPU和ROMb. 控制器和运算器c. 控制器和RAMd. 运算器和I\O接口反馈正确答案是:控制器和运算器题目3正确获得1分中的1分标记题目题干人们经常利用计算机多媒体技术,对讲解的内容进行形象、直观的描述,以达到更好的表达效果。
这属于计算机应用中的______。
选择一项:a. 辅助设计b. 飞机导航c. 建筑物安全检测d. 文字处理反馈正确答案是:辅助设计题目4不正确获得1分中的0分标记题目题干计算机最重要的特点是______。
选择一项:a. 有记忆能力b. 可靠性与可用性c. 存储程序与自动控制d. 高速度与高精度反馈正确答案是:存储程序与自动控制题目5正确获得1分中的1分标记题目题干各种计算机中,字符的ASCII码不完全相同。
但是对英文26个字母而言,其大写字母与小写字母的序号的相对位置是不变的。
下面的说法正确的是______。
选择一项:a. 大写字母A的序号紧跟在小写字母a的序号后面b. 小写字母a的序号比写大字母A的序号小32c. 大写字母A的序号比小写字母a的序号小32d. 小写字母a的序号紧跟在大写字母A的序号后面反馈正确答案是:大写字母A的序号比小写字母a的序号小32 题目6正确获得1分中的1分标记题目题干SRAM存储器,汉语译为______。
选择一项:a. 静态随机存储器b. 动态只读存储器c. 动态随机存储器d. 静态只读存储器反馈正确答案是:静态随机存储器题目7正确获得1分中的1分标记题目题干在图形用户界面的操作系统中,最常使用的设备是______。
选择一项:a. 鼠标b. 麦克风c. 打印机d. 扫描仪反馈正确答案是:鼠标题目8正确获得1分中的1分标记题目题干按照传送的信息对总线分类,不包括______。
选择一项:a. 地址总线b. 数据总线c. 系统总线d. 控制总线反馈正确答案是:系统总线题目9正确获得1分中的1分标记题目题干"ASCII码",用来将字符转换为二进制数。
大工18秋《计算机网络技术》在线作业123满分答案网络协议是通信双方必须遵守的预先约定好的规则。
一个网络协议由语法、语义和同步三部分组成。
数据链路层的任务是在两个相邻节点间的线路上无差错地传送以帧为单位的数据。
在物理层上所传数据的单位是比特。
一座大楼内的一个计算机网络系统属于局域网。
世界上第一个计算机网络是ARPANET。
在OSI模型中,物理层存在四个特性。
其中,通信媒体的参数和特性方面的内容属于机械特性。
半双工通信是指通信的双方都可以发送信息,但不能同时发送(也不能同时接收)。
即一方发送另一方接收,过一段时间后再反过来。
在同一信道上的同一时刻,能够进行双向数据传送的通信方式为全双工通信。
HDLC的帧格式中,帧校验序列字段占16个比特。
HDLC是高级数据链路控制的缩写。
局域网的英文缩写为LAN。
数据通信的交换方式分为电路交换和分组交换。
五层协议的原理体系结构包括物理层、数据链路层、网络层、传输层和应用层。
XXX的单位是码元/秒。
HDLC帧的三个基本类别是信息帧、监督帧和无编号帧。
PPP全称为Point-to-Point Protocol。
数据链路是在物理链路上加上必要的通信规程。
所谓网络体系结构就是计算机网络的各层功能及其协议的集合。
按照网络的作用范围分类,可以分为集中式网络、分散式网络和分布式网络。
答案为B。
电路交换是面向连接的。
答案为A。
XXX中的CSMA代表载波监听多路访问。
答案为A。
XXX比CSMA增加了一个功能,即冲突检测。
答案为C。
在计算机网络中,所有的计算机都连接到一条通信传输线路上,并且在线路两端连有防止信号反射的装置。
这种连接结构被称为总线结构。
答案为A。
在局域网中,MAC指的是媒体接入控制子层。
答案为B。
令牌环网中某个站点能发送帧是因为该站点获得了令牌。
答案为C。
FDDI标准规定网络的传输媒体采用光纤。
答案为C。
帧中继技术是在数据链路层用简化的方法传送和交换数据的一种技术。
答案为B。
大作业内容如下:一、单选题(每小题2分,计40分)1、OSI参考模型是由( D )组织提出的。
A、IEEEB、ANSIC、EIA/TIAD、ISO2、拓扑结构是( A )的具有点到点配置的特点。
A、总线B、星型C、环型D、都不对3、IEEE802是( A )体系结构标准。
A、LANB、MANC、WAND、以上都不是4、基带传输系统是使用( A )进行传输的。
A、模拟信号B、数字信号C、多路模拟信号D、模拟和数字信号5、调幅(AM)和调频(FM)以及调相(PM)是( D )调制的例子。
A、模拟—数字B、数字—模拟C、数字—数字D、模拟—模拟6、异步传输中,字节间的时间间隙是( B )。
A、固定不变B、可变的C、0D、数据速率的函数7、对于( A ),警戒频带多占用了带宽。
A、FDMB、TDMC、STDMD、以上都是8、在数据链路层是通过( B )找到本地网络上主机的。
A、端口号B、MAC地址C、默认网关D、逻辑网络地址9、在基于广播的以太网中,所有的工作站都可以接收到发送到网上的( C )。
A、电信号B、比特流C、广播帧D、数据包10、下面关于CSMA/CD叙述正确的是( D )。
A、信号都是以点到点方式发送的B、一个节点的数据发往最近的路由器,路由器将数据直接发到目的地C、如果源节点知道目的地的IP和MAC地址的话,信号便直接送往目的地D、任何一个节点的通信数据要通过整个网络,且每个节点都接收并验证该数据11、关于共享式以太网,下列不正确的说法是( B )。
A、需要进行冲突检测B、仅能实现半双工流量控制C、利用CSMA/CD介质访问机制D、可以缩小冲突域12、数据分段是在OSI/RM中的( C )完成的。
A、物理层B、网络层C、传输层D、应用层13、OSI/RM的( B )关心路由寻址和数据包转发。
A、物理层B、数据链路层C、网络层D、传输层14、路由器并不具备( B )功能。
A、路由协议B、减少冲突和碰撞C、支持两种以上的子网协议D、存储、转发、寻径15、对路由器理解正确的是( D )。
1、多媒体计算机系统同一般计算机相比,特别需要利用计算机的数字化技术和______________ 。
选择一项:広a.通信技术D b.安全技术匕c.人机交互技术7匚d.存储技术2、计算机应用中,英文缩略语CAI所表示的计算机术语是_________ 。
* a.计算机辅助教学D b.计算机辅助设计匕c.计算机辅助制造匚d.计算机辅助工程3、当前气象预报已广泛采用数值预报方法,这主要涉及计算机应用中的____________ 。
匕a.数据处理和辅助设计□ b.科学计算与辅助设计-c.科学计算和数据处理d.科学计算和过程控制4、与二进制数110101110等值的十六进制数是屛b鼠标d.打印机/扫描仪6、假设给定一个十进制整数D,转换成对应的二进制整数B,那么就这两个数字的位数而言,B与D 相比, ________ 。
a. Db. Bc. DA d. B的位数大于等于的位数大于的位数大于的位数大于等于7、为解决某一特定的问题而设计的指令序列称为广a.b.语言文档c.系统卜d.程序丫8、对微机配置描述为中内存为 _________ 。
ra. 1.7G多媒体”,其b. 128MBI-c. 60GBa. 35ED b. 1AE fc. D70匚d. EA25、以下为计算机输出设备的是______________ 匸a.键盘d. 40X9、目前制造计算机所用的电子元件是广a.晶体管A b.集成电路电子管广c.超大规模集成电路10、有一类计算机应用领域称为 "CAD",也就是b. 逢十六进 a. 计算机辅助教学c. b. 计算机辅助制造d. 逢八进15、八进制数631转成二进制数是c. 计算机辅助设计 计算机辅助管理d. a.10011101111、计算机内部采用二进制数进行运算、存储和控 制的主要原因是 广 b. 101011001a. 现/二进制只有0、1 两种状态,技术上容易实 c. 110011001 d.110100001二进制数数码少, b. 快 16、计算机的主机的组成部分是在计算机网络中传送速度 a. CPU 、外存储器、外部设备c. 二进制数数码少, 比十进制数容易读懂和记 广b. CPU 和存储器系统忆 二进制数数码少, d. c.主机箱、键盘、显示器存储起来占用的存储容量 小 12、在计算机中,所有信息的存储都采用 屛d. CPU 和内存储器17、下面哪一项不是计算机采用二进制的主要原因a. 卜六进制 二进制/b. a. 二进制只有0和1两个状态,技术上容易实c. 八进制 广bb. 二进制数的o 和1与逻辑代数的"真”和"假"十进制 d. 相吻合, 适合于计算机进行逻辑运算 13、计算机操作系统作为一个接口, 连接着广c. 二进制运算规则简单a. 用户与计算机7 金dd.二进制可与十进制直接进行算术运算b. 主机与外设 18、高级语言所编写的程序又称为源程序,此类程 序c. 系统软件与应用软件 a. 不大于100行的程序可以被机器直接执行 用户与软件d. A b.在更高级的大型计算机中能被机器直接执14、十进制数的运算法则是 a.逢二进 c. 不能被机器直接执行d.能被机器直接执行19、光盘是一种已广泛使用的外存储器,英文缩写CD-ROM旨的是_______ 。
1.一个TDM 系统容量为480kbps, 为10路语音线路共享,语音信号的带宽为3000 Hz. 请问模数转换的采样频率为多少?每个样本/信元携带多少比特的信息?假设该系统无噪声,并且采用二元信号进行传输,则信道的总带宽最小为多少Hz ?如果采用曼切斯特编码,则信道的总带宽最小为多少Hz ?(10分)答:(1)(2分)采样频率为两倍信号带宽,即6kHz. (2)(2分)每路语音线路的数据传输速率为48kbps ,因此每个样本携带48k/6k=8 bit信息。
(3)根据奈奎斯特定理,数据传输速率为2Hlog 22=480kbps ,因此信道带宽最小为240kHz.(4)(4分)曼切斯特编码对信号的利用率为50%, 根据结果(3),信道最小总带宽为240kHz/50%=480kHz2.请阐明因特网中数据链路层和传输层的可靠传输服务实现的异同点。
(10分)答:(5分)数据链路层和传输层都需要提供可靠服务。
分)数据链路层和传输层都需要提供可靠服务。
这两个层次都用面向连接的方式工这两个层次都用面向连接的方式工作。
都包含了差错控制和流量控制。
差错控制机制都采用了校验和重发机制来实现,确认都采用稍待确认。
流量控制都是采用窗口机制来实现。
(5分)数据链路层和传输层实现时的最大区别是:数据链路层的传输基础是一条传输媒体,而传输层的传输基础是一个互联网。
媒体,而传输层的传输基础是一个互联网。
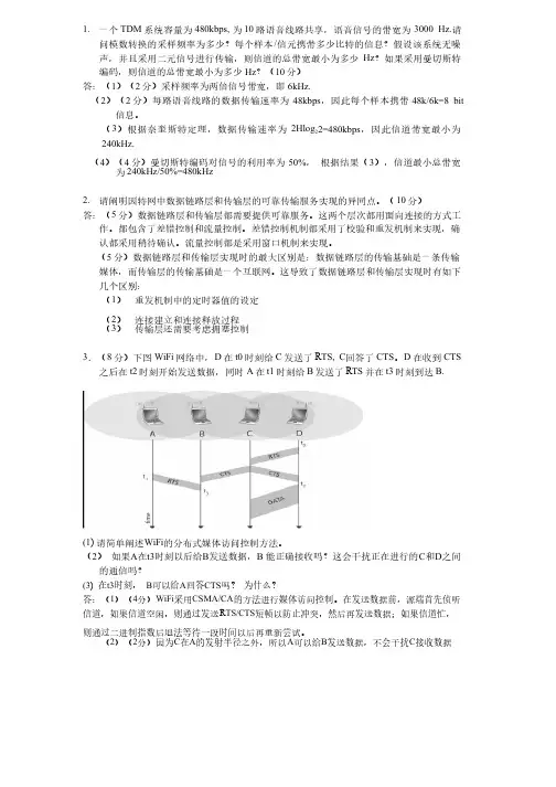
这导致了数据链路层和传输层实现时有如下这导致了数据链路层和传输层实现时有如下几个区别:(1)重发机制中的定时器值的设定(2)连接建立和连接释放过程(3)传输层还需要考虑拥塞控制3.(8分)下图WiFi 网络中,D 在t0时刻给C 发送了RTS, C 回答了CTS 。
D 在收到CTS之后在t2时刻开始发送数据,同时A 在t1时刻给B 发送了RTS 并在t3时刻到达B. (1) 请简单阐述WiFi 的分布式媒体访问控制方法。
(2) 如果A 在t3时刻以后给B 发送数据,B 能正确接收吗?这会干扰正在进行的C 和D 之间的通信吗?(3) 在t3时刻, B 可以给A 回答CTS 吗? 为什么?答:(1)(4分)WiFi 采用CSMA/CA 的方法进行媒体访问控制。
题目1移动笔记本用户最理想的接入网络的方式是________;选择一项:a.无线LANc.光纤d.同轴电缆题目2目前光纤接入网络的适用对象为________;选择一项:a.大中型企业用户b.笔记本用户c.校园计算机d.个人用户题目3关于网络协议,下列说法正确的是______;选择一项:a.协议的实现,保证能够为上一层提供服务b.以上都正确c.协议是控制对等实体之间的通信规则d.协议的语法方面的规则定义了所交换的信息格式题目4当使用ipconfig时不带参数选项,则它为每个已经配置的接口显示内容不包括______;选择一项:a.子网掩码地址c.默认网关d.所有与本接口连接的主机IP题目5分布式的信息处理需要利用计算机的______;选择一项:a.控制功能b.传输功能c.存储技术d.网络技术题目6Ipconfig命令参数______可以查看更详细的信息;选择一项:题目7下列四项中表示电子邮件地址的是________;选择一项:d.题目8常用的搜索引擎有________;选择一项:题目9通过局域网接入Internet需要的配置为________;选择一项:a.网络协议的安装b.网卡驱动程序的安装IP的设置d.以上都是题目10以下接入互联网方式中,速度带宽最大的是______;选择一项:b.光纤题目11应用层可以支持的为________;选择一项:协议和SMTP协议协议和UDP协议协议和HTTP协议协议和SMTP协议题目12TCP/IP协议中TCP协议负责______;选择一项:a.以上都不是b.接入互联网c.数据传输d.数据传输的可靠性题目13BBS站点一般都提供的访问方式是______;选择一项:题目14下面______命令用于测试网络是否连通;选择一项:题目15使用命令______可查看当前TCP/IP的配置;选择一项:题目16个人博客网站是通过互联网发表各种思想的场所,其中博客是______;选择一项:a.博士的客人b.博学的人c.写博士论文的人d.写"网络日志"的人题目17和普通Modem不同,安装ADSLModem时必须安装______协议;选择一项:\IP题目18Internet上,传输层的两种协议是______和UDP;选择一项:题目19在报纸上经常看到开通某网,如中国大学生网,规范的讲,它是指_____________;选择一项:的接入服务c.网络运营商题目20SMTP是一个基于_____的协议,它是Internet上传输_______的标准;选择一项:a.文本Web数据b.文本邮件c.多媒体邮件d.多媒体Web数据题目21应用层中主要的协议是______;选择一项:a.以上都是b.简单邮件传输协议SMTP,SimpleMailTransferProtocolc.文件传输协议FTP,FileTransportProtocold.远程登录协议Telnet题目22在Internet的通信协议中,可靠的数据传输是由______来保证的;选择一项:协议协议协议协议题目23解决计算机网络间互联的标准化的问题是在______发展阶段;选择一项:a.第一b.第四c.第二d.第三题目24测试网络是否连通可以使用命令______;选择一项:题目25Internet使用_______协议,由于该协议的通用性,使得Internet的发展非常迅速;选择一项:IP题目26Replyfrom...表示______;选择一项:a.无应答b.网络不通c.不确定d.有应答题目27一般所说的拨号入网,是指通过______与Internet服务器连接;选择一项:a.微波b.公用电话系统c.专用电缆d.电视线路题目28ADSL接入Internet需要的硬件设备是______;选择一项:a.以上都需要调制解调器100Mbps网卡d.电话线题目29下列说法错误的是______;选择一项:a.不论何种计算机,只要采用一种协议就可以通信层处于网络的第三层c.不论何种计算机,至少采用两种或两种以上的协议才能通信d.网上的计算机只要随便采用任意一种通信协议,就可以实现网上通信题目30计算机网络的目标是实现______;选择一项:a.文献检索b.信息传输c.资源共享d.数据处理题目31实现分布式信息处理属于计算机应用中的______;选择一项:a.计算机网络领域b.多媒体系统领域c.人工智能领域d.自动控制领域题目32决定局域网特性的主要技术因素不包括以下________;选择一项:a.传输形式b.拓扑结构c.介质访问控制方式d.电脑性能题目33计算机网络拓扑主要是指_______子网的拓扑结构,它对网络性能、系统可靠性与通信费用都有重大影响;选择一项:a.安全b.资源c.共享d.通信题目34数据通信和资源共享需要利用计算机的______;选择一项:a.运算功能b.存储技术c.输入和输出功能d.网络技术题目35TCP/IP分层模型从下到上,依次为_________;选择一项:a.应用层、网络层、传输层、物理链路层b.物理链路层、网络层、运输层、应用层c.物理链路层、传输层、网络层、应用层d.应用层、传输层、网络层、物理链路层题目36下列不是ICP的为_________;选择一项:题目37下列关于网络协议说法正确的是______;选择一项:a.两台计算机如果不使用同一种语言,则它们之间就不能通信b.所有网络都采用相同的通信协议c.通信协议是通信双方共同遵守的规则或约定d.网络使用者之间的口头协定题目38查看MAC地址则应使用命令______;选择一项:all题目39目前局域网的带宽一般为______;选择一项:~100Mbps题目40提供不可靠的数据传输协议是________;选择一项:题目1正确获得分中的分Flagquestion题干HTTP协议采用________方式传送web数据;选择一项:a.随即发送b.请求/响应c.匿名发送d.被动接收反馈正确答案是:请求/响应题目2不正确获得分中的分Flagquestion题干对于下列说法,错误的是______;选择一项:协议可以提供可靠的数据流传输服务协议可以提供面向连接的数据流传输服务协议可以提供面向非连接的数据流传输服务协议可以提供全双工的数据流传输服务反馈正确答案是:TCP协议可以提供面向非连接的数据流传输服务题目3正确获得分中的分Flagquestion题干数据通信和资源共享需要利用计算机的______;选择一项:a.运算功能b.网络技术c.输入和输出功能d.存储技术反馈正确答案是:网络技术题目4正确获得分中的分Flagquestion题干在拨号网络设置中,必选的网络协议是_______________;选择一项:\IP\SPX反馈正确答案是:TCP\IP题目5正确获得分中的分Flagquestion题干IPv4地址是由______数组成;选择一项:位二进制位十进制位二进制位十进制反馈正确答案是:32位二进制题目6正确获得分中的分Flagquestion题干使用带参数的ping命令_________可以得到对方的主机名;选择一项:反馈正确答案是:ping-a题目7正确获得分中的分Flagquestion题干决定局域网特性的主要技术因素是______;选择一项:a.拓扑结构b.以上都是c.传输形式d.介质访问控制方式反馈正确答案是:以上都是题目8正确获得分中的分Flagquestion题干以下不属于目前常用的传输介质的是______;选择一项:a.双绞线b.卫星信道c.同轴电缆d.光纤反馈正确答案是:卫星信道题目9正确获得分中的分Flagquestion题干的描述语言是______;选择一项:反馈正确答案是:HTML题目10正确获得分中的分Flagquestion题干网线双绞线内部有几根导线________;选择一项:反馈正确答案是:8题目11正确获得分中的分Flagquestion题干网络协议是计算机网络中传递、管理信息的一些规范;下列哪种网络协议是互联网Internet所必须使用的:______;选择一项:\IP\SPX反馈正确答案是:TCP\IP题目12正确获得分中的分Flagquestion题干以下对代理服务器说法不正确的是______;选择一项:a.保护局域网的安全b.不可以限制封锁IP地址c.可以限制封锁IP地址d.限制内网对外部的访问权限反馈正确答案是:不可以限制封锁IP地址题目13正确获得分中的分Flagquestion题干提供可靠传输的传输层协议是______;选择一项:反馈正确答案是:TCP题目14正确获得分中的分Flagquestion 题干IP协议运行于分层模型的__________;选择一项:a.应用层b.物理链路层c.网络层d.传输层反馈正确答案是:网络层题目15正确获得分中的分Flagquestion 题干计算机网络的目标是实现______;选择一项:a.数据处理b.文献检索c.信息传输d.资源共享反馈正确答案是:资源共享题目16正确获得分中的分Flagquestion题干TCP/IP协议中IP协议负责______;选择一项:a.以上都不是b.接入互联网c.数据传输的可靠性d.数据传输反馈正确答案是:数据传输题目17正确获得分中的分Flagquestion题干Internet传递文件的最主要的协议是______协议;选择一项:和POP3IP反馈正确答案是:FTP题目18正确获得分中的分Flagquestion题干下列说法错误的是_________;选择一项:a.文件传输协议FTP是Internet传统的服务之一只允许在一个局域网内的计算机之间传输文件提供登陆、目录查询、文件操作及其他会话控制功能d.使用匿名FTP,用户可以免费获得丰富的资源反馈正确答案是:FTP只允许在一个局域网内的计算机之间传输文件题目19正确获得分中的分Flagquestion题干提供不可靠的数据传输协议是________;选择一项:反馈正确答案是:UDP题目20正确获得分中的分Flagquestion题干路由器工作在ISO/OSI模型的______;选择一项:a.物理层b.数据链路层c.网络层d.应用层反馈正确答案是:网络层题目21正确获得分中的分Flagquestion题干用IE浏览器浏览网页,在地址栏中输入网址时,通常可以省略________;选择一项:反馈正确答案是:题目22正确获得分中的分Flagquestion题干目前使用的Internet是一个典型的________结构;选择一项:a.客户机/服务器b.服务器/服务器c.客户机/数据库d.客户机/客户机反馈正确答案是:客户机/服务器题目23正确获得分中的分Flagquestion题干ISP的主要作用是________;选择一项:a.提供DNS服务b.提供网站服务c.提供邮件服务d.提供网络服务反馈正确答案是:提供网络服务题目24正确获得分中的分Flagquestion题干大中型企业用户全功能的应用,最理想的接入网络的方式是______;选择一项:a.无线LANb.光纤c.同轴电缆反馈正确答案是:光纤题目25正确获得分中的分Flagquestion题干下列不是Internet内容提供商ICP的是______;选择一项:a.新浪b.搜狐c.网通d.网易反馈正确答案是:网通题目26正确获得分中的分Flagquestion题干适合移动用户接入互联网的方式是______;选择一项:a.电话拨号b.无线LANd.光纤反馈正确答案是:无线LAN题目27正确获得分中的分Flagquestion题干计算机网络拓扑主要是指_______子网的拓扑结构,它对网络性能、系统可靠性与通信费用都有重大影响;选择一项:a.资源b.共享c.通信d.安全反馈正确答案是:通信题目28正确获得分中的分Flagquestion题干IPv6地址是由______位二进制数组成;选择一项:正确答案是:128题目29正确获得分中的分Flagquestion题干在拨号上网时,输入的用户名和密码是由______提供的;选择一项:系统c.邮箱d.管理员反馈正确答案是:ISP题目30正确获得分中的分Flagquestion题干目前局域网的带宽一般为______;选择一项:~100Mbps反馈正确答案是:10M~100Mbps题目31获得分中的分Flagquestion题干______是一种价格低廉、易于连接的有线传输介质;选择一项:a.同轴是电缆b.双绞线c.以上都不是d.光纤反馈正确答案是:双绞线题目32正确获得分中的分Flagquestion题干测试是否与邻居PC机相连接方法是________;选择一项:对方IP地址自己网关服务器反馈正确答案是:ping对方IP地址题目33正确获得分中的分Flagquestion题干广域网一般采用______方式进行数据交换;选择一项:a.直接传送b.路由转发c.存储转发d.以上都不是反馈正确答案是:存储转发题目34正确获得分中的分Flagquestion题干Replyfrom...表示______;选择一项:a.无应答b.网络不通c.有应答d.不确定反馈正确答案是:有应答题目35正确获得分中的分Flagquestion题干在浏览器地址栏中键入,则所采用的协议是_______;选择一项:反馈正确答案是:FTP题目36正确获得分中的分Flagquestion题干Ipconfig命令参数______可以查看更详细的信息;选择一项:反馈正确答案是:all题目37正确获得分中的分Flagquestion题干无线LAN方式接入Internet的缺点在于______; 选择一项:a.接入速度慢b.不方便c.不稳定d.成本较高反馈正确答案是:成本较高题目38正确获得分中的分Flagquestion题干以下说法正确的是________;选择一项:a.拨号速度比局域网要快b.局域网双绞线传输距离可以达到1000米c.局域网访问Internet不需要ISPd.以上都不正确反馈正确答案是:以上都不正确题目39正确获得分中的分Flagquestion题干一般所说的拨号入网,是指通过______与Internet服务器连接;选择一项:a.微波b.公用电话系统c.电视线路d.专用电缆反馈正确答案是:公用电话系统题目40不正确获得分中的分Flagquestion题干下面叙述不正确的是_________;选择一项:a.通过电子商务可以提高服务质量,及时获得顾客的反馈信息b.电子商务主要以专用网络进行商务活动c.电子商务以计算机与通信网络为基础平台,利用电子工具实现的在线商业交换和行政作业活动的全过程d.电子商务以因特网为基础平台反馈正确答案是:电子商务主要以专用网络进行商务活动。
课题上机实训(一)课时2课时(90 min)教学目标知识技能目标:(1)掌握Packet Tracer的安装方法和简单设置。
(2)掌握使用Packet Tracer建立网络拓扑的方法。
(3)掌握网络设备的简单配置。
(4)熟悉抓包软件WireShark的安装和界面。
(5)掌握使用WireShark捕获数据包的方法。
(6)了解数据包的首部明细内容。
思政育人目标:通过上机实训,使学生将所学知识应用到实践中,并在实践中深化认识,达到学以致用的目的;通过上机实训,使学生感受成功的乐趣,增强学生的自信心;通过上机实训,培养学生的钻研精神和探索精神;通过上机实训,使学生认识到网络技术对社会发展的重要性,自己应该努力学习网络技术,为社会主义建设做好准备。
教学重难点教学重点:Packet Tracer模拟器的使用、抓包软件WireShark的使用教学难点:使用Packet Tracer建立网络拓扑、使用WireShark 捕获数据包教学方法讲授法、演示法、实操法、问答法教学用具电脑、投影仪、多媒体课件、教材、文旌课堂APP教学设计第1节课:考勤(2 min)→传授新知(15 min)→上机实训(20 min)→实训总结(8 min)第2节课:传授新知(10 min)→上机实训(25 min)→实训总结(5 min)→课堂小结(3 min)→任务布置(2 min)教学过程主要教学内容及步骤设计意图第一节课考勤(2 min)n 【教师】使用文旌课堂APP进行签到n 【学生】按照老师要求签到培养学生的组织纪律性,掌握学生的出勤情况传授新知(15 min)实训1:Packet Tracer模拟器的使用n 【教师】介绍Packet Tracer的概况,及其安装和使用方法1.安装Packet TracerPacket Tracer是由Cisco公司发布的一个辅助学习工具,是为思科网络课程初学者设计、配置、排除网络故障提供的一个网络模拟环境。
------------------------------------------------------------------------------------------------------------------------------ (单选题) 1: 用户只使用销售尚提供的安全防卫措施,而不采用其他安全措施的模式是() A: 无安全防卫B: 模糊安全防卫C: 主机安全防卫D: 网络安全防卫正确答案:(单选题) 2: 堆叠式集线器通过()实现集线器之间的高速传输A: USB端口B: 堆叠端口C: 串口D: 以上都不是正确答案:(单选题) 3: Modem能够提供的最大传输速率为( )Kbit/S。
A: 14.4B: 28.8C: 33.6D: 56正确答案:(单选题) 4: 802.11标准规定无线局域网的最小构件是____A: 计算机B: 移动站C: 基本服务集D: 接入点正确答案:(单选题) 5: Telnet是____协议的一部分A: FTPB: TCP/IPC: HTTPD: HTML正确答案:(单选题) 6: VLAN以____方式来实现逻辑工作组的划分与管理A: 硬件B: 软件C: 布线D: 以上都不对正确答案:(单选题) 7: BOOTP与DHCP属于____协议A: 物理层B: 数据链路层C: 网络层D: 应用层正确答案:(单选题) 8: 光纤分布数据接口FDDI标准和令牌环媒体访问控制标准()十分接近------------------------------------------------------------------------------------------------------------------------------ A: X.25B: X.2C: IEEE802.5D: IEEE802.1正确答案:(单选题) 9: 网桥工作在OSI参考模型的____A: 应用层B: 传输层C: 数据链路层D: 物理层正确答案:(单选题) 10: ()主要防止对网络拨号设备的非授权访问A: 调制解调器安全B: 通信介质安全C: 计算机的物理安全D: 网络设备的物理安全正确答案:(单选题) 11: 国际标准化组织的英文缩写为()A: ITUB: ISOC: OSID: ANSI正确答案:(单选题) 12: ____使得各种应用能够访问与修改UNIX系统上的文件A: TCP/IPB: NFSC: IPXD: SPX正确答案:(单选题) 13: 开放系统互联由()制定A: IEEEB: TIAC: EIAD: ISO正确答案:(单选题) 14: 在细缆Ethenet中,单网段最大长度为()MA: 150B: 170C: 180D: 185正确答案:(单选题) 15: 使用Cable modem上网是基于____A: 基带传输------------------------------------------------------------------------------------------------------------------------------ B: 频带传输C: 宽带传输D: 电话线传输正确答案:(多选题) 1: 以单机为中心的联机系统有以下局限性____A: 主机的负荷较重B: 效率低C: 线路利用率低D: 随着终端用户的增加,系统费用也在增加正确答案:(多选题) 2: 数字通信系统包括____A: 信源B: 信宿C: 信道D: 噪声源正确答案:(多选题) 3: 按传输信号的类型分类____A: 模拟信道B: 数字信道C: 有线信道D: 无线信道正确答案:(多选题) 4: 计算机网络中的特殊服务器有____A: 邮件服务器B: Web服务器C: 通信服务器D: 视频服务器正确答案:(多选题) 5: 根据服务器所完成的任务不同,可将其分为____A: 文件服务器B: 数据服务器C: 应用服务器D: 特殊服务器正确答案:(多选题) 6: IAB下设____A: IRTFB: IETFC: IANAD: ISDN正确答案:(多选题) 7: 控制广播风暴的方法有____A: 划分网段B: 加交换机------------------------------------------------------------------------------------------------------------------------------ C: 使用VLAND: 以上都不对正确答案:(多选题) 8: 信息高速公路计划的信息社会的基础是()的计算机和()的互联计算机网络A: 传输信息B: 处理信息C: 储存信息D: 分解信息正确答案:(多选题) 9: 主机可以是()。
上海交通大学计算机考试练习的网络基础第6章网络基础1。
局域网中常用的设备是_ _ _ _ _。
a:路由器b:程控交换机c:以太网交换机:调制解调器2。
办公室里有许多电脑。
每台计算机都配有网卡,并且已经购买了网络集线器和打印机。
一般来说,什么样的传输介质被用来形成局域网,以便这些计算机可以共享这台打印机。
答: 纤维b:双绞线c:电话线路:无线3。
IPv6地址由___D___位二进制数组成。
a:16 B:32摄氏度:64 D:128个知识点:网络基础\计算机网络基础知识\网络协议基本概念\TCP/IP概念4。
提供可靠传输的传输层协议是。
a:TCPB:知识产权署:UDPD:公私伙伴关系5。
传输控制协议/互联网协议,即_ _ _ B _ _,是一种行业标准协议,也是互联网采用的主要协议。
a:远程登录B:TCP/IP C:HTTP文件:FTP6。
合法的IP地址是。
a:在XXXX,她每天都念叨着你,每天晚上都帮你拧被子。
当你最终离家远行时,她每天都在关心你。
有时候,我们总是抱怨妈妈的唠叨和念叨,总是打乱她说了无数次的关心的话。
的确,孩子是父母的前辈欠下的债务。
让我们感谢父母的关心。
如果有一天你发现你妈妈做的菜太咸太恶心,如果有一天你发现你的父母经常忘记关电。
如果有一天,你发现你父亲的花木已经渐渐荒芜,如果有一天,你发现你家的壁橱里经常积满灰尘。
如果有一天,你发现你的父母不再喜欢吃绿色和脆的水果和蔬菜,如果有一天,你发现你的父母喜欢吃煮熟的烂蔬菜;如果有一天你发现他们在吃饭的时候不停地咳嗽,不要把他们误认为感冒了或感冒了(这是吞咽神经老化的现象);如果有一天,你发现他们不再喜欢出去…也许是因为他们的健康每一天都在恶化…每个人都会变老,他们的父母也会比我们老。
当父母不能照顾好自己,做了很多不好的事情时,请不要抛弃他们,保持他们的“自尊”。
当他们不喜欢洗澡时,请花时间定期清洗他们的身体,因为即使他们自己清洗,他们也不能清洗干净。
1、多媒体计算机系统同一般计算机相比,特别需要利用计算机的数字化技术和______。
选择一项:a. 通信技术b. 安全技术c. 人机交互技术d. 存储技术2、计算机应用中,英文缩略语CAI所表示的计算机术语是______。
a. 计算机辅助教学b. 计算机辅助设计c. 计算机辅助制造d. 计算机辅助工程3、当前气象预报已广泛采用数值预报方法,这主要涉及计算机应用中的______。
a. 数据处理和辅助设计b. 科学计算与辅助设计c. 科学计算和数据处理d. 科学计算和过程控制4、与二进制数110101110等值的十六进制数是______。
a. 35Eb. 1AEc. D70d. EA25、以下为计算机输出设备的是______。
a. 键盘b. 打印机c. 鼠标d. 扫描仪6、假设给定一个十进制整数D,转换成对应的二进制整数B,那么就这两个数字的位数而言,B与D相比,______。
a. D的位数大于等于Bb. B的位数大于等于Dc. D的位数大于Bd. B的位数大于D7、为解决某一特定的问题而设计的指令序列称为______。
a. 语言b. 文档c. 系统d. 程序8、对微机配置描述为"P4\\\\40X\15\多媒体",其中内存为______。
a. 1.7Gb. 128MBc. 60GBd. 40X9、目前制造计算机所用的电子元件是______。
a. 晶体管b. 集成电路c. 电子管d. 超大规模集成电路10、有一类计算机应用领域称为"CAD",也就是______。
a. 计算机辅助教学b. 计算机辅助制造c. 计算机辅助设计d. 计算机辅助管理11、计算机内部采用二进制数进行运算、存储和控制的主要原因是______。
a. 二进制只有0、1两种状态,技术上容易实现b. 二进制数数码少,在计算机网络中传送速度快c. 二进制数数码少,比十进制数容易读懂和记忆d. 二进制数数码少,存储起来占用的存储容量小12、在计算机中,所有信息的存储都采用______。
第六章网络基础1.局域网常用的设备是____C__。
A:路由器B:程控交换机C:以太网交换机D:调制解调器2.一个办公室中有多台计算机,每个计算机都配置有网卡,并已经购买有一台网络集线器和一台打印机,一般通过何种传输介质组成局域网,使得这些计算机都可以共享这一台打印机。
BA:光纤B:双绞线C:电话线D:无线3.IPv6地址有___D___位二进制数组成。
A:16B:32C:64D:128知识点:网络基础\计算机网络基本知识\网络协议的基本概念\TCP/IP概念4.提供可靠传输的运输层协议是__A____。
A:TCPB:IPC:UDPD:PPP5.传输控制协议/网际协议即___B___,属工业标准协议,是Internet采用的主要协议。
A:TelnetB:TCP/IPC:HTTPD:FTP6.合法的IP地址是___D___。
A:202∶196∶112∶50B:202、196、112、50C:202,196,112,50D:202.196.112.507.IP地址能惟一地确定Internet上每台计算机与每个用户的___C___。
A:距离B:费用C:位置D:时间8.配置TCP/IP参数的操作主要包括三个方面:___A___、指定网关和域名服务器地址。
A:指定本地机的IP地址及子网掩码B:指定本地机的主机名C:指定代理服务器D:指定服务器的IP地址9.当前我国的___D___主要以科研和教育为目的,从事非经营性的活动。
A:金桥信息网(GBNet)B:中国公用计算机网(ChinaNet)C:中科院网络(CSTNet)D:中国教育和科研网(CERNET)10.Internet是全球最具影响力的计算机互联网,也是世界范围的重要的___A___。
A:信息资源网B:多媒体网络C:办公网络D:销售网络11.下列对Internet叙述正确的是___C___。
A:Internet就是wwwB:Internet就是信息高速公路C:Internet是众多自治子网和终端用户机的互联D:Internet就是局域网互联12.Internet是由___B___发展而来的。
大作业内容如下:一、单选题(每小题2分,计40分)1、OSI参考模型是由( D )组织提出的。
A、IEEEB、ANSIC、EIA/TIAD、ISO2、拓扑结构是( A )的具有点到点配置的特点。
A、总线B、星型C、环型D、都不对3、IEEE802是( A )体系结构标准。
A、LANB、MANC、WAND、以上都不是4、基带传输系统是使用( A )进行传输的。
A、模拟信号B、数字信号C、多路模拟信号D、模拟和数字信号5、调幅(AM)和调频(FM)以及调相(PM)是( D )调制的例子。
A、模拟—数字B、数字—模拟C、数字—数字D、模拟—模拟6、异步传输中,字节间的时间间隙是( B )。
A、固定不变B、可变的C、0D、数据速率的函数7、对于( A ),警戒频带多占用了带宽。
A、FDMB、TDMC、STDMD、以上都是8、在数据链路层是通过( B )找到本地网络上主机的。
A、端口号B、MAC地址C、默认网关D、逻辑网络地址9、在基于广播的以太网中,所有的工作站都可以接收到发送到网上的( C )。
A、电信号B、比特流C、广播帧D、数据包10、下面关于CSMA/CD叙述正确的是( D )。
A、信号都是以点到点方式发送的B、一个节点的数据发往最近的路由器,路由器将数据直接发到目的地C、如果源节点知道目的地的IP和MAC地址的话,信号便直接送往目的地D、任何一个节点的通信数据要通过整个网络,且每个节点都接收并验证该数据11、关于共享式以太网,下列不正确的说法是( B )。
A、需要进行冲突检测B、仅能实现半双工流量控制C、利用CSMA/CD介质访问机制D、可以缩小冲突域12、数据分段是在OSI/RM中的( C )完成的。
A、物理层B、网络层C、传输层D、应用层13、OSI/RM的( B )关心路由寻址和数据包转发。
A、物理层B、数据链路层C、网络层D、传输层14、路由器并不具备( B )功能。
A、路由协议B、减少冲突和碰撞C、支持两种以上的子网协议D、存储、转发、寻径15、对路由器理解正确的是( D )。
A、路由是路由器B、路由是信息在网络路径的交叉点C、路由是用以配置报文的目的地址D、路由是指报文传输时的路径信息16、非对称数字用户线是( B )。
A、HDSLB、ADSLC、SDSLD、RADSL17、ISDN BRI的用户接口是( C )。
A、2B+DB、30B+DC、同轴电缆D、普通电话线18、帧中继仅完成( A )核心层的功能,将流量控制、纠错等留给智能终端完成,大大简化了节点机之间的协议。
A、链路层和网络层B、网络层和传输层C、传输层和会话层D、物理层和链路层19、当一台主机从一个网络移到另一个网络时,以下说法正确的是( B )。
A、必须改变它的IP地址和MAC地址B、必须改变它的IP地址,但不需改动MAC地址C、必须改变它的MAC地址,但不需改动IP地址D、MAC地址,IP地址都不需改动20、B类地址的默认掩码是( B )。
A、255.0.0.0B、255.255.0.0C、255.255.255.255D、255.255.255.0二、简答题(每小题3分,计36分)1、双绞线是否表示只有两根线?无线传输是否是指没有传输介质?答:双绞线不表示只有两根线,它也可以有几对线组成。
无线传输也是有传输介质的,例如空气。
2、IP数据报的长度为多少?IP数据报的头部长度为多少?IP数据报格式中选项字段有什么作用?答:总长度指首部和数据之和的长度,单位为字节。
总长度字段为16位,首部长度占4位,可表示的最大十进制数值是15;IP选项主要用于控制和测试两大目的。
3、什么是点到点传输?什么是端到端传输?答:点到点是物理拓扑,即两头各一个机器中间不能有机器。
端到端是网络连接。
4、什么是DTE和DCTE?举例说明答:DTE:数据终端设备。
如计算机。
DCE:数据通讯设备,如modem5、请叙述IP协议的作用?它的传输单元是什么?答:(1)寻址与路由。
(2)分段与重组。
传输单元是IP包/IP数据包6、数据链路层主要有哪些功能?答:①链路连接的建立,拆除,分离.②帧定界和帧同步.链路层的数据传输单元是帧,协议不同,帧的长短和界面也有差别,但无论如何必须对帧进行定界.③顺序控制,指对帧的收发顺序的控制.④差错检测和恢复。
还有链路标识,流量控制等等.差错检测多用方阵码校验和循环码校验来检测信道上数据的误码,而帧丢失等用序号检测.各种错误的恢复则常靠反馈重发技术来完成.7、模拟信号和数字信号各有什么特点?通信时它们有哪些区别?答:模拟信号和数字信号的最主要的区别是一个是连续的,一个是离散的。
模拟信号的优点是直观且容易实现。
缺点是保密性差,抗干扰能力弱。
数字信号的优点是简易了数字化的传输与交换,提高了抗干扰能力,可以形成一个综合数字通信网。
缺点是占用频带较宽,技术要求复杂,进行模/数转换时会带来量化误差。
8、什么是公有地址?什么是私有地址?答:公有IP地址由Inter NIC(Internet Network Information Center 因特网信息中心)负责,这些IP地址分配给注册并向Inter NIC提出申请的组织机构。
通过它直接访问因特网。
私有IP地址属于非注册IP地址,专门为组织机构内部使用。
9、物理层、数据链路层、网络层、传输层和应用层分别用什么作为相应层的传输单元?答:数据在应用层封装后得到的协议数据单元叫APDU;数据在表示层封装后得到的协议数据单元叫PPDU;数据在会话层封装后得到的协议数据单元叫SPDU;数据在传输层封装后得到的协议数据单元叫分段;数据在网络层封装后得到的协议数据单元叫分组;数据在数据链路层封装后得到的协议数据单元叫帧;数据在物理层封装后得到的协议数据单元叫比特流。
10、什么是数据,什么是信号,在数据通信系统中有几种信号形式?答:①数据:网络中传输的二进制代码被统称为数据,它是传递信息的载体。
②信号:是数据在传输过程中的电磁波表示形式。
③信号形式:根据数据表示方式的不同,可以分为数字信号和模拟信号两种。
其中,数字信号是一种离散式的电脉冲信号,而模拟信号是一种连续变化的电磁波信号。
11、IP地址分为哪几类?每类的第一字节的十进制数值范围分别为多少?答:IP地址分:A.B.C.D.E类。
A类地址是:00000000 1~126B类地址是:10000000 128~191C类地址是:11000000 192~223D类地址是:11110000 224~239E类地址是保留地址,做科学研究。
12、常用的数据交换技术有哪几种?说出它们各自的优缺点。
答:存储转发模式:(1)优点:保证了数据帧的无差错传输。
(2)缺点:增加了传输延迟,而且传输延迟随数据帧的长度增加而增加。
快速转发模式:(1)优点:数据传输的低延迟。
(2)缺点:无法对数据帧进行校验和纠错。
自由分段模式:这种模式的性能介于存储转发模式和快速转发模式之间。
当交换机接收数据帧时,一旦检测到该数据帧不是冲突碎片就进行转发操作。
三、问答题(每题6分,计24分)1、叙述OSI/RM的数据封装过程。
答:第一层:物理层(PhysicalLayer),用以建立、维护和拆除物理链路连接。
第二层:数据链路层(DataLinkLayer):在物理层提供比特流服务的基础上,建立相邻结点之间的数据链路,通过差错控制提供数据帧(Frame)在信道上无差错的传输,并进行各电路上的动作系列。
第三层:网络层,在计算机网络中进行通信的两个计算机之间可能会经过很多个数据链路,也可能还要经过很多通信子网。
网络层的任务就是选择合适的网间路由和交换结点,确保数据及时传送。
第四层:传输层。
跟踪数据单元碎片、乱序到达的数据包和其它在传输过程中可能发生的危险。
第五层:会话层,在会话层不参与具体的传输,它提供包括访问验证和会话管理在内的建立和维护应用之间通信的机制。
第六层:表示层,它将欲交换的数据从适合于某一用户的抽象语法,转换为适合于OSI系统内部使用的传送语法。
第七层:应用层,应用层为操作系统或网络应用程序提供访问网络服务的接口。
2、什么叫“网络体系结构”?网络体系结构为什么要分层?分层原则是什么?层与层之间有什么关系?答:现代计算机网络都采用了层次化体系结构,分层及其协议的集合称为计算机网络体系结构,它是关于计算机网络系统应设置多少层,每个层能提供哪些功能的精确定义,以及层之间的关系和如何联系在一起的。
分层结构有如下优点:(1)由于系统被分解为相对简单的若干层,因此易于实现和维护;(2)各层功能明确,相对独立,下层为上层提供服务,上层通过接口调用下层功能。
而不必关心下层所提供服务的具体实现细节,因此各层都可以选择最合适的实现技术;(3)当某一层的功能需要更新或被替代时,只要它和上、下层的接口服务关系不变,则相邻层都不受影响,因此灵活性好,这有利于技术进步和模型的改进;(4)分层结构易于交流、理解和标准化。
分层原则:网络体系结构分层时有以下几个原则:层数要适中,过多则结构过于复杂,各层组装困难,而过少则层间功能划分不明确,多种功能在同一层中,造成每层协议复杂;层间接口要清晰,跨越接口的信息量尽可能要少。
另外,划分时把应用程序和通信管理程序分开,还需要将通信管理程序分为若干模块,把专用的通信接口转变为公用的、标准化的通信接口,这样能使网络系统的构建更加简单。
层与层之间的关系:osi的下两层对应tcp的网络接口层3、叙述网络拓扑结构的概念,典型的网络拓扑结构有哪几种?总结其特点。
答:网络拓扑结构是指用传输媒体互连各种设备的物理布局,就是用什么方式把网络中的计算机等设备连接起来。
结构主要有星型结构、环型结构、总线结构、分布式结构、树型结构、网状结构、蜂窝状结构等。
星形拓扑是由中央节点和通过点到到通信链路接到中央节点的各个站点组成. 星形拓扑结构具有以下优点:(1)控制简单.(2)故障诊断和隔离容易. (3)方便服务. 星形拓扑结构的缺点:(1)电缆长度和安装工作量可观. (2)中央节点的负担较重,形成瓶颈. (3)各站点的分布处理能力较低.总线拓扑结构采用一个信道作为传输媒体,所有站点都通过相应的硬件接口直接连到这一公共传输媒体上,该公共传输媒体即称为总线. 总线拓扑结构的优点:(1)总线结构所需要的电缆数量少.(2)总线结构简单,又是无源工作,有较高的可靠性.(3)易于扩充,增加或减少用户比较方便.总线拓扑的缺点:(1)总线的传输距离有限,通信范围受到限制.(2)故障诊断和隔离较困难.(3)分布式协议不能保证信息的及时传送,不具有实时功能环形拓扑网络由站点和连接站的链路组成一个闭合环.环形拓扑的优点:(1)电缆长度短.(2)增加或减少工作站时,仅需简单的连接操作.(3)可使用光纤.环形拓扑的缺点:(1)节点的故障会引起全网故障.(2)故障检测困难.(3)环形拓扑结构的媒体访问控制协议都采用令牌传达室递的方式,在负载很轻时,信道利用率相对来说就比较低.树形拓扑从总线拓扑演变而来,形状像一棵倒置的树,顶端是树根,树根以下带分支,每个分支还可再带子分支.树形拓扑的优点:(1)易于扩展. (2)故障隔离较容易.树形拓扑的缺点:各个节点对根的依赖性太大.4、局域网、城域网和广域网有什么不同?答:广域网的特点:适应大容量与突发性通信的要求适合综合业务服务的要求开放的设备接口与规范化的协议完善的通信服务与网络管理城域网的特点:使用基于IEEE802.5的单令牌的环网介质访问控制MAC协议使用IEEE802.2协议,与局域网兼容数据传输速率为100Mbps 可以使用双环结构,具有容错能力可以使用光纤具有动态分配带宽的能力,支持同步和异步数据传输局域网的特点:覆盖有限的地理范围提供高数据传输速率、低误码率的高质量数据传输易于建立、维护和扩展(注:文档可能无法思考全面,请浏览后下载,供参考。