清洗机作业指导书
- 格式:docx
- 大小:20.32 KB
- 文档页数:1
版本号页码审核A0
1
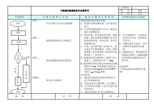
1、检查产品是否有异物、混料现象;
2、平铺摆放于胶盘内,每盘只能摆一层,不 可叠层摆放;
3、放置清洗机进料口传送带的输送槽内;
4、超声波机器内进行除油、清洗作业;
5、烘干位进行烘干作业;
6、出料口处取出产品摆好。
1.物料不良:个别物料不良隔离放置不良区域并做标识;
2.出现异常情况时,操作员
须立即停止动作,并及时反馈班长,待异常分析解决后方可继续作业。
1.作业员在进行作业时,注意手和衣物不能触碰机器输送带,
2.发现机器出现异常现象的情况应立即停止机器,不得在机器运行中违规操作。
作业流程图
开机加热水温
↓摆入盘内
↓
放入传送带
↓
超声波清洗
↓烘干↓取出产品
操作步骤
反应计划
注意事项
超声波清洗
操作作业指导书
适用产品
工序名称文件编号
编制批准生效日期
清洗作业前把机器温度加热到50度-70度。
放置清洗机进料口传送带的输送槽。
每格输送槽只能放置一盘产品。
检查超声波频率:
1#F280/2.5A;2#F280/6.5A;3#F280/4.2A; 4#F400/5.4A (参考值)
产品进入清洗机内,经过四个超声波清洗槽:1号槽-去油清洗(温度50°~ 70°);2号3号槽超声波过清水(常温)—4号槽-过清水(温度50°~ 70°)。
清洗后经过烘干步骤,确保产品无残留水渍,在输送带出口处吹风机进行降温。
清洗烘干后的产品取出产品,检查是否清洗干净,有无残留水渍、油渍等异物。
超声波清洗机作业指导书第一节:概述超声波清洗机是一种广泛应用于工业领域的清洗设备,通过超声波技术可以高效地去除零件表面的污垢和油脂,有效提高清洗效果和工作效率。
本指导书旨在为操作人员提供清晰的操作步骤和安全注意事项,确保设备正常运行。
第二节:设备介绍超声波清洗机由清洗槽、超声波发生器、过滤系统和控制面板等部分组成。
清洗槽为不锈钢材质,具备良好的耐腐蚀性能,可容纳不同尺寸和重量的零件。
超声波发生器产生高频声波并传播到清洗液中,产生的微小气泡爆破力会将污垢从零件表面卸下。
过滤系统可以有效地去除清洗液中的杂质,延长清洗液的使用寿命。
控制面板用于设定和监控超声波的频率、温度和清洗时间等参数。
第三节:操作步骤1. 准备工作:检查超声波清洗机的电源是否接通,确认清洗槽内是否注满足够的清洗液,并确保过滤系统正常运行。
2. 将待清洗的零件放入清洗槽中,注意不要超过清洗槽的最大容量,并确保零件完全浸没在清洗液中。
3. 设定超声波的参数:根据零件的不同特性和污垢程度,设定合适的超声波频率和清洗时间。
一般来说,对于较为脆弱的零件,应选择较低的超声波频率和较短的清洗时间;对于较为固体的零件,可以选择较高的超声波频率和较长的清洗时间。
4. 设定清洗液的温度:根据清洗液的种类和厂家要求,设定合适的清洗液温度。
温度过高可能会损坏清洗槽和零件,温度过低可能影响清洗效果。
5. 启动超声波清洗机,确保超声波正常发生,清洗液充分覆盖零件表面。
6. 清洗时间到达后,关闭超声波清洗机,并将零件从清洗槽中取出。
注意操作时要佩戴手套,以免被清洗液和零件表面的热汽伤害。
7. 对于较为顽固的污垢,可以进行多次清洗,每次清洗之间应稍作休息,防止机器过热或超负荷工作。
第四节:安全注意事项1. 在操作超声波清洗机之前,确保已经熟悉了设备的操作步骤和安全规范,避免发生意外。
2. 使用适合的清洗液,并按照厂家要求进行配比,切勿随意更换或混合不同种类的清洗液。
1 目的本规程用于指导操作者正确操作和使用设备。
2 适用范围本规程适用于指导本公司超声波清洗机的操作与安全操作。
3 管理内容3.1 操作规程3.1.1 调机员接到生产通知单后,根据产品种类,设置超声波清洗机的各项参数,餐刀类产品速度设定为7.6-10,清洗池温度设定为90度以上,超声波发生装置参数设为3.5-4.5,清水冲洗温度设定为50度-60度。
3.1.2 设定好参数后,启动加温装置将清洗池内和清水冲洗池的水温加热到设定温度,在清洗池内15公斤除蜡水。
3.1.3 调机完成后,依次将待清洗产品摆放在清洗机进料传送带上,启动进行清洗作业,首件产品与样品进行比对,确认首件样,首件样确认合格后,方可进行生产。
3.1.4 生产前,操作员用将待清洗产品放到清洗机的进料位,清洗机台品检人员和捡货人员全部就位,操作员将产品依次整齐摆放在进料传送带上,启动机器进行作业,后段品检人员根据产品质量标准对清洗机出来的产品进行全检,不良品分类挑出,良品放入传送带,捡货人员将清洗好的产品装入保护胶袋,整齐码放在周转箱内,完成后送入包装工序。
3.1.5 生产过程中加强观察,如发现机器运转异常,要及时通知调机人员进行检修,严禁私自调整。
3.1.6调机人员要不定期巡检工作中的机器设备,不定时检查产品质量,决定是否需要加除蜡水或调整运行速度,及时处理机器异常。
3.1.7 工作完毕前,应切断电源,擦净设备,将使用后的清洗水排入污水处理设施,做好点检记录及机器保养工作。
3.2 安全操作规程3.2.1 禁止超范围使用设备。
3.2.2 开机前应检查传动、电路、急停保护装置是否正常。
3.2.3 开机前先空车试转,空车试转正常后,才可生产。
3.2.4 保持工作台面清洁,防止异物进入工作机器内。
3.2.5 工作过程中随时注意机器是否异常。
3.2.6 调整、修理和清洁设备,必须停机进行。
4 参考文件无5 记录无。
1 目的本规程用于指导操作者正确操作和使用设备。
2 适用范围本规程适用于指导本公司超声波清洗机的操作与安全操作。
3 管理内容3.1 操作规程3.1.1 调机员接到生产通知单后,根据产品种类,设置超声波清洗机的各项参数,餐刀类产品速度设定为7.6-10,清洗池温度设定为90度以上,超声波发生装置参数设为3.5-4.5,清水冲洗温度设定为50度-60度。
3.1.2 设定好参数后,启动加温装置将清洗池内和清水冲洗池的水温加热到设定温度,在清洗池内15公斤除蜡水。
3.1.3 调机完成后,依次将待清洗产品摆放在清洗机进料传送带上,启动进行清洗作业,首件产品与样品进行比对,确认首件样,首件样确认合格后,方可进行生产。
3.1.4 生产前,操作员用将待清洗产品放到清洗机的进料位,清洗机台品检人员和捡货人员全部就位,操作员将产品依次整齐摆放在进料传送带上,启动机器进行作业,后段品检人员根据产品质量标准对清洗机出来的产品进行全检,不良品分类挑出,良品放入传送带,捡货人员将清洗好的产品装入保护胶袋,整齐码放在周转箱内,完成后送入包装工序。
3.1.5 生产过程中加强观察,如发现机器运转异常,要及时通知调机人员进行检修,严禁私自调整。
3.1.6调机人员要不定期巡检工作中的机器设备,不定时检查产品质量,决定是否需要加除蜡水或调整运行速度,及时处理机器异常。
3.1.7 工作完毕前,应切断电源,擦净设备,将使用后的清洗水排入污水处理设施,做好点检记录及机器保养工作。
3.2 安全操作规程3.2.1 禁止超范围使用设备。
3.2.2 开机前应检查传动、电路、急停保护装置是否正常。
3.2.3 开机前先空车试转,空车试转正常后,才可生产。
3.2.4 保持工作台面清洁,防止异物进入工作机器内。
3.2.5 工作过程中随时注意机器是否异常。
3.2.6 调整、修理和清洁设备,必须停机进行。
4 参考文件无5 记录无。
超声波清洗机作业指导书
(耿志泽
-标准化文件发布号:(9456-EUATWK-MWUB-WUNN-INNUL-DDQTY-KII
超声波清洗机操作`保养指导书
制订部门: 生产部
生效日期:
盖Array章
※※※※※※※※※※※※※※※※※※※※※※
文件变更记录
一.目的
通过规范操作超声波清洗机及执行行为,保证安全效率,高品质生产。
二.范围
适用本公司超声波清洗机。
三.职责
生产部负责超声波清洗机使用及保养。
四.内容
1. 接通电源。
2.根据工艺要求,将温度控制器调节至所需温度。
3.当达到设定温度后,相应指示灯自动息灭,打开超声波发生器上电源开关,相应的指示灯亮,
超声波开始开作。
4.超声波清洗机停止工作前,应先关掉超声开关,将温度控制调节器旋至0°C,再关电源。
五.注意事项
1.清洗槽内无清洗液时,绝对不能启动超声,否则会导致损坏换能器的严重后果。
2.槽内无清洗液或清洗液面未达要求时,绝对禁止加热,否则会损坏发热板。
3.不得将物体直接放入超声波清洗槽,如有异物落入槽底应及时取出,否则会损坏超声波换能
器。
4.不可将液体溅湿换能器及超声波发生器。
5.切不可使用可燃性溶液作清洗液。
6.旧液换新时,排液与加热均应在温度控制器置于0°C及常温,超声波开关置于关的位置下进行。
7.定期检查及清洁控制电器。
8.每清洗五次产品后,需更换一次清洗液。
9.清洗铜、不锈钢、铝料等产品的温度均控制在50°C,每次清洗时间为10分钟。
图一:按键以及指示灯位置说明
4.2操作流程
a.按清洗所需加入适量的清洗液于清洗槽内,放入所需清洗工件盖上降音盖。
b.正确连接电源插头,打开设备背后电源开关,设备处于通电状态。
c.设置清洗时间和清洗温度后,按“on/off”一下,工作指示灯亮,设备正常工作,时间倒计时开始,直至时间显示为0时自动停止工作。
编制马静审核批准
深圳市振勤电子科技有限公
司文件编号生效日期
超声波清洗机作业指导书页次2
版本A
e.按“on/off”一下,机械停止工作,断开整机电源,倒掉清洗液,用干抹布对槽体及外围进行清洁。
f. 若清洗不完全,重复a-c流程。
4.3保养
a.定期对电器控制部分用高压风吹掉灰尘。
b.每星期至少清理一次清洗槽。
图二:设备图示
编制马静审核批准。
单槽式超声波清洗机安全作业指导书1.0.目的:1.1.制定本规程,确保单槽式超声波清洗机的安全运行处于受控状态,保证产品的稳定性和可靠性。
2.0.范围:2.1.本规程适用于单槽式超声波清洗机的安全运行和操作以及新员工培训之用.3.0.设备概述:3.1.型超声波清洗机是立体式的单槽超声波清洗机,具有洁净度高、使用方便、外形美观、耐用易保养等特点,生产过程符合国家的绿色生产要求,用碱性或弱酸性水基溶剂(ph6.3)作为清洗剂,适用于钟表零件、五金件机械零件、珠宝首饰、镜片、眼镜框架和玻璃器皿的清洗。
3.2.结构组成与各组成部份功能:3.2.1.结构组成:3.2.1.1.型超声波清洗机由超声波发生器、换能器、超声清洗槽、自动温控加热系统、电器控制部分、整机外罩等组成。
3.2.2.各组成部份功能:3.2.2.1.超声波发生器:产生28或40khz超音频电信号,以供给换能器。
3.2.2.2.换能器:将超声波发生器产生的超音频电能转换成高频机械振荡而传入到清洗液中,从而达到超声清洗的目的。
3.2.2.3.超声清洗槽:盛载清洗液,并且待洗工件在此槽进行超声波清洗,可将工件表面及缝隙中的脏物振落。
3.2.3.超声波清洗的基本工作原理:3.2.3.1.28或40khz的超音频电能,通过换能器转成高频机械振荡而传入到清洗液中。
超声波在清洗液中疏密相间地向前辐射,使液体流动,并产生数以万计的微小气泡,这些气泡是在超声波纵向传播的负压区形成及生长,而在正压区迅速闭合(熄灭)。
这种微小气泡的形成、生长、迅速闭合称为空化现象。
在空化现象中气泡闭合时形成超过10个大气压的瞬时高压,连续不断产生的瞬时高压就像一连串小爆炸不断地轰击物体表面,使物体表面及缝隙中的污垢迅速剥落,这种空化侵蚀作用就是超声波清洗的基本原理。
4.0.使用说明:4.1.开机前的准备:4.1.1.检查清洗机是否安装平稳妥善,机壳接地是否可靠。
4.1.2.将电器控制面板上所有的开关置于关的位置,检查电源是否合乎要求,电源指示灯是否亮。
编号:作成确认批准顾客名确认项目纯水的电阻率清洗温度清洗槽清洗清洗PH值2、功率不得随意更改,需要更改时需经技术人员。
序号日期作成确认批准内容4、每天上、下午各一次要对槽进行清洗工作。
※注意事项1、保持作业区域6S3、一定要保证清洗PH值和DI水电阻率是否合格。
修订内容7—82次/班PH试纸35℃∽45℃1次/班目视槽内不能有脏污、油污2次/班目视【日常管理·检查项目】规格值确认数量/频度管理方法13.5∽18.251次/班水质测量器SM-WI-MA-30 A/1物品清洗作业指导书品 名1、同时打开使用槽进、排水开关(进水阀全开,排水阀开一半位置),五个槽(设备上有分别标示)注入DI 水,待水位一直保持为槽一半深(槽内黑色标记一半深)时即可。
(图二)同时打开各槽进、排水开关,使纯水水质达到13.5∽18.25,准备好清洗品并放在清洗篮内。
(图一)作业程序作业开始作业前确认2、用量杯加入5ml 的清洗剂到五槽内并拌匀,1分钟后用PH 试纸放入水中试纸,用ph 试纸颜色比对卡进行对比,PH 值为7-8就可开始清洗工作。
将“功能开关”的四个槽开关按下同时进行加热。
(图三)3、待温度上升至设定温度40℃(35℃-40℃之间也可以),将4个槽的超声功能打开,将装好物料的清洗篮放入第五槽内,双手拿住清洗篮手柄上下缓慢移动,时间为14、第五槽清洗完后,将清洗篮放入四槽清洗(不接气管),清洗方法同上,时间1分钟。
(图五)5、取出四槽的清洗篮依次放入三、二、一槽内,清洗方法同上(频率:3S 上下2次)时间各1分钟。
(图六)6、将清洗好的物料篮取出,待清洗篮没有明显水滴落时,便可放入恒温烤箱内进行烘干25分钟。
(图七)7、每天的工作结束,要用无尘布内的东西清洗每个工作槽,排放一、二、三、四槽的水。
确认清洗机是否关由左至右有标示一到五槽图二图二如图为打开状态黑色标记一半图四图三图五图五 图七查看测量清洗槽四槽为气管清图二 图一图六。
超声波清洗机作业指导书超声波清洗机作业指导书一、概述超声波清洗机是以水基溶剂作为超声波介质,具有超声功率强劲,清洗工艺简单,快捷高效,适用于实验室,生产车间批量作业,广泛用于清洗各类机动车辆零部件、液压气动元件、机械轴承、管件、阀门、电镀件、五金抛光件及以下各行业的除油、除蜡、除污垢等清洗工艺:二、操作1、在清洗槽内注入洁净水,直至离缸面约50mm为宜,并根据清洗物的污垢性质添加适当的清净剂:2、将清洗机温控器和超声源、电源开关置“关(OFF)”位置:3、将清洗机电源线和超声源线分别接至该机所要求的电源:4、将清洗物件置入清洗篮或挂具后放入清洗槽内,即可进行清洗作业。
三、超声波清洗机注意事项机器使用过程中,如不按规定而把机器放置在潮湿或有腐蚀性气体、粉尘等环境下,较易引起超声波线路及其它故障,从而影响到正常的使用,高Q值压电陶瓷晶片和电热器件如受潮、水蒸气、导电粉尘、油污污染及外力剧烈撞击、则会引起绝缘下降,产生漏电、短路、脱落、陶瓷晶片开裂等故障:超声波线路如受潮、水蒸气、腐蚀性气体、导电粉尘侵袭,电源电压大幅波动等影响,则会引起元器件打火、元件肢体被腐,因此,在使用过程中应注意:1、禁止清洗机槽内无清洗液的情况下启动加热器和超声源,以免损坏发热板和换能器:2、防止硬物冲击和强列振动,铁将工件直接置于缸底表面:3、使用过程中勿使清洗衣溢出缸面,禁止用水冲洗面板,以免水溅入振头或线路板,引起故障,危及安全生产:4、勿将机器置于潮湿不通风,易燃易爆环境下使用:5、电源电压变化超出允许范围,应暂停使用:6、换能器如受潮湿、污染适成漏电短路或因受撞击而破裂、掉头等故障,需送回本公司修理:7、如发现超声效果突然变得较微弱,则可能是超声线路板发生故障,应检修正常后再使用:8、超声波发生器宜在30℃以下环境温度下使用:9、和种不同的清洗介质有不同的空化活跃温度,选用时宜按实际工艺要求适当选择清洗温度、时间、以利于提高清洗效果。
超声波清洗机
操作作业指导书
1 目的
为使公司相关人员正确使用、操作超声波清洗机,特制定本作业指导书。
2 范围
本作业指导书适用于自动变速器公司超声波清洗机。
3 操作步骤
(1)联结好清洗槽与发生器之间的电缆;
(2)将清洗液倒入清洗槽中(倒入清洗液的量就为放入被清洗物时,液面的位置约为整体的四分之三为佳);
(3)将被清洗物放入清洗槽;
(4)插上电源插头;
(5)设置清洗时间,打开工作电源,观察电流指示表的读数是
否在80-100之间,清洗液温度在40-60 C之间,同时水槽会出现小气泡并伴随有“吱…吱”的声响,这就表示开始正常清洗;
(6)工作时间为1-2 分钟,手工用工具轻轻清洗工件表面(尼龙毛刷),保证工件表面及内孔清洁(注:如果孔内还有杂质,就用高压气枪进行喷射,然后再放到清洗液中进行清洗)。
(7)清洗完毕后,关闭工作电源。
4 注意事项
(1)检查电源是否正常,开关是否正常,指示灯、指示表是否
正常,保证清洗槽干净;
(2)在超声波清洗过程中必须戴上绝缘手套;
(3)清洗物件不能直接放置在缸底,以免影响清洗效果,应放在专用清洗篮内或采用零装方法;
(4)清洗液的高度也会影响清洗质量,对不同物件的清洗应摸
索其最佳位置(注:清洗液的量与清洗槽的体积比为3/4 );
(5)缸内无清洗液时切勿开机,以免损坏换能器;
(6)长期不使用时,机器应保存在干燥处;
(7)防止工件在清洗过程中刮伤表面及丢失,保证工件数量的完整。
欢迎您的下载,
资料仅供参考!
致力为企业和个人提供合同协议,策划案计划书,学习资料等等
打造全网一站式需求。
超声波清洗机作业指导书一、前言超声波清洗机是一种高效、快捷的清洁设备,广泛应用于各个行业中。
本作业指导书旨在为用户提供使用超声波清洗机的详细操作指导,以确保正确操作设备并获得最佳的清洁效果。
二、设备介绍1. 设备概述:超声波清洗机是一种利用超声波的高频振动产生的空化作用,将物体表面的污垢和油污以微小的泡沫形式从物体表面上剥离的清洗设备。
2. 设备构成:超声波清洗机主要由超声波发生器、清洗槽、清洗液循环装置以及电气控制系统等组成。
三、安全注意事项1. 操作人员需戴上适当的个人防护装备,包括手套、护目镜等,以确保安全。
2. 在操作超声波清洗机时,请确保设备处于稳定的工作环境中,不要将设备暴露在高温、潮湿或易燃的环境下。
3. 请务必按照操作手册的指导正确操作设备,不要随意更改设备参数或操作方式。
4. 当设备发生故障时,请立即停止使用,并及时联系专业维修人员进行维修。
5. 在清洗过程中,请注意不要让清洗液溅到皮肤或眼睛,如有不慎溅到,请及时用清水冲洗,并咨询医生。
四、操作方法1. 准备工作:a. 将超声波清洗机放置在平稳的工作面上,并确保设备通电正常。
b. 检查清洗槽中是否填充了足够的清洗液,确保液位不能低于设备要求。
c. 根据清洗物体的尺寸和形状,选择合适的清洗槽和夹具,并确保夹具安装牢固。
2. 开始清洗:a. 将待清洗的物体放置在清洗槽中,确保物体完全浸没在清洗液中。
b. 根据物体的清洗需求,设置合适的清洗时间和超声波功率。
一般情况下,清洗时间不宜过长,以免损坏物体表面。
c. 启动超声波发生器,开始清洗。
设备工作时会产生高频振动,将清洗液中的超声波传递到物体表面,产生空化作用。
d. 清洗完成后,关闭超声波发生器,并将物体从清洗槽中取出。
为避免物体污染,请往清洗槽中加入适量的清水进行冲洗。
五、注意事项1. 清洗液的选择应根据清洗物体的材质和污垢的性质来确定,避免使用不适合的清洗剂对物体造成损害。
2. 清洗槽中的清洗液应定期更换,以保证清洗效果。
一、目的
规范履带清洗机操作流程,使员工能正确操作履带清洗机。
二、适用范围
适用于本公司履带清洗机操作。
三、作业流程
1、检查设备是否完好,水温是否正常;
2、将准备清洗的产品用穿棒串起来,均匀的放在清洗机履带上;
3、关上清洗机的拉门,开启电源,按设备设定程序进行清洗作业;
4、清洗完成后,经过链条传动,流入容器;
5、每清洗完一批产品,要及时的清理清洗槽中散落的产品,把洗好的产品放入指定的区域。
四、日常维护与保养
1、开启前,要检查设备是否完好、履带是否正常;
2、清洗机在清洗过程中不要随便打开拉门,更不能将手伸进机器里面;
3、定期检查底部油槽中存水量,低于正常标准要及时添加水;
4、每做好一批产品要及时清理清洗槽及清洗机周边的垃圾。
第 1 页共1 页。
AM清洗机作业指导书一、岗位职责1)负责本设备的工作,要做到正确操作,按时保养,确保正常运转;2)清洗前按巡回检查线路对清洗机及管线进行检查,发现问题要及时处理,不能处理的故障要向领导汇报,故障排除前不得运行;3)清洗中定期进行罐底淤渣测量检尺;4)按制定的清洗方案切换流程,保证清洗机运行时间和清洗效果;5)设备运行期间,严禁脱岗、睡岗;6)认真填写设备运转维修记录。
二、作业程序:1、安装前检查尽管清洗机在上一次使用后进行了检查和维护保养,但为防止运输中的碰撞及其它不可预见的情况发生,操作人员必须严格按见附录《安全检查(SCL)分析记录表》所列项目进行检查并记录。
2、安装及注意事项1)清洗机设置在罐顶支柱孔处,清洗机的安装高度为喷头距底板0.5~0.8m,应以外周为起点,依次向内部设置,如下图:储罐清洗机的布置图2)清洗机的安装应避开以下几个地方:单顶板的浮仓部位、罐顶板显著变形处、罐顶扶梯附近、圆周方向及半径方向的相临立柱、气体检测孔处附近。
3)罐顶板显著变形处、滑梯附近的支柱不得撤除;4)在圆周方向及半径方向均不得撤除邻近的支柱,支柱的拔出数应尽量少,这样在罐顶着底后的安全性较好;5)按照清洗机布置图,在安装清洗机处用三脚架将支柱从支柱套管中拔出来,拔出支柱的管口,要用塑料袋堵严,以保证罐内气体不迤出,拔下来的支柱与支柱套简各标上同一标记,以免复原时弄错;6)清洗机为2台同时动作,但须避免连接在同一DN80支管上的清洗机的同时动作,这样会因为口径小而减少喷射油量;7)为了回收底面的淤渣,清洗机首先设定成底板清洗方式,先从靠近吸口的清洗机开始作动,使溶解油容易集中到吸口附近。
然后,依次动作外周部的清洗机。
接下来,动作淤渣量多的部位的清洗机,依次作动中央部位的清洗机。
在淤渣量变少时,将清洗机的清洗方式转换成全面清洗,清洗机的作动顺序是从中央部开始,依序移向外周;8)清洗机在安装前,必须检查其转动是否自如;9)清洗机安装后,必须进行360度圆周旋转和140度上下运动并圆周旋转,在整个过程中不允许有任何的阻碍和碰撞。
彩虹◎家港小板显示有:限公司隹业指导书标题清洗机作业指导书工序制造三部页次1/2编号CZPX—SOP—SB—A356-A/1 版木 / 版次A/1编制日期主要设备辅助工具万用表,于电,十字起,一字起等常用电工工具审核H期批准FI期1,清洗机的开机检查和注意事项。
1.1请在开机前先检查机械各部分是否有界常情况发生,或是有人员或物品阻碍机械的正常运转,如果有请加以清除或排除。
1.2请于每□生产前,预先检查各监视、传感器件是否正常,以免发生故障。
1.3机械运转屮严禁任何人员进入本机器动作范围内,且请勿任意将身体碰触机器运转部分,以免发生危险。
1.4本系统控制方式rti各种传感器检测之信号在经控制器来判断,故在运转过程中,请勿任意去碰触传感器以免发生危险和故障。
1.5非经培训的专业人员,请勿随意进行维修,如需维修请找经过培训的专业人员,维修时请切实注意安全。
1.6除按实际使用情况每日保养外,另需编定保养时间,进行机械保养,使机械能保持正常状况。
1.7当系统做点检维修时,请务必关闭电源总开关,以确保人员及设备的安全,并于控制箱处挂“设备维修屮,请勿送电” Z标识牌,防止他人误开电源,待设备维修完成,确认人员已离开维修区域后再依续重新开机。
2,清洗机的启动和停机步骤。
2. 1首先确认清洗机控制柜内电源控制开关打开。
控制柜内电路元器件是否完好,是否接触不良。
2.2打开清洗机电源,PLC启动后,对所有报警复位,进入清洗机操作台检杳所有工位是否准备止常。
2. 3清洗机参数设置,要使清洗机安全正确运行需要在清洗机参数设置画面进行一系列的参数设置。
2.4参数设置完毕后,需要满足清洗机自动运行前准备工作:第一步:手动打开所有水箱进水阀,将所有水箱灌水至需要的高度。
第二步:将药液箱进水开关打开,用气泵将药液打入药液箱小。
第三步:设置药液浓度PH值,将药液和水混合至需要的浓度PH值。
完成开机前的一切准备工作。
2. 5点击自动选择,然后点击准备,by pass模式,等机器准备完成后,点击开始,清洗机自动运行,然后取消by pass模式。