投标文件技术标第二册货物主要技术指标和性能详细说明
- 格式:docx
- 大小:291.78 KB
- 文档页数:5
施工招标投标文件(技术标部分)项目编号:投标人:(盖单位章)法定代表人或其授权代理人:(签字或盖章)年月日目录第一章总体概述 (1)第二章施工现场平面布置 (5)第三章施工进度计划及保证措施 (10)第四章施工方案与质量保证措施 (28)第五章安全文明施工和环境保护措施 (132)第六章项目管理班子 (147)第七章资源配置计划 (153)第八章季节性施工及成品保护措施 (167)第一章总体概述1.工程概况1.1总体简介工程名称:德州经济技术开发区2017年棚户区改造工程施工。
工程地点:德州经济技术开发区晶华路587号。
招标单位:德州经济技术开发区城乡建设局、德州盛信投资开发有限公司。
设计单位:德州市建筑规划勘查设计研究院。
要求工期:1096日历天(2018年01月15日—2021年01月14日)质量要求:合格1.2建筑设计概况小刘庄、曹村建筑层数,地上19层、地下2层。
建筑功能,地上为住用房、社区中心、商业,地下为车库和设备用房。
绝对标高27.7m。
室外标高,-0.30m。
耐火等级为一级。
墙体:1、外墙:外围护墙(自保温砌块墙构造要求,施工注意事项见图集L15J177《IMS后模注塑夹芯复合砌块墙体自保温系统保温构造》。
2、内墙(加气混凝土砌块请的构造做法,材料要求,技术要求详见图集L13J3-3《加气混凝土砌块墙》)。
填充墙除注明外采用MU3.5加气混凝土试块,M5混合砂浆砌筑墙厚为100厚,200厚,未注明的门垛宽均为100。
填充墙抗震构造,填充墙墙柱连接,框架插筋,过梁,构造柱及圈梁等设置要求详结构施工图设计总说明。
填充墙的预留洞详见设备专业施工图,建筑平面图或放大图,小于300×300的洞口砌筑时可不预留。
外墙面,详见材料做法表。
内墙面,刮腻子喷涂墙面。
楼地面,混凝土垫层地面。
顶棚,板底刮腻子喷涂顶棚、矿棉板吊顶、铝方板吊顶。
踢脚,详见材料作法表及装修做法表。
防水做法:1、室内防水,卫生间,机房等楼地面采用1.5厚聚氨酯防水涂料,防水层均沿四周墙体上卷250高,遇门洞处向外延伸300。
黑龙江工程学院学生公寓 (含游泳馆、浴池工程施工招标投标文件项目编号:SG0100G09081项目名称:黑龙江工程学院学生公寓(含游泳馆、浴池工程投标文件内容:技术标部分投标人:金马建设开发集团股份有限公司 (盖章法定代表或其委托代理人:(签字或盖章日期: 2009 年 7 月 15 日目录第一篇、施工组织设计........................................................................ 4 一、编制说明 (4)1、图纸及设计性指导文件 (4)2、规范性文件.................................................................................... 4 二、工程概况及特点 (7)1、工程概况 (7)2、工程条件 (7)3、工程特点....................................................................................... 8 三、指导思想与实施目标 (9)1、指导思想 (9)2、实施目标…………………………………………………………………………… 9 2.1、工程质量目标…………………………………………………………………… 9 2.2、工期目标………………………………………………………………………… 9 2.3、安全及文明施工目标…………………………………………………………… 9 2.4、投资控制目标.............................................................................. 9 2.5、回访服务目标........................................................................... 10 四、施工部署 (10)1、组织机构 (10)2、施工程序.................................................................................... 11 2.1、 2009年施工程序 (11)2.2、 2010年施工程序 (12)3、施工准备.................................................................................... 13 3.1、现场、环境、交通准备............................................................... 13 3.2、材料准备................................................................................. 14 3.3技术准备...... ... ........................................................................ 14 3.4设备准备............ ............... ...................................................... 15 3.5施工临时用水.............................. ............ ................................. 16 3.6施工临时用电........................... .................. .............................. 18 五、主要施工方法 (22)1、施工测量 (22)2、基坑降水 (24)3、基坑支护工程(土钉墙..................... ..................... ......... (26)4、土方工程 (33)5、桩基础工程 (36)6、地下防水工程.............................................................................. 40 6.1结构自防水............................................. ............ ..................... 41 6.2防水涂料............................................................... .................. 41 6.2自粘型橡胶沥青防水卷材施工 (44)7、大体积混凝土施工 (48)8、模板工程 (53)9、钢筋工程.................................................................................... 63 10、混凝土工程................................................................................. 77 11、钢结构网壳施工 (88)12、脚手架工程................................................................................. 91 13、砌体工程.................................................................................... 97 14、有粘结预应力砼梁结构施工工艺............... ............... ..................... 101 15、装饰工程.......................................... ........................... ............ 108 15.1抹灰工程..................... ............... ............ .............................. 108 15.2墙面砖工程..................... ......... ........................... .................. 111 15.3楼地面工程.................. ... ........................... ........................... 113 15.3.1水泥砂浆地面............................................. ...... ......... ......... 113 15.3.2细石混凝土地面............................................. ...... ...... ......... 116 15.3.3地砖地面施工.............................. ......... ............... ............... 118 15.3.4花岗岩石材地面施工............ .................. ......... ...... (120)15.3.5环氧树脂自流坪地面施工..................... ......... ..................... ... 123 15.3.6防静电架空地板施工.................. ............... ........................... 126 15.4穿孔吸音铝板吊顶施工................................. ...... ......... (130)15.5外墙保温工程..................... ...... ............... ......... ...... ............ 133 15.6 外墙干挂石材幕墙工程............................................. ... ............ 140 15.7外墙氟碳漆施工...... ............ .................. ................................. 143 15.8门窗工程........................ ......... ............... .............................. 147 15.9室内墙面涂料饰面..................... .............................. ......... ...... 149 15.10不锈钢楼梯扶手施工........................ ............ ......... ......... ...... 150 16、屋面工程................................................................................. 152 16.1刚性屋面.......................................... ............ ............... ......... 153 16.2直立复合镀铝锌钢板保温屋面............... .................. ............... (157)六、水暖工程施工.............................. ............ (159)七、电气工程施工 (182)八、保证质量技术组织措施 (194)九、保证安全生产技术措施 (210)十、保证文明施工组织措施............................................................... 216十一、保证环境保护、减少扰民、及学校正常教学施工组织措施............... 220十二、防止质量通病技术措施............................................................ 226十三、季节性施工措施..................................................................... 231 十四、保证配合招标人和监理的监督工作............................................. 241 十五、施工进度计划........................................................................ 244 十六、施工总平面布置图 (246)十七、保证不拖欠农民工工资的承诺................................................... 249 十八、创建安全质量标准化工地的承诺................................................ 250 十九、保证工程质量硬性措施............................................................ 253 二十、保证工期技术措施.................................................................. 256 二十一、采用新技术、新工艺、新材料的技术措施 (261)二十二、成品保护技术措施............................................................... 264二十三、降低成本技术措施............................................................... 270 二十四、质量回访及保修措施............................................................ 273 二十五、工程技术资料管理............................................................... 278 二十六、总包单位与分包单位协作管理的保障....................................... 281 二十七、技术标附表 (286)1、拟投入的主要施工机械设备表 (286)2、劳动力计划表 (288)3、工程投入的主要物资和进场计划表................................................... 289 二十八、计算书 (290)1、超高模板计算书 (290)2、悬挑脚手架计算书 (301)3、施工现场临时用水计算 (305)4、施工现场临时用电计算.................................................................. 307 第二篇:项目管理机构配备情况 (309)一、项目管理机构配备情况表 (309)二、项目经理简历表 (310)三、项目管理人员配备承诺 (311)四、项目经理业绩和获奖证明材料 (314)第一篇:施工组织设计一、编制依据1、图纸及设计性文件2、规范性文件1二、工程概况及特点1、工程概况工程名称:黑龙江工程学院学生公寓(含游泳馆和浴池工程建设单位:黑龙江工程学院设计单位:哈尔滨工业大学建筑设计研究院黑龙江工程学院学生公寓 (含游泳馆和浴池工程工程位于哈尔滨市学院路与东直路南二道街交口处, 黑龙江工程学院院内, 东靠 8#学生宿舍,北邻学院绿地,西临3#食堂。
本文部分内容来自网络整理,本司不为其真实性负责,如有异议或侵权请及时联系,本司将立即删除!== 本文为word格式,下载后可方便编辑和修改! ==投标产品的质量、技术、性能综合说明篇一:投标设备技术性能说明投标设备技术性能说明*****工贸有限公司在管道原材料的选用,生产加工设备及检测设备的购置和严格贯彻执行国家相关生产标准等综合因素确保了产品的可靠性和使用寿命。
体现了公司以“重质、守信”的经营理念。
一、产品特性1、公司选用给水管专用料,它保证了PE管的综合的性能和饮用水卫生安全。
2、PE给水管具有耐腐蚀性、不泄漏性、高韧性、良好的抗刮痕能力、良好的抗快速开裂性等性能,从而保证了产品的使用可靠性和较长的使用寿命。
3、具有良好的卫生性能,无毒,不含重金属添加剂,不结垢,不滋生细菌,符合GB17219安全性评价规定。
4、内壁光滑,摩擦系数极低,是供水管道的首选。
5、耐寒性:在零度以下没有物理变化和不会产生冻裂现象。
6、耐腐蚀性和绝缘性:不存在腐蚀和电位腐蚀,不会产生缩径现象,化学稳定性好,抗各种酸、碱、盐的腐蚀,且具有很好的耐腐蚀性,因此聚乙烯管埋地铺设不需要防腐处理。
7、耐渗透性:不发生任何化学反映,微生物不能渗透。
8、重量轻:仅为镀锌钢管重量的1/7,施工方便,安全省时间。
9、具有独特的柔韧性:在敷设时方便经济,不需开挖工作坑,沟底的平整度要求也不高;材质具有可熔接性,管件与管材为同质量材料,聚乙烯管的熔接接头可以承受轴向负荷而不发生泄露和脱开。
其断裂伸长率大于350%,弯曲半径可以小到管道直径的20-25倍,还有优秀的耐刮伤痕能力,因此铺设时很容易移动,弯曲和穿插。
10、对于管道基础的适用能力强:一方面铺设时对于管基的要求较低,可以节约施工安装费用,且适用年限长、故障率低,所需人力少及工期短,它是一种经济型管材。
11(来自:WWw. : 投标产品的质量、技术、性能综合说明 )、密封性好。
PE管本身采用熔接连接(热熔或电熔),本质上保证了接口材质、结构与管体本身的同一性。
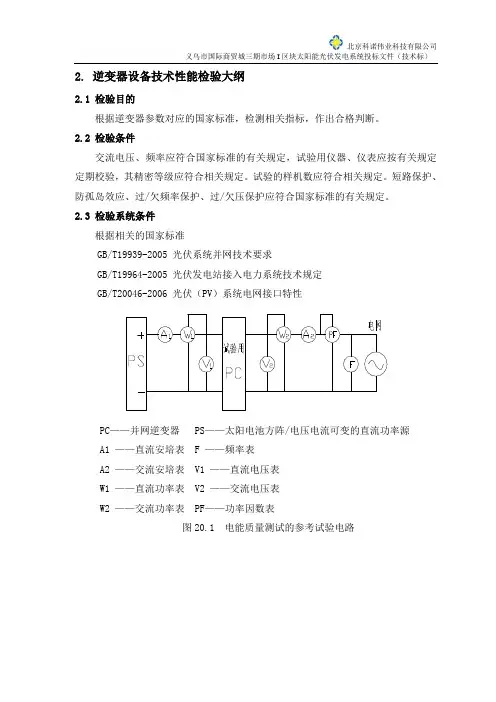
2. 逆变器设备技术性能检验大纲2.1 检验目的根据逆变器参数对应的国家标准,检测相关指标,作出合格判断。
2.2 检验条件交流电压、频率应符合国家标准的有关规定,试验用仪器、仪表应按有关规定定期校验,其精密等级应符合相关规定。
试验的样机数应符合相关规定。
短路保护、防孤岛效应、过/欠频率保护、过/欠压保护应符合国家标准的有关规定。
2.3 检验系统条件根据相关的国家标准GB/T19939-2005 光伏系统并网技术要求GB/T19964-2005 光伏发电站接入电力系统技术规定GB/T20046-2006 光伏(PV)系统电网接口特性PC——并网逆变器 PS——太阳电池方阵/电压电流可变的直流功率源A1 ——直流安培表 F ——频率表A2 ——交流安培表 V1 ——直流电压表W1 ——直流功率表 V2 ——交流电压表W2 ——交流功率表 PF——功率因数表图20.1 电能质量测试的参考试验电路2.4 检验设备及仪器、仪表序号名称精度等级数量型式试验出厂试验1 直流电压表0.5 1.0 12 直流电流表0.5 1.0 13 交流有效值电压表0.5 1.0 14 交流有效值电流表0.5 1.0 15 频率计0.5 1.0 16 兆欧表0.5 0.5 17 数字毫欧表0.5 0.5 18 电桥0.2 0.2 19 半导体点温计0.5 110 精密声级计0.5 0.5 111 频谱仪- - 112 电子示波器+5% +5% 113 直流可调稳压电源- - 114 可调电阻- - 115 振动试验台- - 116 调温箱- - 117 功率计 118 电能质量分析仪 1 2.5 检验项目检验对应的国家标准标准标准名称允许限制GB/T19939-20 05 供电电压单相供电+7%,-10%额定电压单相为220VGB/T19939-2005频率+0.5Hz 即49.5 Hz ~50.5HzGB/T19939-20 05 平均功率因数当光伏系统中逆变器的输出大于其额定输出的50%时,平均功率因数应不小于0.9(超前或滞后)GB/T19939-20 05 过欠电压电压(电网接口处)最大分闸时间U<0.5* U正常0.1s50%* U正常< U<85%* U正常 2.0s85%* U正常< U<110%* U正常继续运行110%* U正常< U<135%* U正常 2.0s135%* U正常< U 0.05s最大分闸时间是指异常状态发生到逆变器停止向电网送电的时间。
施工招标投标文件(技术标部分)项目编号:投标人:(盖单位章)法定代表人或其授权代理人:(签字或盖章)年月日目录第一章总体概述 (1)第二章施工现场平面布置 (5)第三章施工进度计划及保证措施 (10)第四章施工方案与质量保证措施 (28)第五章安全文明施工和环境保护措施 (132)第六章项目管理班子 (147)第七章资源配置计划 (153)第八章季节性施工及成品保护措施 (167)第一章总体概述1.工程概况总体简介工程名称:德州经济技术开发区2017年棚户区改造工程施工。
工程地点:德州经济技术开发区晶华路587号。
招标单位:德州经济技术开发区城乡建设局、德州盛信投资开发有限公司。
设计单位:德州市建筑规划勘查设计研究院。
要求工期:1096日历天(2018年01月15日—2021年01月14日)质量要求:合格建筑设计概况小刘庄、曹村建筑层数,地上19层、地下2层。
建筑功能,地上为住用房、社区中心、商业,地下为车库和设备用房。
绝对标高。
室外标高,。
耐火等级为一级。
墙体:1、外墙:外围护墙(自保温砌块墙构造要求,施工注意事项见图集L15J177《IMS后模注塑夹芯复合砌块墙体自保温系统保温构造》。
2、内墙(加气混凝土砌块请的构造做法,材料要求,技术要求详见图集L13J3-3《加气混凝土砌块墙》)。
填充墙除注明外采用加气混凝土试块,M5混合砂浆砌筑墙厚为100厚,200厚,未注明的门垛宽均为100。
填充墙抗震构造,填充墙墙柱连接,框架插筋,过梁,构造柱及圈梁等设置要求详结构施工图设计总说明。
填充墙的预留洞详见设备专业施工图,建筑平面图或放大图,小于300×300的洞口砌筑时可不预留。
外墙面,详见材料做法表。
内墙面,刮腻子喷涂墙面。
楼地面,混凝土垫层地面。
顶棚,板底刮腻子喷涂顶棚、矿棉板吊顶、铝方板吊顶。
踢脚,详见材料作法表及装修做法表。
防水做法:1、室内防水,卫生间,机房等楼地面采用厚聚氨酯防水涂料,防水层均沿四周墙体上卷250高,遇门洞处向外延伸300。
2018-投标产品的质量、技术、性能综合说明word版本(4页)本文部分内容来自网络整理,本司不为其真实性负责,如有异议或侵权请及时联系,本司将立即删除!== 本文为word格式,下载后可方便编辑和修改! ==投标产品的质量、技术、性能综合说明篇一:投标设备技术性能说明投标设备技术性能说明*****工贸有限公司在管道原材料的选用,生产加工设备及检测设备的购置和严格贯彻执行国家相关生产标准等综合因素确保了产品的可靠性和使用寿命。
体现了公司以“重质、守信”的经营理念。
一、产品特性1、公司选用给水管专用料,它保证了PE管的综合的性能和饮用水卫生安全。
2、PE给水管具有耐腐蚀性、不泄漏性、高韧性、良好的抗刮痕能力、良好的抗快速开裂性等性能,从而保证了产品的使用可靠性和较长的使用寿命。
3、具有良好的卫生性能,无毒,不含重金属添加剂,不结垢,不滋生细菌,符合GB17219安全性评价规定。
4、内壁光滑,摩擦系数极低,是供水管道的首选。
5、耐寒性:在零度以下没有物理变化和不会产生冻裂现象。
6、耐腐蚀性和绝缘性:不存在腐蚀和电位腐蚀,不会产生缩径现象,化学稳定性好,抗各种酸、碱、盐的腐蚀,且具有很好的耐腐蚀性,因此聚乙烯管埋地铺设不需要防腐处理。
7、耐渗透性:不发生任何化学反映,微生物不能渗透。
8、重量轻:仅为镀锌钢管重量的1/7,施工方便,安全省时间。
9、具有独特的柔韧性:在敷设时方便经济,不需开挖工作坑,沟底的平整度要求也不高;材质具有可熔接性,管件与管材为同质量材料,聚乙烯管的熔接接头可以承受轴向负荷而不发生泄露和脱开。
其断裂伸长率大于350%,弯曲半径可以小到管道直径的20-25倍,还有优秀的耐刮伤痕能力,因此铺设时很容易移动,弯曲和穿插。
10、对于管道基础的适用能力强:一方面铺设时对于管基的要求较低,可以节约施工安装费用,且适用年限长、故障率低,所需人力少及工期短,它是一种经济型管材。
11(来自:WWw. : 投标产品的质量、技术、性能综合说明)、密封性好。
性能保证篇一:投标文件-技术标-第二册(二)技术支持及性能保证措施第二章技术支持及性能保证措施北京科诺伟业科技有限公司及其前身中国科学院电工研究所新能源研究室是国内最早从事太阳能光伏发电研究及产品开发的单位之一,对光伏发电系统技术积累了极其丰富的经验,具有国内领先技术水平。
针对本项目我公司承诺提供如下的技术支持并对设备的性能采取如下的保证措施:1. 技术支持1.1 并网许可证申请技术支持我公司承诺负责对并网许可证申请的技术支持,提供相关技术资料,解答并网光伏发电系统并网的技术问题,协助业主开展光伏发电系统并网许可相关的检测和试验工作等方面的技术支持。
1.2 申请上网电价技术支持如业主需要申请上网电价,我公司承诺负责协助对上网电价申请的相关技术资料的技术支持,并协助申请过程中有关事项支持工作。
1.3 光伏发电系统与建筑设计结合的技术支持提供光伏发电系统与建筑结合,建筑设计单位对光伏发电系统需要配合的技术支持。
1.4 光伏发电系统实施过程中的技术支持为系统用户提供全程的技术支持,包括系统技术咨询、系统设计、系统安装、系统调试、技术培训等技术支持。
1.5 光伏发电系统运行过程中的技术支持为系统用户提供系统管理、维护、检修、更换新设备等技术支持。
提供本光伏发电系统的终生技术支持。
2. 性能保证措施我公司对光伏发电系统采取从系统设计、设备选型、设备制造、设备检验、设备安装等各个环节层层严格控制设备性能,并按本公司的ISO9001-2000质量管理体系程序严格控制各设备性能指标,确保整个系统各设备性能指标达到本项目的技术要求和国家相关技术规范要求。
保证光伏发电系统的美观性、先进性、成熟稳定性和展示性。
采取的性能保证措施如下:2.1 系统设计性能保证措施我公司将派具有光伏系统设计极其丰富经验的各专业设计师负责本项目的设计工作,从设计方案到施工图每个阶段都必须经过集体评审通过,并由相关责任人签名确认,并由技术总监把关确定。
混凝土投标货物主要技术指标和性能的详细说明文稿归稿存档编号:[KKUY-KKIO69-OTM243-OLUI129-G00I-FDQS58-(一)货物主要技术指标和性能的详细说明我方仔细研究了招标人所采购商砼的使用部位及混凝土标号,公司将严格控制原材料进场复验制度,同时优化配合比设计,满足混凝土应有的强度及良好的拌合物性能、力学性能和耐久性能。
混凝土配合比设计时符合下列要求:混凝土配合比设计应采用工程实际使用的原材料,并应满足国家现行标准的有关要求;配合比设计应以干燥状态骨料为基准,细骨料含水率应小于 0.5%,粗骨料含水率应小于0.2%;为了提高和改善混凝土的工作性,在混凝土中添加外加剂和矿物掺合料,矿物掺合料在混凝土中的掺量应通过试验确定;混凝土拌合物中水溶性氯离子最大含量不应大于0.3%;综合考虑混凝土所处的环境,混凝土的配合比应通过试配、调整、最终确定,以满足混凝土的强度及工作性。
抗压强度是评定混凝土质量的主要指标,检测留置的28天龄期的试件的抗压强度应达到100%及以上。
混凝土具备的性能:包括良好的拌合物性能、力学性能和耐久性能1、拌合物性能:混凝土拌合物的性能包括和易性、凝结时间等。
(1)、和易性——混凝土拌合物的和易性又称工作性,包括流动性、粘聚性和保水性等。
以稠度实验来评定和易性,稠度实验包括以及。
流动性——指混凝土拌合物在自重力或机械振动力作用下易于产生流动、易于输送和易于充满混凝土模板地性质。
粘聚性——混凝土拌合物在施工过程中保持整体均匀一致的能力。
粘聚性好可保证混凝土拌合物在输送、浇灌、成型等过程中,不发生分层、离析,即保证硬化后混凝土内部结构均匀。
保水性——混凝土拌合物在施工过程中保持水分的能力。
保水性好可保证混凝土拌合物在输送、成型及凝结过程中,不发生大的或严重的泌水,既可避免由于泌水产生的大量的连通毛细孔隙,又可避免由于泌水,使水在粗骨料聚积所造成的界面粘结缺陷。
保水性对混凝土的强度和耐久性有较大的影响。
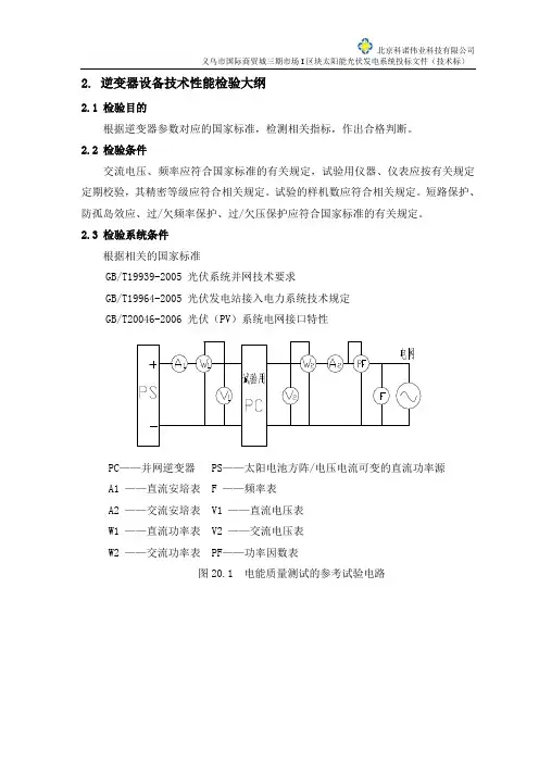
2. 逆变器设备技术性能检验大纲2.1 检验目的根据逆变器参数对应的国家标准,检测相关指标,作出合格判断。
2.2 检验条件交流电压、频率应符合国家标准的有关规定,试验用仪器、仪表应按有关规定定期校验,其精密等级应符合相关规定。
试验的样机数应符合相关规定。
短路保护、防孤岛效应、过/欠频率保护、过/欠压保护应符合国家标准的有关规定。
2.3 检验系统条件根据相关的国家标准GB/T19939-2005 光伏系统并网技术要求W2 ——交流功率表 PF——功率因数表图20.1 电能质量测试的参考试验电路2.4 检验设备及仪器、仪表序号名称精度等级数量型式试验出厂试验1 直流电压表0.5 1.0 12 直流电流表0.5 1.0 13 交流有效值电压表0.5 1.0 14 交流有效值电流表0.5 1.0 15 频率计0.5 1.0 16 兆欧表0.5 0.5 17 数字毫欧表0.5 0.5 18 电桥0.2 0.2 19 半导体点温计0.5 110 精密声级计0.5 0.5 111 频谱仪- - 112 电子示波器+5% +5% 113 直流可调稳压电源- - 114 可调电阻- - 115 振动试验台- - 116 调温箱- - 117 功率计 118 电能质量分析仪 1 2.5 检验项目检验对应的国家标准标准标准名称允许限制GB/T19939-20 05 供电电压单相供电+7%,-10%额定电压单相为220VGB/T19939-2005频率+0.5Hz 即49.5 Hz ~50.5HzGB/T19939-20 05 平均功率因数当光伏系统中逆变器的输出大于其额定输出的50%时,平均功率因数应不小于0.9(超前或滞后)GB/T19939-20 05 过欠电压电压(电网接口处)最大分闸时间U<0.5* U正常0.1s50%* U正常< U<85%* U正常 2.0s85%* U正常< U<110%* U正常继续运行110%* U正常< U<135%* U正常 2.0s135%* U正常< U 0.05s最大分闸时间是指异常状态发生到逆变器停止向电网送电的时间。
招标货物技术参数要求1、技术参数及性能要求招标文件中为简述货物品质、基本性能而描述的技术参数及性能要求,仅供投标人选择货物在质量、水平上的比照参考,不具有限制性。
投标人可提供品质相同或优于同类产品的货物。
2、热敏纸性能指标:2.1 纸张性能热敏纸张性能应符合表 1 要求:表 1 体育彩票专用热敏纸性能要求2.2 热敏涂层面印刷2.2.1 版面图案分两款,单张热敏纸印刷图案示意如图 1 所示:图案1:体育彩票标志规格为40.0mm(宽)×40.0 mm(高),规格偏差≤0.1 mm,相邻标志间隔50.8 mm±0.1 mm;裁切后单张票面有2个完整标志图形且居中排列。
即上下两个标志中心位置距票面上下两端分别为25.4 mm±0.1 mm。
图案2:体育彩票标志规格为8.5 mm(宽)×8.5 mm(高),规格偏差≤0.1 mm,做反白处理均匀排列。
图 1 单张热敏纸印刷图案示意 (涂层面)2.2.2 边条内包括体育彩票标志和竖版“中国体育彩票”字样,边条宽度4 mm ±0.1 mm。
2.2.3 印刷版缝须处于单张热敏纸的上或下端面位置,最多连续3 张出现1次,接版缝处允许留白或搭边,宽度≦ 0.3 mm。
2.2.4为保证同款产品不同批次间印刷颜色特征稳定,热敏涂层面印刷颜色的亮度和色相控制范围,应符合表2要求:表 2 热敏纸涂层面印刷颜色控制范围2.2.5印刷油墨干燥充分,版面干净、无污渍、无划痕、不粘脏,版缝衔接处无脏迹。
2.2.6印刷底色及边条等图案信息完整、连续、一致,且不影响后续投注信息的打印和正确识读。
2.2.7 热敏涂层面与装饰图案面正背印刷套印偏差≦1.0 mm。
2.3 装饰图案面印刷2.3.1 图案挂网线数不低于150 L/inch,网线角度准确,不出现干涉条纹。
2.3.2 图案印刷清晰、完整,多色套印误差≤0.2mm。
2.3.3 图案印刷色彩均匀、自然、协调,符合设计原稿或签样要求;同批次同部位颜色无明显差异,色差ΔE≤4.0。
引言概述:正文内容:
大点一:货物的基本信息
1.货物的名称、型号与规格
2.货物的用途和功能
3.货物的外观、结构与材料
大点二:货物的技术参数
1.货物的尺寸、重量与容积
2.货物的工作原理与性能指标
3.货物的电气参数与接口定义
大点三:货物的质量保证体系
1.货物的质量标准与认证
2.货物的生产质量控制措施
3.货物的售后服务与质量承诺
大点四:货物的技术优势与创新点
1.货物与市场上同类产品的比较分析
2.货物的创新技术与独特功能
3.货物的专利技术与研发实力
大点五:货物的环境友好性与可持续发展
1.货物的材料与能耗指标
2.货物的废弃物处理方式
3.货物的循环利用与节能减排效益总结:。
本文部分内容来自网络整理,本司不为其真实性负责,如有异议或侵权请及时联系,本司将立即删除!== 本文为word格式,下载后可方便编辑和修改! ==投标产品的质量、技术、性能综合说明篇一:投标设备技术性能说明投标设备技术性能说明*****工贸有限公司在管道原材料的选用,生产加工设备及检测设备的购置和严格贯彻执行国家相关生产标准等综合因素确保了产品的可靠性和使用寿命。
体现了公司以“重质、守信”的经营理念。
一、产品特性1、公司选用给水管专用料,它保证了PE管的综合的性能和饮用水卫生安全。
2、PE给水管具有耐腐蚀性、不泄漏性、高韧性、良好的抗刮痕能力、良好的抗快速开裂性等性能,从而保证了产品的使用可靠性和较长的使用寿命。
3、具有良好的卫生性能,无毒,不含重金属添加剂,不结垢,不滋生细菌,符合GB17219安全性评价规定。
4、内壁光滑,摩擦系数极低,是供水管道的首选。
5、耐寒性:在零度以下没有物理变化和不会产生冻裂现象。
6、耐腐蚀性和绝缘性:不存在腐蚀和电位腐蚀,不会产生缩径现象,化学稳定性好,抗各种酸、碱、盐的腐蚀,且具有很好的耐腐蚀性,因此聚乙烯管埋地铺设不需要防腐处理。
7、耐渗透性:不发生任何化学反映,微生物不能渗透。
8、重量轻:仅为镀锌钢管重量的1/7,施工方便,安全省时间。
9、具有独特的柔韧性:在敷设时方便经济,不需开挖工作坑,沟底的平整度要求也不高;材质具有可熔接性,管件与管材为同质量材料,聚乙烯管的熔接接头可以承受轴向负荷而不发生泄露和脱开。
其断裂伸长率大于350%,弯曲半径可以小到管道直径的20-25倍,还有优秀的耐刮伤痕能力,因此铺设时很容易移动,弯曲和穿插。
10、对于管道基础的适用能力强:一方面铺设时对于管基的要求较低,可以节约施工安装费用,且适用年限长、故障率低,所需人力少及工期短,它是一种经济型管材。
11(来自:WWw. : 投标产品的质量、技术、性能综合说明 )、密封性好。
PE管本身采用熔接连接(热熔或电熔),本质上保证了接口材质、结构与管体本身的同一性。
第二章技术支持及性能保证措施北京科诺伟业科技有限公司及其前身中国科学院电工研究所新能源研究室是国内最早从事太阳能光伏发电研究及产品开发的单位之一,对光伏发电系统技术积累了极其丰富的经验,具有国内领先技术水平。
针对本项目我公司承诺提供如下的技术支持并对设备的性能采取如下的保证措施:1. 技术支持1.1 并网许可证申请技术支持我公司承诺负责对并网许可证申请的技术支持,提供相关技术资料,解答并网光伏发电系统并网的技术问题,协助业主开展光伏发电系统并网许可相关的检测和试验工作等方面的技术支持。
1.2 申请上网电价技术支持如业主需要申请上网电价,我公司承诺负责协助对上网电价申请的相关技术资料的技术支持,并协助申请过程中有关事项支持工作。
1.3 光伏发电系统与建筑设计结合的技术支持提供光伏发电系统与建筑结合,建筑设计单位对光伏发电系统需要配合的技术支持。
1.4 光伏发电系统实施过程中的技术支持为系统用户提供全程的技术支持,包括系统技术咨询、系统设计、系统安装、系统调试、技术培训等技术支持。
1.5 光伏发电系统运行过程中的技术支持为系统用户提供系统管理、维护、检修、更换新设备等技术支持。
提供本光伏发电系统的终生技术支持。
2. 性能保证措施我公司对光伏发电系统采取从系统设计、设备选型、设备制造、设备检验、设备安装等各个环节层层严格控制设备性能,并按本公司的ISO9001-2000质量管理体系程序严格控制各设备性能指标,确保整个系统各设备性能指标达到本项目的技术要求和国家相关技术规范要求。
保证光伏发电系统的美观性、先进性、成熟稳定性和展示性。
采取的性能保证措施如下:2.1 系统设计性能保证措施我公司将派具有光伏系统设计极其丰富经验的各专业设计师负责本项目的设计工作,从设计方案到施工图每个阶段都必须经过集体评审通过,并由相关责任人签名确认,并由技术总监把关确定。
设计过程中精确计算各设备性能之间的配置,确保系统设备配置合理,使系统运行性能达到最佳状态,并达到本项目的技术要求和国家相关规范要求及行业标准要求。
混凝土投标(货物主要技术指标和性能的详细说明)一)货物主要技术指标和性能的详细说明我方仔细研究了招标人所采购商砼的使用部位及混凝土标号,公司将严格控制原材料进场复验制度,同时优化配合比设计,满足混凝土应有的强度及良好的拌合物性能、力学性能和耐久性能。
混凝土配合比设计时符合下列要求:混凝土配合比设计应采用工程实际使用的原材料,并应满足国家现行标准的有关要求;配合比设计应以干燥状态骨料为基准,细骨料含水率应小于0.5%,粗骨料含水率应小于0.2%;为了提高和改善混凝土的工作性,在混凝土中添加外加剂和矿物掺合料,矿物掺合料在混凝土中的掺量应通过试验确定;混凝土拌合物中水溶性氯离子最大含量不应大于0.3%;综合考虑混凝土所处的环境,混凝土的配合比应通过试配、调整、最终确定,以满足混凝土的强度及工作性。
抗压强度是评定混凝土质量的主要指标,检测留置的28天龄期的试件的抗压强度应达到100%及以上。
混凝土具备的性能:包括良好的拌合物性能、力学性能和耐久性能1、拌合物性能:混凝土拌合物的性能包括和易性、凝结时间等。
1)、和易性——混凝土拌合物的和易性又称工作性,包括流动性、粘聚性和保水性等。
以稠度实验来评定和易性,稠度实验包括坍落度与坍落扩展度法以及维勃稠度法。
流动性——指混凝土拌合物在自重力或机械振动力作用下易于产生流动、易于输送和易于充满混凝土模板地性质。
粘聚性——混凝土拌合物在施工过程中保持整体均匀一致的能力。
粘聚性好可保证混凝土拌合物在输送、灌溉、成型等过程中,不发生分层、离析,即保证硬化后混凝土内部布局均匀。
保水性——混凝土拌合物在施工过程中保持水分的能力。
保水性好可保证混凝土拌合物在输送、成型及凝结过程中,不发生大的或严重的泌水,既可避免因为泌水产生的大量的连通毛细孔隙,又可避免因为泌水,使水在粗骨料聚积所形成的界面粘结缺点。
保水性对混凝土的强度和历久性有较大的影响。
2)、混凝土凝结时间测定从混凝土拌合物中筛出砂浆用贯入阻力法来测定坍落度值不为零的混凝土拌合物凝结时间。
第二章技术支持及性能保证措施北京科诺伟业科技有限公司及其前身中国科学院电工研究所新能源研究室是国内最早从事太阳能光伏发电研究及产品开发的单位之一,对光伏发电系统技术积累了极其丰富的经验,具有国内领先技术水平。
针对本项LI我公司承诺提供如下的技术支持并对设备的性能采取如下的保证描施:1.技术支持1.1并网许可证申请技术支持我公司承诺负责对并网许可证申请的技术支持,提供相关技术资料,解答并网光伏发电系统并网的技术问题,协助业主开展光伏发电系统并网许可相关的检测和试验工作等方面的技术支持。
1.2申请上网电价技术支持如业主需要申请上网电价,我公司承诺负责协助对上网电价申请的相关技术资料的技术支持,并协助申请过程中有关事项支持工作。
1.3光伏发电系统与建筑设计结合的技术支持提供光伏发电系统与建筑结合,建筑设计单位对光伏发电系统需要配合的技术支持。
1.4光伏发电系统实施过程中的技术支持为系统用户提供全程的技术支持,包括系统技术咨询、系统设计、系统安装、系统调试、技术培训等技术支持。
1.5光伏发电系统运行过程中的技术支持为系统用户提供系统管理、维护、检修、更换新设备等技术支持。
提供本光伏发电系统的终生技术支持。
2.性能保证措施我公司对光伏发电系统采取从系统设计、设备选型、设备制造、设备检验、设备安装等各个环节层层严格控制设备性能,并按本公司的IS09001-2000质量管理体系程序严格控制各设备性能指标,确保整个系统各设备性能指标达到本项U的技术要求和国家相关技术规范要求。
保证光伏发电系统的美观性、先进性、成熟稳定性和展示性。
采取的性能保证措施如下:2.1系统设计性能保证措施我公司将派具有光伏系统设讣极其丰富经验的各专业设计师负责本项LI的设讣工作,从设计方案到施工图每个阶段都必须经过集体评审通过,并山相关责任人签名确认,并由技术总监把关确定。
设计过程中精确计算各设备性能之间的配置,确保系统设备配置合理,使系统运行性能达到最佳状态,并达到本项LI的技术要求和国家相关规范要求及行业标准要求。
第九章货物主要技术指标和性能详细说明
1. 光伏组件
本项目将采用天威英利新能源有限公司生产的185(23)PR1310×990型光伏组件7000块。
组件具体信息如下:
型式:晶体硅光伏组件;
型号:185(23)PR1310×990
尺寸结构:1310mm×990mm×50mm
使用粘合胶体类型:硅胶;
在AM=、1000W/㎡的辐照度、25℃的电池温度下的峰值参数:
a 标准功率:185W
b 峰值电压:24V
c 峰值电流:
d 短路电流:
e 开路电压:30V
f 系统电压:1000V(max)
温度范围:-40℃——+85℃
功率误差范围:± 3%
承受冰雹:2400Pa (按照IEC61215标准测试)
接线盒类型:QC 0506-1 或RH 0501-4
接线盒防护等级:IP65
接线盒连接线长度:正极 0.9m ,负极 0.9m
组件效率: %
组件的填充因子:≥70%
框架结构使用材料:6063-T5 铝合金
边框和电池距离:最小距离11mm
组件使用寿命:≥25年
图:组件外观和IV曲线
图:组件正视图和后视图
此组件采用高效多晶硅电池片,组件整体输出效率%。
组件表面采用高透过率的超白钢化玻璃,并经过防反射处理,提高组件效率。
2. 并网逆变器
并网逆变器采用德国SMA公司生产的SUNNY CENTRAL系列机型中的SC150型产品。
SMA逆变器为国际知名品牌,SC150是为大型光伏电站设计的一款三相集中型并网光伏逆变器,最大光伏阵列接入功率为175千瓦,主要应用与集中光伏电站和大型屋顶光伏系统,具有CE认证。
本项目中将采用SMA公司生产的SC150型逆变器8台,设备为全新生产的,所用主要电子元器件均为工业级以上产品,出厂前将经过严格检验,交货时将随机提交出厂检验报告和详细的安装调试说明书。
2.1 SC150具体参数
2.2 SC150控制保护功能
直流欠电压自动停机;
直流过电压保护:直流电压超过900V自动停机并报警;
交流电压异常保护:当交流侧电压高于或低于额定电压10%时,逆变器自动
停机并报警;
交流过电流保护:输出电流超过120%额定电流30秒或超过150%额定电流3
秒时,逆变器自动停机并报警;
输出电路保护:负载侧发生短路时,逆变器自动停机并报警;
单相故障保护:发生单相故障时,逆变器自动停机并报警;
防雷保护:具有防雷保护功能,有效避免雷电波侵入;
孤岛效应保护:具有被动式和主动式孤岛效应保护。
3. 直流汇线箱
义乌市国际商贸城建设太阳能光伏发电系统项目将采用北京科诺伟业科技有限公司生产的直流汇线箱22台。
接线箱具有以下特点:
16路光伏支路接入汇流;
具有直流输入防雷保护;
实现各光伏支路直流保护;
防护等级IP65,满足室外安装要求。
4. 交直流控制柜
本项目将采用北京科诺伟业科技有限公司针对此项目设计生产的交直流控制柜8台,将分别安装于8个太阳能系统控制室内。
具体描述如下:
柜体采用冷轧钢板制作,板厚≥1.5mm;
柜体尺寸(宽×深×高):800×800×2200mm;
防护等级IP20;
全部金属结构做防腐处理,表面静电喷塑处理,外观颜色与逆变器协调;
柜内元器件采用通过国内认证的国际知名品牌产品;
具有过流、速断等系统保护措施;
具有逆功率检测和保护功能;
具有综合电能测试仪,记录子系统运行数据。
5. 电缆
所有电缆采用阻燃、抗紫外线型软铜芯电缆。
6. 配电线槽
所有配电线槽采用壁厚大于1mm的冷轧钢板加工,表面做热镀锌防腐处理,并涂有防火涂层。
配电线槽间采用配套连接片进行连接,并配合跨接铜带。
7. 光伏阵列支架
光伏阵列支架采用Q235材料国标型材加工,表面做防腐处理,满足长期室外使用要求,抗风等级40m/s。
组件间连接采用不锈钢螺栓。