火灾模拟软件的选取
- 格式:docx
- 大小:23.31 KB
- 文档页数:10
火灾动态模拟器FDS软件介绍摘要:FDS(Fire Dynamics Simulator)作为研究火灾中烟气传播规律以及火灾预防研究的开源代码,在科学研究和工程实践中得到日益广泛的应用,本文简要介绍了该软件的特点、安装平台、编译、使用方法以及注意事项,在文章末尾给出了几个典型的应用实例。
1.简介FDS(Fire Dynamics Simulator)是美国国家标准研究所(NIST:National Institute of Standards and Technology)建筑火灾研究实验室(Building and Fire Research Laboratory)开发的模拟火灾中流体运动的计算流体动力学软件。
该软件采用数值方法求解受火灾浮力驱动的低马赫数流动的NS 方程(粘性流体NavisStokes),重点计算火灾中的烟气和热传递过程。
由于FDS是开放的源码,在推广使用的同时,根据使用者反馈的信息持续不断地完善程序。
因此,在火灾科学领域得到了广泛应用。
其源码可以从/fds/下载并学习。
该软件发展到现在已有25年的历史,在九十年代中期,LES(large-eddy simulation)、NIST-LES、LES3D、 IFS(Industrial Fire Simulator)和ALOFT(ALarge Outdoor Fire Plume Trajectory)等代码统一被整理发展成为FDS,从2000年开始对外发布,2001年12月发布第二版,2002年12月发布了第三版,2004年8月发布了第四版,2005年发布了第五版,当前版本为5.2。
该程序源码包括25个独立的Fortran文件,每个都是模型相关的程序,比如:质量方程、动量方程、能量方程、压力求解、灭火洒水等。
该软件就有很大的开放性,其源码放在特定的ftp上,即使做了小的改动,也可以在ftp上发现新文件;除此之外,专门的讨论区便于使用者交流经验与发现问题。
FDS入门教程范文FDS(Fire Dynamics Simulator)是一种用于模拟火灾动力学的计算机模拟软件。
它可以模拟火灾的发展过程,包括火源的燃烧、火势的扩展、热量的传递等。
本文将介绍FDS的入门教程。
二、运行FDS安装完成后,可以开始运行FDS。
首先,打开FDS软件,并选择一个工作目录。
工作目录用于存放输入文件和输出结果。
创建完输入文件后,保存文件并返回到FDS软件界面。
在软件界面中,点击“计算”按钮开始计算火灾场景。
软件将根据输入文件的内容进行模拟,并生成相应的输出结果。
三、分析输出结果计算完成后,可以查看输出结果。
FDS生成的输出结果包括火势的热图、烟气浓度图、温度分布图等。
可以通过软件提供的图形用户界面来查看结果,并进行一些分析和后处理。
热图用不同颜色表示火势的强度,红色表示高温和强火势,蓝色表示低温和弱火势。
烟气浓度图显示了烟气在场景中的分布情况,可以帮助评估火灾对人员的危害程度。
温度分布图显示了场景中不同位置的温度分布情况,可以帮助评估火灾的热量传递和燃烧情况。
四、优化和改进模型根据输出结果,可以进行一些优化和改进。
例如,如果发现烟气浓度过高,可以调整通风系统或增加安全出口来改善室内环境。
另外,还可以尝试使用不同的燃料类型或调整燃烧速率,以改变火势的扩展速度和强度。
此外,还可以对模型进行参数敏感性分析和验证。
参数敏感性分析可以帮助确定哪些参数对结果影响最大,以便优化模型和计算效率。
验证可以与实际火灾场景进行比较,以评估模型的准确性和可靠性。
总结。
火灾事故数据下载什么软件在今天的社会中,火灾事故给人们的生活和财产造成了严重的损失。
为了有效地预防和管理这样的事故,充分了解和分析火灾事故数据是非常关键的。
因此,许多政府机构、研究机构和企业需要获取大量的火灾事故数据以进行深入的分析和研究。
而获取火灾事故数据最有效的途径之一就是使用专门的数据下载软件。
本文将介绍几种常见的火灾事故数据下载软件,并提供它们的下载和使用方法。
1. 火灾事故数据库下载工具火灾事故数据库是一种专门用于收集、储存和管理火灾事故数据的软件工具。
它可以帮助用户获取大量的火灾事故数据,并提供分析和查询功能。
常见的火灾事故数据库下载工具包括NFIRS、USFA、NCFS和FEMA等。
NFIRS(National Fire Incident Reporting System)是美国国家消防事故报告系统,它提供了全国范围内的详细的消防事故数据。
用户可以通过NFIRS官方网站免费下载和查询火灾事故数据。
在该网站上,用户需先注册账号,然后登录并按照提示进行操作即可下载所需的火灾事故数据。
USFA(United States Fire Administration)是美国国家消防管理局,它提供了大量的消防事故数据及相关资料。
用户可以通过USFA官方网站免费下载和查询火灾事故数据。
在该网站上,用户可以根据自身的需求选择所需的数据并进行下载。
NCFS(National Center for Fire Statistics)是美国国家消防统计中心,它提供了全国各地的消防事故数据。
用户可以通过NCFS官方网站免费下载和查询火灾事故数据。
在该网站上,用户可以根据区域和时间等条件进行查询并下载所需的数据。
FEMA(Federal Emergency Management Agency)是美国联邦应急管理局,它提供了全国范围内的消防事故数据。
用户可以通过FEMA官方网站免费下载和查询火灾事故数据。
在该网站上,用户可以根据自身的需求选择所需的数据并进行下载。
第6卷第4期2008年12月水利与建筑工程学报Journal of Water Resources and A rchitectural EngineeringV ol.6No.4Dec.,2008收稿日期:2008 09 08 修回日期:2008 09 18作者简介:于 群(1981 ),男(汉族),辽宁鞍山人,硕士研究生,主要从事建筑结构抗火性能的研究。
浅析FDS 火灾模拟与应用于 群,刘 畅,张 亮(沈阳建筑大学土木工程学院,辽宁沈阳110168)摘 要:FDS(F ire Dynamics Simulator)是火灾模拟中的一个重要软件。
它根据建筑和火灾的特性,通过对火灾场景的模拟,以简单直观的形式动态显示出火灾发生的全过程,并在计算过程中获得较准确的火灾相关参数,如温度场分布,烟气流动及热辐射等。
基于FDS 软件的使用,在设定火灾发生场景时,主要包括空间尺寸的定义、网格划分、模拟时间的设定、火源设置、障碍物的设定及其边界条件等。
该软件采用先进的大涡流模拟技术,在时间和空间的预测上具有二阶精度,得到众多实例的验证,在建筑结构和火灾安全工程领域应用十分广泛。
关键词:火灾;场模拟程序;温度场;计算机模拟中图分类号:X4;T U 998.12 文献标识码:A 文章编号:1672 1144(2008)04 0124 03Analysis on Fire Simulation and Application Based on FDSYU Qun,LIU Chang,ZHANG Liang(Civil Engineer ing College of S heny ang A r chitectur al Univer sity ,Sheny ang ,L iaoning 110168,China)Abstract:Based on t he field simulat ion program FDS(Fire Dynamics Simulat or)is a major fire simulation soft ware.According t o t he characterist ics of a building and fire and t hrough simulat ing t he fire scene,the whole fire process is dis played dynamic ally in a simple and intuit ive form,and some fire relat ed parameters are obtained,such as the temperature dist ribut ion,the smoke gas flow,the thermal radiat ion and so on.Based on the FDS software,the sett ing of the fire scene mainly includes:t he space size,meshing grids,simulat ion time,fire resource,obstacles,boundary conditions and so on.By using t he advanced simulation technology of big sw irl,the software has t he sec ond order accuracy in time and space,it is verified by a great number of samples,and applied in the building st ructure and fire safety engineering fields.Keywor ds:fire ;field simulation program ;tem perature field distribu tion;com puter simu lation1 概述近年来,计算机技术的蓬勃发展,引导了科学研究的各个领域,成为科研深讨中不可缺少的工具。
火灾逃生模拟软件随着OTT和大数据的快速发展,消费者对各种应用的要求越来越高。
特别是在紧急情况和危机管理领域,最好的行动就是事先准备好并熟练操作,在火灾逃生方面,为了让人们在真正的火灾中有更好的生存机会,火灾逃生软件正在越来越受欢迎。
一些公司和学术机构都开始研究和开发火灾逃生模拟软件。
可以预见,这样的工具具有获得批准的理由。
通过使用这些模拟软件,人们可能会在小规模火灾中培养应对危机的意识和能力。
虽然这些模拟软件无法确保在大规模火灾中的生存,但它们可以为实际的模拟训练提供潜在的好处,这对于员工培训和安全意识的提高会有所帮助。
火灾逃生模拟软件的目的火灾逃生模拟软件可模拟许多场景,并提供逃生计划的参考。
该软件可以帮助用户学习逃生技能和知识,如如何安全地从五楼使用楼梯集中逃生,如何扶老人和幼儿,如何穿越浓烟和如何使用楼层计划和路线。
这些特定的技能和知识可以帮助用户在火灾中最大限度地保护自己和他人。
火灾逃生模拟软件的用途1. 企业和团队的培训:单位和企业可以使用火灾逃生模拟软件来培训员工怎样应对火灾。
通过播放模拟火灾场景,员工将获得逃生技能和逃生计划的参考。
这可以提高员工在火灾事件中的生存和逃生效率,保证员工的生命财产安全。
2. 学校教育:火灾逃生模拟软件也可在学校教育中使用。
通过此软件,学生可以学习如何更好地防止和处理火灾事件。
学生将通过播放模拟火灾场景,获得逃生技能和逃生计划的参考。
这也是为学生的生命安全负责任的体现。
3. 酒店管理:酒店可以使用火灾逃生模拟软件培训员工怎样应对火灾。
通过模拟火灾场景,员工将获得逃生技能和逃生计划的参考。
这有助于保护宾客的生命安全。
火灾逃生模拟软件的优点1. 安全和低成本:通过使用软件模拟火灾场景,员工可以在安全的环境中学习逃生技能和逃生计划。
这种方法比现实中的火灾训练更安全和更有成本效益。
在现实中,需要花费更多的时间和金钱来实现。
2. 成效和效率高:通过模拟火灾场景,员工可以在短时间内获得更多的逃生技能和知识。
消防工程师的火灾风险评估软件推荐消防工程师在进行火灾风险评估时,需要借助专业的软件工具来准确分析和评估火灾风险。
本文将为消防工程师推荐一些在火灾风险评估方面表现出色的软件。
以下是几款推荐的火灾风险评估软件:1. FDS(Fire Dynamics Simulator)FDS 是由美国国家标准与技术研究院(NIST)开发的一款火灾仿真软件。
该软件基于计算流体动力学(CFD)原理,可以模拟火灾场景中的火势发展、烟气扩散、温度分布等情况。
消防工程师可以通过该软件对建筑物、船舶、隧道等场所的火灾风险进行全面评估。
2. EPANETEPANET 是一款由美国环境保护局(EPA)开发的水力模型软件。
虽然它主要用于供水系统的模拟和优化,但消防工程师可以借助该软件对建筑物的消防水系统进行分析。
通过EPANET,消防工程师可以评估消防水源的供水压力、水流速度以及系统的可靠性,从而提高火灾应对的效率和安全性。
3. SimulexSimulex 是一款经过验证和广泛应用的火灾模拟软件,它能够模拟建筑物内部火场的烟气扩散、人员疏散等情况。
消防工程师可以使用该软件评估建筑物在发生火灾时的疏散时间、疏散路径以及人员密集区域,从而为应急疏散方案的设计和改进提供科学依据。
4. Fire Risk Assessment Tool(FRAT)FRAT 是针对商业、工业和公共机构开发的一款火灾风险评估软件。
该软件根据用户提供的建筑物信息,自动计算各种潜在火灾风险因素的概率和严重程度,并生成相应的火灾风险报告。
消防工程师可以根据该报告评估建筑物的火灾风险,并提供相应的改进措施。
5. PyrosimPyrosim 是一款使用可视化界面的火灾模拟软件,它基于 Fire Dynamics Simulator(FDS)和 Evacuation Simulation(Simulex)等强大的火灾仿真引擎。
消防工程师可以通过该软件对建筑物内部火势发展、烟气扩散和人员疏散进行全方位模拟,从而准确评估火灾风险和制定应对策略。
FDS火灾模拟技术简介火灾动力学模拟模型(FDS)是一个对火灾引起流动的流体动力学计算模型,是专门从数值计算方面解决一系列适合于热驱动、低速流动的Navier-Stokes 方程,重点适用于火灾导致的热烟传播和蔓延的数值模拟。
FDS利用了大涡流流体力学模型(Large Eddy Simulation,LES)来处理火场流体的紊态流动。
FDS软件由著名的美国国家标准与技术研究院(National Instituteof Standards andTechnology,NIST)开发,于2000年2月发布了最初的版本,2007年3月发布了目前为止的最新版本FDS 5.0.0。
FDS是一公认的由政府权威机构开发的免费公益性软件,与其它商用CFD软件相比,未受到任何特定利益团体和个人以及特定行业的影响及操控。
有非常多的围绕该软件的研究文献,并得到了大型及全尺寸火灾实验的验证。
2001年4月,美国马里兰大学消防工程系的Philip A. Friday 和Frederick W. Mowrer发表了一份专题研究报告,该报告对 FDS的可信性和准确性进行了研究。
其研究的基本方法是利用FDS来模拟由FM等著名火灾研究机构所做的7个全尺寸火灾实验,将模拟的结果与火灾实验所得到的结果进行了比较。
比较结果表明FDS 具有很高的准确性和可信性。
时至今日,几乎近一半的FDS模型被用来进行烟气控制系统和喷头及探头响应的研究,另有近一半的模型则运用在民用和工业火灾场景的再现研究中(最为出名的是2005年6月NIST利用FDS软件成功再现了“911”恐怖事件中世贸双塔被飞机撞击后次生火灾的烟气流动和火球爆发情况。
模拟的结果与事件中的影像资料相当吻合)。
随着软件的深入开发,FDS软件正致力于解决消防安全工程中的一系列实际火灾问题,并正在成为燃烧和火灾动力学基础研究的一个有力工具。
FDS软件建立的模型能够体现火场的空间几何形状和尺寸,并能够借助NIST开发的前处理软件DXF2FDS来辅助建立几何形状复杂(如曲面和弧面)火场的模型。
fds火灾模拟软件是什么fds火灾模拟软件是一种互动火灾模拟软件,也就是我们常说的模拟灭火系统软件,是基于三维图像技术开发的第--人称FPS游戏,主要用于教学并体验灭火器的使用方式,下面以火眼金睛模拟灭火软件为例来给大家介绍一下!fds火灾模拟软件介绍火眼金睛模拟灭火软件,是基于三维图像技术开发的第--人称FPS游戏,主要用于教学并体验灭火器的使用方式。
火眼金睛模拟灭火体验系统中包含A、B、C、D、E、F,6类火灾类型,针对不同类型,设置了如床单、油锅、电器、金属、液体、气体等不同类型的起火点,模拟了不低于15个着火场景。
同时提供干粉、二氧化碳、泡沫、水基四种灭火器进行选择,选择过程中进行灭火器的选择与使用指导。
系统对于火灾与灭火器的类型、灭火器的用量与使用时间、起火点的判定等数据进行了完全仿真化处理,与现实中的情况相符。
用户通过模拟灭火体验系统进行实际操作后,可以学会并掌握灭火器的正确选择与使用方式。
火眼金睛模拟灭火体验系统包含了知识学习,知识测评及模拟灭火3大板块,软件设置了不低于15个火灾场景,涵盖了6类所有类型火灾。
通过大屏展示的方式,结合真实改装灭火设备,如灭火器等,参观者可以进行高还原度的仿真训练,达到掌握正确使用灭火器等灭火工具的使用方法。
该产品适用于常用于相关行业展厅体验、科普馆、公共安全教育体验馆、学校及青少年培训机构等场所。
fds火灾模拟软件购买要注意什么fds火灾模拟软件也就是模拟灭火体验系统,是一种互动模拟灭火游戏,可以让体验者在游戏中学会消防安全知识和正确灭火方式,因此近年来fds火灾模拟软件在消防体验馆中成为了“常客”,那么fds火灾模拟软件购买要注意什么呢?下面请火眼金睛小编来给大家介绍一下吧!fds火灾模拟软件购买注意版本fds火灾模拟软件以火眼金睛为例,fds火灾模拟软件有1.0版本和2.0版本,价格上也有所不同,现在基本上用的都是2.0版本,软件中包含A、B、C、D、E、F,6类火灾类型,针对不同类型,设置了如床单、油锅、电器、金属、液体、气体等不同类型的起火点,模拟了不低于15个着火场景。
火灾风险评估的专业工具与软件火灾风险评估是对建筑物或者场所潜在火灾发生的可能性和火灾发生后可能引发的严重后果进行评估的过程。
在建筑设计、工程施工、消防安全管理等领域,火灾风险评估是非常重要的环节。
随着科技的不断发展,现代社会中涌现出了各种专业工具和软件,为火灾风险评估提供了更加便捷、精确和高效的手段。
一、专业工具1.1 火灾风险评估模型火灾风险评估模型是对建筑或者场所进行火灾风险评估时的理论框架。
各种模型根据不同的评估对象、评估指标和评估要求,有不同的应用范围和适用场景。
常见的火灾风险评估模型包括事件树模型、失效模式和影响分析(FMEA)、逻辑风险树等。
通过建立火灾风险评估模型,可以系统性地识别和评估潜在的火灾风险因素,有针对性地制定相应的防范措施。
1.2 火灾模拟软件火灾模拟软件是利用计算机和数值模拟技术,对火灾蔓延、烟气扩散、人员疏散等过程进行模拟和预测的工具。
通过火灾模拟软件,可以模拟不同火灾场景下的火灾发展过程,评估建筑物的火灾安全性能和疏散通道的有效性,为火灾风险评估提供科学依据。
二、软件2.1 消防风险评估软件消防风险评估软件是一类专门用于火灾风险评估的应用软件,具有用户友好的界面和丰富的功能模块。
这类软件通常包括火灾风险分析、火灾模拟仿真、火灾隐患排查等功能,能够全面、快速地对建筑物或者场所的火灾风险进行评估和分析,为消防安全管理提供可靠的依据。
2.2 火灾风险评估云平台火灾风险评估云平台是一种基于云计算技术开发的火灾风险评估工具,具有数据共享、实时更新、在线交互等特点。
用户可以通过云平台上传建筑图纸、填写相关信息,系统会自动生成火灾风险评估报告和应急预案,实现快速、便捷的火灾风险评估流程。
同时,云平台还支持多终端访问,用户可以随时随地进行火灾风险评估和管理。
综上所述,火灾风险评估的专业工具和软件在提高火灾安全管理水平、预防火灾事故、减少人员财产损失等方面发挥着重要作用。
通过运用这些工具和软件,可以更加全面、科学地评估火灾风险,提高消防安全管理的效率和精度,为建筑和场所的火灾防护工作提供坚实的技术支撑。
火灾风险评估的专业工具与软件火灾风险评估的工具与软件在建筑和消防领域中扮演着至关重要的角色。
本文将重点介绍几款专业的火灾风险评估软件,帮助读者更好地了解如何利用这些工具来提高火灾安全性。
首先,我们要介绍的是“火灾模拟软件”。
这类软件可以通过数学模型和仿真技术,模拟火灾发生时的火势蔓延情况、烟气扩散路径以及人员疏散速度,从而帮助消防人员做出合理的救援决策。
常用的火灾模拟软件包括FDS(Fire Dynamics Simulator)和Simulex等。
这些软件可以根据建筑结构、材料、人员密度等因素,精确计算火灾对建筑物和人员的影响,为火灾应急预案的制定提供重要参考。
其次,我们要介绍的是“火灾风险评估软件”。
这类软件主要用于评估建筑物或场所存在的火灾风险,帮助用户了解火灾发生的概率和可能造成的损失。
通过输入建筑物的相关信息和火灾测试数据,软件可以生成详细的火灾风险评估报告,并给出改进建议。
常见的火灾风险评估软件包括CFAST和FSE等。
这些软件的使用可以帮助建筑设计师和消防工程师在规划和设计阶段就有效地降低火灾风险。
除了上述软件外,还有一些专业的消防安全管理软件,如“火灾安全管理系统”和“火灾应急救援系统”。
这类软件通常集成了火灾报警系统、视频监控系统、灭火设备控制系统等功能,能够实时监测建筑物内的火灾风险,并在火灾发生时及时启动自动灭火装置,保障人员安全。
通过这些软件,用户可以在火灾风险较高的场所实现全面的火灾监控和管理,提高应急响应效率。
综上所述,火灾风险评估的专业工具与软件在提升火灾安全性和应急响应效率方面发挥着重要作用。
建筑设计师、消防工程师和安全管理人员应善于利用这些软件,不断提升自身的专业技能,共同为建筑和人员安全保驾护航。
希望本文能够为广大读者提供有益的参考,增强对火灾风险评估工具与软件的认识与了解。
flaresolverr的使用摘要:1.FLARESolverr简介2.FLARESolverr的安装与配置3.FLARESolverr的使用方法4.FLARESolverr的应用案例5.FLARESolverr的优缺点6.总结正文:FLARESolverr是一款用于解决火灾风险评估(FLARE)问题的软件工具。
本文将详细介绍FLARESolverr的使用方法、应用案例以及优缺点,帮助读者更好地掌握这款实用工具。
1.FLARESolverr简介FLARESolverr是一款基于概率风险评估方法的软件工具,主要用于评估火灾风险。
它是由我国科研团队开发的一款实用工具,旨在帮助工程师、设计师和安全专业人士更准确地评估火灾风险,为工程项目提供科学依据。
2.FLARESolverr的安装与配置在使用FLARESolverr之前,首先需要在官方网站下载对应的安装包。
根据操作系统选择对应的安装程序,然后按照提示完成安装。
安装完成后,需要进行简单的配置,包括设置单位、导入相关参数等。
3.FLARESolverr的使用方法FLARESolverr界面简洁,功能齐全。
使用时,用户需按照以下步骤进行操作:(1)创建项目:新建一个项目,输入项目名称、地点等基本信息。
(2)导入数据:根据实际需求,导入相关数据,如建筑物的几何参数、可燃物特性、消防设施等。
(3)设置模型:根据项目特点,选择合适的火灾扩散模型、火源特性等。
(4)进行分析:点击“分析”按钮,FLARESolverr将自动进行火灾风险评估。
(5)查看结果:分析完成后,用户可以在“结果”页面查看各项风险指标,如最大火焰高度、热辐射强度等。
(6)导出报告:根据需要,导出火灾风险评估报告,以便进一步分析和应用。
4.FLARESolverr的应用案例FLARESolverr广泛应用于各类工程项目,如石油化工、化工厂、仓库等。
以下是一个应用案例:某化工厂拟新建一个丙烷储存区,需要评估火灾风险。
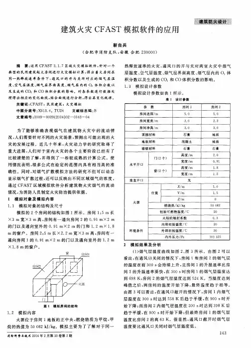
火灾模拟软件的选取在火灾模拟中,影响模拟结果准确性的因素比较多,如所建模型和实际对象的接近程度、网格的划分方法、网格的数量、网格尺寸、湍流模型的选择、各种计算假设等因素都会对模拟结果产生影响。
同时,各个软件都有自己的优缺点和适用范围,对某一工程设计,如性能化设计项目,选择最合适的软件进行火灾模拟是一比较重要的问题。
一、火灾模拟在火灾模拟中,影响模拟结果准确性的因素比较多,如所建模型和实际对象的接近程度、网格的划分方法、网格的数量、网格尺寸、湍流模型的选择、各种计算假设等因素都会对模拟结果产生影响。
(一)概述火灾数值模拟是火灾研究的重要内容之一,但由于火灾现象的复杂性,近几十年来才建立起描述火灾现象的实用数学模型。
火灾模型主要分为确定性模型和随机性模型。
火灾数值模型主要有专家系统(Expert System)、区域模型(Zone Model)、场模型(FieldModel)、网络模型(Network Model )和混合模型(Hybrid Model )。
场模型也即CFD模型,主要是利用计算流体动力学(CFD)技术对火灾进行模拟的模型,由于CFD模型可以得到比较详细的物理量的时空分布,能精细地体现火灾现象,加之高速、大容量计算机的发展,使得CFD模型得到了越来越广泛的应用。
目前用于火灾模拟的CFD模型主要有:FDS PHOENICS FLUENT等。
FDS是专门针对火灾模拟而开发的CFD软件,简单易用。
因此,在火灾模拟中应用最为广泛。
而PHOENICS和FLUENT 是计算流体力学的通用软件,将其用于火灾模拟需要有较强的流体力学背景。
因此,应用较少。
目前,国内外对FDS的研究比较多,而对于PHOENICS和FLUENT在火灾模拟方面的应用研究则较少,对各个软件的对比研究更少。
在火灾模拟中,影响模拟结果准确性的因素比较多,如所建模型和实际对象的接近程度、网格的划分方法、网格的数量、网格尺寸、湍流模型的选择、各种计算假设等因素都会对模拟结果产生影响,怎样才能使模拟结果更加准确、可信是一个急需解决的问题。
同时,各个软件都有自己的优缺点和适用范围,对某一工程设计,如性能化设计项目,选择最合适的软件进行火灾模拟是一比较重要的问题。
因此,为了能够更好地利用CFD模型进行火灾模拟,有必要对他们进行系统研究。
验证(veriifcation)与确认(validation)是评价数值解精度和可信度的主要手段。
长期以来,CFD 工作者对CFD软件的验证与确认工作一直没有给予足够的重视。
因此,对于计算结果的可信度,CFD 研究人员并不能给出明确的回答。
这使得CFD软件的使用者对CFD也持一种矛盾的心态,既想利用CFD这种快捷经济的设计工具,又对CFD的计算结果心存疑虑。
如果有条件,可以结合数值计算和模拟实体火灾的方式,进一步验证模型的可靠性。
(二)选取从软件易用性来看,火灾专用模拟软件相对简单,在应用中不需要作复杂设置,使用者只需掌握火灾基本知识即可得到合理的结果,而通用CFD软件对使用者要求较高,使用者需要对流体力学有深入了解,才能得到合理结果,因此,一般火灾模拟选择专用软件为宜。
利用火灾模型进行数值分析前,应着重考虑该模型对所模拟问题的适用性及预测能力,一般情况下,需要事先利用相关试验(已有其他人员进行的试验或自己进行相关试验)对模型进行确认研究。
从模拟准确性来看,火灾专用模拟软件由于是专门针对火灾开发,在概念模型层面相对于通用软件更接近于真实模型,其数学模型更能反映火灾过程,因此,一般情况下,建议选择火灾专用软件,除非在专用软件无法模拟的情况下才选择通用软件。
使用火灾专用软件时,应着重考虑网格独立性、边界条件设置对模拟结果的影响,使用通用软件时,还应考虑湍流模型、燃烧模型、辐射模型的选择。
火灾模型的验证和确认应包含其对各类火灾参数的预测能力研究,如火场温度、热辐射通量、反应产物的浓度变化(着重研究CO C02、烟密度等)、火场能见度等。
对于通用的CFD软件,如PHOENICS FLUENT CFX等,由于其发展比较成熟,其程序一般能够比较准确的反应其所确立的概念模型,因此,对这类模型可以着重于确认研究;对于专用火灾模拟软件,如FDS等,已经进行了较多的确认和验证工作,对于比较常见的火灾场景,如建筑室内火灾等,可以直接用来模拟分析,而对一些特殊的场景,如火灾在狭长双层玻璃幕墙内的蔓延模拟,还需进行进一步确认研究;对于自行编制的火灾模拟程序,模型的验证工作是至关重要的,应确保程序能够准确反映概念模型。
用Steckler房间火试验,对PHONEICS和FLUENT进行了确认研究,就该类实例来说,FLUENT 的准确度要高于PHENICS但就工程应用来说,在选择合理的湍流模型、辐射模型,并经过网格独立性检验后,两者的模拟结果一般可满足工程需要。
火灾发展具有确定性和随机性的特点,火灾试验的影响因素较多,在选择确认试验时,应尽量选择可重复性强的试验,并应注重采用不同火灾场景下的火灾试验对其进行确认研究,以便更好地检验模型的可信度。
二、疏散模拟当前世界上开发的人员疏散软件数目众多,据统计,有文献记载的疏散软件有22个,其他未公开的也不在少数。
所以,在选用模型时一定要结合有待解决的实际问题与模型的适用性来进行选择。
(一)概述建筑防火设计的主要目标之一是确保人身安全。
建筑安全疏散的性能化设计,是要求所设计的疏散设施能够保证建筑中的全部人员有足够的时间安全疏散到安全的地方。
评价指标包括建筑的安全出口、疏散楼梯的宽度、疏散距离是否满足建筑内使用人员的疏散需要,人员的疏散所需时间是否大于火灾条件下的可用疏散时间。
安全疏散时间判据,主要按照火灾发展与人员疏散时间为同时沿一条不可逆的时间线进行,保证建筑物内人员安全疏散完毕所需时间必须小于火灾发展到危险状态的时间。
火灾中人的疏散过程是在人的意识干预下,感知、认知火灾和环境信息与行为决策以及执行决策的过程,是一种在时间压力下的人体位移。
由于人的行为受到年龄、身高、体重、敏捷度、习性、行动能力等心理与生理状态和文化背景与受教育程度的影响,十分复杂,同时人员在建筑内的实际状况以及建筑空间特性,如人员的分布情形、熟悉环境的程度、人数及其组成和楼梯或出口的宽度、照明、走道宽度、数量、建筑高度等都对人员疏散结束所需时间和可用于人员疏散的时间有很大影响。
人员疏散时间为火灾探测报警时间、人员预动时间与人员疏散运动时间之和。
在计算疏散运动时间时,通常采用1.5〜2的安全系数来考虑设计计算中的不确定性因素。
在人员安全疏散的研究方面,由于对所采取的措施是否能达到性能化设计的预期目标,同时如何对保证人员生命安全的目标进行合理的评价都缺乏科学依据,所以全世界在这方面的研究都处于起步阶段。
人员疏散软件方面,有关研究人员在不断加大这方面软件的研究开发力度。
国外从20 世纪80 年代初开始就展开了人员疏散基础数据及疏散模拟软件方面的研究,并把疏散研究的成果及时的应用到了建筑性能化设计中,我国也于近年来展开了这方面的研究。
(二)疏散模型分类人员疏散计算方法主要有两种:水力模型和人员行为模型。
1. 水力疏散模型最常用的方法是水力疏散模型,它通过将人在疏散通道内的走动模拟为水在管道内的流动来进行计算。
这一方法的缺点是它完全忽略掉了人的个体特性,而将人群的疏散作为一种整体运动。
水力疏散模型通常对人员疏散过程作如下保守假设:1 )疏散人员具有相同的特征,并且都具有足够的身体条件疏散到安全地点;2)疏散人员是清醒的,在疏散开始的时刻一起井然有序地进行疏散,且人员在疏散过程中不会中途返回选择其它疏散路径;3)在疏散过程中,人流的流量与疏散通道的宽度成正比分配,即从某一出口疏散的人数按其宽度占出口总宽度的比例进行分配;4)人员从各个疏散门扇疏散且所有人的疏散速度一致,保持不变。
2 .人员行为模型人员行为模型模拟人在火灾中的行为,综合考虑了人与人、人与建筑物以及人与环境之间的相互作用。
这类模型能够从一定程度上反映火灾时个人的特性对人员疏散的影响,但由于“火灾中人的反应与行为” 仍旧是一个较新的领域,对其定性研究较多,而定量的研究成果很少,因此在选用该类模型时要慎重考虑它的适用性,以经过实际疏散实验或演习验证的模型为首选。
当前世界上开发的人员疏散软件数目众多,据统计,有文献记载的疏散软件有22 个,其他未公开的也不在少数。
所以,在选用模型时一定要结合有待解决的实际问题与模型的适用性来进行选择。
下面将通过分析这些人员疏散模型的功能与特点,对这些软件进行适当分类。
1)一般分类疏散模型在处理疏散的一般问题时,均采用了三种不同基本方法:优化法、模拟法和风险评估法。
优化法假定人员以最有效的方式进行疏散,而不考虑外部环境的影响及非疏散行为。
通常,模型认为人员选择的疏散路线是最佳的。
这一类模型适用于大量的人群或将所有人员当作一个有共同特性的群体来考虑的情况,而不考虑个体行为。
模拟法试图表现实际的疏散行为与运动,不仅要得到准确的结果,而且要反映疏散时选择的疏散路线及人员所做的决定。
由于各个模型在考虑人员行为时的详细程度不同,因此结果的准确度也不相同。
风险评估模型能识别出火灾时与疏散有关的危险或相关事故,并能对最后的风险进行量化。
通过多次重复运算,可以估算出与不同防烟分区设计或防火保护措施有关的各种重要变量的统计数据。
有关模型的类别与名称如表4-3-4-1 所示。
2)建筑空间的表示各种疏散模型都必须对建筑空间进行描述,以模拟人员在建筑内部的疏散过程。
在模型中,空间被划分为许多小的区域,每个区域都与相邻的区域相连。
根据对空间划分的精细程度,常将模型中的空间划分分为两种方法:精细网络法和粗糙网络法。
对于精细网络法,整个封闭空间用覆盖一些瓦片状的网格来表示,各个模型中节点的网格大小与形状都不同。
例如,Exodus采用0.5m x 0.5m的正方形网格节点,Simulex则采用0.2mx 0.2m的正方形网格节点,而Egress则采用六边形的网格节点,每个网格的大小足以容纳一个人。
这些网格节点之间的连接也不相同,在Exodus中每个网格与相邻的八个网格节点相连,而Egress中每个网格与相邻的六个网格节点相连。
因此,Egress的方法可以准确地表示封闭空间的几何形状及内部障碍物的位置,并在疏散的任意时刻都能将每个人置于准确的对于粗糙网络法,空间的描述是按照实际建筑结构的划分来确定,每个网格节点表示一个房间或走廊,然后根据它们之间的实际连接关系构建其网络模型。
在这类模型中,仅能表示人员从一个建筑单元移动到另一个建筑单元,而无法描述人员在一个建筑单元内的运动,它也无法处理一些局部的现象,例如超越前方人员、避开障碍物等。