机电一体化技术实验报告(手写)
- 格式:doc
- 大小:515.00 KB
- 文档页数:11
关于机电一体化实习报告4篇关于机电一体化实习报告4篇在不断进步的时代,报告十分的重要,报告包含标题、正文、结尾等。
那么一般报告是怎么写的呢?下面是小编收集整理的机电一体化实习报告4篇,欢迎阅读与收藏。
机电一体化实习报告篇1一、实践的目的终于,实习时间到了。
很久以前,我从我哥哥那里得知有一个实习机会。
当时,我可以说我热切地期待着这一天,因为每个人都不再对课堂教学感到满意,尽管我从我的同学和朋友那里了解到实习并不像我想象的那么愉快。
蓦然回首,一周的铣削练习结束了。
虽然实习期间我很累也很痛苦,但我觉得很开心!因为我们不仅作为一名制粉工人学到了必要的知识,而且还培养了我们自己的实践能力。
但也让我更深刻地理解了大诗人李白的名言:只要功夫深,铁杵磨成针的真正含义!实习的第一天,我们看了关于铣削实践知识的光盘,以及我在铣削实践过程中的注意事项。
看到飞行的机器和飞的铁花,我既担心又兴奋。
让我担心的是,如果飞行机器的轰鸣声让人心惊肉跳,鲜红的铁花会以耀眼的光芒溅得到处都是。
令人兴奋的是,等待了近一年的制粉实践即将开始。
这是我们作为学生第一次作为体面的工人进入工厂,也是我们第一次去每个工科学生的实习基地试一试。
事实上,对于我们工程系的学生来说,这是一个理论与实践相结合的绝佳机会,也将全面测试我们的知识水平。
铣削实习是机械专业学生必修的实践性技术基础课在铣削实践过程中,学生通过自主实践操作,将机械制造的基本工艺知识、基本工艺方法和基本工艺实践有机结合,培养工程实践的综合能力,培养和训练思想品德和素质。
铣削实习是培养学生实践能力的有效途径它也是我们大学生、工科学生和大学生的必修课。
这非常重要,尤其是对于铣削实践。
这也是我们掌握知识的一个机会。
离开教室的严格环境后,我们会感受到车间的气氛。
同时,我们也感受到了作为一名工人的感觉,这让我们更加意识到自己的责任。
通过老师的解释我终于明白什么是磨坊主了。
同时,我也明白为什么有人说“做磨坊主最累!”铣床主要靠手工操作,使用各种工具来完成零件的加工、装配和修理。
机电一体化实习报告机电一体化实习报告【通用11篇】时间过得真快,一段时间的实习生活已经结束了,这次实习让你有什么心得呢?感觉我们很有必要对自己的实习生活做一下总结。
但很多人说起写实习报告都是毫无头绪吧!学而不思则罔,思而不学则殆,下面是可爱的小编帮家人们找到的11篇机电一体化实习报告,欢迎参考,希望能够帮助到大家。
机电一体化专业实习总结篇一在这星期里我在铣床上学会了简单的打孔,和图纸上的M5或Φ5的区别。
M5是用Φ4.3的转头打,而Φ5是用Φ5的转头打的。
第一次我不懂得时候打错了不少材料,师傅没怎么说我,我很不好意思。
再重新对镗铣床用途及性能有了认识:铣床是用途较为广泛的重型机床。
该机床有足够的功率和刚性,能满足强力铣削的要求:具有X、Y、Z、三个进给,X、Y方向进给均有数字显示及夹紧装臵,是一种性能优良,工艺范围广泛,精度及生产效率高的先进设备,铣床没有可移动的工作台,工件固定在落地平台上,适宜于加工尺寸和重量较大的工件。
规格较大的落地镗铣床还设有供钻削用的高速主轴。
机床配有平台、回转工作台、后立柱、平旋盘、立铣头和万能铣头等附件。
机床具有刚性好、精度高、可靠性强、操作方便、造型美观等特点,特别是在方滑枕端面上还可以安装各种附件(万能铣头、垂直铣头、伸长铣头等根据特殊订货供应)或与回转工作台配合使用,能进一步的扩大机床应用范围。
铣床的镗轴直径都在125毫米以上,已达300毫米。
镗轴为260毫米的落地镗铣床的主轴箱垂直行程可达8电梯毫米,立柱横向行程可达21电梯毫米,主电动机功率为120千瓦,机床重量约为350吨。
铣床主轴箱不带滑枕,不宜于强力铣削。
工作的时候我就犯了错,幸亏师傅在旁边及时纠正拉,才没给机器带来损伤。
这是由于我没有这方面的知识,再加上我的莽劲才弄错的,可正因为错了才知道了这样的常识,那就叫做犯错了不要紧,知错能改就好,下次我不会再这样了,不会在一个地方摔倒两次。
机电一体化实习报告篇二时光匆匆,岁月流梭!转眼为期一周的车工实习结束了。
机电一体化实习报告(通用1)第一篇:机电一体化实习报告:实习单位介绍我所在的机电一体化实习单位是一家知名的汽车制造厂商,位于广东省珠海市。
该公司主要生产汽车及汽车零部件,是国内重点汽车制造企业之一。
在实习期间,我有幸深入了解了公司的生产流程和各个部门的职能。
我被分配到了生产车间进行实习,主要负责生产线上的工作。
该公司的生产流程非常严谨,从原材料采购到最终产品出厂都要经过多道工序和质量控制。
在生产线上,每个工人都有自己的岗位和任务,需要严格按照操作规程进行操作,以确保产品的质量和生产效率。
除此之外,我还了解到,该公司注重科技创新,拥有先进的设备和技术,不断提升产品的技术含量和市场竞争力。
同时,公司也关注环境保护和员工福利,为员工提供良好的工作环境和福利待遇。
通过这次实习,我深刻认识到了一个成功的企业需要严格的管理、科技创新和关注员工福利等多个方面的综合配合。
我也更加明确了自己未来的职业方向和发展目标。
第二篇:机电一体化实习报告:实习期间的工作内容在实习期间,我主要分别在两个生产车间进行了实习,负责生产线上的工作,具体的工作内容如下:1.生产车间一:我被安排在该车间的一条生产线上,负责产品的组装和调试工作。
在该生产线上,我学习到了如何正确进行产品组装和调试的方法和技巧。
我还了解到了生产线的配备和规划,有机会与其他工人交流和合作,提高了沟通协作能力和团队意识。
2.生产车间二:我被分配到了该车间的品检部门,主要负责检测产品的质量和进行质量记录。
在该部门,我接触到了各种品检设备和工具的使用,了解到了品质保证体系及其流程和标准,并对产品质量控制和改进有了更深入的了解。
通过实习期间的工作,我不仅学会了专业技能,还锻炼了自己的责任心、耐心和动手能力,提高了自己的综合素质,为今后的职业生涯打下了坚实的基础。
第三篇:机电一体化实习报告:实习收获与体会在这段时间的实习中,我不仅收获了专业知识和技能,也锻炼了自己的沟通能力、团队合作意识和工作能力,进一步了解了企业的生产流程和管理理念,受益匪浅。
机电一体化实习报告范例一、实习目的通过在重冶的实习,可以使我们在实践中接触与本专业相关的一些实际工作,培养和锻炼我们综合运用所学的基础理论、基本技能和专业知识,去独立分析和解决实际问题的能力,把理论和实践结合起来,提高我们的实际动手能力,为将来我们毕业后走上工作岗位打下一定的基础。
二、实习内容(一)量具当中百分表、千分尺在机加工中的使用1、使用前,应检查测量杆活动的灵活性。
即轻轻推动测量杆时,测量杆在套筒内的移动要灵活,没有任何轧卡现象,且每次放松后,指针能回复到原来的刻度位置。
2、测量时,不要使测量杆的行程超过它的测量范围;不要使测量头突然撞在零件上;不要使百分表和千分表受到剧烈的振动和撞击,亦不要把零件强迫推入测量头下,免得损坏百分表和千分表的机件而失去精度。
因此,用百分表测量表面粗糙或有显著凹凸不平的零件是错误的。
3、用百分表校正或测量零件时,应当使测量杆有一定的初始测力。
即在测量头与零件表面接触时,测量杆应有0、3-1mm的压缩量(千分表可小一点,有0、1mm即可),使指针转过半圈左右,然后转动表圈,使表盘的零位刻线对准指针。
轻轻地拉动手提测量杆的圆头,拉起和放松几次,检查指针所指的零位有无改变。
当指针的零位稳定后,再开始测量或校正零件的工作。
如果是校正零件,此时开始改变零件的相对位置,读出指针的偏摆值,就是零件安装的偏差数值。
4、检查工件平整度或平行度时。
将工件放在平台上,使测量头与工件表面接触,调整指针使摆动-转,然后把刻度盘零位对准指针,跟着慢慢地移动表座或工件,当指针顺时针摆动时,说明了工件偏高,反时针摆动,则说明了工件偏低了。
当进行轴测的时候,就是以指针摆动最大数字为读数(最高点),测量孔的时候,就是以指针摆动最小数字(最低点)为读数。
检验工件的偏心度时,如果偏心距较小,可测量偏心距,把被测轴装在两顶尖之间,使百分表的测量头接触在偏心部位上(最高点),用手转动轴,百分表上指示出的最大数字和最小数字(最低点)之差的就等于偏心距的实际尺寸。
机电一体化实习报告范本一、实习单位介绍实习单位:XXX公司公司简介:XXX公司成立于20XX年,是一家专注于机电一体化领域的高新技术企业。
公司致力于为各行业提供全面的机电一体化解决方案,主要涉及汽车制造、能源领域、智能家居等领域。
公司拥有一支高素质的研发团队和一流的生产基地,并取得了多项专利技术和软件著作权。
在市场竞争中,XXX公司凭借着稳定可靠的产品质量和优质的服务赢得了广大客户的赞誉。
二、实习岗位介绍实习岗位:机电一体化研发助理实习内容:协助研发团队进行机电一体化产品的设计与开发,对已有产品进行改进和优化,参与项目的需求分析和方案制定,进行实验和测试,并撰写相关技术文档。
三、实习过程和成果1. 项目一:机电一体化智能家居系统设计与开发在这个项目中,我主要负责了智能家居控制设备的设计与开发工作。
通过对市场需求和竞品分析,我与团队成员一起制定了设计方案,并使用CAD软件进行设备外观设计。
在硬件开发阶段,我熟练掌握了C语言和嵌入式系统开发技术,成功实现了设备的控制和数据传输功能。
在软件开发阶段,我使用Python语言开发了一套智能家居控制软件,并实现了手机APP与设备的数据交互。
最终,我成功完成了该项目,并顺利交付给客户使用。
2. 项目二:汽车制造机器人系统改进与优化在这个项目中,我主要负责了汽车制造机器人系统的改进和优化工作。
通过对现有系统的分析和测试,我发现了一些问题,并提出了相关改进措施。
经过与团队成员的讨论和讨论,我们共同改进了机器人的动作控制算法,并提高了机器人的精准度和工作效率。
同时,我还负责了系统的功能测试和性能评估,并撰写了相关的技术文档,为后续项目的开发和维护提供了参考。
四、实习心得与收获在这次机电一体化的实习中,我深刻体会到了机电一体化技术对各个行业的重要性和应用前景。
通过实际的项目经验,我不仅对机电一体化的概念和原理有了更深入的理解,也掌握了一些相关的设计和开发技能。
同时,团队合作也让我更好地了解了团队协作和沟通的重要性,学会了如何与不同背景和职责的人合作,从而达到项目目标。
机电一体化实习报告范本一、实习目的这次实习是毕业前的一次综合性实习。
本次实习是为了拓展知识面,扩大与社会的接触面,锻炼和提高能力,将理论知识与实践相结合,在以后走入社会能够更快的进入工作,更快的融入社会。
在生活和工作中能够很好的处理各方面的问题,进一步运用所学知识分析和解决实际问题,提高实际工作能力,为以后走向社会,更好的工作打下扎实的基础。
通过实习使我们对机电一体化专业知识有了更进一步的掌握,使我们的理论知识和生产实践相结合,把知识应用与实践,在实践中巩固知识,为马上要走上工作岗位的我们能更快地适应自己的工作做好的铺垫。
我们要切实了解现实工作与在学校理论学习的不同思路,不同方法,我们要以新的面貌、新的姿态、新的思维方式,最快地融入工作,适应工作的要求。
毕业实习的过程中,我们不仅要看到理论与现实的差距,更要看到它们的联系,看到两者的重要性,我们不能放弃任何一个,在实际工作中,我们仍然不能放弃理论,反而要在现场工作中加强理论学习。
认识到严格服从领导指挥,按时上下班,坚守岗位和敬业精神的重要性,为毕业后的工作打下良好基础。
通过这次的实习,可以使我们在实践中接触与本专业相关的一些实际工作,培养和锻炼我们综合运用所学的基础理论、基本技能和专业知识,去独立分析和解决实际问题的能力,把理论和实践结合起来,提高我们的实际动手能力,为将来我们毕业后走上工作岗位打下一定的基础。
二、实习内容1、无极绳绞车的类型及工作原理1.1 无极绳绞车的类型无极绳绞车按滚筒的形式可分为螺旋缠绕式和夹钳式两种。
螺旋缠绕式滚筒是在滚筒上缠绕两圈或多圈钢丝绳,以增加其围抱角.它的优点是结构简单,缺点是钢丝绳磨损较大。
夹钳式滚筒由铰接的一对夹块组成,当钢丝绳按辐射方向拖力于绳夹时,夹块把钢丝绳夹个住,在分离点上,钢丝绳离开后由于下部弹簧的作用使夹块张开。
它的优点是拉力大,钢丝绳弯曲小,缺点是维护较繁琐,夹绳弹簧质量差时易折断。
1.2 无极绳绞车的工作原理及组成钢丝绳绕过无极绳绞车的主动轮,再经过张紧轮和尾轮连接在一起,形成无极封闭形,电机带动主动轮转动,通过摩擦力传递使钢丝绳绕主动轮和尾轮不停地转动。
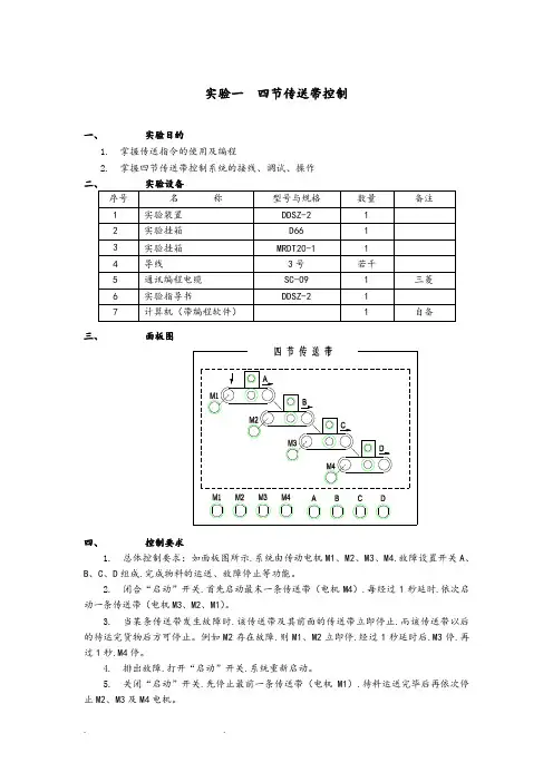
实验一四节传送带控制一、实验目的1.掌握传送指令的使用及编程2.掌握四节传送带控制系统的接线、调试、操作三、面板图四、控制要求1.总体控制要求:如面板图所示.系统由传动电机M1、M2、M3、M4.故障设置开关A、B、C、D组成.完成物料的运送、故障停止等功能。
2.闭合“启动”开关.首先启动最末一条传送带(电机M4).每经过1秒延时.依次启动一条传送带(电机M3、M2、M1)。
3.当某条传送带发生故障时.该传送带及其前面的传送带立即停止.而该传送带以后的待运完货物后方可停止。
例如M2存在故障.则M1、M2立即停.经过1秒延时后.M3停.再过1秒.M4停。
4.排出故障.打开“启动”开关.系统重新启动。
5.关闭“启动”开关.先停止最前一条传送带(电机M1).待料运送完毕后再依次停止M2、M3及M4电机。
五、功能指令使用及程序流程图1.传送指令使用X0000为ON时.将源内容向目标内容传送.X0000为OFF时.数据不变化。
2.程序流程图六、端口分配及接线图2.PLC外部接线图七、操作步骤1.检查实验设备中器材及调试程序。
2.按照I/O端口分配表或接线图完成PLC与实验模块之间的接线.认真检查.确保正确无误。
3.打开示例程序或用户自己编写的控制程序.进行编译.有错误时根据提示信息修改.直至无误.用SC-09通讯编程电缆连接计算机串口与PLC通讯口.打开PLC主机电源开关.下载程序至PLC中.下载完毕后将PLC的“RUN/STOP”开关拨至“RUN”状态。
4.打开“启动”开关后.系统进入自动运行状态.调试四节传送带控制程序并观察四节传送带的工作状态。
5.将A、B、C、D开关中的任意一个打开.模拟传送带发生故障.观察电动机M1、M2、M3、M4的工作状态。
6.关闭“启动”按钮.系统停止工作八、实验总结1.总结移位寄传器指令的使用方法。
2.总结记录PLC与外部设备的接线过程及注意事项。
实验二数码显示控制一、实验目的1.掌握译码指令的使用及编程方法2.掌握LED数码显示控制系统的接线、调试、操作方法三、功能指令使用及程序流程图1.触点比较指令使用指令描述:对源数据内容进行BIN比较.对其结果执行后段的运算;如上所示.当D0中的数据“等于”常数K1时.则Y0输出状态“1”。
机电一体化实习报告样本机电一体化实习报告三一、实习背景和目的机电一体化是将机械和电气控制相结合,实现自动化和智能化的一种技术。
作为机电一体化专业学生,我在实习过程中的主要任务是学习和掌握机电一体化的原理和应用,并通过实际操作和项目实践提升自己的实际能力。
本次实习报告为实习的第三部分,主要介绍我在实习期间的实际工作和经验。
二、实习内容和任务在实习的第三部分中,我的主要任务是参与一个机械手项目的研发和测试。
这个机械手主要用于工业生产线上的物料搬运和装配任务。
我参与了整个项目的设计、调试和测试工作。
1. 项目设计在项目设计阶段,我与项目组一起参与了机械手的整体设计工作。
我们根据项目需求,确定了机械手的结构和功能,并选择了合适的传感器和执行器。
我负责了机械部分的设计和选型工作,并与电气部分进行了密切的协作。
2. 项目调试在项目调试阶段,我与团队一起搭建了机械手的实际物理系统,并进行了连通性和稳定性的调试。
我们通过编写控制程序,测试了机械手的运动功能和自动化控制。
我负责了机械部分的调试工作,并与电气部分一起进行了系统参数的调整和优化。
3. 项目测试在项目测试阶段,我参与了机械手在实际工作环境中的测试工作。
我们通过在工业生产线上的物料搬运和装配任务中使用机械手,验证了机械手的性能和稳定性。
我负责了测试过程中的数据记录和分析工作,并提出了改进意见和建议。
三、实习收获和体会通过参与这个机械手项目的研发和测试工作,我得到了许多宝贵的实践经验和专业知识。
1. 机械设计能力的提升在项目设计阶段,我学习了机械设计的基础知识和技术,通过实际操作和实践,提升了自己的机械设计能力。
我学会了使用CAD软件进行机械部件的设计和装配,理解了机械部件的结构和工作原理。
2. 电气控制能力的提升在项目调试和测试阶段,我学习了电气控制的基础知识和技术,通过实际操作和实践,提升了自己的电气控制能力。
我学会了使用PLC和传感器进行自动化控制和数据采集,理解了电气控制系统的实际应用。
机电一体化实习报告精彩4篇在我们平凡的日常里,报告使用的次数愈发增长,报告具有成文事后性的特点。
相信许多人会觉得报告很难写吧,奇文共欣赏,疑义相如析,下面是可爱的编辑为大伙儿收集整理的机电一体化实习报告精彩4篇,欢迎阅读,希望对大家有所启发。
机电一体化专业实习总结篇一这周只要是干点小手工活,就是帮师傅把铣出来的零件加工下,上上螺丝,打打毛刺,再组装起来。
较不如意的是打毛刺的时候把手指弄破了,痛,师傅说没事这是在所难免的,以后小心点就行啦。
铣床师傅给介绍了铣床的一些概论。
铣床系指主要用铣刀在工件上加工各种表面的机床。
通常铣刀旋转运动为主运动,工件(和)铣刀的移动为进给运动。
它可以加工平面、沟槽,也可以加工各种曲面齿等。
铣床的种类很多,按其结构分主要有:(1)台式铣床:(我家的铣床)小型的用于铣削仪器、仪表等小型零件的铣床。
(2)悬臂式铣床:铣头装在悬臂上的铣床,床身水平布臵,悬臂通常可沿床身一侧立柱导轨作垂直移动,铣头沿悬臂导轨移动。
(4)龙门式铣床:床身水平布臵,其两侧的立柱和连接梁构成门架的铣床。
铣头装在横梁和立柱上,可沿其导轨移动。
通常横梁可沿立柱导轨垂向移动,工作台可沿床身导轨纵向移动。
用于大件加工。
(5)平面铣床:用于铣削平面和成型面的铣床,床身水平布臵,通常工作台沿床身导轨纵向移动,主轴可轴向移动。
它结构简单,生产效率高。
(第三点去哪了?)还有摇臂铣床、床身式铣、床专用铣床等。
铣床组成部分1、辅助装臵如液压、气动、润滑、冷却系统和排屑、防护等装臵。
2、主轴箱包括主轴箱体和主轴传动系统,用于装夹刀具并带动刀具旋转,主轴转速范围和输出扭矩对加工有直接的影响。
3、控制系统铣床运动控制的中心,执行加工程序控制机床进行加工。
4、机床基础件通常是指底座、立柱、横梁等,它是整个机床的基础和框架。
5、进给伺服系统由进给电机和进给执行机构组成,按照程序设定的进给速度实现刀具和工件之间的相对运动,包括直线进给运动和旋转运动。
机电一体化实习报告一、前言机电一体化是指将机械和电气的技术相结合,形成一种具有双重功能的技术体系。
机电一体化将传统的机械和电气技术有机地结合在一起,使机械系统具备了感知、控制和执行的能力,实现了智能化和自动化。
本实习报告旨在总结和分析我在某某公司进行的机电一体化实习项目的经验和收获。
二、实习内容在某某公司的机电一体化实习项目中,我主要参与了某某产品的设计、开发和测试工作。
项目的目标是开发一种新型的智能家居系统,实现对家庭电器的远程操控和智能化管理。
在实习期间,我主要参与了以下几个方面的工作:1. 系统设计:根据项目需求,参与了智能家居系统的整体设计工作。
通过分析家庭电器的工作原理和功能需求,设计出了一套合理的机电一体化控制方案。
在设计过程中,我学习了电气控制和传感器原理的相关知识,并运用这些知识进行了系统设计。
2. 硬件开发:在实习期间,我还参与了智能家居系统的硬件开发工作。
我使用了各种工具和设备进行电路板设计和制作。
通过实际操作,我学会了使用一些常用的电路板设计软件和工具,并掌握了电路板制作的流程和技巧。
3. 软件开发:智能家居系统的软件开发也是我参与的重要部分。
通过学习和实践,我掌握了一些常用的软件开发工具和技能。
我编写了一些控制家电的软件代码,并进行了功能测试和调试工作。
通过软件开发实践,我深入理解了软件和硬件之间的交互原理和方式。
4. 系统测试:在智能家居系统的实习中,我还负责了测试和验收工作。
我使用了一些专业的仪器设备对系统进行了性能和功能的测试。
通过测试,我发现并修复了一些系统存在的问题,并对系统进行了调试和优化。
三、实习收获在机电一体化的实习过程中,我获得了许多宝贵的经验和收获。
首先,我深入理解了机电一体化技术的原理和应用,了解了机械和电气技术的相互关系和影响。
通过实践项目,我学习到了许多实用的硬件和软件开发技能,提高了自己的实践能力和解决问题的能力。
其次,在实习过程中,我锻炼了自己的团队合作能力和沟通能力。
机电一体化实习报告(最新3篇)一段辛苦的实习生活已经告一段落了,这段时间里,我们一定有不少启发,该总结一下这段时间的得与失,好好写份实习总结了。
现在你是否对实习总结一筹莫展呢?的我精心为您带来了机电一体化实习报告(最新3篇),如果能帮助到您,我的一切努力都是值得的。
篇一:机电一体化专业实习总结篇一新学期一开学,各系各教学单位就开始了紧张的教学工作。
实训中心第五周实训课迎来了机电工程系07机电班32名同学的实训。
其实训内容为掌握钳工的基本知识、基本操作方法及车床、铣床、刨床、磨床的基本操作方法,并对数控车、铣、火花机、线切割机等的参观。
为了搞好这次的实训教学,院领导指示大家提前一周对教学中的相关工作做了周密安排,委派经过实训教学课考察证明,理论基础扎实、实践经验丰富、教学思路清晰的老师担任指导老师,对教学用具进行认真的清理和准备,保证了实训课的顺利开课。
这次实训课的第一节课是安全教育,安全是实训中的首要问题,课上指导老师不是只讲安全要求,同时还讲述了自己见到的和自己亲身经历的安全事故,并且列举了过去同学们在实训过程中曾经出现过的一些安全问题,由于讲述事例生动,使同学们的思路很快应跟上老师的思路,因此在这次实训课中,没有出任何安全问题。
对于机械加工实训课,安全问题一直是领导和老师十分重视的,而这次同学们表现出对安全的重视,为今年教学实训课开了一个好头。
这次实训课xx机电班的同学表现出了高度的积极性。
从钳工、车工、铣工实训课过程中看,同学们态度认真,操作严谨,实训课的第二天,他们对钳工的基本要求,车工、铣工的操作规程都基本掌握,到第三天大部分同学都能加工出合格的工件。
值得赞扬的是钳工课实训中的几位女同学,由于体力上的差别,她们在錾口榔头的制作中比男同学要付出更多的汗水。
但凭着她们对知识的渴望,对工件质量的追求,在进度上她们一点也不比男同学落后,老师和同学对她们总是投以赞许的目光。
到目前为止,同学们对教学要求规定的正确读图,工序的确定,公差的理解、量具、工具的使用,操作规程的熟悉,对安全意识都有较好的理解和掌握。
机电一体化实习报告5篇(通用)机电一体化实习报告(一)作为一名新时代的大学生,我很自豪和骄傲。
但是在新时代的情况下,社会竞争日趋激烈,社会的发展越来越快,只要你跟不上,就会被社会淘汰。
大学生就得走在时代的最前沿,做人之不敢做,走人之不敢走,让我们的社会在我们的带领下发展壮大。
在学校期间我就经常出去实习,增加自己的社会实践能力,为了在以后工作后不被淘汰,就得这样。
找到了实习的地方,我就开始实习了。
这次我去的地方是工厂,生产第一线,让我了解什么才叫艰苦。
时光如流水,转眼即逝,实习结束后给我的报告是:通过这次实习我们了解了机电一体化的生产方式和工艺过程。
熟悉材料主要成形方法和主要机电一体化加工方法及其所用主要设备的工作原理。
这次实习,让我们明白做事要认真小心细致,不得有半点马虎。
同时也培养了我们坚强不屈的本质,不到最后一秒决不放弃的毅力!培养和锻炼了劳动观点质量和经济观念,强化遵守劳动纪律遵守安全技术规则和爱护国家财产的自觉性,提高了我们的整体综合素质。
在整个实习过程中,老师对我们的纪律要求非常严格,制订了学生实习守则,同时加强清理机床场地遵守各工种的安全操作规程等要求,对学生的综合工程素质培养起到了较好的促进作用。
很快我们就要步入社会,面临就业了,就业单位不会像老师那样点点滴滴细致入微的把要做的工作告诉我们,更多的是需要我们自己去观察学习。
不具备这项能力就难以胜任未来的挑战。
随着科学的迅猛发展,新技术的广泛应用,会有很多领域是我们未曾接触过的,只有敢于去尝试才能有所突破,有所创新。
实习带给我们的,不全是我们所接触到的那些操作技能,也不仅仅是通过几项工种所要求我们锻炼的几种能力,更多的则需要我们每个人在实习结束后根据自己的情况去感悟,去反思,使这次实习达到真正目的。
机电一体化实习报告(二)古语有云:“纸上得来终觉浅,绝知此事要躬行”。
读了几年的大学,然而大多数人对本专业的认识还是不够的,在学习机电一体化专业理论知识后,学校为了开拓学生自身的知识面,增加社会竞争中的优势,进一步锻炼和培养我们的社会实践能力,以便毕业后能更好的融入社会,组织我们开展了机电一体化专业实习。
机电一体化实习报告范文机电一体化实习报告范文精选6篇(一)机电一体化实习报告实习时间:2020年7月1日-2020年8月31日实习单位:某机电制造公司一、实习背景及目的机电一体化是指机械工程和电子工程的相互融合与交叉,通过利用电子技术和信息技术来增强机械设备的自动化、智能化和精细化水平。
本次实习旨在通过在机电制造公司的实际工作中学习和实践,深入了解机电一体化的应用和发展趋势,并提升自己的专业素养和实践能力。
二、实习过程及成果在实习期间,我按照实习单位的安排和要求,参与了多个机电一体化项目的开发和实施。
具体包括以下几个方面的工作:1. 了解机电一体化技术的基本原理和应用领域,深入学习相关专业知识,包括机械设计、电子电路、传感器、控制系统等方面内容。
2. 参与机电一体化项目的需求分析和设计,包括制定项目计划、编制技术方案和可行性分析报告等。
3. 参与机电一体化设备的装配和调试工作,熟悉设备的结构和工作原理,掌握相关操作技能。
4. 参与机电一体化设备的现场测试和运营,收集并分析设备运行数据,根据实际情况进行调整和优化。
5. 学习并掌握机电一体化项目的管理和协调能力,与团队成员密切合作,完成各项任务和项目。
通过实习,我取得了以下几方面的成果:1. 加深了对机电一体化技术的理解和应用,掌握了相关专业知识和技能。
2. 增强了团队合作和沟通能力,学会与他人协作解决问题。
3. 提高了自我管理和组织能力,学会合理规划和安排工作。
4. 掌握了一定的项目管理和协调能力,为将来的工作打下良好的基础。
三、实习总结通过本次实习,我对机电一体化技术有了更深入的了解,也增强了自己的实践能力和专业素养。
机电一体化作为工程技术领域的重要发展方向,具有广阔的应用前景和市场潜力。
今后,我将继续深耕机电一体化领域,不断提升自己的能力和水平,为我国的机电制造业发展做出贡献。
同时,我还要感谢实习单位对我的培养和帮助,感谢各位老师和同事的指导和支持。
机电一体化实习报告(范文)5篇机电一体化实习报告(一)机电一体化是一个宽口径专业,适应范围很广,在校期间除学习各种机械制造和原理、电工电子、计算机技术、控制技术等理论知识外,还将参加各种技能培训和国家职业资格证书考试,充分体现重视技能培养的特点。
一、实习目的:1、通过工作实习加深了对机电一体化专业认识,巩固了专业思想,激发了学习热情。
2、熟悉公司工作流程、专业涉及的工作要领。
为以后走上更好的工作岗位积累一定的知识和经验。
3、开拓我们的视野,增强了专业知识,锻炼了独立工作的能力,拓展了更广的知识和业务。
二、实习情况介绍:主要工作是协助公司完成后勤规划管理的项目,主要分为:(1)机械手配件统计管理;(2)机台定位环统计管理;(3)技术员用备品管理请购;(4)备品室进出管理。
其中还兼职架立模具。
三、实习时间及地点:20__年__月——20__年__月在__电子股份有限公司进行顶岗实习。
四、实习内容:终于到了正式工作的时候了,我到了成型生计部门,在这里我知道了成型生计部门的作用,主要是控制注塑机,制作出想要的产品。
注塑成型是利用塑胶原料受热后成为熔融状态流体利用注射成型机的压力、速度,将熔融塑胶注射入预先设计好的紧闭模腔内,经过冷却后而得到所需的制品的过程。
作为一个专案除了要了解自己所做的工作流程外,还要加强自己的责任心只有这样才能更好的做出客户想要达到的产品要求。
我一般做的是把设置好的注塑机的参数做成图片,将每一台模具需要什么样的成型条件,记录下来,装订成册,以便于后来人能够更快的上手操作。
我会每天看看都有哪些新的产品需要做出工艺参数文档来,如果有要做的,那么我会去车间找到那台正在生产产品的注塑机,拍摄下它的参数来,再回到办公室里把他做成Excel表格的格式保存下来。
做出工艺参数文档以后,还要看看这个产品用的是哪个模具,把这台模具需要怎么布置水路图,以Excel表格的格式画出来,再然后还需要看看这个产品需不需要热流道图,需要热流道图的话,会去车间找到正在生产产品的注塑机上的温控箱、时序控制器拍摄成图片格式,再做成Excel表格。
机电一体化实习报告机电一体化实习报告(精选9篇)机电一体化实习报告篇1一、实习目的多年的专业课教学和实习指导的经验告诉我们,生产实习在教学中具有十分重要的作用。
生产实习是组织学生到现场从事必须的实际工作,以获得相关的实际知识和技能,巩固和加深理论知识,培养实际操作潜力和独立工作潜力。
学生学习专业知识,虽然在校内可透过课堂形式获得,但单纯依靠课堂讲授达不到教学要求,更达不到理论与实际相结合的目的。
个性是对《钳工工艺》、《电工学》等实践性很强的专业课,务必透过课堂讲授和生产实习这两个密切相关的教学环节,才能完成这门课程的教学任务,提高教学质量,培养学生的综合素质。
在实习中,学生运用课堂教学学习的指示,进一步学习实际知识和技能,以便在毕业后能顺利地适应工作岗位的实际工作。
生产实习不但具有学习知识和技能的作用,也是对学生进行思想政治和道德品质教育的重要教学形式,同时能够更好地对学生进行劳动观点、劳动态度、爱护公共财物、组织纪律教育,理解安全、劳动纪律教育等;学生和工人一齐工作,学习工人的优秀品质;在生产现场看到自我所学的专业在经济建设中所起的作用而感到自豪。
概括来说,透过生产实习,能够到达三方面的要求:一是学习机械构造方面的基础知识;二是培养学生初步掌握操作某种机械设备和某些工种的动手潜力;三是对学生进行思想作风的严格训练。
二、实习流程按计划安排的日程,实习生各就各位,到各自的实习车间,在实习老师的讲解、嘱咐与示范后,我们留意翼翼地操作了起来。
毕竟是第一次进工厂车间,同学们一个比一个认真,一个比一个卖劲。
在实习中,累吗?自然是避免不了的,但我们学到的也不少啊!比如说:在钳工实习中,我们明白了钳工的主要资料为刮研、钻孔、攻套丝、锯割、锉削、装配、划线;了解了锉刀的构造、分类、选用、锉削姿势、锉削方法和质量的检测。
我们还得到了劳动成果――自我亲手做的小锤,相信同学们必须都收藏起来了作为以后的完美回忆吧。
在车工实习中,我们了解了车刀的种类,常用的刀具材料,刀具材料的基本性能;明白了车刀的组成和主要几何角度。
机电一体化实习报告(3篇)机电一体化实习报告篇一1、实习的目的多年的专业课教学和实习指导经验告诉我们,生产实习在教学中起着非常重要的作用。
生产实习是组织学生到现场进行必要的实践工作,从而获得相关的实践知识和技能,巩固和深化理论知识,培养实际操作潜力和独立工作潜力。
学生的专业知识虽然可以在课堂上获得,但仅靠课堂讲授是无法满足教学要求的,也无法达到理论与实践相结合的目的。
人格是钳工工艺、电工学等实践性很强的专业课。
只有通过紧密联系的课堂教学和生产实践,才能完成该课程的教学任务,提高教学质量,培养学生的综合素质。
在实习期间,学生利用课堂教学的指导,进一步学习实践知识和技能,以便毕业后能够顺利适应岗位的实际工作。
生产实习不仅具有学习知识和技能的功能,而且是对学生进行思想、政治和道德素质教育的重要教学形式。
同时可以更好地对学生进行劳动观点、劳动态度、爱护公物、组织纪律教育、了解安全和劳动纪律教育等方面的教育。
与学生和工人一起学习他们的优秀品质;在生产现场看到经济建设专业的作用,我很自豪。
综上所述,通过生产实践,可以满足三个要求:一、学习机械结构基础知识;二是培养学生掌握操作某些机械设备和某些工种的实践潜力;第三,严格训练学生的思想作风。
二、实习流程根据计划的时间表,实习生们各就各位,去自己的实习车间。
经过实习老师的讲解、指导和示范,我们小心翼翼地操作起来。
毕竟是第一次进工厂车间,同学们比彼此认真,比彼此渴望。
实习期间累吗?这是不可避免的,但我们学到了很多!比如在钳工实习过程中,我们了解到钳工的主要材料是刮、钻、攻、锯、锉、装、划。
了解文件结构、分类、选择、文件姿态、文件方法和质量检查。
我们也得到了自己的劳动成果——自己做的小锤子。
我相信同学们一定会收藏起来,作为以后的完美回忆。
在车刀实习中,我们了解了车刀的种类、常用的刀具材料以及刀具材料的基本性质。
了解车刀的构成和主要几何角度。
手术过程中,同学们配合默契。
机电一体化实习报告(通用12篇)机电一体化实习报告篇1不知不觉实习阶段已经接近尾声,回想在学校的日子还历历在目。
在实习的期间我换了两份工作,在电子厂当过巡检。
在金属制品厂技术部学制图和企业管理。
其间我学到了很多在学校里学不到的东西。
学到的东西也比较广,从纯水的检测到发热片的加工,以及电子元件的质量标准和各种量具的用法。
虽然工作并不复杂,可在操作过程中起了很大的作用,避免了很多不必要的损失,在工人们操作的时候加以纠正,传授正确方法,从而使产品质量提高。
同时在工作中培养了自身交流能力。
促进了工作的效力。
这些都是我在灵芝电子里学到的。
离开灵芝主要原因是因为交通不便,后来我来到了离家不远的鑫美金属制品厂。
这里工作的环境很好。
我和几个同事安排在一间办公室。
我主要的工作是整理文件,图纸管理。
最近又帮忙做起里加工进程跟踪。
这个厂的历史虽然不过几年时间,但是实力却是不错的。
有专业的模具设计人才,先进的生产设备。
我平时也会帮忙画画图纸。
在学校学到的AUTOCAD现在派上了用场。
碰到不会的问题我还可以问我的几位师傅,他们都是专业的制图人员,画图纸又快又好。
在他们的用心指导下我可以画很多以前不会画的图纸了。
此外,我还知道了不少用于生产的机器。
一、线切割机车间里有几台线切割机。
它主要用于加工各种形状复杂和精密细小的工件,例如冲裁模的凸模、凹模、凸凹模、固定板、卸料板等,成形刀具、样板、电火花成型加工用的金属电极,各种微细孔槽、窄缝、任意曲线等,具有加工余量小、加工精度高、生产周期短、制造成本低等突出优点,已在生产中获得广泛的应用,目前国内外的电火花线切割机床已占电加工机床总数的60%以上。
根据电极丝的运行速度不同,电火花线切割机床通常分为两类:一类是高速走丝电火花线切割机床(wedm—hs),其电极丝作高速往复运动,一般走丝速度为8~10m/s,电极丝可重复使用,加工速度较高,但快速走丝容易造成电极丝抖动和反向时停顿,使加工质量下降,是我国生产和使用的主要机种,也是我国独创的电火花线切割加工模式;另一类是低速走丝电火花线切割机床(wedm—ls),其电极丝作低速单向运动,一般走丝速度低于0.2m/s,电极丝放电后不再使用,工作平稳、均匀、抖动小、加工质量较好,但加工速度较低,是国外生产和使用的主要机种。
实验一四节传送带控制一、实验目的1.掌握传送指令的使用及编程2.掌握四节传送带控制系统的接线、调试、操作三、面板图四、控制要求1.总体控制要求:如面板图所示,系统由传动电机M1、M2、M3、M4,故障设置开关A、B、C、D组成,完成物料的运送、故障停止等功能。
2.闭合“启动”开关,首先启动最末一条传送带(电机M4),每经过1秒延时,依次启动一条传送带(电机M3、M2、M1)。
3.当某条传送带发生故障时,该传送带及其前面的传送带立即停止,而该传送带以后的待运完货物后方可停止。
例如M2存在故障,则M1、M2立即停,经过1秒延时后,M3停,再过1秒,M4停。
4.排出故障,打开“启动”开关,系统重新启动。
5.关闭“启动”开关,先停止最前一条传送带(电机M1),待料运送完毕后再依次停止M2、M3及M4电机。
五、功能指令使用及程序流程图1.传送指令使用X0000为ON时,将源内容向目标内容传送,X0000为OFF时,数据不变化。
2.程序流程图六、端口分配及接线图序号PLC地址(PLC端子)电气符号(面板端子)功能说明1X00SD启动(SD)2X01A传送带A故障模拟3X02B传送带B故障模拟4X03C传送带C故障模拟5X04D传送带D故障模拟6Y00M1电机M17Y01M2电机M28Y02M3电机M39Y03M4电机M410主机COM、面板COM接电源GND电源地端11主机COM0、COM1、COM2、COM3、COM4、COM5、接电源GND电源地端12面板V+接电源+24V电源正端2.PLC外部接线图七、操作步骤1.检查实验设备中器材及调试程序。
2.按照I/O端口分配表或接线图完成PLC与实验模块之间的接线,认真检查,确保正确无误。
3.打开示例程序或用户自己编写的控制程序,进行编译,有错误时根据提示信息修改,直至无误,用SC-09通讯编程电缆连接计算机串口与PLC通讯口,打开PLC主机电源开关,下载程序至PLC中,下载完毕后将PLC的“RUN/STOP”开关拨至“RUN”状态。
4.打开“启动”开关后,系统进入自动运行状态,调试四节传送带控制程序并观察四节传送带的工作状态。
5.将A、B、C、D开关中的任意一个打开,模拟传送带发生故障,观察电动机M1、M2、M3、M4的工作状态。
6.关闭“启动”按钮,系统停止工作八、实验总结1.总结移位寄传器指令的使用方法。
2.总结记录PLC与外部设备的接线过程及注意事项。
实验二数码显示控制一、实验目的1.掌握译码指令的使用及编程方法2.掌握LED数码显示控制系统的接线、调试、操作方法序号名称型号与规格数量备注1.可编程控制器实验装置DDSZ-212.实验挂箱D6713.实验挂箱MRDT20-114.实验导线3号若干5.SC-09通讯电缆1三菱6.计算机1自备三、功能指令使用及程序流程图1.触点比较指令使用指令描述:对源数据内容进行BIN比较,对其结果执行后段的运算;如上所示,当D0中的数据“等于”常数K1时,则Y0输出状态“1”。
2.程序流程图四、端口分配及接线图序号PLC地址(PLC端子)电气符号(面板端子)功能说明1.X00SD启动/停止2.Y00A3.Y01B4.Y02C5.Y03D6.Y04E7.Y05F8.Y06G9.Y07H主机COM0、COM1、COM2等接电源GND电源端五、操作步骤1.按控制接线图连接控制回路;2.将编译无误的控制程序下载至PLC中,并将模式选择开关拨至RUN状态;3.分别拨动启动开关K0,观察并记录LED数码管显示状态;4.尝试编译新的控制程序,实现不同于示例程序的控制效果。
六、实验总结1.尝试分析整套系统的工作过程;2.尝试用其他不同于示例程序所用的指令编译新程序,实现新的控制过程。
实验三机械手控制一、实验目的1.掌握机械手控制系统的接线、调试、操作三、面板图四、控制要求1.总体控制要求:如面板图所示,工件在A处被机械手抓取并放到B处。
2.机械手回到初始状态,SQ4=SQ2=1,SQ3=SQ1=0,原位指示灯HL点亮,按下“SB1”启动开关,下降指示灯YV1点亮,机械手下降,(SQ2=0)下降到A处后(SQ1=1)夹紧工件,夹紧指示灯YV2点亮。
3.夹紧工件后,机械手上升(SQ1=0),上升指示灯YV3点亮,上升到位后(SQ2=1),机械手右移(SQ4=0),右移指示灯YV4点亮。
4.机械手右移到位后(SQ3=1)下降指示灯YV1点亮,机械手下降。
5.机械手下降到位后(SQ1=1)夹紧指示灯YV2熄灭,机械手放松。
6.机械手放松后上升,上升指示灯YV3点亮。
7.机械手上升到位(SQ2=1)后左移,左移指示灯YV5点亮。
8.机械手回到原点后再次运行。
五、程序流程图六、端口分配及接线图序号PLC地址(PLC端子)电气符号(面板端子)功能说明1X00SB1启动开关2X01SQ1下限位开关3X02SQ2上限位开关4X03SQ3右限位开关5X04SQ4左限位开关6Y00YV1下降指示灯7Y01YV2夹紧指示灯8Y02YV3上升指示灯9Y03YV4右移指示灯10Y04YV5左移指示灯11Y05HL原位指示灯12主机COM0、COM1、COM2接电源GND电源地端外部接线图七、操作步骤1.检查实验设备中器材及调试程序。
1.按照I/O端口分配表或接线图完成PLC与实验模块之间的接线,认真检查,确保正确无误。
2.打开示例程序或用户自己编写的控制程序,进行编译,有错误时根据提示信息修改,直至无误,用SC-09通讯编程电缆连接计算机串口与PLC通讯口,打开PLC主机电源开关,下载程序至PLC中,下载完毕后将PLC的“RUN/STOP”开关拨至“RUN”状态。
3.将左限位开关SQ4、右限位开关SQ3打向左、上限位开关SQ2、下限位开关SQ1打向上,机械手回到初始状态,原位指示灯HL点亮。
4.打上“SB1”启动开关,下降指示灯YV1点亮,模拟机械手下降,上限位开关SQ2打下,下降到A处后将下限位开关SQ1打下,开始夹紧工件,夹紧指示灯YV2点亮。
5.夹紧工件后,机械手上升,上升指示灯YV3点亮,将下限位开关SQ1打上,机械手上升到位后,上限位开关SQ2打上。
6.右移指示灯YV4点亮,机械手开始右移,左限位开关SQ4打向右。
7.机械手右移到位后,右限位开关SQ3打向右,下降指示灯YV1点亮,机械手下降,上限位开关SQ2打下。
8.机械手下降到位后,下限位开关SQ1打下,夹紧指示灯YV2熄灭,机械手放松。
9.机械手放松后上升,上升指示灯YV3点亮,下限位开关SQ1打上,机械手上升到位后,上限位开关SQ2打上。
10.机械手上升到位后左移指示灯YV5点亮,右限位开关SQ3打向左。
11.机械手左移到位后,左限位开关SQ4打向左,机械手完成一个动作周期。
八、实验总结1.总结记录PLC与外部设备的接线过程及注意事项。
实验四液体混合装置控制的模拟一、实验目的1.掌握上升沿/下降沿检出指令的使用及编程2.掌握多种液体混合装置控制系统的接线、调试、操作三、面板图四、控制要求1.总体控制要求:如面板图所示,本装置为三种液体混合模拟装置,由液面传感器SL1、SL2、SL3,液体A、B、C阀门与混合液阀门由电磁阀YV1、YV2、YV3、YV4,搅匀电机M,加热器H,温度传感器T组成。
实现三种液体的混合,搅匀,加热等功能。
2.打开“启动”开关,装置投入运行时。
首先液体A、B、C阀门关闭,混合液阀门打开10秒将容器放空后关闭。
然后液体A阀门打开,液体A流入容器。
当液面到达SL3时,SL3接通,关闭液体A阀门,打开液体B阀门。
液面到达SL2时,关闭液体B阀门,打开液体C 阀门。
液面到达SL1时,关闭液体C阀门。
3.搅匀电机开始搅匀、加热器开始加热。
当混合液体在6秒内达到设定温度,加热器停止加热,搅匀电机工作6秒后停止搅动;当混合液体加热6秒后还没有达到设定温度,加热器继续加热,当混合液达到设定的温度时,加热器停止加热,搅匀电机停止工作。
4.搅匀结束以后,混合液体阀门打开,开始放出混合液体。
当液面下降到SL3时,SL3由接通变为断开,再过2秒后,容器放空,混合液阀门关闭,开始下一周期。
5.关闭“启动”开关,在当前的混合液处理完毕后,停止操作。
五、功能指令使用及程序流程图1.上升沿/下降沿检出指令使用上升沿/下降沿检出指令,仅在指定位软元件的上升沿或下降沿接通一个扫描周期。
2.程序流程图六、端口分配及接线图1.端口分配及功能表序号PLC地址(PLC端子)电气符号(面板端子)功能说明1X00SD启动(SD)2X01SL1液位传感器SL13X02SL2液位传感器SL2 4X03SL3液位传感器SL3 5X04T温度传感器T 6Y00YV1进液阀门A7Y01YV2进液阀门B8Y02YV3进液阀门C9Y03YV4排液阀门10Y04YKM搅拌电机11Y05H加热器12主机COM、面板COM接电源GND电源地端13主机COM0、COM1、COM2、COM3、COM4、COM5、接电源GND电源地端14面板V+接电源+24V电源正端2.PLC外部接线图七、操作步骤1.检查实验设备中器材及调试程序。
2.按照I/O端口分配表或接线图完成PLC与实验模块之间的接线,认真检查,确保正确无误。
3.打开示例程序或用户自己编写的控制程序,进行编译,有错误时根据提示信息修改,直至无误,用SC-09通讯编程电缆连接计算机串口与PLC通讯口,打开PLC主机电源开关,下载程序至PLC中,下载完毕后将PLC的“RUN/STOP”开关拨至“RUN”状态。
4.打开“启动”开关,SL1、SL2、SL3拨至OFF,观察液体混合阀门YV1、YV2、YV3、YV4的工作状态。
5.等待20S后,观察液体混合阀门YV1、YV2、YV3、YV4的工作状态有何变化,依次将SL1、SL2、SL3液面传感器扳至ON,观察系统各阀门、搅动电机YKM及加热器H的工作状态。
6.将测温传感器的开关打到ON,观察系统各阀门、搅动电机YKM及加热器H的工作状态。
7.关闭“启动”开关,系统停止工作。
八、实验总结1.总结正/负跳变指令的使用方法。
2.总结记录PLC与外部设备的接线过程及注意事项。