表 A.0.1施工项目分区用电量抄表记录 - 副本 (2)
- 格式:xls
- 大小:24.50 KB
- 文档页数:62
施工用电检查记录一、任务背景在施工过程中,用电是必不可少的一环。
为了确保施工现场的用电安全,避免电气事故的发生,需要进行定期的施工用电检查。
本文将详细描述施工用电检查记录的标准格式。
二、检查记录表格施工用电检查记录表格应包含以下内容:1. 检查日期:记录检查的具体日期,以年、月、日的格式填写。
2. 检查人员:填写进行检查的人员姓名,确保检查责任明确。
3. 检查内容:记录检查的具体内容,包括用电设备、线路、插座等。
4. 检查结果:记录检查的结果,包括正常、异常等情况。
5. 异常情况描述:如有异常情况,详细描述异常情况的具体表现。
6. 处理措施:针对异常情况,记录采取的处理措施。
7. 处理结果:记录处理措施的结果,如修复、更换等。
8. 备注:可填写其他需要补充说明的信息。
三、示例检查日期:2022年1月15日检查人员:张三检查内容:1. 用电设备检查:- 检查主配电箱,确保电源接线正常,无松动现象。
- 检查电缆线路,查看是否有损坏、老化等情况。
- 检查开关、保险丝等电器元件,确保正常工作。
2. 插座检查:- 检查插座是否安装牢固,无松动现象。
- 使用电压表检测插座电压,确保符合标准要求。
- 检查插座是否有漏电现象,使用漏电保护器进行测试。
检查结果:1. 用电设备检查结果:正常。
2. 插座检查结果:正常。
异常情况描述:无异常情况。
处理措施:无需处理。
处理结果:无需处理。
备注:施工现场用电安全,无异常情况。
四、总结施工用电检查记录是确保施工现场用电安全的重要文件。
通过详细记录检查内容、结果、异常情况和处理措施,可以及时发现并解决潜在的电气安全问题,保障施工人员的生命财产安全。
在编写施工用电检查记录时,应严格按照标准格式填写,并确保内容详细、准确。
A.0.1施工项目分区用电量抄表记录工程名称:开工日期:项目部(章):审核:A.0.2施工项目柴油、液化气等领用记录工程名称:A.0.3施工项目能源使用台账用电指标:KWh/万元;用油指标:L/万元;液化气指标:KG/万元;其他能源指标:工程名称:能源指标:/万元其中电:油:B.0.1施工项目分区用水量抄表记录工程名称:开工日期:B.0.3施工项目水资源使用台账3B.0.2施工项目利用其他水资源抄表记录工程名称:填表说明:1、水表位置指水表设置在生活区、施工区某位置;2、水资源名称指江水、河水、地下降水、地下水、施工、生活废水。
C.0.1施工项目钢筋进场与消耗汇总表填表说明:根据施工现场材料综合台帐记录,按月统计钢筋进场数量及消耗量。
C.0.2施工项目预拌混凝土进场汇总表填表说明:根据施工现场材料综合台帐,按月统计预拌混凝土进场数量。
C.0.3施工项目预拌砂浆进场汇总表填表说明:根据施工现场材料综合台帐,按月统计预预拌砂浆进场数量及消耗量。
C.0.4施工项目木材及木模板进场汇总表填表说明:1、根据施工现场材料综合台帐,按月统计木材进场及消耗量,木材品种按木枋、木模板分别汇总;2、木模板按进场张数统计;3、木枋按进场方数统计。
D.0.1施工项目场界噪音检测记录(表十一)工程名称:检测仪器:D.0.2施工项目扬尘目测记录D.0.3施工项目污水排放PH值检测记录D.0.4施工项目建筑垃圾回收再利用记录填表说明:1、垃圾名称指混凝土、转、砌块、石材、砂浆、瓦片及钢筋、木材等废弃物均已T为计量单位。
2、垃圾来源指本项目产生或回收其他项目的废弃物3、用途指用作路基材料、垫层,或经处理后再利用。
D.0.5施工项目建筑垃圾外运记录注:建筑垃圾名称指混凝土、砖、砌块、石材、砂浆、瓦片及钢筋、木材等废弃物。
2、评价机构指项目自我评价或企业组织的评价并应加盖评价机构印章。
能源、资源管理办法第一章总则第一条为保持社会和企业的可持续发展,加强对施工生产、经营管理和服务活动过程中的能源、资源的使用以及节能降耗工作的管理,达到逐年降低能源和资源消耗的目标,特制定本办法。
第二条本办法适用于二建集团所属的施工生产、经营管理和服务活动过程中的能源、资源的管理。
第三条定义1、能源指施工生产、经营管理、生活和服务过程中使用的电、汽油、柴油、燃料油、管道煤气、液化石油气、液化天然气等。
2、水资源水资源是指在一定经济技术条件下,可以直接利用的水。
本办法指施工生产、经营管理、生活和服务过程中使用的水。
3、原材料指施工生产过程中使用的钢材、木材、商品砼等原材料。
4、其他水资源指施工生产、经营管理、生活和服务过程中使用的江水、河水、地下降水、雨水、经沉淀处理的施工废水、生活废水等水资源。
第四条职责1、技术质量部(质量管理)(1)下达二建集团、工程公司/分公司/总承包部、工程项目部能源、水资源、原材料消耗控制指标;(2)组织并参与能源、水资源、原材料的管理和节能降耗措施的审核;(3)参与能源、水资源、原材料的管理和节能降耗措施的策划,指导能源、水资源、原材料的管理和节能降耗措施的制定,以及新技术、新工艺、新设施、新材料的开发与应用,收集和整理相关法律、法规、规定,并对相关工作进行管理和监控;(4)检查能源、水资源、原材料的管理和节能降耗工作,评估目标指标达成情况,指导、监督纠正、预防措施的落实。
2、工程管理部(物资管理)(1)负责二建集团能源、水资源、原材料消耗的统计、分析工作;(2)参与能源、水资源、原材料的管理和节能降耗措施的审核;(3)组织实施施工生产过程中的能源、水资源、原材料管理,指导工程公司/分公司/总承包部、工程项目部能源、水资源、原材料的管理工作的开展;(4)检查能源、水资源、原材料的管理和节能降耗工作,评估目标指标达成情况,指导、监督纠正、预防措施的落实。
3、工程管理部(机械设备管理)(1)参与机械设备与机具管理和节能降耗措施的审核;(2)组织实施施工生产机械设备与机具的管理,指导工程公司/分公司/总承包部、工程项目部机械设备与机具管理工作的开展;(3)检查机械设备与机具管理和节能降耗工作,指导、监督纠正、预防措施的落实。
上海市工程建设规范建设工程绿色施工(节约型工地)管理规范DGJ08-XXX-2012(送审稿)2012.12上海上海市工程建设规范建设工程绿色施工(节约型工地)管理规范DGJ08-XXX-2012主编单位:上海市建设工程安全质量监督总站上海市建筑施工行业协会工程质量安全专业委员会批准部门:上海市建设和交通委员会施行日期:2013年X月X日2012.上海前言本规范根据上海市建设和交通委员会2012年度上海市工程建设规范标准和标准设计编制计划,由上海市建设工程安全质量监督总站、上海市建筑施工行业协会工程质量安全专业委员会会同有关单位编制完成。
编制过程中,编制组认真总结回顾了本市开展绿色施工活动的实践和取得的经验,对绿色施工的现状进行深入调查研究并反复征求意见的基础上,编制了本规范。
本规范分为10章,主要内容包括:总则、术语、基本规定、节能与能源利用、节水与水资源利用、节材与材料利用、节地与施工用地保护、环境保护、信息化与资料管理、考核与评价。
规范的编制为本市建设施工企业推进绿色施工活动提供了依据和要求。
本规范由上海市建设与交通管理委员会负责管理,上海市建设工程安全质量监督总站负责具体技术内容的解释。
在执行过程中,请各单位结合工程实践,注意总结经验、积累材料,并随时将有关意见和建议寄至上海市建设工程安全质量监督总站(地址:上海小木桥路683号,邮编200032),以供今后修订时参考。
本规范主编单位:上海市建设工程安全质量监督总站上海市建筑施工行业协会工程质量安全专业委员会本规范参编单位:上海市建工集团股份有限公司上海市南汇建筑工程有限公司本规范主要起草人员:黄忠辉潘延平高志海辛达帆高妙康蔡鹿邱震秦家麟曹建忠高永舟邱文奎惠锡平刘加峰周善荣易先平舒定康孙瑞良徐佳彦沈昱汤晓芸目次1、总则2、术语3、基本规定3.1 绿色施工(节约型工地)目标管理3.2 绿色施工(节约型工地)管理体系3.3绿色施工(节约型工地)专项方案3.4 绿色施工技术创新4、节能与能源利用4.1 一般规定4.2 大型施工机械节能4.3 中小型施工机械与现场照明节能4.4 生活与办公节能5、节水与水资源利用5.1 一般规定5.2 提高用水效率5.3 其它水资源利用6、节材与材料利用6.1 一般规定6.2 降低材料损耗6.3 提高周转材料利用率6.4 施工余料及废旧材料利用7、节地与施工用地保护7.1 一般规定7.2 土地保护7.3 减少对土体的扰动8、环境保护8.1 一般规定8.2 光污染控制8.3 噪声控制8.4 扬尘控制8.5 污水排放8.6 建筑物和地下管线保护8.7 建筑垃圾再利用9、信息化与资料管理9.1绿色施工信息化9.2 绿色施工(节约型工地)资料管理10、考核与评价10.1 一般规定10.2 考核评价要素及评价方法10.3 考核评价组织及程序附录:绿色施工(节约型工地)管理基本表式规范用词用语说明附条文说明上海市工程建设标准建设工程绿色施工(节约型工地)管理规范1 总则1.0.1 为进一步推进绿色施工,规范本市建设工程绿色施工(节约型工地)管理,实现施工阶段节能降耗和环境保护目标,制订本规范。
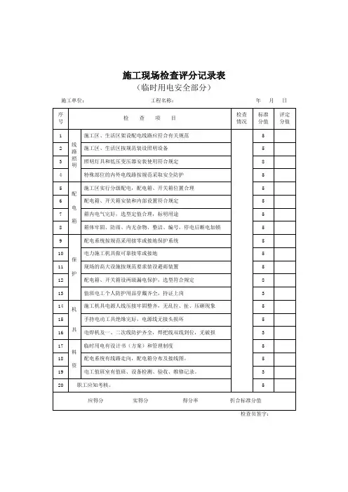
施工现场检查评分记录表(临时用电安全部分)施工单位:工程名称:年月日施工现场检查评分记录表(临时用电安全部分)说明一、检查数量表中所列检查项目必须全面到位检查,电源配电箱、开关箱和施工机具的检查数量分别应不少于3只(台、件)。
表中第17条之前的检查项目部位(处)不应少于两处。
二、检查项目1.表中所指规范,系指建设部1988年颁发的《施工现场临时用电安全技术规范》。
表中所指规定,系指城市有关部门颁发的规程、规定。
2.表中第9栏的检查评分主要依据以下原则:(1)对91年新开工程要按建设部的规范要求,采用三相五线制的专用保护零线的配电系统。
(2)对91年前开工的工程,应逐步改造,基本达到部颁规范的要求。
(3)对不具有独立配电系统的工程,必须做接地保护装置,并齐全可靠。
3.表中第12栏,要求配电系统设两级漏电保护器,形成两级保护,允许第一级(靠系统电源一侧)采用漏电动作电流大于30mA,小于100mA的漏电保护装置。
三、评分方法每个子项按“好”、“较好”、“合格”、“较差”、“差”五级评定。
1.凡达到规程、规范、规定、标准,全面完好的评为好,给予该项标准分值的100%。
2.凡达到规程、规范、规定、标准,基本完好的评为较好,给予该项标准分值的90%。
3.凡符合规程、规范、规定、标准,达到合格要求的评为合格,给予该项标准分值的70%。
4.凡基本符合规程、规范、规定、标准,但有一定缺陷,需改后才能达到合格要求的,评为较差,给予该项标准分值的50%。
5.不符合规程、规范、规定、标准,有严重缺陷,评为差,给予该项标准分值的0%。
6.缺项不评分,分子、分母都不计算。
如发现有严重隐患或严重问题的项目,可视其严重程度,在零线下给予负5-10分处理,并在检查汇总表的总分中酌情扣减5-20分。
检查记录:。
上海市工程建设规范建设工程绿色施工管理规范Green construction management specification forconstruction projectDG/TJ08-2129-2013主编单位:上海市建设工程安全质量监督总站上海市建筑施工行业协会批准部门:上海市城乡建设和交通委员会实施日期: 2013 年 10 月 1 日2013 上海上海市乡建设和交通委员会文件沪建交 [2013]752 号上海市城乡建设和交通委员会关于批准《建设工程绿色施工管理规范》为上海市工程建设规范的通知各有关单位 :由上海市建设工程安全质量监督总站和上海市建筑施工行业协会主编的《建设工程绿色施工管理规范》,经市建设交通委科技委技术审查和我委审核,现批准为上海市工程建设规范,统一编号为 DG/TJ08― 2129-2013,自 2013 年 10 月 1日起实施。
本规范由上海市城乡建设和交通委员会负责管理、上海市建设工程安全质量监督总站负责解释。
上海市城乡建设和交通委员会二○一三年八月一日1前言本规范根据上海市城乡建设和交通委员会沪建交 [2012]661 号文件《关于印发“2012 年上海市工程建设规范标准和标准设计编制计划(第二批)”的通知》,由上海市建设工程安全质量监督总站、上海市建筑施工行业协会工程质量安全专业委员会会同有关单位编制完成。
十一五计划期间,上海建筑业从创建节约型工地起步,,稳步推进建设工程绿色施工。
经过 7 年的发展,上海地区绿色施工实现了从节能、节水、节材向“四节一环保”的全面转型,正在显示持续发展的活力。
本规范编制过程中,编制组认真总结回顾了本市开展绿色施工活动的实践和取得的经验,对绿色施工的现状进行深入调查研究并反复征求意见的基础上,编制了本规范。
本规范分为 1O章,主要内容包括:总则、术语、基本规定、节能与能源利用、节水与水资源利用、节材与材料利用、节地与施工用地保护、环境保护、绿色施工信息化与资料管理、绿色施工的考核评价。
水利水电工程
表0.0.1 单元工程施工检验记录备查表
单位工程名称
渭干河灌区续建配套与节水改造工
程2015年(库车县)项目第三标段
单元工程量
分部工程名称18+778.2-20+956.23渠系建筑物
20+956.23节制分水闸
施工单位江西省源河工程有限责任公司
单元工程
名称、部位
施工日期2015 年月日检验
项目
初
检
班组名称:
负责人:2015年月日班组名称:
负责人:2015 年月日
复检
施工队名称:
负责人:2015年月日施工队名称:
负责人:2015年月日
终检
质检科(处):
2015 年月日质检科(处):
2015 年月日
注:记录内容不可打印,只能书写,字迹清晰、工整。
施工用电检查记录一、背景介绍施工现场的用电安全是保障工人安全和施工顺利进行的重要环节。
为了确保施工用电的安全可靠,需要进行定期的用电检查,并记录检查结果。
本文将详细介绍施工用电检查记录的标准格式和内容要求。
二、检查记录表格施工用电检查记录应使用标准的表格进行记录,表格的格式如下:----------------------------------------------------------| 日期 | 检查人员 | 施工部位 | 检查内容 | 结果 |----------------------------------------------------------三、内容要求1. 日期:记录检查的日期,以年月日的格式填写。
2. 检查人员:填写进行检查的人员姓名或工号。
3. 施工部位:填写需要检查的施工区域或设备名称。
4. 检查内容:详细描述需要检查的内容,包括但不限于以下几个方面:a. 电源线路:检查电源线路是否完好,是否有破损或老化现象。
b. 电箱及开关:检查电箱和开关是否正常工作,是否有松动或漏电现象。
c. 接地保护:检查接地保护是否完好,是否存在接地不良或断路情况。
d. 电气设备:检查施工现场使用的电气设备是否符合安全要求,是否有损坏或故障。
e. 临时用电:检查施工现场临时用电设施是否安全可靠,是否符合规范要求。
f. 其他:根据实际情况,可以添加其他需要检查的内容。
四、结果记录在结果一栏中记录检查结果,包括但不限于以下几种情况:1. 正常:表示检查项目符合安全要求,没有发现异常情况。
2. 异常:表示检查项目存在问题或不符合安全要求,需要进行修复或调整。
3. 待处理:表示检查项目存在问题,但不影响施工进行,需要在后续进行处理。
4. 检修:表示检查项目存在严重问题,需要立即停止使用,并进行修复或更换。
五、记录保存施工用电检查记录应保存至少一年,以备日后查阅和审计。
记录可以以电子形式保存,也可以打印并存档。
施工现场临时用电定期检(复)查表之樊仲川亿创作
号:001
续表
说明:定期检查执行周期最长可为:施工现场每星期一次,施工企业每月一次
施工现场临时用电定期检(复)查表
号:002
续表
说明:定期检查执行周期最长可为:施工现场每星期一次,施工企业每月一次
施工现场临时用电定期检(复)查表
号:003
续表
说明:定期检查执行周期最长可为:施工现场每星期一次,施工企业每月一次
施工现场临时用电定期检(复)查表
号:004
续表
说明:定期检查执行周期最长可为:施工现场每星期一次,施工企
业每月一次.
施工现场临时用电定期检(复)查表号:005
续表
说明:定期检查执行周期最长可为:施工现场每星期一次,施工企业每月一次.
施工现场临时用电定期检(复)查表
号:006
续表
说明:定期检查执行周期最长可为:施工现场每星期一次,施工企业每月一次.
施工现场临时用电定期检(复)查表
号:007
续表
说明:定期检查执行周期最长可为:施工现场每星期一次,施工企业每月一次.
施工现场临时用电定期检(复)查表
号:008
续表
说明:定期检查执行周期最长可为:施工现场每星期一次,施工企
业每月一次.
施工现场临时用电定期检(复)查表号:009
续表
时间:二O二一年七月二十九日
说明:定期检查执行周期最长可为:施工现场每星期一次,施工企业每月一次.
时间:二O二一年七月二十九日。