制剂工艺规程模板
- 格式:doc
- 大小:84.00 KB
- 文档页数:7
目的建立通脉颗粒制剂工艺规程,使产品生产规范化,标准化,保证生产的产品质量稳定、均一和有效。
范围适用于通脉颗粒制剂生产全过程。
责任主管总经理、质量管理部部长、生产技术部部长、固体制剂车间主任、技术员标准依据《中华人民共和国药典》2000年版一部卫生部药品标准WS3-B-0824-91工艺规程的编制及管理规程(SMP.QA-GJ-01)内容1 产品概述1.1 品名:通脉颗粒汉语拼音:Tongmai Keli1.2 剂型:颗粒剂1.3 性状:本品为棕黄色的颗粒;气微,味甜、微苦。
1.4 功能与主治:活血通脉。
用于缺血性心脑血管疾病,动脉硬化,脑血栓,脑缺血,冠心病,心绞痛。
1.5 用法与用量:口服,一次10g,一日2~3次。
1.6 规格:每袋装10g。
1.7 贮藏:密封。
1.8 有效期:三年1.9 批准文号:国药准字1.10 包装规格:10g×8袋×108盒2.1 处方2.2 处方依据:卫生部药品标准WS3-B-0824-913 生产工艺流程图见第3页通脉颗粒生产工艺流程及环境区域划分示意图4 通脉颗粒生产质量控制要点5 制剂过程及工艺条件5.1 蔗糖粉碎将检验合格的蔗糖,投入涡轮自冷式粉碎机中,粉碎,过80目筛,执行“TF-160B型涡轮自冷式粉粹机标准操作规程”(SOP.SJ-SZ-35),装入不锈钢桶中。
送入存料间,称重,挂上标志。
5.2 制粒:按每批2万袋从提取中间站领料,二人复核,准确称量1/4配方量的清膏,糖粉投入槽型混合机中,执行“CH200A槽型混合机标准操作规程”(SOP.SJ-SZ-38),混合,待色泽达到均匀一致,将软材投入整粒机中,执行“KZ-180快速粉碎整粒机标准操作规程”(SOP.SJ-SZ-65),制得大小均匀颗粒。
5.3 干燥:将湿颗粒投入高效沸腾干燥机的沸腾器中,执行“GFG-120高效沸腾干燥机标准操作规程”(SOP.SJ-SZ-40),温度60℃,干燥30分钟,下料。
制药有限公司小容量注射液生产工艺规程文件编号:1颁发单位:GMP办公室工艺规程批准程序1. 剂型、规格 (2)2. 生产工艺流程 (2)3. 操作过程及工艺条件 (3)4.质量控制要点 (6)5.设备一览表、主要设备生产能力 (6)6.工艺过程中的SOP (7)7.中间产品的控制 (8)8.验证工作要点 (8)9.工艺验证的具体要求 (9)10.工艺卫生和环境卫生 (9)11.劳动组织及岗位定员 (9)一、制剂类型:最终灭菌小容量注射液,10ml规格,安瓿瓶包装。
二、流程图:小容量注射液生产工艺流程图三、操作过程及工艺条件1 生产前的检查与确认1.1 是否还留有前批生产的产品或物料,是否已清洁并取得“清场合格证”。
1.2 检查确认生产现场的机器设备和器具是否已清洁并准备完毕挂上“合格”标示。
1.3 所使用原辅料是否准备齐全。
是否有质量检验报告单,合格品才能使用。
1.4 检查工艺用水是否新鲜制备,贮存不得超过24小时。
1.5 检查确认与生产品种相适应的批生产指令、配套文件及有关记录是否已准备齐全。
1.6 检查确认生产场所的温度是否在规定范围内(18-26℃,相对湿度在30%-65%)。
2 洗瓶、干燥灭菌2.1理瓶:根据“批生产指令”准备所需的清洁盘、领取必须的安瓶。
在理瓶室将安瓶的合格品摆满瓶盘。
2.2粗洗:把安瓿瓶盘放在不锈钢传送链条上,开动洗瓶机用高压循环纯化水洗安瓿瓶内外壁。
将安瓿瓶盘对称放置,固定在甩水机上,启动甩水机,甩水处理8分钟,至安瓶甩干。
重复上述操作。
2.3 精洗:用水温50--60℃,经孔径0.45um滤膜滤过的澄明度合格的注射用水清洗安瓿瓶内外壁,重复粗洗步骤。
定时检查安瓿的清洁度:目检1000ml注射用水无可见异物,抽50支,毛、块≤2%。
2.4 干燥与灭菌:安瓿盘均匀放入烘干箱内,150℃烘干1小时,或350℃烘干5分钟,消除热原。
2.5 灭菌后的安瓿立即使用或清洁存放,贮存不得超过48小时。
工艺规程目录1、产品综述1.1产品名称及代码1.2产品剂型、规格及批量1.3产品概述2、生产处方2.1处方依据2.2生产处方及制法2.3生产用原辅材料使用清单2.4工艺流程图及洁净区域划分3、生产操作要求3.1生产用关键房间与设备一览表3.2设备操作规程及设备清洁规程一览表3.3具体操作过程及工艺条件4、质量控制点、质量标准、检验方法4.1工艺用水质量控制点4.2工艺过程质量控制点4.3原辅料、包装材料的质量标准及检验依据4.4中间产品、成品检验项目、方法及标准5、包装操作要求5.1包装规格5.2包装材料清单5.3具体包装操作步骤5.4包装要求、标签、说明书与贮存方法6、技术经济指标6.1成品率的计算6.2物料平衡的计算7、工艺卫生、环境卫生及人员卫生8、其他8.1其他工艺要求8.2技术安全及劳动保护8.3劳动组织与岗位定员8.4设备维护及度量衡器检验8.5附录:常用理化常数计算公式及换算公式9、附页:供修改时登记,批准日期、文字和内容等10、包材样张1、产品综述:1.1产品名称:复方金银花颗粒汉语拼音:Fufangjinyinhua Keli1.2剂型及规格:颗粒剂,10g/袋(相当于总药材3.5g)包装规格:10g×10袋×150盒1.3产品代码:C02 产品批量:6万袋1.4产品概述1.4.1 性状:本品为浅黄色的颗粒;味甜、微苦。
1.4.2功能主治:清热解毒,凉血消肿。
用于风寒感冒,喉痹,乳蛾,目痛、牙痛及痈肿疮疖等症。
1.4.3 用法用量:开水冲服,一次10~20g,一日2~3次。
1.4.4 规格:每袋装10g。
1.4.5 批准文号:国药准字Z230211071.4.6 贮藏:密封。
1.4.7 有效期:两年2、生产处方:2.1处方依据:卫生部药品标准中药成方制剂第十册第115页 (WS3-B-1985-95)2.2【处方】2.2.1法定处方金银花 750g 连翘 750g 黄芩 250g蔗糖粉适量制成 5000g(500袋)2.2.2制法:以上三味,金银花加水蒸馏,收集蒸馏液至规定量,另器保存。
制剂的生产工艺流程
《制剂的生产工艺流程》
制剂的生产工艺流程是制药过程中至关重要的一环,它直接关系到药品的质量、安全性和有效性。
制剂生产工艺流程通常包括以下几个主要步骤:
1. 原料准备:首先需要准备各种原料,包括药物活性成分、辅料、溶剂等。
这些原料需要通过严格的质量控制,确保其纯度和质量符合制剂生产的要求。
2. 配方设计:根据药物的特性和要求,制定合适的配方。
在配方设计中,需要考虑药物的溶解性、稳定性和药效。
同时也要考虑给药途径和剂型,以及患者的接受性和便利性。
3. 混合制备:将各种原料按照配方要求进行混合。
混合过程需要严格控制时间、温度和速度,以确保药物的均匀性和稳定性。
4. 成型制备:将混合好的药物原料制成固体或液体的剂型。
这一步骤包括压片、制丸、填充、封口等操作,需要根据药物的特性和剂型要求进行选择。
5. 包装和装箱:将制成的制剂进行包装和装箱。
包装要求符合药品质量标准,保证防潮、防光、防氧化等,确保药品的质量和有效性。
6. 质量控制:在整个生产过程中,需要对原料、中间产品和成
品进行严格的质量控制。
包括物理性质测试、化学成分分析、微生物检测等,确保制剂的质量符合标准。
7. 清洁消毒:生产设备和生产场所需要定期进行清洁消毒,以防止交叉污染和保证制剂生产的纯净度。
以上就是制剂的生产工艺流程的主要步骤。
通过严格的管理和控制,确保生产过程中的每一个细节都符合质量标准,从而生产出高质量、安全、有效的药物制剂。
1 目的建立****制剂工艺规程,保证工艺控制和工艺步骤严格的按规定执行。
2 范围适用于****-的生产过程和中间控制。
3 职责生产管理部、技术管理部、质量管理部对本规程的实施负责。
4制定依据药品生产质量管理规范(****年修订);中国药典(*****年修订);(标准的名称、编号、以再注册上为准);***制剂工艺验证报告(编号:**)。
5 程序产品名称、剂型、规格产品名称:*****汉语拼音:产品代码:剂型:以再注册上为准规格:以再注册上为准有效期:以注册证或补充批件为准性状:以最新质量标准描述一致。
药品批准文号:批代表量:**万片。
处方产品的法定质量标准和内控标准原辅料、中间产品、待包装产品质量标准原料质量标准:***质量标准见:辅料质量标准:****质量标准见:中间产品质量标准:(如有)待包装产品质量标准见:工艺流程图及环境区域划分。
工艺流程图、环境区域划分操作过程及工艺条件工序名称操作前准备(如清洗、组装、校准等)所采用的方法或相应操作规程编号。
本工序所需物料的计算公式;具体操作步骤及工艺参数(如物料的核对、加入物料的顺序、煎煮时间、温度等);本工序中间产品的抽验要求(需注明抽验人、抽验数量、控制方法、中间体标准等);本工序所产中间产品的存储要求(注明盛装容器材质、容积、清洁要求、状态标志要求、封口要求、堆码高度、存放地点、存放条件、存放时间)。
物料平衡计算公式、平衡率范围。
清场:注明清场顺序、清场的状态、标识、清场记录,设备清场标准见**清洁操作规程。
记录的交接,注明完整记录必须包含的内容、记录移交时间、移交去处。
本工艺涉及文件及其使用范围。
本工序关键控制点:…………………………………………技术安全与劳动保护各工序应严格按照“安全生产管理规程”、进行车间日常及定期的安全巡检并记录。
在进行生产时,必须按相应要求穿戴劳保用品,严格按设备操作规程使用设备。
任何时刻都必须保持安全通道的畅通。
工艺卫生和环境卫生生产车间为D级洁净区,生产工艺卫生符合生产要求。
1 目的建立****制剂工艺规程,保证工艺控制和工艺步骤严格的按规定执行。
2 围适用于****-的生产过程和中间控制。
3 职责生产管理部、技术管理部、质量管理部对本规程的实施负责。
4制定依据药品生产质量管理规(****年修订);中国药典(*****年修订);(标准的名称、编号、以再注册上为准);***制剂工艺验证报告(编号:**)。
5 程序5.1 产品名称、剂型、规格产品名称:*****汉语拼音:产品代码:剂型:以再注册上为准规格:以再注册上为准有效期:以注册证或补充批件为准性状:以最新质量标准描述一致。
药品批准文号:批代表量:**万片。
5.2 处方5.3 产品的法定质量标准和控标准5.3.1 原辅料、中间产品、待包装产品质量标准5.3.1.1 原料质量标准:***质量标准见:5.3.1.2 辅料质量标准:****质量标准见:5.3.1.3中间产品质量标准:(如有)5.3.1.4待包装产品质量标准见:5.4工艺流程图及环境区域划分。
5.4.1工艺流程图5.4.2、环境区域划分5.5操作过程及工艺条件5.5.1工序名称5.5.1.1操作前准备(如清洗、组装、校准等)所采用的方法或相应操作规程编号。
5.5.1.2本工序所需物料的计算公式;5.5.1.3具体操作步骤及工艺参数(如物料的核对、加入物料的顺序、煎煮时间、温度等);5.5.1.4本工序中间产品的抽验要求(需注明抽验人、抽验数量、控制方法、中间体标准等);5.5.1.5本工序所产中间产品的存储要求(注明盛装容器材质、容积、清洁要求、状态标志要求、封口要求、堆码高度、存放地点、存放条件、存放时间)。
5.5.1.6物料平衡计算公式、平衡率围。
5.5.1.7清场:注明清场顺序、清场的状态、标识、清场记录,设备清场标准见**清洁操作规程。
5.5.1.8记录的交接,注明完整记录必须包含的容、记录移交时间、移交去处。
5.5.1.9本工艺涉及文件及其使用围。
固体制剂工艺规程通则-散剂基本制备工艺流程图一、配料:1、处方计算、称量及投料必须复核、操作者及复核者均应在记录上签名。
2、称量顺序原则上先称辅料再称原料,先无色后有色,先质重后质轻,先固体后液体的原则。
同一种原(辅)料称完后,再称另一种原(辅)料,为防止称错、混药,不得交叉称量;不得用一个撮瓢称料。
3、称量前检查电子计重台秤和电子计重天平的校准(水平),调零。
电子计重台秤最大量程150kg(感量50g);电子计重天平最大量程30kg(感量1g)。
4、制粒使用羟丙甲纤维素(HPMC)、羧甲纤维素钠(CMC-Na)、丙烯酸树脂作为粘合剂时,要求按工艺规程取相应辅料提前一个班浸泡后发往制粒组。
5、配好的物料应在清洁的容器里,容器内、外都应有标签,写明特料的品名、规格、批号、皮、毛、净重、日期和操作者姓名。
配料工作台图片:二、原辅料混合(一)、混合设备1、概述:固体混合是制备固体制剂的重要操作。
混合的目的是药物的各组分在制剂中均匀一致,以保证剂量的准确与有效。
混合的均匀与否对生产过程中的质量及成品质量都有直接影响。
在固体制剂生产中,混合使主料与辅料的含量均一是使固体制剂按处方规定剂量准确的决定因素。
在固体制剂生产过程中制粒前的有效成分和辅料的搅拌混合;以及整粒后加入润滑剂和崩解剂时的总混都需要使用混合设备进行混合。
混合程度是混合后均一程度的指标。
2、混合机理物料混合时有三种不同的运动形式:对流混合、剪切混合、扩散混合。
(1)、对流混合是指粉末在容器中翻转混合,或者用浆、片、相对旋转螺旋将相当大量的物料从一处转移至另外一处。
在混合设备内形成固体的循环流进行混合。
对流混合的效率与混合器的种类有直接关系。
(2)、由于物料颗粒的速度分布所产生的颗粒间的相互滑动和撞击以及搅拌叶片端部与内壁间的挤压和拉伸,便产生了剪切混合。
(3)、扩散混合是指物料相邻颗粒间相互交换位置而产生的局部混合作用,混合容器中粉末颗粒的紊乱运动改变其彼此间的相对位置而发生的混合现象,能引起颗粒运动的任何方法都能进行扩散混合。
磺胺嘧啶钠注射液生产工艺规程目录1 产品概述2 处方依据3 工艺流程图4 中药材的前处理5 制剂工艺过程及工艺条件6 原辅材料质量标准和检查方法7 中间产品质量标准和检查方法8 成品质量标准和检查方法9 包装规格、包装材料质量标准10 说明书、产品文字说明和标志11 工艺要求12 设备一览表和重要设备生产能力13 技术安全与劳动保护14 劳动组织15 原辅料消耗定额16 包装材料消耗定额17 动力消耗定额18 综合利用与环境保护目的:建立完善的生产操作流程制度,确保产品质量。
适用范围:适用于工艺操作人员。
责任:质量部部长、生产部部长、车间主任。
内容:1. 产品名称与剂型1.1产品名称:磺胺嘧啶钠注射液拼音:Huang'an Miding Na Zhusheye英文:Sulfadiazine Sodium Injection1.2剂型:小容量注射剂。
2.产品概述:本品为磺胺嘧啶钠的灭菌水溶液。
含磺胺嘧啶钠(C10H9N4NaO2S)应为标示量的95.0%~105.0%。
2.1产品特点:2.1.1性状:本品为无色或微黄色的澄明液体。
2.1.2作用与用途:磺胺类药。
主用于敏感菌感染,也可用于弓形虫感染。
2.1.3用法用量:静脉注射一次量每1Kg体重家畜0.05~0.1g,一天1~2次,连用2-3天。
2.1.4规格:10ml:1g2.1.5贮藏:遮光、密闭保存。
2.1.6有效期:二年2.1.7批准文号:2.2 处方:磺胺嘧啶钠 100g硫代硫酸钠 1g注射用水 至1000ml 3工艺流程图注:代表10000级代表100000级生产工艺流程图及环境区域划分示意图4. 制剂工艺过程及工艺条件:4.1总述:4.1.1按生产指令单领取磺胺嘧啶钠,在浓配灌中加入总量30%的注射用水,加入计算量的氢氧化钠搅拌使溶解,然后缓缓加磺胺嘧啶钠,边加边搅拌至充分溶解,粗滤至稀配灌中,加注射用水至全量,继续搅拌20分钟。
调pH在规定范围内(9.7-10.8),并充氮气保护;然后用经过完整性测试合格的孔径为0.45µm的过滤器粗滤,经检查药液pH、含量合格后再用0.22µm经过完整性测试合格的过滤器精滤,澄明度检查合格后进入溶液瓶,充氮气灌封、灭菌检漏、灯检、印字包装成规定规格;过滤结束再次检查过滤器的完整性。
1 目的建立****制剂工艺规程,保证工艺控制和工艺步骤严格的按规定执行。
2 范围适用于****-的生产过程和中间控制。
3 职责生产管理部、技术管理部、质量管理部对本规程的实施负责。
4制定依据药品生产质量管理规范(****年修订);中国药典(*****年修订);(标准的名称、编号、以再注册上为准);***制剂工艺验证报告(编号:**)。
5 程序产品名称、剂型、规格产品名称:*****汉语拼音:产品代码:剂型:以再注册上为准规格:以再注册上为准有效期:以注册证或补充批件为准性状:以最新质量标准描述一致。
药品批准文号:批代表量:**万片。
处方产品的法定质量标准和内控标准原辅料、中间产品、待包装产品质量标准原料质量标准:***质量标准见:辅料质量标准:****质量标准见:中间产品质量标准:(如有)待包装产品质量标准见:工艺流程图及环境区域划分。
工艺流程图、环境区域划分操作过程及工艺条件工序名称操作前准备(如清洗、组装、校准等)所采用的方法或相应操作规程编号。
本工序所需物料的计算公式;具体操作步骤及工艺参数(如物料的核对、加入物料的顺序、煎煮时间、温度等);本工序中间产品的抽验要求(需注明抽验人、抽验数量、控制方法、中间体标准等);本工序所产中间产品的存储要求(注明盛装容器材质、容积、清洁要求、状态标志要求、封口要求、堆码高度、存放地点、存放条件、存放时间)。
物料平衡计算公式、平衡率范围。
清场:注明清场顺序、清场的状态、标识、清场记录,设备清场标准见**清洁操作规程。
记录的交接,注明完整记录必须包含的内容、记录移交时间、移交去处。
本工艺涉及文件及其使用范围。
本工序关键控制点:…………………………………………技术安全与劳动保护各工序应严格按照“安全生产管理规程”、进行车间日常及定期的安全巡检并记录。
在进行生产时,必须按相应要求穿戴劳保用品,严格按设备操作规程使用设备。
任何时刻都必须保持安全通道的畅通。
工艺卫生和环境卫生生产车间为D级洁净区,生产工艺卫生符合生产要求。
藿香正气丸(浓缩丸)工艺规程一、引言藿香正气丸是一种中药制剂,以藿香、白芷、陈皮、苍术、厚朴等药材为主要原料,具有疏风解表、宣肺化痰、理气止痛的功效。
藿香正气丸浓缩丸是一种经过浓缩加工制成的剂型,具有服用方便、剂量精准的优点。
本文将对藿香正气丸浓缩丸的工艺规程进行详细介绍,以供相关生产和研究人员参考。
二、藿香正气丸(浓缩丸)原料的准备1.原料药品选用藿香正气丸(浓缩丸)的主要原料有藿香、白芷、陈皮、苍术、厚朴等,这些原料应当选用优质的中药材,保证其药效成分的含量和质量。
2.原料的加工与处理将选用的原料进行加工处理,包括洗净、晒干、粉碎等步骤,以便后续的提取和制剂加工。
三、藿香正气丸(浓缩丸)制剂工艺流程1.药材的提取将经过加工处理的原料药品进行提取,可以采用水提取、醇提取等不同的方法,提取得到的药液应当符合标准的药效成分含量。
2.药液的浓缩将提取得到的药液进行浓缩,去除多余的溶剂和水分,得到浓缩药液。
3.药液的造粒将得到的浓缩药液进行造粒处理,使其成为颗粒状的剂型,以便后续的包装和存储。
4.药丸的成型将造粒得到的药料进行成型,成为藿香正气丸浓缩丸的剂型。
5.药丸的包装对成型得到的藿香正气丸浓缩丸进行包装,使其便于存储和销售。
四、藿香正气丸(浓缩丸)制剂工艺的关键工艺技术1.提取工艺技术提取是藿香正气丸(浓缩丸)制剂工艺的关键步骤之一,提取工艺技术的优劣将直接影响到最终药品的质量。
提取工艺技术应当选用合适的方法和工艺参数,保证所得药液的药效成分含量和纯度。
2.浓缩工艺技术浓缩是将提取得到的药液去除多余溶剂和水分的过程,浓缩工艺技术的好坏将影响到后续制剂加工的效果。
浓缩工艺技术应当保证浓缩药液的质量和稳定性,避免因过度浓缩而导致药液中药效成分的损失。
3.成型工艺技术成型是将造粒得到的药料进行成型成为藿香正气丸浓缩丸的过程,成型工艺技术的好坏将影响到藿香正气丸(浓缩丸)的剂型质量和稳定性。
成型工艺技术应当选用合适的方法和工艺参数,保证成型所得药丸的质量和分布均匀性。
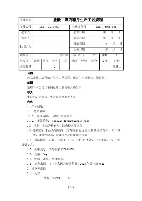
目的建立盐酸二氧丙嗪片生产工艺规程,使其生产标准化、规范化。
范围适用于本公司二车间盐酸二氧丙嗪片的生产。
职责生产部、质管部、生产车间及有关人员内容1 产品概述1.1 药品名称1.1.1 通用名称:盐酸二氧丙嗪片1.1.2 汉语拼音: Yansuan Eryangbingqin Pian1.2 性状本品为糖衣片,除去糖衣显白色。
1.3适应症:本品为镇咳药。
具有较强的抗组织胺及抗炎作用,用于咳嗽、过敏性哮喘,荨麻疹及皮肤瘙痒的疾病1.4 用法用量口服,一次1~2片,一日2~3次,一次极量2片,一日极量6片。
1.5 批准文号国药准字H200448591.6 规格 5mg1.7 贮藏遮光,密封保存。
1.8 处方来源《中华人民共和国药典》2018年版一部P6282 处方和依据2.1 处方盐酸二氧丙嗪 5g辅料适量——————————制成 1000片2.2 制造处方盐酸二氧丙嗪 5kg淀粉 30kg糊精 15kg_____________________________制成 100万片2.3 每1个制造处方为一批产品,批量为100万片。
3 工艺流程图见图3.14 操作过程及工艺条件4.1 原辅料的称量调剂:用电子台秤进行准确称量成粉,同时称量淀粉和糊精的量,使药粉、淀粉和糊精<淀粉:糊精为2:1)总量为50kg。
4.2 混合制粒4.2.1 干混将成粉、部分淀粉和糊精置湿法混合颗粒机中干混3分钟,备用4.2.2 制湿颗粒将上述干混后的原辅料中制湿颗粒加入10%的淀粉糊约9kg,运转2~3分钟使成均匀颗粒。
4.2.3 干燥将湿颗粒均匀送入高效沸腾干燥机中,在60~70℃干燥20分钟。
4.2.4 整粒将干燥好的颗粒放在整粒机中,用14目筛整粒.4.2.5 清场清场,并填写记录。
4.2.6 总混将上述颗粒和0.3%硬脂酸镁一同置入多向运动混合机中,混合10分钟,放入车间洁净周转桶,附上容器标志单,加盖封好,交中间站储存,并称量,填写中间产品递交单、请验。
胶囊制剂工艺规程模板目的:编制规范化、标准化的工艺规程作为全面指导生产和控制质量的基准性技术文件。
范围:川贝末胶囊责任:生产科长、质量总监、固体制剂车间主任、前处理提取车间主任。
内容:一、产品名称:川贝末胶囊二、产品概述:1、产品性状和特点:本品为胶囊剂,内容物为类白色的粉末。
2、规格:每粒重0.5g。
3、功能与主治:清热润肺,化痰止咳。
用于肺热燥咳,干咳少痰,阴虚劳嗽、咳痰带血。
4、用法与用量:口服,一次2~4粒,一日3次。
5、注意:不宜与乌头类药材同用。
6、贮藏:密封。
7、处方来源和依据:《卫生部药品标准》第五册。
三、主配方:原辅料名称每万粒用量(g)原辅料名称每万粒用量(g)川贝母5000最大限量:36万粒/批四、工艺流程净制胶囊填充干燥粉碎过筛外包装总混合内包装五、操作过程与工艺条件:1、净选:生产前检查:操作间有清场合格证及准许生产证。
设备、容器有“完好证”及“已清洁”状态标记,物料有物料卡及流转证,计量器具有周检合格证。
生产操作:拣选时要认真仔细的把混入药材中的杂质除去,将拣选好的药材置洁净的容器内,并有QA监控员监控、填写记录。
2、清洗生产前检查:操作间有清场合格证及准许生产证。
设备、容器有“完好证”及“已清洁”状态标记,物料有物料卡及流转证,计量器具有周检合格证。
生产操作:将净选后的药材,按工艺要求置适宜的容器内,用足量的水清洗,并由QA监控员监控。
3、干燥生产前检查:操作间有清场合格证及准许生产证。
设备、容器有“完好证”及“已清洁”状态标记,物料有物料卡及流转证,计量器具有周检合格证。
生产操作:将清洗好的药材,按工艺要求置带式干燥机中,(80℃以下)干燥,置洁净的容器内,分装一定的规格。
由QA监控员监控,填写记录。
4、灭菌生产前检查:操作间有清场合格及准许生产证,设备有“完好”证及“已清洁”状态标记,物料有物料卡及流转证。
生产操作:每袋10kg,灭菌温度控制在55~65℃,真空度0.082~0.09Mpa,箱内压力:1.2Mpa,灭菌剂数量13kg,时间控制在7小时,填写灭菌记录,填写请验单。
川芎茶调颗粒工艺规程
川芎茶调颗粒是一种传统中药制剂,其工艺规程包括以下几个主要步骤:
1. 原料准备,首先需要准备好川芎、茶叶等原料,确保原料的质量符合标准要求。
川芎应该选择外观完整,无虫蛀、霉烂等现象的优质原料;茶叶也应该是新鲜的、干燥的。
2. 清洗处理,将川芎和茶叶进行清洗处理,去除杂质和表面的污物,确保原料的清洁卫生。
3. 炒制加工,将清洗好的川芎和茶叶进行炒制加工,这个步骤需要掌握好火候和时间,以保持原料的香味和有效成分。
4. 粉碎研磨,经过炒制加工的川芎和茶叶需要进行粉碎研磨,以便后续制成颗粒状的中药制剂。
5. 调配配方,根据配方要求,将粉碎研磨好的川芎和茶叶按照一定比例进行混合调配。
6. 包装贮存,最后将调配好的川芎茶调颗粒进行包装和贮存,确保产品的质量和安全。
在整个工艺规程中,需要严格控制原料的质量,加工过程中的温度、时间等参数,以及最终产品的包装和贮存条件。
同时,要严格遵守相关的卫生标准和药品生产管理规范,确保生产出符合质量标准的川芎茶调颗粒。
阿莫西林胶囊(0.25)生产工艺规程目的:建立阿莫西林胶囊(0.25g)制剂生产工艺规程,作为阿莫西林胶囊(0.25g)制剂生产的基准性技术文件,并作为相关技术文件的编制依据。
范围:规定了阿莫西林胶囊(0.25g)制剂生产、质控过程中的技术参数。
适用于阿莫西林胶囊(0.25g)的生产。
责任:生产技术部、质量保证部、生产车间内容:1 产品概述1.1 产品名称:阿莫西林胶囊1.1.1 英文名称:Amoxicillin Capsules1.1.2 汉语拼音:Amoxilin jiaonang1.2 产品编码:C-110031.3 剂型:胶囊剂1.4 规格:0.25g1.5 性状:本品内容物为白色至黄色粉末或颗粒1.6 适应症:阿莫西林适用于敏感菌(不产β内酰胺酶菌株)所致的下列感染1.6.1 溶血链球菌、肺炎链球菌、葡萄球菌或流感嗜血杆菌所致中耳炎、鼻窦炎、咽炎、扁桃体炎等上呼吸道感染。
1.6.2 大肠埃希菌、奇异变形杆菌或粪肠球菌所致的泌尿生殖道感染。
1.6.3 溶血链球菌、葡萄球菌或大肠埃希菌所致的皮肤软组织感染1.6.4 溶血链球菌、肺炎链球菌、葡萄球菌或流感嗜血杆菌所致急性支气管炎、肺炎等下呼吸道感染。
1.6.5 急性单纯性淋病1.6.6 本品尚可用于治疗伤寒、伤寒带菌者及钩端螺旋体病;阿莫西林亦可与克拉霉素、兰索拉唑三联用药根除胃、十二指肠幽门螺旋杆菌、降低消化道溃疡复发率。
1.7 用法用量:口服。
成人一次0.5g,每6~8小时1次,一日剂量不超过4g。
小儿一日剂量按体重20~40mg/Kg,每8小时1次;3个月以下的婴儿一日剂量按体重30mg/Kg,每12小时1次。
肾功能严重损害患者需调整给药剂量,其中内生肌酐清除率为10~30ml/分钟的患者每12小时0.25~0.5g;内生肌酐清除率小于10ml/分钟的患者每24小时0.25~0.5g。
1.8 贮藏:遮光、密封保存。
1.9 包装规格:10粒×2板×300盒;10粒×3板×300盒;10粒×5板×200盒;10粒×6板×200盒。
药品生产工艺规程模板题目:XXXXXXXXXXXX生产工艺规程文件编号:共页版本号:第版分发数:编制人:日期:年月日生效日期:年月日审核人:日期:年月日颁发部门:批准人:日期:年月曰变更原因及目的:分发部门:1. H的2. 范围3. 职责4. 内容4. 1生产处方4. 1. 1名称通用名:汉语拼音名:英文名:4. 1.2产品代号4. 1.3有效期、贮藏4.. 1.4产品剂型、规格、批量4. 1. 5原辅料清单4. 2生产操作要求4. 2.1生产工艺流程图(见附表)4. 2. 2主要设备和仪器及相应操作方法4. 2. 3生产工艺操作步骤及技术参数4. 2.4中间控制4. 2. 5生产过程产量限度及物料平衡4. 2.6原辅料、包装容器、中间产品、侍包装产品、包装材料贮存条件4. 2. 7生产场所环境悄况(洁净级别、温度、湿度)4. 2. 8环境卫生要求及采取措施4. 2. 9工艺卫生要求及采取措施4. 2. 10个人卫生要求及采取措施4. 3包装操作要求4. 3. 1包装规格4. 3. 2包装材料清单4. 3. 3包装开始前对工作场所进行检查4. 3. 4灯检4. 3. 5贴标4. 3.6包装4. 3. 7有效期。
贮藏条件。
4. 3. 8包装中间控制方法及合格标准4. 3. 9包装工序物料平衡4. 3. 10原辅材料消耗定额4. 3. 11包装材料消耗定额4. 3. 12动力消耗定额4.4质量标准及相应检验操作方法4.4. 1成品及半成品质量标准及相应检验操作方法4.4. 2原辅料、溶剂质量标准及相应检验操作方法4.4.3成品包装容器、包装成料规格及质量标准及相应检验操作方法5. 安全与劳动保护6. 劳动组织、岗位定员、工时定额、生产周期7.经济技术指标计算。
板蓝根颗粒制剂生产工艺规程.doc精品一、工艺简介板蓝根颗粒制剂是通过浸提、过滤、结晶、干燥等工艺过程,制成能够溶解在水中的颗粒状药物制剂。
板蓝根是一种常见的中草药,具有除热解毒、抗炎镇痛、促进胃肠道蠕动等功效。
板蓝根颗粒制剂广泛应用于发热、感冒、咳嗽等病症的治疗。
二、生产工艺1. 材料准备将板蓝根进行清洗、晾干,质量检查合格后,送入粉碎机进行粉碎,将粉碎后的板蓝根按照一定比例加入水中,用搅拌器混合均匀,得到药材浸膏。
2. 提取工艺将药材浸膏过滤,滤渣回收,药液取出后加入适量的乙醇,用搅拌器搅拌均匀,并进行沉淀和过滤。
过滤后得到的板蓝根精华液,再加入足量的乙醇,进行结晶分离得到板蓝根粉末。
3. 干燥工艺将板蓝根粉末送入烘箱进行干燥处理,干燥温度控制在60℃左右,干燥时间一般为10小时左右,待板蓝根粉末完全干燥后,送入喷雾干燥机进行后续的喷雾干燥。
将干燥后的板蓝根粉末放入喷雾干燥机中进行喷雾干燥处理,此工艺主要是通过将板蓝根粉末和干燥剂混合,将混合物喷雾入喷雾干燥机中,通过热风进行干燥,使混合物形成颗粒状,然后通过筛分等工艺过程,获取合格的板蓝根颗粒制剂。
5. 包装工艺将板蓝根颗粒制剂根据需要进行包装,一般采用铝箔袋,将颗粒装入铝箔袋中,并进行热封包装,随后送入包装箱中进行成品包装。
三、质量控制1. 检查药材质量,确保符合标准。
2. 进行提取过程中,要严格控制提取液的pH值和浸提时间,以保证复杂物质的成份含量不受影响。
3. 在干燥过程中,要严格控制温度和湿度,以避免板蓝根颗粒制剂溶解或发生化学反应。
4. 对于板蓝根颗粒制剂的产品质量,应按国家标准进行检测,包括外观、颗粒大小、含量测定、污染物检测等指标。
资料四 制备工艺的研究资料1、【处方】 当归 9g 白芍 9g 白术 10g 香附 8g三七 3g 郁金 10g 香橼 8g 枳壳 6g 佛手 7g 元胡 9g 2、【制法】 以上十味药,烘干,粉碎成细粉,过筛,分装胶囊使成1000粒,即得。
3、工艺流程图:资料五、质量标准草案及起草说明败毒胶囊【处方】当归 9g 白芍 9g 白术 10g 香附 8g 三七 3g 郁金10g 香橼 8g 枳壳 6g 佛手 7g 元胡 9g【制法】以上十味药,烘干,粉碎成细粉,过筛,分装胶囊使成1000粒,即得。
【性状】本品为胶囊剂,内容物应为淡黄色粉末,气微,味微甜,略苦。
【检查】按中国药典2000年版一部胶囊剂(附录ⅠL)项下检查,应符合规定。
【功能与主治】疏肝解郁,行气止痛。
用于迁延性肝炎或慢性肝炎,症见肝区胀痛、胸闷不足,食欲不振,腹胀便溏者。
【用法用量】口服,每次2粒,每日1次,(重者可服2次)儿童酌减。
【规格】0.35g/粒。
【不良反应及注意事项】禁生冷、油腻、高糖,注意休息。
【贮藏】密封。
资料六稳定性研究的试验资料及有效期的确定1. 样品来源、要求和批号本院制剂室试制的败毒胶囊,批号为:000801、000802、000803。
2. 考察项目包括:外观性状、检查、卫生学。
考察方法如下:外观性状目测检查同质量标准检查方法卫生学同质量标准检查方法3. 试验方法及结果将本品三批,置于温度25 ± 2℃、相对湿度60% ± 10%条件下放置,分别于1,2,3,6,12月取样检查。
结果见表1。
表1 长期试验考察结果结果表明,本品经长期试验,各项指标检查均符合规定,有效期可暂定二年。
资料七近三年配制的制剂的质量检验和卫生学检验报告书成品检验报告单报告书编号:J000811-01检验项目及结果检验项目标准规定检验数据检验结论【性状】内容物应为淡黄色粉末,气微,味微甜内容物为淡黄色粉末,气微,味微甜符合规定【检查】水分(%)应小于9.0%7.2 符合规定装量差异应符合规定符合规定符合规定崩解时限应小于30分钟10分钟符合规定微生物限度细菌<10000个<1000个符合规定霉菌、酵母菌数<100个<10个符合规定大肠杆菌不得检出未检出符合规定结论:本品按中国药典2000年版一部及所附质量标准草案检验,结果符合规定。
1 目的
建立****制剂工艺规程,保证工艺控制和工艺步骤严格的按规定执行。
2 范围
适用于****-的生产过程和中间控制。
3 职责
生产管理部、技术管理部、质量管理部对本规程的实施负责。
4制定依据
药品生产质量管理规范(****年修订);
中国药典(*****年修订);
(标准的名称、编号、以再注册上为准);
***制剂工艺验证报告(编号:**)。
5 程序
5.1 产品名称、剂型、规格
产品名称:*****
汉语拼音:
产品代码:
剂型:以再注册上为准
规格:以再注册上为准
有效期:以注册证或补充批件为准
性状:以最新质量标准描述一致。
药品批准文号:
批代表量:**万片。
5.2 处方
5.3 产品的法定质量标准和内控标准
5.3.1 原辅料、中间产品、待包装产品质量标准5.3.1.1 原料质量标准:
***质量标准见:
5.3.1.2 辅料质量标准:
****质量标准见:
5.3.1.3中间产品质量标准:(如有)
5.3.1.4待包装产品质量标准见:
5.4工艺流程图及环境区域划分。
5.4.1工艺流程图
5.4.2、环境区域划分
5.5操作过程及工艺条件
5.5.1工序名称
5.5.1.1操作前准备(如清洗、组装、校准等)所采用的方法或相应操作规程编号。
5.5.1.2本工序所需物料的计算公式;
5.5.1.3具体操作步骤及工艺参数(如物料的核对、加入物料的顺序、煎煮时间、温度等);
5.5.1.4本工序中间产品的抽验要求(需注明抽验人、抽验数量、控制方法、中间体标准等);
5.5.1.5本工序所产中间产品的存储要求(注明盛装容器材质、容积、清洁要求、状态标志要求、封口要求、堆码高度、存放地点、存放条件、存放时间)。
5.5.1.6物料平衡计算公式、平衡率范围。
5.5.1.7清场:注明清场顺序、清场的状态、标识、清场记录,设备清场标准见**清洁操作规程。
5.5.1.8记录的交接,注明完整记录必须包含的内容、记录移交时间、移交去处。
5.5.1.9本工艺涉及文件及其使用范围。
5.5.1.10本工序关键控制点:
5.5.1.10.1……
5.5.2……
5.5.3……
5.5.4……
5.5.5……
5.5.6……
……
……
5.6技术安全与劳动保护
5.6.1 各工序应严格按照“安全生产管理规程”、进行车间日常及定期的安全巡检并记录。
5.6.2 在进行生产时,必须按相应要求穿戴劳保用品,严格按设备操作规程使用设备。
5.6.3任何时刻都必须保持安全通道的畅通。
5.7 工艺卫生和环境卫生
5.7.1生产车间为D级洁净区,生产工艺卫生符合生产要求。
5.7.2 个人卫生按相应的卫生管理规程进行,人员净化按相应的进出生产区更衣程序进
行,物料净化按相应的物料进入生产区清洁操作程序进行,工作服清洁、使用按相应的工作服管理规程进行。
5.8 主要设备一览表
5.9各车间定员:制粒间、内包间、外包间等
6.附件及附表(目录及版本号)
6.1**制剂批生产记录,文件编号:……
6.2……
7.变更记载及原因
编写说明:为方便文件的分发,建议工艺流程图、处方、质量标准能够单独成页的,尽可能单独成页,单独成页的,要留足够今后修订和修改增加的内容,在增加内容的基础上,尽可能不会再增加页码;。