南京工程学院微机原理试卷4
- 格式:pdf
- 大小:128.51 KB
- 文档页数:6
《微机原理与接口技术》模拟试题四参考答案及评分标准一、填空题(每空1.5分,共30分)1.8条,35级。
2.读写存贮器、只读存贮器。
3.执行时间、占用的内存空间、语句的条数。
4.无条件传送方式、查询式传送方式、中断传送方式。
5.(1)0,0,0,1,(2)1268H,78H(3)0070H,0。
(4)0,0。
二、判断题(下列各题你认为对的,请在题干括号里填“T”,否则填“F”,每小题2分,共10分)。
1)T2)T3)T4)T5)F三、简答题(每小题5分,共15分)1.简述微型机的硬件结构并说明各部件的主要功能。
答:微型机的硬件结构见8086微处理器这一章,并指出BIU、EU部件的主要功能即可2.试述8086CPU的外部操作中有哪些引脚信号是分时复用的,其时序关系是怎样的?答:分时复用的引脚信号有:AD0—AD15 地址/数据信号A16/S3---A19/S6地址/状态信号还有33、34号引脚信号其时序关系见8086CPU的总线周期时序图3.简述CPU与外设间进行数据交换的几种常用形式,各有何优缺点答:CPU与外设间进行数据交换有:无条件传送方式----优点:可不必管外设的状态直接进行传送;缺点:外设必须处于就绪状态。
查询式传送方式----优点:可不断的查询外设是否处于就绪状态,直到外设处于就绪状态才进行传送;缺点:如果外设较多,则查询的时间就长,降低了CPU的利用率。
中断传送方式----优点:CPU与外设同时进行工作,当外设处于就绪状态后,向CPU发出中断请求,要求进行数据传送,提高了CPU的利用率。
四、阅读程序(共30分)1.(7分)答:执行本程序后AL=-99,SI=100本段程序的功能是:将0,-1,-2,----,-99存入SI所指100个字节单元中。
2.(6分)执行本程序后DL= 0C5H ,AL= 3AH ,DH= 0 。
3.(6分)答:NUM1,NUM2,NUM3三个变量各分配了120,14,4个存贮字节4.(11分)答:(1)这段程序的功能是比较SI,DI所指的100个字节存储单元的内容是否相同。
微机原理试题及答案一、选择题。
1. 下列哪个不是微机系统的基本组成部分?A. 中央处理器。
B. 存储器。
C. 输入设备。
D. 输出设备。
答案,C。
2. 下列哪个不属于微处理器的功能?A. 运算。
B. 控制。
C. 存储。
D. 输入。
答案,D。
3. 以下哪个不是微机系统软件的组成部分?A. 操作系统。
B. 应用软件。
C. 数据库软件。
D. 固件。
答案,C。
4. 下列哪个不是微机系统的外部设备?A. 打印机。
B. 鼠标。
C. 显示器。
D. 内存条。
答案,D。
5. 下列哪个不是微机系统的存储器?A. 内存。
B. 硬盘。
C. CPU。
D. 光盘。
答案,C。
二、填空题。
1. 微机系统的核心部件是______。
答案,中央处理器。
2. 微机系统的内存是用来存储______。
答案,程序和数据。
3. 微机系统的主要输入设备有键盘、______。
答案,鼠标。
4. 微机系统的操作系统是用来管理______。
答案,硬件和软件资源。
5. 微机系统的显示器是用来输出______。
答案,图像和文字。
三、简答题。
1. 什么是微机系统?简要描述其基本组成部分。
答,微机系统是由中央处理器、存储器、输入设备、输出设备和系统总线等基本组成部分组成的计算机系统。
2. 请简要介绍微处理器的功能及其作用。
答,微处理器是微机系统的核心部件,其主要功能包括运算、控制和存储,它负责执行计算机程序中的指令,是计算机的大脑。
3. 请简要介绍微机系统的软件组成部分。
答,微机系统的软件包括操作系统、应用软件和固件,其中操作系统是管理硬件和软件资源的系统软件,应用软件是为用户提供各种功能的软件,固件是存储在计算机芯片中的软件。
四、问答题。
1. 请简要描述微机系统的工作原理。
答,微机系统的工作原理是通过中央处理器执行指令,从存储器中读取程序和数据,经过运算和控制后,将结果输出到显示器或打印机等输出设备上。
2. 请简要介绍微机系统的存储器种类及其特点。
答,微机系统的存储器包括内存、硬盘、光盘等,其中内存用于临时存储程序和数据,速度快但容量小;硬盘用于永久存储数据,容量大但速度较慢;光盘用于存储大量数据,但读写速度较慢。
微机原理试题库及答案一、选择题(每题2分,共20分)1. 微处理器的内部结构通常分为哪几个部分?A. 算术逻辑单元(ALU)B. 控制单元(CU)C. 寄存器组D. 所有以上2. 下列哪个不是微机的输入设备?A. 键盘B. 鼠标C. 打印机D. 扫描仪3. 微机的存储器分为哪两种类型?A. 只读存储器(ROM)和随机存取存储器(RAM)B. 硬盘和固态硬盘C. 内部存储器和外部存储器D. 缓存和主存4. 微机的总线分为哪几类?A. 数据总线、地址总线和控制总线B. 并行总线和串行总线C. 内部总线和外部总线D. 低速总线和高速总线5. 微机的中断系统的作用是什么?A. 处理异常情况B. 执行程序C. 管理存储器D. 控制输入输出设备6. 微机的指令系统包括哪些基本操作?A. 加法、减法、乘法和除法B. 逻辑运算C. 移位操作D. 所有以上7. 微机的操作系统主要负责什么?A. 管理硬件资源B. 管理用户界面C. 执行程序D. 管理网络通信8. 微机的编译系统的作用是什么?A. 将高级语言程序转换为机器语言程序B. 管理内存C. 执行程序D. 管理输入输出设备9. 微机的硬件系统和软件系统之间的关系是什么?A. 相互独立B. 相互依赖C. 硬件系统可以独立工作D. 软件系统可以独立工作10. 微机的外设接口通常包括哪些类型?A. 并行接口和串行接口B. USB接口和HDMI接口C. 网络接口和音频接口D. 所有以上二、填空题(每空2分,共20分)1. 微机的中央处理器(CPU)主要包括______和______。
2. 微机的存储器地址空间通常分为______和______。
3. 微机的输入输出接口通常包括______、______和______。
4. 微机的总线宽度决定了数据传输的______。
5. 微机的中断优先级是指中断请求的______。
6. 微机的指令集是CPU执行______的集合。
7. 微机的操作系统是管理______和______的软件。
第三套1、将十进制数279 85转换成十六进制数、八进制数、二进制数及BCD码数分别为:________H,________Q,_____B, BCD。
2、字长为8位的二进制数10010100B,若它表示无符号数,或原码数,或补码数,则该数的真值应分别为______D,______D或______D。
3、已知BX=7830H,CF=1,执行指令:ADC BX,87CFH之后,BX=____________,标志位的状态分别为CF=_______,ZF=_______,OF=________,SF=__________。
4、8086中,BIU部件完成______功能,EU部件完成_____功能。
5、8086中引脚BHE信号有效的含义表示________________。
6、8086正常的存储器读/写总线周期由________个T状态组成,ALE信号在__________状态内有效,其作用是______________。
7、设8086系统中采用单片8259A,其8259A的ICW2=32H,则对应IR5的中断类型号为___________H,它的中断入口地址在中断向量表中的地址为______________H。
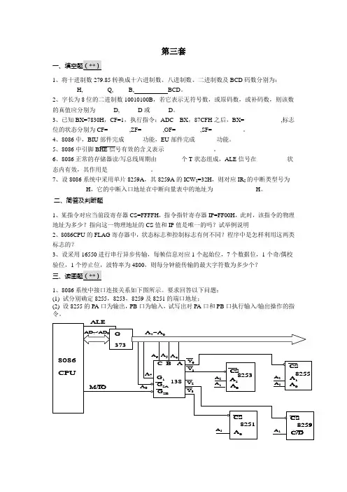
二、简答及判断题1、某指令对应当前段寄存器CS=FFFFH,指令指针寄存器IP=FF00H,此时,该指令的物理地址为多少?指向这一物理地址的CS值和IP值是唯一的吗?试举例说明2、8086CPU的FLAG寄存器中,状态标志和控制标志有何不同?程序中是怎样利用这两类标志的?3、设采用16550进行串行异步传输,每帧信息对应1个起始位,7个数据位,1个奇/偶校验位,1个停止位,波特率为4800,则每分钟能传输的最大字符数为多少个?1、8086系统中接口连接关系如下图所示。
要求回答以下问题:(1) 试分别确定8255,8253,8259及8251的端口地址;(2) 设8255的PA口为输出,PB口为输入,试写出对PA口和PB口执行输入/输出操作的指令。
微机原理试题及答案一、选择题(每题2分,共20分)1. 微处理器中的寄存器主要用于存储()。
A. 指令B. 操作数C. 地址D. 程序2. 在微机系统中,总线是用于()。
A. 存储数据B. 传输数据C. 执行指令D. 控制设备3. 微机系统中,内存的主要作用是()。
A. 存储操作系统B. 存储程序和数据C. 执行程序D. 控制程序运行4. 在微机系统中,中断的作用是()。
A. 暂停程序运行B. 启动程序运行C. 响应外部事件D. 执行数据传输5. 微机系统中的I/O设备指的是()。
A. 输入设备B. 输出设备C. 输入输出设备D. 存储设备6. 微机系统中,CPU的主要功能是()。
A. 存储数据B. 执行程序C. 传输数据D. 控制设备7. 在微机系统中,外设是指()。
A. 内存B. 硬盘C. 打印机D. 显示器8. 微机系统中的DMA是指()。
A. 数据传输方式B. 直接存储器访问C. 动态内存访问D. 数字多媒体应用9. 微机系统中,指令周期包括()。
A. 取指令B. 执行指令C. 取指令和执行指令D. 存储指令10. 微机系统中,字长是指()。
A. 存储容量B. 指令长度C. 数据宽度D. 地址范围二、填空题(每空1分,共10分)11. 微处理器的时钟频率通常用____表示,单位是赫兹(Hz)。
12. 微机系统中的总线可以分为数据总线、地址总线和____。
13. 微机系统中,一个存储单元可以存储一个____。
14. 微机系统中,中断向量表存储了中断服务程序的____。
15. 微机系统中,I/O端口地址通常由____总线提供。
16. 微处理器的指令集是一组预定义的____。
17. 微机系统中,堆栈操作遵循____原则。
18. 微机系统中,DMA可以减少CPU的____。
19. 微机系统中,指令的执行通常分为取指、____、执行和结果写回四个阶段。
20. 微机系统中,字长为32位的CPU一次可以处理____位的数据。
微机原理试题库及答案一、选择题1. 在微机系统中,CPU不能直接访问的存储器是()。
A. RAMB. ROMC. CacheD. 硬盘2. 下列关于微处理器的叙述中,错误的是()。
A. 微处理器是微机的核心部件B. 它包括控制器和运算器两部分C. 微处理器只能执行整数运算D. 微处理器可以执行控制命令3. 在微机系统中,用于存放当前正在执行的程序和数据的存储器是()。
A. ROMB. RAMC. 硬盘D. 软盘4. 微机系统中,I/O设备通过()与CPU进行通信。
A. 数据总线B. 控制总线C. 地址总线D. I/O总线5. 在微机系统中,用于实现存储器扩展的芯片是()。
A. 计数器B. 寄存器C. 存储器接口芯片D. 算术逻辑单元二、填空题6. 微机系统中的总线包括________、________和________三种类型。
7. 在微机系统中,________是用于存储程序和数据的物理部件。
8. 中断系统允许CPU在执行程序过程中,对外界请求做出响应,这种响应称为________。
9. 微机系统中的________是用于控制CPU和其他系统部件协同工作的部件。
10. 在微机系统中,________是用于暂时存放信息的高速存储部件。
三、简答题11. 简述微处理器的发展历程及其对计算机性能的影响。
12. 描述微机系统中存储器的层次结构,并解释每一层次的作用。
13. 解释中断在微机系统中的作用及其实现方式。
14. 阐述微机系统中输入/输出设备的作用及其与CPU的通信过程。
15. 描述微机系统中总线的作用及其分类,并解释它们各自的功能。
四、计算题16. 给定一个16位的二进制补码数,其数值为F7E1,请计算其十进制等价值。
17. 如果一个微机系统的时钟频率为2GHz,且每个时钟周期可以执行一条指令,计算在一分钟内该系统可以执行多少条指令。
18. 给定一个微机系统的内存地址范围是0x0000到0xFFFF,请计算该系统的最大内存容量。
第一章1-1选择1.计算机中最常用的字符信息编码是(A )A ASCIIB BCD码C 余3码D 循环码2.要MCS-51系统中,若晶振频率屡8MHz,一个机器周期等于(A ) gsA 1.5B 3C 1D 0.53.MCS-51的时钟最高频率是(A ).A 12MHzB 6 MHzC 8 MHzD 10 MHz4.以下不是构成的控制器部件(D ):A程序计数器、B指令寄存器、C指令译码器、D存储器5.以下不是构成单片机的部件(D )A 微处理器(CPU)、B存储器C接口适配器(I\O接口电路)D打印机6.下列不是单片机总线是(D )A地址总线B控制总线C数据总线D输出总线7.-49D的二进制补码为.(B )A 11101111B 11101101C 0001000D 111011008.十进制29的二进制表示为原码(C )A 11100010B 10101111C 00011101D 000011119.十进制0.625转换成二进制数是(A )A 0.101B 0.111C 0.110D 0.10010选出不是计算机中常作的码制是(D )A 原码B反码C补码 D ASCII1-2填空1.计算机中常作的码制有原码、反码和补码2.十进制29的二进制表示为000111013.十进制数-29的8位补码表示为.111000114.单片微型机CPU、存储器和I\O接口三部分组成.5.若不使用MCS-51片内存器引脚EA必须接地.6.输入输出设备是计算机与外部世界交换信息的载体.7.十进制数-47用8位二讲制补码表示为.110100018.-49D的二讲制补码为.111011019.计算机中最常用的字符信息编码是ASCII10.计算机中的数称为机器数,它的实际值叫一真值。
1-3判断1.我们所说的计算机实质上是计算机的硬件系统与软件系统的总称。
(寸)2.MCS-51 上电复位时,SBUF=00H。
(x )。
SBUF不定。
(答案见第70页开始)大学微机原理及程序设计试卷(一) 姓名:班级:学号:成绩:一、填空题(共15分,每空1分)1、十六进制数30A.5转换为二进制是_____________,转换为十进制是______________。
2、偏移量是指相对的偏移距离。
3、8088/8086系统中,不改变DS值的情况下,其数据段的最大寻址范围是_____ _KB。
4、PC总线中,IOR为低电平时,表明CPU对端口进行__________操作。
5、8086/8088存储器分四个段,这四个段的段名所对应的段寄存器分别是________、________、________、________。
6、每条指令的执行过程中是由________、________和________等操作组成。
7、I/O端口的编址方式有________和________ 两种二、选择题(共20分,每小题2分)1、在机器数()中,零的表示形式是唯一的。
A、原码B、补码C、反码D、原码和反码2、若采用双符号位判断溢出,当结果的符号位为11时,表示()。
A、结果为正,无溢出B、结果正溢出C、结果负溢出D、结果为负,无溢出3、中央处理机(CPU)是指()。
A、运算器B、控制器C、运算器和控制器D、运算器、控制器和主存储器4、PSW是指令部件中()。
A、指令寄存器B、指令译码器C、程序计数器D、程序状态寄存器5、寄存器间接寻址中,操作数放在()。
A、通用寄存器B、主存单元C、堆栈D、程序计数器6、EPROM是指()。
A、随机读写存储器B、可编程的只读存储器C、只读存储器D、可擦除的可编程只读存储器7、存储周期是指()。
A、存储器的读出时间B、存储器的写入时间C、存储器进行连续读和写操作所允许的最短时间间隔D、存储器进行连续写操作所允许的最短时间间隔8、某一存储单元的逻辑地址为2500H:0010H时,其对应的物理地址为()。
A、2500HB、0010HC、25100HD、25010H9、DMA传送结束由I/O接口向CPU发出中断请求,其目的是( )。
微机原理期末试题及答案一、选择题(每题2分,共20分)1. 在计算机系统中,CPU指的是:A. 中央处理器B. 存储器C. 输入设备D. 输出设备答案:A2. 下列哪个不是微机的组成部分?A. 总线B. 内存C. 硬盘D. 打印机答案:D3. 在计算机中,1KB的存储空间等于:A. 1024字节B. 1000字节C. 1024位D. 1000位答案:A4. 8086微处理器的地址总线宽度是:A. 16位B. 32位C. 24位D. 8位答案:A5. 下列哪个指令是用于数据传输的?A. MOVB. ADDC. SUBD. JMP答案:A二、简答题(每题10分,共30分)1. 简述冯·诺依曼计算机体系结构的主要特点。
答案:冯·诺依曼计算机体系结构的主要特点包括:程序存储、程序控制、指令和数据以同等地位存储在同一存储器中、顺序执行指令。
这种结构简化了计算机的设计,使得计算机能够自动、连续地执行程序。
2. 解释什么是指令周期,并简述其主要步骤。
答案:指令周期是CPU执行一条指令所需的全部时间,包括取指令、分析指令、执行指令等步骤。
在每个指令周期中,CPU首先从存储器中取出指令,然后对指令进行译码,最后执行指令所指定的操作。
3. 描述微机总线的基本功能。
答案:微机总线是连接CPU、内存、输入输出设备等组件的通信线路,其基本功能包括数据传输、地址传输和控制信号传输。
数据总线用于在CPU和存储器或输入输出设备之间传输数据;地址总线用于指定数据传输的目标地址;控制总线则用于传输控制信号,如读写信号、中断请求等。
三、计算题(每题15分,共30分)1. 假设一个计算机系统使用16位地址总线,计算该系统的最大内存容量。
答案:使用16位地址总线,意味着可以寻址2^16个不同的内存单元。
如果每个内存单元存储1字节,则最大内存容量为2^16字节,即65536字节,或64KB。
2. 给定一个二进制数10110110,请计算其二进制补码。
南京工程学院微机原理练习附录Ⅴ练习题练习1一、单项选择1)下面关于8086指令队列的叙述,正确的是()。
A、队列存放已经译码的指令B、8086有4个字节的队列C、队列中的指令不一定被执行D、8086有8个字节的队列2)能保存各逻辑段的起始地址的寄存器称为()A、段寄存器B、地址寄存器C、数据寄存器D、计数寄存器3)下列寄存器组中在段内寻址时可以提供偏移地址的寄存器组是()。
A、AX,BX,CX,DXB、BX,BP,SI,DIC、SP,IP,BP,DXD、CS,DS4)8086中IP、SP分别属于()。
A、EU,EUB、EU,BIUC、BIU,EUD、BIU,BIU5)下列不属于8086EU部分的寄存器是()。
A、IPB、BPC、DI6)8086 CPU内标志寄存器中的控制标志位占( )A、9位B、6位C、3位D、16位7)8086CPU在进行无符号数比较时,应根据()标志位来判别。
A、CF,OFB、CF,PFC、CF,ZFD、ZF,OF8)当方向标志DF=0 时,每次操作后使变址寄存器SI和DI()A、增量B、减量C、保持不变D、地址减19)下列哪一个标志不是8086的状态标志()。
A、SFB、CFC、DFD、ZF10)8086的一个典型总线周期需要()个T状态。
A、4B、3C、2D、111)8086的一个总线周期,最多可交换()字节A、1个B、2个C、4个12)在8086的延长总线周期中,在()之后插入Tw。
A、T1B、T2C、T3D、T413)在8086存储空间中,用一个总线周期访问一个16位的字数据时,BHE#和A0必须是()。
A、00B、01C、10D、1114)8086读一个以奇数地址开始的字,需几个总线周期?()A、1B、2C、3D、415)能使CPU与存储器、协处理器同步的信号分别是()。
A、HOLD,READYB、TEST#,HOLDC、READY,HOLDD、READY,TEST#16)8086系统中的()控制信号是与系统中DMA控制器有关的信号。
微机原理期末试题及答案一、选择题1. 以下关于微机原理的说法不正确的是:a) 微机原理研究的是微型计算机的基本组成和工作原理b) 微机原理主要研究微处理器和存储器c) 微机原理的研究对象仅限于硬件部分d) 微机原理的研究包括硬件和软件两个方面2. 下列哪项不属于计算机硬件设备:a) 微处理器b) 显示器c) 操作系统d) 键盘3. 在微机原理中,CPU主要包括以下几个部分:a) 控制器、运算器、存储器b) 运算器、存储器、输入输出设备c) 控制器、输入输出设备、存储器d) 运算器、数据库、存储器4. 下列哪个不是计算机的内存类型:a) RAMb) ROMc) HDDd) CACHE5. 在微机原理中,数据总线用于传输:a) 数据b) 控制信号c) 地址d) 所有的信号二、简答题(每题20分)1. 解释什么是指令周期、机器周期和时钟周期。
答:指令周期是执行一条机器指令所需要的时间,它包括取指令周期(fetch)、译码周期(decode)、执行周期(execute)和存取周期(memory)等。
机器周期是指执行一条基本操作所需要的时间,例如加法、乘法等。
时钟周期是指时钟发生一次跳变所需要的时间,它是微机系统运行的基本单位。
2. 什么是中断请求?答:中断请求是指外部设备通过向CPU提出请求,使CPU中断当前正在执行的程序,并转去执行相应的中断处理程序。
中断请求可以分为内部中断和外部中断两种。
3. 简述冯·诺依曼结构的原理。
答:冯·诺依曼结构是计算机系统的基本组织原理,主要包括存储器、运算器、控制器和输入输出设备四部分。
它的原理是将程序和数据存储在同一存储器中,由程序计数器指示当前指令的地址,按照指令的顺序执行程序。
运算器负责执行算术运算和逻辑运算,控制器负责解码指令并控制各个部件的工作。
输入输出设备负责与外部设备进行数据交互。
4. 什么是总线?答:总线是计算机中各个部件之间传输数据和控制信号的公共通道。
微机原理与接口技术考试试卷(A)专业学号姓名成绩一、填空题(每小题5分,共10分)1. 某控制电路中,输出控制端口的口地址为34CH,输入状态端口的口地址为34DH。
现从输入口读入外部状态,若不为80H,就输出FFH关闭设备,否则输出00H开启设备。
请完善下面的程序。
...............MOV DX, 34DH;①________AL, DX②________AL, 80H③________MOV DX, 34CHMOV AL, 00HOUT DX, AL④________EXITGO-OFF: MOV DX, 34CHMOV AL, ⑤__________OUT DX, ALEXIT: RET2.下面是一个中断处理子程序的加载程序段,中断类型号为60H,请完善该程序段。
INT-INT PROC FAR.......... ;保护现场SUB AX, ①__________;MOV ES, AX;ES清零MOV ②__________,OFFEST inthandlerMOV AX, SEG inthandlerMOV DI ,③__________SHL DI, 1SHL ④__________, 1MOV ⑤__________, BXMOV ES:[DI]+2, AX............;恢复现场RETINT_INT ENDP二、单项选择题(每小题1分,共10分)1.指令MOV AX,[BX][SI]中源操作数的寻址方式是 ( )A.寄存器间接寻址B.变址寻址C.相对寻址D.基址变址寻址2.8086 CPU内有指示下条指令有效地址的指示器是 ( )A.IPB.SPC.BPD.SI3. .CPU与外设交换数据,当采用程序控制I/O方式时,是( )。
A.以CPU为主动方B.以存储器为主动方C.以外设为主动方D.外设直接和存储器交换数据4.8253在下面几种不同的工作方式中,可用GA TE作重触发信号的是( )。
共 页 第1页南京工程学院试卷( 2卷)20 /20 年 第 学期课程所属部门: 自动化学院 课程名称: 微机原理及应用考试方法: 闭卷 使用班级:命 题 人: 课程组 教研室主任审核: 主管领导同意:题号 一 二三四五六七八九十总分得分一、 单项选择题(请在每小题4个备选答案中, 选出一个最好答案, 本题15题 ,每空1题,共15分 )1. 若十进制数为100, 则该数二进制表示为( )。
A .1100100B .1000000C .01111100D .101100102. 完成二进制数无符号数01111101与00000101减法运算正确结果是( )。
A .10010101 B .01111000 C .00100010 D .100000103. 完成二进制数01110001和00001111逻辑“或”运算正确结果是( )。
A .01110000B .01110001C .01111111D .00001111 4. 十进制数10.05BCD 数为( )。
A .10000. 0101B .10000.00000101C .00010000.00000101D .00010000.1015. 堆栈指针SP 是微处理器中用于指示( )专用寄存器。
A .栈底地址B .栈顶地址C .堆栈基地址D .中止服务程序或子程序入口地址 6. 下列指令中, 不正确指令是( )。
A .PUSH AXB .POP BXC .PUSH CLD .POP DX 7. 下列引发CPU 程序中止4种情况中, ( )需要设备提供中止类型号。
本题班级 学号 姓名。
微机原理及接口技术 A 卷一、填空题 (共计 20 分每一个空 2 分 )1、已知 [X]补=01100011B,求 X=( ) (结果用十进制表示)[Y]补=11111001B,求 Y=( ) (结果用十进制表示)2、8088CPU 的地址总线为多少条( );直接寻址的内存空间为多少( )。
3、已知 DS=2000H,内存(20220H)=FFH, (20221H)=22H指令 INC WORD PTR [0200H]执行的结果是: (20220H ) = (20221H) =4、8086 外部中断有( )和( ),当 CPU 内的中断标志 IF=“0”状态时,外部中断线同时为“ 1”状态时, CPU 响应哪个中断请求信号( )。
5、 CPU 及外设数据传送的控制方式有无条件传送方式、 ( ) 、( )和 DMA 直接存储器传送方式。
二、简答题 (共计25 分每小题 5 分 )1、什么是 I/O 接口? I/O 接口的主要功能有哪些?(答出 3 点即可)。
2、请叙述 INTR 中断过程(答出 5 点)。
3、有一 2764EPROM 芯片有 13 条地址总线,请计算芯片的地址范围(起始地址为 12000H)请写出末地址4、定时器 8253 计数器 0 输入时钟 1.19MHz,;输出频率 500Hz,并设定为二进制计数,问计数初值为多少?计数器 1 产生连续的对称方波,输入时钟为 2MHz 的时钟频率,计数初值为 4000,并设定为 BCD 计数,问输出的连续对称的周期是多少毫秒?5、中断向量地址表的作用是什么?已知中断类型码分别为 0EH 和 0FH,它们的中断服务程序的入口地址在中断向量地址表的地址是什么? (注意:写成××××H:××××H 格式)三、分析程序写出结果 (共计 15 分 )1、 (3 分)TABLE DB 30H , 31H , 32H ,33H , 34HENTRY DB 3MOV BX , OFFSET TABLEADD BX,ENTRYMOV AL,[BX] ; 问程序执行后 AL=2、 (6 分)已知 DS=3000H , SS=4000H , BX=1200H , BP=1000H(31200H)=01H , (31201H)=02H , (41200H)=03H , (41201H)=04H 程序段如下:MOV AX, 1200H ;该指令的寻址方式:ADD AX, [1200H] ;ADD AX, [BX] ; 请写出程序段执行后的结果 AX=3、 (6 分)下列程序段求 FLD 开始的八个数据的平均值,结果在 RES 中。
南京⼯程学院试卷7共页第1页南京⼯程学院试卷( 7卷)20 /20 学年第学期课程所属部门:⾃动化学院课程名称:微机原理及应⽤考试⽅式:闭卷使⽤班级:命题⼈:课程组教研室主任审核:主管领导批准:题号⼀⼆三四五六七⼋九⼗总分得分⼀、单项选择题(请在每⼩题的4个备选答案中,选出⼀个最佳答案,本题15题 ,每空1题,共15分) 1. 若⼆进制数为101100100B ,则该数的⼗进制表⽰为()。
A .356 B .244 C .282 D .198 2. 完成⼆进制数⽆符号数10011101与00000101的减法运算的正确结果是()。
A .10010101 B .00100110 C .00100010 D .10011000 3. 微型计算机在硬件上是由()四⼤部分组成。
A .微处理器、存储器、I/O 接⼝和总线 B .算术逻辑单元、寄存器组、程序计数器和指令系统C .微处理器、存储器、输⼊设备和输出设备 D .主板、硬盘、键盘和显⽰器 4. 下列引起CPU 程序中断的4种情况中,()需要由硬件提供中断类型号。
A .NMI B .INTR C .INTO D .INT n 5. 在CPU 与外设通信中,异步查询⽅式相⽐于中断⽅式,具有()的特点。
A .硬件电路简单,数据传送可靠 B .硬件电路简单,CPU 使⽤效率⾼ C .数据传送可靠,CPU 使⽤效率⾼ D .硬件电路复杂,CPU 利⽤率低6. 执⾏8086指令“PUSH AX”后,SP 值为()。
A .SP=SP+2B .SP=SP+1C .SP=SP-2D .SP=SP-1本题得分班级学号姓名南京⼯程学院试卷共页第 2 页7. 下列指令中属于寄存器基址加变址寻址的指令是()。
A.MOV AX,BX B.MOV AX,[BX]C.MOV AX,[SI] D.MOV AX,10H[BX][SI]8. 某存储器芯⽚有11条地址线,8条数据线,则该芯⽚中存储单元有()。