钢筋混凝土简支T梁及行车道板配筋设计桥梁工程课程设计
- 格式:doc
- 大小:1.33 MB
- 文档页数:32
目录1设计资料 (2)2主梁计算 (4)2.1主梁荷载横向分布系数 (4)2.1.1跨中荷载弯矩横向分布系数 (4)2.1.2梁端剪力横向分布系数 (7)2.2主梁计算 (10)2.2.1主梁内力计算 (10)2.3持久状况承载能力极限状态下截面设计、配筋与验算 (19)2.3.1配置主筋 (19)2.3.2配置弯起钢筋 (20)2.3.3配置箍筋 (24)2.3.4斜截面抗剪承载能力验算 (25)2.3.5持久状况斜截面抗弯极限承载能力状态验算 (30)2.4持久状况正常使用极限状态下裂缝宽度验算 (31)2.5持久状况正常使用极限状态下挠度验算 (32)3横梁计算 (35)3.1横梁内力计算 (35)3.2横梁截面配筋与验算: (38)4行车道板的计算 (39)4.1结构自重及其内力 (39)4.2截面设计、配筋与强度验算 (41)5支座计算 (43)5.1确定支座平面尺寸 (43)5.2验算支座受压偏转 (44)5.3验算支座抗滑稳定性 (44)1设计资料1)桥面净空:净—8.0m+2×1m(人行道)=10m 2)主梁跨径和全长:标准跨径= 20m (墩中心线距离); 计算跨径=19.50m (支座中心线距离); 主梁全长:L =19.96m 主梁间距:1.80 m 主梁片数:5片 设计载荷 :公路—II 级汽车载荷,人群荷载m kN /3每侧栏杆重量 +人行道重量 =5KN/m (作用人行道中心线) 3)材料:钢筋:主筋用HRB335钢筋 (Ⅱ级螺纹钢筋) 抗拉强度标准值 MPa f sk 335= 抗拉强度设计值 MPa f sd 280= 弹性模量 MPa E s 5100.2⨯= 相对界限受压区高度 56.0=b ε 其它用R235钢筋 (Ⅰ级光圆钢筋) 抗拉强度标准值 MPa f sk 235= 抗拉强度设计值 MPa f sd 195= 混凝土:用C30混凝土抗压强度标准值 MPa f sk 1.20= 抗压强度设计值 MPa f cd 8.13= 弹性模量 MPa E c 4103⨯=抗拉强度标准值 MPa f tk 01.2= 抗拉强度设计值 MPa f td 39.1= 4) 计算方法:极限状态法。
配式钢筋混凝土简支T 型梁桥设计工程计算课程设计书一、课题与设计资料(一)设计资料1、装(1)桥面净空净—8+2×1m 人行道(二)设计荷载公路-II 级和人群荷载标准值为32m kN(三)主梁跨径和全长标准跨径:墩中心距离);支座中心距离);主梁全长:主梁预制长度)。
(四)材料1)主梁、横隔梁:钢筋:主钢筋采用Ⅱ级钢筋,其它用钢筋采Ⅰ用级钢筋混凝土:C30(容重为25KN/m³)2)桥面铺装:沥青混凝土(容重为23KN/m³)混凝土垫层C25(容重为23KN/m)3)人行道:人行道包括栏杆荷载集度6KN/m(五)缝宽度限值:Ⅱ类环境(允许裂缝宽度0.02mm)。
(六)设计依据及参考资料①《公路桥涵设计通甩规范》(JTGD60-2004)②《公路钢筋混凝土及预应力混凝土桥涵设计规范》(JTGD62-2004)③《桥梁工程》,姚玲森主编,人民交通出版社,北京。
④《桥梁计算示例集—混凝土简支梁(板)桥》,易建国主编,人民交通出版社,北京。
⑤《结构设计原理》,沈浦生主编。
⑥《结构力学》二、设计内容(一)主梁1.恒载内力计算;1.1恒载集度主梁:m kN g /85.1425)]22.098.1(218.012.05.122.0[1=⨯-⨯++⨯=横隔梁:m kN g /132.25.1952518.0)22.098.1()218.012.020.1(2=⨯⨯⨯-⨯+-=人行道和栏杆:m kN g /2.1563==桥面铺装:m kN g /368.05230.102.0230.106.04=⨯⨯+⨯⨯=作用于主梁上的全部恒载集度:35.17368.0132.285.144321=++=+++=g g g g g KN/m1.2恒载内力 跨中截面m kN l l g l gl M ⋅=⨯⨯-⨯⨯⨯=⋅⋅-⋅=667.82445.1925.1935.1725.195.1935.172142221 1/4跨截面m kN l l l g M ⋅=-⨯⨯=-⋅⋅=50.618)45.195.19(45.1935.1721)4(421 kN l l g Q 58.84)25.19415.19(35.1721)241(21=⨯⨯-⨯⨯=⋅-=支点截面 0=MkN Q 16.169)205.19(35.1721=⨯-⨯⨯=2.荷载横向分布系数计算; 2.1抗扭修正系数β的计算由于各片主梁的截面相同,考虑梁的抗扭刚度时Ⅰ号梁的荷载横向分布系数∑==⨯-+-+++⨯=5122222240)0.22()0.2(00.2)0.22(ii m a2.1.1、计算主梁的抗弯惯矩T I 主梁板宽度为1.98m 主梁间的缝宽为0.02m图 主梁的细部尺寸(尺寸单位:cm )1) 、求主梁截面的重心位置翼缘板平均厚度为cm h 152/)1812(1=+= 肋高(150-15)=135cm主梁截面重心至梁顶面的距离为cm a x 4515)22198(15022152115)22198(1502115022=⨯-+⨯⨯⨯⨯-+⨯⨯⨯=(1)主梁的抗弯惯矩为42442323107733.66773250])452150(1502215022121)21545(15)22198(15)22198(121[m cm cm I -⨯==-⨯⨯+⨯⨯+-⨯⨯-+⨯-⨯= (2)主梁的抗扭惯矩图 主梁抗扭惯矩的计算(尺寸单位:cm )对于翼板:1.0076.0198/15/11<==b t ,查表得3/11=c 对于梁肋:168.0135/22/22==b t ,查表得298.02=c42433)106511.0(65111922135298.01519831m cm I T -⨯==⨯⨯+⨯⨯=将截面分为上图所示的两个矩形。
淮阴工学院《桥梁工程》课程设计题目:钢筋混凝土简支T梁及行车道板配筋设计班级:土木1103姓名:段道蓬学号:1101401326学院:建筑工程学院专业:土木工程(路桥方向)指导老师:蒋洋2013年12月桥梁工程课程设计计算书一、设计资料1.结构形式及基本尺寸某公路装配式简支梁桥,双车道,桥面宽度为净 -8+2×1m,主梁为装配式钢筋混凝土简支T梁,桥面由五片T梁组成,主梁中心距2.0m,主梁之间的桥面板为铰接,沿梁长设置5道横隔梁。
主梁的细部尺寸可参考表1。
表1 装配式钢筋混凝土T形梁桥总体特征表注:横隔梁,分别在两支点、跨中及四分点布置2.桥面布置桥梁位于直线上,两侧设人行道,宽度为1m,桥面铺装为2cm厚的沥青混凝土,其下为C25混凝土垫层,设双面横坡,坡度为1.5%。
横坡由混凝土垫层实现变厚度,两侧人行道外侧桥面铺装厚度8cm(2cm厚沥青混凝土和6cm混凝土垫层)。
3.材料1)主梁、横隔梁:混凝土:C30(容重为25KN/m³)主筋:II级钢筋;构造钢筋:I级钢筋;2)桥面铺装:沥青混凝土(容重为23KN/m³);混凝土垫层C25(容重为23KN/m³);3)人行道:人行道包括栏杆荷载集度为6KN/m;4.设计荷载公路-Ⅱ级;人群荷载:3.0KN/㎡;5.设计规范与参考书目1)《公路桥涵设计通用规范》(JTG D60-2004)2)《公路钢筋混凝土及预应力混凝土桥涵设计规范》(JTG D62-2004)3)《混凝土简支梁(板)桥》(第三版)4)《桥梁工程》5)《钢筋混凝土结构设计原理》6)《结构力学》二、设计内容(一)主梁 1.恒载内力计算;1.1恒载集度主梁:m kN g /85.1425)]22.098.1(218.012.05.122.0[1=⨯-⨯++⨯=横隔梁:mkN g /132.25.1952518.0)22.098.1()218.012.020.1(2=⨯⨯⨯-⨯+-=人行道和栏杆:m kN g /2.1563==桥面铺装:m kN g /368.05230.102.0230.106.04=⨯⨯+⨯⨯=作用于主梁上的全部恒载集度:35.17368.0132.285.144321=++=+++=g g g g g1.2恒载内力跨中截面mkN l l g l gl M ⋅=⨯⨯-⨯⨯⨯=⋅⋅-⋅=667.82445.1925.1935.1725.195.1935.172142221 1/4跨截面m kN l l l g M ⋅=-⨯⨯=-⋅⋅=50.618)45.195.19(45.1935.1721)4(421 kN l l g Q 58.84)25.19415.19(35.1721)241(21=⨯⨯-⨯⨯=⋅-=支点截面 0=MkN Q 16.169)205.19(35.1721=⨯-⨯⨯=2.荷载横向分布系数计算; 2.1抗扭修正系数β的计算由于各片主梁的截面相同,考虑梁的抗扭刚度时Ⅰ号梁的荷载横向分布系数∑==⨯-+-+++⨯=5122222240)0.22()0.2(00.2)0.22(ii m a2.1.1、计算主梁的抗弯惯矩T I主梁板宽度为1.98m 主梁间的缝宽为0.02m图 主梁的细部尺寸(尺寸单位:cm )1) 、求主梁截面的重心位置翼缘板平均厚度为cm h 152/)1812(1=+= 肋高(150-15)=135cm主梁截面重心至梁顶面的距离为cm a x 4515)22198(15022152115)22198(1502115022=⨯-+⨯⨯⨯⨯-+⨯⨯⨯=(1)主梁的抗弯惯矩为42442323107733.66773250])452150(1502215022121)21545(15)22198(15)22198(121[m cm cm I -⨯==-⨯⨯+⨯⨯+-⨯⨯-+⨯-⨯= (2)主梁的抗扭惯矩图 主梁抗扭惯矩的计算(尺寸单位:cm )对于翼板:1.0076.0198/15/11<==b t ,查表得3/11=c 对于梁肋:168.0135/22/22==b t ,查表得298.02=c42433)106511.0(65111922135298.01519831m cm I T -⨯==⨯⨯+⨯⨯=将截面分为上图所示的两个矩形。
《桥梁工程》课程设计说明书题目装配式钢筋混凝土简支T形梁桥设计系(部)建筑与测绘工程学院专业土木工程(交通土建方向)班级土木104班学生姓名苏迪学号 175 月 13 日至 5 月 26 日共 2 周2012年 5 月26 日目录1. 设计题目与基本资料 (3)2. 行车道板计算 (4)2.1恒载及其内力 (4)2.2汽车荷载产生的内力 (5)2.3荷载组合 (5)2.4 配筋 (5)3. 荷载横向分布系数计算 (6)3.1杠杆原理法 (6)3.2偏心压力法 (8)4. 主梁内力计算 (12)4.1恒载内力计算 (12)4.2活载内力计算 (13)4.3作用效应组合 (17)5横隔梁内力计算5.1横隔梁弯矩计算 (18)5.2 横隔梁截面配筋与验算 (19)6钢筋配置及验算 (24)6.1 纵向受拉钢筋的配置 (24)6.2 正截面抗弯承载力验算 (24)6.3 弯筋和箍筋的配置 (24)6.4 斜截面抗剪承载力验算 (25)7. 变形验算 (27)7.1 裂缝宽度验算 (27)8.支座设计与计算 (28)8.1确定支座平面尺寸 (29)8.2确定支座的厚度 (30)8.3验算支座偏转情况 (31)8.4验算支座的抗滑稳定性 (32)1.1设计题目装配式钢筋混凝简支T 梁桥设计1.2设计基本资料(1)桥面净空:净—10+2×0.75m,根据桥面净空,10+2×0.75m外加两边栏杆布置2⨯0.25m ,总共12m 。
对于翼缘板宽度为2m ,设置六梁式。
装配式钢筋混凝土简支T 型梁桥横截面主要尺寸如下:取高跨比116h '= ,l '=34.96m ,所以h=2.2m 。
梁肋宽度取为18cm , 翼板端部尺寸取10cm , 根部尺寸()max 14,10h 1≥'h ,取1h '=22cm ,横断面布置见图1(a )。
3123m kN =γ,3225m kN =γ,325m kN =γ(2)可变荷载:汽车荷载,公路-Ⅰ级,人群荷载2.5kN/m ²;人行道+栏杆=5kN/m ²。
装配式钢筋混凝土简支T型梁桥设计桥梁工程课程设计《桥梁工程》课程设计——装配式钢筋混凝土简支T型梁桥设计姓名:陈冬雨学号:0805010121班级:土木08-1完成日期:2011-7-5大连交通大学土木与安全工程学院隧道与桥梁教研室1.1 基本设计资料1.跨度和桥面宽度(1)标准跨径:18m(2)计算跨径:17.5m(3)主梁全长:17.96m(4)桥面宽度(桥面净空):净11m(行车道)+2×1.5(人行道)。
2.技术标准设计荷载:公路——Ⅰ级,人行道和栏杆自重线密度按照单侧6KN/m计算,人群荷载为3KN/m。
环境标准:Ⅰ类环境。
设计安全等级:二级。
3.主要材料混凝土:C25,C30 (容重为25KN/m3)主筋:Ⅱ级钢筋构造钢筋:Ⅰ级钢筋桥面铺装:沥青混凝土(容重为23KN/m3);混凝土垫层C25(容重为25KN/m3) 人行道:人行道包括栏杆何在集度为6KN/m设计荷载:汽车荷载:车辆荷载和车道荷载;人群荷载:3.0KN/m;4.结构的基本尺寸:某公路装配式简支梁桥,双车道,主梁为T型梁,桥面宽度为14m,顶板宽度采用2.2m,跨径为18m,设置5根横隔梁。
如图所示主梁图 1—1横隔梁图1.2 主梁的计算1.2.1主梁的横向分布系数的计算计算跨宽比17.5 1.3322.26L B ==<⨯所以采用比拟正交板法计算。
图 1—3h=1/2(10+16)=13cm13160(22018)131********.95(22018)1318160x cm-⨯⨯+⨯⨯==-⨯+⨯主梁的抗弯惯矩:33341131(22018)13(22018)13(44.95)181601221218160(16044.95)48184395x I cm =⨯-⨯+-⨯⨯-+⨯⨯+⨯⨯-=主梁的比拟单宽抗弯惯矩:44818439522202/220X X I J cm cm b ===横隔梁抗弯惯矩:每根横隔梁的尺寸如图1—4图 1—4'44220880l b cm =⨯=⨯=2100.239'880c l ==查表得 0.239'c l =时,0.726c λ=所以2100.726152cm λ=⨯= 求横隔梁截面重心位置y13120215213*********.2421521315120y cm ⨯⨯⨯+⨯⨯==⨯⨯+⨯ 故横隔梁抗弯惯矩为:3232341131120215213215213(23.24)1512015120(23.24)5755.4510122122y I cm =⨯⨯⨯+⨯⨯⨯-+⨯⨯+⨯⨯-=⨯ 横隔梁的比拟单宽抗弯惯矩:345755.451013231/435yy I J cm cma ⨯===主梁和横隔梁的抗扭惯矩:对于主梁肋:180.12216013t b ==-,查表得c=0.3074'3340.307414718263535Tx I cbt cm ==⨯⨯=对于横隔梁梁肋:150.1412013t b ==-,查表得c=0.3036'3340.303610715109637.55Ty I cbt cm ==⨯⨯=则3''3411111263535109637.55131618.933220435Tx Ty Tx Ty J J h I I cm b a +=++=⨯++=2.计算参数θ和α44400222020.42917501323.1X y J BlJ θ=== 式中B=6⨯220/2=660cm()0.020072()22220213231Tx Ty X y G J J E J J E α+===⨯⨯则0.020070.1417α== 3.计算各主梁横向影响线坐标已知θ=0.429,从附录Ⅱ“G-M 法”计算图表查得影响系数K1和K0的值,如下表系数 梁位荷载位置校核 B 3B/4 B/2 B/4 0 -B/4-B/2 -3B/4-B K10 0.92 0.96 1.02 1.05 1.08 1.05 1.02 0.96 0.92 8.06 B/4 1.08 1.09 1.12 1.14 1.05 0.98 0.88 0.79 0.75 7.97 B/2 1.12 1.28 1.24 1.30 1.00 0.88 0.80 0.70 0.64 8.08 3B/4 1.16 1.46 1.30 1.13 0.97 0.83 0.71 0.63 0.55 7.89 B 2.09 1.68 1.35 1.08 0.88 0.75 0.63 0.520.46 8.17 K00.68 0.87 1.00 1.20 1.27 1.20 1.000.87 0.68 8.09 B/4 1.56 1.47 1.38 1.30 1.14 0.92 0.640.330.108.01B/2 2.40 2.10 1.80 1.42 0.99 0.60 0.21 -0.22 -0.60 7.80 3B/4 3.50 2.79 2.08 1.45 0.80 0.38 -0.18 -0.48 -1.07 8.06 B 4.70 3.50 2.35 1.50 0.68 0.08 -0.53 -1.00 -1.55 8.16对于1号梁:33344455'()0.330.67165B B B B B K K K K K K =+-=+对于2号梁:2'BK K =对于3号梁:00044110'()0.670.33165B B K K K K K K =+-=+4.计算各梁的荷载横向分布系数:梁算式荷载位置号 B 3B/4 B/2 B/4 0 -B/4 -B/2 -3B/4 -B1K1’ 1.467 1.533 1.317 1.114 0.940 0.804 0.684 0.594 0.520 K0' 3.896 3.024 2.169 1.467 0.760 0.281 -0.296 -0.652 -1.228 K1’-K0' -2.429 -1.492 -0.853 -0.353 0.180 0.523 0.979 1.245 1.749 (K1’-K0’)*√α-0.344 -0.211 -0.121 -0.050 0.025 0.074 0.139 0.176 0.248 Ka 3.552 2.813 2.048 1.416 0.786 0.355 -0.157 -0.475 -0.981 η1i0.592 0.469 0.341 0.236 0.131 0.059 -0.026 -0.079 -0.1632K1’ 1.12 1.28 1.24 1.30 1.00 0.88 0.80 0.70 0.64 K0' 2.40 2.10 1.80 1.42 0.99 0.60 0.21 -0.22 -0.60 K1’-K0' -1.280 -0.820 -0.560 -0.120 0.010 0.280 0.590 0.920 1.240 (K1’-K0’)*√α-0.181 -0.116 -0.079 -0.017 0.001 0.040 0.084 0.130 0.176 Ka 2.219 1.984 1.721 1.403 0.991 0.640 0.294 -0.090 -0.424 η2i0.370 0.331 0.287 0.234 0.165 0.107 0.049 -0.015 -0.0713K1’ 1.027 1.047 1.087 1.110 1.060 1.003 0.926 0.846 0.806 K0' 1.270 1.272 1.255 1.267 1.183 1.012 0.759 0.508 0.291 K1’-K0' -0.242 -0.225 -0.168 -0.157 -0.123 -0.009 0.167 0.338 0.515 (K1’-K0’)*√α-0.034 -0.032 -0.024 -0.022 -0.017 -0.001 0.024 0.048 0.073 Ka 1.235 1.240 1.231 1.245 1.165 1.011 0.783 0.556 0.364 η3i0.206 0.207 0.205 0.207 0.194 0.169 0.130 0.093 0.061对于1号主梁: 汽车荷载:11(0.4730.3350.2520.137)0.59922cq m η==+++=∑人群荷载:0.566cr r m η== 对于2号主梁:汽车荷载:11(0.3320.2830.2420.169)0.51322cq m η==+++=∑人群荷载:0.362cr r m η== 对于2号主梁: 汽车荷载:11(0.2070.2070.2070.207)0.41422cq m η==+++=∑人群荷载:0.206cr r m η== 2.2作用效应计算 1.永久作用效应(1)永久荷载:假定桥面构造各部分中立平均分配给各主梁承担,则永久荷载计算结构见下表构件名构件尺寸/cm构建单位体积/m3重度/(KN/m3)每延米重/(KN/m)主梁0.5506 25 13.7650横隔梁中梁0.0926 25 2.3158边梁0.0463251.1580桥面铺装沥青混凝土(厚2cm )0.044251.0120混凝土垫层 (平均厚10.1)0.22225 5.55006.5620栏杆及人行道部分6人行道重力:6*2/6=2KN/m各梁的永久荷载值梁号 主梁 横隔梁 栏杆及人行道桥面铺装层 总计 1(6) 13.765 1.1580 2 6.562 23.4850 2(5) 13.765 2.3158 2 6.562 24.6428 3(4) 13.7652.315826.56224.6428(2)永久作用效应计算 影响线面积计算见下表项目计算面积 影响线面积12M201138.28248l w l l =⨯⨯==14M2013228.7121632l w l l =⨯⨯==12V00w =(10211117.5 2.1882228l w=⨯⨯=⨯=)V01117.58.7522w l =⨯=⨯=梁号1/2kN mM • 1/4kN mM •0/V kN q0w q 0wq0w q 0wq0wq 0w1 23.4850 38.28 899.0058 23.4850 28.71 674.2544 23.4850 8.75 205.49382 24.6428 38.28 943.3264 24.6428 28.71 707.4948 24.6428 8.75 215.62453 24.6428 38.28 943.3264 24.6428 28.71 707.4948 24.6428 8.75 215.6245 永久作用效应计算表 2.可变作用效应:(1)汽车荷载冲击系数计算:10223100.4818439516.4542217.51403.16c c EI f Hzl m ππ⨯⨯===⨯其中:30.550625101403.169.81c G m g ⨯⨯===由于16.454Hz ≥14Hz ,故:μ=0.45(2)公路Ⅰ级均布荷载、集中荷载、及其影响线面积计算表如下:均布荷载k q 和其中荷载k Pk q =10.5KN/m 计算弯矩时,360180(17.55)180230505k P KN-=⨯-+=-计算剪力时,k P =1.2*230=276KN按最不利的方式布载可计算影响线面积:其中12V 处按最不利方式布置荷载011117.5 2.1882228l ω=⨯⨯=⨯=项目顶点位置 /()k q kN m •/k P kNw12M l/2处 10.5 230 38.28 14Ml/4处 10.5 230 28.71 0V 支点处 10.5 276 8.75 12Vl/2处10.52762.188可变作用弯矩效应计算:0(1)()k k k M q w P y ξημ=++其中由于只能布置两车道,故横向折减系数ξ=1.0.计算跨中和l/4处弯矩时,可以近似认为荷载横向分布系数沿跨长方向均匀变化,故各主梁η值沿跨长方向相同。
桥梁工程课程设计任务书题目 :装置式钢筋混凝土简支T 梁桥计算1.课程设计教课条件要求桥梁结构课程设计是土木匠程专业(交通土建)桥梁工程实践环节课,经过设计进一步稳固桥梁结构基来源理和基本知识,以及桥梁结构,培育设计着手能力,初步学会运用桥梁设计规范,桥梁标准图,估量工程资料数目,达成桥梁整体部署图的技术。
并为毕业设计以及此后专业工作中确立必需基础。
本课程设计要修业生在一周的时间内经过指导教师的指导,达成《任务书》中的所有内容,学生经过本课程的设计练习,使学生掌握钢筋混凝土简支 T 梁设计计算的步骤和方法,学会对 T 梁进行结构自重内力计算、汽车荷载和人群荷载内力计算、内力组合;在汽车和人群荷载内力计算时,学会用偏爱受压法和杆杠原理法求解荷载横向散布系数。
2.课程设计任务2.1设计资料1 桥面净宽净-8+2×0.75m人行道2主梁跨径及全长标准跨径l b=20.00m(墩中心距离)计算跨径l =19.50m (支座中心距离)主梁全长l全 = 19.96m(主梁预制长度)3设计荷载汽车Ⅱ级;人群荷载 3.0kN/m24资料 x钢筋:主筋用Ⅱ级钢筋,其余用Ⅰ级钢筋。
混凝土: 25 号5桥面铺装:3沥青表面处分厚 2cm(重力密度为 23KN/m),C25混凝土垫层厚 6~ 12cm(重33力密度为 24KN/m),C30T梁的重力密度为 25KN/m。
6 T 梁简图以下:横剖面纵剖面A=10cm,B=14,C=19cm2.2 、计算内容1行车道板的内力计算和组合2计算主梁的荷载横向散布系数用杠杆原理法求支点截面的横向散布系数,用偏爱压力法求跨中截面的横向散布系数。
3主梁内力计算4横隔梁内力计算5主梁配筋6主梁变形验算3.课程设计报告书主要内容计算说明书包含:行车道板的内力计算和组合;主梁的荷载横向散布系数的计算;主梁内力计算;横隔梁内力计算、配筋;主梁变形验算。
钢筋部署图4.课程设计要求(1)学生准时到课程设计指定地址签到,恪守课程设计纪律。
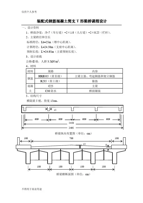
装配式钢筋混凝土简支T形梁桥课程设计一、设计资料1、桥面净宽:净-7(车行道)+2×1.0(人行道)+2×0.25(栏杆)。
2、主梁跨径和全长标准跨径:Lb=25m(墩中心距离)。
计算跨径:L=24.50m(支座中心距离)。
预制长度:L’=24.95m(主梁预制长度)。
3、设计荷载公路-II级,人群3.5kN/m2。
5、结构尺寸横隔梁5根,肋宽15cm。
桥梁纵向布置图(单位:cm)桥梁横断面图(单位:cm)T 型梁尺寸图(单位:cm )6、计算方法 极限状态法7、设计依据(1) 《公路桥涵设计通用规范》(JTG –D60-2004)。
(2) 《公路桥涵钢筋混凝土和预应力混凝土桥涵设计规范》(JTG –D60-2004)。
二、行车道板的计算 (一)计算模式行车道板按照两端固定中间铰接的板来计算 (二)荷载及其效应1.每延米板上的恒载个g桥面铺装:m kN g /4.2240.11.01=⨯⨯=T 梁翼缘板自重:m kN g /75.2250.111.02=⨯⨯=每延米跨宽板恒载合计:m kN g g g /15.575.24.221=+=+=2.永久荷载产生的效应弯矩:kNm gl M sg 65.1)22.08.1(15.52121220-=-⨯⨯-=-= 剪力:kN gl Q sg 12.4)22.08.1(15.50=-⨯== 3.可变荷载产生的效应以重车后轮作用于绞缝轴线上为最不利布置,此时两边的悬臂板各承受一半的车轮荷载根据《公路桥涵设计通用规范》2b 2am a 2.02= m b 6.02=顺行车方向轮压分布宽度:m H a a 4.01.022.0221=⨯+=+= 垂直行车方向轮压分布宽度:m H b b 8.01.026.0221=⨯+=+=荷载作用于悬臂根部的有效分布宽度:m l a a 4.38.024.14.024.101=⨯++=++= 单轮时:m l a a 0.28.024.02'01=⨯+=+=根据《公路桥涵设计通用规范》,局部加载冲击系数:3.11=+μ 作用于每米宽板条上的弯矩为:m kN b l a P M sp /06.16)48.08.0(4.342803.1)4(4)1(10-=-⨯⨯⨯-=-+-=μ 单个车轮时:m kN b l a P M sp /65.13)48.08.0(0.241403.1)4('4)1('10-=-⨯⨯⨯-=-+-=μ 取最大值:m kN M sp /06.16-=作用于每米宽板条上的剪力为:kN a P Q sp 76.264.342803.14)1(=⨯⨯=+=μ 4.基本组合根据《公路桥涵设计通用规范》 恒+汽:m kN M M sp sg /46.24)06.16(4.1)65.1(2.14.12.1-=-⨯+-⨯=+ kN Q Q sp sg 41.4276.264.112.42.14.12.1=⨯+⨯=+ 故行车道板的设计作用效应为:m kN M sj /46.24-= kN Q sj 41.42=(三)截面设计、配筋与强度验算1.界面设计与配筋悬臂板根部高度14h cm =,净保护层2a cm =。
桥梁工程中,装配式钢筋混凝土简支T形梁桥的行车道板内力计算是一个重要的设计环节。
下面是一般的步骤和方法:
确定桥梁的几何参数:包括桥梁的跨径、梁的高度、梁的宽度等。
这些参数将对后续的内力计算和设计有重要影响。
荷载计算:根据设计标准和实际使用情况,确定桥梁所承受的荷载类型和荷载大小。
这些荷载包括静载荷和动载荷,如自重、活载、风荷载等。
梁的截面设计:根据荷载计算结果和梁的几何参数,进行梁的截面设计。
设计要满足强度、刚度和稳定性等方面的要求,通常使用混凝土弯曲构件的设计方法进行计算。
内力计算:根据梁的截面设计结果,进行内力计算。
这包括正截面和反截面的内力计算,以确定在不同工况下的梁的弯矩、剪力、轴力和反弯矩等。
钢筋配筋设计:根据内力计算结果,进行钢筋配筋设计。
配筋设计要满足混凝土和钢筋的受力要求,同时考虑施工的可行性和经济性。
校核和优化设计:对设计结果进行校核和优化,确保梁的结构安全可靠,并满足设计要求。
需要注意的是,上述步骤是一个简化的桥梁设计流程,实际设计中还需考虑很多其他因素,如桥墩的设计、桥面铺装、伸缩缝的设置等。
因此,在实际工程中,最好由专业的桥梁工程师进行详细的设计和计算,以确保桥梁的结构安全可靠。
桥梁工程课程设计装配式钢筋混凝土简支T形梁桥设计行车
道板内力计算
1.设计简支T形梁桥
首先,需要设计一座简支T形梁桥,设计参数如下:
桥梁跨度:20米
桥面车道宽度:6米
梁高:2米
使用装配式钢筋混凝土梁板,混凝土强度等级为C40,钢筋使用HRB400。
根据设计参数,利用梁板计算软件进行梁板计算,确定梁板的尺寸和受力情况。
在确定梁板的尺寸和受力情况后,可以进行梁柱设计,包括确定梁柱的截面形状和尺寸,计算梁柱的受力。
最后,完成简支T形梁桥的结构设计。
2.行车道板内力计算
为了计算行车道板的内力情况,需要进行荷载分析。
根据规范,车道板设计荷载包括:
车辆荷载:根据相应的车型和道路等级,确定车辆荷载,并进行等效荷载计算。
短期荷载:如施工荷载、桥面修复车辆荷载等。
温度荷载:由于温度变化引起的桥梁变形所引起荷载。
其他荷载:如风荷载、雨雪荷载等。
根据设计参数和相应规范的荷载要求,计算行车道板的受力情况。
行车道板的内力分为弯矩和剪力两个方向,可以通过使用相应的软件进行计算。
计算结果应满足相关规范的要求,如内力平衡、极限状态等。
为了确保结构的安全性,还需要进行结构的验算和分析。
总体而言,装配式钢筋混凝土简支T形梁桥设计行车道板内力计算需要进行多方面的计算和分析,包括梁板计算、梁柱设计、荷载分析等。
需要制定合理的设计方案,确保结构的安全性和可靠性。
桥梁设计一、设计资料1.桥面净宽:净—荷载:公路—Ⅱ级人群—3。
0KN/m人行道每侧重3.6KN/m栏杆每侧1.52KN/m2.跨径及梁长:标准跨径计算跨径主梁全长3.材料钢筋:反直径大于或等于12毫米者用Ⅱ级钢筋,直径小于12毫米者一律用Ⅰ级钢筋。
混凝土:主梁:50#人行道及栏杆:25#桥面铺装:25#4.技术规范:《公路桥涵设计通用规范》(JTGD60—2004)《公路钢筋混凝土和预应力混凝土桥涵设计规范》(GTGD62—2004)二、桥梁尺寸拟定1.主梁高度:h=1.00m梁间距:采用5片主梁,间距1.6m。
2.横隔梁:采用五片横隔梁,间距为7。
25m3.梁肋:厚度为18cm4.桥面铺装:分为上下两层,下层为25#砼,路缘石边处厚4.0cm ;上层为沥青砼,厚4。
0cm.桥面采用1。
5%横坡。
5.桥梁横断面及具体尺寸:(见作图)主梁横剖面主梁纵剖面三、桥梁计算一、主梁的计算1、主梁的抗弯惯性矩I x求主梁界面的重心位置a x(图1-1)图1-1(尺寸单位:cm)平均板厚:H=1/2(10+14)=12(cm)a x==28。
6I x==3215111。
04(cm4)=3。
2151(cm4)2.计算结构自重集度(表1-1)4.汽车、人群荷载内力计算(1)支点处荷载横向分布系数(杠杆原理法)按《桥规》4.3。
1条和4。
3.5条规定:汽车荷载距人行道边缘不小于0.5m,人群荷载取3KN/m.在横向影响线上确定荷载横向最不利的布置位置(图1-2)图(1—2)支点处各主梁的横向分布情况各梁支点处相应于公路—Ⅱ级和人群荷载的横向分布系数计算(表1—3)(2)、跨中荷载横向分布系数(偏心压力法)此桥没有刚度强大的横隔梁,且承重结构的跨宽比为:〉2故可按偏心压力法来计算横向分布系数m c,其步骤如下:1〉、求荷载横向分布影响线坐标本桥梁各根主梁的横截面均相等,梁数n=5,梁间距为1.60m,则:=(2×1。
装配式钢筋混凝土简支T梁桥计算基本设计资料1.标准跨径:20m2.计算跨径:19.5m3.主梁全长:19.96m4.桥面宽度(桥面净空):净9m(行车道)+20.5m(防撞栏)。
技术标准设计荷载:公路—Ⅰ级,人群荷载采用主要材料钢筋:主筋用HRB335级钢筋,其他用R235级钢筋。
混凝土:C50 ,容重;桥面铺装采用沥青混凝土:容重。
设计依据《公路桥涵设计通用规范》(JTJ D60—2004)《公路钢筋混凝土及预应力混凝土桥涵设计规范》(JTJ D62—2004)构造形式及截面尺寸(桥梁横断面和主梁纵断面图)全桥共由5片梁组成,单片梁高1.3m,宽2.0m;设5根横梁。
一:主梁的计算一)主梁荷载横向分布系数B=9+2×0.5=10m l=19.5m b/l=0.0.513>0.51.跨中荷载弯矩横向分布系数(按G-M法)二)主梁的弯矩及抗扭惯矩Ix和ITx求主梁界面的重心位置 (如图):平均板厚:h1===36.5cmIx==0.07254主梁抗扭惯矩按 I T x = ,()对于翼板:对于梁肋:故,主梁的抗扭惯矩为:I T x=单位板宽的弯矩及抗扭惯矩:三)横梁的抗弯及抗扭惯矩翼板的有效宽度的计算,计算如图:横梁的长度取两边主梁轴线之间的距离求横梁截面重心位置:=18cm由于连续桥面板的单宽抗扭惯矩只有独立宽扁板的一半,所以可取单位抗弯及抗扭惯矩:=四)计算参数:===0.387其中B为主梁全宽的一半 L为计算跨径故:五)计算荷载弯矩横向分布影响线已知影响系数b 3b/4b/2b/40-b/4-b/2-3b/4-b 0################ 1.15 1.100.980.910.80 b/4################ 1.130.900.660.350.12 b/2################ 1.100.530.12#####-0.66 3b/4################0.900.39##########-1.40 b ################0.800.12##########-1.640################ 1.09 1.06 1.000.960.92 b/4################ 1.060.980.900.820.75 b/2################ 1.000.910.810.730.67 3b/4################0.940.810.730.630.57 b################0.910.800.680.600.50k荷载荷载位置k1用内插法求梁位处横向分布影响线坐标值,如下图:1号梁和5号梁:2号梁和4号梁:3号梁 :=列表计算各梁的横向分布影响线坐标值,表如下:梁号 算式荷载位置b-b1.6081.066 1.248 1.438 0.934 0.808 0.72 0.624 0.5561号3.5281.5042.162 2.92 0.88 0.336 -0.254 -0.676 -1.448-1.92 -0.438 -0.914 -1.482 0.054 0.472 0.974 1.3 2.004-0.321-0.073 -0.153 -0.247 0.009 0.079 0.163 0.217 0.3353.2071.4312.009 2.673 0.889 0.415 -0.091 -0.459 -1.1130.641 0.286 0.402 0.535 0.178 0.083 -0.018 -0.092 -0.2232号1.1881.114 1.164 1.22 1.024 0.938 0.846 0.766 0.7022.0721.342 1.552 1.86 1.112 0.678 0.336 -0.022 -0.348-0.884 -0.228 -0.388 -0.64 -0.088 0.26 0.51 0.788 1.05-0.148-0.038 -0.065 -0.107 -0.015 0.043 0.085 0.132 0.1751.9241.304 1.487 1.753 1.097 0.721 0.421 0.11 -0.1730.3850.261 0.297 0.351 0.219 0.144 0.084 0.022 -0.035 3号0.921.06 1.0 0.96 1.09 1.06 1.0 0.96 0.920.81.10 0.98 0.91 1.15 1.10 0.98 0.91 0.80.12-0.004 0.02 0.05 -0.006 -0.004 0.02 0.05 0.120.02-0.007 0.003 0.008 -0.01 -0.007 0.003 0.008 0.020.821.093 0.983 0.918 1.14 1.093 0.983 0.918 0.820.1640.2190.1970.1840.2280.2190.1970.1840.164绘制横向分布影响线图如下,求横向分布系数按《桥规》4.3.11条和4.3.5条规定汽车荷载距人行道边缘距离不小于0.5m。
《桥梁工程》课程设计任务书设计题目:装配式钢筋混凝土简支T形梁桥设计一、设计资料1.标准跨径:确定主桥采用标准跨径为20.00m的装配式钢筋混凝土简支梁。
本实例即为主桥的上部结构计算。
桥梁设计安全等级为二级。
2.主梁全长:根据当地的温度统计资料,并参照以往设汁经验,确定伸缩缝采用4cm,则预制梁体长19.96m。
3.计算跨径:根据梁式桥计算跨径的取值方法,计算跨径取相邻支座中心间距为19.50m。
4.桥面宽度:净一7m (行车道)+2×0.75m(人行道),桥面横坡取2%5.设计荷载:根据该桥所在道路的等级确定荷载等级为,公路-I级(或公路-II级),(按学号分2组:单号选公路I级,双号选公路II级)人群荷载:3 KN/m26.材料初步选定:钢筋,其技术指标见表1;混凝土,其技术指标见表2,T形主梁采用C30、桥面铺装(防水)、栏杆、人行道为C25。
表1钢筋技术指标钢筋种类抗拉强度标准值f sk(Mpa)抗拉强度设计值f sd(Mpa)抗压强度设计值f sd’(Mpa)弹性模量E s(Mpa)R235d=8~20mm235 195 195 2.1×105 HRB335d=6~50mm335 280 280 2.0×105表2混凝土技术指标种类强度标准值强度设计值弹性模量E c(Mpa)轴心抗压f ck(Mpa)轴心抗拉f tk(Mpa)轴心抗压f cd(Mpa)轴心抗拉f td(Mpa)C25 16.7 1.78 11.5 1.23 2.80×104 C30 20.1 2.01 13.8 1.39 3.00×104C40 26.8 2.4018.4 1.653.25×1047.设计依据:(1)《公路桥涵通用设计规范》(JTGD60-2004),简称《桥规》(2)《公路钢筋混凝土及预应力混凝土桥涵设计规范》(JTGD62-2004),简称《公预规》。
目录1 设计题目与基本资料 (1)1.1设计题目:装配式钢筋混凝土简支T梁桥设计 (1)1.2设计资料 (1)2 主梁的计算 (2)2.1 主梁的荷载横向分布系数 (2)2.1.1跨中荷载弯矩横向分布系数(按G-M法) (2)2.1.2 梁端剪力横向分布系数计算(按杠杆法) (8)2.2 作用效应计算 (9)2.2.1 永久荷载效应 (9)2.2.2 可变作用效应 (12)2.3持久状况承载力极限状态下截面设计、配筋与验算 (18)2.3.1 配置主筋 (18)2.3.2 截面复核 (19)2.3.3根据斜截面抗剪承载力进行斜筋配置 (20)2.3.4 箍筋配置 (23)2.3.5 斜截面抗剪承载能力验算 (24)2.3.6持久状况斜截面抗弯极限承载能力状态验算 (29)2.4 持久状况正常使用极限状态下裂缝宽度验算 (31)2.5 持久状况正常使用极限状态下挠度验算 (32)3 横梁的计算 (35)3.1横梁弯矩计算(G-M法) (35)3.2 横梁截面配筋与验算 (38)3.2.1 正弯矩配筋 (38)3.2.2 负弯矩配筋 (39)3.3横梁剪力效应计算及配筋设计 (39)4 行车道板的计算 (40)4.1 计算图式 (40)4.2 永久荷载及其效应 (41)4.2.1 每延米上的恒载g (41)4.2.2 永久荷载产生的效应 (41)4.2.3 可变荷载产生的效应 (41)4.2.4 基本组合 (43)4.3 截面设计、配筋与强度验算 (43)4.4 连续板桥面计算 (44)4.4.1 连接杆设计 (44)4.4.2 连结筋的计算 (44)5 支座验算 (46)5.1 确定支座平面尺寸 (46)5.2 确定支座厚度 (46)5.3 验算支座偏转情况 (47)5.4 验算支点的抗滑稳定性 (47)1 设计题目与基本资料1.1设计题目:装配式钢筋混凝土简支T梁桥设计1.2设计资料1)桥梁跨径:20m 梁长:19.96m 计算跨径:19.6m桥宽:净9m+2×1.0m2)设计荷载公路—I级,人群荷载3.0kN/㎡梁体为C40混凝土,桥面铺装为12cm,C40沥青混凝土,容重为23kN/m3 栏杆、人行道为C25混凝土3)材料预应力钢筋:7Φj15.2的设计参数为:单根钢绞线的公称截面积为139mm2,抗拉强度标准值为1860MPa,张拉控制应力为0.75×1860=1395MPa;普通钢筋:主要采用热轧HRB335、HRB400钢筋;4) 计算方法极限状态法5)结构尺寸图 1—1(尺寸单位:cm)6)设计依据设计规范:《公路钢筋混凝土及预应力混凝土桥涵设计规范》 JTG D62-2004(以下简称《公预规》)《公路桥涵设计通用规范》 JTG D60-2004(以下简称《桥规》) 《公路工程技术标准》 JTG B01-2003(以下简称《公路规》) 其他相关规范2 主梁的计算2.1 主梁的荷载横向分布系数2.1.1跨中荷载弯矩横向分布系数(按G-M 法) (1)主梁的抗弯及抗扭惯性矩x I 和Tx I 求主梁界面的重心位置x a (图1-2): 平均板厚:图 2—1(尺寸单位:cm)T 形截面抗扭惯性矩近似等于各个矩形截面的抗扭惯性矩之和,即:3Tx i i i I c bt =∑式中:i c —矩形截面抗扭惯性矩刚度系数(查表); i b ,i t —相应各矩形的宽度与厚度。
学院建筑工程学部课程设计装配式钢筋混凝土T型梁桥专业:道路与桥梁课程:《桥梁工程》装配式钢筋混凝土简支型梁桥计算一、设计资料(-)桥面净空净-7+2x 0. 75m人行道(二)主梁跨径和全长标准跨径l b =20. 00m(墩中心距离)计算跨径219. 50m(支座中心距离)主梁全长/全=19.96m(主梁预制长度)(三)设计荷载公路II级荷载,人群荷载3kN/m(四)材料十亠-—•L *93 丄4 4 ^95 I 111钢筋:HRB335①335M/M H235 0235M/M混凝土:C3O(五)计算方法极限状态法(六)结构尺寸参考原有标准图尺寸,选用如图1所示,其中横梁用五根。
(七)设计依据(1)《公路桥涵设计通用规》(JTG D60-2004),简称“桥规”(2)《公路钢筋混凝土及预应力混凝土桥涵设计规》(JTG 62-2004),简称“公预规”(3)《公路工程技术标准》(JTG B01-2003)二、主梁的计算(一)主梁的荷载横向分布系数1 •跨中荷载横向分布系数(按G-M法)(1)主梁的抗弯及抗扭惯矩lx和I TX求主梁截面的重心位置(图2)心平均板厚^=1/2(8+14)=1100111 13(160-18)x1 lx — + 130xl8x —2 2(160-18)x11 + 130x18=41. 2cin/ = J_x 142x113 +142x11X (41.2-―)2 + J-x 18x 1303 + 18x 130x (― -41.2)2 * 12 2 12 2= 6627503〃』=6.6275 xl0-2m4T形抗扭惯矩近似等于各个矩形截面的抗扭惯矩之和,即:1TX吃c血:式中:G 为矩形截面抗扭刚度系数(查附表1);附表-1 b,、t.—为相应各矩形的宽度与厚度- t/b 1 0.9 0.8 0.7 0.6 0.5 0.4 0.3 0.2 0.1 <0.1C0.141 0.155 0. 171 0.189 0.209 0. 229 0.250 0.270 0.291 0.312 1/3査表可知11/1. 60=0. 069, ci=l/3t2/M. 18/(1. 3-0.11)=0.151,C2=0. 301故A F I. 6x0.1173+0.301x1.19x0.183=0.71X10*3=2.80X1 0V单位抗弯及抗扭惯矩:XlJb毛.628x10'7160=4. 142x10 W/cm m/b2 280x10 7160=1. 75x10 5m7cm(2)横梁抗弯及抗扭惯矩翼板有效宽度入计算(图3)橫梁长度取为两边主梁的轴线间距,即1=4b=4Xl • 6=6. 4mc=l/2(4. 85-0.15)=2. 35mh x=100m, b x=0.15m=15cmc/ 1=2. 35/6. 40=0. 367根据c//比值可査(附表1)求得Z/C=O. 548所以X =0. 548xc=0. 548x2. 35=1. 29m求横梁截面重心位置a、22 - h. △+ ” b仏= ____ 丄____________ 2_2 也+hb'2xl.29x2LL + 丄xO」5xl.()22 2~ 2x1.29x0.11 + 0.15x1.0=0.21横梁的抗弯和抗扭惯矩Iy和InI 、= — X22X hf + 2Ah A (a v -^-)2 +—b h' ' +b'h (-—a y )12 2 122=±x2x 1.29x0. Il 5 + 2x1.29x0.11(0.21-^H)2 12 2+ 丄 x0・15xl ・0‘ +0.15xl.0x(—-0.21)212 2.= 3・22xl (r2〃r】T、= 5bjX +c 2b 2h^h. /b. =0.1 1/4.85 = 0.031<0.1査表得5=1/3,但由于连续桥面板的单宽抗扭惯矩只有独立宽扁板者的一 半,可取c } =1/6h 2/b 2 =0. 15(1.00-0. 11)=0. 1705,査表得c 2 =0.298/ =lxO.ll 3 x 4.85 + 0.298 x 0.89 xO.153756故 =1.076x107+0.895x10-3= 1.971xl0_3/n 4单位抗弯及抗扭惯矩J 、•和JryJ Y =/y/h { = 3.22 xl0-2/4.85x 100 = 0.664 x IO -4/zz 4/CZH J iy = l iy /b x =1.971 x 10*74.85x100 = 0.406 x IO"5ZH 4/cw(3)计算抗弯参数0和抗弯参数a :=0.324附表2 :桥梁工程(1982年2月)表2-8-4c/l 0. 05 0.10 0. 15 0.20 0.25 0. 30 0. 35 0.40 0.450. 50 A/c0.9880. 9360.. 8670.7890.7100. 6350. 5680. 5090.4590.416式中:B z桥宽的一半—G (厶+厶)/2£、匝4,0 ^I4.142X 10"4 19^5^0.664x10^0.40 x (1.75 + 0.406) x 10“n心a =——• = 0.022 J4.142 x 1 (T4 x 0.664 x 10"按公预规3.1.6条取G=0.4E则= Vo.026 =0.161(4)计算荷载弯矩横向分布影响线坐标已知0=0.324,査G-M图表,可得表中数值- 表1用插法求各梁位处值(图4)1* '5*梁0. 2K X=K3b/4+(Kb-K3b/4)x=0. 2Kb+0. 8K3b/42#、/梁K z=Kb/2-(Ki^-K.v4)x0.4=0. 6Kb/2+0. 4Kb/4C72八 .WQ一rr-r,-Go?・卜-«83#梁K Z =K (. (Ko 系梁位在0点的K 值)列表计算各梁的横向分布系数影响线坐标〃值(表2)(5)绘制横向分布系数图,求横向分布系数。
桥梁工程课程设计计算书一、课题与设计资料(一)设计资料1、装配式钢筋混凝土简支T型梁桥设计(1)桥面净空净—8+2×1m人行道(二)设计荷载公路-II级和人群荷载标准值为32kNm(三)主梁跨径和全长墩中心距离);标准跨径:支座中心距离);主梁预制长度)。
主梁全长:1)主梁、横隔梁:钢筋:主钢筋采用Ⅱ级钢筋,其它用钢筋采Ⅰ用级钢筋Array混凝土:C30(容重为25KN/m³)2)桥面铺装:沥青混凝土(容重为23KN/m ³)混凝土垫层C25(容重为23KN/m )3)人行道:人行道包括栏杆荷载集度6KN/m (五)缝宽度限值:Ⅱ类环境(允许裂缝宽度0.02mm )。
(六)设计依据及参考资料①《公路桥涵设计通甩规范》(JTGD60-2004)②《公路钢筋混凝土及预应力混凝土桥涵设计规范》(JTGD62-2004) ③《桥梁工程》,姚玲森主编,人民交通出版社,北京。
④《桥梁计算示例集—混凝土简支梁(板)桥》,易建国主编,人民交通出版社,北京。
⑤《结构设计原理》,沈浦生主编。
⑥《结构力学》二、设计内容(一)主梁 1.恒载内力计算;1.1恒载集度主梁:m kN g /85.1425)]22.098.1(218.012.05.122.0[1=⨯-⨯++⨯=横隔梁:m kN g /132.25.1952518.0)22.098.1()218.012.020.1(2=⨯⨯⨯-⨯+-=人行道和栏杆:m kN g /2.1563==桥面铺装:m kN g /368.05230.102.0230.106.04=⨯⨯+⨯⨯=作用于主梁上的全部恒载集度:35.17368.0132.285.144321=++=+++=g g g g g KN/m1.2恒载内力 跨中截面mkN l l g l gl M ⋅=⨯⨯-⨯⨯⨯=⋅⋅-⋅=667.82445.1925.1935.1725.195.1935.172142221 1/4跨截面m kN l l l g M ⋅=-⨯⨯=-⋅⋅=50.618)45.195.19(45.1935.1721)4(421 kN l l g Q 58.84)25.19415.19(35.1721)241(21=⨯⨯-⨯⨯=⋅-=支点截面 0=MkN Q 16.169)205.19(35.1721=⨯-⨯⨯=2.荷载横向分布系数计算; 2.1抗扭修正系数β的计算由于各片主梁的截面相同,考虑梁的抗扭刚度时Ⅰ号梁的荷载横向分布系数∑==⨯-+-+++⨯=5122222240)0.22()0.2(00.2)0.22(ii m a2.1.1、计算主梁的抗弯惯矩T I 主梁板宽度为1.98m主梁间的缝宽为0.02m图 主梁的细部尺寸(尺寸单位:cm )1) 、求主梁截面的重心位置翼缘板平均厚度为cm h 152/)1812(1=+= 肋高(150-15)=135cm主梁截面重心至梁顶面的距离为cm a x 4515)22198(15022152115)22198(1502115022=⨯-+⨯⨯⨯⨯-+⨯⨯⨯=(1)主梁的抗弯惯矩为42442323107733.66773250])452150(1502215022121)21545(15)22198(15)22198(121[m cm cm I -⨯==-⨯⨯+⨯⨯+-⨯⨯-+⨯-⨯= (2)主梁的抗扭惯矩图 主梁抗扭惯矩的计算(尺寸单位:cm )对于翼板:1.0076.0198/15/11<==b t ,查表得3/11=c 对于梁肋:168.0135/22/22==b t ,查表得298.02=c42433)106511.0(65111922135298.01519831m cm I T -⨯==⨯⨯+⨯⨯=将截面分为上图所示的两个矩形。
对于翼板:1.0085.0176/15/11<==b t ,查表得3/11=c 对于梁肋:154.0150/22/22==b t ,查表得301.02=c42433)106788.0(67875722150301.01517631m cm I T -⨯==⨯⨯+⨯⨯=比较上述两种情况的计算结果,抗扭惯矩取两者中的大者42)106788.0(m I T -⨯=2.1.2、计算主梁抗扭修正系数β 当m B E G n 98.9298.120.24,425.0并取042.1时,5=⨯+⨯====ζ 855.0)98.95.19(107733.6106788.0425.004.111222=⨯⨯⨯⨯⨯+=--E E β 2.2 汽车荷载横向分布系数(a )桥梁横断面(b )汽车荷载横向分布系数(c )人群荷载横向分布系数(1)双列汽车偏载(2P )作用时m cm e 80.0802180180502800==---=1号梁 7.0)96.1980.00.4935.051(2=⨯⨯+⨯=cq m2号梁 55.0)96.1980.00.2935.051(2=⨯⨯+⨯=cq m 3号梁 4.0)96.1980.00935.051(2=⨯⨯+⨯=cq m (2)单列汽车荷载(p=1)作用时m cm e 6.22602180502800==--=1号梁 687.096.196.20.4935.051=⨯⨯+=cq m 2号梁 443.096.196.20.2935.051=⨯⨯+=cq m 3号梁 2.096.196.20935.051=⨯⨯+=cq m 比较单列偏载作用和双列偏载作用的横向分布系数,双列偏载作用下更不利,故1号梁横向分布系数:取7.0=cq m 2号梁横向分布系数:取55.0=cq m 3号梁横向分布系数:取4.0=cq m 2.3、人群荷载横向分布系数2.3.1、考虑单列布置人群荷载时,荷载偏心矩m cm e 375.45.4372752800==+=1号梁人群横向分布系数 019.196.19375.40.4935.051=⨯⨯+=cr m 2号梁人群横向分布系数 610.096.19375.40.2935.051=⨯⨯+=cr m 3号梁人群横向分布系数 2.096.19375.40935.051=⨯⨯+=cr m 2.3.2、考虑双列布置人群荷载时,荷载偏心矩e=01、2、3号梁人群横向分布系数为 4.0512=⨯=cr m比较单列布置人群荷载和双列布置人群荷载的横向分布系数得:1号梁人群横向分布系数019.1=cr m 2号梁人群横向分布系数610.0=cr m 3号梁人群横向分布系数4.0=cr m2.4、主梁支点截面的荷载横向分布系数(采用杠杆法)1、绘制1号、2号、3号梁的荷载反力影响线;2、确定荷载的横向最不利的布置;下图3、内插计算对应于荷载位置的影响线纵标;图 各主梁的横向分布影响线及荷载布置由杠杆法计算得到1、2、3号梁的横向分布系数 1号梁横向分布系数人群荷载横向分布系数为3375.12002003021750=++⨯=r m 汽车荷载横向分布系数为5.021180202000=⨯-=q m2号梁横向分布系数人群荷载横向分布系数为020=r m 汽车荷载横向分布系数为5.0210==q m3号梁横向分布系数人群荷载横向分布系数为030=r m 汽车荷载横向分布系数为175.12120013020010=⨯-+=q m3.活载内力计算;汽车车道荷载标准值。
查JTG D60—2004规范,桥面净宽m 8=ω,车辆双向行驶,8.00.14≤≤w 横向布置车队数为2,不考虑折减系数,1=ξ。
公路I 级车道荷载的均布荷载标准值为m kN q k /5.10=;集中荷载标准值按以下规定选取:桥梁计算跨径小于或等于5m 时,kN P K 180=;桥梁计算跨径等于或大于50m 时,kN P K 360=;桥梁计算跨径在5m~50m 之间时,K P 值采用线性内插法求得。
公路—II 级车道荷载按公路I 级荷载的0.75倍采用。
计算跨径l =19.5m ,位于5~50m 之间, 集中荷载标准值0.75[]kN P K 5.178)180360(55055.1918075.0=-⨯--+=均布荷载标准值 0.75m kN q k /875.7=车道荷载的均布荷载标准值应满布于使结构产生最不利效应的同号影响线上;集中荷载标准值只作用于相应影响线中的一个最大影响线峰值处。
计算剪力效应时集中荷载标准值应乘以1.2的系数,则计算剪力时,集中荷载标准值kN 6.2252.1188P k =⨯=3.1、跨中截面的弯矩和剪力 3.1.1弯矩1、汽车荷载作用下跨中弯矩影响线的最大纵标 m l y k 875.445.194/=== 跨中弯矩影响线的面积 22253.4785.198m l m ===Ω 冲击系数 3.11=+μ图 (a )汽车荷载和人群荷载 (b )沿梁跨的横向分布系数(c )跨中弯矩影响线 (d )跨中剪力影响线 1号梁的跨中截面弯矩mkN q y P m M k k K cq q ⋅=⨯+⨯⨯⨯⨯=Ω⋅+⋅⋅+=48.1132)53.47875.7875.45.178(7.013.1)()1(ξμ2号梁的跨中截面弯矩mkN q y P m M k k K cq q ⋅=⨯+⨯⨯⨯⨯=Ω⋅+⋅⋅+=81.889)53.47875.7875.45.178(55.013.1)()1(ξμ 3号梁的跨中截面弯矩mkN q y P m M k k K cq q ⋅=⨯+⨯⨯⨯⨯=Ω⋅+⋅⋅+=13.647)53.47875.7875.45.178(4.013.1)()1(ξμ 3.1.2 人群荷载作用下人群荷载集度m kN q r /25.275.00.3=⨯=1号梁的跨中截面弯矩m kN q m M r cr r ⋅=⨯⨯=Ω⋅⋅=97.10853.4725.2019.1 2号梁的跨中截面弯矩m kN q m M r cr r ⋅=⨯⨯=Ω⋅⋅=23.6553.4725.2610.0 3号梁的跨中截面弯矩m kN q m M r cr r ⋅=⨯⨯=Ω⋅⋅=78.4253.4725.24.03.2、剪力(1、汽车荷载作用下跨中剪力影响线的最大纵标 m y k 5.0=跨中剪力影响线的面积 24375.24/5.05.19m =⨯=Ω 1号梁的跨中截面剪力kNq y P m Q k k K cq 12.120)4375.2875.75.06.225(7.013.1)()1(=⨯+⨯⨯⨯⨯=Ω⋅+⋅⋅+=ξμ 2号梁的跨中截面剪力kNq y P m Q k k K cq 38.94)4375.2875.75.06.225(55.013.1)()1(=⨯+⨯⨯⨯⨯=Ω⋅+⋅⋅+=ξμ 3号梁的跨中截面剪力KN64.68)4375.2875.75.06.225(4.013.1)()1(=⨯+⨯⨯⨯⨯=Ω⋅+⋅⋅+=k k K cq q y P m Q ξμ (2、人群荷载作用下人群荷载集度m kN q r /25.275.00.3=⨯=跨中弯矩影响线的面积 24375.24/5.05.19m =⨯=Ω 1号梁的跨中截面剪力kN q m Q r cr 59.54375.225.2019.1=⨯⨯=Ω⋅⋅=2号梁的跨中截面剪力kN q m Q r cr 35.34375.225.2610.0=⨯⨯=Ω⋅⋅=3号梁的跨中截面剪力kN q m Q r cr 19.24375.225.24.0=⨯⨯=Ω⋅⋅=3.2 1/4跨截面的弯矩和剪力图九 (a )1/4跨弯矩影响线 (b )1/4跨剪力影响线跨中弯矩影响线的最大纵标 m l ll y k66.35.191634341=⨯=⨯= 跨中弯矩影响线的面积 269.3566.35.1921m m =⨯⨯=Ω 3.2.1、弯矩(1、汽车荷载作用下 1号梁1/4跨截面弯矩mkN q y P m Mk k K cq ⋅=⨯+⨯⨯⨯⨯=Ω⋅+⋅⋅+=41.1088)69.35875.766.3250(7.013.1)()1(ξμ 2号梁1/4跨截面弯矩mkN q y P m Mk k K cq ⋅=⨯+⨯⨯⨯⨯=Ω⋅+⋅⋅+=18.855)69.35875.766.3250(55.013.1)()1(ξμ 3号梁1/4跨截面弯矩mkN q y P m Mk k K cq ⋅=⨯+⨯⨯⨯⨯=Ω⋅+⋅⋅+=95.621)69.35875.766.3250(4.013.1)()1(ξμ (2、人群荷载作用下1号梁1/4跨截面弯矩m kN q m M r cr r ⋅=⨯⨯=Ω⋅⋅=83.8169.3525.2019.12号梁1/4跨截面弯矩m kN q m M r cr r ⋅=⨯⨯=Ω⋅⋅=98.4869。