甲醇的理化性质及危险、危害特性一览表
- 格式:doc
- 大小:83.00 KB
- 文档页数:2
甲醇的理化性质及危险特性(表-)甲醇的理化性质及危险特性 (表-)
危险特性:
1. 易燃性:甲醇是一种易燃液体,遇到火源或高温可能发生燃烧,需避免接触明火或高温物体。
2. 刺激性:甲醇具有刺激性气味,长时间接触可能对皮肤和眼睛造成刺激。
3. 高毒性:甲醇是一种有毒物质,吸入或摄入过量可能对人体产生严重的毒性作用,甚至导致中毒甚至死亡。
4. 爆炸性:甲醇可以与空气形成可燃混合物,在一定条件下可能发生爆炸,需避免与氧气或其他易燃物质接触。
5. 蒸气危险:甲醇蒸气具有一定的毒性,吸入过量可能导致呼吸困难、头晕、恶心等症状。
> 注意:以上内容仅为甲醇的基本理化性质及危险特性,并非详尽描述。
在使用或处理甲醇时,务必遵循安全操作规程,并参考确切的技术资料和法规。
醋酸甲酯一、性质醋酸甲酯作为一种新型的基本化工原料,具有一系列优良品质如低沸点、强溶解力、无公害等正逐步被用户认同青睐,用途极为广泛,市场使用量正逐年放大。
目前,粗醋酸甲酯(75%、92%)作为一种低端溶剂产品,已广泛被用户认同;精醋酸甲酯方兴未艾,使用领域及使用量逐步扩大,价格及使用量远远超过粗醋酸甲酯。
性能:1、能与大多数有机溶剂互溶,具有广泛的溶解力,溶解力强,能溶解丙烯酸类、乙烯基类、硝基纤维素类、环氧类、聚氨脂类、聚脂类、酚醛树脂类等。
2、性能稳定,挥发速度快,调配稀释剂时,在任何比例下使用都不会引起“烧胶”“发白”等现象,客户只需要根据自身需求调节溶剂挥发速度即可。
3、比丙酮具有更高的闪点和更高的防白性能,能更好的符合涂料、油漆工艺配方和用户的使用要求。
4、在需要使用低沸点挥发性有机溶剂的工艺配方中,可以取代乙酯和丙酮、丁酮的应用。
5、在聚氨酯鞋材可代替环戊烷、氟氯烃等,作为环保的发泡剂。
6、产品属环保产品,产品通过国际通标公司SGS环保认证,符合欧美ROHS指令。
技术参数1、理化性质无色透明液体,有香味,熔点-98.7℃,沸点57.8℃,密度0.92 ,相对蒸气密度(空气=1)2.55 ,蒸气压13.33 kPa(9.4℃),闪点-10℃,燃烧热1593.4 kJ/mol ,引燃温度454℃,爆炸上限16.0%(V/V),爆炸下限3.1 %(V/V),稳定性和反应活性稳定。
2、市场精醋酸甲酯(99.9%)质量指标二、概况醋酸甲酯主要用于医药、涂料、油墨、胶粘剂、皮革生产过程所需的有机溶剂,聚氨酯泡沫发泡剂,天那水等。
醋酸甲酯主要由醋酸和甲醇在催化剂的作用下的一个酯化反应。
也可以用合成气来制备,即完全是从CO+H2来完成。
醋酸甲酯的生产与乙酯等不同,因为他与水互溶,可不用催化剂,但须加溶剂转移水相。
PVA企业中有川维,山维,皖维,湘维有提纯生产醋酸甲酯,高纯度醋酸甲酯还是很经济的,低纯度醋酸甲酯还是看市场情况,如原材料价格,产品售价。
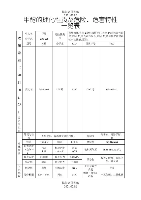
甲醇的理化性质及危险、危害特性一览表品名与类别中文名甲醇危险性类别易燃液体,类别2;急性毒性-经口,类别3*;急性毒性-经皮,类别3*;急性毒性-吸入,类别3*;特异性靶器官毒性-一次接触,类别1分子式CH3OH别名木精分子量32.04目录序号1022英文名Methanol UN号1230CAS号67-65-1理化性质外观与性状无色透明,有酒精刺激性气味。
溶解性溶于水,混溶于醇、醚熔点-97.8℃沸点64.8℃燃烧热727.0kJ/mol相对密度(空气=1)气态1.11相对密度(水=1)液态0.79饱和蒸气压13.33 kPa(21.2℃)临界温度240.0℃临界压力7.95MPa禁忌物酸类、酸酐、强氧化剂、碱金属稳定性稳定聚合危害不聚合火灾危险与消防燃烧性易燃引燃温度385℃火灾危险性类别甲类爆炸极限5.5~44.0﹪闪点11℃燃烧(分解)产物一氧化碳、二氧化碳最小点火能0.215mJ最大爆炸压力无资料危险特性易燃。
与空气能形成爆炸性混合物,遇明火、高热能引起燃烧、爆炸。
与氧化剂接触会发生化学反应或引起燃烧。
容器受热内部压力增大,有发生开裂、爆炸的危险。
其蒸气比空气重,能在较低处扩散到相当远的地方,遇明火会引着回燃。
灭火方法尽可能将容器从火场移至空旷处。
喷水保持火场容器冷却,直至灭火结束。
处在火场中的容器若已变色或从安全泄压装置中产生声音,必须马上撤离。
灭火剂:抗溶性泡沫、二氧化碳、干粉、砂土。
健康危害与防护工作场所职业接触限值(皮)mg/m3职业毒性危害等级侵入途径MAC:-PC TWA:25PCSTEL:50Ⅲ级,中度危害食入、吸入,经皮吸收健康危害对中枢神经有麻醉作用。
对视神经和视网膜有特殊选择作用,引起病变。
可致代谢性酸中毒。
急性中毒:短时大量吸入可能起急性中毒,出现眼及上呼吸道刺激症状。
经潜伏期后出现头痛、头晕、乏力、眩晕、醉酒感、意识月朦胧,甚至昏迷。
视神经及视网膜病变,可有视物模糊、复视等,重者失明。