(流程管理)某公司行政管理制度与作业流程
- 格式:doc
- 大小:173.50 KB
- 文档页数:44
公司管理制度流程表格模板
一、制度名称及编号
每项制度都需要有一个明确的名称和唯一的编号,便于区分和引用。
例如:“员工休假管
理制度 - HR-001”。
二、制度目的
简要说明制定此制度的目的,如“确保员工休假安排合理,保障工作效率与员工休息权利
相结合”。
三、适用范围
明确指出该制度适用的对象和范围,比如“适用于全体员工”或“适用于正式员工”。
四、管理职责
列出负责该制度执行的部门或个人,以及他们的职责。
例如,人力资源部负责审核休假申请,部门经理负责批准等。
五、流程步骤
详细描述制度的执行流程,包括每个步骤的具体内容、责任人、所需表单及相关说明。
例如:
1. 提交休假申请:员工需填写休假申请表,并提前一周提交给直属经理。
2. 审批休假申请:直属经理根据工作安排和员工请假理由审批申请,紧急情况可特殊处理。
3. 记录和备案:人力资源部收到批准的休假申请后,进行记录并在员工档案中备案。
4. 休假通知:人力资源部负责将休假安排通知相关部门和同事。
六、监督与考核
说明如何对制度执行情况进行监督和考核,以及对违反制度的处理措施。
七、附则
包括制度生效日期、修订记录、解释权归属等其他需要说明的事项。
八、相关文件和表单
提供制度执行过程中需要使用到的相关文件和表单的模板,如休假申请表、加班申请表等。
结语。
制度和流程的关系制度和流程的关系文件集合一)目前,很多企业开始重视流程管理,但在进行流程设计与再造时发现,流程用文字表述出来也是一种制度。
那么,加上原来制定的那些制度,就形成了两套制度,这不免使我们有些困惑:为什么会有制度管理和流程管理两种方式,二者之间的关系是什么,企业在运用流程管理时如何处理二者的关系呢?这是近两年,笔者对所在单位进行制度、流程梳理中遇到的很头痛的问题。
好在,勤能补拙。
在浏览了一些管理网站和研究了相关管理工具书之后,找出了制度与流程的区别所在,现整理如下,以飨诸位从事企业管理的博友,希望能对您的管理起到有效的借鉴作用。
一、制度和流程,是企业发展不同阶段的不同选择。
很多企业在创立之初没有制度,因为规模小、人员少,一切都在领导的掌控之中,凡事只要领导拍板就可以了。
当企业达到一定规模时,管理者无法亲自照看到企业的每一个角落,于是就有了制度。
而流程则是在制度的基础上,强调激发人的积极性与创造性,通过持续的改进,进而把事情做得更合理、效率更高、成本更低。
人人都晓得有个经典故事叫“和尚分粥”,说的是几个和尚住在庙里,天天要分一大桶粥,但是天天都不够分。
一开始抓阄决定谁来分粥,天天一轮,因而一圈下来,他们只有在自己分粥的那天是饱的。
后来推举XXX的人来分粥,因而强权产生了腐败,人人开始挖空心思去讨好他,出现了不正之风。
再后来组成分粥委员会,剩下的人组成分粥评审委员会,相互进犯扯皮下来,吃到嘴里的粥全是凉的。
最后想出的办法是轮流分粥,但分粥的人要比及其他人挑选完后,拿剩下的最后一碗。
为了不让自己吃到最少的,每一个人都尽量分得均匀,就算不完全公平,人人也只能认了,这个可行的办法就是所谓的“分粥制度”。
我们可以看到,按这个制度分粥和尚们固然相安无事,但也显然无益于团结。
比及下次又要分什么东西的时候,领导(主持)只好再制定出一个什么“制度”出来。
人人试想一下:如果按庙里和尚的人数定量下米做粥,粥做好了当前由指定的人用等量的分粥,再由相关的领导(主持)进行必要的监视,这样就形成了一个合理、顺畅的“分粥流程”,分粥也自然就变成了一件轻松容易的事情了。
公司业务流程管理制度一、引言随着企业规模的不断扩大,公司的业务流程变得更加复杂和庞大,为了提高运营效率、减少错误和风险,公司需要建立和执行一套有效的业务流程管理制度。
二、背景业务流程管理制度是指公司为了优化和规范业务流程而制定的一系列规章制度和流程文件。
其主要目的是确保各个环节的协调和高效运作,提高整体业务管理水平。
三、基本原则1.规范性原则:所有业务流程必须依照公司业务流程管理制度进行执行,切忌随意改动或跳过部分流程。
2.透明性原则:业务流程的执行过程应对所有相关人员透明,每个环节的责任和权限必须清晰明确。
3.持续改进原则:公司应不断总结经验和教训,修订和完善业务流程管理制度,以适应市场和内外环境的变化。
四、制度框架公司业务流程管理制度包括以下几个方面:1.流程规划在业务流程管理制度中,首先需要明确各个业务流程的范围和目标,以及各个环节的具体职责和执行流程。
同时,还要制定流程设计和改进的指导原则,确保流程的合理性和高效性。
2.流程文档化所有业务流程都需要有相应的文档化记录,包括流程图、工作指南、标准作业流程等。
这些文档可以帮助员工理解和执行业务流程,减少操作错误和失误。
3.流程执行与监控公司应建立严格的业务流程执行和监控机制,确保流程的有效执行和及时调整。
例如,可以通过建立审批流程、制定关键绩效指标等方式,对业务流程进行监控和评估。
4.流程优化公司定期对业务流程进行评估和优化,找出流程中的瓶颈和问题,并采取相应的措施进行改进。
同时,还应鼓励员工提出流程改进的建议,促进流程优化的持续性和全员参与性。
5.流程培训与培养为了确保业务流程的顺利执行,公司应定期进行业务流程相关的培训和培养。
培训内容可以包括流程执行要求、流程技巧和流程改进方法等,通过提高员工的流程意识和能力,提升整体的业务管理水平。
五、执行与监督公司业务流程管理制度的执行与监督是确保制度有效性的重要环节。
公司应指定专门的岗位或部门负责制度的执行和监督,并定期进行审核和评估,发现问题及时纠正。
为加强公司制度流程的管理工作,保证公司制度及流程的制定、执行、评估与修改的制度化、规范化,结合公司实际,制定本办法。
本办法所指制度,是指公司依据国家有关法律法规和上级部门的要求,结合公司实际情况制定的规范公司运营的规范性文件,主要有:制度、办法、规定、细则、规范等。
(一)制度是指针对某项专业管理而设立的管理规程,是调整专业管理关系,规范生产经营活动的基本准则,例如:财务管理制度、固定资产管理制度、技术管理制度等。
(二)办法是指为加强某一系统或者某类重要事项而制定的较全面、较综合性的法则,例如:管理办法、考核办法等。
(三)规定是指为加强某项具体工作,明确具体管理方式,提高工作质量及效率而制定的单一性条款,例如:管理规定、处罚规定、收费规定等。
(四)细则是指针对办法或者规定中的具体管理内容而制定的更细化、更具体、更具操作性的规则,例如:实施细则、评比细则、考核细则等。
(五)规范是指针对某项特定工作或者某种工作行为,制定的统一标准要求,例如:工作规范、验收规范、审查规范等。
流程是支持制度的文件,是对常规的、普遍性的、内容较固定的作业过程制定的规范和程序,对特定事项的运作过程的具体规定。
公司制度流程的编制工作要遵守以下原则:(一)遵从国家相关法律法规。
(二)制度流程精简高效原则。
(三)制度流程切实有效原则。
(四)衔接一致、互不冲突原则。
(五)适应公司发展战略,促进公司持续追求卓越,提升整体管理水平。
(六)符合公司章程及相关规定。
本办法合用于公司各子公司,机关各部门。
第二章机构与职责董事会是公司制度流程的最高决策机构,根据《公司章程》相关规定审批审核权限范围内的制度流程。
制度管理委员会为制度流程体系的管理机构,主要职责是组织建立健全公司制度管理体系,保证公司制度流程的制定、执行、评估与修改的制度化、规范化。
制度管理委员会下设办公室,办公室设在企业管理部。
企业管理部是公司制度流程的综合管理部门,负责在制度管理委员会的指导下组织协调公司制度流程制定、修订、审查,其主要职责是:(一)负责公司制度流程体系管理,编制下达公司制度流程制定、修订计划。
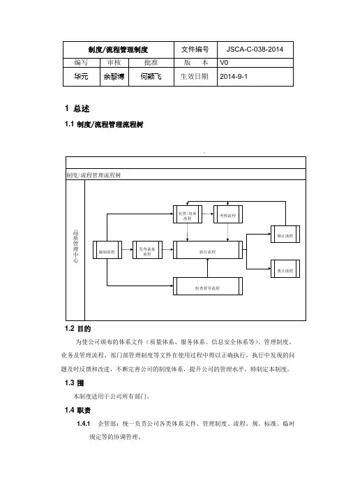
1 总述1.1 制度/流程管理流程树:1.2 目的为使公司颁布的体系文件(质量体系、服务体系、信息安全体系等)、管理制度、业务及管理流程、部门部管理制度等文件在使用过程中得以正确执行,执行中发现的问题及时反馈和改进,不断完善公司的制度体系,提升公司的管理水平,特制定本制度。
1.3 围本制度适用于公司所有部门。
1.4 职责1.4.1 企管部:统一负责公司各类体系文件、管理制度、流程、规、标准、临时规定等的协调管理。
1.4.2 各部门:明确本部门制度/流程建设要求和计划,并负责具体制度/流程的制定,涉及到跨部门的需要组织相关部门进行研讨,涉及到部门部的企管部仅备案及审核是否与公司规定冲突。
1.4.3 关联部门:提出修改和会签意见,并对执行中发现的问题及时进行反馈。
1.4.4 技术中心/企管部:负责基础标准、技术标准的管理。
1.4.5 人力资源部:负责工作标准(部门职责、岗位说明书、课程表等)的管理。
1.4.6 总裁办:负责行政公文的管理。
1.5 定义、分类及编号规则1.5.1 体系文件:在ISO9000系列、20000系列、27000系列的一、二、三级受控文件;分为一级文件、二级文件、三级文件;按相关体系文件编号规则编号。
1.5.2 受控管理制度、流程:在公司围执行的具有较大稳定性的管理规章;按职能分类,分为品质管理类、人力资源管理类、行政管理类、财务管理类、营销管理类、技术管理类、安全管理类、其它类1.5.3 临时规定:带有明显时间性的临时管理规章;按时间分类。
1.5.4 部门部管理制度:各部门自己制订或修订的仅在部门部执行的管理规章。
按部门分类。
1.5.5 标准:是重复性事物或概念所做的统一规定,以科学,技术和实践经验的综合成果为基础,经有关方面协商一致,由主管部门批准,以特定形式发布,作为共同遵守的准则和依据。
按属性分类,分为基础标准,技术标准,管理标准和工作标准;1.5.6 基础标准:在一定围作为其他标准的基础并普遍使用,具有广泛指导意义的标准。
公司主要管理制度服务流程
一、组织结构与职责划分
企业的组织结构应当清晰明确,各部门的职责划分要合理,确保每个员工都清楚自己的工
作职责和上下游协作关系。
例如,财务部负责资金管理,人力资源部负责员工招聘与培训,市场部负责产品推广等。
二、制度建设
企业需要建立一系列管理制度,包括但不限于:
1. 人力资源管理制度:明确招聘、培训、考核、晋升等流程。
2. 财务管理制度:规范资金流动、报销、审计等财务活动。
3. 运营管理制度:包括产品开发、市场营销、客户服务等流程。
4. 安全管理制度:确保生产安全、信息安全、员工健康安全等。
三、服务流程优化
服务流程是企业对外提供服务的核心,需要不断优化以提高效率和客户满意度。
例如:
1. 客户需求响应流程:从接收需求到反馈解决方案的时间要求。
2. 订单处理流程:从下单到交付的各个环节要求。
3. 售后服务流程:包括退换货、维修、客户咨询等服务标准。
四、信息化管理
利用信息技术提高管理效率,如使用ER系统进行资源规划,CRM系统管理客户关系,
OA系统处理日常办公事务等。
五、监督与评估
建立一套有效的监督机制和评估体系,定期对管理制度和服务流程进行检查和评价,确保
其有效性和适应性。
六、持续改进
根据内外部环境的变化,及时调整和完善管理制度和服务流程,保持企业的竞争力。
结语。
管理制度及业务流程管理办法第一章总则第一条为了加强西安君爱企业管理咨询有限公司管理制度及业务流程管理的程序化、规范化,结合实际,制定本管理办法第二条公司管理制度是公司员工在经营管理活动中须共同遵守的规定和准则的总称,其表现形式或组成包括组织机构设计、职能部门划分及职能分工、岗位工作说明,专业管理制度、业务流程、管理表单等管理制度类文件。
第三条公司实施管理制度及业务流程管理的目标是规范管理,统一业务流程标准,集中反映和逐级落实公司内部控制和风险管理要求,明确管理职责,达到“职责清晰、管理有序、精简高效、风险可控”的管理目的。
第四条本制度适用于公司经管层所有部门及人员。
第二章组织机构和职责范围第五条公司总经办(战略规划部)为公司管理制度及业务流程管理的主管部门,行政人事部配合总经办负责完善公司的相关管理制度及业务流程管理的工作,总经办(战略规划部)主要职责包括:(一)负责拟定公司经营与管理制度流程规划和方案拟定、推进管理制度及流程的组织协调与监督工作;(二)负责根据公司内部控制管理的需要,建立和完善公司层面的管理制度及业务流程管理相关规定;(三)负责对公司各部门(单位)制定的管理制度及业务流程内控有效性审查与评估;(四)负责业务流程方案的设计与维护;(五)指导参与公司各部门(单位)业务流程规范设计、专题改进研讨。
第六条公司各部门(单位)应按照业务分工,分级落实制度及业务流程管理责任,各部门(单位)负责人为所负责部门和业务的管理制度及业务流程负责人,其主要职责包括:(一)负责制订本部门(单位)内部管理制度及业务流程;(二)负责规范本部门(单位)主管业务的管理制度及业务流程,参与相关业务流程的设计和改进讨论;(三)负责本部门(单位)业务流程设计与优化,流程专题改进研讨;(四)负责本部门(单位)制度及业务流程的运行及管理等相关工作;(五)负责本部门(单位)流程的解释。
第七条跨部门或跨业务的制度及业务流程的编制,按照职责分工,由总经办(战略规划部)牵头组织,并与相关部门沟通协调,各部门应予以配合。
s公司管理制度及流程【16篇】5、迎宾过程中,负责楼层的主任应站在距主楼道5米处参加迎宾,在一楼的主任除自己参加迎宾外,还应检查迎宾小组人员的语言及礼仪规范。
6、迎宾曲播放完毕后,迎宾小组人员列队回原位解散,迎宾仪式结束。
五、迎宾仪式结束后,转入每天正常工作。
1、各零售部职工应坚持做到:①站位准确,站姿得体,面带微笑接待好每位顾客。
②没有顾客时主动整理商品及卫生。
③商品成交时应仔细开据小票,避免差错。
④做好个人销售记录。
⑤注意商品安全。
2、楼部主任每天的主要工作内容是:①按每周安排与人力资源部负责人一起搞好职工干部上下岗时间、在岗时间、岗位纪律、语言行为、站姿站位等情况的检查,做好记录,每周一班前会将检查情况进行公布。
②按每周安排与卫生领导小组负责人一起搞好卫生,商品摆布检查,做好记录,每周一班前会进行公布。
③与零售部一起做好售后服务工作,认真解决好顾客投诉问题。
④搞好现场巡视和现场指挥调度,发现问题及时解决。
⑤搞好职工出勤,请销假及离岗时间的登统工作,月底上报人力资源部审核后转财计部发放报酬。
⑥做好领导交办的其他各项工作。
六、楼部主任及各零售部职工在上午、中午、下午交接班时应互通情况,说明在办、待办事项及应注意的问题。
七、下午下班第一遍铃声响后,保安人员关闭前门,播音室播放送客曲,职工按指定地点自然站立,送别顾客。
主任应分楼层巡视职工自然站立送别顾客情况。
八、第二遍铃声响后,员工开始整理卫生,擦地板两遍。
一名主任在一楼前厅站立,视查三个楼梯口的顾客上下情况,检查职工有无早退,负责疏导顾客离店。
另一名主任在二、三楼负责巡视各零售部卫生整理情况。
九、第三遍铃声响后,各零售部清场离岗,在一楼的主任继续负责疏导顾客离店,目送职工离岗下班,另一名主任与保安一起从三楼往下清场,检查电源是否切断,门窗是否关好,隐患是否排除,顾客及职工是否已下楼离店,一至三楼清场完毕,主任与保安一起锁门,确认无误后离岗,当日工作结束。
岗位标准作业流程管理制度岗位标准作业流程管理制度是企业运营中不可或缺的一部分,它确保员工在各自岗位上能够按照标准流程进行工作,提高工作效率,确保工作质量。
以下是一个详细的岗位标准作业流程管理制度:一、总则本制度旨在规范员工在各自岗位上的工作流程,提高工作效率,确保工作质量。
它适用于公司内的各个岗位,包括生产、销售、管理、技术等。
二、岗位标准作业流程制定1.每个岗位的标准作业流程由部门负责人或相关专家制定,并经过公司领导审批后实施。
2.标准作业流程应包括岗位的主要工作内容、工作步骤、工作要求、工作标准等,需要详细具体,易于理解。
3.每个岗位的标准作业流程应定期更新和完善,以适应公司业务发展和变化,确保其始终符合实际需求。
三、岗位标准作业流程执行1.员工在岗位上工作时,应严格遵守标准作业流程,确保工作质量和效率。
2.员工在执行标准作业流程时,如遇到问题或困难,应及时向部门负责人或相关专家报告,以便及时解决问题。
3.员工在执行标准作业流程时,应注重团队合作和沟通,确保工作顺利进行。
同时,员工应努力提高自己的技能和素质,以满足标准作业流程的要求。
四、岗位标准作业流程监督与考核1.部门负责人或相关专家应对员工执行标准作业流程的情况进行监督和指导,确保流程得到严格执行。
2.公司领导应对员工执行标准作业流程的情况进行考核和评估,以确保工作质量和效率。
考核结果应与员工的绩效挂钩,以激励员工更好地按照标准作业流程工作。
3.对于违反标准作业流程的员工,应给予相应的处罚和纠正措施,以确保所有员工都能按照标准作业流程进行工作。
五、岗位标准作业流程培训1.新员工在入职时,应接受岗位标准作业流程的培训,以了解和熟悉本岗位的工作流程和要求。
2.员工在岗位变动或晋升时,也应接受相应岗位的标准作业流程培训,以适应新的工作要求。
3.定期的岗位标准作业流程培训,可以提高员工的技能和素质,确保员工能够按照标准流程进行工作。
六、岗位标准作业流程改进1.员工在工作中应积极提出对标准作业流程的改进建议,以优化工作流程,提高工作效率。
流程管理相关说明一、目的:企业运行流程中,流程质量决定企业的运行效率,也决定企业满足客户需求的能力,并最终决定企业的盈利能力。
通过制定规范的公司流程管理制度,确定参与流程者得职责,理顺公司流程编制程序与方法,从而加强公司对流程的控制管理,提高公司流程运行质量,最终达到不断提升客户满意度,提高企业竞争能力和盈利能力的目的. 二、流程主体:流程所有者:办公室主任。
流程承担者:流程管理专员。
流程协作者:各部门负责人及各级流程参与人员注:有关流程管理者、所有者、承担者及协作者的定义及解释详见“七、名词解释”三、使用范围:公司正常经营活动都使用本流程管理制度进行规范。
四、流程边界:信息输入:满意度调查、流程执行监督及质量审核结果信息输出:流程文件活动起点:发现流程编制与优化的需求活动终点:对流程执行进行执行监督及质量审核,并提出改善意见五、流程管理程序:5.1管理程序流程图5.2流程管理程序步骤5.2.1 流程需求公司各部门围绕客户满意原则与公司发展规划要求,根据日常流程执行工作的监督及审核结果,不断发现流程编制与优化的需求与机会,提出流程编制及优化的建议.5.2.2 流程编制办公室根据公司的业务模式及发展规划编制和优化优化公司整体流程体系结构,各部门在公司整体流程体系结构要求下,运用科学流程方法,依据客户满意原则及闭环原则,根据实际业务的特点,按公司流程统一格式编制和优化各主流程,并可进一步细分编制并优化子流程和操作流程。
5.2.3 审批及发文根据流程的不同层次,按以下权限对流程进行审核审批并发文。
公司各级流程都需由办公室在发文前进行审核,公司主流程再由公司总经理审批后发文,子流程及操作流程则由编制部门分管领导审批后发文。
5.2.4 流程培训审核通过后,由各流程所有者对流程各承担者及写作者进行培训,保证流程各主体都能理解流程执行应达到的效果、流程运行的规范步骤和流程考核的指标,以确保流程运行后能达到流程要求的效果。
管理规章制度为进一步强化企业管理,做到有章可循,充分发挥和调动每个员工的主观能动性,不断提高自身素质,做到奖罚严明,特制定本制度:总则公司员工行为规范一、忠实于公司,维护公司形象,认同公司经营理念。
二、具有高度的责任感和主人翁精神,维护公司利益,树立正确的价值观。
三、服从公司管理,全面履行职责,提高服务意识;具有高度的使命感。
四、遵纪守法,严于律已,宽以待人.五、顾全大局,精诚团结,充分发挥团队优势。
六、廉洁自律,克己奉公,不谋私利,公私分明.七、尊重客户,热情待人,提高沟通技巧,保持良好的客情关系。
八、积极参与市场建设,加强市场管理,掌握市场动态.九、工作勤奋,爱岗敬业,创新思维,开拓进取。
十、善于学习,不断提高,追求卓越.第一章销售工作制度1、努力打造“精诚、进取、担当、奉献、创新"的企业精神,有高度的责任感和强烈的敬业精神,对所担负的工作保证时效完成,不拖延、不积压,日事日毕、不断创新、敢于挑战。
2、严格遵守公司制定的各项规章制度,服从领导、积极配合,不得阳奉阴违或敷衍塞责,应忠实勤勉地执行职务。
如有不同意见或建议,应婉转相告或书面陈述,一经上级主管决定,应立即遵照执行.3、严守公司商业机密及个人职业道德,不做损害公司利益的事情,不得泄露业务或职务上的机密或假借职权、贪污舞弊、接受馈赠,或以公司名义在外招摇诈骗,一经发现根据公司相关制度严惩不怠,情节严重的追究其法律责任.4、重视学习,努力掌握业务知识,不断提高自身综合素质,精益求精,与公司同步发展.5、本着“合作双赢共同成长"的服务宗旨,对待客户热情周到,尽心尽力地提供满意的服务.认真分析市场动态,积极配合经销商建设好的网络和终端网络,使本市场覆盖率、占有率明显提高.6、积极配合经销商分解好逐月任务,确保全年任务完成和超额完成。
认真做好周、月度要货计划。
每个市场的营销人员在每月月底对所辖区的销售进行汇总分析,写出月度工作总结。
作业全流程管理制度一、前言随着经济的快速发展和科技的不断进步,各行各业对作业管理的要求也越来越高,作业全流程管理制度应运而生。
作业全流程管理制度是指企业在作业过程中,对全过程进行规范化、标准化管理,确保作业的顺利进行,提高作业效率,降低作业风险,从而实现企业的长期可持续发展。
二、作业全流程管理制度的概念作业全流程管理制度是指企业在进行作业过程中,从作业计划、作业安排、作业实施、作业监督、作业评估等环节进行全程管理,确保作业的高效、安全、质量、环保等方面的全面管理,达到企业作业目标的目的。
三、作业全流程管理制度的重要性1. 提高作业效率:作业全流程管理制度可以明确规定作业的流程、责任、权限和职责,确保作业过程的顺利进行,提高作业效率。
2. 降低作业风险:作业全流程管理制度可以对作业过程中可能存在的风险进行全面评估和控制,降低作业风险。
3. 提高作业质量:作业全流程管理制度可以监控作业过程中的关键环节,及时发现和纠正存在的问题,确保作业质量。
4. 保护环境:作业全流程管理制度可以对作业过程中可能对环境产生的影响进行评估和管理,有效保护环境。
5. 规范作业行为:作业全流程管理制度可以明确规定作业行为的标准和要求,规范作业人员的行为,确保作业过程的合规性和稳定性。
四、作业全流程管理制度的内容1. 作业计划:明确作业目标、作业范围、作业内容、作业时间和作业资源等,编制详细的作业计划。
2. 作业安排:确定作业的责任人、作业组织结构、作业职责和作业流程,确保作业的有序进行。
3. 作业实施:按照作业计划和作业安排,开展作业实施工作,确保作业的高效、安全和质量。
4. 作业监督:对作业过程中的关键环节进行监督和检查,确保作业的合规性和稳定性。
5. 作业评估:对作业结果进行评估和分析,及时发现作业中存在的问题,并加以改进和提升。
六、作业全流程管理制度的实施步骤1. 制定作业全流程管理制度的实施方案,明确实施的目标和任务,确定实施的时间表和计划。
业务部作业流程管理程序文件一、目的为了确保业务部的各项工作能够高效、有序地进行,提高工作质量和客户满意度,特制定本作业流程管理程序文件。
二、适用范围本程序文件适用于业务部所有员工在开展业务活动过程中的操作流程规范。
三、职责分工1、业务经理负责制定业务部的整体发展战略和目标。
监督和指导业务团队的工作,确保业务目标的达成。
协调与其他部门的合作与沟通。
2、业务主管协助业务经理进行团队管理和业务拓展。
分配具体的业务任务给业务人员,并跟踪任务进展。
处理客户投诉和问题,及时反馈给业务经理。
3、业务人员按照业务主管的安排,完成各项业务任务。
收集市场信息和客户需求,及时汇报给业务主管。
维护良好的客户关系,提高客户满意度。
四、业务流程1、客户开发业务人员通过各种渠道(如网络、展会、电话等)收集潜在客户信息。
对潜在客户进行筛选和分类,确定目标客户。
制定客户开发计划,包括拜访时间、方式和内容等。
2、客户拜访业务人员在拜访前,要充分了解客户的基本情况和需求。
准备好相关的资料和样品,以展示公司的产品和服务优势。
在拜访过程中,要与客户进行有效的沟通,了解客户的意见和建议,并及时记录。
3、客户需求分析业务人员将拜访收集到的客户需求信息进行整理和分析。
与业务主管和相关部门共同讨论,确定满足客户需求的方案。
4、报价与方案制定根据客户需求,制定详细的报价单和解决方案。
报价单和方案要经过业务主管和相关部门的审核,确保准确性和合理性。
5、合同签订与客户就报价和方案达成一致后,签订正式合同。
合同要符合法律法规和公司的规定,明确双方的权利和义务。
6、订单处理业务人员根据合同,下达订单给生产部门。
跟踪订单的生产进度,确保按时交付。
7、发货与物流安排货物的发货事宜,选择合适的物流方式。
及时通知客户发货情况和预计到达时间。
8、客户收款按照合同约定的付款方式,及时向客户催收款项。
对逾期未付款的客户,要进行催款并了解原因,采取相应的措施。
9、售后服务定期回访客户,了解客户使用产品或服务的情况。
流程管理制度第一章总则1.1.目的:为保证总公司各项业务、工作的规范、高效的开展,保障公司流程体系有效运行和持续改进,特制订本制度。
1.2.原则:1.2.1.规范性原则:各项业务流程流转清晰、各项流程应充分发挥对工作任务方向性、顺序指针的作用;各项流程符合公司管控要求,节点应责权分明、易于查找责任人。
1.2.2. 效率原则:流程各节点任务描述简明扼要、清晰易懂、便于分解、监控、评价。
流程节点设置精干,减少不必要的环节;流转线路设置要易操作,便于高效流转。
1.2.3.应变、持续改进原则:流程设置需配备特殊情况应变措施和特殊措施的适用条件,确保流程的持续有效运行;流程需定期评审,促使流程不断优化,使流程成为公司核心竞争力的有效载体之一。
1.3.适用范围:本制度适用于总公司所有流程的制定、运行和优化,以及流程运行中的各职能部门、各节点上的各工作人员。
1.4.组织管理1.4.1.各职能部门流程制定、优化、废止的终审权由总经理负责,必要时报请总经理办公会核准。
1.4.2.企业管理部负责流程的实施、指导、管理、监督和优化工作。
包括:制定、优化流程管理相关实施细则;指导各职能部门流程的执行落实、提供咨询与培训;监督、检查流程的执行情况,对违反流程管理的行为进行纠正与处罚;及时收集流程执行反馈,适时组织评估、优化、完善公司流程。
1.4.3.流程评审领导小组是流程审核优化的临时组织机构,由企业管理部负责牵头组织,公司其他各部门负责人及分管领导组成的跨部门工作小组,负责对各流程制定、运行、优化的必要性、可行性、符合性、适应性和绩效状况进行审核,发现问题,找出改进的方法。
1.4.4.各职能部门负责各业务相关流程草拟和执行落实、反馈,包括:本部门相关业务流程的建立健全、配套的表单的拟订、使用;汇报流程实施情况、反馈流程运行结果;对流程优化提出意见和建议,协助改进流程。
1.5.流程体系的构建:公司通过构建完整的流程,规范公司各项业务的运作;通过业务流程图各节点具体工作要求明确各部门在各项业务中的职责,确立各部门间协调、高效的配合关系。
曲靖工投大沟煤业有限公司煤矿企业管理规定第六部份工作流程和流程管理制度二〇一二年四月目录工作流程和流程管理制度 ........................................................................................................................................... - 1 -第一节安全生产管理隐患排查、流程检查闭合管理流程图 (1)第二节各部门岗位工作 (2)一、技术管理部门工作流程.............................................................................................................................. - 2 -二安全管理部门工作流程.............................................................................................................................. - 2 -三队长.............................................................................................................................................................. - 3 -四班长.............................................................................................................................................................. - 4 -五安全巡回员.................................................................................................................................................. - 4 -六工作面安全员(瓦检员).......................................................................................................................... - 5 -七放炮员.......................................................................................................................................................... - 6 -八调度员.......................................................................................................................................................... - 6 -九刮板机、皮带机司机.................................................................................................................................. - 7 -十绞车工.......................................................................................................................................................... - 7 -十一井下电工.................................................................................................................................................. - 7 -十二把钩工...................................................................................................................................................... - 8 -十三充电工...................................................................................................................................................... - 8 -十四炸药库管理人员...................................................................................................................................... - 9 -十五井口检身工.............................................................................................................................................. - 9 -十六采煤队...................................................................................................................................................... - 9 -十七掘进队.................................................................................................................................................... - 10 -第三节安全生产保障体系 (11)一、当班机构保障............................................................................................................................................ - 11 -二、绩效考核及奖惩制度保障........................................................................................................................ - 11 -三、会议保障.................................................................................................................................................... - 12 -四、检查制度保障............................................................................................................................................ - 13 -工作流程和流程管理制度第一节安全生产管理隐患排查、流程检查闭合管理流程图第二节各部门岗位工作一、技术管理部门工作流程1、技术管理部门工程质量进行日常现场技术指导、监督、检查;经常服务井下现场;2、对日常检查出的不合格处,下达限期整改通知书;5、月底按<工程质量检查评定标准>对全矿进行全月质量大检查,综合评定质量等级,并提出全月工程质量报告交劳资核算工资;等级检查点合格率优良品85%以上合格品75% --85%不合格品75%以下6、对采煤掘进工程,要制定相应的有针对性的作业规程,根据日常检查到的现场施工变化制定有针对性的补充安全技术措施,并全程监督执行情况。
规章制度工作程序作业指导书三者有何区别?
我认为规章制度是行政管理的规范;工作程序是工作的基本流程,它是一个基本工作走向,可以是一个粗糙的,可能会在具体的操作过程中仍然存在盲点;作业指导书才是工作中具体的、较强地...展开上述三者是在不同体系中的称呼。
在ISO进入中国之前,大家都把公司的各项规定称为规章制度。
后来引进ISO体系,体系将企业运行的各个主要环节称为要素(现在改称过程),并将支持企业运行的规定分为三个等级:手册、程序文件和作业指导书。
这三个等级的文件,称为体系文件,而以前的管理文件习惯上称为规章制度。
1、手册:是规定非常宏观的企业运作的各职能的分工,还包括质量
方针、目标等。
2、程序文件:是指导企业核心业务正常运行的指导文件,主要是跨
部门的业务和流程规定;
3、工作指导书:是部门内部的操作细则。
当程序文件没有涉及或程
序文件没有详细规定时,部门可以作内部操作的补充文件,这就是工作指导书。
4、规章制度,由于新建体系文件与原规章制度有很多重复和冲突,
所以很多企业逐步将规章制度的内容逐步作废,最后只剩下体系涉及较少的人事后勤类的和财务控制类的规章制度。
随着ISO体系标准的逐步完善,将来的体系文件必然覆盖公司全业务范围,老的规章制度的说法将不复存在。
规章制度就是对员工工作行为的一种约束、管理;工作程序就是把工作条理流程化;作业指导书就是在某项具体工作中的实际操作方法。
公司规章制也是个人定的,所以必然存在优缺点,自己也可根据实际工作情况改进、建议个更好的规章制度。
某公司行政管理制度和作业流程第一章人事管理一、公司人力资源规划二、招聘和录用三、培训四、考勤五、假期(一)请休假(二)假期规划六、奖惩七、考核八、核薪九、保险(一)社会统筹(二)商业十、人员流动(一)调动(二)辞职、辞退十壹、关联企业第二章行政管理一、礼仪纪律二、工作计划三、会议管理四、办公设备五、文书作业(一)打印(二)复印六、收发文七、用印八、文档(一)图书(二)专业资料(三)客户档案(四)办公文档九、访客接待十、办公用品十一、采购十二、固定资产十三、物业十四、公司福利十五、午餐第三章业务支持一、Internet主页二、文件档案管理三、商业秘密保护四、公共关系(一)司外(二)司内(三)投诉五、广告宣传****公司行政管理制度总纲****公司行政管理制度是公司管理的重要文件,其管理依据是《****公司管理制度》和《****公司员工守则》。
本制度由总经理、公司管理中心、行政部及各部门主管直线执行。
司职机构为公司行政部。
本制度的修改须经总经理核准;重大事项的更改须报执行董事或董事会核准。
第一章人事管理总则1.人事管理是公司“人才为本”价值的直接体现;2.人事管理以合法、平等为基准,以实绩导向、取优汰劣、赏罚分明为宗旨;3.人事管理以满足公司发展需要为核心目标。
一人力资源规划1.根据公司业务发展需要进行前瞻性人力资源计划;2.建立明确的人才标准、工作分析体系;3.短期人力资源计划由总经理核准,中长期人力资源计划报董事会核准;4.经核准后由总经理领导制定征用计划;5.行政部依据招聘计划执行招聘流程;6.建立公司人才库(全部应征人才简历),作为公司业务发展的储备。
人力资源规划流程二招聘和录用1.****公司各部门需招聘新员工时,应该按照公司标准文本《人员增补申请表》进行填写后上交公司行政管理部,由行政管理部上报公司总经理批准后,开始招聘程序。
2.各部门所需招聘的新员工,应该首先尝试公司内部人员调动,于公司内无合适人选或无法调动时,开始公司对外的招聘程序。
3.行政管理部对外的招聘方式能够采用:公司内部人才库寻觅、设摊招聘、登报广告征员等方式。
4.行政管理部于招聘前须将本公司用人计划、本次招聘人数、职位、要求等材料报政府有关劳动人事部门批准,方可拟稿登报或设摊招聘。
5.行政管理部负责应征人员资料的初审工作,且将合适的候选人材料转送录用部门审阅,且和其共同商定参加初试者人员名单。
6.初试由行政管理部主持,包括笔试和面试,同时填写《面试记录》和《初(复)试考核表》。
7.复试由行政管理部和录用部门共同主持,同时填写《面试记录》和《初(复)试考核表》。
8.录用建议由行政管理部和录用部门会同总经理共同作出,由行政部发放《聘用通知书》。
9.新进员工凭《聘用通知书》报到,应缴验以下材料:身份证复印件壹份、最高学历影印件,据此行政管理部建立《人事资料卡》,且由行政管理部保存且管理使用。
10.录用人试用期为三个月,试用满壹至二个月时,由行政管理部会同部门主管对试用员工按照公司员工考核体系进行壹次中期考核,若发现有任何不符合录用条件者,随时解聘。
届满后再进行正式考核。
(见公司考核关联表格)。
11.录用人试用期结束,成为公司正式员工,公司和之签定《劳动合同》且由公司行政人事部将《劳动合同》送至劳动监察部门进行见证,同时办理劳动人事档案关系的调动、三金等关联福利等事宜。
12.对公司高级管理人员的聘用由总经理或董事长直接签发任命书,然后由行政人事部和其签订聘用合同。
13.员工人事档案由行政部建立、保存且管理,必须准确、及时、保密。
14.员工人事档案包括:《应聘人员登记表》、履历、《面试考核表》、《录用通知书》、《承诺书》、《人事资料卡》、《劳动合同》、《年度IDA》、职务、工资计录。
招聘流程 能够 不能够三、培训1. 行政管理部负责综合协调各部门之训练计划,订立各项公司全年教育训练计划。
2. 行政管理部须督导实施教育训练计划,检讨各项训练情况且做效果分析。
3. 行政管理部负责收集、编订教育训练课件。
4. 行政管理部协同公司其他部门进行关联人员的业务培训。
5. 公司培训分为:新员工引导培训、于职培训(主管指导、于岗司内外、脱岗司内外)和主管培训等多种。
****公司迎新引导培训体系表培训流程执行人:行政部、各部主管 责任人:行政部 监督人:总经理执行人:行政部、各部主管 负责人:行政部四考勤1.英达仕公司每位员工于每壹正常工作时日,必须自行、准确打卡。
2.凡是漏打,错打卡者须于24小时内申请补办,经部门主管核定后报行政管理部。
3.公司员工出差,须填报出差申请单,经主管、总经理批准后须将申请单复印件壹份交行政管理部备查。
4.行政管理部将人员出差情况记入员工出勤情况表,出差期间之例假记入员工出勤资料表。
5.出差日期由行政管理部以公假记入员工出勤资料表。
6.如遇业务人员外出执办公务,须填写《外出登记表》且经主管核准后有效,通知行政管理部专职人员,作为考勤之依据。
7.员工于规定工作时制外继续工作者,须填写《加班申请表》且经本部门主管及行政管理部批准后方能够加班论,行政管理部负责加班人员之出勤考核。
8.行政管理部若发现申请加班人员无出勤记录,须向申请人部门核查,若无确凿证明,以作废论。
9.员工不得任意加班,行政管理部若发现无经主管核准之加班单,即使有考勤记录,也不将其视作加班。
10.员工按政府规定进行日常工作及休假,同时实行带薪或无薪假。
11.申请假期应于事前向本部门主管提出且报行政管理部核准,紧急事项于事后24小时内补申请。
12.假期的请休严格按照公司《管理制度》规定执行。
13.行政管理部监督公司员工于每工作日结束时填写且上交《工作时间控制表》且于每周二之前将公司员工上周所交《工作时间控制表》进行统计,制作成《周工作时间统计表》且上交总经理。
14.公司行政管理部执掌每月月底统计作业,汇集“出勤卡”、《周工作时间统计表》、《请假单》、《加班申请表》等关联记录,统计填制员工《出勤资料表》,交财务部计算工资之用,且入案备查。
对壹切不合制度之情事向有关主管提出处理意见,且填写《员工假期规划提示单》提交给公司员工。
15.行政管理部主办人若发现员工旷职达2日或超出2日者、请假超出规定期限者、出勤记录有弄虚作假或涂改毁坏者,应即时提请行政管理部主管核办。
考勤流程五假期(壹)请休假1.假,2.且于请假后24小时补填请假单。
3. 各部门主管因私或工作外出不论几天者,须提前三天填妥《请假申请单》,经行政管理部批签后,递交总经理批示,同时安排妥后续工作方可。
4. 普通员工因私或工作外出于二天之内者,须提前壹至二天填写请假单,由本部门主管批准,交行政管理部备案;若员工请假于二天之上者,于本部门主管允许后经总经理批示,交行政人事部备案。
5. 行政管理部于经办请假手续人员审查所附请假材料,病假者需附医院诊断证明,请产假、丧假者须附出生证明或死亡通知书,请假者须有充足理由。
请假/调休流程(二)假期规划六奖惩1.奖惩依据为公司《员工守则》2.公司各级主管均有提出奖惩的建议权3.行政部负责事实调查且方案总经理4.各级主管按公司权限行使奖惩5.各类奖惩由行政部执行6.各类奖惩须报备行政管理部备案,登记入《人事资料卡》奖惩流程1.考核管理是英达仕投资管理顾问公司管理的壹项重要内容,它的目的于于维持企业的良好秩序,更好地贯彻企业管理制度,完成计划指标和实现经济效益。
2.对司内各部门的管理情况及个人的行为活动制定统壹的规范作出合理的评判,激励先进,褒扬正气,有功则奖,有过则罚。
调动员工工作积极性,完成指标,提高工作效率。
3.英达仕公司对部门的考核,主要内容为费用情况、资金情况、业绩完成进展情况以及公司运作的规范及制度的执行情况;对员工的考核主要为业绩、品德和行为的执行情况。
4.于考核作业前,行政管理部须备妥员工之考勤、升迁、调动奖惩诸种资料作为壹般依据。
5.对部门考核壹般周期为半年壹次。
6.考核由直线上级主管执行行政部参和配合,亦可设立考核小组7.对公司员工的考核区分为月度、季度、年度考核,每月、季、年度底前5天内,行政管理部协同公司各部门主管对公司员工按照公司业绩指标体系,且结合员工IDE协议等关联指标,对员工月、季、年度工作情况进行考核,填写《考核记录表》,上报总经理。
8.考核结束后,行政管理部负责将考核等级反映于员工的奖惩和职位、薪资等级年度的相应调整。
考核流程1. 财务部根据《出勤资料卡》、《业绩奖金确认单》进行核薪2. 《出勤资料卡》由行政部统计提供3. 《业绩奖金确认单》由业务部统计提供4. 财务部汇总之薪资表报总经理核准5. 周考勤、奖惩发生薪资增减,依据公司《员工守则》核薪流程(一)社会统筹保险1.养老保险1.11.2养老保险办理流程2.医疗保险2.12.2医疗保险办理流程3.失业保险4.住房公积金(二)商业保险十人员流动(一)调动1.部门内员工岗位调动,由部门主管向行政部提出调动说明;听取行政部建议后决定;报备总经理;2.部门内主管岗位调动,由部门主管向行政部及上级主管提出调动说明,听取意见后决定;报备总经理;3. 部门级之上主管岗位调动,由总经理提出动议,听取有关建议后决定;报备执行董事; 4.调动由行政部发布调动令部门内员工调动流程部门内主管调动流程部门级之上主管调动流程(二)辞职 辞退按制度办理辞职手续,填写《离职申请书》,经有任免权限的主管批准后由行政管理部办妥移交手续且填写《移交接清单》后方得视为按正常手续辞职,行政管理部通知财务结算工资。
辞退和开除有任免权限的主管需解聘其任免范围内合同制员工的,应填写《解聘/开除通知书》,然后交行政管理部办理有关离职移交手续。
被解聘员工应办妥移交接手续,填写《移交接清单》后方得离职,同时由财务部结清工资。
无论以何种情况离开公司者,由行政管理部签发离职证明书,壹式二份,壹份交离职人,壹份留存行政管理部。
员工离职后,行政管理部须将离职人员各项手续、表单归档封存。
辞职交接流程十壹关联企业1.2.管理范围外方人员:请休假国内人员:招聘、录用、合同、考核、定薪、辞职、辞退3.4.各项管理之决定均须经董事长校核。
第二章行政管理壹礼仪纪律1.行政管理部负责对公司全体员工的礼仪、办公纪律、出勤、外出等事项的全面监督;2.行政部主管发现不当现象,可签发“提示单”以提示警告,且报备有关部门主管;3.行政部确认奖惩事实,可提请有关主管研究提出奖惩申请;4.对公司礼仪纪律现象,行政部和各部门主管均可直接向总经理提出提出。
二工作计划和方案没有计划的行为是无效率的行为。
公司强调对公司、部门、员工行为的计划性要求,用以明确和把握我们的工作方向,同时提高工作效率和工作效益。
因此,通过对计划体系的规定,且通过关联计划流程和计划表格的制作,实现工作计划的确立、执行和评估。