B风险点统计表
- 格式:docx
- 大小:48.94 KB
- 文档页数:7
各部门风险源(点)统计表填报单位(人员)盖章(签字):稽查局填报人:朱酃伟填报日期:2010年9月3日备注:此表要分单位和个人填报。
各科室以科室为单位填报一份(“岗位人员”栏不要填);各科室对个人填报的进行汇总并填报一份。
表格填列内容较多时,请另附表填写。
办公室风险源(点)统计表填报单位(人员)办公室盖章(签字): 填报人:邱小云填报日期:2010年8月31日备注:此表要分单位和个人填报。
各科室以科室为单位填报一份(“岗位人员”栏不要填);各科室对个人填报的进行汇总并填报一份。
表格填列内容较多时,请另附表填写。
各部门风险源(点)统计表填报单位(人员)办公室盖章(签字):填报人:邱小云填报日期:2010年8月31日炎陵县国税局各部门风险源(点)统计表填报单位(人员)盖章(签字):党委办公室填报人:游玉明填报日期:2010 年8月30日备注:此表要分单位和个人填报。
各科室以科室为单位填报一份(“岗位人员”栏不要填);各科室对个人填报的进行汇总并填报一份。
表格填列内容较多时,请另附表填写。
炎陵县国税局各部门风险源(点)统计表填报单位(人员)盖章(签字):党办填报人:游玉明填报日期:2010年8 月30日备注:此表要分单位和个人填报。
各科室以科室为单位填报一份(“岗位人员”栏不要填);各科室对个人填报的进行汇总并填报一份。
表格填列内容较多时,请另附表填写。
炎陵县国税局各部门风险源(点)统计表填报人:廖新文填报日期:2010年8月30日填报单位(人员)盖章(签字):监察室备注:此表要分单位和个人填报。
各科室以科室为单位填报一份(“岗位人员"栏不要填);各科室对个人填报的进行汇总并填报一份。
表格填列内容较多时,请另附表填写。
炎陵县国税局各部门风险源(点)统计表填报单位(人员)盖章(签字):监察室 填报人:廖新文 填报日期:2010年8月30 日备注:此表要分单位和个人填报。
各科室以科室为单位填报一份(“岗位人员”栏不要填);各科室对个人填报的进行汇总并填报一份。
1B.2 设备设施风险分级管控清单单位:汽机车间检查项目不符合标准情况及后果序号设备运行中振动、轴承温度、 压力应达到有 关标准的优良范围单位:汽机车间检查项目不符合标准情况及后果序号油泵振动、 轴承 温度、压力 附录 B (资料性附录)风险分级管控清单及风险点、危(wei )险源统计表管控措施培训教 育措施 检修工 艺规程工程技 术措施 在线监 测措 施、视 频监控 措施类型设施、部位、 场所、 区域管控措施培训教育措施 类型设施、 部位、场应急处 置措施 设备停 运、系 统隔离工程技 术措施 在线监 测措 施、视个体防 护措施 戴安全 帽;佩 戴耳塞油泵振动、 轴承温度、压力设备运行中振动、轴承温度、管理措 施 日常巡 检设备停 运、系 统隔离戴安全 帽;佩 戴耳塞 应急处置措施个体防护措施 交流油泵 管理措施 检修工 艺规程日常巡 检 评价 级别 评价 级别 管控 层级 管控 层级 风险分级责任 单位 风险分级责任 单位 可接受可接受责任人责任人设备损坏设备损坏 风险点风险点高备泵编号 标准标准编号 备注 名称名称 备注 名称 名称岗位岗位A21 112频监控 措施关标准的优良范围单位:汽机车间检查项目风险 不符合标准情标准分级 况及后果序号设备运行中振动、轴承温度、 压力应达到有 关标准的优良范围单位:汽机车间检查项目风险 不符合标准情分级 况及后果序号 措施在线监测措施、视频监控措施位岗停 系 离备 、隔 设 运 统全 佩 塞 安 ; 耳 戴 帽 戴工 程修 规 检 艺巡 常 检 日在线监测措施、视频监控措施坏损 备 设较大 机组跳闸、 轴瓦 风险 损坏 个体防 护措施戴安全 帽;佩 戴耳塞管控措施培训教育措施油泵振动、 轴承温度、压力 设施、 部 位、场 所、 区域设施、 部位 、 场所、 区域应急处置措施应急处置措施个体防护措施培训教育措施工程技术措施工程技 术 大机油箱管理措施 管理措施1 油箱油位 及时补 油检修工 艺规程日常巡 检 压力应达到有评价级别 评价级别 管控层级 管控 层级 责任 单位 责任 单位 可接受责任人责任人管控措施所、 区域 ±150mm EH 油泵风险点 风险点类型 类型 标准编号编号 车间备注 备注 名称名称 名称 名称2 级4313单位:汽机车间检查项目风险 不符合标准情标准分级 况及后果编号 类型设备运行中振设施、 部5 位、场标准的优良范所、 区域围单位:汽机车间检查项目不符合标准情况及后果编号 类型 措施设备运行中振动、轴承温度、 压力应达到有 关标准的优良范围单位:汽机车间不符合标准情况及后果设施、 部 6 位、场所、 区域管控措施培训教育措施 油泵振动、 轴承温度、压力 在线监 测措 施、视 频监控 措施在线监 测措 施、视 频监控 措施设备停 运、系 统隔离设备停 运、系 统隔离戴安全 帽;佩 戴耳塞 戴安全 帽;佩 戴耳塞应急处置措施应急处置措施 个体防护措施 个体防护措施 排烟风机培训教育措施 密封油泵工程技术措施 工程技 术 管理措施 管理措施 检修工 艺规程检修工 艺规程日常巡 检 日常巡 检 动应达到有关评价 级别 评价级别 评价 级别 管控 层级 管控 层级 管控 层级 风险分级责任 单位 风险分级 责任 单位 责任 单位 可接受可接受责任人责任人责任人检查项目 风机振动设备损坏设备损坏管控措施管控措施风险点 风险点风险点 序号 序号 标准标准备注 备注 名称名称 名称 名称备注 岗位岗位114工程技 管理措 培训教 个体防 应急处序号设备运行中振动、轴承温度、 压力应达到有 关标准的优良范围单位:汽机车间检查项目不符合标准情况及后果序号应达到有关标 准的优良范围, 且机组振动保 护装置完好并 投入。
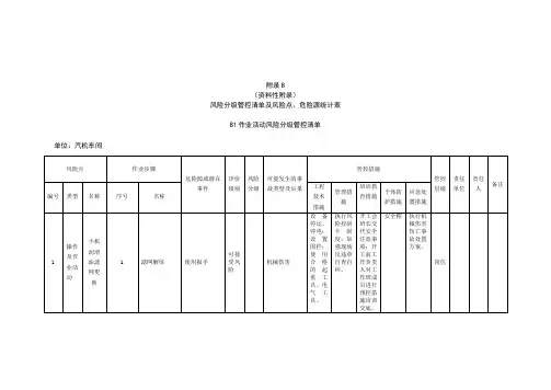
附录B
(资料性附录)
风险分级管控清单及风险点、危险源统计表
B1作业活动风险分级管控清单
单位:汽机车间
单位:汽机车间
单位:汽机车间
单位:汽机车间
单位:汽机车间
单位:汽机车间
单位:汽机车间
单位:汽机车间
单位:汽机车间
单位:汽机车间
单位:汽机车间
单位:汽机车间
单位:汽机车间
单位:汽机车间
单位:汽机车间
单位:汽机车间
单位:汽机车间
单位:汽机车间
单位:汽机车间
单位:汽机车间
单位:汽机车间
单位:汽机车间
单位:汽机车间
单位:汽机车间。
安全生产是企业发展的根本保障,而不同的生产环境中存在着各种潜在的安全生产风险点。
为了确保员工和企业财产的安全,及时辨识并统计安全生产风险点是十分必要的。
下面是对安全生产风险点进行辨识的结果统计表,以便企业对风险点进行有效管理和控制。
一、生产设备安全风险点统计1.1 设备损坏造成的安全隐患1.2 设备操作不当引发的安全事故1.3 设备老化导致的潜在安全隐患1.4 设备保养不到位引发的安全风险1.5 设备故障频发导致的安全隐患二、生产环境安全风险点统计2.1 作业场所狭窄引发的安全事故2.2 作业场地环境不良导致的安全隐患2.3 作业场所缺乏安全通道引发的安全风险2.4 作业场所杂物堆放不合理引发的安全隐患2.5 作业场地缺乏必要的安全设施导致的安全事故三、员工行为安全风险点统计3.1 员工操作不当引发的安全事故3.2 倦怠工作状态下的安全隐患3.3 违规操作导致的安全风险3.4 未经培训人员进行某些高风险操作3.5 对个人防护装备的佩戴不到位导致的安全隐患四、生产管理安全风险点统计4.1 安全生产管理制度不健全导致的安全隐患4.2 安全生产管理流程不完善引发的安全事故4.3 安全意识薄弱造成的安全隐患4.4 安全培训不到位导致的安全风险4.5 安全生产资料管理不规范引发的安全隐患五、其他安全风险点统计5.1 天气因素引发的安全事故5.2 紧急事故应急预案不完善引发的安全隐患5.3 厂区周边环境安全风险点统计5.4 特殊生产工艺引发的安全事故5.5 外部突发事件可能引发的安全隐患根据以上安全生产风险点辨识结果统计表,企业可以针对性地制定相应的安全管理措施和改进建议,以减少并控制安全生产风险点的发生,确保生产过程中的安全稳定。
企业也需要不断加强员工安全意识的培训和提升,加强安全生产管理,建立健全的安全生产管理制度,确保企业的持续发展及员工的身体健康与生命安全。
六、风险分析和对策建议根据上文所述的安全生产风险点统计表,我们可以进行进一步的风险分析以及提出相应的对策建议,以确保安全生产工作的顺利进行。
附录B
(资料性附录)
风险分级管控清单及风险点、危险源统计表
B.2 设备设施风险分级管控清单
单位:汽机车间
单位:汽机车间
1
单位:汽机车间
单位:汽机车间
2
单位:汽机车间
单位:汽机车间
单位:汽机车间
3
单位:汽机车间
单位:汽机车间
4
单位:汽机车间
单位:汽机车间
5
单位:汽机车间
单位:汽机车间
6
单位:汽机车间
单位:汽机车间
7
单位:汽机车间
单位:汽机车间
单位:汽机车间
8
单位:汽机车间
单位:汽机车间
9
单位:汽机车间
10
单位:汽机车间
单位:汽机车间
11
单位:汽机车间
12
单位:汽机车间
13
单位:汽机车间
单位:汽机车间
14
单位:汽机车间
单位:汽机车间
15
单位:汽机车间
单位:汽机车间
16。