工序交接验收记录表
- 格式:doc
- 大小:20.50 KB
- 文档页数:2
工程工序交接检查记录202404日期:2024年4月地点:工程现场参与人员:工程施工人员、监理人员、质检人员工序交接检查记录:1.前期准备工作的完善在工程施工开始前,要确保前期准备工作已经完成,包括项目方案的确定、施工图纸的编制、材料的准备等。
所有准备工作应进行记录,并与施工方负责人签字确认。
2.施工进度的检查检查施工进度是否按计划进行,包括工程图纸的完善、施工人员的到位、设备及材料的到位等。
如有偏差,应及时调整并记录调整方案。
3.施工现场的安全检查对施工现场进行安全检查,包括施工区域的围栏搭设、安全标识的设置、施工人员的安全防护措施等。
如发现存在安全隐患,应及时整改并记录整改过程。
4.施工质量的检查检查施工质量是否符合相关规范和标准,包括施工工艺的符合性、施工材料的合格性等。
如发现质量问题,应及时整改并记录整改过程。
5.施工资料的完善检查施工资料的完善性,包括工程量清单、施工记录、操作票等。
如发现缺失或错误,应及时补充或更正,并记录补充或更正过程。
6.施工过程的交底对施工过程进行交底,包括施工方案、施工工艺、施工顺序等。
交底内容应详细记录,交底人员和接受人员需签字确认。
7.施工现场的环境保护检查检查施工现场的环境保护措施是否到位,包括扬尘、噪声、污水排放等。
如发现不符合要求的情况,应及时整改并记录整改过程。
8.施工设备的维护检查检查施工设备的维护情况,包括设备的运行状况、设备的维护保养记录等。
如发现设备存在故障或维护不到位,应及时维修并记录维修过程。
9.施工人员的专业素质检查检查施工人员的专业素质是否符合要求,包括技术能力、安全意识等。
如发现问题,应及时进行培训或调整,并记录培训或调整过程。
10.施工进度的总结和分析对本次工序的施工进度进行总结和分析,包括进度偏差的原因、进度调整的方案等。
总结和分析结果应用于后续施工工作的调整和改进。
以上为工程工序交接检查记录的内容,记录过程中应详细、准确,并由相关人员签字确认。
智能系统工序交接检查记录表
2.本表由移交、接收和监理单位各保存一份;
施工记录也叫施工日记,是在建筑工程整个施工阶段的施工组织管理、施工技术等有关施工活动和现场情况变化的真实的综合性记录,也是处理施工问题的备忘录和总结施工管理经验的基本素材,是工程交竣工验收资料的重要组成部分。
其中施工日志可按单位、分部工程或施工工区(班组)建立,由专人负责收集、填写记录、保管。
上面是翰翰说设计为大家整理和收集在资料,希望给大家有帮助!!!。
工序交接验收记录表工序交接/验收记录表编号。
验收日期。
工程名称:安置区三标段14#楼验收工序名称:14#楼外墙抹灰下道工序名称:14#楼外墙外保温总包施工单位:XXX验收工序施工单位:XXX下道工序施工单位:XXX隐蔽/验收内容及检查情况:1.外墙抹灰部位完备情况:m22.外墙抹灰空鼓、裂缝及整改情况。
3.外墙抹灰砂浆强度情况。
4.其他情况。
验收结论:同意验收,下道工序可以施工。
验收未通过,该道工序须按照检查情况限天内整改完毕,整改完毕后再次验收。
参加验收人员签字:建设单位日期。
监理单位日期。
验收工序施工单位日期。
下道工序施工单位日期。
备注:本表为不同工序交接验收记录凭证,同时作为工序开始及完工时间凭证。
改写后的文章:本文是一份工序交接/验收记录表,记录了安置区三标段14#楼外墙抹灰工程的验收情况。
该工程由总包施工单位XXX 进行,验收工序施工单位也是XXX,下道工序施工单位是XXX。
在隐蔽/验收内容及检查情况方面,本文列出了以下四个方面:1.外墙抹灰部位完备情况:m22.外墙抹灰空鼓、裂缝及整改情况:3.外墙抹灰砂浆强度情况:4.其他情况:验收结论有两种选择:同意验收,下道工序可以施工。
验收未通过,该道工序须按照检查情况限天内整改完毕,整改完毕后再次验收。
最后,本文还列出了参加验收人员签字、建设单位日期、监理单位日期、验收工序施工单位日期和下道工序施工单位日期等信息。
需要注意的是,该表不仅是不同工序交接验收记录凭证,还是工序开始及完工时间凭证。
装饰工程施工工序交接表工程名称:XXXX装饰工程工程地点:XXXXXX地区施工单位:XXXX施工有限公司施工人员:XXXXX日期:XXXX年XX月XX日交接人:XXXXX交接时间:XXXX年XX月XX日序号| 工序名称| 完成情况| 备注---|-----|----|----1| 地面处理| 已完成| 无2| 墙面处理| 进行中| 需要注意防护3| 天花处理| 未开始| 需要等待其他工序完成4| 门窗安装| 已完成| 无5| 灯具安装| 未开始| 等待电气工程完成6| 家具安装| 进行中| 需要配合其他工序7| 空调安装| 未开始| 等待空调工程完成8| 卫生间装修| 已完成| 无9| 水电安装| 已完成| 无10| 清洁验收| 未开始| 需要等待所有工序完成交接人员:(签字)_____________ 日期:XXXX年XX月XX日接收人员:(签字)_____________ 日期:XXXX年XX月XX日备注:本表为施工工序交接表,用以记录工程施工中各个工序的完成情况和需要注意的问题。
在交接过程中,交接人员应负责将已完成的工序情况和需要注意的问题清晰地记录在表格中,并在交接人员和接收人员的签字确认下完成工序交接。
接收人员应认真核对交接表内容,确保所有交接工序符合相关施工标准和要求。
如有问题或需要整改的地方,应及时与施工单位协商解决。
同时,接收人员需在接收工序交接表后,妥善保管相关资料,以备后期施工验收和结算使用。
以上是关于装饰工程施工工序交接表的具体内容,希望对您有所帮助。
如果还有其他问题,欢迎随时联系我们。
祝工程顺利进行,圆满完成!。
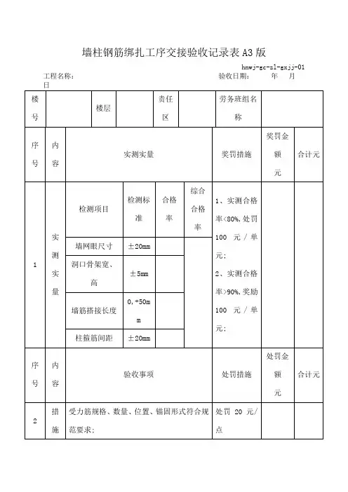
墙柱钢筋绑扎工序交接验收记录表A3版hnwj-gc-zl-gxjj-01 工程名称:验收日期:年月本表一式三份,施工主管、质量主管、商务主管各留存一份;梁板钢筋绑扎工序交接验收记录表A3版hnwj-gc-zl-gxjj-02工程名称:验收日期:年月本表一式三份,施工主管、质量主管、商务主管各留存一份;墙柱模板工序交接验收记录表A3版hnwj-gc-zl-gxjj-03工程名称:验收日期:年月本表一式三份,施工主管、质量主管、商务主管各留存一份;梁板模板工序交接验收记录表A3版hnwj-gc-zl-gxjj-04工程名称:验收日期:年月本表一式三份,施工主管、质量主管、商务主管各留存一份;混凝土工序交接验收记录表A3版hnwj-gc-zl-gxjj-05工程名称:验收日期:年月本表一式三份,施工主管、质量主管、商务主管各留存一份;砌体工序交接验收记录表A3版hnwj-gc-zl-gxjj-06工程名称:验收日期:年月本表一式三份,施工主管、质量主管、商务主管各留存一份;二次构件工序交接验收记录表A3版hnwj-gc-zl-gxjj-07工程名称:验收日期:年月本表一式三份,施工主管、质量主管、商务主管各留存一份;抹灰工序交接验收记录表A3版hnwj-gc-zl-gxjj-08 工程名称:验收日期:年月本表一式三份,施工主管、质量主管、商务主管各留存一份;水泥地面工序交接验收记录表A3版hnwj-gc-zl-gxjj-09 工程名称:验收日期:年月本表一式三份,施工主管、质量主管、商务主管各留存一份;楼梯水泥地面工序交接验收记录表A3版hnwj-gc-zl-gxjj-10 工程名称:验收日期:年月本表一式三份,施工主管、质量主管、商务主管各留存一份;外墙抹灰工序交接验收记录表A3版hnwj-gc-zl-gxjj-11工程名称:验收日期:年月本表一式三份,施工主管、质量主管、商务主管各留存一份;外墙保温板安装工序交接验收记录表A3版hnwj-gc-zl-gxjj-12工程名称:验收日期:年月本表一式三份,施工主管、质量主管、商务主管各留存一份;外墙保温抹面砂浆工序交接验收记录表A3版hnwj-gc-zl-gxjj-13工程名称:验收日期:年月本表一式三份,施工主管、质量主管、商务主管各留存一份;屋面找坡层、找平层工序交接验收记录表A3版hnwj-gc-zl-gxjj-14 工程名称:验收日期:年月本表一式三份,施工主管、质量主管、商务主管各留存一份;屋面防水层工序交接验收记录表A3版hnwj-gc-zl-gxjj-15 工程名称:验收日期:年月本表一式三份,施工主管、质量主管、商务主管各留存一份;屋面保护层工序交接验收记录表A3版hnwj-gc-zl-gxjj-16 工程名称:验收日期:年月本表一式三份,施工主管、质量主管、商务主管各留存一份;屋面瓦面工序交接验收记录表A3版hnwj-gc-zl-gxjj-17 工程名称:验收日期:年月本表一式三份,施工主管、质量主管、商务主管各留存一份;屋面细部构造工序交接验收记录表A3版hnwj-gc-zl-gxjj-18 工程名称:验收日期:年月本表一式三份,施工主管、质量主管、商务主管各留存一份;涂饰工序交接验收记录表A3版hnwj-gc-zl-gxjj-19 工程名称:验收日期:年月本表一式三份,施工主管、质量主管、商务主管各留存一份;地下卷材防水层工序交接验收记录表A3版hnwj-gc-zl-gxjj-20 工程名称:验收日期:年月本表一式三份,施工主管、质量主管、商务主管各留存一份;室内防水基层工序交接验收记录表A3版hnwj-gc-zl-gxjj-21 工程名称:验收日期:年月本表一式三份,施工主管、质量主管、商务主管各留存一份;室内防水层工序交接验收记录表A3版hnwj-gc-zl-gxjj-22 工程名称:验收日期:年月本表一式三份,施工主管、质量主管、商务主管各留存一份;室内防水保护层工序交接验收记录表A3版hnwj-gc-zl-gxjj-23 工程名称:验收日期:年月本表一式三份,施工主管、质量主管、商务主管各留存一份;外架工序交接验收记录表A3版hnwj-gc-zl-gxjj-24 工程名称:验收日期:年月本表一式三份,施工主管、质量主管、商务主管各留存一份;。
标高交接记录编号:2017-09-02工序交接检查记录(水电-抹灰)主体结构四天一层逐日施工计划时间人员内容移交班组签名接收班组签名施工人员签名时间第一天测量员天亮前放线结束,确保工人正常施工。
;钢筋工电渣压力焊墙柱钢筋结束,绑扎墙柱钢筋结束、垫好保护层;砼工凿毛、清理砼渣、浇水养护板面砼和墙柱砼;水电、消防墙柱水电、消防线盒、线管布置结束。
第二天钢筋工通知监理和开发商验收墙柱钢筋,办理好签字验收手续;铝模安装墙柱铝模板安装、加固、调直完成,板面安装完成30%;砼工浇水养护板面砼和墙柱砼。
第三天铝模安装上午完成铝模板面安装,钢筋工上午上梁板钢筋,下午开始绑扎水电安装铺设水电管线结束。
砼工浇水养护板面砼,墙柱模下脚用水泥砂浆做好斜角。
第四天钢筋工上午绑扎板面上层钢筋结束,清理剩余钢筋,组织验收,办理签字的验收手续,下午浇砼时安排专人值班。
铝模安装上午吊模结束,楼面模板第二次调平,验收墙柱模板垂直度和平整度,下午浇砼时安排专人值班,复查墙柱垂直度、平整度和楼面模板第三次调平。
砼工上午接泵管,搭设操作人员走桥,做好浇砼准备工作,下午浇墙柱梁板砼。
水电安装上午通知监理和开发商验收预埋好的水电管,下午浇筑砼时安排专人值班。
备注1项目部征求各班组意见后,编排的四天一层施工计划,希各班组认真对待,严格执行以上逐日施工计划,按照此施工计划只能提前不能拖后,拖延半天罚款500元,拖延1天罚款1000元。
2各施工员、栋号长,在保证质量的同时,确保工程进度,狠抓过程控制,严格执行验收和验收移交手续。
3此表既是施工计划表,亦是工序验收移交表,各施工班组完成每单项工程后,由施工员或栋号长现场组织双方班组验收签字移交,到时间未移交、未签字的班组参照第一条给予罚款。
混凝土浇筑令编号:GDXQ-HZBUY- 20170919注明:浇筑时间以施工单位计划开始浇捣时间为准,超过签署时间超过24小时未浇筑的,需从新签署浇捣令,否则视为违规操作,项目将根据情节进行经济处罚。
工序交接检查记录(通用)
□□□□□□□
工序交接检查记录(通用)
□□□□□□□
表C5-0-4
工序交接检查记录(通用)
□□□□□□□
表C5-0-4
工序交接检查记录(通用)
□□□□□□□
表C5—0-4
工序交接检查记录(通用)
□□□□□□□
表C5—0-4
工序交接检查记录(通用)
□□□□□□□
表C5-0-4
工序交接检查记录(通用)
□□□□□□□
表C5—0-4
工序交接检查记录(通用)
□□□□□□□
表C5-0—4
工序交接检查记录(通用)
□□□□□□□
表C5—0-4
工序交接检查记录(通用)
□□□□□□□
表C5-0—4
工序交接检查记录(通用)
□□□□□□□
表C5-0-4
工序交接检查记录(通用)
□□□□□□□
表C5—0-4
工序交接检查记录(通用)
□□□□□□□
表C5—0-4
工序交接检查记录(通用)
□□□□□□□
表C5-0-4
工序交接检查记录(通用)
□□□□□□□
表C5-0-4
工序交接检查记录(通用)
□□□□□□□
表C5—0—4
工序交接检查记录(通用)
□□□□□□□
表C5-0-4
工序交接检查记录(通用)
□□□□□□□
表C5—0-4
工序交接检查记录(通用)
□□□□□□□
表C5—0-4
工序交接检查记录(通用)
□□□□□□□
表C5-0-4
工序交接检查记录(通用)
□□□□□□□。
交接检查记录
说明
1、本表适用于不同施工单位之间的移交检查,不同工序之间交接应填写《工序交接检查记录》,不使用本表。
2、移交单位、接收单位、见证单位共同对移交工程进行验收,并对质量情况、遗留问题、工序要求、注意事项、成品保护等进行记录。
3、“见证单位"的规定:当在总包范围内的分包单位之间移交时,见证单位应为“总包单位”;当在总包单位和其他专业分包单位之间移交时,见证单位应为“监理(建设)单位”。
4、填写要求内容真实、语言简练、字迹清楚.
5、本表一式四份,施工单位、监理单位、建设单位、城建档案馆各一份.。