【CN209516103U】一种新型连接器液冷结构【专利】
- 格式:pdf
- 大小:859.21 KB
- 文档页数:10
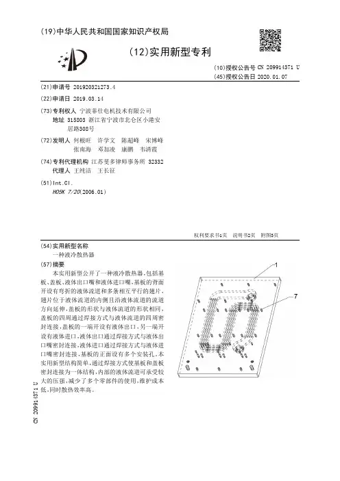
(19)中华人民共和国国家知识产权局(12)实用新型专利(10)授权公告号 (45)授权公告日 (21)申请号 201920321273.4(22)申请日 2019.03.14(73)专利权人 宁波菲仕电机技术有限公司地址 315803 浙江省宁波市北仑区小港安居路308号(72)发明人 何根旺 许学文 陈超峰 宋博峰 张南海 邓加凌 康鹏 韦清霞 (74)专利代理机构 江苏斐多律师事务所 32332代理人 王纯洁 王长征(51)Int.Cl.H05K 7/20(2006.01)(54)实用新型名称一种液冷散热器(57)摘要本实用新型公开了一种液冷散热器,包括基板、盖板、液体出口嘴和液体进口嘴,基板的背面开设有弯折的液体流道和多条相互平行的翅片,翅片位于液体流道的内侧且沿液体流道的流道方向延伸,盖板的形状与液体流道的形状相同,盖板的四周通过焊接方式与液体流道的四周密封连接,盖板的一端开设有液体出口,另一端开设有液体进口,液体出口通过焊接方式与液体出口嘴密封连接,液体进口通过焊接方式与液体进口嘴密封连接,基板的正面设有多个安装孔。
本实用新型结构简单,通过焊接方式使基板和盖板密封连接为一体结构,内部的液体流道可承受较大的压强,减少了多个零部件的使用,维护成本低,同时散热效率高。
权利要求书1页 说明书2页 附图3页CN 209914371 U 2020.01.07C N 209914371U权 利 要 求 书1/1页CN 209914371 U1.一种液冷散热器,其特征在于,包括基板、盖板、液体出口嘴和液体进口嘴,所述基板的背面开设有弯折的液体流道和多条相互平行的翅片,多条相互平行的翅片位于所述液体流道的内侧且沿液体流道的流道方向延伸,所述盖板的形状与所述液体流道的形状相同,所述盖板的四周通过焊接方式与所述液体流道的四周密封连接为一体结构,所述盖板的一端开设有液体出口且该液体出口与液体流道连通,另一端开设有液体进口且液体进口与液体流道连通,所述液体出口通过焊接方式与液体出口嘴密封连接,所述液体进口通过焊接方式与液体进口嘴密封连接,所述基板的正面设有多个安装孔。
专利名称:一种充电用的液冷端子散热结构专利类型:实用新型专利
发明人:杜青林,徐文军,杨腾,肖飞,胡生
申请号:CN202122363620.X
申请日:20210928
公开号:CN216268721U
公开日:
20220412
专利内容由知识产权出版社提供
摘要:本实用新型涉及充电连接器技术领域,具体指一种充电用的液冷端子散热结构,包括具有液流通道的套筒、连接于所述套筒的铜排、插接于铜排内的导芯,所述导芯呈圆柱状其一端部通过压接工艺直接连接于插接管的内端面,能够将充电过程中产生的热量实时传递给导芯,所述导芯整个浸没在冷却液中以增加了冷却浸没面积,导芯的热量与冷却液进行实时的热交换,冷却液经液冷管循环到外部降温,能够很好的解决压接区域的散热问题。
申请人:深圳市沃尔新能源电气科技股份有限公司,深圳市沃尔核材股份有限公司
地址:518118 广东省深圳市坪山区坪山街道兰景北路沃尔工业园三期厂房六楼
国籍:CN
更多信息请下载全文后查看。
(19)中华人民共和国国家知识产权局(12)实用新型专利(10)授权公告号 (45)授权公告日 (21)申请号 201920264513.1(22)申请日 2019.03.03(73)专利权人 江西华立源锂能科技股份有限公司地址 343000 江西省吉安市吉州区工业园区发展大道旁(72)发明人 陈海辉 (51)Int.Cl.H01M 10/613(2014.01)H01M 10/6551(2014.01)H01M 10/6554(2014.01)H01M 10/6556(2014.01)H01M 10/6568(2014.01)H01M 2/10(2006.01)(54)实用新型名称一种18650型锂电池冷却装置(57)摘要本实用新型公开了一种18650型锂电池冷却装置,包括散热铝板,所述散热铝板的内部安放有18650型锂电池组,且散热铝板的顶部螺纹连接有螺丝,并且散热铝板的两侧焊接固定有冷却液循环管,所述冷却液循环管的外圈固定连接有散热翅片,且冷却液循环管的左侧顶部连接有进液口,并且进液口的左侧固定连接有橡胶圈,所述冷却液循环管的右侧顶部连接有出液口。
该18650型锂电池冷却装置采用冷却液循环管和散热翅片的结构,能够有效地增加18650型锂电池组的散热面积,从而能够提高冷却效果,且利用出液口和进液口的结构设计,使得能够装置能够任意组装连接,从而能够根据18650型锂电池实际数量使用情况进行相应变化。
权利要求书1页 说明书3页 附图2页CN 209515931 U 2019.10.18C N 209515931U权 利 要 求 书1/1页CN 209515931 U1.一种18650型锂电池冷却装置,包括散热铝板(7),其特征在于:所述散热铝板(7)的内部安放有18650型锂电池组(3),且散热铝板(7)的顶部螺纹连接有螺丝(6),并且散热铝板(7)的两侧焊接固定有冷却液循环管(1),所述冷却液循环管(1)的外圈固定连接有散热翅片(2),且冷却液循环管(1)的左侧顶部连接有进液口(5),并且进液口(5)的左侧固定连接有橡胶圈(4),所述冷却液循环管(1)的右侧顶部连接有出液口(8)。
(19)中华人民共和国国家知识产权局(12)实用新型专利(10)授权公告号 (45)授权公告日 (21)申请号 201920539030.8(22)申请日 2019.04.19(73)专利权人 深圳巴斯巴科技发展有限公司地址 518000 广东省深圳市坪山新区坪山大工业区兰竹东路8号同力兴工业厂区1号厂房1-3层(72)发明人 徐平安 林培燕 黄建芳 林国军 (74)专利代理机构 深圳市精英专利事务所44242代理人 王文伶(51)Int.Cl.B60L 53/302(2019.01)H01R 13/405(2006.01)H01R 13/502(2006.01)H01R 13/627(2006.01)H01R 13/629(2006.01)(54)实用新型名称一种螺旋式连接器液冷结构及连接器(57)摘要本实用新型公开了一种螺旋式连接器液冷结构及连接器,所述螺旋式连接器液冷结构包括胶芯以及密封穿设于胶芯内用于与线缆连接的插孔端子,所述插孔端子的外周设有用于冷却介质流动的螺旋槽,所述胶芯的后端设有分别与螺旋槽的两端连通的进液孔和出液孔;所述胶芯与插孔端子之间设有套装于插孔端子外的铝套,所述铝套上在对应进液孔和出液孔的位置处均设有穿孔;所述插孔端子的外周还套设有两个分别置于所述螺旋槽两端外侧的第一密封圈,所述第一密封圈的外周与所述铝套的内壁抵接。
本实用新型结构的散热性能良好,并具有结构简单、紧凑、安全可靠和组装方便的特点。
权利要求书2页 说明书5页 附图9页CN 209921090 U 2020.01.10C N 209921090U权 利 要 求 书1/2页CN 209921090 U1.一种螺旋式连接器液冷结构,其特征在于,包括胶芯以及密封穿设于胶芯内用于与线缆连接的插孔端子,所述插孔端子的外周设有用于冷却介质流动的螺旋槽,所述胶芯的后端设有分别与螺旋槽的两端连通的进液孔和出液孔;所述胶芯与插孔端子之间设有套装于插孔端子外的铝套,所述铝套上在对应进液孔和出液孔的位置处均设有穿孔;所述插孔端子的外周还套设有两个分别置于所述螺旋槽两端外侧的第一密封圈,所述第一密封圈的外周与所述铝套的内壁抵接。
(19)中华人民共和国国家知识产权局(12)发明专利申请(10)申请公布号 (43)申请公布日 (21)申请号 201710480744.1(22)申请日 2017.06.22(71)申请人 中航光电科技股份有限公司地址 471003 河南省洛阳市高新技术开发区周山路10号(72)发明人 谢地 冯亚利 马乐 (74)专利代理机构 郑州睿信知识产权代理有限公司 41119代理人 胡伟华(51)Int.Cl.F16L 37/28(2006.01)F16K 17/06(2006.01)F16K 17/164(2006.01)F28F 11/02(2006.01)F28F 27/00(2006.01)(54)发明名称一种液冷系统及其快速接头母接头(57)摘要本发明涉及一种液冷系统及其快速接头母接头。
所述液冷系统包括冷却模块,冷却模块上设置快速接头母接头,所述快速接头母接头包括筒状壳体,筒状壳体内安装有密封杆,筒状壳体的插接端与密封杆之间活动安装有密封环,所述密封杆沿轴向可移动的装配在筒状壳体内,筒状壳体内还安装有两端分别作用在密封杆和密封环上而使密封环保持在封堵密封杆与筒状壳体之间的间隙的位置处的压簧,密封杆在内部液体压力大于设定值时克服压簧作用力而向外移动并解除与密封环的密封配合关系。
本发明中的快速接头母接头可以在冷却模块内部压力升高时通过密封杆的轴向移动实现自动泄压,防止冷却模块因超压而撑破,进而提高液冷系统的使用寿命。
权利要求书1页 说明书4页 附图2页CN 109114341 A 2019.01.01C N 109114341A1.一种快速接头母接头,包括筒状壳体,筒状壳体内安装有密封杆,筒状壳体的插接端与密封杆之间活动安装有密封环,其特征在于:所述密封杆沿轴向可移动的装配在筒状壳体内,筒状壳体内还安装有两端分别作用在密封杆和密封环上而使密封环保持在封堵密封杆与筒状壳体之间的间隙的位置处的压簧,密封杆在内部液体压力大于设定值时克服压簧作用力而向外移动进而解除与密封环的密封配合关系。
专利名称:一种液冷散热服务器结构专利类型:实用新型专利
发明人:田锋,李强,孟鑫东
申请号:CN201920707599.0
申请日:20190516
公开号:CN210008148U
公开日:
20200131
专利内容由知识产权出版社提供
摘要:本实用新型提供了一种液冷散热服务器结构,包括:整体化液冷冷板以及处理器,其中,至少两个处理器上安装有一个整体化液冷冷板。
本实用新型通过对服务器的散热结构进行设计,将散热结构中的液冷冷板结构进行整合,形成整体化液冷冷板,并且在一个整体化液冷冷板上的两个处理器之间设置一个冷却液入口和一个冷却液出口,在降低冷板数量的同时,降低冷却液进出口数量,提高了液冷服务器散热效率,降低漏液风险效果。
申请人:长城超云(北京)科技有限公司
地址:100176 北京市大兴区北京经济技术开发区地盛北街1号院18号楼二层201室
国籍:CN
代理机构:北京市盛峰律师事务所
代理人:于国栋
更多信息请下载全文后查看。
专利名称:一种液体冷却装置专利类型:实用新型专利
发明人:周琼玉,周斌祖,阮全胜申请号:CN201921841527.1申请日:20191029
公开号:CN211234039U
公开日:
20200811
专利内容由知识产权出版社提供
摘要:本实用新型涉及一种液体冷却装置,包括:进水机构、冷却板、出水机构及鼓风机,若干所述冷却板水平设置在所述进水机构及所述出水机构之间,并与所述进水机构及所述出水机构连接,所述鼓风机与所述冷却板相对,水从进水机构进入,进过所述冷却板,从所述出水机构流出,所述鼓风机向所述冷却板鼓风进行冷却,所述冷却板包括板主体及蛇形管,所述蛇形管设置在所述板主体上,所述板主体呈水平设置,所述蛇形管一端与所述进水机构连接,所述蛇形管另一端与所述出水机构连接。
本实用新型所述的液体冷却装置,设置冷却板,增大蛇形管的导热面积,从而更好地对液体进行冷却。
申请人:德萨智能科技(武汉)有限公司
地址:430056 湖北省武汉市经济技术开发区5R地块泰合百花公园翠苑2栋1层6号
国籍:CN
代理机构:武汉智嘉联合知识产权代理事务所(普通合伙)
代理人:易贤卫
更多信息请下载全文后查看。
专利名称:用于液冷式电气装置的连接部件和液冷式电气装置专利类型:实用新型专利
发明人:佩尔蒂·塞韦基维,尼科·比约克曼
申请号:CN201820416134.5
申请日:20180326
公开号:CN208402303U
公开日:
20190118
专利内容由知识产权出版社提供
摘要:本实用新型涉及一种用于液冷式电气装置的连接部件和一种液冷式电气装置。
连接部件(20)由具有第一通道(25)和第二通道(26)的长形本体(21)构成。
第一通道从本体的第一端部(21A)轴向延伸至本体的第二端部(21B),并且由两部分构成。
具较大直径(D1)的第一部分(25A)从第一端部延伸一定距离(L2)而至本体内的接合点(P1),具较小直径(D2)的第二部分(25B)从第二端部延伸至接合点。
第一部分适于被推到电气装置(10)的内部液体回路的联接部件(11)上,并且第二部分适于接纳电气装置的外部液体回路的管(30)。
第二通道建立从第一通道至本体的外部空间的连接,由此,该连接在管被推入联接部件内时关闭,并在管被拉出联接部件时接通。
申请人:ABB技术有限公司
地址:芬兰赫尔辛基
国籍:FI
代理机构:北京集佳知识产权代理有限公司
更多信息请下载全文后查看。
(19)中华人民共和国国家知识产权局(12)实用新型专利(10)授权公告号 (45)授权公告日 (21)申请号 201920606789.3(22)申请日 2019.04.29(73)专利权人 北京新能源汽车股份有限公司地址 102606 北京市大兴区采育经济开发区采和路1号(72)发明人 陈海峥 苏伟 蒋荣勋 (74)专利代理机构 北京银龙知识产权代理有限公司 11243代理人 许静 安利霞(51)Int.Cl.G05B 23/00(2006.01)(54)实用新型名称一种液冷控制器测试辅助系统(57)摘要本实用新型提供了一种液冷控制器测试辅助系统,涉及汽车技术领域。
该液冷控制器测试辅助系统包括:水泵、气泵、冷却液储存箱、三通阀门和管道;其中,所述冷却液储存箱、所述水泵和所述三通阀门通过所述管道相连通;所述气泵和所述三通阀门通过所述管道相连通;所述管道上设置有控制器。
本方案通过设置三通阀门和气泵,在控制器测试结束后,仅通过改变三通阀门的连通状态,即可通过气泵将控制器内的剩余液体排出。
权利要求书1页 说明书4页 附图1页CN 209514399 U 2019.10.18C N 209514399U权 利 要 求 书1/1页CN 209514399 U1.一种液冷控制器测试辅助系统,其特征在于,包括:水泵、气泵、冷却液储存箱、三通阀门和管道;其中,所述冷却液储存箱、所述水泵和所述三通阀门通过所述管道相连通;所述气泵和所述三通阀门通过所述管道相连通;所述管道上设置有控制器。
2.根据权利要求1所述的液冷控制器测试辅助系统,其特征在于,所述管道包括:第一管道、第二管道和第三管道;其中,所述第一管道的第一端连接至所述冷却液储存箱的进水口,所述第一管道的第二端连接至所述三通阀门的第一端;所述第二管道的第一端连接至所述气泵的出气口,所述第二管道的第二端连接至所述三通阀门的第二端;所述第三管道的第一端连接至所述水泵的出水口,所述第三管道的第二端连接至所述三通阀门的第三端。
(19)中华人民共和国国家知识产权局(12)实用新型专利(10)授权公告号 (45)授权公告日 (21)申请号 201920584092.0(22)申请日 2019.04.24(73)专利权人 骆驼集团武汉光谷研发中心有限公司地址 430000 湖北省武汉市东湖新技术开发区高新大道999号新能源研究院A8-9楼(72)发明人 吴志威 陈念 (74)专利代理机构 武汉经世知识产权代理事务所(普通合伙) 42254代理人 邱雨家(51)Int.Cl.H01M 2/10(2006.01)H01M 10/613(2014.01)H01M 10/6568(2014.01)H01M 10/653(2014.01)(54)实用新型名称一种集成式电池液冷装置(57)摘要本实用新型提供一种集成式电池液冷装置,包括冷却箱体和冷液管,所述冷却箱体上设置有进液口和出液口,所述冷却箱体内设置有冷液管,所述冷液管的两端分别与进液口和出液口相连接,所述冷却箱体内设置有电池包容纳腔,所述电池包容纳腔设置在冷液管上方,通过冷却箱体的隔板与冷液管隔开。
为解决上述现有技术存在的问题,本实用新型提供一种散热效果均匀、结构简单、冷却介质流通流畅、生产方便、灵活可靠的集成式电池液冷装置。
权利要求书1页 说明书4页 附图2页CN 209461539 U 2019.10.01C N 209461539U权 利 要 求 书1/1页CN 209461539 U1.一种集成式电池液冷装置,其特征在于:包括冷却箱体(1)和冷液管(2),所述冷却箱体(1)上设置有进液口(3)和出液口(4),所述冷却箱体(1)内设置有冷液管(2),所述冷液管(2)的两端分别与进液口(3)和出液口(4)相连接,所述冷却箱体(1)内设置有电池包容纳腔(5),所述电池包容纳腔(5)设置在冷液管(2)上方,通过冷却箱体(1)的隔板(6)与冷液管(2)隔开。
2.根据权利要求1所述的集成式电池液冷装置,其特征在于:所述冷液管(2)的两端分别嵌套连接在进液口(3)和出液口(4)中,所述冷液管(2)的两端开口为喇叭口,所述进液口(3)和出液口(4)的形状与冷液管(2)的两端开口相匹配。
(19)中华人民共和国国家知识产权局
(12)实用新型专利
(10)授权公告号 (45)授权公告日 (21)申请号 201920340224.5
(22)申请日 2019.03.18
(73)专利权人 深圳巴斯巴科技发展有限公司
地址 518000 广东省深圳市坪山新区坪山
大工业区兰竹东路8号同力兴工业厂
区1号厂房1-3层
(72)发明人 徐平安 林培燕 黄建芳 林国军
(74)专利代理机构 深圳市精英专利事务所
44242
代理人 王文伶
(51)Int.Cl.
H01R 13/405(2006.01)
H05K 7/20(2006.01)
(54)实用新型名称
一种新型连接器液冷结构
(57)摘要
本实用新型公开了一种新型连接器液冷结
构,包括绝缘的插头壳体以及设于插头壳体内用
于与线缆连接的插孔端子,所述插头壳体中设有
前后贯穿的通孔,所述插孔端子卡合设于所述通
孔内的前端;所述插头壳体内部注塑有缠绕所述
通孔呈螺旋状设置的冷却管,且所述冷却管注塑
于对应所述插孔端子处的插头壳体内;所述插头
壳体上还设有分别与所述冷却管两端连通的进
液孔和出液孔,所述进液孔和出液孔上均设有转
接头。
本实用新型通过将冷却管直接注塑在插头
壳体的内部,在保证散热性能的同时,不会影响
端子的性能,并具有结构简单、紧凑、安全的特
点。
权利要求书1页 说明书4页 附图4页CN 209516103 U 2019.10.18
C N 209516103
U
权 利 要 求 书1/1页CN 209516103 U
1.一种新型连接器液冷结构,包括绝缘的插头壳体以及设于插头壳体内用于与线缆连接的插孔端子,其特征在于,所述插头壳体中设有前后贯穿的通孔,所述插孔端子卡合设于所述通孔内的前端;所述插头壳体内部注塑有缠绕所述通孔呈螺旋状设置的冷却管,且所述冷却管注塑于对应所述插孔端子处的插头壳体内;所述插头壳体上还设有分别与所述冷却管两端连通的进液孔和出液孔,所述进液孔和出液孔上均设有转接头。
2.根据权利要求1所述的新型连接器液冷结构,其特征在于,所述转接头为直角状,所述转接头的一端与所述进液孔/出液孔螺纹连接,所述转接头的另一端外周设有锯齿纹。
3.根据权利要求2所述的新型连接器液冷结构,其特征在于,所述转接头中设有锯齿纹的一端套装有软管,并在所述软管与转接头的连接处套设有紧固件。
4.根据权利要求3所述的新型连接器液冷结构,其特征在于,所述紧固件包括通过螺丝固定的上压板和下压板,所述上压板和下压板的相向面上在对应所述转接头的位置处均设有半圆槽。
5.根据权利要求4所述的新型连接器液冷结构,其特征在于,所述下压板的上端两侧均设有定位孔,所述上压板的下端设有与所述定位孔配合的定位凸起。
6.根据权利要求1-5任一项所述的新型连接器液冷结构,其特征在于,所述通孔内设有卡爪,所述插孔端子外周设有与所述卡爪配合固定的卡槽。
7.根据权利要求6所述的新型连接器液冷结构,其特征在于,所述线缆的一端穿设于所述通孔内的后端并与所述插孔端子连接;置于所述通孔内的线缆上由内往外依次套设有屏蔽环、垫片和第一防水圈,且所述第一防水圈的外周与所述通孔的内壁抵接;所述线缆的外侧还套装有尾扣,所述尾扣扣接于所述插头壳体的尾端。
8.根据权利要求7所述的新型连接器液冷结构,其特征在于,所述通孔的后端设有位于所述垫片内侧的第一止挡台阶,所述通孔的前端设有位于所述卡爪内侧的第二止挡台阶。
9.根据权利要求8所述的新型连接器液冷结构,其特征在于,所述插头壳体的前端设有用于插接的插接槽,所述插接槽内套设有第二防水圈,所述插接槽的前端端部套装有插头压板。
10.根据权利要求9所述的新型连接器液冷结构,其特征在于,所述插头壳体的外周还卡设有用于锁定的手柄;所述冷却管为铜管。
2。