面料缩水定型机采购指南20条
- 格式:doc
- 大小:36.50 KB
- 文档页数:11
2024年智能缩水定型机市场规模分析摘要本文分析了智能缩水定型机市场的规模,并讨论了该市场的增长趋势。
通过市场研究和数据分析,我们了解到智能缩水定型机在服装制造业中的重要性和应用范围。
本文指出,智能缩水定型机市场的规模将随着时尚产业和消费者需求的增长而不断扩大。
简介智能缩水定型机是一种先进的技术设备,用于缩小衣物的尺寸,并为其定型。
它能帮助服装制造商提高生产效率,并减少生产成本。
随着时尚产业的不断发展和消费者需求的增长,智能缩水定型机的市场需求也在逐渐增加。
市场规模分析根据市场研究数据,智能缩水定型机市场的规模正呈现稳步增长的趋势。
预计在未来几年内,市场规模将继续扩大。
市场增长驱动因素1.时尚产业的发展:全球时尚产业正处于快速增长阶段,对高效生产设备的需求不断增加。
智能缩水定型机作为一种提高生产效率的创新技术,得到了时尚品牌商和制造商的青睐。
2.消费者需求的变化:消费者对服装的定制要求越来越高,希望能够获得更好的穿着体验和个性化款式。
智能缩水定型机可以帮助制造商生产出更适合消费者需求的衣物,满足他们的个性化需求。
3.生产效率的提升:智能缩水定型机具备自动化、智能化的特点,能够大大提高生产效率和减少人力资源成本。
这让许多服装制造商趋之若鹜,使智能缩水定型机市场愈发壮大。
市场竞争态势智能缩水定型机市场目前存在着一定的竞争。
主要竞争者包括国内外的制造商和品牌商。
市场上的竞争主要集中在产品品质、技术创新和售后服务等方面。
为了获得市场份额,企业需要不断改进产品,提供更好的解决方案。
市场前景展望基于市场需求和趋势分析,智能缩水定型机市场的前景非常广阔。
预计未来数年内,该市场将继续保持强劲的增长势头。
机会与挑战1.机会:智能缩水定型机的应用范围正在不断扩大,包括服装制造、纺织品和家具等领域。
随着技术不断创新和发展,智能缩水定型机市场将迎来更多的机会。
2.挑战:市场上已经存在许多竞争对手,企业需要不断提升产品品质和技术水平,以保持竞争优势。
标准集团(香港)有限公司如何使用织物缩水率试验机?1.基本使用技巧:几乎所有的家电制造商建议购买和使用洗涤剂,因为只有他在顶部装载机低水位可以如果你用普通洗涤剂生产过剩的泡沫。
用拉拔机抽屉添加洗涤剂,漂白剂和织物柔软剂,类似于前端装载机。
把你的脏衣服放在洗衣机里,像是把东西放进类似的堆。
同时,不要把浴缸,因为很多他前装载机自动感知负载的大小和机器的水平不可能完全达到确定水的桶上。
他在许多机器周期是不言自明的,如白人,颜色和精致的衣服,有的甚至有一个清洁周期。
然而,您的机器可能有选项来改变使用电子控制面板的周期参数。
2.污渍和污垢:用户可以在顶部装载机调整和微调洗涤周期。
虽然制造商们做了这些设备的高效节能的巧妙的工作,这并不完全消除手动和人的方面,确保一个适当的清洗。
如果你注意到镶嵌在一个特定的负载和根深蒂固的污渍的衣服,你可以用土壤级别设置在控制面板中修改循环,因此。
土壤和污渍的调整,包括影响水的温度,循环时间和整体在浴缸的清洗行动。
一些他顶装载机只会提示你选择一个单一的土壤水平设置,如重,正常或轻,这一次改变多个周期参数。
3.水作用:动词“搅拌”通常与常规顶部装载机的代名词,但家电厂商几乎完全避免这个词在描述清洗行动高效率的机器。
一种描述污渍从织物获得解放,他顶装载机把衣服拉”通过“水,或水是被拉到“通过”的衣服,而不是简单地搅拌在水盆里的衣服。
这种波浪式的力量是必要的,因为低水平,高效的设计和功能的洗衣机。
然而,您可以在许多他最上面的装载机在您的自由裁量权,在控制面板上使用设置调整水位。
4.机器维修:这些顶级的装载机是高效的,在洗衣机,但仍可能需要帮助的机器照顾和维护。
大多数生产商建议使用含氧洗衣机清洁剂,就像他使用洗涤剂的具体建议一样。
普通氯漂白也有效。
此外,你还必须选择一个特定的循环,将浴缸中的水完全填满,以确保洗衣机的所有内部部件得到彻底的消毒和清洗。
定期进行这个保养,大约每个月,以保持机器的气味和碎片的自由。
一目的规范织物缩水率测试作业流程及内容,对测试人员进行正确指导的基准二范围适用于本公司面料缩水率测试作业。
三职责1 设备维修由生产厂家专业技术人员负责;2 测试人员负责设备的日常维护与基本清洁3 测试每年由第三方有资质机构进行校准并获得校准合格证书。
四内容1、基本实图配置,详见下图Y(B)089D全自动缩水率试验机外形示意图2.仪器技术性能2.1类别:前门加料、水平滚筒型2.2、额定洗涤容量:5kg2.3、内层滚筒直径:51.5±0.5cm2.4、内层滚筒深度:33.5±0.5cm2.5、内外滚筒间距:(2.8±0.1)cm2.6、提升片数量:3片(两片相距120°)2.7、提升片高度:(5±0.5)cm2.8、转速:洗涤时52r/min,脱水时(500±20)r/min,数字设定,无级调速40-700r/min 2.9、水位控制:低位10cm 高位13cm10、温度检测:室温--99℃±1℃2.11、电源:AC220V 50Hz 6.5KW2.12、外形尺寸:750×700×1200mm2.13旋转动作正常转动时间间隔:(12±0.1)S正常停止时间间隔:(3±0.1)S缓和转动时间间隔:(8±0.1)S缓和停止时间间隔:(7±0.1)S柔和转动时间间隔:(3±0.1)S柔和停止时间间隔:(12±0.1)S2.14、重量:200Kg3 测试3.1 实验工具:在试验前准备试样1块,陪洗物;标准洗涤剂;3.2 试样制备:用缩水率标记板在试样中间取50×50cm大小试样,并用纺织黄油笔标记35×35cm,并对试样边缘进行缝制,缝制要求见下表3.3试剂制备:标准洗涤剂(加酶含荧光增白剂无磷洗衣粉);3.4 试样容积:不超过洗衣机总容量的一半;3.5 洗涤水温度:40℃±3℃;3.6 陪洗物:在试验机内加入陪洗物,达到最低洗涤容量,针对不同材质的织物,陪洗物应按下表进行选择:3.7测试步骤:3.6.1 将试样及陪洗物放入洗涤筒内,加入标准洗涤剂和水,水位达到100mm;3.6.2 将水加热至40±3℃,选择正常搅拌功能,持续搅拌15分钟;3.6.3 漂洗:温度仍保持在40±3℃,第一次,水位设置为130mm,,漂洗3分钟;漂第二次,水位130mm,漂洗3分钟;第三次,水位130mm,漂洗2分钟;第四次,水位130mm,漂洗2分钟;3.6.4 脱水:脱水时间设置为5分钟;3.6.5 烘干:3.6.5.1 烘干时间的计算:A.用100%陪洗物组成载荷,进行调湿并计算载荷量,精确至0.05KG,洗涤脱水后,放入烘干机,将烘干机的时间设定为80min以上开始运转,待40min之后停机,取出载荷并称量,计算水分蒸发量;用水分蒸发量除以烘干时间,得到烘干速率a;B.烘干时间计算:在A.基础上,将载荷再次投入洗衣机,相同水位,选择最后一次脱水,然后称量,使用含水量除以烘干速率a计算预烘时间;C. 将载荷重新投入烘干机,设定一个超过预烘时间的安全时间,开机运转;D.烘燥至预烘时间后立即停止,取出载荷称量,计算蒸发水分,根据用水分蒸发量除以烘干时间得出烘干速率b;E 烘干时间公式:初始质量-调湿质量烘干时间= * 60 +冷却时间烘干速率b3.6.5.2 洗衣机脱水后,洗衣机内的试样和陪洗物取出,放入烘箱,按照预先计算的烘干时间进行设定并烘干;3.6.6 测试结果计算:3.6.6.1 烘干后的试样取出与陪洗物进行分离,然后进行经纬测量;3.6.6.2 按照公式分别计算出经纬缩率,计算公式如下:3.7将测试结果记录于测试记录上,并将测试样品张贴在测试记录上;3.8测试完毕后,关闭电源,对设备进行清洁。
面料做缩水处理技巧
1.温水浸泡:在缩水处理前,将面料用温水浸泡20-30分钟,可使面料纤维柔软,缩水效果会更好。
2. 热水浸泡:将面料用热水浸泡10-15分钟,再立即放入冷水中浸泡,可使面料缩水更加明显。
3. 热风烘干:将面料放入烘干机中,调至高温状态,烘干10-15分钟,可使面料缩水。
4. 手工熨烫:将面料放在熨斗下,调至高温状态,用力熨压,可使面料缩水。
5. 水洗晾干:将面料用清水洗涤,晾干后再进行缩水处理。
6. 热水煮沸:将面料放入大锅中,加入足够的水,将水煮沸后再加入冷水浸泡,可使面料缩水效果更佳。
7. 专业缩水处理:如果使用以上方法无法达到理想的缩水效果,可将面料送到专业缩水处理店进行处理。
- 1 -。
选购铺布机须知的那些事铺布机又称"拉布机"或"拖布机",是缝制生产中裁剪布料之前将成卷的面料展开逐层平铺在裁剪台上使用的专业设备。
作为一种高新技术专业设备,面料的材质和性能、面料储存和搬运的方式、排料方法、铺布机送布系统的结构、拉布与裁剪设备的组合与排列方式等相关的各项因素,都对铺布机的拉布质量和效果可能产生的影响。
本文作者将对这些影响您选购铺布机的关键问题进行一一分析。
选用铺布机的基本要求目前,市场上可供选购的国内外品牌自动铺布机很多,那么服装企业该如何选择呢?笔者认为,一般在深入市场调研的基础上,我们需注意把握以下几点基本要求:首先,服装企业拟添置或更新铺布机设备时,应结合本企业正在应用或准备应用的自动裁剪设备来进行通盘考虑,以确保选购的自动铺布机和选用的自动裁剪系统能够正常链接、配套使用。
其次,如果企业的生产品种和使用的面料比较单一,那么选择铺布机机型就相对比较容易;如果企业的规模很大,使用的面料种类繁多,那么就需要根据实际生产的需要,通过对不同机型的性能和特点进行分析比较,从中选出符合本企业生产需要的、性价比相对较高的自动铺布机。
再次,无论选择哪个品牌的自动铺布机,我们都应当考虑生产操作和管理是否方便。
例如同为自动铺布机,但在拉布长度的设置上,有些机型是通过液晶触摸屏触摸设定的,也有的机型是通过人工测量确定的。
后者每变换一次排料长度就要重新定位一次,相对就比较麻烦。
最后,需要注意选购的自动铺布机应当易于维修和保养,尤其需要考虑当遇到重大设备故障时,供应商能否及时响应,零配件的供应是否有保障、价格是否合理等。
此外还要注意自动铺布机应当符合国家有关节能、降耗以及减碳、环保等要求。
5种因素影响拉布质量除了设备本身的结构和技术性能对拉布质量会有直接的影响外,笔者认为还有一些关键因素也会影响自动铺布机拉布的质量和效果,我们必须给予足够的重视。
这些关键因素主要有:面料的材质和性能、面料储存和搬运的方式、服装设计排料方法、铺布机送布系统的结构、自动铺布机与裁剪系统的组合排列方式等。
布料缩水检验方法布料缩水是指布料在清洗、干燥或使用过程中出现尺寸缩小的现象。
这种现象的出现可能会影响衣物的外观和穿着舒适度,因此在布料生产和贸易中,对布料的缩水性能进行检验是非常重要的。
在下面的文章中,我将介绍几种常用的布料缩水检验方法。
一、水洗缩水检验法水洗缩水检验法是一种常用的检验布料缩水性能的方法。
其基本原理是将样品在一定温度和短时间范围内进行水洗,然后对洗后的样品尺寸进行测量,比较洗前和洗后的尺寸变化,进而确定布料的缩水性能。
实施方法如下:1.准备样品:选择一定数量的布料样品,并按照标准规定的尺寸切割成样品,记录下洗净前的尺寸。
2.水洗:将样品放入预定量的水中进行机械洗涤,通过模拟实际使用情况,如使用洗衣机或手动洗涤。
3.烘干:将洗净后的样品放入烘干机或晾晒至干燥。
4.测量:使用仪器或工具测量洗净后样品的尺寸,并与洗前的尺寸进行比较,计算缩水率。
二、干燥烘箱缩水检验法干燥烘箱缩水检验法是通过将布料样品放入烘箱中进行加热,从而模拟布料在干燥条件下可能出现的缩水现象。
通过对样品尺寸的测量,可以确定布料的缩水性能。
实施方法如下:1.准备样品:选择一定数量的布料样品,并按照标准规定的尺寸切割成样品,记录下切割前的尺寸。
2.加热:将样品放入预定温度的烘箱中,加热一段时间,一般为30分钟至1小时。
3.冷却:将加热后的样品取出,放置至室温下冷却。
4.测量:使用仪器或工具测量样品的尺寸,并与切割前的尺寸进行比较,计算缩水率。
三、湿热缩水检验法湿热缩水检验法是通过将布料样品放入加热水中适当时间,然后进行机械摩擦或压缩,模拟布料在湿热环境中可能遭受的缩水现象。
通过对样品尺寸的测量,可以确定布料的缩水性能。
实施方法如下:1.准备样品:选择一定数量的布料样品,并按照标准规定的尺寸切割成样品,记录下切割前的尺寸。
2.加热水浸泡:将样品放入加热的水中适当时间,一般为30分钟至1小时。
3.机械摩擦或压缩:将浸泡后的样品进行机械摩擦或压缩,如使用洗衣机或机械压缩装置。
缩水定型机新工艺织物热定型分为干﹑湿两种。
干热定型:织物在加热室中经热风加热,封度被拉至一定尺寸,出加热室后冷却,令温度降至纤维的玻璃化温度下,从而得到稳定尺寸﹐如涤纶等织物,温度一般180~210℃,时间20~30秒。
湿热定型:有热水浴和汽蒸两种,热水浴是将织物在沸水或高压缸中处理,而汽蒸则将织物卷绕在有孔辊上用蒸气汽蒸,尼龙织物常用湿热定型,在高压缸内用温度125~135℃,处理20~30分钟。
热定型可令织物尺寸稳定在某一设定程度上,而定型过程控制之预加张力,在成品后洗水,或经机械力等干燥,定型预加之张力消除,便回复定型前之尺寸,这个过程中之变化相差率,称为缩水率,包括直向及横向变化。
上文亦提及,缩水率有负值及正值,而织物面积缩水率,表示织物横向和直向四点的面积之变化率,亦等于横向和直向缩水率之和减去它的面积,若面积缩水率少于10%,则面积缩水率就近似直向与横向之缩水率之和。
织物之缩水率为原料,织物组织及加工之方法不同,有著差异,而以横﹑直方向之收缩率判断织物之回复力,是有点困难,唯有观察织物染整加工每个过程之尺寸变化作决定。
要控制织物在预缩至一定程度,残余缩水率在一定之控制程度,这工艺就是整理加工中的一个重要环节。
机械防缩整理:为达至以上条件﹐机械商设计出机械缩水机﹐利用压缩方法,迫使织物经向长度收缩,纬密增加,令织物具有松弛的结构,得以降低成品的缩水,机械缩水机利用毛毯或橡胶毯,保持适当张力循环运行,织物喂入量较多,而织物需含有一定的湿度,再被超喂入热压辊与橡胶毯之间,令横向﹑直向之空间压缩,织物长度变短,织物的结构因湿热作用而固定下来。
进行预缩前,织物需给湿令纤维柔性增大,压缩控制于胶毯厚度和曲率变化大小,经此工序织物再洗水的缩率可降低至1%,手感亦较好。
控制缩水率的方法要多方面进行才能获得预期效果。
(1) 织物设定之规格是否符合基本之要求。
(2) 纱线之种类及缩率之变化。
(3) 织物在加工过程,必需尽量降低其所受的张力。
缩水率测试操作规程
为规范缩水率操作手法,保证每一缸之间测试方法及程序严格一致,确保缩水率测试结果不受试验员操作影响,特制定缩水率操作程序如下:
1.先将缩水率试验机放水至皮带盘下5cm处,,开蒸汽升温至60度。
2. 打开机盖,放入测试布(注意把每块布分开,如数量不够13-15块应
加入陪衬布至13-15块),点动4-5个来回。
3. 加入退浆酶132克(1100ml)。
4. 开机运转进行缩水率测试,45分钟后,停机排水。
5. 将缩水率试验机再放满清水,开机清洗2分钟后再排水。
6. 将测试布从机内取出,均衡放入脱水机脱水3分钟。
7. 将测试布从脱水机中取出,剪去每块布头两端的缠结纱,轻轻摊开8.将布放入烘干机烘干(烘干温度不超过65℃,正常烘干时间约20mins),烘干后开启烘箱门打冷风5分钟。
9. 取出布,放置平衡架平摊冷却20-30分钟。
10 准确量取每块布洗后的经纬标记距离,作好记录,计算缩水率,按
要求填写测试报告单。
试验室
2011年4月。
缩水机安全操作规程1. 引言缩水机是一种常用的家用电器,用于缩短衣物的尺寸,在日常生活中起到了重要的作用。
然而,由于缩水机涉及到高温和电力等危险因素,使用不当可能会导致安全事故的发生。
为了确保用户的安全,我们制定了本安全操作规程,以便正确、安全地使用缩水机。
2. 使用前的准备在开始使用缩水机之前,请确保执行以下准备工作:•确保缩水机周围没有易燃或易爆物品;•保持工作环境整洁,清除阻塞物,确保通风良好;•检查电源线是否有损坏,确保接地良好;•查看使用说明书,了解缩水机的功能、特点和操作方法。
3. 缩水机的安全操作流程遵循下述操作流程,可以最大程度地保证缩水机的安全操作:3.1 打开缩水机1.确保缩水机已连接到电源,并开关处于关闭状态;2.按照使用说明书的指引,打开缩水机的盖子;3.检查缩水机内部是否有异物,如有,及时清除。
3.2 准备衣物1.首先,确保要缩小尺寸的衣物符合缩水机的使用要求;2.清洗并晾干衣物,确保没有水分和杂质;3.将衣物仔细摊平,避免折叠和重叠。
3.3 放入衣物1.将衣物轻轻地放入缩水机,避免强行压入;2.不要过量放入衣物,以免影响缩水效果;3.注意不要将手指或其他物体伸入缩水机内部。
3.4 设置缩水模式1.根据使用说明书的指引,选择合适的缩水模式;2.调整缩水机的温度和时间,确保与衣物的面料相匹配。
3.5 启动缩水机1.确保缩水机的盖子已正确关闭;2.按下缩水机的启动按钮,开始缩水过程;3.在缩水过程中,不要摇晃或打开缩水机。
3.6 关闭缩水机1.缩水过程完成后,按下缩水机的关闭按钮,关闭缩水机;2.等待缩水机冷却后,才可打开盖子。
4. 注意事项和安全预防措施在使用缩水机的过程中,必须注意以下事项和采取相应的安全预防措施:•不要将缩水机放在易燃材料旁边使用,以免发生火灾;•不要让儿童接触缩水机,以免发生意外伤害;•使用过程中,避免长时间离开缩水机,以防止意外发生;•缩水机使用完毕后,及时断开电源,防止意外触电;•若发现缩水机存在故障或异常现象,应立即停止使用并寻求专业修理。
纺织品缩水率试验机安全操作及保养规程纺织品缩水率试验机是一种常见的测试仪器,广泛应用于纺织品工业。
在使用这种试验机的过程中,必须遵守一定的安全操作规程,以保护测试人员的安全,并确保测试结果的准确性和可靠性。
本文将介绍纺织品缩水率试验机的安全操作和保养规程,以帮助测试人员正确使用该设备。
安全操作规程1.在使用纺织品缩水率试验机之前,必须先进行检查,确保设备工作正常。
检查包括检查电源接线是否正确、仪表指示是否准确等。
如发现故障或不正常现象,要立即停止使用,并联系维修人员进行维修和处理。
2.使用纺织品缩水率试验机时,必须穿戴符合要求的工作服,并戴好相关的安全防护设备,如手套、护目镜等。
这些防护设备能够有效地保护测试人员的安全。
3.在进行测试之前,必须仔细研读相关的测试方法和标准,了解测试要求和步骤,以避免测试过程中出现误操作和偏差。
4.在进行测试时,必须按照测试方法和标准严格操作,并遵守测试过程中的安全操作规程。
如发现测试过程中存在隐患或不安全因素,应立即停止测试,并通知相关人员进行处理。
5.在测试过程中,必须保持仪器的清洁和整洁,定期清理和维护试验机,以延长设备的使用寿命和保证测试结果的准确性。
6.测试结束后,必须按照相关规定进行设备的关闭和维护,包括断开电源、清理测试台面等。
如需要进行后续测试,必须进行设备检查并进行必要的准备工作。
设备保养规程1.定期检查设备的各项指标,如电压、电流、档位等,必要时进行调整和校准,以确保测试结果的准确性。
2.避免设备受到湿气、尘土等污染。
可以使用专用的防尘罩来保护测试机器,定期清洁测试机器表面和内部的尘土。
3.在设备长时间不使用时,应将试验机内的试剂等物品处理掉,关闭电源,保持设备的干燥和清洁。
4.定期更换设备中的易损件,如灯管、电池等,并进行相关测试和记录,以保证设备的正常运行。
5.对于设备的电缆、接头等部分,要定期检查是否存在损坏、老化等问题,并进行必要的更换和修补。
服装厂小型缩水机日常保养表摘要:一、小型缩水机概述二、小型缩水机日常保养方法1.清洁保养2.润滑保养3.电气部件保养4.安全防护装置检查三、定期检查与维护四、保养注意事项正文:随着服装行业的快速发展,小型缩水机在服装厂中的应用越来越广泛。
为了确保小型缩水机的正常运行和延长使用寿命,日常保养显得尤为重要。
以下为您详细介绍小型缩水机的日常保养方法及注意事项。
一、小型缩水机概述小型缩水机主要用于服装厂裁剪后的面料收缩处理,提高面料的品质和穿着舒适度。
它具有体积小、操作简便、性能稳定等特点,广泛适用于各类服装面料的缩水处理。
二、小型缩水机日常保养方法1.清洁保养:每日工作结束后,应清理小型缩水机表面的灰尘和纤维,保持设备清洁。
同时,定期清理滚筒、输送带等易积尘部位,防止灰尘和纤维影响设备运行性能。
2.润滑保养:定期检查小型缩水机的润滑油量,确保各润滑部位油量充足。
对于易磨损部件,如滚筒、皮带轮等,要及时添加润滑剂,以减少磨损,延长使用寿命。
3.电气部件保养:定期检查小型缩水机的电气线路和开关,确保线路无破损、短路等现象。
对于易受潮的电气部件,应保持干燥,避免进水导致故障。
4.安全防护装置检查:定期检查小型缩水机的安全防护装置,如限位开关、紧急停止按钮等,确保其灵敏可靠。
同时,教育操作人员遵守操作规程,防止因操作不当导致的意外事故。
三、定期检查与维护小型缩水机应定期进行全面的检查和维护,包括机械、电气、润滑等方面。
对于发现的问题,要及时进行整改,确保设备处于良好状态。
四、保养注意事项1.在进行小型缩水机保养时,务必切断电源,确保操作安全。
2.清洁和保养时,避免使用强烈的溶剂和尖锐的工具,以免损坏设备表面和零部件。
3.定期检查小型缩水机的零部件,发现损坏或磨损严重时,要及时更换。
4.保持设备周围的环境整洁,避免杂物影响设备运行。
通过以上日常保养方法和注意事项,相信您的服装厂小型缩水机将能够保持良好的工作状态,提高生产效率,降低维修成本。
纺织品缩水实验岗位职责
●纺织品缩水实验岗位职责包括:
1.负责纺织品的缩水实验,确保实验结果的准确性和可靠性。
2.根据实验结果,分析纺织品的缩水性能,并给出相应的建议和改进措施。
3.编制实验报告,记录实验过程和结果,并及时归档。
4.协助研发部门进行新产品的开发和改进,提供技术支持和建议。
5.维护实验设备和仪器,确保其正常运行和准确性。
6.遵守实验室安全规定,确保实验过程的安全性。
7.完成领导交办的其他任务。
●为了胜任这一岗位,需要具备以下条件:
1.本科及以上学历,纺织工程或相关专业。
2.具备一定的纺织品缩水实验经验,熟悉实验流程和操作规范。
3.熟悉纺织品的生产工艺和材料特性,能够分析实验结果并给出改进建议。
4.具备良好的沟通能力和团队协作精神,能够与相关部门密切合作。
5.具备较强的实验操作能力和数据分析能力,能够独立完成实验和编制报告。
6.具备一定的英语阅读和写作能力,能够阅读和理解英文技术资料。
一、面料缩水机简介面料缩水机,又称作面料缩水定型机,面料预缩定型机。
面料缩水机是现代服装生产中进行面料机械预缩的整理设备,其在一定的温度、湿度和压力条件下,借助面料本身的弹性收缩变形以及织物、纤维的渗透与溶胀原理来消除服装面料的潜在收缩份额。
一般情况下,预缩机可用于纯棉、化纤、混纺面料、毛呢类面料的预缩处理作业。
二、面料缩水机作用对于中国的面料生产厂家来说,在面料织成后,常常为了多计码并使面料看起来更平整滑爽,而进行扩宽、拉长、上浆、布胶、喷湿、加热、干燥、聚冷却定型等工艺处理。
这些行为对于面料商来说,可以理解并认同,因为这可以提升面料在市场上的品相,又可以合法面对计量单位。
对于成衣厂家的面料采购人员来说,面料缩水机可以作为一台检验设备来使用:取布样5米在其中间画1米平方的正方型,放入面料预缩机慢速运行,经拍打、抖动、松经纬纱、加湿、升温、冷却后,量原来的1米平方的正方型,就可以发现问题了。
用途:(1)稳定面料的缩水率;面料缩水定型是为了使未处理的布料柔软,并经过丝纱斜度的调整,安定原布尺寸减少缝制过程中,由于布料受缝制整烫所产生的收缩。
(2)进一步提高面料品质和尺寸稳定性;防止做出来的衣服产生尺寸变化或变型,使您在设计衣服前免除考虑在制做时所产生布料伸展及收缩的问题。
(3)改善面料物理性能或保护面料表面质量,如有手感和目感、色彩和光泽、消除折痕、提高丰满度、表面光洁度、改善经密度的均匀性和纬斜等。
(4)经缩水加工后布料尺寸稳定,手感极佳,且经再次整烫也不易缩水,此种处理使产品的品质达到最佳,并且附加值得到增加。
(5)化纤面料的定型处理。
(6)改善缝制性能,面料升档和提高服装产品附加值。
(7)此缩水机是现代使用CAD及CAM自动设备必备的机器。
特别是女装生产企业,有很多品牌的设计师都热衷于设计合体贴身的款式,这可以张扬女性迷人的曲线身段。
但是如果选用了回缩率高的面料,顾客购买时穿得很舒服又得体,但只要一次水或几次水下过,不论干洗、水洗,都会走型,变形的。
标准集团(香港)有限公司
Standard International Group(HK) Limited
标准集团(香港)有限公司
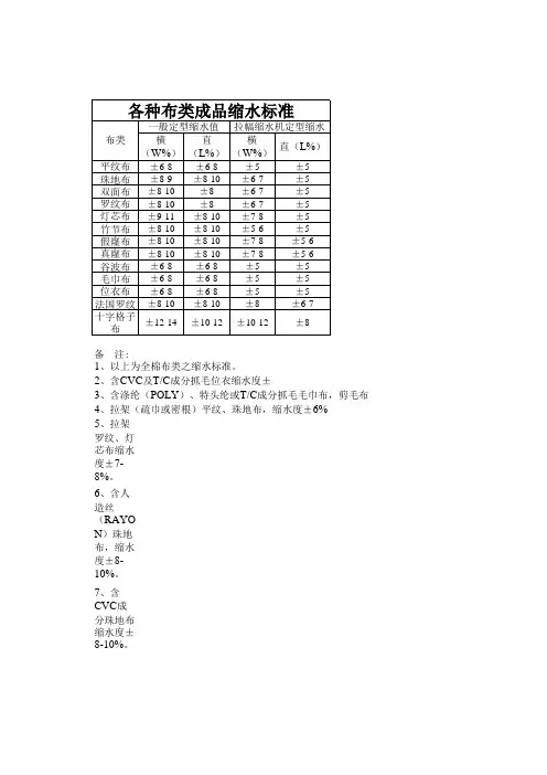
欧标缩水率实验对纺织面料的要求
欧标纺织品缩水率检测对面料的要求:
1. 分别剪整个门幅大小各三块面料,并分别在面料上做出50*50大小的正方形,用车线订位在面料上作好记号。
2. 测试回来的面料,必须烘干透,摸在手上,不能有湿度。
测量面料上留的车线尺寸。
前面说的用三块面料去做测试,是为了这个缩水率的准确性,可以分别比较参考一下取中间值。
例:现量出纵向尺寸(直丝绺)长度为97%,说明面料纵向缩水率为3%;横向尺寸(横丝绺)长度为92%,说明面料横向缩水率为8%。
3、根据上面测量出来的横向纵向缩水率,在制作样版时,衣长的要求尺寸如78公分,那么做版时,要做到78CM X (1+3%)=80.34 CM ;胸围的要求尺寸如56公分,那么做版时,要做到56CM X (1+8%)=60.48 CM 。
4、正确的大货面料到厂后,必须重新做一下测试,以防有误。
在各个批次的面料每卷面料布剪成整个门幅的大小,重新做水洗,如果有几批缩水率相差比较大的超过3~5CM 的,必须要做2副或更多的样版。
面料缩水定型机采购指南20条作者:思坦达途(原创)2014年03月13日同仁如需引用本文,谨请注明来处表示自重鉴于:2005年--2010年这段时间,面料缩水机都是服装生产企业自己购买的,完全属于自用型的;2010年---2014年这段时间,在杭州、武汉、天津、青岛、北京、常熟等地区涌现了一批面料缩水加工中心。
面料缩水加工中心是一个新兴行业,是服装加工产业走生产力细分、加工力职业化和专业化的必然产物。
面料缩水加工中心因投资小,见效快、风险小、操作简单上手容易、可渐进发展等优质因素,成为小本创业的热门。
据杭州搜盈公司总经理何卫东透露,仅14年2月下旬打进公司来咨询缩水机业务的电话不会少于100家,很多客户都是一点不懂的,提问的都是一些不靠谱、不着边际的问题,面对这些热心的客户,搜盈的业务经理们显得很无奈,只能耐心、不厌其烦地回答并解释着,一遍听不懂就说两遍。
笔者专门从事面料预缩定型机销售工作已经达12年之久,积累了大量的业务知识,为了方便采购方更容易了解预缩机的知识,我把这些错综复杂的问题归纳总结成-----面料预缩定型机采购指南20条,仅供大家参考。
一、市场前景以杭州地区(杭州、湖州、嘉兴)为例说明,据不完全统计仅在2008年,一百人以上的服装加工企业超过28000家,这其中日消耗服装面料超过5000米的占一半以上。
2014年搜盈公司做的市场调查研究得出结果显示,杭、嘉、湖区域能够上点档次的面料缩水加工中心不超过30家,总数也不超过50家,可见缩水加工中心缺口很大,值得小本创业者考虑。
二、存在理由1、面料制造商为了提高产品品相和尺码,使用了开幅定型机对出厂面料进行了扩宽拉长定型处理,这样所加工过的面料不但尺码会增长,而且显得很平整,不管是打卷还是成匹都很美观,看起来很养眼。
但这并非自然状态的尺码,内中暗藏玄机。
2、服装生产企业对产品品质的要求越来越高,所以对成衣尺码的要求也越来越高,使用了没有缩水过的面料生产出来的服装,只要一下水洗涤,尺码容易出问题。
3、面料纺织企业对开幅定型机的要求越来越高,拉伸出来的尺寸越大,在制衣环节中令面料缩回去的条件也就越高。
三、产能产量每台面料缩水定型机的日产量基本在5000-10000米,24小时对班倒,歇人不歇机也就在16000米左右。
每米加工费0.5-0.6元,日营业额5-6千元,除去成本支出50%后日台产2500元左右。
这是满负荷状态下的产能产量。
四、业务承载一台面料预缩定型机的来料加工能力,只能对付5家制衣厂,这5家企业只要平均每天裁剪5000米面料,缩水机就会没有休息的时间了。
五、产业优势1、投资面料预缩加工中心只要有5家以上稳定的服装生产工厂的业务,就可以安枕无忧了,这种业务和特种绣花、电脑绣花等业务比的优势:长期稳定,可预测可计算。
特种绣花接了这单没那单,电脑绣花或有或没有的,难以把控和难以预测。
2、在不久的将来,服装生产环节,可能要实现生产力细分,也就是说,服装生产将演变为多环节加工业务外包。
服装设计公司、服装制版中心、面料缩水定型加工中心、自动化裁剪中心、自动化锁眼钉扣加工中心、自动化服装开袋贴袋中心等等,这些专业化、职业化的加工中心之生产力,一定是最先进的生产力。
六、采购误区1、有人误以为大型和小型的面料缩水定型机效果是一样的,面料缩水的效果一定是与工作区长短、温度、湿度、行走的速度有密切关联的,面料经过的工作区越长,缩水率越高;设备速度越快,缩水率就越差。
所以大型的预缩机和小型的缩水机在缩水率方面是不可同日而语的。
2、有人把微型面料喷湿喷雾机也称为面料缩水定型机,通常情况我们所指的面料缩水定型机泛指3.8米以上长度的机器,有冷却定型区的设备才称为面料缩水定型机。
面料缩水定型机的行业标准一般执行3.8-8.8米长度,分为大、中、小、微型4种,微型的就指3.8米机器。
面料喷湿喷雾机不是面料缩水定型机,有些设备生产厂家误导消费者,在网上打出小型面料缩水机的名称,无非是混淆视听,愚弄消费者的一套手段。
3、有人以为一台高级的面料缩水定型机就应该达到100%的缩率,这也是一个误区。
完全排除成衣前的缩率那是一种理想,现实是,天下没有一台机器能够完全把面料缩水的问题彻底地排除掉。
4、很多用户以为面料缩水机自身就带有蒸汽发生器,这是完全错误的。
压力蒸汽是由锅炉产生的,锅炉属于压力容器,是特殊设备,要接受当地锅检部门监管的,安装都需要有资质证书的才可以。
一般销售面料缩水机的公司只能包安装缩水机,虽然同时也销售锅炉,但安装服务都是要外包的,这一点搜盈公司也不例外。
搜盈公司一般都推荐一家有锅炉安装资格的单位和个人给客户,让他们自己洽谈安装费用和其他条件,锅炉的销售和报价是不含安装费的。
七、认识误区1、有人误以为面料缩水定型机,面料缩水机,缩水机,面料预缩定型机,面料预缩机,预缩机是不同品种的机器,实际是同一种设备。
2、有人误以为粘衬机可以替代面料缩水机,其实是不行的。
面料缩水机在无压力无张力、在自然松弛的状态下,面料流入流出机器的,粘衬机是有压力的机器也不会向面料喷高温蒸汽。
3、有人误以为只要有蒸汽,缩水机就应正常使用,这是错误的。
缩水机所需要的是有压力的蒸汽,蒸汽压力应该在0.5-0.7Mpa(通俗说法是5-7公斤压力,这是不够科学的惯用语),蒸汽压力达不到,缩水效果一定很差。
八、维修保养1、任何机器设备都离不开保养,小保养是日常维护保养,大保养就必须专业人员拆机保养,大保养应该3-6个月一次。
2、如果是有电加热温度补偿功能的缩水机,开机时,最好要注意观察,一定要在网带、输送带全部转动的状态下,电加热部分才能工作;关机时,必须先关掉电力加热部分,等10-20分钟冷却一下再关掉机器。
3、在靠近缩水机的蒸汽管道入口处,要安装缩水阀,把进入工作设备前的蒸汽中所含的水分离出来,保证工作蒸汽是干净的。
4、严格按照面料缩水定型机的操作规程使用设备。
目前使用的行业操作规程基本还是按照stanto思坦途面料缩水定型机的标准范本,其他品牌尚没有完善一点的操作标准。
九、售后服务1、思坦途stanto面料缩水定型机保修期是一年,这基本也就形成了行业的服务标准。
其他一些品牌的面料缩水机保修期也差不多沿用此标准的。
2、高档的面料缩水定型机在机身上都贴着服务信息二维码,您只要使用手机微信扫一扫就会找出服务电话和其他联系方法。
思坦途stanto这个品牌的服务二维码在网上一搜就找到了,这给用户带来了很大的方便。
3、过了保修期的产品,对于负责任的品牌运营商来说也一样提供终生有偿服务的。
4、一般面料缩水定型机都是免费送货上门并负责安装调试的,只有路途太远的可能要重新约定条件。
十、车间选址1、面料缩水加工是要依靠蒸汽源的,一般都要蒸汽锅炉来获得有压力的蒸汽源,当地有集中供蒸汽的或靠近热电厂近的那自然是有利条件了,但我们所要选择的面料预缩加工的场所多半是没有外在供汽源的,所以还要考虑当地环保政策是否容得我们安装蒸汽锅炉;锅炉属于压力容器,当地安监部门能否发放锅炉证。
很多面料缩水定型加工中心都没有获得锅炉证在使用,这其实是违反政策法规的,当地监管部门也都是睁一眼闭一眼不去严管,作为一个投资项目最好是一切条件都符合政策法规才稳妥。
2、只要面料预缩定型机处于工作状态,周围的环境潮湿度是很高的,这也是我们要考虑的问题,工作设备的周边最好不要放置怕潮湿的物品,比如电脑设备。
3、对于高档预缩机来说,还要考虑环境电缆是否能够承受得了机器全负荷工作的功率,以stanto(思坦途)ST-2000五型的缩水机来说吧,机器所有部件都同时工作的状态下在26KW左右,因为该型预缩机有电力加热补偿功能。
思坦途ST-2008型的缩水机所需要的只有2KW都不到。
市场上目前所销售的面料缩水定型机一般都要(380V)的动力电,这也是我们不能忽略的问题。
4、STANTO牌ST-2000五型的预缩机应安装在100平米左右的车间里,房子总长最好在11米左右,宽度最好是6m左右,有可能还要安装锅炉在这个100平米的空间里,其中包含过道、设备保养拆解场地,少量面料码放场地,如果是柴油锅炉占地2平米左右,这些都要含盖在100平米的车间里,还是紧凑局促的。
如果要考虑日后发展壮大的话,就必须考虑预留部分空间。
5、如果安装生物质颗粒燃料锅炉的话,所占用的空间就不止2平米了,这种锅炉基本要20平m左右的工作空间。
6、如果是对外承接面料缩水定型加工业务的话,还要考虑周边服装生产企业的状况。
十一、投资预算1、以20万投资为第一档次,此档次风险最高,投资小起点低、门槛低、没有竞争能力,市场上这些低档次的面料预缩定型机价格1.8万-8.8万元的都有,柴油锅炉杂牌子的价格也便宜。
但这绝对是没有任何优势好谈的,面料缩水的能力到底有没有,有多少的缩水率好计较都是经不起拷问的。
2、以30万为第二投资档次,应该是选择小型面料缩水定型机,选择价位在88000-138000元的机器;锅炉选择200公斤的柴油锅炉,锅炉最好选择名牌产品,不能贪图便宜,市场估价连安装费、办证费在4万元左右。
房租、运货汽车、柴油储备金、人员工资及杂项支出基本能够应付啦。
3、以40万为第三投资档次,应该选择138000-188000元的预缩机;锅炉选择300公斤的燃油锅炉,市场估价连安装、办证费合计估价在5.5万左右,供一台稍微大了点,以后供两台预缩机就可以将就了,不必再另外增加锅炉了。
房租、运货汽车、柴油储备金、人员工资及杂项支出基本能够应付啦。
4、以50万为第四投资档次,A方案,选188000-288000元的面料缩水定型机,生物质颗粒燃料锅炉0.3吨的11万左右。
B方案,选高级一点288000-368000元的面料预缩定型机,使用300公斤的燃油锅炉。
5、第五档次的缩水加工,超过50万投资的面料缩水加工中心的风险最小,因为起点高,门槛也就高,竞争能力就强,因为可以上最高级的面料预缩定型机和生物质燃料锅炉,大型、高级的设备加工的产品品质更优越一些。
十二、压力蒸汽1、在有些工业区已经实现了集中供气,请核对一下,蒸汽管道到我们所处的位置压力是否达到标准。
集中供气比较经济实惠,在面料缩水加工成本上是比较有优势的。
2、燃煤锅炉,对环保要求不高的某些地区还可能容许使用,但对我国大部分区域是不批准的,这种锅炉获得的蒸汽成本更低。
3、生物质颗粒燃料锅炉,是属于新能源环保绿色设备,很多区域容许使用,但锅炉自身价格昂贵,初期的投入成本高。
后期得汽成本也低廉,是将来发展的方向。
据搜盈公司透露,2011年伊始,这种生物质燃料锅炉的销售量猛增。
搜盈公司还为此拓展了新的业务范围,为已经在使用的一吨以上的柴油锅炉更换生物质颗粒燃料燃烧器,更换后燃料成本节约50%以上。