资格审查资料一览表
- 格式:doc
- 大小:201.00 KB
- 文档页数:11
合肥中铁四局员工小区工程建设施工资格审查文件招标编号:A9-B20120327招标单位:安徽天筑建设(集团)有限公司合肥招标投标中心二零一二年三月目录第一章投标申请人资格审查须知 (3)1.1 总则 (3)1.2 资格审查申请 (3)1.3 资格审查评审标准 (5)1.4 联合体 (6)1.5 利益冲突 (6)1.6 文件的提交 (6)1.7 其它 (7)1.8 附件 (7)附件1 投标申请人资格审查须知附表 (8)附件2 资格审查必要合格条件标准 (8)附件3 资格审查附加合格条件标准 (10)附件4 资格审查提供原件一览表 (11)第二章投标申请人资格审查申请文件格式 (14)资格后申请文件目录 (15)资格审查文件附表 (21)附表1 投标申请人一般情况 (21)附表2 联合体投标情况表(如有) (22)附表3 类似工程经验 (23)附表4 拟派往本招标工程项目的注册建造师(或项目经理)简历 (24)附表5 拟分包企业情况 (25)附表6 承诺函 (26)附表7 其他资料 (27)第一章投标申请人资格审查须知1.1 总则1.1.1 招标人已按照有关法律、法规、规章等规定完成了工程施工招标前的所有批准、登记、备案等手续,已具备工程施工招标的条件,且已有用于该招标项目的相应资金或资金来源已经落实。
1.1.2 招标人将对本工程投标申请人进行资格审查。
投标申请人可对本次招标工程中的一个或多个标段提出资格审查申请。
本次招标的工程项目标段划分、每个标段工程内容以及参加资格审查申请标段限制要求见附件(一)。
1.2 资格审查申请1.2.1 资格审查将面向具备本工程资格审查合格条件标准(见附件)规定的资质条件、具备承担招标工程项目能力的具有独立法人资格的施工企业。
1.2.2 投标申请人应向招标人提供充分和有效的证明材料,证明其具备上述第1.2.1条款规定的合格条件和能力。
所有证明材料均须按附表的内容和格式如实填写和提供。
招标投标格式文本四
江西省房屋建筑和市政基础设施工程设计招标
投标资格审查表
投标人: (章) 法定代表人: (章) 地址: 联系人: 电话: 邮编:
江西省建设工程招标投标办公室印制
二OO六年
填表说明
1、本表由申请投标资格预审的单位填写,一式三份(招标人、投标人、招标办各一份);
2、表中内容和数字要真实填写;
3、招标人在对申请投标的单位进行资格审查时,应审查投标申请人设计资质证书、营业执照、法定代表人证书或委托代理人证书、拟选派本工程的主持设计的注册建筑师和主持设计的注册结构师资格证书原件,以及招标人在资格预审文件中要求申请投标资格预审单位提交的其他有关资料,并提供加盖单位公章的复印件;
4、招标人在完成对投标申请人资格审查后,并将正式参加投标的资格预审合格人的《投标资格审查表》报送项目招标分管的监督机构备案;
5、本表属“招投标情况书面报告”材料之一。
投标资格预审申请书
招标人:
根据贵单位发布工程的招标公告(招标邀请书)条件和内容要求,我单位决定正式参加投标,现申请进行投标资格预审,请予审查。
投标人 (章)
法定代表人 (章)
年月日
投入本项目的设计人员一览表
(组织结构)
工程设计项目负责人简历
设计单位近36个月类似工程设计情况表
设计单位近36个月设计的主要工程项目
获奖情况表。
附件:3高校教师、实验职务任职资格评审材料目录及要求一、报送材料的项目1、《高等学校教师职务任职资格评审表》或《专业技术职务任职资格评审表》(一式一份,人事处领取);2、《综合材料一览表》(一式3份。
教授、副教授、高级实验师完成网上系统申报,自动生成打印一览表。
讲师、实验师按照附件11填写打印)。
3、其他材料(按以下顺序编号、装订成册);(1)个人签字的《个人申报专业技术任职资格诚信承诺书》(2)公示证明一式2份,1份进评审材料(装订),1份留存(不装订)。
没有提交承诺书和公示证明的一律不接收材料。
(3)高等学校教师资格证书复印件;(实验系列无)(4)学历学位证书复印件(按从低到高顺序装订);(5)任职资格证书复印件(转系列评审还应提供低一级任职资格证书复印件,举例说明:副主任医师转评副教授,需提供副主任医师资格证复印件、主治医师资格证复印件);(6)近三年水平能力测试合格证或免试审批表;(2015、2016年教师水测通过名单请到各学院办公室复印。
)(7)继续教育证书复印件及其他相关奖励证书复印件;(8)转评申请表(临床教师转评教师系列职称人员必须提供)(9)《任现职以来教学工作情况证明材料》原件及教案(教案只需要一个章节即可,教学工作情况证明材料需要到教研室、院系和教务处签字盖章);(实验系列无)(10)科研材料。
(按照项目、获奖、成果、论文、论著的顺序分类排列)(11)近两年年度考核表(临床教师转评必须提供)(12)个人业务总结一份二、报送材料的内容及要求1、《评审表》中填写的字迹要清晰工整,一律用钢笔或水性笔在原始表格上填写,不得打印。
2、《综合材料一览表》讲师、实验系列《综合材料一览表》在附件11中下载,依个人填写内容多少,表格间可进行适当调整;高级职称综合材料一览表由网上申报系统自动打印生成,一律用A3纸打印。
3、教学材料1) 教学工作量必须是任现职以来,或者近五年来的;2)《教学工作情况证明材料》中教学工作量必须经教研室和学院审查,并加盖公章,由教务处审核盖章;“教学效果”一栏由所在单位教学管理部门填写,教务处审定;3) 减免教学工作量的应予以说明。
资格审查需审查的材料清单及附件模板资格复审需审查的材料清单1.学历证(最高学历学历证书);2.学位证(有学位要求的岗位需提供);3.有效居民身份证;4.报名登记表;5.笔试准考证;6.有干部管理权限的任免机关出具的《同意报考证明》(要求考生必须在面试资格复审阶段提供);7.《公务员登记表》或《参照管理机关(单位)工作人员登记表》(以下简称《登记表》)。
不能提供原件的考生,须提供经所在单位盖章确认“与原件相符”的《登记表》复印件;8.基层工作经历证明;9.近2年公务员年度考核称职以上等次证明材料。
10.担任副科级以上领导职务的,需提供现任职务任职文件复印件。
附件基层工作经历证明(模版)兹证明(姓名),(性别),身份证号:,于年月日至年月日在我单位工作。
具体情况如下:1、我单位的性质为(在相应内容前打“√”,下同):□党政机关□参公事业单位□非参公事业单位□企业□其他;机构层级为:□市级以上□县级以下□无。
2、该同志系我单位:□机关单位在职在编人员□事业单位在职在编人员□机关事业单位聘用人员□企业员工□服务基层项目人员□其他。
3、该同志是否曾借调(含抽调、帮助工作或跟班学习等)到市级以上党政机关工作:□是□否。
如填“是”,具体时间如下:年月日至年月日,借调到××单位工作;年月日至年月日,借调到××单位工作;………………借调时间累计达天。
4、该同志是否曾被选派到县级以下党政机关或企事业单位等基层单位工作:□是□否。
如填“是”,具体时间如下:年月日至年月日,选派到××单位工作;年月日至年月日,选派到××单位工作;………………选派到基层工作时间累计达天。
特此证明。
证明单位(单位盖章)年月日同意参加公务员遴选证明(模版)(姓名),(性别),身份证号码:,年月日起在(单位)工作。
我单位的性质为(在相应内容前打“√”或填写内容,下同):□党政机关□参公事业单位;该同志为我单位在职在编人员。
申报外评其他专技系列职称材料目录及要求一、申报评审(含正常评审、破格评审、评转)职称材料一览表及表格下载(带下划线的材料均在湖南农业大学人事处网站“职称评聘”的“职称评审”栏目下载)(一)表格(单放)(二)参评资格审查材料(按序号顺序装订成册)(三)任职资格评审材料(按序号顺序装订成册)(四)送审论文原件(五)破格材料(仅限于申报破格评审人员,装订成册)(六)附件材料(装订成册)(七)特殊要求提供的材料1.中小学幼儿园教师申报中、高级者⑴须填写专用的《湖南省中小学教师专业技术职务任职资格评审表》,材料要求与前面《专业技术职务任职资格评审表》相同。
⑵提供近三年内任教科目一个学期的全部原始教案或听课、评课原始记录,或多门课程的教案,并装订好。
⑶提交1-2份任现职以来的年度教育或班主任工作计划或年度工作总结材料的原件。
⑷兼任学校行政职务的人员,还应提交由本人执笔起草的学校工作计划,工作总结1份。
⑸外语教师要提交反映本人口语水平的录音磁带一盒(不少于30分钟),工艺美术教师要提交本人的作品二件,音乐教师要提交反映个人业务水平的录音或录像带一盒(不少于15分钟),学生获奖的指导教师,由学校提供的同行及领导签名、并加盖公章的证明材料。
2.申报政工系列者⑴审查材料中部分材料要求特殊,请见前面“参评资格审查材料”清单。
其中“政工年限统计表”具体年限计算办法可以查阅文件《湖南省思想政治工作人员专业职务评聘工作实施细则(试行)》。
⑵送审论文代表作原件要求有统一的封面“政工专业职务代表作品”;⑶政工高级要求提供“评审综合材料”(5份,单放);⑷政工中级要求提供“政工人员中级专业职务资格预审表”(1份,放入审查材料中)。
⑸所提供的学历、学位证书、资格证书、论文、著作、奖励证书、荣誉证书均须上交原件。
3.社科系列:社科系列继续教育培训有特殊要求,要求参加社科职改办组织的继续教育培训,人事处每年会统一组织报名,请自行报名参加。
合经区安置房小区监控系统一期工程施工资格审查文件招标编号:2009GCJZ0427招标单位:合经区公用事业发展公司招标代理:诚信建设项目管理监制:招标投标中心OO九年六月目录第一章投标申请人资格审查须知 (3)1.1 总则 (3)1.2 资格审查申请 (3)1.3 资格审查评审标准 (5)1.4 联合体 (6)1.5 利益冲突 (6)1.6 文件的提交 (6)1.7 其它 (7)1.8 附件 (7)附件1 投标申请人资格审查须知附表 (9)附件2 资格审查必要合格条件标准........................................ 1..1附件3 资格审查附加合格条件标准 .......................... 1..3附件4 资格审查提供原件一览表 ............................ 1.4.第二章投标申请人资格审查申请文件格式 .......................................... 1.9..资格后申请文件目录....................................................... 2..0资格审查文件附表......................................................... 2..8附表1 投标申请人一般情况............................................ 2..8..附表2 联合体投标情况表(如有)...................................... 2..9.附表3 类似工程经验.................................................. 3..0...附表4 拟派往本招标工程项目的项目经理或注册建造师(或项目经理)简历................................................................... 3..1附表5 拟分包企业情况................................................ 3..2...附表6 承诺函........................................................ 3..3附表7 其他资料...................................................... 3..4第一章投标申请人资格审查须知1.1 总则1.1.1 招标人已按照有关法律、法规、规章等规定完成了工程施工招标前的所有批准、登记、备案等手续,已具备工程施工招标的条件,且已有用于该招标项目的相应资金或资金来源已经落实。
专业技术职务资格评审材料填报说明专业技术职务资格评审材料填报说明职称评审工作体现了党和政府对广大专业技术工作者的关怀,关系到他们的切身利益。
因此,各级主管部门要加大对申报人员档案材料的审核力度,并对各单位上报材料认真审核,特别要对其工作经历严格审查,防止弄虚作假。
申报程序如下:一、申请序列号高、中级申请序列号请联系市人社局专业技术人员管理科(电话:83213045)二、申报工程系列职称所需材料申报初级所需的材料:①毕业证书、②资格证书、③聘书、④年度考核表、⑤业务工作总结、⑥《山东省专业技术职称评审表》、⑦《专业技术职称评审简表》、⑧《专业技术人员申报评审职称情况一览表》⑨《推荐申报专业技术职称“六公开”监督卡》(按学历直接申报的不提供②③④)。
申报人须提供的评审材料类别、数量(有关表格可到章丘市人力资源和社会保障局网站下载)。
用人单位将拟推荐评审人员的《专业技术人员申报评审职称情况一览表》在显要位臵进行公示。
公示无异议的,用人单位组织整理填报评审材料。
各表中“上级主管部门审查意见”栏,档案在人才托管的单位由人才部门签署意见并盖章,档案在本单位管理的由上级主管单位人事部门签署意见并盖章;“呈报部门意见”栏,申报高、中级的由章丘市人力资源和社会保障局盖章推荐,申报初级的由主管部门或人事代理机构盖章推荐。
所需材料如下:1.《山东省专业技术职称评审表》高、中、初级1份(需到到章丘市人社局专业技术人员管理科领取,手写,单位盖章)。
本表的封面现任专业技术职务和申报专业技术职务任职资格两栏统一填写技术员、助理工程师、工程师和高级工程师,无资格的不填写(其他系列参照本系列的名称填写)。
表中“单位意见”栏须填写:“本单位已对提供的申报材料逐一审核,真实准确,同意推荐”,申报人、审核人、单位负责人签名。
表中“任现职后主要专业技术工作业绩登记”栏最后填写如下承诺语:“本人承诺:所提供的个人信息和证明材料真实准确,对因提供有关信息、证件不实或违反有关规定造成的后果,责任自负”。
第四部份投标文件格式(1)资格审查资料资格审查资料必须包括,但不限于以下资料:⑴投标人的营业执照(原件及复印件加盖公章);⑵法定代表人身份证明书及授权委托书;⑶合格投标人资格中所要求的证明文件;⑷提供在佛山市区设立售后服务机构的证明资料;⑸提供有关的材料,证明其具有为本次招标采购货物提供长期维护的能力和条件;⑹投标人认为有必要提供的其他文件;⑺技术响应表。
附件1:法定代表人身份证明书单位名称:_______________________________________________________单位性质:_______________________________________________________地址:_______________________________________________________成立时间:____________年_______月_______日经营期限:________________________________________________________姓名:__________ 身份证号码:______________联系电话(手机):___ 性别:________ 年龄:________ 职务:________系(投标人单位名称)的法定代表人。
特此证明。
投标人:____________________(盖章)日期:__________年______月_____日注:1、投标人应保证所提供的联系电话有效,以保证能及时通知投标人,否则由此引起的一切后果由投标人承担。
2、开标评标会议期间,招标小组如果认为有必要,要求投标人对投标文件含义不明确的内容作必要的澄清或说明时,投标人的法定代表人或其授权人应在30分钟内到达开标室,否则,可能会导致招标小组对投标人作出不利的判定。
3、本法定代表人身份证明书后必须附上法定代表人的身份证复印件。
授权委托书本授权委托书声明:我____________(姓名)系(投标人名称)的法定代表人,现授权委托________(单位名称)______的(姓名)为我公司签署本工程的投标文件的法定代表人授权委托代理人,我承认代理人全权代表我所签署的本工程的投标文件的内容。
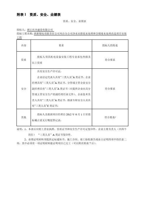
附表1 资质、安全、业绩表资质、安全、业绩表投标人:浙江庆杰建设有限公司投标工程名称:淮浙煤电有限责任公司凤台分公司净水站排泥水处理和含煤废水处理改造项目安装说明:1、本表后应附上营业执照、资质证书和安全生产许可证复印件,企业主要负责人(共四个岗位)“三类人员”A类证书复印件。
2、业绩证明材料须提供定标通知书、施工合同、竣工验收报告或业主证明四项中的任意二项,其中必须有一项证明材料能证明项目已完工(可以附在附表7后)。
附表2 项目经理资历表项目经理资历表投标人:浙江庆杰建设有限公司投标工程名称:淮浙煤电有限责任公司凤台分公司净水站排泥水处理和含煤废水处理改造项目安装说明:1、证明材料须提供定标通知书、施工合同、竣工验收报告或业主证明四项中的任意二项,其中必须有一项证明材料能证明项目已完成和项目经理的业绩(可以附在附表6后)。
2、应附资格证书、职称证书、身份证和“三类人员”B类证书等有效复印件。
附表3 安全人员C类证书投标人:浙江庆杰建设有限公司投标工程名称:淮浙煤电有限责任公司凤台分公司净水站排泥水处理和含煤废水处理改造项目安装说明:1、应附身份证和“三类人员”C类证书等有效复印件。
附表4 通用资格条件表通用资格条件表投标人:浙江庆杰建设有限公司投标工程名称:淮浙煤电有限责任公司凤台分公司净水站排泥水处理和含煤废水处理改造项目安装说明:投标人应如实填写,若隐瞒不报,经查实取消投标资格。
附表5 申请人一般情况表申请人一般情况表投标人:浙江庆杰建设有限公司投标工程名称:淮浙煤电有限责任公司凤台分公司净水站排泥水处理和含煤废水处理改造项目安装工程报价人全称浙江庆杰建设有限公司主要业务房屋建筑工程施工总承包叁级营业执照 1. 编号:3398 2.营业范围:房屋建筑工程、市政公用工程、地基与基础工程、土石方工程(除开采)、园林绿化与古建筑工程、建筑智能化工程、防腐保温工程、起重设备安装工程、城市及道路照明工程、消防设施工程、水利水电工程、体育场地设施工程、公路工程施工、建筑装饰装修设计及施工、建筑幕墙工程、钢结构工程、地质灾害治理工程设计与施工、机电设备安装、维修 3.发证单位:杭州市工商行政管理局萧山分局企业资质1.等级:房屋建筑工程施工总承包叁级 2.证书号:A27-6/2 3.发证单位:浙江省住房和城乡建设厅安全生产许可证 1.证书号:(浙)JZ安许证字【2005】010448-6/4 2.发证单位:浙江省建设厅成立日期1999.5.28现有职工总人数(人)201固定资产净值(万元)2000法定代表人 1.姓名:倪吾仙 2.职务:董事长 3.职称:工程师技术负责人 1.姓名:周校庆 2.职务:总工程师 3.职称:高级工程师联系方式1.地址:萧山区义桥镇民丰工业园区 2.联系人:林菲 3.电话: 4.邮编:311251 5.电挂:82219938 6.传真:开户银行 1.名称:浙江萧山农村合作银行义桥支行 2.帐号:下属施工单位简况(个数、专业、年完成工作量等)无组织机构框图附表7 类似工程简介表类似工程简介表投标人:浙江庆杰建设有限公司投标工程名称:淮浙煤电有限责任公司凤台分公司净水站排泥水处理和含煤废水处理改造项目安装工程注:每个工程须单独具表,并附上中标通知书、施工合同、竣工验收报告或业主证明四项中的任意二项,其中必须有一项证明材料能证明项目已完工。
国考面试复审材料
国考面试复审材料主要包括以下几类:
1. 表格:主要包括报名登记表、应届毕业生还需提供报名推荐表。
2. 证件:一般有准考证、本人身份证、学生证、工作证、外语等级证或成绩单、职业资格证书等。
3. 证明:包括同意报考证明、工作证明、学历学位证明、基层工作经历证明、劳动合同或缴纳社保证明、离职证明、待业证明等。
4. 免冠彩照。
此外,考生需按照身份类别,提供“大学生村官”、“三支一扶”、“特岗教师”、“西部志愿者”等相应的证明材料。
以上信息仅供参考,具体材料可能会根据不同的考试机构或考试部门有所不同,考生需要随时关注最新的官方信息。
证审通知尊敬的考生:您好!依据我办的打算,您所报考的职业资格考试将于近期举办。
为了确保考试的公平、公正,提高考试的质量和效果,特向您发出本次考试的证审通知。
一、证审时间和地点本次证审将于X月X日上午X时在我办举办,请您务必准时到达。
详尽证审地点详见附件一。
二、证审所需材料1.有效身份证件原件及复印件(二代身份证、护照等);2.报名表原件及复印件;3.一寸近期免冠彩色照片两张;4.相关学历、学位证书原件及复印件;5.相关培训、职称证书原件及复印件;6.其他相关证明材料。
请您务必携带以上材料,缺少任何一项将影响您的证审资格。
材料的真实性、合法性和有效性将严厉审核,请您提前做好筹办。
三、证审内容和要求1.核对个人信息:请您务必核对个人信息是否准确无误,包括姓名、性别、诞生日期、身份证号等。
如有错误,请准时向我办反馈并提供相关证明材料。
2.审核资格条件:我办将依据职业资格考试的相关规定,对您的学历、工作阅历、培训经历等进行审核。
请您提供真实、准确的材料,如有虚假状况,将打消您的考试资格。
3.照相留底:请您在现场进行照相,以便我办在考试过程中进行身份核对和监考人员身份确认。
四、其他事项1.请您提前规划好交通和时间,确保按时参与证审。
如因个人原因无法参与,需提前向我办请假并提供相关证明。
2.请您关注我办网站或拨打咨询电话,得到更多关于职业资格考试的信息和通知。
祝您证审顺畅,考试成功!如有任何疑问或需要救助,请准时与我办联系。
特此通知。
XX职业资格考试办公室日期:XXXX年X月X日。
附表1
投标申请人一般情况
注:1.独立投标申请人或联合体各方均须填写此表。
2.投标申请人拟分包部分工程,专业分包或劳务分包人也须填写此表。
近三年工程营业额数据表
投标申请人或联合体成员名称:江苏中粟建设工程有限公司
注:1、本表内容将通过投标申请人提供的财务报表进行审核。
2、所填的年营业额为投标申请人(或联合体各方)每年从各招标人那里得到的已完
工程收入总额。
3、所有独立投标申请人或联合体各成员均须填写此表。
近三年已完工程及目前在建工程一览表
注:1、对于已完工程,投标申请人或每个联合体成员都应提供收到的中标通知书或双方签订的承包合同或已签发的最终竣工证书。
2、申请人应列出近三年所有已完工程情况(包括总工程和分包工程),如有隐瞒,一
经查实将导致其申请被拒绝。
3、在建工程投标申请人必须附上工程的合同协议书复印件,不填“竣工质量标准”
和“竣工日期”两栏。
财务状况表
1、开户银行情况:
2、近三年每年的资产负债情况:
投标申请人请附最近三年经过审计的财务报表,包括资产负债表、损益表和现金流量表。
3、为达到本项目现金流量需要提出的信贷计划(投标申请人在其它合同上投入的资金不在此范围内):本公司有足够的现金流量,满足本项目施工,无需信贷。
注:投标申请人或每个联合体成员都应提供财务资料,以证明其已达到资格预审的要求。
每个投标申请人或联合体成员都要填写此表。
联合体情况
类似工程经验
注:1、类似现场条件下的施工经验要求申请人填写已完成或在建类似工程施工经验。
2、每个类似工程合同须单独具表,并附中标通知书或合同协议书或工程竣工验
收证明,无相关证明的工程在评审时将不予确认。
3、类似工程过多时,此表可复制填写。
公司人员及拟派往本招标工程项目的人员情况
注:表内列举的管理人员、技术人员可随项目类型的不同而变人。
拟派往本招标工程项目负责人与主要技术人员
注:1、拟派往本工程的主要技术人员应包括项目技术负责人,相关专业工程师,预算、合同管理人员,质量、安全管理人员,计划统计人员等。
2、对拟派往本工程的项目负责人与主要技术人员,投标申请人应提供至少个能
满足规定要求的候选人。
附表9-1 拟派往本招标工程项目负责人与项目技术负责人简历
注:1、提供主要候选人的专业经验,特别须注明其在技术及管理方面与本工程相类似的特殊经验。
2、投标申请人须提供拟派往本招标工程的项目负责人与项目技术负责人的候选
人的技术职称或等级证书复印件。
3、此表可复制填写。
附表9-2
拟派往本招标工程项目负责人与项目技术负责人简历
注:1、提供主要候选人的专业经验,特别须注明其在技术及管理方面与本工程相类似的特殊经验。
2、投标申请人须提供拟派往本招标工程的项目负责人与项目技术负责人的候选
人的技术职称或等级证书复印件。
3、此表可复制填写
附表9-3
拟派往本工程关键人员的履历
注:1、提供主要候选人的专业经验,特别须注明其在技术及管理方面与本工程相类似的特殊经验。
2、投标申请人须提供拟派往本招标工程的项目负责人与项目技术负责人的候选
人的技术职称或等级证书复印件。
3、此表可复制填写。