油漆涂料涂装产品检验方法及检测标准
- 格式:docx
- 大小:22.63 KB
- 文档页数:3
8.2 汽车工业常用涂料、涂膜性能的检测方法由于汽车的特殊性,汽车涂料已成为涂料的一个独立分支,各大汽车厂都有适合于自己需要的涂料技术条件和某些特殊的检测方法。
改革开放以来,许多汽车制造厂和汽车涂料生产厂引进了技术或合资生产,因而,也引进了国外许多先进的检测方法,目前,要规范和统一汽车涂料和涂膜的检测方法是不大可能的。
但是,在非合资厂中,涂料及涂膜的检测方法有很多还是采用国家标准,或是等效采用国外先进标准,所以,有必要对于在汽车普遍采用的国家标准做一总汇,以便于查找;对于国外一些常用的先进方法,也有必要做一些简要介绍。
8.2.1汽车涂装中常用的国家检测标准在我国的国家标准中,没有专门为汽车涂料及涂层检测定单独标准,除了某些汽车有一些自定的企业标准之外,都是选用国家的有关标准。
这类标准已不少,为便于工作时查找,表8-8列出常用的国家检测标准的名称及标准号。
表8-8 汽车涂装常用的国家检测标准GB9286 -88 GB9753 -88 GB9754 -88 GB9761 -88 色漆和清漆漆膜的划格试验色漆和清漆杯突试验色漆和清漆不含金属颇料的色漆漆膜之200、600和850镜面光泽的测定色漆和清漆色漆的目视比色8.4.2 涂层光泽测定法.光泽测定在GB 9754 - 88 《不含金属颜料的色漆漆膜之20°、60°和85°镜面光泽的测定》标准中己有了规定。
在涂装施工现场中,涂层光泽是一个经常要检测的项目,可以用便携式光撇,如BYK - Gardner 公司制造的微型光泽仪。
必须指出的是,为了提高测量的灵敏度,对于不同的光泽度范围,应该选用不同角度的光泽仪进行测量,如图8-2 所示,60°光泽仪适用于测量光泽度为10-70%的中光泽涂层。
当用60°光泽仪测量光泽度超过70%的高光泽涂层时,则应采用20°光泽仪测量。
当用60°光泽仪测量光泽度小于10%的低光泽涂层时,则应采用85°光泽仪测量。
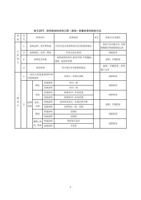
表5.19.5溶剂型涂料涂饰工程(清漆)质量标准和检验方法类别序号检查项目质量标准单位检验方法及器具主控项目1 涂料品种、型号和性能应符合设计要求和现行有关标准的规定检查产品合格证书、性能检测报告和进场验收记录2 涂料颜色、光泽、图案应符合设计要求观察检查3 涂饰综合质量涂料涂饰应均匀、粘结牢固,不得漏涂、透底、起皮和反锈观察、手摸检查4 基层处理符合现行有关标准的规定观察、手摸检查、检查施工记录一般项目1涂层与其他装修材料和设备衔接处应吻合,界面应清晰观察检查2涂饰质量颜色普通涂饰均匀一致观察检查高级涂饰均匀一致木纹普通涂饰棕眼刮平、木纹清楚观察检查高级涂饰棕眼刮平、木纹清楚光泽、光滑普通涂饰光泽基本均匀、光滑无挡手感观察、手摸检查高级涂饰光泽均匀一致、光滑刷纹普通涂饰无刷纹观察检查高级涂饰无刷纹裹棱、流坠、皱皮普通涂饰明显处不允许观察检查高级涂饰不允许表5.19.4溶剂型涂料涂饰工程(色漆)质量标准和检验方法类别序号检查项目质量标准单位检验方法及器具主控项目1 涂料品种、型号和性能应符合设计要求和现行有关标准的规定检查产品合格证书、性能检测报告和进场验收记录2 涂料颜色、光泽、图案应符合设计要求观察检查3 涂饰综合质量涂料涂饰应均匀、粘结牢固,不得漏涂、透底、起皮和反锈观察、手摸检查4 基层处理应符合现行有关标准的规定观察、手摸检查、检查施工记录一般项目1 涂层与其他装修材料和设备衔接处应吻合,界面应清晰观察检查2涂饰质量颜色普通涂饰均匀一致观察、手摸检查高级涂饰均匀一致光泽、光滑普通涂饰光泽基本均匀、光滑无挡手感高级涂饰光泽均匀一致、光滑刷纹普通涂饰刷纹通顺高级涂饰无刷纹裹棱、流坠、皱皮普通涂饰明显处不允许高级涂饰不允许3装饰线、分色线直线度普通涂饰≤2mm拉5m线,不足5m拉通线,用钢直尺检查高级涂饰≤1裱糊工程施工工艺基层处理、涂刷封闭底漆刮腻子找平吊垂直、套方、找规矩、弹线计算用料、裁纸粘贴壁纸壁纸修整、清理裱糊顶棚壁纸:1.基层处理、涂刷封闭底漆:将顶棚表面的灰浆、粉尘、油污等清理干净后,涂刷一道封闭底漆,底漆要求满刷、不得漏刷。
喷漆外观质量检验标准(二)引言概述:喷漆外观质量检验标准是用来评估喷漆产品外观质量的标准,从而确保产品在外观方面达到一定的质量要求。
本文将介绍喷漆外观质量检验的五个主要方面,包括颜色一致性、涂层厚度、光泽度、漆面平整度和表面缺陷。
这些方面涵盖了评估喷漆外观质量的关键指标,有助于生产厂商和检验人员确保产品在外观方面达到客户的期望。
正文:一、颜色一致性1. 根据客户要求,确定喷漆产品的颜色标准。
2. 使用色差仪或人工目测方法,对喷漆产品颜色进行检测。
3. 比较检测结果与颜色标准的差异,判断颜色一致性是否合格。
4. 针对不合格的喷漆产品,进行调整或重新喷涂,直至达到颜色标准。
二、涂层厚度1. 使用涂层厚度仪测量喷漆产品的涂层厚度。
2. 根据客户要求,确定涂层厚度的上下限值。
3. 比较测量结果与上下限值,判断涂层厚度是否符合要求。
4. 针对不合格的喷漆产品,进行调整或重新喷涂,直至达到涂层厚度要求。
三、光泽度1. 使用光泽度计测量喷漆产品的光泽度。
2. 根据客户要求,确定光泽度的要求值。
3. 比较测量结果与要求值,判断光泽度是否符合要求。
4. 针对不合格的喷漆产品,进行调整或重新喷涂,直至达到光泽度要求。
四、漆面平整度1. 视觉检测喷漆产品的漆面平整度,检查有无凹凸不平、起皮等现象。
2. 使用手工方式或检测仪器,测量喷漆产品的平整度。
3. 根据客户要求,确定漆面平整度的标准。
4. 比较测量结果或视觉检测结果与标准,评估漆面平整度是否合格。
5. 针对不合格的喷漆产品,进行修复或重新喷涂,直至漆面平整度符合要求。
五、表面缺陷1. 视觉检测喷漆产品表面是否存在气泡、瑕疵等缺陷。
2. 使用放大镜或显微镜,对喷漆产品表面进行详细检查。
3. 根据客户要求,确定表面缺陷的允许数量和尺寸。
4. 比较检测结果与标准,判断表面缺陷是否在可接受范围内。
5. 针对有过多或大尺寸的表面缺陷的喷漆产品,进行修复或重新喷涂,以确保产品质量。
油漆喷涂产品检验标准产品外观检验标准一、目的该标准旨在定义喷粉、油漆产品的外观要求,并确立允收/拒收标准。
二、适用范围该标准适用于公司外购和自制的所有喷粉和油漆产品。
三、表面定义1.A级面:常见表面,如面板、机箱上表面和直接向客户提供的零件等;2.B级面:不经常见到的表面,如机箱侧面和后面等;3.C级面:只有在移动或打开时才能看到的表面,如机箱底面、内部零件表面等。
四、检测条件1.检测时必须在40w荧光灯下进行,并与产品使用时的环境相仿;2.检测过程中不能使用放大镜,检测表面和人眼呈45°角;3.A级面在检测时需移动,以获得最大反光效果;4.B级面和C级面在检测时不移动,如示意图所示。
五、外观标准1.允收总则1.1 所有等级面应喷涂完好,且满足颜色、光泽度、厚度、附着力等方面的要求;1.2 喷涂表面允许补漆,但补漆后的表面应符合下列允收表中A级面、B级面和C级面的允收标准;1.3 缺陷允收定义了1250平方毫米区域内各类缺陷的最大允收数量。
对于大于1250平方毫米的零件表面,缺陷允收数量与之成正比例。
同时,两个或两个以上的缺陷不能相连。
2.缺陷定义2.1 杂质:喷涂表面的外来物;2.2 凹痕:基本材料压痕造成的喷涂面局部凹陷;2.3 掉漆:局部表面喷涂物的缺失;2.4 刮痕:浅底的沟槽;2.5 橘皮:喷涂因涂料附着力差而导致起皱;2.6 流挂:喷涂涂料过多且不均匀使表面产生的流痕;2.7 气泡:表面有气泡或无附着力的喷涂区域;2.8 污迹:由于基本材料缺陷或不干净而导致零件喷涂表面有污迹或颜色不规则。
3.缺陷允收表缺陷类型A级面B级面C级面杂质不允收≤3个,直径≤1毫米,高度≤0.25毫米,两个缺陷距允收离≥50毫米≤3个,直径≤1毫米,高度≤0.25毫米,两个缺陷距允收离≥50毫米凹陷不允收不允收允收掉漆不允收不允收允许补漆,但不得露底刮痕不允收不允收不允收橘皮不允收不允收不允收流挂不允收不允收不允收气泡不允收不允收不允收污迹不允收不允收不允收。
涂装质量的检测内容及方法一、涂料施工性能的检测涂料的施工性能是至关重要的,它直接影响到涂膜的质量。
现代化流水线的涂装生产中,对涂料施工性能的检测是涂装生产前的重要准备工作。
假如涂料施工出现质量问题,其缺失将是很大的。
因此,务必要在涂装前作好涂料施工性能的检测。
(一)涂料施工性能包含的内容涂料施工性能,包含从将涂料施工到被涂物上开始,至形成干燥的漆膜为止。
其中包含施工性(刷涂性、喷涂性或者刮涂性)、双组分涂料的混合性能、活化时间与使用有效时间、使用量与标准涂装量、湿膜与干膜厚度、流平性、流挂性、最低成膜温度、干燥时间、遮盖性能等。
对电泳漆、粉末涂料则各有其特定的施工性能。
对涂料施工性能的检测是对涂料能否符合被涂物需要的一个重要检验,也是防止涂装质量出问题的一个重要措施。
(二)涂料施工性能具体检测的要紧内容及方法1、使用量涂装施工的使用量,是指涂料在正常施工的情况下,在单位面积上制成一定厚度的涂膜所需用的漆量,以g/m2为单位表示。
使用量的测定,可作为设计与施工单位作估算涂料用材计划的参考。
测定的方法有刷涂法与喷涂法。
喷涂法所测得的数据,不包含喷涂时飞溅与缺失的部分,因此,它比实际消耗量低。
测试的方法我国目前执行GB-79(89)涂料使用量测定法。
2、施工性施工性用来测定涂料产品施工的难易程度。
液体涂料施工性能好,涂料用刷、喷或者刮涂等方法施工,都很容易把涂料涂装在被涂物表面上,而不易出现因涂装方法引起的涂装质量问题。
根据施工方法,对施工性分别称之刷涂性、喷涂性与刮涂性(对腻子的施工)等。
施工性的考查用实际施工结果给予定性的结论,在评定时存在着主观因素,因此最好用与标准样品比较得出结果。
测试的方法我国目前执行GB-753.6-86涂料产品的大面积刷涂试验。
3、流平性流平性是涂料施工性能中的一个重要项目。
流平性是指涂料在施工后,其涂膜由不规则、不平整的表面流展成平坦而光滑表面的能力。
涂料流平是重力、表面张力与剪切力的综合效果。
引言:喷漆外观质量检验标准是衡量喷漆产品表面质量的重要标准之一。
本文将通过引言概述、正文内容和总结等部分,系统详细阐述喷漆外观质量检验标准的相关内容。
概述:喷漆外观质量检验标准是制定和遵守的一套规定,旨在保证喷漆产品的外观质量稳定达标。
喷漆外观质量检验标准的制定包括外观缺陷分类、检验方法、测试仪器和评定标准等方面。
本文将通过正文内容,按照正条相关的检验标准,以期为喷漆外观质量检验提供详尽的指导。
正文内容:一、外观缺陷分类1.涂装表面缺陷:主要包括漆膜起皱、起泡、开裂、脱落等缺陷,要求对喷漆表面进行细致检查。
2.涂装颜色缺陷:主要包括色差、色斑、色纹等缺陷,要求使用颜色检测仪进行检验。
3.涂装光泽缺陷:主要包括发光度不均、亮度不足等缺陷,要求使用光泽度仪进行测量。
4.涂装漏喷缺陷:主要包括漆膜少喷、漆膜漏喷等缺陷,要求对喷漆的覆盖面积进行严格检查和评定。
5.涂装划伤缺陷:主要包括刀痕、刮痕等缺陷,要求对喷漆表面进行显微镜检查。
二、检验方法1.目视检查法:根据外观缺陷分类,通过肉眼观察的方法进行检验,对明显的外观缺陷进行评定。
2.仪器检测法:使用专业的检测仪器进行检验,如颜色检测仪、光泽度仪等,对颜色、光泽等外观质量进行定量检测。
三、测试仪器1.颜色检测仪:用于精确测量涂装颜色的仪器,能够判断出色差、色斑等问题。
2.光泽度仪:用于测量涂装光泽度的仪器,能够量化反射光的亮度,判断出涂装漆面是否光洁度不足。
3.显微镜:用于检查涂装划伤缺陷的仪器,能够放大细微的划痕并进行评定。
四、评定标准1.外观缺陷等级评定:根据外观缺陷的严重程度,将其分为轻微、一般、严重三个等级,并根据不同等级制定相应的处理措施。
2.涂装颜色差异评定:根据颜色差值,将涂装颜色的差异进行分级,以确定是否达到标准要求。
3.光泽度评定:通过光泽度仪测量的数值,判断涂装的光泽度是否符合标准要求。
五、小点详述1.对于涂装表面缺陷的检验,应仔细观察漆膜的起皱、起泡、开裂、脱落等情况。
水性涂料涂饰工程(薄涂料)质量标准及检验方法1适用范围:本条适用于乳液型涂料、无机涂料、水溶性涂料等水性涂料涂饰工程的施工质量验收。
2检查数量:
1)室外涂饰工程,每一栋楼的同类涂料涂饰的墙面每500m2~1000m2 应划分为一个检验批,不足500m2 也应划分为一个检验批。
2)室内涂饰工程,同类涂料涂饰的墙面每50 间(大面积房间和走廊按涂饰面积30m2 为一间)应划分为一个检验批,不足50 间也应划分为一个检验批。
3)室外涂饰工程,每100m2 应至少检查1 处,每处不得小于10m2。
4)室内涂饰工程,每个检验批应至少抽查10%,并不得少于3 间,不足3 间时应全数检查。
3质量标准和检验方法:
水性涂料涂饰工程(薄涂料)质量标准和检验方法。
涂料及涂料产品的质量标准及检验方法涂料及涂料产品的质量标准及检验方法涂料及涂料产品是现代工业生产和建筑装饰的必备产品之一。
其质量直接关系到产品的耐久性、美观度和环境友好性等方面,对于保障产品质量和消费者权益具有重要意义。
为了确保涂料及涂料产品的质量,需要制定相应的质量标准以及检验方法,以便进行质量监管和检测。
一、涂料质量标准1.色彩和光泽度:涂料产品的颜色应符合国家相关标准,如GB/T 9789《涂料色泽检验方法》。
颜色可以通过比色仪或者视觉进行检验。
光泽度可以通过光泽度计或者视觉进行检验。
2.干燥时间:涂料干燥时间是涂料施工后能够变得干燥,不再粘附其他物体的时间。
涂料干燥时间的测定可以通过质量变化、表面触摸、挂针或者挂球等方法进行。
3.附着力:涂料附着力是指涂料与基材的黏附程度。
一般通过扒拉试验、压敏胶带试验或者划格试验等方法进行。
4.硬度:涂料的硬度可以分为铅笔硬度和划痕硬度。
铅笔硬度是指用铅笔在涂层上不产生划痕的力度。
划痕硬度是指用钢尖在涂层上划痕的力度。
硬度测定可以通过相应的硬度计进行。
5.耐候性:涂料的耐候性是指涂料在室外暴露条件下保持其性能的能力。
常见的耐候性试验方法有人工气候老化试验和自然气候老化试验。
二、涂料检验方法1.外观质量检测:通过目测或者显微镜观察涂层的外观,检查是否有鼓泡、流淌、粗糙、脆化等缺陷。
2.固含量测定:通过测量涂料的固体含量来评估涂料的稠度和流动性,主要有烘箱法和红外涂料固化仪法。
3.粘度测定:用来衡量涂料的粘稠度,可以通过流水量、铅珠落下时间或者旋转式粘度计等方法进行测定。
4.干燥时间测定:通过测量涂料从液体状态变为固体状态需要的时间来评估其干燥时间。
可以通过指纹法、触摸法或者测量固化时间的仪器进行测定。
5.附着力测试:涂层附着力的测试可以通过划格法、交叉划格法或者扒拉试验法进行。
6.硬度测试:通过铅笔硬度和划痕硬度来评估涂料的硬度。
铅笔硬度可以通过划铅笔来判断;划痕硬度可以通过用锐利物体在涂层上划痕的效果进行评估。
建筑物外墙涂料质量检验标准建筑物外墙涂料是保护建筑物外墙、提升装饰效果的重要措施之一。
为了确保外墙涂料的质量和长期稳定性,制定一套科学合理的质量检验标准至关重要。
本文将介绍建筑物外墙涂料质量检验的标准和方法。
一、涂料外观质量检验标准1.涂层平整度:涂层应平整、光滑,不允许出现凹凸不平、气泡等缺陷。
2.颜色一致性:涂层颜色应与样品颜色一致,并符合国家标准色号要求。
3.色差:涂层颜色与样品颜色差值不应超过标准规定的允许偏差范围。
4.附着力:采用划格法进行测试,划痕长度不应超过规定长度。
5.硬度:使用铅笔硬度测试方法,不应出现刮花、掉屑现象。
二、涂料物理性能检验标准1.干燥时间:按照涂料生产商提供的干燥时间要求进行检验,确保涂层干燥时间符合标准。
2.耐水性:将涂料样品浸泡在水中一定时间后,观察是否出现变色、剥离等现象。
3.耐候性:将涂料样品放置在人工气候箱中进行人工老化测试,观察是否出现变色、开裂等现象。
4.耐酸碱性:将涂料样品进行浸泡酸碱试验,观察是否出现变色、剥离等现象。
5.耐热性:将涂料样品暴露在高温环境下一定时间后,观察是否出现变色、粉化等现象。
三、涂料化学性能检验标准1.挥发性有机物含量:按照国家标准方法进行检测,确保涂料挥发性有机物含量符合标准。
2.溶剂残留量:使用相应溶剂提取涂料样品,通过仪器分析溶剂中残留量是否超过标准限制。
3.重金属含量:使用相应溶剂提取涂料样品,通过仪器分析涂料中重金属含量是否超过标准限制。
四、涂料施工性能检验标准1.稀释性:按照涂料生产商的建议比例稀释涂料,观察粘度是否符合要求。
2.延伸性:使用拉伸试验仪测试涂料样品的延伸性能,确保不出现断裂现象。
3.覆盖力:通过刷涂不同颜色底材,观察涂料是否能够完全覆盖底材。
4.耐洗刷性:使用相应工具和清洁剂进行洗刷,观察涂料是否有剥落、变色等现象。
五、涂料包装标识要求1.产品标识:涂料包装上应有清晰的产品名称、型号、生产日期、生产厂家等信息。
涂装质量检验规则在制造和加工行业中,涂装起着非常重要的作用。
涂装能够改善产品的外观,保护产品免受腐蚀和损坏,并提供额外的耐用性。
然而,如果涂装质量不合格,可能导致产品质量下降,从而影响产品的市场竞争力和声誉。
因此,制定涂装质量检验规则对于确保产品质量和顾客满意度至关重要。
涂装质量检验规则的目的是确定涂层的质量是否符合预期标准和要求。
这些规则通常由国家或行业标准制定,涵盖了涂装的各个方面,包括涂料选择、涂布方法、涂层厚度、外观质量、附着力、耐腐蚀性能等。
以下是一些常见的涂装质量检验规则。
1. 涂料选择规则:根据不同的应用需求和环境条件,选择适合的涂料类型和配方。
例如,在室内应用中,环保型水性涂料可能是最佳选择,而在户外环境中,要求更高的耐候性的氟碳漆可能更适合。
2. 涂布方法规则:确保涂料均匀地涂布在待涂物表面上,以保证涂膜的平整度和一致性。
涂布方法可以包括刷涂、辊涂、喷涂等,具体选择取决于产品形状和要求。
3. 涂层厚度规则:涂层的厚度对于产品的性能和稳定性至关重要。
根据产品和涂装要求,测量涂层的厚度,并确保其符合规定的最小和最大要求范围。
4. 外观质量规则:涂装表面的外观直接影响产品的整体质量感和市场竞争力。
因此,在涂装过程中,需要检查和评估涂层的颜色、光泽度、平整度、表面光滑度等外观质量指标。
5. 附着力规则:涂层的附着力是衡量涂装质量的重要指标之一。
通过使用相关测试方法,检测涂层与基材之间的黏结程度和强度,以确保涂层不易剥落或剥落。
6. 耐腐蚀性能规则:特定的产品可能处于各种严峻的环境条件下,暴露于腐蚀因素。
涂装质量检验规则需要确保涂层具有足够的抗腐蚀性能,以保护产品免受腐蚀和损坏。
除了上述规则,涂装质量检验还需要在制定和实施过程中考虑以下几个关键因素。
1. 检验方法和设备:制定涂装质量检验规则时,需要确定适合该规则的检验方法和设备。
这些方法和设备可以包括颜色测量仪、涂层厚度仪、附着力测试仪等。
涂装后的质量检验方法摘要:涂装是一种常见的表面处理方法,广泛应用于各个行业,尤其是制造业。
涂装的质量直接影响着产品的外观和使用寿命。
为了保证涂装质量,对涂装后的产品进行质量检验是必不可少的。
本文将介绍涂装后的常用质量检验方法,包括外观检查、涂层厚度测量、附着力测试、耐腐蚀性检测等,帮助读者全面了解涂装后质量检验的重要性和方法。
1. 外观检查外观检查是最基本也是最直观的涂装质量检验方法。
通过肉眼观察产品表面是否有涂装缺陷,如气泡、裂纹、色差等,可以快速判断涂装质量的好坏。
此外,还可以使用光源照射产品表面,使用放大镜检查细微缺陷。
外观检查需要在适当的条件下进行,避免光线和观察角度对判断结果产生误导。
2. 涂层厚度测量涂层厚度是涂装质量的一个重要指标,直接关系到涂装的防护性能和表面效果。
涂层厚度测量主要使用电子测厚仪或磁性测厚仪进行。
测厚仪能够准确测量涂层厚度,并可提供测量结果的数值和图示,便于工作人员进行判断。
对于不同涂装要求的产品,有相应的涂层厚度指标要求,通过测量涂层厚度来判断是否符合要求。
3. 附着力测试涂装后的产品与基材之间的附着力是涂装质量的另一个重要指标。
低附着力会导致涂层起皱、脱落等问题,影响产品的使用寿命和外观效果。
常用的附着力测试方法有划格法、剥离试验法等。
划格法通过在涂层表面划槽,然后使用胶带进行剥离,观察剥离程度判断附着力好坏;剥离试验法通过机械或化学方法将涂层与基材剥离,测量剥离力大小来判断附着力。
4. 耐腐蚀性检测涂装后的产品通常需要具备一定的耐腐蚀性能,以防止被外界环境所腐蚀。
常见的耐腐蚀性检测方法有盐雾试验、湿热试验等。
盐雾试验通过将样品置于盐雾环境中,观察和测量其表面是否出现腐蚀,以及腐蚀的程度;湿热试验则通过将样品置于高温高湿环境中,观察其表面是否出现腐蚀现象。
这些测试方法可以模拟特定的环境,评估涂装后产品的耐腐蚀性能。
5. 其他质量检验方法除了上述主要的质量检验方法,还可以根据具体需要进行其他的检验,如耐磨性测试、耐刮性测试、耐温性测试等。
喷漆质量检验标准一、引言喷漆作为一种重要的表面涂装工艺,在不同的行业中都有广泛的应用,如汽车制造、家具加工、建筑装饰等。
为了确保喷漆工艺的质量,需要建立一套科学严谨的质量检验标准。
本文将就喷漆质量检验标准进行详细介绍,以期为相关行业提供参考。
二、喷漆质量检验标准的重要性1. 保证产品质量:通过对喷漆质量进行检验,可以及时发现和解决涂装过程中出现的问题,保证产品的质量稳定性和一致性。
2. 提高生产效率:建立科学规范的喷漆质量检验标准,有助于减少生产过程中的浪费,提高生产效率。
3. 增强企业竞争力:实施严格的质量检验标准可以提高企业的品牌信誉和市场竞争力,促进企业可持续发展。
三、喷漆质量检验标准的内容1. 喷漆涂层厚度:涂层厚度是衡量喷漆质量的重要指标之一,通常应根据产品的要求和设计规范确定涂层的最佳厚度范围。
2. 喷漆附着力:涂层与基材之间的附着力直接影响产品的耐久性和美观度,可采用划格法、交叉划格法等方法来进行检测。
3. 喷漆颜色和光泽:根据产品设计要求,对喷漆的颜色和光泽进行检验,确保符合客户的要求。
4. 喷漆表面平整度:通过目测和手触等方法检验油漆表面的平整度,以确保表面光滑、无气泡、无瑕疵。
5. 喷漆耐候性:对不同环境条件下的喷漆耐候性进行测试,如耐腐蚀性、耐磨性、耐高温性等。
6. 喷漆环保性:检测喷漆产品中是否含有有害物质,如铅、镉等,确保符合环保法规和标准。
四、喷漆质量检验标准的执行方法1. 采样和标定:在检验过程中,需要采集足够数量的样品,并进行正确的标定,以确保检验结果的准确性和可靠性。
2. 检验设备:选择合适的检验设备和仪器,如厚度计、划格仪、光谱仪等,用于对涂层的厚度、附着力、颜色、光泽等进行检测。
3. 检验方法:根据标准规范和流程,采用正确的检验方法和操作步骤,进行质量检验。
4. 检验记录:对检验结果进行记录和归档,并及时反馈给涂装生产部门,以便及时调整生产工艺和参数。
五、喷漆质量检验标准的应用范围喷漆质量检验标准适用于各类涂装产品和涂装工艺,包括汽车喷漆、家具喷涂、金属表面处理、建筑装饰等领域。
建筑涂料涂装工程验收规范作业指导书第1章总则 (4)1.1 范围 (4)1.2 规范性引用文件 (4)1.3 术语和定义 (5)1.3.1 建筑涂料 (5)1.3.2 涂装工程 (5)1.3.3 施工质量验收 (5)1.3.4 合格 (5)1.3.5 缺陷 (5)第2章基本要求 (5)2.1 涂装前准备 (5)2.1.1 施工前应对建筑物的基层进行检查,保证基层强度、平整度、清洁度等符合规范要求。
(5)2.1.2 基层处理:对基层进行打磨、清理、修补缺陷,保证基层表面平整、干净、牢固。
(5)2.1.3 基层处理后的检查:检查基层处理效果,保证无油污、灰尘、疏松物等影响涂料附着力的物质。
(5)2.1.4 施工前应制定详细的施工方案,明确施工工艺、施工顺序、施工要求等。
(5)2.2 涂料和辅助材料 (6)2.2.1 涂料应选用符合国家及行业标准的产品,具有出厂合格证及检验报告。
(6)2.2.2 涂料在使用前应进行现场验收,保证涂料品种、颜色、质量等符合设计要求。
62.2.3 辅助材料(如稀释剂、固化剂等)应与所选涂料相匹配,并符合相关质量标准。
(6)2.2.4 涂料和辅助材料的储存、运输应遵守产品说明书要求,保证产品质量。
(6)2.3 施工机具和设备 (6)2.3.1 施工机具和设备应根据施工工艺、涂料品种及施工环境进行合理选择。
(6)2.3.2 施工机具应保持清洁、完好,保证施工过程中不损坏涂料功能。
(6)2.3.3 施工设备(如喷涂设备、搅拌设备等)应定期进行检查、维护,保证设备正常运行。
(6)2.3.4 施工过程中应合理配置施工机具和设备,提高施工效率,保证施工质量。
(6)第3章施工工艺 (6)3.1 涂料施工方法 (6)3.1.1 基层处理 (6)3.1.2 涂料调配 (6)3.1.3 涂料施工 (6)3.2 涂装施工要求 (6)3.2.1 施工环境 (7)3.2.2 涂层厚度 (7)3.2.3 涂装间隔 (7)3.2.4 施工安全 (7)3.3 涂装施工过程中的检查与维护 (7)3.3.2 施工过程中的维护 (7)3.3.3 施工记录 (7)第4章涂料系统选择 (7)4.1 涂料系统分类 (7)4.1.1 按照成膜物质分类,涂料可分为以下几类:油脂类涂料、树脂类涂料、橡胶类涂料、硅酸盐类涂料等。
涂料产品质量监督检验规则涂料是一种常见的建筑装饰材料,广泛应用于室内外墙面、地板、家具等领域。
为了保证涂料产品的质量和安全性,需要进行质量监督检验。
本文将介绍涂料产品质量监督检验的规则和要点。
一、检验标准和方法涂料产品质量监督检验的标准主要包括国家标准、行业标准和企业标准。
国家标准是指涂料行业的相关标准,如GB/T 9756《涂料耐磨抗刮性的测定》等;行业标准是指涂料行业协会或组织制定的标准;企业标准是指企业自行制定的标准,用于指导企业自身涂料产品的质量。
在进行涂料产品质量监督检验时,通常采用的方法有物理性能测试、化学成分分析、耐候性测试等。
物理性能测试包括涂膜厚度、干燥时间、耐磨性等指标的测试;化学成分分析主要是对涂料中有害物质、有机溶剂等成分进行检测;耐候性测试是指对涂料在不同气候条件下的耐久性进行评估。
二、样品选取和检验流程涂料产品质量监督检验的样品选取应符合一定的原则,如样品要具有代表性、样品数量要足够等。
样品选取后,需要按照一定的检验流程进行检验。
检验流程包括样品接收、样品登记、检验准备、检验操作、结果判定等环节。
在每个环节中,都需要严格按照规定的程序和要求进行操作,确保检验结果的准确性和可靠性。
三、常见问题及处理方法在涂料产品质量监督检验中,常见的问题包括涂料干燥时间不符合标准、涂膜厚度不均匀、涂料中有害物质超标等。
对于这些问题,可以采取相应的处理措施。
例如,对于干燥时间不符合标准的涂料,可以调整涂料配方或改变施工条件;对于涂膜厚度不均匀的问题,可以加强施工管理,提高涂料施工的均匀性;对于涂料中有害物质超标的情况,可以选择替代品或调整生产工艺,减少有害物质的使用。
四、质量监督检验的意义和作用涂料产品质量监督检验的意义在于保证涂料产品的质量和安全性,维护消费者的权益,促进涂料行业的健康发展。
通过质量监督检验,可以及时发现和解决涂料产品存在的质量问题,提高产品的质量和竞争力,推动涂料行业的技术进步和创新。