消防各系统联动调试记录
- 格式:doc
- 大小:28.50 KB
- 文档页数:2
消防系统试运行调试记录
调试时间:YYYY年MM月DD日
地点:[填写地点]
调试人员
- 主调试人:[填写姓名]
- 助理调试人:[填写姓名]
调试项目
1. 火灾报警控制盘调试
- 增加、删除和修改报警区域编号和名称
- 设置报警联动模式和相应动作
- 检查报警设备的连接状态和运行情况
2. 灭火系统调试
- 检查灭火装置的工作状态和连接情况
- 检查灭火控制盘上的参数设置是否正确
- 执行一次手动启动和停止灭火系统的测试
3. 排烟系统调试
- 检查排烟系统的运行状态和连接情况
- 检查排烟控制盘上的参数设置是否正确- 制动一次手动启动和停止排烟系统的测试
调试结果
1. 火灾报警控制盘调试结果:
- 报警区域编号和名称都正确设置
- 报警联动模式和相应动作设置成功
- 报警设备连接状态良好,运行正常
2. 灭火系统调试结果:
- 灭火装置工作正常,连接正常
- 灭火控制盘上参数设置正确
- 手动启动和停止灭火系统测试通过
3. 排烟系统调试结果:
- 排烟系统运行正常,连接正常
- 排烟控制盘上参数设置正确
- 手动启动和停止排烟系统测试通过
待改进事项
1. 确保火灾报警控制盘设置的各项参数准确无误
2. 继续监测灭火系统工作状态,确保实际灭火效果符合要求
3. 持续监测排烟系统运行状况,确保排烟效果良好
审核人员
- 主审核人:[填写姓名]
- 助理审核人:[填写姓名]。
消防系统试运行调试记录日期:20XX年X月X日地点:大厦试运行第一阶段:联动测试测试目的:验证消防系统是否能与其他安全系统联动,并正确执行相应的控制和警告操作。
测试准备:1.确保消防系统已经安装完毕,并与其他安全系统连接正常。
2.确保所有测试设备准备就绪,并具备调试状态。
测试过程和结果记录:1.首先,进行与监控系统的联动测试。
通过模拟火灾事件,触发消防系统与监控系统的联动,检查监控系统是否能够正确接收到消防系统的报警信息,并执行相应的警报操作。
测试结果显示,监控系统能够正确接收到消防系统的报警信息,并实时显示在监控中心。
2.接下来,进行与门禁系统的联动测试。
通过模拟火灾事件,触发消防系统与门禁系统的联动,检查门禁系统是否能够根据消防系统的报警信息,及时关闭门禁通道,确保人员安全撤离。
测试结果显示,门禁系统能够根据消防系统的报警信息,及时关闭门禁通道,确保人员安全撤离。
3.然后,进行与安全疏散系统的联动测试。
通过模拟火灾事件,触发消防系统与安全疏散系统的联动,检查安全疏散系统是否能够根据消防系统的报警信息,及时发出疏散指令,并引导人员按疏散路线撤离。
测试结果显示,安全疏散系统能够根据消防系统的报警信息,及时发出疏散指令,并引导人员按疏散路线撤离。
4.最后,进行与报警系统的联动测试。
通过模拟火灾事件,触发消防系统与报警系统的联动,检查报警系统是否能够根据消防系统的报警信息,及时发出声光报警提示,并通知相关部门进行灭火救援。
测试结果显示,报警系统能够根据消防系统的报警信息,及时发出声光报警提示,并通知相关部门进行灭火救援。
试运行第二阶段:详细功能测试测试目的:验证消防系统的各项功能是否正常,并记录其中的问题和改进意见。
测试准备:1.检查消防系统的各个部件是否安装正确、连接稳定。
2.确保消防系统的测试设备准备就绪。
测试过程和结果记录:1.首先,测试消防系统的火灾报警功能。
通过在不同位置放置烟雾传感器模拟火灾事件,检查消防系统是否能够正确识别并报警。
火灾自动报警/联动系统调试情况记录表Automatic Fire Alarm/Integrated System Commissioning Record Table《火灾自动报警/联动系统调试情况记录表》使用说明一、适用范围《火灾自动报警/联动系统调试情况记录表》适用于由我公司工程技术人员参与指导、调试、维修的消防报警/联动系统情况的记录。
二、填写要求1.合同名称:填写合同签订名称。
2.地址:工程具体地址。
3.建筑名称:该建筑名称。
4.建筑面积:总建筑面积。
5.地上:建筑地上部分层数。
6.地下:建筑地下部分层数。
7.消控室位置:消防室房间号或处于建筑物何位置。
8.管理部门:消防系统设备管理部门名称。
9.施工(使用)单位:施工(使用)单位名称。
10.联系人/职务:施工(使用)单位联系人姓名职务。
11.电话:施工(使用)单位电话。
12.验收单位:依次填写验收单位名称(如:省消防检测机构、消防支队、工程公司、用户等)。
13.验收程度:依次填写报警联动系统已验收部分(如:某层至某层或报警系统或除某某设备以外的联动部分等)或验收进展(如:未验、部分验收、整体验收等)。
14.验收结果:依次填写验收结果(如:通过、未通过、基本通过)。
15.验收时间:依次填写验收时间。
16.调试人员:依次填写参与验收人员姓名。
17.分支机构负责人:由负责此项工程业务管理的分支机构负责人签名。
18.调试人员:参与本次调试人员姓名。
19.日期:本次调试起、止日期。
20.主要工作内容:分类填写本次调试主要工作内容。
21.施工(使用)方代表:由施工(使用)方代表签字。
22.施工单位意见:由施工方代表填写对本系统调试运行意见,并签字或盖章。
23.使用单位意见:由使用方代表填写系统开通运行意见,并签字或盖章。
24.总结:由调试负责人对系统调试运行情况进行总结。
25.制表:填表人签名。
26.日期:填表日期。
三、原件存档部门及保存期《火灾自动报警/联动系统调试情况记录表》填写完成后,原件在技术服务部存档,保存期为工程验收后2年,公司档案室保存期为15年,如果我公司与该工程签定了维护协议,则各种质量记录的部门保存期延长1年,然后再送档案室保存15年。
单位(子单位)工程名称 2所属子分部(系统)工程名称 /分项(子系统)工程名称相关的施工部位(层、区、段、房、室)总承包施工单位项目负责人专业承包安装单位项目负责人施工执行的技术标准(含企业的工艺规程、工法等) 名称及编号与调试性能指标相关的设计文件(图)名称及编号检查调试的起止日期:年月日起至年月日止调试(检查)项目调试(检查)内容及要求调试(检查)结果(符合 / 不符合要求)1.系统设备、管道及组件的功能及安装质量检查1.1 系统管道及组件安装质量符合相关规范及设计要求1.2 室内、外消火栓布置符合图纸设计要求1.3 水泵、接合器安装符合相关规范及设计要求1.4 水泵的数量、流量、压力、泄压装置、自灌引水措施等均符合相关规范和设计要求1.5 系统的压力符合设计要求,并满足《高层民用建筑设计防火规范》GB 50045(相对于高层建筑)或《建筑设计防火规范》GBJ 16(相对于低层建筑)中最不利点处灭火所需压力的要求2.水泵启停和切换试验2.1 手动启停泵、消防中心启停泵符合相关规范及设计要求2.2 远控信号启停泵符合相关规范及设计要求2.3 稳压装置自动启停符合相关规范及设计要求2.4 主、备泵切换的可靠性符合相关规范及设计要求3.水源及其水量检测3.1 高位(屋面)水箱(池)有效容积符合设计要求3.2 低位消防水箱 (池) 有效容积符合设计要求( )( ) 3.3 消防水源与市政水源的连通符合相关规范及设计要求4.模拟喷水试射试验4.1 布设水枪符合相关规范及设计的流量要求4.2 喷水试射充实水柱符合相关规范及设计对充实水柱 (压力)的要求专业承包安装单位检查评定结果专业工长(施工员)(签名) 调试负责人(签名)主控项目全部符合要求,一般项目满足规范要求,本检验符合要求。
项目专业质量检查员 (签名): 年月日。
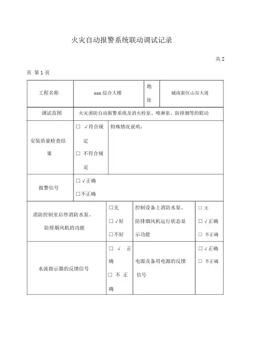
火灾自动报警系统联动调试记录共 2 页第 1 页地工程名称xxx 综合大楼城南新区山谷大道址调试范围火灾消防自动报警系统及消火栓泵、喷淋泵、防排烟等的联动□ √符合规特殊情况说明:安装质量检查结定果□ 不符合规定□√正确报警信号□不正确□无控制设备上消防水泵、□ 无消防控制室启停消防水泵、□√好防排烟风机运行状态显□√正确防排烟风机的功能□不好示功能□ 不正确□ √ 正□√正确确电源及备用电源的反馈□ 不正确水流指示器的反馈信号□ 不正信号确信号阀的反馈信号防火卷帘(门)正压送风机(阀)排烟风机(阀)空调联动控制(电动防火阀)警报装置火灾应急广播消防专用电分机或电话塞孔话的设置符合规范□ √ 正确□ 不正确□√好□√正确□不好□ 不正确□√好□√正确□不好□ 不正确□√好反馈信号□√正确□不好□ 不正确□好□√正确□不好□ 不正确广播录音内容□ 无□√正确□√好□ 不正确□不好音质、音量符合规范要□√符合求□ 不符合□ √ 符□√好合□ 不好音质□ 不符合□好□√正确电梯迫降联动控制反馈信号□不好□ 不正确□好□√好门禁系统联动控制CRT、打印机的工作情况□不好□ 不好调试结论□√系统已按国家有关技术规范要求调试合格,运行正常。
xxxxx调试人调试单位调试日期消防设备有限公司员签字火灾自动报警系统联动调试记录工程xxx 综合大楼名称使用xxx有限责任公司单位调试xxx设备有限公司单位设计xxx设计研究院有限公司单位工设备名称型号数量编号程火灾报警控制器1 台01 主JB-TT-JBF-11S要点型光电探测器295 套02 设JTY-GD-JBF-3100共 2 页第 2 页工程城南新区山谷大道地址联系电话人联系电话人施工单位出厂年月生产厂家201110. xxx 消防设备公司201105. xxx 消防设备公司备手动报警按钮30 套03 201105. xxx 消防设备公司J-SAP-JBF-301/P编码声光报警器5 套04 201105. xxx 消防设备公司JBF-VM3372B气体灭火控制器1 套05 201203 xxx 消防设备公司JB-QB-21S-VFC3010A/CE2施工有无施工单位无电话遗留问题联系人调系统已按国家有关技术规范要求调试合格、试运行正常情况调试单位:xxx 消防设备有限公司施工单位:调试人员(签字)施工单位负责人(签字)。
消防联动调试记录表工程名称一、消火栓启泵按钮联动调试测试方法:所有消火栓启泵按钮逐个测试调试项目确认内容1、消防栓按钮按下消防栓启泵按钮,消防中心应能接收启泵按钮报警信号2、消防泵压力开关动作,消防栓水泵启动,消防中心应能接收消防栓水泵启动反馈信号3、声光报警接通本分区声光报警器和消防应急广播装置,指引人员疏散启动本分区的排烟风机和加压送风风机,打开相关层电梯前室、剪刀梯等需要加压送风4、防排烟风机场所的电动风阀进行加压送风,消防中心应能接收防排烟风机的启动反馈信号和电动风阀动作的信号防火卷帘门动作,消防中心应能接收防火卷帘门动作反馈信号5、防火卷帘门疏散通道上的防火卷帘门下降至距楼板面 1.8m 处,当任一只专门用于联动防火卷帘的感温探测器动作时防火卷帘门应能降到楼板面非疏散通道上的防火卷帘门应能直接下降到楼板面6、非消防电源切断本分区非消防电源,停止空调系统工作7、应急照明应急照明灯亮,安全出口指示灯亮且指引路线正确电梯迫降首层,迫降后将反馈信号传输至消防中心,消防中心应能接收电梯迫降的反馈8、电梯信号电梯机房、轿厢与消防中心的三方通话正常,语音清晰9、门禁门禁断电开锁,便于人员逃生,消防中心应能收到门禁断电开锁的反馈信号10、备用泵将主消防泵的断路器断开,模拟主消防泵发生故障的情况,备用消防泵应能顺利启动二、末端放水试验联动调试测试方法:所有末端试水装置逐个测试调试项目确认内容1、末端试水阀开启末端试水装置试水阀,进行末端放水试验,水流指示器动作,消防中心应能接收水流指示器动作信号2、喷淋泵压力开关动作,喷淋泵启动,消防中心应能接收喷淋泵启动反馈信号3、水力警铃水力警铃发出报警鸣响4、声光报警接通本分区声光报警器和消防应急广播装置,指引人员疏散启动本分区的排烟风机和加压送风风机,打开相关层电梯前室、剪刀梯等需要加压送5、防排烟风机风场所的电动风阀进行加压送风,消防中心应能接收防排烟风机的启动反馈信号和电动风阀动作的信号防火卷帘门动作,消防中心应能接收防火卷帘门动作反馈信号6、防火卷帘门疏散通道上的防火卷帘门下降至距楼板面 1.8m 处,当任一只专门用于联动防火卷帘的感温探测器动作时防火卷帘门应能降到楼板面非疏散通道上的防火卷帘门应能直接下降到楼板面7、非消防电源切断本分区非消防电源,停止空调系统工作8、应急照明应急照明灯亮,安全出口指示灯亮且指引路线正确电梯迫降首层,迫降后将反馈信号传输至消防中心,消防中心应能接收电梯迫降的反9 电梯馈信号电梯机房、轿厢与消防中心的三方通话正常,语音清晰10、门禁门禁断电开锁,便于人员逃生,消防中心应能收到门禁断电开锁的反馈信号11、备用喷淋泵将主喷淋泵的断路器断开,模拟主喷淋泵发生故障的情况,备用喷淋泵应能顺利启动是否合格是否合格消防联动调试记录表三、自动报警联动调试测试方法:随机抽取同一防火分区的任何两个报警触发装置调试项目确认内容1、报警触发装同时动作同一防火分区的任何两个报警触发装置,作为火灾自动报警的联动触发信号,置消防中心应能接收到报警信号,并发出联动指令调试的联动触发信号的形式应包含以下几种:①两个感温探测器同时动作2、触发信号的②两个感烟探测器同时动作形式③一个感温探测器和一个感烟探测器同时动作④一个感温探测器和一个手动报警按钮同时动作⑤一个感烟探测器和一个手动报警按钮同时动作3、声光报警接通本分区声光报警器和消防应急广播装置,指引人员疏散启动本分区的排烟风机和加压送风风机,打开相关层电梯前室、剪刀梯等需要加压送4、防排烟风机风场所的电动风阀,消防中心应能接收防排烟风机的启动反馈信号和电动风阀动作的信号防火卷帘门动作,消防中心应能接收防火卷帘门动作反馈信号5、防火卷帘门疏散通道上的防火卷帘门下降至距楼板面 1.8m 处,当任一只专门用于联动防火卷帘的感温探测器动作时防火卷帘门应能降到楼板面非疏散通道上的防火卷帘门应能直接下降到楼板面是否合格6、非消防电源切断本分区非消防电源,停止空调系统工作7、应急照明应急照明灯亮,安全出口指示灯亮且指引路线正确电梯迫降首层,迫降后将反馈信号传输至消防中心,消防中心应能接收电梯迫降的反8、电梯馈信号电梯机房、轿厢与消防中心的三方通话正常,语音清晰9、门禁门禁断电开锁,便于人员逃生,消防中心应能收到门禁断电开锁的反馈信号四、气体灭火系统联动调试控制方式确认内容令任何一只探测器发出火灾信号,消防中心应能接收报警信号,控制器应发出火警声光信号,但并不启动灭火装置令两种探测器同时发出火灾信号,消防中心应能接收报警信号,控制器发出火灾声光信号报警,发出联动指令1、自动控制方停止空调系统、关闭风机、风阀门、电动防火阀式经过不大于 30s 的延时后发出灭火指令,打开电磁阀,启动灭火装置释放灭火剂,同时启动防护区入口处的放气指示灯在报警过程中按下“紧急停止按钮”,可终止灭火指令的发出在灭火过程中按下“紧急停止按钮”,气体灭火控制器应停止正在执行的所有联动操作令探测器发出火灾信号,消防中心应能接收报警信号,控制器发出火警声光信号,但并不启动灭火装置2、手动控制方;手动按下“紧急启动按钮”可启动灭火装置释放灭火剂,同时控制器应立即进入灭式火报警状态,联动相关设备在灭火过程中按下“紧急停止按钮”,气体灭火控制器应停止正在执行的所有联动操作是否合格五、发电机联动调试消防联动调试记录表序号确认内容是否合格1修改线路,将发电机启动信号检测点由低压配电柜总开关的上桩改为下桩2将配电柜各路输出回路开关分闸3在消防中心控制低压配电柜总开关的分励脱扣机构动作,断开低压配电柜总开关4发电机应能在检测到低压配电柜总开关断开后15s 内启动5依次将配电柜各路消防电源合闸,发电机的负载能力符合要求,运行情况正常6运行正常后,恢复市电,此时发电机在2~3 分钟后停机7将发电机启动信号检测点由低压配电柜总开关的下桩恢复为上桩联动调试异常情况记录参与调试人员签名联动调试负章)责人:(签施工单位项目负责人:(签章)监理工程师:(签章)建设单位项目负责人:(签章)调试结论年月日年月日年月日年月日。
消防系统试运行调试记录
日期:[填写日期]
试运行调试人员:[填写人员姓名]
调试开始时间:[填写开始时间]
调试结束时间:[填写结束时间]
调试总结:
在本次试运行调试中,我们对消防系统进行了全面的检查和测试,以下是我们的调试记录:
1. 试运行测试项:火灾报警控制器
- 测试是否能够及时发出警报信号
- 测试是否能够接收火灾报警器的信号
- 测试是否能够触发声光报警器
- 测试是否能够自动通知消防部门
2. 试运行测试项:自动喷水灭火系统
- 测试是否能够及时启动喷水装置
- 测试是否能够及时停止喷水装置
- 测试是否能够自动通知消防部门
- 测试是否能够监测喷水装置的水压
3. 试运行测试项:紧急出口指示灯
- 测试是否能够正常显示指示灯
- 测试是否能够自动亮起指示灯
- 测试是否能够自动检测指示灯的工作状态
4. 试运行测试项:防烟排烟系统
- 测试是否能够及时排除火灾现场的烟雾
- 测试是否能够及时恢复正常的通风状态
根据我们的测试结果,消防系统的各项功能都正常工作,能够有效地检测火灾并采取相应的措施。
我们将继续监测和调试消防系统,确保其长期稳定运行。
调试人员签名:[填写人员签名]
日期:[填写日期]。
火灾自动报警系统联动试运转及调试记录火灾自动报警系统联动试运转及调试记录
编号:001
工程名称:
使用单位:
调试单位:
设计单位:XXX
工程地址:
联系人:
联系人:
施工单位:
编号:
XXX
出厂年月。
设备名称型号数量生产厂备注工程:
主要设备:
施工有无遗留问题:无
施工单位:
联系人:
首先,我们逐个对探测器、区域报警控制器、火灾警报装置和消防控制设备进行单机通电检查,结果均正常。
接着,我们对火灾自动报警系统通电后,采用喷烟对探测器进行试验,其动作准确无误。
对手报进行试验,区域报警控制器报警无误,声光报警器联动正常。
按照现行国家标准《火灾报警控制器通用技术条件》的有关要求,我们对报警控制器进行了下列功能检查:①火灾报警自检功能;②消音、复位功能;③故障报警功能;④火灾优先功能;⑤报警记忆功能;⑥情况下电源自动转换和备用电源的自动充电功能;⑦备用电源的欠压和过压报警功能。
我们还检查了火灾自动报警系统的主电源和备用电源,发现其容量分别符合现行有关国家标准的要求。
在备用电源连续充放电3次后,主电源和备用电源能自动转换。
最后,我们分别用主电源和备用电源供电,火灾自动报警系统的各项控制功能和联动功能均正常。
调试人员(签字):
施工单位负责人(签字):
使用单位人员(签字):
设计单位负责人(签字):。
三奕润城三期工程C-1#楼消防联动试运行记录
2020年11月5日,由甲方联合施工、物业对C-1#楼消防系统进行联动调试,检查部位为各个单元公共部位,负一层至三层商业、负二层地下室,试运行情况如下:
联动控制器:将控制器调试到联动状态,按照设计的联动逻辑关系,收到现场的火灾报警信号后,发出联动控制信号,控制器启动警报,启动消防风机,强启应急灯,切断正常照明电源(负一层至三层),自动打开消防广播,启动声光报警器;以上发出的联动信号及时准确,现场设备运行正常。
声光报警器:现场设备运行准确正常,设备完整无损,通讯正常,声音正常。
手动报警按钮:现场设备运行准确正常,设备完整无损,通讯正常,消防电话通讯正常。
消防泵启动按钮:现场设备运行准确正常,设备完整无损,通讯正常。
消防广播系统:现场设备运行准确正常,设备完整无损,通讯正常,声音正常。
应急照明系统:模块运行正常,应急灯启动方式符合图纸设计要求,运行正常。
火灾探测器:现场设备运行准确正常,设备完整无损,通讯正常。
火盘显示器:现场设备运行准确正常,设备完整无损,通讯正常,
火灾显示位置准确。
控制室图形显示器:火灾显示位置准确,通讯正常,警报声音正常。
消防风机及风阀:模块运行正常,风机及风阀开启准确正常,运行正常。
工程部:物业:
年月日年月日。