材料报验清单3
- 格式:doc
- 大小:37.50 KB
- 文档页数:1
工程材料/构配件/设备报审表施2002-16建筑安装材料、设备及配件产品进场验收记录施2002-29华天大酒店22、24楼室内装饰工程 2011年 6 月 27 日共 1 页第1 页注:质量证明书系指该批产品出厂前的质量检验报告;外观质量系指国家标准规定该产品的外观质量;是否抽样送检是指按国家需进行物理力监理(建设)项目部(章)学等安全、功能性检(试)验的产品是否抽样送检。
年月日工程材料/构配件/设备报审表施2002-16建筑安装材料、设备及配件产品进场验收记录施2002-29潇湘华天大酒店22、24楼室内装饰工程 2011年 6 月 28 日共 1 页第1 页注:质量证明书系指该批产品出厂前的质量检验报告;外观质量系指国家标准规定该产品的外观质量;是否抽样送检是指按国家需进行物理力监理(建设)项目部(章)学等安全、功能性检(试)验的产品是否抽样送检。
年月日工程材料/构配件/设备报审表施2002-16建筑安装材料、设备及配件产品进场验收记录施2002-29华天大酒店22、24楼室内装饰工程 2011年 7 月 2 日共 1 页第1 页注:质量证明书系指该批产品出厂前的质量检验报告;外观质量系指国家标准规定该产品的外观质量;是否抽样送检是指按国家需进行物理力监理(建设)项目部(章)学等安全、功能性检(试)验的产品是否抽样送检。
年月日工程材料/构配件/设备报审表施2002-16工程名称:华天大酒店F22、F24室内装饰工程编号: 004建筑安装材料、设备及配件产品进场验收记录施2002-29华天大酒店22、24楼室内装饰工程 2011年 7 月 4 日共 1 页第1 页注:质量证明书系指该批产品出厂前的质量检验报告;外观质量系指国家标准规定该产品的外观质量;是否抽样送检是指按国家需进行物理力监理(建设)项目部(章)学等安全、功能性检(试)验的产品是否抽样送检。
年月日工程材料/构配件/设备报审表施2002-16建筑安装材料、设备及配件产品进场验收记录施2002-29华天大酒店22、24楼室内装饰工程 2011年 7 月 4 日共 1 页第1 页注:质量证明书系指该批产品出厂前的质量检验报告;外观质量系指国家标准规定该产品的外观质量;是否抽样送检是指按国家需进行物理力监理(建设)项目部(章)学等安全、功能性检(试)验的产品是否抽样送检。
工程材料报验单一、报验单位,__________。
二、报验项目,__________。
三、报验时间,__________。
四、报验人员,__________。
五、报验内容,__________。
六、报验材料清单:1. 材料名称,__________ 规格型号,__________ 数量,__________ 生产厂家,__________ 供货单位,__________。
2. 材料名称,__________ 规格型号,__________ 数量,__________ 生产厂家,__________ 供货单位,__________。
3. 材料名称,__________ 规格型号,__________ 数量,__________ 生产厂家,__________ 供货单位,__________。
七、报验结果,__________。
八、报验意见,__________。
九、报验人员签字,__________。
十、报验日期,__________。
工程材料报验单是工程施工中非常重要的一环,通过对材料的报验,可以确保施工过程中使用的材料符合相关的标准和要求,保证工程质量和安全。
本次报验的材料清单如上所列,我们将对这些材料进行严格的检验和测试,确保其质量合格。
在报验过程中,我们将严格按照相关的标准和要求进行操作,对每一批材料进行抽样检测,确保其性能和质量符合要求。
同时,我们也将对材料的外观、尺寸、包装等进行全面检查,以确保材料的完好无损。
报验结果将会根据实际情况进行详细记录,并在报验意见中进行说明。
如果发现材料存在质量问题,我们将及时通知供货单位进行处理,并在报验意见中进行详细说明。
如果材料质量合格,我们将在报验单上签字确认,并填写报验日期。
工程材料报验是工程施工中的一项重要工作,只有经过严格的报验程序,才能确保施工材料的质量和安全。
我们将严格按照报验单上的要求进行操作,确保每一批材料的质量符合标准,为工程施工提供可靠的保障。
第1篇一、工程名称:XX建设项目二、施工单位:XX建筑有限公司三、监理单位:XX工程建设监理有限公司四、报验时间:2023年X月X日五、报验内容:1. 材料名称:钢筋2. 材料产地:唐钢3. 材料规格:8mm4. 材料数量:5T5. 材料用途:用于本工程主体结构施工六、报验依据:1. 《建筑工程施工质量验收统一标准》(GB 50300-2013)2. 《钢筋混凝土结构工程施工质量验收规范》(GB 50204-2015)3. 工程施工图纸及设计要求七、报验资料:1. 材料合格证2. 材料质量保证书3. 材料复试报告4. 材料进场验收记录5. 施工单位自检报告八、监理审查意见:经监理单位审查,我方对钢筋材料的质量、规格、数量进行了核实,现将审查意见如下:1. 材料合格证、质量保证书、复试报告齐全,符合国家相关标准要求。
2. 材料进场验收记录完整,与实际进场材料相符。
3. 施工单位自检报告符合要求,对钢筋材料的质量进行了全面检查。
综上所述,我方认为该批钢筋材料符合工程要求,同意进场使用。
九、施工单位承诺:1. 施工单位保证所报验的钢筋材料质量合格,符合国家相关标准要求。
2. 施工单位对所报验材料的数量、规格、产地进行核实,确保材料准确无误。
3. 施工单位对钢筋材料的使用过程进行严格把控,确保工程质量。
十、监理单位签收:监理单位已收到施工单位提交的施工材料工程报验单,并对报验内容进行了审查。
同意施工单位提出的钢筋材料进场使用申请。
监理单位(盖章):XX工程建设监理有限公司专业监理工程师(签字):XXX日期:2023年X月X日附件:1. 材料合格证2. 材料质量保证书3. 材料复试报告4. 材料进场验收记录5. 施工单位自检报告第2篇一、工程名称:XX住宅小区项目二、报验单位:XX建筑有限公司三、报验时间:2023年3月10日四、报验内容:1. 材料名称:钢筋2. 材料规格:φ8mm3. 材料产地:唐钢4. 材料数量:5T5. 材料用途:用于本项目的主体结构施工五、报验依据:1. 《建筑工程施工质量验收统一标准》(GB50300-2013)2. 《钢筋施工及验收规范》(GB50204-2015)3. 《钢筋焊接及验收规范》(GB50205-2015)六、报验流程:1. 施工单位对进场钢筋进行自检,确保材料质量符合要求。
A3.2材料(构配件)、设备进场使用报验单工程名称:六合区浮桥夜景照明、路灯采购及安装工程编号:A1-致:同正工程咨询监理(监理单位)兹报验:□1材料进场使用。
□2构配件进场使用。
□3工程设备进场使用/开箱检查。
□4名称: DN25 PVC管、DN25 三通(带检查孔)采购单位:侨琪建设工程拟用部位:浮桥夜景照明附件(共页):□清单(如名称、产地、规格、数量等)、样品。
□出厂合格证、质保书、准用证。
□检测报告、复试报告。
□其它有关文件。
本次报验容系第 1次报验, 届时本项目经理部已完成自检工作且资料完整, 并呈报相应资料。
承包单位项目经理部(章):项目经理:日期:项目监理机构签收人及时间承包单位签收人及时间审查意见:□同意。
□不同意。
项目监理机构(章):专业监理工程师:日期:注:1、承包单位项目经理部应提前提出本报验单,需复试合格才能使用的,应在复试合格后签批。
2、大型设备开箱检查设计单位代表应参加。
省建设厅监制报验材料清单序号材料名称单位数量备注1 DN25 PVC管米130002 DN25 三通(带检查孔)个2500侨琪建设工程六合浮桥工程项目部 2012年12月02日A3.2材料(构配件)、设备进场使用报验单工程名称:六合区浮桥夜景照明、路灯采购及安装工程编号:A1-致:同正工程咨询监理(监理单位)兹报验:□1材料进场使用。
□2构配件进场使用。
□3工程设备进场使用/开箱检查。
□4名称: YJV-3*4mm2电缆采购单位:侨琪建设工程拟用部位:浮桥夜景照明附件(共页):□清单(如名称、产地、规格、数量等)、样品。
□出厂合格证、质保书、准用证。
□检测报告、复试报告。
□其它有关文件。
本次报验容系第 1次报验, 届时本项目经理部已完成自检工作且资料完整, 并呈报相应资料。
承包单位项目经理部(章):项目经理:日期:项目监理机构签收人及时间承包单位签收人及时间审查意见:□同意。
□不同意。
项目监理机构(章):专业监理工程师:日期:注:1、承包单位项目经理部应提前提出本报验单,需复试合格才能使用的,应在复试合格后签批。
合同名称:桃江县灰山港自来水厂供水扩建工程编号:B2—4-1
工程物质选样送审表
工程名称:桃江县灰山港自来水厂扩建工程编号:C3-1—1
工程物质选样送审表
工程物质选样送审表
工程物质选样送审表
管材进场抽检记录
管材进场抽检记录
管材进场抽检记录
管材进场抽检记录
工程物质选样送审表
工程名称:桃江县灰山港自来水厂扩建工程编号:C3—1-5
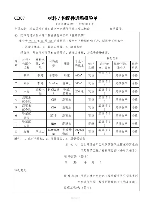
材料/构配件进场报验单
工程物质选样送审表
工程名称:桃江县灰山港自来水厂扩建工程编号:C3—1—6
材料/构配件进场报验单
管材进场抽检记录
工程物质选样送审表
管材进场抽检记录
工程名称:桃江县灰山港自来水厂扩建工程编号:C3—4-3-5
材料/构配件进场报验单
合同名称:桃江县灰山港自来水厂供水扩建工程编号:B2-4-5
工程物质选样送审表
工程名称:桃江县灰山港自来水厂扩建工程编号:C3—1-8
材料/构配件进场报验单
管材进场抽检记录
工程名称:桃江县灰山港自来水厂扩建工程编号:C3-4—3-7
管材进场抽检记录
工程名称:桃江县灰山港自来水厂扩建工程编号:C3—4-3-8
工程物质选样送审表
工程名称:桃江县灰山港自来水厂扩建工程编号:C3-1-9
材料/构配件进场报验单
主要设备材料、原材料、构配件质量证明文件及复试报告汇总表工程名称:桃江县灰山港自来水厂扩建工程编号:C3—2—
材料、配件检验记录汇总表
工程名称:桃江县灰山港自来水厂扩建工程编号:C3-4-2
表式:C3—4—2
阀门试验记录
产品合格证粘贴衬纸
工程名称:桃江县灰山港自来水厂扩建工程编号:C3-4—13。
工程材料报验单工程材料报验单是施工现场管理中非常重要的一项工作,是保证工程质量的重要手段之一。
本文将从什么是工程材料报验单、报验单的作用及意义、报验单的填写要点以及工程材料报验单的重要性等方面进行阐述。
一、什么是工程材料报验单工程材料报验单是指施工现场按照法律法规和技术规范对原材料及配件进行检验、测试、质量评估和认证的工作流程证明文件,同时也是施工单位向监理单位交付材料的重要资料。
二、报验单的作用及意义报验单对策划和控制施工计划具有积极意义,可以使施工过程中的处事有据、公正、公开、公平;因此,它的重要性也不言而喻。
它能够证实该材料的品质符合标准,能够用于施工过程之中,保证施工过程的顺利进行并提高工程质量。
同时,该工作流程也有助于材料及其质量状态的监验复核、识别技术标准的设定机制、检验员的技能提高等等;而同时,还能消除材料供应商和施工方之间可能出现的信任部分及利益冲突,构建高品质、高水平、高效率的施工管理体系。
三、报验单的填写要点1. 报验单应明确填写物料的名称、批号、数量、质量检测参数和性质等基本内容。
只有对物料的检测参数、质量标准、适用范围进行详细的标注,才能判断物料是否可以使用在合适的地方。
2. 报验单上要标注检测机构的名称和编号,报检日期、检测日期、检验人签名等信息。
同时要具备领取人、检验人等主体的姓名、证件号、签章等信息,以利日后可能的问题解决。
3. 报验单的所有复印件应该通过专用渠道提交材料专业部门进行审核,将重点关注是否符合规定的技术要求和规范。
四、工程材料报验单的重要性1. 保证工程质量工程材料报验单是工程施工中最关键的保证质量的组成部分之一。
只有经过了严格的报验流程,才能保证施工质量符合要求,从而避免了出现不良后果。
2. 促进施工效率工程材料报验单能够更好地促进施工效率,有助于人员和材料的高效配合,节省时间和资源,保证施工周期的正常推进。
3. 降低施工风险工程材料报验单可以在施工过程中对材料及配件进行监督、检验、评估和认证。
设备/材料及样本提交审批表项目名称 : 分包单位 : 分包合约名称 : 审批表格编号 :审批表格提交日期:A. 提交审批的内容A.1 设备/材料名称:A4. 详细的附件【 】制造商的说明书/技术数据 【 】设备表【 】证书/已被批准的信件 【 】设备安装大样图 【 】样本 【 】材料部签署 日期:B. 技术部签署审阅: (专业工程师) 日期: 批准: (部门经理) 日期:B.1 批注意见(如有需要,请另加附页)审阅: (专业工程师) 日期: 批准: (总监) 日期:C.1 批注意见(如有需要,请另加附页)上海长甲置业有限公司Shanghai Changjia Real Estate Co., Ltd.审核:(专业工程师)日期:批准:(部门经理)日期:D.1 批注意见(如有需要,请另加附页)E. 项目部签署审核:(专业工程师)日期:批准:(部门经理)日期:E.1批注意见(如有需要,请另加附页)批准:(总经理)日期:F.1批注意见(如有需要,请另加附页)G. 集团公司主管领导签署批准:(主管领导)日期:G.1批注意见(如有需要,请另加附页)H. 集团公司总裁签署批准:(总裁)日期:H.1批注意见(如有需要,请另加附页)I. 审批表格使用说明I.1 本表格为材料部在项目中使用设备及材料前流转审批时使用。
I.2 本表格首先由材料部就材料情况填写审批内容(A项内容)后,进行流转审批。
I.3 由技术部就材料的技术要求、档次定位,对提交材料进行审批,并批注意见(B项内容)。
I.4 由监理单位就国家及行业规范对报审材料进一步审核,并提供意见(C项内容)。
I.5 由合约部就材料成本对提交的材料进行审核,并提供意见(D项内容)。
I.6 由项目部就进度要求、质量、安全、现场施工等情况对报审材料进行审批,并提供意见(E项内容)。
I.7 由总经理参考上述意见及内部沟通意见对该报审材料进行批准(F项内容)。
I.8 由集团公司主管领导参考上述意见对此报审材料进行批准(G项内容)。
A3.3材料(构配件)、设备进场使用报验单
江苏省建设厅监制
A3.3材料(构配件)、设备进场使用报验单
工程名称:盐城市香苑西园小区编号:A3.3—
江苏省建设厅监制进场材料清单
北京建工集团香苑西园小区项目部
2010年3月8日
A3.3材料(构配件)、设备进场使用报验单
工程名称:城南新区老干部活动中心编号:A3.3—
江苏省建设厅监制
A3.3材料(构配件)、设备进场使用报验单
江苏省建设厅监制
A3.3材料(构配件)、设备进场使用报验单
工程名称:海韵林湾花园地下汽车库及13#、14#楼编号:A3.3—
江苏省建设厅监制
A3.3材料(构配件)、设备进场使用报验单
工程名称:月湖花城28#楼编号:A3.3—
江苏省建设厅监制
A3.3材料(构配件)、设备进场使用报验单
工程名称:盐城市先锋国际广场编号:A3.31—
江苏省建设厅监制
进场材料清单
盐城市鸿基建筑安装有限责任公司 2010年2月9日
A3.3材料(构配件)、设备进场使用报验单
江苏省建设厅监制
进场材料清单
盐城市鸿基建筑安装有限责任公司 2010年2月9日
A3.3材料(构配件)、设备进场使用报验单
工程名称:盐城市先锋国际广场编号:A3.31—
江苏省建设厅监制
A3.3材料(构配件)、设备进场使用报验单
江苏省建设厅监制
A3.3材料(构配件)、设备进场使用报验单
工程名称:盐城市先锋国际广场编号:A3.31—
江苏省建设厅监制。
工程材料、构配件、设备报审表工程名称:小茅山垃圾场生态修复工程—致:扬州建苑工程监理有限责任公司〔项目监理机构〕于2016年8月22 日进场的钢筋,经我方检验合格,现将相关资料报上,请予以审查。
附件:□1工程材料/构配件/设备清单:■2质量证明文件:■3自检结果:□4其他本次报审内容系第 1 次报审。
施工项目经理部〔章〕:项目经理〔签字〕:年月日项目监理机构签收人及时间施工项目经理部签收人及时间审查意见:□同意使用。
□不同意使用。
项目监理部(章):专业监理工程师〔签字〕:年月日注:1、施工单位项目经理部应提前提出本报验单,需复试合格才能使用的,应在复试合格后签批。
2、大型设备开箱检查建设单位、设计单位代表应参加。
江苏省住房和城乡建设厅监制工程材料、构配件、设备报审表工程名称:小茅山垃圾场生态修复工程—专业监理工程师〔签字〕:年月日注:1、施工单位项目经理部应提前提出本报验单,需复试合格才能使用的,应在复试合格后签批。
2、大型设备开箱检查建设单位、设计单位代表应参加。
江苏省住房和城乡建设厅监制工程材料、构配件、设备报审表工程名称:小茅山垃圾场生态修复工程—专业监理工程师〔签字〕:年月日注:1、施工单位项目经理部应提前提出本报验单,需复试合格才能使用的,应在复试合格后签批。
2、大型设备开箱检查建设单位、设计单位代表应参加。
江苏省住房和城乡建设厅监制工程材料、构配件、设备报审表工程名称:小茅山垃圾场生态修复工程—专业监理工程师〔签字〕:年月日注:1、施工单位项目经理部应提前提出本报验单,需复试合格才能使用的,应在复试合格后签批。
2、大型设备开箱检查建设单位、设计单位代表应参加。
江苏省住房和城乡建设厅监制工程材料、构配件、设备报审表工程名称:小茅山垃圾场生态修复工程—专业监理工程师〔签字〕:年月日注:1、施工单位项目经理部应提前提出本报验单,需复试合格才能使用的,应在复试合格后签批。
2、大型设备开箱检查建设单位、设计单位代表应参加。