负反馈放大电路实验报告
- 格式:doc
- 大小:2.31 MB
- 文档页数:17
负反馈放大电路实验报告负反馈放大电路实验报告引言:在电子学中,负反馈放大电路是一种常见且重要的电路配置。
通过引入负反馈,可以提高放大电路的稳定性、线性度和频率响应。
本实验旨在通过实际搭建负反馈放大电路并测量其性能参数,验证负反馈的作用和效果。
一、实验原理负反馈是指将放大电路的一部分输出信号与输入信号进行比较,并将差值反馈到放大电路的输入端,从而调节放大倍数和频率响应。
负反馈放大电路可以分为电压负反馈和电流负反馈两种类型。
二、实验过程1. 实验器材准备:准备好放大电路所需的电阻、电容等元件,以及信号发生器、示波器等测量设备。
2. 搭建电路:按照实验要求,搭建负反馈放大电路。
3. 测试输入输出特性:将信号发生器连接到放大电路的输入端,通过改变输入信号的幅值和频率,测量输出信号的幅值和相位。
4. 测试频率响应:保持输入信号的幅值不变,改变输入信号的频率,测量输出信号的幅值和相位随频率变化的情况。
5. 测试稳定性:通过改变负反馈电阻的值,观察输出信号的变化情况,验证负反馈对放大电路稳定性的影响。
三、实验结果与分析在实验中,我们搭建了一个基本的电压负反馈放大电路,并进行了一系列测试。
以下是实验结果的总结和分析:1. 输入输出特性:通过测量输入输出信号的幅值和相位,我们可以得到放大电路的增益和相位差。
实验结果显示,随着输入信号幅值的增加,输出信号的幅值也相应增加,但增益逐渐减小,这是负反馈的作用。
相位差也随着频率的变化而变化,但变化较为平缓,说明负反馈对相位稳定性的改善。
2. 频率响应:我们改变输入信号的频率,测量输出信号的幅值和相位随频率变化的情况。
实验结果显示,随着频率的增加,输出信号的幅值逐渐减小,相位差也有所变化。
这是因为负反馈对高频信号有一定的衰减作用,从而改善了放大电路的频率响应。
3. 稳定性:通过改变负反馈电阻的值,我们观察到输出信号的变化情况。
实验结果显示,当负反馈电阻增大时,输出信号的幅值减小,但增益变得更加稳定。
一、实验目的加深理解放大电路中引入负反馈的方法和负反馈对放大器各项性能指标的影响。
二、实验设备与器件1、+12V 直流电源2、函数信号发生器3、双踪示波器4、万用表5、晶体三极管3DG6×2(β=50~100)或9011×2 电阻器、电容器若干。
三、实验原理负反馈放大器有四种组态,即电压串联、电压并联、电流串联、电流并联。
本实验以电压串联负反馈为例,分析负反馈对放大器各项性能指标的影响。
1、图3-1为带有负反馈的两级阻容耦合放大电路,在电路中通过f R 把输出电压O U 引回到输入端,加在晶体管T1的发射极上,在发射极电阻1F R 上形成反馈电压f U 。
根据反馈的判断法可知,它属于电压串联负反馈。
带有电压串联负反馈的两级阻容耦合放大器主要性能指标如下①闭环电压放大倍数:u u uuf F A 1A A +=其中I O u U U A /=——基本放大器(无反馈)的电压放大倍数,即开环电压放大倍数。
u u F A +1——反馈深度,它的大小决定了负反馈对放大器性能改善的程度。
②反馈系数:F1f F1u R R R F +=③输入电阻:i u u if R F A R )1(+=,i R ——基本放大器的输入电阻④输出电阻:uuO Oof F A 1R R +=,of R :基本放大器的输出电阻 uo A :基本放大器∞=L R 时的电压放大倍数 ①在画基本放大器的输入回路时,因为是电压负反馈,所以可将负反馈放大器的输出端交流短路,即令0=O U ,此时f R 相当于并联在1F R 上。
②在画基本放大器的输出回路时,由于输入端是串联负反馈,因此需将反馈放大器的输入端(T1管的射极)开路,此时)1F f R R +(相当于并接在输出端。
可近似认为f R 并接在输出端。
根据上述规律,就可得到所要求的如图3-2所示的基本放大器。
四、实验步骤1、测量静态工作点数模实验箱按图3-3连接实验电路,模拟电子技术实验箱按图3-4连接实验电 路,首先取 适量,频率为1KHz 左右,调节电位器使放大器的输出不出现失真,然后使 (即断开信号源的输出连接线),用万用表直流电压档分别测量第一级、第二级的静态工作点,记入表3-1。
一、实验目的1.了解N 沟道结型场效应管的特性和工作原理;2.熟悉两级放大电路的设计和调试方法;3.理解负反馈对放大电路性能的影响。
二,理论估计电压并联负反馈放大电路方框图如图1 所示,R 模拟信号源的内阻;R f 为反馈电阻,取值为100 kΩ 。
两级放大电路的参考电路如图2 所示。
图中R g3 选择910kΩ ,R g1、R g2 应大于100k Ω ;C1~C3 容量为10μ F,C e 容量为47μ F。
考虑到引入电压负反馈后反馈网络的负载效应,应在放大电路的输入端和输出端分别并联反馈电阻R f,见图2,理由详见“五附录-2”。
b. 静态工作点的调试第一级电路:调整电阻参数,使得静态工作点满足:I DQ 约为2mA,U GDQ < - 4V。
记录并计算电路参数及静态工作点的相关数据(I DQ,U GSQ,U A,U S、U GDQ)。
第二级电路:通过调节R b2,使得静态工作点满足:I CQ 约为2mA,U CEQ = 2~3V。
记录电路参数及静态工作点的相关数据(I CQ,U CEQ)。
设场效应管栅极电位为,则,即同时,,又因为由此得到.其中,应该尽量大,参考器件盒中的电阻值,故取取, 要让I DQ 为2mA,对JEFF管进行直流扫描分析,得对表格进行放大由游标数值读出当时,此时,根据器件盒内的电阻阻值可取.此时,A点电位(即两端电压)两端电压.对于第二级电路,当时,由于故根据器件盒子里的电阻阻值,可以选择开环动态参数的估算由JFET 2N5486的转移特性曲线可知,可得时第一级输入电阻90.90.,第二级输入电阻 2.22.第一级输出电阻第一级电压放大倍数第二级输出电阻.第二级电压放大倍数 1电路的电压放大倍数输入电阻.输出电阻闭环参数的估算.又因为,所以三、实验内容1. 基本要求:利用两级放大电路构成电压并联负反馈放大电路。
(1)静态和动态参数要求✓ 放大电路的静态电流I DQ 和I CQ 均约为2mA ;结型场效应管的管压降U GDQ < - 4V , 晶体管的管压降U CEQ = 2~3V ;✓ 开环时,两级放大电路的输入电阻约为100k Ω ,以反馈电阻作为负载时的电压放大倍数的数值 ≥ 100;✓ 闭环电压放大倍数为 10so sf -≈=U U A u 。
负反馈放大电路的实验报告负反馈放大电路的实验报告引言负反馈放大电路是电子工程领域中常见的一种电路结构,它通过将一部分输出信号反馈到输入端,以达到提高电路性能的目的。
本实验旨在通过搭建负反馈放大电路并进行实验验证,深入理解负反馈放大电路的原理和应用。
实验原理负反馈放大电路是通过将一部分输出信号反馈到输入端,形成一个反馈回路,从而改变电路的输入-输出关系。
其中最常见的一种负反馈方式是电压负反馈,它通过将输出电压与输入电压之间的差异进行放大,从而实现对电路增益的调节。
实验步骤1. 准备实验所需的电路元件和仪器设备,包括放大器、电阻、电容等。
2. 根据实验要求,搭建负反馈放大电路。
3. 连接信号源和示波器,确保电路正常工作。
4. 调节放大器的参数,如增益和带宽,观察输出信号的变化。
5. 测量并记录实验数据,包括输入信号的幅值、输出信号的幅值、增益等。
6. 对实验结果进行分析和总结,验证负反馈放大电路的性能。
实验结果与分析通过实验我们得到了一系列实验数据,并进行了分析和总结。
首先,我们观察到在负反馈放大电路中,输出信号的幅值相对于输入信号的幅值有所减小。
这是因为负反馈放大电路通过将一部分输出信号反馈到输入端,降低了电路的增益,从而实现了对信号的调节。
其次,我们还观察到在负反馈放大电路中,输出信号的频率响应更加平坦。
这是因为负反馈放大电路通过反馈回路,降低了电路的频率响应,使其更加稳定。
这对于一些需要稳定输出信号的应用场景非常重要。
此外,我们还发现负反馈放大电路可以提高电路的线性度。
通过调节反馈回路的参数,我们可以使输出信号更加接近输入信号,从而减小非线性失真。
这对于音频放大器等需要高保真度的应用非常重要。
结论通过本次实验,我们深入理解了负反馈放大电路的原理和应用。
负反馈放大电路通过将一部分输出信号反馈到输入端,实现了对电路增益、频率响应和线性度的调节。
这种电路结构在电子工程领域中具有广泛的应用,如音频放大器、运算放大器等。
负反馈放大电路实验报告一、实验目的。
本实验旨在通过搭建和测试负反馈放大电路,加深对负反馈原理的理解,掌握负反馈放大电路的基本特性和工作原理。
二、实验原理。
负反馈放大电路是在放大器的输出端和输入端之间加入反馈电路,使得输出信号的一部分反馈到输入端,从而抑制放大器的增益,降低失真,提高稳定性和线性度。
三、实验器材。
1. 信号发生器。
2. 示波器。
3. 电阻、电容。
4. 电压表。
5. 万用表。
6. 负反馈放大电路实验箱。
四、实验步骤。
1. 按照实验箱上的示意图连接负反馈放大电路。
2. 调节信号发生器的频率和幅度,观察输出端的波形变化,并用示波器观察输入输出波形的相位差。
3. 测量输入端和输出端的电压、电流,计算增益和带宽。
4. 调节反馈电路的参数,观察输出波形的变化。
五、实验结果与分析。
通过实验我们观察到,在负反馈放大电路中,输出波形的失真明显降低,相位差减小,增益稳定性提高。
当调节反馈电路的参数时,输出波形的变化也相对灵活,这说明负反馈放大电路具有较好的调节性能。
六、实验结论。
负反馈放大电路可以有效地降低失真,提高稳定性和线性度,是一种常用的放大电路结构。
掌握负反馈放大电路的基本特性和工作原理,对于电子工程技术人员来说具有重要的意义。
七、实验总结。
通过本次实验,我们深入了解了负反馈放大电路的工作原理和特性,并通过实际操作加深了对其的理解。
在今后的学习和工作中,我们将更加熟练地运用负反馈放大电路,为电子技术的发展贡献自己的力量。
八、参考文献。
1. 《电子技术基础》,XXX,XXX出版社,200X年。
2. 《电子电路设计与仿真》,XXX,XXX出版社,200X年。
以上为负反馈放大电路实验报告的内容,希望对大家有所帮助。
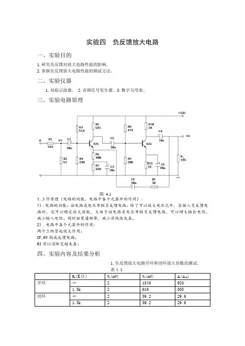
实验四负反馈放大电路一、实验目的1.研究负反馈对放大电路性能的影响。
2.掌握负反馈放大电路性能的测试方法。
二、实验仪器1.双踪示波器。
2.音频信号发生器。
3.数字万用表。
三、实验电路原理图 4.11.工作原理(电路的功能、电路中各个元器件的作用):1).电路的功能:该电路是电压串联负反馈电路。
除了可以放大电压之外, 当接入负反馈电路时, 还可以稳定放大倍数, 又由于该电路是电压串联负反馈电路, 可以增大输出电阻, 减小输入电阻。
同时拓宽通频带, 减小非线性失真。
2).电路中各个元器件的作用:两个三极管起放大作用;CF,Rf构成反馈电路;R3用以消除交越失真;四、实验内容及结果分析1.负反馈放大电路开环和闭环放大倍数的测试:表4.1R L(KΩ)V i(mV) V0(mV) A V(A vf)开环∞ 2 1840 9201.5k 2 616 308闭环∞ 2 59.2 29.61.5k 2 59.2 29.62.负反馈对失真的改善作用(1)将图4.1电路开环, 逐步加大Vi的幅度, 使输出信号出现失真(注意不要过份失真)记录失真波形幅度。
(2)将电路闭环, 观察输出情况, 并适当增加Vi幅度, 使输出幅度接近开环时失真波形幅度。
若RF=3K不变, 但RF接入1V1的基极。
3.测放大电路频率特性表4.2f H(Hz) f L(Hz)开环140HZ 1.2KHZ闭环 2.88MHZ 400HZ五、小结思考题1.分析电路的负反馈组态。
该电路是电压串联负反馈电路2.根据实验内容总结负反馈对放大电路的影响。
稳定放大倍数, 又由于该电路是电压串联负反馈电路, 可以增大输出电阻, 减小输入电阻。
同时拓宽通频带, 减小非线性失真。
负反馈放大器【实验目的】1、 加深负反馈对放大器工作性能影响的认识。
2、 掌握负反馈放大器性能指标的测试方法。
【实验仪器】双踪示波器、低频信号发生器、万用表、直流稳压电源 【实验原理】 1、 基本概念及分类负反馈放大器就是采用了负反馈措施(即将输出信号的部分或全部通过反馈网络送回输入端,以消弱原输入信号)的放大器。
负反馈放大器有电压串联、电压并联、电流串联和电流并联四种基本组态。
如图1所示的方框图有:图 1 负反馈放大器方框图01f f x A A x AF==+ 1B AF =+B 称为反馈深度。
当1D时,1f A F≈2、 负反馈放大器对性能的影响 (1)放大倍数的稳定性提高11f fA AA AF A∆∆=•+ (2)通频带扩展为原有的(1+AF )倍。
(3)减少非线性失真及抑制噪声。
(4)对输入、输出电阻的影响。
串联负反馈输入电阻增加,并联负反馈输入电阻减小;电压负反馈输出电阻减小,电流负反馈输出电阻减少,电流负反馈输出电阻增大。
【实验内容及步骤】 实验电路如图2所示:图 2 负反馈放大器实验电路1、 调整各级静态工作点2、 测量负反馈对放大倍数稳定性的影响(1) 测量基本放大器放大倍数的变化量。
(2) 测量负反馈放大器放大倍数的变化量。
(3) 计算相对变化量。
3、 观测负反馈放大器扩展通频带的作用。
4、 测量负反馈对输入电阻的影响。
【数据记录】实验数据记录在表1中:表格 1【数据分析与处理】由记录的数据可以看出,有反馈时:6.25%21.587A A ∆== 无反馈时:203046.58%A A ∆== 可见增益稳定性提高了,但并不理想,考虑到实验条件,示波器显示不准,读数有误差应为主要原因。
【总结】由这次试验可明显得到以下结论: 1、 引入负反馈会牺牲增益;2、引入负反馈后增益的稳定性提高了;3、引入负反馈能大大扩宽通频带;4、引入负反馈能增大输入电阻。
负反馈放大电路实验报告总结
负反馈放大电路是一种能够有效提高放大器性能的电路。
通过引入反馈信号,可以减小放大器的非线性失真、提高增益稳定性和频带宽度等。
本次实验中,我们通过搭建简单的负反馈放大电路,验证了负反馈的作用和效果。
实验步骤:
首先搭建一个基本的放大电路,包括一个晶体管、电源、输入信号和输出装置。
然后,在电路中引入一个反馈回路,将输出信号与输入信号进行比较,从而控制放大器的增益。
最后调节反馈回路的参数,观察放大器的性能变化。
实验结果:
通过实验,我们发现负反馈放大电路能够有效提高放大器的性能。
在没有反馈时,放大器的增益较高,但存在非线性失真和频带受限等问题。
而在引入反馈信号后,放大器的增益减小,但失真程度明显降低,频带宽度也得到了扩展。
我们还观察到反馈回路的参数对放大器性能的影响。
当反馈电阻较小,反馈信号影响较小,放大器的增益仍然较高;当反馈电阻较大,反馈信号影响较大,放大器的增益显著减小。
因此,在实际应用中,需要根据具体情况选择合适的反馈回路参数。
总结:
负反馈放大电路是一种简单有效的电路,对于提高放大器的性能具有重要作用。
实验中,我们通过搭建电路、调节参数等方式,验证了负反馈的作用和效果,并发现了反馈回路参数对放大器性能的影响。
这对于我们在实际应用中设计和优化电路具有重要的指导意义。
负反馈放大电路实验报告一、实验目的1、掌握负反馈四种基本组态的判断方法。
2、巩固学习负反馈放大器分析方法,加深对基本方程的理解。
3、加深理解负反馈对改善放大器性能的影响。
4、分析掌握影响负反馈电路稳定性的原因及消除方法。
二、仪器设备及备用元器件(1)实验仪器序号名称型号备注1 示波器2 数字万用表3 模拟实验板(2)实验材料序号名称说明备注1 三极管2N5551;9012;90132 电阻见附件3 电容见附件三、实验原理与说明负反馈是电子线路中非常重要的技术之一,负反馈虽然降低了电压放大倍数,但是它能够提高电路的电压放大倍数稳定性,改变输入电阻、输出电阻,减小非线性失真以及展宽通频带。
因此,实际应用中,几乎所有的放大器都具有负反馈电路部分。
本实验中的电路由两级共射放大电路组成,在电路中引入了电压串联负反馈,构成负反馈放大电路。
这样电路既可以稳定输出电压,又可以提高输入电阻。
图3.1 电压串联负反馈放大电路加负反馈后,闭环电压放大倍数:AF A A uuf +=1(3.1)深度负反馈时:FA uf 1=(3.2)电压放大倍数的相对变化量:uu ufuf A dAAF A dA ⋅+=11(3.3)通频带:BW AF BW f )1(+≈(3.4)当引入电压串联负反馈时,闭环输入电阻:i f i R AF R )1(+=(3.5)闭环输出电阻:AFR R oof +=1(3.6)改变反馈深度(调整f R 的大小),可使放大器性能指标得到不同程度的改变。
四、实验要求和任务1、实验前的准备 ⑴ 设备材料的保障(1)检查实验仪器(2)根据自行设计的电路图选择实验器件 (3)检测器件和导线(4)根据自行设计的电路图插接电路⑵ 电路设计如图3.1(完整的计算过程及数据记录)① 确定放大器工作电源(如DC12V ,功率5W 等) ② 确定放大器直流参数(如I CQ1=0.6mA;I CQ2=1mA 等) 例如:在I CQ1=0.6mA 前提下,③ 确定放大器主要参数(如负载为3k Ω;开环电压放大倍数:大于400等)。
模电负反馈放大电路实验报告模拟电子技术作为电子学的重要分支,对于电子工程师的培养具有重要意义。
在模拟电子技术中,负反馈放大电路是一种常见且重要的电路。
本文将对负反馈放大电路进行实验报告,探讨其原理、实验过程以及实验结果。
一、实验目的负反馈放大电路是一种通过在放大器输出端与输入端之间引入负反馈电压,以改善放大器性能的电路。
本次实验的目的是通过搭建负反馈放大电路,了解其工作原理以及对电路性能的影响。
二、实验原理负反馈放大电路是通过将放大器输出信号与输入信号进行比较,并将差异信号进行反馈,从而抑制放大器的非线性失真、增加电路的稳定性和线性度。
在负反馈放大电路中,反馈网络的作用是将一部分输出信号引入到输入端,与输入信号相比较,产生差异信号进行反馈。
三、实验材料本次实验所需材料包括:运放、电阻、电容、示波器等。
四、实验步骤1. 按照实验电路图搭建负反馈放大电路,确保电路连接正确。
2. 将输入信号接入到放大器的非反相输入端,输出信号接入到示波器进行观测。
3. 调节电源电压,使其达到所需的工作电压。
4. 输入不同的信号幅值,观察输出信号的变化。
5. 测量输入信号幅值与输出信号幅值之间的关系,记录实验数据。
五、实验结果与分析通过实验观察和数据记录,我们可以得到输入信号幅值与输出信号幅值之间的关系曲线。
在负反馈放大电路中,输入信号经过放大后,输出信号的幅值相对于输入信号进行了衰减。
这是因为负反馈电路引入的反馈信号与输入信号相位相反,通过相位差的叠加,使得输出信号的幅值减小。
在实验中,我们还可以观察到负反馈放大电路对输入信号波形的改变。
通过引入反馈信号,负反馈放大电路可以抑制放大器的非线性失真,使得输出信号更加接近输入信号的波形。
这对于一些对波形要求较高的应用场景非常重要。
六、实验总结通过本次实验,我们对负反馈放大电路的原理、实验过程以及实验结果有了更深入的了解。
负反馈放大电路作为一种常见的电路结构,在电子工程中具有广泛的应用。
实验二负反馈放大器(P69)一、实验目的(1)熟悉负反馈放大电路性能指标的测试方法。
(2)通过实验加深理解负反馈对放大电路性能的影响。
(3)引入负反馈降低了电压放大倍数;(4)负反馈提高了放大器增益的稳定性;(5)负反馈展宽了放大器的通频带。
二、实验原理•设计一个用集成运放组成的闭环放大电路如图1所示:放大电路1和放大电路2各自是由集成运放组成的局部负反馈放大器,就整体而言,它们可视为开环放大器(无整体反馈环时)。
三、设计任务与要求本设计要求:开环电压放大倍数A u=500(第一级放大电路电压放大倍数为20倍),闭环电压放大倍数A uf≈80左右(以实测为准),先用Multisim7进行软件仿真,然后再在实验仪上完成。
1. A741集成运放管脚介绍:• 1.5 调零端 2. 反相输入端(-)3. 同相输入端(+) 4. 脚负电源端(-15V)6. 输出端7. 脚正电源端(+15V)8. 空三、设计任务与要求2.在实验仪上将电路接成开环状态3.调零,将输入信号端接地,接通电源后分别调节电位器,使各自运放的输出为零。
-15v其中:R5为闭环放大器的反馈电阻三、设计任务与要求4.开环放大电路指标的测量(1)放大倍数的测量:输入端加入正弦波频率1KHz,电压有效值5mV 的信号.测量输出电压UO,计算开环放大倍数。
在开环放大器中,放大器A 1的放大倍数为:121*211//1R R R R R A +≈+=放大器A 2的放大倍数为: ● 根据开环放大倍数要求,可以确定出R 1~R 4的值。
● 根据平衡电阻的要求,可以确定出R b1、R b2的值。
(2)上限频率的测量: 保持输入信号不变(5mV),改变输入信号的频率,测量输出电压U o ,当信号频率上升到使放大倍数下降到中频放大倍数的0.707倍时所对应的频率为上限频率。
● 5.闭环放大电路指标的测量:● 将电路接成闭环状态。
(1)放大倍数的测量● 输入正弦波频率为1KHz ,电压有效值为5mV 的信号,测量输出电压U O ,计算电压放大倍数。
负反馈放大电路实验报告
本实验室使用的负反馈放大电路是LM741。
该IC可用于几乎所有的负反馈放大电路类型,从基本的非线性放大电路到模拟加法器,从积分电路到高电平门控放大器。
实验中使用一台型号为DS2202的示波器,并配备了实验适配器板及常见元器电路,
引入实验台。
同时,示波器上连接着实验板上的LM741电路。
实验运行电路图(忽略电源部分)可见下图:
实验的实质是测量LM741的功率放大特性,在实验之前我们应该熟悉LM741的模拟特性,也就是电路的元件如何产生多义性的电压变化特性。
实验中,数字三端口开关上调节振荡电压,改变输入信号,重复经过LM741的放大过程。
在实验过程中,同时观察和测量示波器上的输出Voltage Voltage电压波形。
操作完成后,由实验台上的数字表可看出,在实验中,示波器上的输出Voltage电压
可以随振荡电压的大小而发生变化,并能够通过增加调节电压去改变电路的功率放大系数,由此可以确定LM741的功率放大特性。
总而言之,本实验证明了LM741的功率放大特性,可以通过增加调节电压,改变电路
的功率放大系数,从而达到调节电路功率放大器的效果。
负反馈放大电路实验报告负反馈放大电路实验报告引言:负反馈放大电路是电子工程中常见的一种电路结构,通过引入负反馈,可以改善放大电路的性能,提高稳定性和线性度。
本实验旨在通过搭建负反馈放大电路并进行实际测量,验证其性能改善效果。
一、实验装置与原理本实验采用了基本的共射放大电路作为负反馈放大电路的实验对象。
该电路由三极管、电阻、电容等元件组成,其原理是通过负反馈将放大电路的输出信号与输入信号进行比较,并通过调节反馈电路的增益来实现性能的改善。
二、实验步骤1. 搭建电路:根据实验指导书上的电路图,依次连接三极管、电阻和电容等元件,确保电路连接正确无误。
2. 调整电路参数:通过调节电阻的值,使得电路的工作点达到最佳状态,以确保三极管能够正常工作。
3. 连接信号源:将信号源与输入端相连,确保输入信号正常输入。
4. 连接示波器:将示波器与输出端相连,以便观察输出信号的波形和幅度。
5. 测量输出信号:通过示波器观察输出信号的波形和幅度,并记录下相应的数值。
三、实验结果与分析在实验中,我们通过调节电阻的值,使得电路的工作点达到最佳状态。
在这个状态下,我们观察到输出信号的波形明显改善,失真减小,幅度更加稳定。
这说明负反馈放大电路能够有效地改善放大电路的性能。
此外,我们还通过改变输入信号的频率,观察输出信号的变化。
实验结果显示,随着频率的增加,输出信号的幅度有所下降,但波形仍然保持较好的线性度。
这说明负反馈放大电路对于不同频率的信号都能够进行有效放大,并保持较好的线性度。
四、实验总结通过本次实验,我们成功搭建了负反馈放大电路,并通过实际测量验证了其性能改善效果。
负反馈放大电路能够有效地改善放大电路的线性度和稳定性,使得输出信号更加稳定、准确。
在实际应用中,负反馈放大电路被广泛应用于音频放大器、功放等电子设备中,以提高音质和信号质量。
然而,负反馈放大电路也存在一些限制,如增加了电路的复杂性、引入了噪声等。
因此,在实际设计中需要综合考虑各种因素,选择合适的负反馈放大电路结构以及合适的参数。
负反馈放大电路实验报告班级姓名学号一、实验目的1.了解N沟道结型场效应管的特性和工作原理。
2.熟悉两级放大电路的设计和调试方法。
3.理解负反馈对放大电路性能的影响。
4.学习使用M ultisim分析、测量负反馈放大电路的方法。
二、实验内容(一)必做内容设计和实现一个由共漏放大电路和共射放大电路组成的两级电压并联负反馈放大电路。
1. 测试N沟道结型场效应管2N5486 的特性曲线(只做仿真测试)在Multisim设计环境下搭接结型场效应管特性曲线测试电路,利用“直流扫描分析(DC Sweep Analysis)”得到场效应管的输出特性和转移特性曲线。
测出I DSS和使i D等于某一很小电流(如5μA)时的u GS(off)。
2N5486 的主要参数见附录。
2. 两级放大电路静态和动态参数要求(1)放大电路的静态电流I DQ和I CQ均约为2mA;结型场效应管的管压降U GDQ < - 4V,晶体管的管压降U CEQ = 2~3V。
(2)开环时,两级放大电路的输入电阻R i要大于90kΩ;以反馈电阻作为负载时的电压放大倍数A u≥120。
(3)闭环时,电压放大倍数A usf = U O/U S≈ -10。
3.参考电路(1)电压并联负反馈放大电路方框图如图1所示,R模拟信号源的内阻;R f为反馈电阻。
(2)两级放大电路的参考电路如图2所示。
R g1、R g2取值应大于100kΩ。
考虑到引入电压负反馈后反馈网络的负载效应,应在放大电路的输入和输出端分别并联反馈电阻R f,理由详见附录。
4.实验方法与步骤(1)两级放大电路的测试(a)调整放大电路静态工作点第一级电路:设计与调节电阻R g1、R g2、R s参数,使I DQ约为2mA、U GDQ < - 4V,记录U GSQ、U A、U S、U GDQ。
第二级电路:调节R b2,使I CQ约为2mA,U CEQ = 2~3V。
记录U CEQ。
(b)测试放大电路的主要性能指标输入信号的有效值U s ≈ 5mV,频率f 为10kHz,测量A u1=U O1/U S、A u=U O/U S、R i、R o和幅频特性。
模拟电路实验实验报告负反馈放大电路负反馈放大器一、实验目的1.进一步了解负反馈放大器性能的影响。
2.进一步掌握放大器性能指标的测量方法。
实验设备1.示波器一台2.函数信号发生器一台3.交流毫伏表一台4.直流稳压电源一台5.万用表一只6.实验箱一台二、实验原理放大器中采用负反馈,在降低放大倍数的同时,可以使放大器的某些性能大大改善。
所谓负反馈,就是以某种方式从输出端取出信号,再以一定方式加到输入回路中。
若所加入的信号极性与原输入信号极性相反,则是负反馈。
根据取出信号极性与加入到输入回路的方式不同,反馈可分为四类:串联电压反馈、串联电流反馈、并联电压反馈与并联电流反馈。
如图3-1所示。
从网络方框图来看,反馈的这四种分类使得基本放大网络与反馈网络的联接在输入、输出端互不相同。
从实际电路来看,反馈信号若直接加到输入端,是并联反馈,否则是串联反馈,反馈信号若直接取自输出电压,是电压反馈,否则是电流反馈。
1.负反馈时输入、输出阻抗的影响负反馈对输入、输出阻抗的影响比较复杂,不同的反馈形式,对阻抗的影响也不一样,一般而言,凡是并联负反馈,其输入阻抗降低;凡是串联负反馈,其输入阻抗升高;设主网络的输入电阻为R i,则串联负反馈的输入电阻为R if=(1+FA V)R i设主网络的输入电阻为R o,电压负反馈放大器的输出电阻为R of =FA R V O +1 可见,电压串联负反馈放大器的输入电阻增大(1+A V F )倍,而输出电阻则下降到1/(1+A V F )倍。
2.负反馈放大倍数和稳定度负反馈使放大器的净输入信号有所减小,因而使放大器增益下降,但却改善了放大性能,提高了它的稳定性。
反馈放大倍数为A vf =FA A V V +1(A v 为开环放大倍数) 反馈放大倍数稳定度与无反馈放大器放大倍数稳定度有如下关系:Vf VfA A ∆=V V A A ∆⨯FA V +11 式中∆A V f/A V f 称负反馈放大器放大倍数的稳定度。
负反馈放大电路设计实验报告无07 李杭 2010011147一.实验目的(1)通过实验,学习并初步掌握负反馈放大电路的设计及电路安装、调试方法。
(2)学习用CAD 工具PSpice (或EWB )设计较复杂电路的方法。
(3)深入理解负反馈对放大电路性能的影响。
(4)巩固放大电路主要性能指标的测度方法。
二.实验任务按实验室给定的晶体管型号、参数以及电阻、电容系列值,设计一个负反馈电压放大电 路。
其输入、输出采用电容耦合。
设负载电阻2.2 R L = k Ω ,信号源内阻50 R S = Ω。
主要性能要求如下:vf i o A 40(10%)10R 15k R 10010,?1L H f Hz f MHz =±≥Ω≤Ω≤ ≥,反馈深度不低于,频率响应。
三.实验原理(1)负反馈的类型根据输入端基本放大电路和反馈网络的连接方式有并联和串联2 种,输出端取样方式 有电压取样和电流取样2 种,所以负反馈放大电路有4 种类型,即:电压串联负反馈、电 压并联负反馈、电流串联负反馈、电流并联负反馈。
(2)负反馈对放大电路性能的影响①负反馈降低增益 ②负反馈提高增益稳定性 ③负反馈影响输入输出电阻④负反馈展宽频带⑤负反馈改善非线性失真(3)消除自激的方法①加入补偿电容。
缺点:对放大电路的频率响应的影响很大。
只是要想实现放大电路的稳定,必然要牺牲一部分频带的指标。
②在射极跟随器的基极串入电阻抵消负阻效应。
对放大电路的频率特性有影响。
判断是否是由于负阻效应引起的振荡可以把示波器的探头的衰减器从´1档变为´10档,如果振荡减弱即是由于负阻引起的。
③电路要有良好的接地,尽量加粗接地线,消除干扰信号通过地线引起的影响。
这个方法只对设计印刷电路板有指导作用。
④插入电源去耦电路,抵消反馈的影响。
这种方法是最有效的,且是对放大电路的性能指标影响最小的。
⑤消除外界干扰。
如果前面的措施都解决不了的时候,就要考虑振荡的根源不是出自于自身,而是由外界传入的。
实验六负反馈放大电路一、实验要求(1)建立负反馈放大电路;(2)分析负反馈放大电路的性能。
3.实验内容过程及数据分析(1)建立如图6-1所示的电压串联负反馈放大电路。
晶体管为QNL,用信号发生器产生频率为lkHz、幅值为5mV的正弦交流小信号作为输入信号。
示波器分别接到输入端和输出端观察波形。
根据电路图,两级电压串联负反馈放大电路。
负反馈虽然使放大电路的增益下降,但是能改善放大电路的性能。
比如说,能够提高电路放大倍数的稳定性、能够扩展通频带等。
如果负反馈放大电路属于深度负反馈,则放大电路闭环放大倍数等于反馈系数的倒数。
如果电路满足深度负反馈条件,闭环电压放大倍数为11e f V R R A +=(2)打开仿真开关,双击示波器,进行适当调节后,观察输入波形和输出波形。
测量输入波形和输出波形的幅值,计算电路闭环电压放大倍数并与理论计算值相比较。
计算值:11e fV R R A +==1+10000/100=101实验值:A=vout/vin=476.469/4.998=95.332实验误差:w=Av-A/Av(3)对于电路反馈电阻Rf 进行参数扫描分析,以观察反馈电阻变化对闭环增益及通频带的影响。
具体步骤是:选择Analysis /ParameterSweep 命令,弹出ParameterSweep 对话框,选取扫描元件为Rf (即图中的R6)、扫描起始值为5k ,扫描终止值为20k 、扫描型态为Linear 、步进值为5k 、输出节点为3,再选择暂态分析或AC 频率分析,然后单击Simulate 按钮进行分析。
三、实验总结由实验数据分析知(2)对于电路反馈电阻Rf进行参数扫描分析结果,并分析结果。
负反馈放大电路实验报告
3)闭环电压放大倍数为10s
o sf
-≈=U U A
u 。
(2)参考电路
1)电压并联负反馈放大电路方框图如图1所示,R 模拟信号源的内阻;R f 为反馈电阻,取值为100 kΩ。
图1 电压并联负反馈放大电路方框图
2)两级放大电路的参考电路如图2所示。
图中R g3选择910kΩ,R g1、R g2应大于100kΩ;C 1~C 3容量为10μF ,C e 容量为47μF 。
考虑到引入电压负反馈后反馈网络的负载效应,应在放大电路的输入端和输出端分别并联反馈电阻R f ,见图2,理由详见“五 附录-2”。
图2 两级放大电路
实验时也可以采用其它电路形式构成两级放大电路。
3.3k Ω
(3)实验方法与步骤
1)两级放大电路的调试
a. 电路图:(具体参数已标明)
¸
b. 静态工作点的调试
实验方法:
用数字万用表进行测量相应的静态工作点,基本的直流电路原理。
第一级电路:调整电阻参数, 4.2
s
R k
≈Ω,使得静态工作点满足:I DQ约为2mA,U GDQ < - 4V。
记录并计算电路参数及静态工作点的相关数据(I DQ,U GSQ,U A,U S、U GDQ)。
实验中,静态工作点调整,实际4
s
R k
=Ω
第二级电路:通过调节R b2,2
40b R k ≈Ω,使得静态工作点满足:I CQ 约为2mA ,U CEQ = 2~3V 。
记录电路参数及静态工作点的相关数据(I CQ ,U CEQ )。
实验中,静态工作点调整,实际2
41b R k =Ω
c. 动态参数的调试
输入正弦信号U s ,幅度为10mV ,频率为10kHz ,测量并记录电路的电压放大倍数
s
o11U U A u =
、s
o U U A
u
=、输入电阻R i 和输出电阻R o 。
电压放大倍数:(直接用示波器测量输入输出电压幅值)
o1
U
s
U
o
U
1
u A
输入电阻: 测试电路:
¸
开关闭合、打开,分别测输出电压
1o
V和
2
o
V,代
入表达式:
2
1
12
o
i
o o
V
R R
V V
=
-
输出电阻:
测试电路:
¸
记录此时的输出:0.79V ol
V
=
1.57(1)=3
2.960.79
o o L o V R R k V '=-⨯Ω=Ω(-1)k
2)两级放大电路闭环测试
在上述两级放大电路中,引入电压并联负反馈。
合理选取电阻R (9.4k Ω)的阻值,使得闭环电压放大倍数的数值约为10。
电路图:
¸
输入正弦信号U s ,幅度为100mV ,频率为
10kHz ,测量并记录闭环电压放大倍数s
o sf
U U A
u =、
输入电阻R if 和输出电阻R of 。
实验中,取R=10kom 。
电压放大倍数:(直接用示波器测量输入输出电压幅值)
s
U
o
U
输入电阻: 测试电路:
¸
测量原理为:1
i
i
i
i
V R R V V
='-(R1此时为10kom ) i
V
i V '
输出电阻: 测试电路:
¸
记录此时的输出:0.75V ol
V
=
0.95
(1)=0.75
o o L o V R R V '=-⨯ΩΩ(-1)1k =267
提示1:闭环测试时,需将输入端和输出端的等效负载R f 断开。
提示2:输入电阻R if 指放大电路的输入电阻,不含R 。
2. 提高要求:电流并联负反馈放大电路 参考实验电路如图3所示,其中第一级为N 沟道结型场效应管组成的共源放大电路;第二级为NPN 型晶体管组成的共射放大电路。
输入正弦信号U s ,幅度为100mV ,频率为
10kHz ,测量并记录闭环电压放大倍数s
o sf
U U A
u 、
输入电阻R if 和输出电阻R of 。
图3 电流并联负反馈放大电路
电压放大倍数:(直接用示波器测量输入输出电压幅值)
s
U
o
U
输入电阻:
测试电路:
¸
测量原理为:f
1i
i i i
V R
R V V =
'- i
V
i V '
输出电阻: 测试电路:
¸
记录此时的输出:0.50V ol
V
=
f 0.91
(1)(1)4 3.280.50
o o L o V R R k k V '=-=-⨯Ω=Ω
四、负反馈对电路性能的影响 电压放大倍数:
负反馈电路可以稳定放大倍数,因为其放大倍数仅决定于反馈网络,但是相比开环放大电路,负反馈电路会减小电压放大倍数。
改变输入电阻:
串联负反馈增大输入电阻;并联负反馈减小输入电阻。
改变输出电阻:
电压负反馈减小输出电阻;电流负反馈增大输出电阻。
频率响应:
负反馈电路可以展宽频带。
五、思考题
1.在图2中,为了使场效应管放大电路的静态工作电流为1.5mA~2.5mA,源极电阻R s应该在什么范围内取值?请结合仿真结果进行分析。
答:
仿真结果如下:
则为了使场效应管放大电路的静态工作电流为1.5mA~2.5mA,源极电阻R s取值范围是:
3.2~5.7k
2.已知实验室配备的万用表内阻约为1MΩ,实验中调试图2所示共漏放大电路的静态工作点时,为什么通过测量A点电位来得到栅极电位,而不直接测栅极电位?
答:
因为当内阻约为1MΩ的万用表接在场效应管的栅源之间时,其内阻与场效应管的输入电阻(很大)可比,因此输入电流会部分流过万用表而改变场效应管的静态工作点,因此会改变其栅极电位,使测量结果错误。
而测量A点电位时,因
旁路电阻仅为150k Ω左右,大部分电流仍流过旁边的支路,因此并上万用表不会影响其工作状态。
六、附录
1.N 沟道结型场效应管型号和主要参数 实验中采用的2N5486为N 沟道结型场效应管,参数典型值为:
U GS (off ) =-3~-4V ,I DSS =8~14mA 。
2N5486采用TO-92封装,俯视图如图4所示。
图4 2N5486俯视图 2.反馈网络的负载效应
在图1所示电路中,反馈电阻R f 的电流
说明:R f 的电流既取自于输入信号,又取自于输出信号;即表明反馈网络对负反馈放大电路的基本放大电路具有负载效应。
根据网络叠加原理,在考虑反馈网络对输入端的负载效应时,令输出量的作用为零,即输出端接地;在考虑反馈网络
)(f
o f i f o i f R U R U R U U I R -+=-=
对输出端的负载效应时,令输入量的作用为零,即输入端接地,如图5所示。
图5 电压并联负反馈放大电路反馈网络的负载效应。