化工原理实验报告.pdf
- 格式:pdf
- 大小:582.45 KB
- 文档页数:13
实验一流体流动阻力的测定一、实验目的1、掌握测定流体流经直管、管件(阀门)时阻力损失的一般实验方法。
2、测定直管摩擦系数λ与雷诺准数Re的关系,验证在一般湍流区内λ与Re的关系曲线。
3、测定流体流经管件(阀门)时的局部阻力系数ξ。
4、识辨组成管路的各种管件、阀门,并了解其作用。
二、实验装置实验装置如下图所示:1、水箱2、离心泵3、压差传感器4、温度计5、涡轮流量计6、流量计7、转子流量计8、转子流量计9、压差传感器10、压差传感器11、压差传感器12、粗糙管实验段13、光滑管实验段14、层流管实验段15、压差传感器16、压差传感器17、阐阀18、截止阀图1 实验装置流程图装置参数:名称材质管内径/mm 测量段长度/mm三、实验原理1、直管阻力摩擦系数λ的测定流体在水平等径直管中稳定流动时,阻力损失为:2122ff p p p l u h d λρρ∆-=== ⑴即 22fd p luλρ∆=⑵Re du ρμ=⑶采用涡轮流量计测流量V2900Vu dπ=⑷ 用压差传感器测量流体流经直管的压力降f p ∆。
根据实验装置结构参数l 、d ,流体温度T (查流体物性ρ、μ),及实验时测定的流量V 、压力降ΔPf ,求取Re 和λ,再将Re 和λ标绘在双对数坐标图上。
2、局部阻力系数ζ的测定流体通过某一管件或阀门时的机械能损失表示为流体在小管径内流动时平均动能的某一倍数,这种方法称为阻力倍数法。
即:'2'2ffp u h g gζρ∆== ⑸ 故 '22fp u ζρ∆=⑹根据连接管件或阀门两端管径中小管的直径d ,流体温度T (查流体物性ρ、μ),及实验时测定的流量V 、压力降ΔPf ’,通过式⑸或⑹,求取管件(阀门)的局部阻力系数ζ。
四、实验步骤1、开启仪表柜上的总电源、仪表电源开关。
2、首先对水泵进行灌水,然后关闭出口阀,启动水泵,待电机转动平稳后,把出口阀缓缓开到最大。
3、实验从做大流量开始做起,最小流量应控制在1.5m3/h。
实验题目:流体流动阻力测定实验一、数据记录1、实验原始数据记录如下表:离心泵型号:MS60/0.55,额定流量:60L/min, 额定扬程:19.5mN,额定功率:0.55kw流体温度2、5 2.4 1.9258 0.00513 41149.8586 2.6487 0.024846 6 2.2 1.7653 0.0061 37720.7038 2.2759 0.029569 7 2 1.6048 0.00593 34291.5489 1.8149 0.028751 8 1.8 1.4443 0.00424 30862.3940 1.5304 0.020508 9 1.6 1.2838 0.00536 27433.2391 1.2164 0.025955 10 1.4 1.12340.005655 24004.08420.94180.0273820.00559绘制粗糙管路的双对数λ-Re 曲线如下图示:根据光滑管实验结果,对照柏拉修斯方程λ=0.3164/(Re0.25),计算其误差,计试验次数 阻力系数λ 雷诺数Re 柏拉修斯方程计算结果 误差1 0.016893 57609.8021 0.02042266 0.1728312 0.017215 54009.1895 0.02075485 0.1705553 0.017332 50408.5768 0.02111594 0.179198 4 0.017282 46807.9642 0.0215108 0.196595 0.018107 43207.3516 0.02194558 0.174914 6 0.017612 39606.7389 0.02242819 0.2147387 0.018552 36006.1263 0.02296902 0.1923038 0.019035 32405.5137 0.02358206 0.192819 9 0.019391 28804.901 0.02428678 0.201582 10 0.019954 25204.2884 0.02511122 0.205375 3 的流速2900d Vu π=(m/s ),雷诺数μρdu =Re ,流体阻力ρ1000⨯∆=P Hf,阻力系数22Lu d H f =λ,ξ=gu2f'Δ2ρP ,并以标准单位换算得光滑管数据处理结果如下表二、结果分析(1)光滑管结果分析:曲线表明,在湍流区内,光滑管阻力系数随雷诺数增大而减小,进入阻力平方区(也称完全湍流区)后,雷诺数对阻力系数的影响却越来越弱,阻力系数基本趋于不变。
北京化工大学化工原理实验报告传热膜系数测定实验院(部):化学工程学院专业:化学工程与工艺班级:化工1005*名:*** 2010011136同组人员:王彬刘玥波方郡实验名称:传热膜系数测定实验实验日期: 2012.11.28传热膜系数测定实验一、摘要本实验以套管换热器为研究对象,以冷空气及热蒸汽为介质,冷空气走黄铜管内,即管程,热蒸汽走环隙,即壳程,研究热蒸汽与冷空气之间的传热过程。
通过测得的一系列温度及孔板压降数值,分别求得正常条件和加入静态混合器后的强化条件下的对流传热膜系数α及Nu ,做出lg (Nu/Pr0.4)~lgRe 的图像,分析出传热膜系数准数关联式Nu=ARemPr0.4中的A 和m 值。
关键词:对流传热 Nu Pr Re α A 二、实验目的1、掌握传热膜系数α及传热系数K 的测定方法;2、通过实验掌握确定传热膜系数准数关系式中的系数A 和指数m 、n 的方法;3、通过实验提高对准数关系式的理解,并分析影响α的因素,了解工程上强化传热的措施。
三、实验原理黄铜管内走冷空气,管外走100℃的热蒸汽,壁内侧热阻1/α远远大于壁阻、垢阻及外侧热阻,因此研究传热的关键问题是测算α,当流体无相变时对流传热准数关系式的一般形式为:p n m Gr A Nu Pr Re ⋅⋅=对于强制湍流有: n m A Nu Pr Re =用图解法对多变量方程进行关联,要对不同变量Re 和Pr 分别回归。
本实验可简化上式,即取n=0.4(流体被加热)。
在两边取对数,得到直线方程为Re lg lg Pr lg4.0m A Nu+= 在双对数坐标中作图,求出直线斜率,即为方程的指数m 。
在直线上任取一点函数值代入方程中,则可得到系数A ,即mNuA RePr4.0=其中 λαλμμρdNu Cp du ===,Pr ,Re 实验中改变空气的流量,以改变Re 值。
根据定性温度计算对应的Pr 值。
同时,由牛顿冷却定律,求出不同流速下的传热膜系数值,进而求得Nu 值。
实验一、管路阻力的测定一、实验目的1.学习直管阻力与局部阻力的测定方法。
2.学习计算并绘制直管摩擦系数λ与R e 的关系曲线的方法。
3.学习确定局部阻力系数ζ的方法。
二、实验原理流体在管路中的流动阻力分为直管阻力和局部阻力两种。
直管阻力也称为表皮阻力,是流体流经一定管径的直管时,由于流体内摩擦而产生的阻力, (m ) (1)gu d L g p H f 22⋅⋅=∆-=λρ局部阻力也称为形体阻力,是由于流体流经管路中的管件、阀门及管截面的突然扩大或缩小等局部地方,由于边界层分离而产生旋涡所引起的能量损失, (m)(2) gu g p H f22'⋅=∆-=ζρ管路的总能量损失等于管路中所有以上两种阻力的加和∑∑+=∑'ff f H H H 本实验所用的装置流程图如图1所示,实验装置由并联的两个支路组成,一个支路用于测定直管阻力,另一个用于测定局部阻力。
图1. 管路阻力测定实验装置流程图1-底阀2-入口真空表3-离心泵4-出口压力表5-充水阀6-差压变送器7-涡轮流量计8-差压变送器9-水箱测定直管阻力所用管子的规格:1#~2#实验装置:直管内径为27.1mm,直管管长1m。
3#~8#实验装置:直管内径为35.75mm,直管管长1m局部阻力的测定对象是两个阀门,一个闸阀,一个截止阀。
三、实验步骤1.打开充水阀向离心泵泵壳内充水。
2.关闭充水阀、出口流量调节阀,启动总电源开关,启动电机电源开关。
3.打开出口调节阀至最大,记录下管路流量最大值,即控制柜上的涡轮流量计的读数。
4.调节出口阀,流量从大到小测取8次,再由小到大测取8次,记录各次实验数据,包括涡轮流量计的读数、直管压差指示值。
5.关闭直管阻力直路的球阀,打开局部阻力的球阀,测定在三个流量下的局部压差指示值。
6.测取实验用水的温度。
7.关闭出口流量调节阀,关闭电机开关,关闭总电源开关。
注意事项:离心泵禁止在未冲满水的情况下空转。
实验一流体流动阻力的测定一、实验目的1、掌握测定流体流经直管、管件(阀门)时阻力损失的一般实验方法。
2、测定直管摩擦系数大与雷诺准数Re的关系,验证在一般湍流区内为与Re的关系曲线。
3、测定流体流经管件(阀门)时的局部阻力系数季4、识辨组成管路的各种管件、阀门,并了解其作用。
二、实验装置实验装置如下图所示:11+J1、水箱2、离心泵3、压差传感器4、温度计5、涡轮流量计6、流量计7、转子流量计8、转子流量计9、压差传感器10、压差传感器11、压差传感器12、粗糙管实验段13、光滑管实验段14、层流管实验段15、压差传感器16、压差传感器17、阐阀18、截止阀图1实验装置流程图装置参数:三、实验原理1、直管阻力摩擦系数大的测定流体在水平等径直管中稳定流动时,阻力损失为:. 2 d Ap九二- -fP lu 2du pRe = 一N采用涡轮流量计测流量VV u =900冗d 2用压差传感器测量流体流经直管的压力降A P f o根据实验装置结构参数1、d,流体温度T (查流体物性p、四),及实验时测定的流量V、压力降APf,求取Re和大,再将Re和大标绘在双对数坐标图上。
2、局部阻力系数Z的测定流体通过某一管件或阀门时的机械能损失表示为流体在小管径内流动时平均动能的某一倍数,这种方法称为阻力倍数法。
即:故0= 2A L ⑹P U 2根据连接管件或阀门两端管径中小管的直径d,流体温度T (查流体物性p、四),及实验时测定的流量V、压力降APf,,通过式⑸或⑹,求取管件(阀门)的局部阻力系数Z。
四、实验步骤1、开启仪表柜上的总电源、仪表电源开关。
2、首先对水泵进行灌水,然后关闭出口阀,启动水泵,待电机转动平稳后,把出口阀缓缓开到最大。
3、实验从做大流量开始做起,最小流量应控制在1.5m3/h。
由于实验数据处理时使用的是双对数坐标,所以实验时每次流量变化取一递减的等比数列这样得到的数据点就会均匀分布,时实验结果更具准确性。
化工原理传热实验报告实验目的,通过传热实验,掌握传热原理,了解传热过程中的热阻分析方法,掌握传热器件的性能参数测量方法。
实验仪器,传热实验装置、温度计、热电偶、电源、数字万用表、热导率仪等。
实验原理,传热是指热量从一个物体传递到另一个物体的过程。
传热方式包括传导、对流和辐射。
传热实验主要通过测量传热器件在不同条件下的温度变化,来分析传热性能。
实验步骤:1. 将传热器件安装在传热实验装置上,并连接好相应的仪器。
2. 调节传热实验装置的工作状态,记录下初始温度。
3. 开始实验,观察传热器件在不同条件下的温度变化,记录数据。
4. 根据实验数据,计算传热器件的传热系数、传热阻等性能参数。
实验结果与分析:通过实验数据的记录和分析,我们得到了传热器件在不同条件下的温度变化曲线。
根据这些数据,我们计算得到了传热系数、传热阻等性能参数。
在实验过程中,我们发现传热器件的传热系数与传热面积、传热介质等因素有关。
传热阻则与传热介质的热导率、传热器件的结构等因素相关。
这些参数的测量和计算,对于传热器件的设计和优化具有重要意义。
结论:通过本次传热实验,我们深入了解了传热原理,掌握了传热器件性能参数的测量方法。
这对于我们今后在化工领域的工作和研究具有重要意义。
在实验中,我们也发现了一些问题和不足之处,例如在测量过程中温度波动较大,需要进一步改进实验方法和仪器精度,以提高实验数据的准确性。
总之,本次实验为我们提供了宝贵的经验和知识,对于我们的学习和成长具有重要意义。
希望在今后的学习和工作中,能够不断提高自己的实验技能,为化工领域的发展做出贡献。
化工原理实验报告实验名称:流体流动阻力测定班级:化实1101学号:2011011499*****同组人:陈文汉,黄凤磊,杨波实验日期:2013.10.24一、报告摘要通过测定阀门在不同的开度下的流体流量v q ,以及测定已知长度l 和管径d 的光滑直管和粗糙直管间的压差p ∆,根据公式22u l p d ρλ∆=,(其中ρ为实验温度下流体的密度);流体流速24d q u v π=,以及雷诺数μρdu =Re (μ为实验温度下流体粘度),得出湍流区光滑直管和粗糙直管在不同Re 下的λ值,并通过作Re -λ双对数坐标图,以得出两者的关系示意曲线,以及和光滑管遵循的Blasius 关系式比较关系,并验证了湍流区内摩擦阻力系数λ为雷诺数Re 和相对粗糙度ε/d 的函数。
由公式222121pu uρζ∆+=-可求出突然扩大管的局部阻力系数,以及由Re 64=λ求出层流时的摩擦阻力系数λ,再和雷诺数Re 作图得出层流管Re -λ关系曲线。
二、实验目的及任务1、掌握测定流体流动阻力实验的一般试验方法;2、测定直管的摩擦阻力系数λ及突然扩大管的局部阻力系数ζ;3、测定层流管的摩擦阻力系数λ;4、验证湍流区内摩擦阻力系数λ为雷诺数Re 和相对粗糙度ε/d 的函数;5、将所得光滑管的λ-Re 方程与Blas ius 方程相比较。
三、实验原理1、不可压缩液体在圆形直管中做稳定流动时,由于粘性和旋流作用产生摩擦阻力,流体在流过突然扩大,弯头等管件时,由于流体运动的速度和方向突然变化,产生局部阻力。
影响流体的阻力因素较多,在工程上通常采用量纲分析方法简化实验,得到在一定条件下具有普遍意义的结果。
直管阻力损失函数:f (hf ,ρ,μ, l ,d ,ε, u )=0 应用量纲分析法寻找h f (ΔP /ρ)与各影响因素间的关系 1)影响因素物性:ρ,μ 设备:l ,d ,ε 操作:u (p,Z ) 2)量纲分析ρ[ML -3],μ[ML -1 T -1], l [L] ,d [L],ε[L],u [LT -1], h f [L 2 T -2]3)选基本变量(独立,含M ,L ,T ) d ,u ,ρ(l ,u ,ρ等组合也可以) 4)无量纲化非基本变量μ:π1=μρa u b d c [M 0L 0T 0] =[ML -1 T -1][ML -3]a [LT -1]b [L]c ⇒ a=-1,b=-1,c=-1 变换形式后得:π1=ρud /μl: π2=l/d ε: π3=ε/d h f : π4=h f /u 2 5)原函数无量纲化0,,,2=⎪⎪⎭⎫ ⎝⎛d l d du u h F f εμρ 6)实验22,22u d l u dl d du h f ⋅=⋅⋅⎪⎪⎭⎫ ⎝⎛=λεμρϕ 摩擦系数:()d εϕλRe,= 层流圆直管(Re<2000):λ=φ(Re )即λ=64/Re 湍流水力学光滑管(Re>4000):λ=0.3163/Re0.25湍流普通直管(4000<Re<临界点):λ=φ(Re,ε/d )即⎪⎪⎭⎫ ⎝⎛+-=λελRe 7.182log 274.11d湍流普通直管(Re>临界点):λ=φ(ε/d )即⎪⎭⎫ ⎝⎛-=d ελ2log 274.11对于粗糙管,λ与Re 的关系均以图来表示2、局部阻力损失函数22u h f ζ= 局部阻力系数:(局部结构)ϕζ=考虑流体阻力等因素,通常管道设计液速值取1~3m/s ,气速值取10~30m/s 。
化工原理实习报告化工原理实习报告精选4篇(一)实习报告一、实习目的和背景本次化工原理实习旨在通过实际操作,加深对化工原理的理解,掌握化工实验常用设备的使用方法,学习实验技术和实验数据处理方法,并对所学的化工原理理论进行应用。
二、实习内容1. 实验一:测定某溶液的密度和浓度本实验通过测定溶液的密度和折射率,计算出溶液的浓度,以加深对溶液浓度计算和质量测量的理解。
2. 实验二:观察固体物质的溶解过程本实验通过观察固体物质在不同温度下的溶解过程,了解溶解过程的规律,进一步深入了解浓溶液的制备方法。
3. 实验三:测定物质的蒸汽压本实验通过测定不同温度下物质的蒸汽压,掌握蒸汽压实验的操作方法,并了解蒸汽压与温度之间的关系。
4. 实验四:测定反应物的溶解度本实验通过测定反应物在不同温度下的溶解度,掌握测定溶解度的方法,并了解温度对溶解度的影响。
1. 实验一结果:测定某溶液的密度和浓度经过实验测定,得出该溶液的密度为1.02g/cm³,折射率为1.50。
根据密度和折射率的关系,计算出该溶液的浓度为10%。
2. 实验二结果:观察固体物质的溶解过程在不同温度下观察到固体物质的溶解度随温度的升高而增加,符合溶解度与温度之间的正相关关系。
3. 实验三结果:测定物质的蒸汽压通过实验测定不同温度下物质的蒸汽压,得到蒸汽压随温度的升高而增加的结果,符合蒸汽压与温度之间的正相关关系。
4. 实验四结果:测定反应物的溶解度通过实验测定不同温度下反应物的溶解度,得到温度对溶解度的影响,随着温度的升高,溶解度增加的结果,符合温度对溶解度的影响规律。
四、实习心得和体会通过本次化工原理实习,我深入了解了化工实验常用设备的使用方法和实验技术,掌握了实验数据处理方法,并将所学的化工原理理论应用到实验中。
在实验过程中,我注意了操作规范和安全注意事项,提高了实验技能和实验安全意识。
通过实验结果的分析,我进一步加深了对化工原理的理解,也了解了实际应用中化工原理的重要性。
实验一伯努利实验一、实验目的1、熟悉流体流动中各种能量和压头的概念及相互转化关系,加深对柏努利方程式的理解。
2、观察各项能量(或压头)随流速的变化规律。
二、实验原理1、不可压缩流体在管内作稳定流动时,由于管路条件(如位置高低、管径大小等)的变化,会引起流动过程中三种机械能——位能、动能、静压能的相应改变及相互转换。
对理想流体,在系统内任一截面处,虽然三种能量不一定相等,但能量之和是守恒的(机械能守恒定律)。
2、对于实际流体,由于存在内磨擦,流体在流动中总有一部分机械能随磨擦和碰撞转化为热能而损失。
故而对于实际流体,任意两截面上机械能总和并不相等,两者的差值即为机械损失。
3、以上几种机械能均可用U 型压差计中的液位差来表示,分别称为位压头、动压头、静压头。
当测压直管中的小孔(即测压孔)与水流方向垂直时,测压管内液柱高度(位压头)则为静压头与动压头之和。
任意两截面间位压头、静压头、动压头总和的差值,则为损失压头。
4、柏努利方程式fh p ugz We p ugz 2222121122式中:1Z 、2Z ——各截面间距基准面的距离(m )1u 、2u ——各截面中心点处的平均速度(可通过流量与其截面积求得) (m/s)1P 、2p ——各截面中心点处的静压力(可由U 型压差计的液位差可知)(Pa )对于没有能量损失且无外加功的理想流体,上式可简化为2222121122pugzp ugz测出通过管路的流量,即可计算出截面平均流速ν及动压g 22,从而可得到各截面测管水头和总水头。
三、实验流程图321657481、低位水箱2、水泵3、计量水箱4、高位水箱5、流量控制阀6、变径管7、测压管泵额定流量为10L/min,扬程为8m,输入功率为80W. 实验管:内径15mm 。
四、实验操作步骤与注意事项1、熟悉实验设备,分清各测压管与各测压点,毕托管测点的对应关系。
2、打开开关供水,使水箱充水,待水箱溢流后,检查泄水阀关闭时所有测压管水面是否齐平,若不平则进行排气调平(开关几次)。
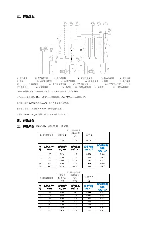
三、实验流程1、氧气钢瓶2、氧气减压阀3、氧气缓冲罐4、氧转子流量计5、防水倒灌阀6、循环水罐7、水泵8、水流量调节阀9、水转子流量计10、涡轮流量计11、风机12、空气缓冲罐13、空气温度表14、空气流量调节阀15、空气转子流量计16、空气压力压差计17、全塔压降压差计18、孔板流量计19、吸收塔20、富氧水取样阀21、解析塔22、贫氧水取样阀QI01---水流量,L/h;TI02------空气温度,℃;PI03-----空气压力,kPa;ΔPI04----全塔压降,kPa;ΔPI05----孔板压降,kPa;TI06------水温度,℃。
吸收塔:塔径32mm 填料高0.5m,填料类型是塑料星型环。
解析塔:塔径0.1m,填料高0.75m,填料式塑料星型环。
溶氧仪:0~50.00mg/L(质量浓度),还能测量样品温度℃。
四、实验操作五、实验数据(第八组,填料类型:星型环)表1 干塔填料数据表2 湿塔填料数据数据处理示例:因为全塔压降直接读仪表,空塔气速u可由孔板流量计测定:u=VA=0.61×0.7854×0.0812×(2∆p孔板×1000÷1.25)0.50.7854×0.12m/s单位高填料压降=全塔压降∆p填料高度h表3 解吸传质实验数据由实验原理填料塔流体力学性能部分推导可知:N OL=ln w2−w2,e w1−w1,eH=hH OL=hN OL=0.75N OLL1=0.0555×1000.7854×0.12=706.646 koml∙m−2∙ℎL2=0.0555×2000.7854×0.12=1414.013 koml∙m−2∙ℎK x a,1=L1H OL,1=706.6460.3=2355.5 koml∙m−3∙ℎK x a,2=L2H OL,2=1414.0130.3=4713.4 koml∙m−3∙ℎ六、实验结果作图及分析:1、表5 湿填料压降与气速关系拟合结果(第一段曲线)表6湿填料压降与气速关系拟合结果(第二段曲线)表7 湿填料压降与气速关系拟合结果(第三段曲线)结果分析:(1)对于干填料塔,如图1的双对数坐标下,气体自下而上通过干填料层时,塔压降∆p与空塔气速u应该符合∆p=u1.8−2.0,而由图1中的干填料压降与气速关系方程为y=3.9x-0.38,说明∆p=u3.9,与实验原理相差很大,即实验数据图像处理结果的曲线斜率偏大。
化工原理吸收实验报告 Company number:【WTUT-WT88Y-W8BBGB-BWYTT-19998】一、实验目的1.了解填料塔的一般结构及吸收操作的流程。
2.观察填料塔流体力学状况,测定压降与气速的关系曲线。
3.掌握总传质系数K x a的测定方法并分析其影响因素。
4.学习气液连续接触式填料塔,利用传质速率方程处理传质问题的方法。
二、实验原理本实验先用吸收柱将水吸收纯氧形成富氧水后(并流操作),送入解吸塔再用空气进行解吸,实验需测定不同液量和气量下的解吸总传质系数K x a,并进行关联,得K x a=AL a V b的关联式。
同时对不同填料的传质效果及流体力学性能进行比较。
1.填料塔流体力学特性气体通过干填料层时,流体流动引起的压降和湍流流动引起的压降规律相一致。
在双对数坐标系中△P/Z对G'作图得到一条斜率为~2的直线(图1中的aa线)。
而有喷淋量时,在低气速时(c点以前)压降也比例于气速的~2次幂,但大于同一气速下干填料的压降(图中bc段)。
随气速增加,出现载点(图中c点),持液量开始增大。
图中不难看出载点的位置不是十分明确,说明汽液两相流动的相互影响开始出现。
压降~气速线向上弯曲,斜率变徒(图中cd段)。
当气体增至液泛点(图中d点,实验中可以目测出)后在几乎不变的气速下,压降急剧上升。
图1 填料层压降-空塔气速关系2.传质实验填料塔与板式塔气液两相接触情况不同。
在填料塔中,两相传质主要是在填料有效湿表面上进行。
需要完成一定吸收任务所需填料高度,其计算方法有:传质系数法、传质单元法和等板高度法。
本实验对富氧水进行解吸。
由于富氧水浓度很小,可认为气液两相平衡服从亨利定律,可用对数平均浓度差计算填料层传质平均推动力。
得速率方程式:相关的填料层高度的基本计算式为:OL OLN ZH = 其中,m x x e OL x x x x x dx N ∆-=-=⎰2112 Ω=a K L H x OL由于氧气为难溶气体,在水中的溶解度很小,因此传质阻力几乎全部集中于液膜中,即Kx=kx 。
总传热系数与对流传热系数的测定一、实验目的1.了解间壁式换热器的结构与操作原理; 2.学习测定套管换热器总传热系数的方法; 3.学习测定空气侧的对流传热系数;4.了解空气流速的变化对总传热系数的影响。
二、实验原理本实验采用套管式换热器,热流体走管间,为蒸汽冷凝,冷流体走内管,为空气。
该传热过程由水蒸气到不锈钢管外管壁的对流传热、从外管壁到内管壁的传导传热、内管壁到冷水的对流传热三个串联步骤组成。
实验流程如图1所示。
图1. 传热实验装置流程图1-空气流量调节阀 2-转子流量计 3-蒸汽调节阀 4-蒸汽压力表 5-套管换热器 6-冷凝水排放筒 7-旋塞 8-空气进口温度计 9-空气出口温度计 10-不凝气排放口套管换热器5由不锈钢管(或紫铜管)内管和无缝钢外管组成。
内管的进出口端各装有热电阻温度计一支,用于测量空气的进出口温度。
内管的进、出口端及中间截面外壁表面上,各焊有三对热电偶,型号为WRNK-192。
不锈钢管规格Φ21.25⨯2.75,长1.10米 S=πd o L=0.0734m 2 紫铜管Φ16⨯2,长1.20米 S=πd o L=0.0603m 2 转子流量计(空气,0~20m 3/h ,20℃) 数字显示表SWP-C40此设备的总传热系数可由下式计算:mt S QK ∆⋅=其中 ()()出进出进t T t T t T t T t m -----=∆ln式中:Q ——传热速率,W ;S ——传热面积,m 2;S=πd o Lm t ∆——对数平均温度差,℃T ——饱和蒸汽温度,℃,根据饱和蒸汽压力查表求得;出进、t t ——分别为空气进、出口温度,℃。
通过套管换热器间壁的传热速率,即空气通过换热器被加热的速率,用下式求得:()进出t t c m Q p s -⋅⋅=, W其中,C p 应取进、出口平均温度下空气的比热容。
W=V s ⋅ρ,其中ρ为进口温度下空气的密度。
对流传热系数的计算公式为m t S Q ∆⋅⋅=α式中S ─内管的内表面积,m 2;α─空气侧的对流传热系数,W/(m 2⋅︒C);∆t m ─空气与管壁的对数平均温度差,︒C 。
摘要:本实验通过测定流体在不同管路中流动时的流量qv 、测压点之间的压强差ΔP ,结合已知的管路的内径、长度等数据,应用机械能守恒式算出不同管路的λ‐Re 变化关系及突然扩大管的-Re 关系。
从实验数据分析可知,光滑管、粗糙管的摩擦阻力系数随Re 增大而减小,并且光滑管的摩擦阻力系数较好地满足Blasuis 关系式:0.250.3163Re λ= 。
突然扩大管的局部阻力系数随Re 的变化而变化。
一、 目的及任务①掌握测定流体流动阻力实验的一般实验方法。
②测定直管的摩擦阻力系数λ及突然扩大管和阀门的局部阻力系数ξ。
③验证湍流区内摩擦系数λ为雷诺数Re 和相对粗糙度的函数。
④将所得光滑管λ-Re 方程与Blasius 方程相比较。
二、 基本原理1. 直管摩擦阻力 不可压缩流体,在圆形直管中做稳定流动时,由于黏性和涡流的作用产生摩擦阻力;流体在流过突然扩大、弯头等管件时,由于流体运动的速度和方向突然变化,产生局部阻力。
影响流体阻力的因素较多,在工程上通常采用量纲分析方法简化实验,得到在一定条件下具有普遍意义的结果,其方法如下:流体流动阻力与流体的性质,流体流经处的几何尺寸以及流动状态相关,可表示为:△p=ƒ(d ,l ,u ,ρ, μ, ε) 引入下列无量纲数群。
雷诺数 du Re ρμ=相对粗糙度 dε 管子长径比l d从而得到2(,,)p du lu d dρερμ∆=ψ 令(Re,)dελ=Φ2(Re,)2pl u d d ερ∆=Φ 可得到摩擦阻力系数与压头损失之间的关系,这种关系可用实验方法直接测定。
22f pl u h d λρ∆==⨯式中f h ——直管阻力,J/kg ;l ——被测管长,m ; d ——被测管内径,m ; u ——平均流速,m/s ; λ——摩擦阻力系数。
当流体在一管径为d 的圆形管中流动时,选取两个截面,用U 形压差计测出这两个截面间的静压强差,即为流体流过两截面间的流动阻力。
摘要:本实验通过测定流体在不同管路中流动时的流量qv、测压点之间的压强差ΔP,结合已知的管路的内径、长度等数据,应用机械能守恒式算出不同管路的λ‐Re变化关系及突然扩大管的-Re关系。
从实验数据分析可知,光滑管、粗糙管的摩擦阻力系数随Re增大而减小,并且光滑管的摩擦阻力系数较好地满足Blasuis关系式:0.25λ=。
突然扩大管的局部阻力系数随Re的变化而0.3163Re变化。
一、目的及任务①掌握测定流体流动阻力实验的一般实验方法。
②测定直管的摩擦阻力系数λ及突然扩大管和阀门的局部阻力系数ξ。
③验证湍流区内摩擦系数λ为雷诺数Re和相对粗糙度的函数。
④将所得光滑管λ-Re方程与Blasius方程相比较。
二、基本原理1.直管摩擦阻力不可压缩流体,在圆形直管中做稳定流动时,由于黏性和涡流的作用产生摩擦阻力;流体在流过突然扩大、弯头等管件时,由于流体运动的速度和方向突然变化,产生局部阻力。
影响流体阻力的因素较多,在工程上通常采用量纲分析方法简化实验,得到在一定条件下具有普遍意义的结果,其方法如下:流体流动阻力与流体的性质,流体流经处的几何尺寸以及流动状态相关,可表示为:△p=ƒ(d,l,u,ρ, μ,ε)引入下列无量纲数群。
雷诺数 du Re ρμ=相对粗糙度 dε 管子长径比l d从而得到2(,,)p du lu d dρερμ∆=ψ 令(Re,)dελ=Φ2(Re,)2pl u d d ερ∆=Φ 可得到摩擦阻力系数与压头损失之间的关系,这种关系可用实验方法直接测定。
22f pl u h d λρ∆==⨯式中f h ——直管阻力,J/kg ;l ——被测管长,m ; d ——被测管内径,m ;u ——平均流速,m/s ;λ——摩擦阻力系数。
当流体在一管径为d 的圆形管中流动时,选取两个截面,用U 形压差计测出这两个截面间的静压强差,即为流体流过两截面间的流动阻力。
根据伯努利方程找出静压强差和摩擦阻力系数的关系式,即可求出摩擦阻力系数。
实验一流体流动阻力的测定一、实验目的1、掌握测定流体流经直管、管件(阀门)时阻力损失的一般实验方法。
2、测定直管摩擦系数λ与雷诺准数Re的关系,验证在一般湍流区内λ与Re的关系曲线。
3、测定流体流经管件(阀门)时的局部阻力系数ξ。
4、识辨组成管路的各种管件、阀门,并了解其作用。
二、实验装置实验装置如下图所示:1、水箱2、离心泵3、压差传感器4、温度计5、涡轮流量计6、流量计7、转子流量计8、转子流量计9、压差传感器10、压差传感器11、压差传感器12、粗糙管实验段13、光滑管实验段14、层流管实验段15、压差传感器16、压差传感器17、阐阀18、截止阀图1 实验装置流程图装置参数:名称材质管内径/mm 测量段长度/mm三、实验原理1、直管阻力摩擦系数λ的测定流体在水平等径直管中稳定流动时,阻力损失为:2122ff p p p l u h d λρρ∆-=== ⑴即 22fd p luλρ∆=⑵Re du ρμ=⑶采用涡轮流量计测流量V2900Vu dπ=⑷ 用压差传感器测量流体流经直管的压力降f p ∆。
根据实验装置结构参数l 、d ,流体温度T (查流体物性ρ、μ),及实验时测定的流量V 、压力降ΔPf ,求取Re 和λ,再将Re 和λ标绘在双对数坐标图上。
2、局部阻力系数ζ的测定流体通过某一管件或阀门时的机械能损失表示为流体在小管径内流动时平均动能的某一倍数,这种方法称为阻力倍数法。
即:'2'2ffp u h g gζρ∆== ⑸ 故 '22fp u ζρ∆=⑹根据连接管件或阀门两端管径中小管的直径d ,流体温度T (查流体物性ρ、μ),及实验时测定的流量V 、压力降ΔPf ’,通过式⑸或⑹,求取管件(阀门)的局部阻力系数ζ。
四、实验步骤1、开启仪表柜上的总电源、仪表电源开关。
2、首先对水泵进行灌水,然后关闭出口阀,启动水泵,待电机转动平稳后,把出口阀缓缓开到最大。
3、实验从做大流量开始做起,最小流量应控制在1.5m3/h。
实验一伯努利实验一、实验目的1、熟悉流体流动中各种能量和压头的概念及相互转化关系,加深对柏努利方程式的理解。
2、观察各项能量(或压头)随流速的变化规律。
二、实验原理1、不可压缩流体在管内作稳定流动时,由于管路条件(如位置高低、管径大小等)的变化,会引起流动过程中三种机械能——位能、动能、静压能的相应改变及相互转换。
对理想流体,在系统内任一截面处,虽然三种能量不一定相等,但能量之和是守恒的(机械能守恒定律)。
2、对于实际流体,由于存在内磨擦,流体在流动中总有一部分机械能随磨擦和碰撞转化为热能而损失。
故而对于实际流体,任意两截面上机械能总和并不相等,两者的差值即为机械损失。
3、以上几种机械能均可用U 型压差计中的液位差来表示,分别称为位压头、动压头、静压头。
当测压直管中的小孔(即测压孔)与水流方向垂直时,测压管内液柱高度(位压头)则为静压头与动压头之和。
任意两截面间位压头、静压头、动压头总和的差值,则为损失压头。
4、柏努利方程式fh p ugz We p ugz 2222121122式中:1Z 、2Z ——各截面间距基准面的距离(m )1u 、2u ——各截面中心点处的平均速度(可通过流量与其截面积求得) (m/s)1P 、2p ——各截面中心点处的静压力(可由U 型压差计的液位差可知)(Pa )对于没有能量损失且无外加功的理想流体,上式可简化为2222121122pugzp ugz测出通过管路的流量,即可计算出截面平均流速ν及动压g 22,从而可得到各截面测管水头和总水头。
三、实验流程图321657481、低位水箱2、水泵3、计量水箱4、高位水箱5、流量控制阀6、变径管7、测压管泵额定流量为10L/min,扬程为8m,输入功率为80W. 实验管:内径15mm 。
四、实验操作步骤与注意事项1、熟悉实验设备,分清各测压管与各测压点,毕托管测点的对应关系。
2、打开开关供水,使水箱充水,待水箱溢流后,检查泄水阀关闭时所有测压管水面是否齐平,若不平则进行排气调平(开关几次)。
3、打开阀5,观察测压管水头和总水头的变化趋势及位置水头、压强水头之间的相互关系,观察当流量增加或减少时测压管水头的变化情况。
4、将流量控制阀开到一定大小,观察并记录各测压点平行与垂直流体流动方向的液位差△h 1…△h 4。
要注意其变化情况。
继续开大流量调节阀,测压孔正对水流方向,观察并记录各测压管中液位差△h 1…△h 4。
5、实验完毕停泵,将原始数据整理。
实验二离心泵性能曲线测定一、实验目的1.了解离心泵的构造和操作方法2.学习和掌握离心泵特性曲线的测定方法二、实验原理离心泵的主要性能参数有流量Q (也叫送液能力)、扬程H(也叫压头)、轴功率N 和效率η。
离心泵的特性曲线是Q-H 、Q-N 及Q-η之间的关系曲线。
泵的扬程用下式计算:He=H 压力表+H 真空表+H 0+(u 出2-u 入2)/2g式中:H压力表——泵出口处压力H真空表——泵入口处真空度H0——压力表和真空表测压口之间的垂直距离泵的总效率为:NeNa其中,Ne为泵的有效功率:Ne=ρ●g●Q●He式中:ρ——液体密度g——重力加速度常数Q——泵的流量Na为输入离心泵的功率:Na=K●N电●η电●η转式中:K——用标准功率表校正功率表的校正系数,一般取 1 N电——电机的输入功率η电——电机的效率η转——传动装置的传动效率三、实验设备及流程:涡轮流量计卧式离心泵设备参数:泵的转速:2900转/分额定扬程:20m水温:25℃泵进口管内径:41mm泵出口管内径:35.78mm 两测压口之间的垂直距离:0.35m四、实验操作1.灌泵因为离心泵的安装高度在液面以上,所以在启动离心泵之前必须进行灌泵。
2.开泵注意:在启动离心泵时,主调节阀应关闭,如果主调节阀全开,会导致泵启动时功率过大,从而可能引发烧泵事故。
3.建立流动4.读取数据等涡轮流量计的示数稳定后,即可读数。
注意:务必要等到流量稳定时再读数,否则会引起数据不准。
五、作业序号涡轮流量计(m3/h) P真(Pa) P表(Pa) N(kw)以一组数据计算Q、He、Ne、η实验三过滤实验一、实验目的1.了解板框过滤机的构造和操作方法。
2.掌握恒压过滤常数的测定方法测定恒压过滤常数;虚拟滤液体积;虚拟过滤时间。
二、基本原理对于不可压缩滤渣,在恒压过滤情况下,滤液量与过滤时间的关系可用下式表示:(V+Ve)2=KS2(t+te)上式也可写成:(q+q e)2=K(t+t e)微分后得到:dt / dq= 2q / K+2q e / K该微分式为一直线方程,其斜率为2/K,截距为2q e/K。
实验中△t/△q代替dt/dq,通过实验测定一系列的△t与△q值,用作图的方法,求出直线的斜率、截距,进而求出恒压过滤常数K,虚拟滤液体积q e。
只考虑介质阻力时:qe2=Kte将q e代入上式可求出虚拟过滤时间t e。
三、实验设备板框过滤机的过滤面积为0.12m2。
由空压机提供压力,并恒压可调。
以碳酸钙和水混合成悬浮液,可完成过滤常数的测定实验。
孔板孔口径:8mm,文丘里管喉径:8mm,φ20×2不锈钢管。
四、实验步骤1、先将板框过滤机的紧固手柄全部松开,将板、框清洗干净。
2、将干净滤布安放在滤板两侧,注意必须将滤布四角的圆孔与滤板四角的圆孔中心对正,以保证滤液和清洗液流道的畅通。
3、安装时应从左至右进行,装好一块,用手压紧一块。
请特别注意板框的顺序和方向,所有板框有圆点的一侧均应面向安装者,板框过滤机共有4块板(带奇数点),3块框(带偶数点),以确保流道的畅通。
4、装完以后即可紧固手柄至人力转不动为止。
5、松开混合釜上加料口的紧固螺栓,打开加料口,加水至视镜的水平中心线,打开控制屏上的电源,启动搅拌机,再加入碳酸钙3kg,任其自行搅拌。
6、约5min后,检查所有阀门看是否已关紧?确保全部关紧后,同时注意在搅拌过程中混合釜的压力,控制混合釜压力表的指示值在0.1~0.2MPa范围,并一直维持在恒压条件下操作,如果压力过大也可通过混合釜右侧的放空阀调节。
(1)、打开过滤机的出料阀,并准备好秒表,做好过滤实验的读数和记录准备,再打开控制屏上板框过滤机的进料阀,开始过滤操作。
(2)、注意看看板框是否泄漏(大量液体冲出,少量漏液无妨)?确认正常后,观察滤液情况,一般开始出来的比较浑浊,待滤液变清后,立即开始读取计量槽的数据,并同时开始计时和记录相关实验数据。
(3)、装置的计量槽分左右计量筒计量,左侧计滤液量,右侧计洗水量左右两筒有过滤液孔连通,需要时两筒可串联使用,以便连续实验需要。
读取5组以上的实验数据后,即可关闭进料阀和出料阀结束过滤实验。
(4)、如果需要做滤饼洗涤实验,则在结束过滤实验之后,关闭混合釜的进气阀。
然后关闭进水阀,打开进气阀,恒压在0.16~0.2MPa范围,按过滤实验相同的方法操作,完成实验后,关闭进水阀和出水阀结束滤饼洗涤实验。
(5)、如果改变操作压力,还可进行过滤速率方程压缩指数的测定实验。
实验四传热实验一、实验目的测定对流传热系数的准数关联式。
二、实验原理对流传热的核心问题是求算传热系数α,当流体无相变时对流传热准数关联式的一般形式为:对于强制湍流而言,Gr准数可以忽略,故mnReNu PrA用图解法对多变量方程进行关联时,要对不同变量Re和Pr分别回归。
本实验简化上式,即取n=0.4(流体被加热)。
这样,上式即变为单变量方程,再两边取对数,即得到直线方程:在双对数坐标中作图,找出直线斜率,即为方程的指数m 。
在直线上任取一点的函数值代入方程中,则可得到系数A ,即:对于方程的关联,首先要有Nu 、Re 、Pr 的数据组。
其准数定义式分别为:dNuCpud ,Pr,Re牛顿冷却定律:传热量Q 可由下式求得:3600/)(3600/)(1212t t C Vt t C W Qpp三、实验设备流程设备参数:孔板流量计:流量计算关联式:V=4.49●R0.5式中:R ——孔板压差,[mmH 2O]V ——水流量,[m 3/h]换热套管:套管外管为玻璃管,内管为黄铜管。
套管有效长度:1.25m ,内管内径:0.022m四、实验操作1.启动水泵2.打开进水阀3.打开蒸汽发生器4.打开放汽阀5.读取水的流量6.读取温度7.实验结束后,先停蒸汽发生器,再关进水阀。
五、数据处理水入口温度水出口温度壁温1 壁温2 压差计读数(mm)20.0 28.8 55 55 0.420.0 28.4 55 55 1.820.0 28.3 55 55 4.020.0 28.1 55 55 7.120.0 27.5 55 55 16.120.0 27.1 55 55 28.620.0 26.7 55 55 44.620.0 26.4 55 55 87.420.0 26.0 55 55 144.5以一组数据计算传热量、传热系数。
实验五精馏实验一、试验目的1.掌握精馏塔的结构2.测定精馏塔的理论板数及塔效率二、实验原理1.理论板2.作图法求理论板数3.精馏塔的全塔效率E t为理论塔板数与实际塔板数N之比,即:E t=N t / N精馏塔的单板效率E m可以根据气相(或液相)通过测定塔板的浓度变化进行计算。
若以液相浓度变化计算,则为:E ml=(X n-1-X n) / (X n-1- X n*)若以气相浓度变化计算,则为:E mv=(Y n-Y n+1) / ( Y n*-Y n+1)式中:X n-1-----第n-1块板下降的液体组成,摩尔分率;X n-------第n块板下降的液体组成,摩尔分率;X n*------第n块板上与升蒸汽Y n相平衡的液相组成,摩尔分率;Y n+1-----第n+1块板上升蒸汽组成,摩尔分率;Y n-------第n块板上升蒸汽组成,摩尔分率;Y n*------第n块板上与下降液体X n相平衡的气相组成,摩尔分率。
三、实验设备及流程简介本实验进料的溶液为乙醇—水体系,其中乙醇占20%(摩尔百分比)。
精馏塔:采用筛板结构,塔身用直径Φ57X3.5mm的不锈钢管制成,设有两个进料口,共15块塔板,塔板用厚度1mm的不锈钢板,板间距为10cm;板上开孔率为4%,孔径是2mm,孔数为21;孔按正三角形排列;降液管为Φ14X2mm的不锈钢管;堰高是10mm。
四、实验步骤1.全回流进料打开泵开关,再打开进料的管线。
2.塔釜加热升温全回流进料完成后,开始加热。
3.建立全回流注意恒压,回流开始以后就不能再打开衡压排气阀,否则会影响结果。
4.读取全回流数据5.逐步进料,开始部分回流逐渐打开塔中部的进料阀和塔底的排液阀以及产品采出阀,注意维持塔的物料平衡、塔釜液位和回流比。