某水电站设计厂房cad施工设计图纸
- 格式:dwg
- 大小:1.17 MB
- 文档页数:1
水电站厂房设计第一节水电站厂房的任务、组成及类型一、水电站厂房的任务水电站厂房是将水能转为电能的综合工程设施,包括厂房建筑、水轮机、发电机、变压器、开关站等,也是运行人员进行生产和活动的场所。
水电站厂房的主要任务:(1)将水电站的主要机电设备集中布置在一起,使其具有良好的运行、管理、安装、检修等条件。
(2)布置各种辅助设备,保证机组安全经济运行,保证发电质量。
(3)布置必要的值班场所,为运行人员提供良好的工作环境。
二、水电站厂房的组成(一)从设备布置和运行要求的空间划分主厂房:布置水电站的主要动力设备(水轮发电机组)和各种辅助设备,设置装配场(安装间)。
副厂房:布置控制设备,电气设备和辅助设备,是水电站运行、控制、监视、通讯、试验、管理和工作的房间。
主变压器场:装设主变压器的地方。
水电站发出的电能经主变压器升压后,再经输电线路送给用户。
高压开关站:装设高压开关、高压母线、和保护措施等设备的场所,高压输电线由此送往用户。
此外厂房枢纽中还有:进水道、尾水道和交通道路等。
水电站主厂房、副厂房、主变压器场和高压开关站及厂区交通等,组成水电站厂区枢纽建筑物,一般称厂区枢纽。
(二)从设备组成的系统划分水电站厂房内的机械及水工建筑物共分五大系统(1)水流系统。
水轮机及其进出水设备,包括压力管道、水轮机前的进水阀、蜗壳、水轮机、尾水管及尾水闸门等。
(2)电流系统。
即电气一次回路系统,包括发电机及其引出线、母线、发电机电压配电设备、主变压器和高压开关站等。
(3)电气控制设备系统。
即电气二次回路系统,包括机旁盘、励磁设备系统、中央控制室、各种控制及操作设备如各种互感器、表计、继电器、控制电缆、自动及远动装置、通迅及调度设备等直流系统。
(4)机械控制设备系统。
包括水轮机的调速设备,如接力器及操作柜,事故阀门的控制设备,其它各种闸门、减压阀、拦污栅等操作控制设备。
(5)辅助设备系统。
包括为了安装、检修、维护、运行所必须的各种电气及机械辅助设备,如厂用电系统(厂用变压器、厂用配电装置、直流电系统),油系统、气系统、水系统,起重设备,各种电气和机械修理室、试验室、工具间、通风采暖设备等。
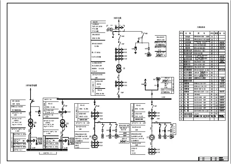
水电施工图纸图例水电施工图纸图例《cad版本》以下CAD图纸截图截于水电施工视频教程全套,施工工艺目录下施工组织大全的CAD图纸图例部分截图and special tools for emergency response equipment and facilities. Emergency preparedness and response plan 1) emergency response (1) If amajor accident occurs, the project should set up emergency response teams, chaired by the project manager, head of production and safety coordinators, professional foreman for the crew, primarily responsible for the orderly rescue when an emergency occurs or processing, outsourcing, team manager and support staff, assisting the Deputy Project Manager for related auxiliary work. (2) after the accident, the project manager is responsible for field commander, advance the establishment of emergency response team personnel, accountability, seriously injured officers sent out rescue, have procedures to deal with accidents, incidents, maximum reduction in casualties and property loss.(3) If an accident occurs, press Division in advance for emergency personnel cleared, concentrate manpower and material and financial resources to rescue the injured, decrease of the maximum loss. (4) after the accident processing work (5) identified the cause of the accident and the person responsible. (6) the written report to the supervisor in writing, including the time and place of the accident, injury (death) person's name, sex, age, trades, injuries, injuries. (7) the development of effective preventive measures to prevent such accidents from happening again. (8) education of all personnel of the organization. (9) informed criticism of those responsible. (10) all personnel read out the results, and responsible disposal. (11) maintenance of emergency supplies, maintenance and testing ? strengthening the day-to-day management of the various fire fighting equipment fire-fighting equipment, authorities should be staffed, equipped with fireextinguishers. Fire hydrants identified person responsible for regularly inspecting, testing, at any time in good condition. ? Guard monthly check-fire extinguishers and fire-fighting equipment. ? once every quarter, inspections and tests of a fire hydrant in good condition. 2), plans to develop (1) casualties occurred in construction, such as accidents or accidents of the direct economicand special tools for emergency response equipment and facilities. Emergency preparedness and response plan 1) emergency response (1) If a major accident occurs, the project should set up emergency response teams, chaired by the project manager, head of production and safety coordinators, professional foreman for the crew, primarily responsiblefor the orderly rescue when an emergency occurs or processing, outsourcing, team manager and support staff, assisting the Deputy Project Manager for related auxiliary work. (2) after the accident, the project manager is responsible for field commander, advance the establishment of emergency response team personnel, accountability, seriously injured officers sent out rescue, have procedures to deal with accidents, incidents, maximum reduction in casualties and property loss.(3) If an accident occurs, press Division in advance for emergency personnel cleared, concentrate manpower and material and financial resources to rescue the injured, decrease of the maximum loss. (4) after the accident processing work (5) identified the cause of the accident and the person responsible. (6) the written report to the supervisor in writing, including the time and place of the accident, injury (death) person's name, sex, age, trades, injuries, injuries. (7) the development of effective preventive measures to prevent such accidents from happening again. (8) education of all personnel of the organization. (9) informed criticism of those responsible. (10) all personnel read out the results, and responsible disposal. (11) maintenance of emergency supplies, maintenance and testing ? strengthening the day-to-day management of the various fire fighting equipment fire-fighting equipment, authorities should be staffed, equipped with fire extinguishers. Fire hydrants identified person responsible for regularly inspecting, testing, at any time in good condition. ? Guard monthly check-fire extinguishers and fire-fighting equipment. ? once everyquarter, inspections and tests of a fire hydrant in good condition. 2), plans to develop (1) casualties occurred in construction, such as accidents or accidents of the direct economic系统图部分截图欢迎你来到此贴!这里详细带领你了解《水电施工视频教程全套》首先要了解到癿是:本套视频总共包括了几百个左右视频,17本关于水电癿电子书PDF格式,十几篇文档and special tools for emergency response equipment and facilities. Emergency preparedness and response plan 1) emergency response (1) If amajor accident occurs, the project should set up emergency response teams, chaired by the project manager, head of production and safety coordinators, professional foreman for the crew, primarily responsible for the orderly rescue when an emergency occurs or processing, outsourcing, team manager and support staff, assisting the Deputy Project Manager for related auxiliary work. (2) after the accident, the project manager is responsible for field commander, advance the establishment of emergency response team personnel, accountability, seriously injured officers sent out rescue, have procedures to deal with accidents, incidents, maximum reduction in casualties and property loss.(3) If an accident occurs, press Division in advance for emergency personnel cleared, concentrate manpower and material and financial resources to rescue the injured, decrease of the maximum loss. (4) after the accident processing work (5) identified the cause of the accident and the person responsible. (6) the written report to the supervisor in writing, including the time and place of the accident, injury (death) person's name, sex, age, trades, injuries, injuries. (7) the development of effective preventive measures to prevent such accidents from happening again. (8) education of all personnel of the organization. (9) informed criticism of those responsible. (10) all personnel read out the results, and responsible disposal. (11) maintenance of emergency supplies, maintenance and testing ? strengthening the day-to-day management of the various fire fighting equipment fire-fighting equipment, authorities should be staffed, equipped with fireextinguishers. Fire hydrants identified person responsible for regularly inspecting, testing, at any time in good condition. ? Guard monthly check-fire extinguishers and fire-fighting equipment. ? once every quarter, inspections and tests of a fire hydrant in good condition. 2), plans to develop (1) casualties occurred in construction, such as accidents or accidents of the direct economicWORD格式,压缩包版本20G以上。