报表公式说明v10
- 格式:doc
- 大小:49.50 KB
- 文档页数:10
指标名称"。例如:"4001->其他应付款期末余额",表示编码为“4001”的报表中的指标“其他应付款期末余额”。 1.2.1">
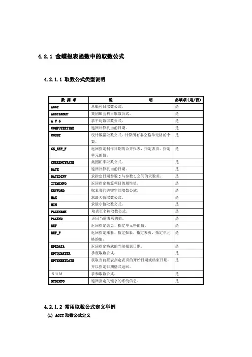
4.2.1 金蝶报表函数中的取数公式4.2.1.1 取数公式类型说明4.2.1.2 常用取数公式定义举例(1) ACCT取数公式定义选择〖插入〗—>〖函数〗,系统将所有的报表取数公式列出,选择“金蝶报表函数”中的ACCT取数公式,双击鼠标左键,系统将弹出定义公式的界面,如下图所示:在进行ACCT取数公式中需要设置以下的一些参数:1、科目:首次使用可采用向导自动生成科目与核算项目参数,在科目录入框内单击F7显示如下:生成的公式描述如下:科目公式=“科目代码1:科目代码2|项目类别|项目代码1:项目代码2|项目类别|项目代码1:项目代码2”下面针对公式中“”内的内容进行说明:“”中的内容用于存放用户所选择的科目和核算项目代码。
公式中的科目代码,项目类别和项目代码,在字符“|”和“:”的分隔下可以进行20种组合,得到不同范围的科目和核算项目。
组合情况如下:其中:“a”,“a1”,“a2”表示科目代码“b”表示核算项目类别名称“C”,“C1”,“C2”表示核算项目代码“a:”表示代码大于或等于科目a的所有科目“:a”表示代码小于或等于a的所有科目“a1:a2”表示代码大于或等于a1并且小于或等于a2的所有科目“C:”表示代码大于或等于C的所有核算项目“:C”表示代码小于或等于C的所有核算项目“C1:C2”表示代码大于或等于C1并且小于或等于C2的核算项目当核算项目类别b和代码C,C1,C2都缺省时,表示指定科目下设所有的核算项目类别。
当核算项目类别b不省略,而核算项目代码缺省时,表示指定核算项目类别b中所有核算项目。
举例:取数公式表达式:ACCT(“:123|客户|003:”,“C”)表示科目代码小于或等于123,下设科目核算项目:客户,客户代码大于或等于003的本位币的期初余额。
取数公式表达式:ACCT(“214|职员|0001:0012”,“Y”)表示科目代码为214,下设科目核算项目:职员,职员代码在0001到0012之间的本位币期末余额。
以下是一些常用的Excel函数公式:
1. 求和公式:用于计算一系列数字的总和。
例如,SUM函数可以对一个区域内的所有数字进行求和;SUMIF函数则可以根据指定条件进行求和。
2. IF函数:这是一种条件判断函数,它可以根据指定条件返回不同的值。
3. VLOOKUP函数:用于在一个区域中查找匹配项,并返回该匹配项所在行的指定列的值。
4. HLOOKUP函数:与VLOOKUP函数相反,HLOOKUP函数在水平方向上搜索表的顶部至底部。
5. COUNTIF函数:用于统计符合特定条件的单元格数量。
6. DATEDIF函数:用于计算两个日期之间的天数、月数或年数。
7. CONCATENATE函数:用于将多个文本字符串合并为一个字符串。
8. LEFT函数和RIGHT函数:分别用于从文本字符串的左侧和右侧提取指定数量的字符。
9. FIND函数和SEARCH函数:用于在文本字符串中查找指定的字符或子字符串,并返回其位置。
.1.1.1 在编缉栏中进行函数设置在视图中的编缉栏中,可以进行报表公式设置,如下图所示:双击需要编辑公式的单元格,例如A1,单击【=】,再选择函数(如上面介绍的三种方法中任意一种),则系统将会弹出所有报表函数的列表,如下图所示:在“报表函数”中列示出了所有的函数,可以根据需要选择不同的函数进行公式的设置。
公式设置完成后,单击【确定】,所设置的公式保存到报表中。
函数分类别介绍¨全部函数¨ 数学与三角函数¨ 财务计算函数¨ 常用报表函数¨ 逻辑函数¨ 总账函数¨ 现金流量表函数¨ 工资取数函数¨ 固定资产取数函数¨ 业务报表函数¨ 业务核算函数注:所有的函数的含义在函数报表的左下角提示。
例如,单击ABS,在报表函数的左下角提示ABS:计算给定值的绝对值。
见下图所示:1.1.1.2 全部函数金蝶报表系统中所有的函数类型。
详见下列分类函数介绍。
1.1.1.3 数学与三角函数1.1.1.4 SUM函数公式定义选择SUM函数,系统将弹出求和函数的公式定义,具体参数设置如下:l 参数1您所需定义的参数,该参数可以是一个单元格,也可以是一个单元块以及数值公式。
l 参数2同参数1。
注意事项对单元格A8设置公式:SUM(A1+A2),表示单元格A8的结果=A1单元的数据+A2单元的数据。
若为连续的单元格相加,可用:分隔。
例如对单元格A8设置从A1加到A7的数据公式为:SUM(A1:A7)如果您还有别的参数需要进行定义,在定义完参数之后单击回车键(ENTER键)系统将直接进入下一个参数的定义。
1.1.1.5 VAL函数公式定义Val函数用于实现不同类型数据转换。
以将文本型数字、RPTDATE函数带的日期型数据转换为数值型,参与公式的计算。
数字字符可以是手工录入的字符,如“20”,如果录入的是文本型的字符串,VAL返还结果就是0。
合并报表应用之多级合并本期概述●本文档适用于K/3 10.2以上合并报表模块●本文档对合并报表涉及多级合并方案的问题进行阐述,学习后可以对多级合并(即含有子集团的合并)有一个初步了解。
版本信息●2008年1月25日V1.0 编写人:刘义宝版权信息●本文件使用须知著作权人保留本文件的内容的解释权,并且仅将本文件内容提供给阁下个人使用。
对于内容中所含的版权和其他所有权声明,您应予以尊重并在其副本中予以保留。
您不得以任何方式修改、复制、公开展示、公布或分发这些内容或者以其他方式把它们用于任何公开或商业目的。
任何未经授权的使用都可能构成对版权、商标和其他法律权利的侵犯。
如果您不接受或违反上述约定,您使用本文件的授权将自动终止,同时您应立即销毁任何已下载或打印好的本文件内容。
著作权人对本文件内容可用性不附加任何形式的保证,也不保证本文件内容的绝对准确性和绝对完整性。
本文件中介绍的产品、技术、方案和配置等仅供您参考,且它们可能会随时变更,恕不另行通知。
本文件中的内容也可能已经过期,著作权人不承诺更新它们。
如需得到最新的技术信息和服务,您可向当地的金蝶业务联系人和合作伙伴进行咨询。
著作权声明著作权所有2008 金蝶软件(中国)有限公司。
所有权利均予保留。
目录1.多级方案的应用简介 (3)1.1 多级方案应用简介 (3)1.2 多级方案应用案例 (3)2.多级方案的建立与应用 (4)2.1 多级方案的建立 (4)2.1.1 公司清单及股权关系维护 (4)2.1.2 建立多级合并方案 (4)2.2 报表模板的编制与发放 (8)2.2.1 个别报表模板的编制与发放 (8)2.2.2 合并报表模板的编制 (8)2.3 子集团合并报表的编制与提交 (9)2.4 总集团个别报表接收与合并报表编制 (11)2.5 多级合并下的往来抵消和权益抵消 (12)2.6 总集团合并报表查询 (17)1.多级方案的应用简介1.1 多级方案应用简介在集团公司中,集团公司(母公司)把被控股公司(子公司)纳入合并时,子公司(子集团)同时作为一个控股公司要对孙公司进行合并,所以,在总集团编制合并报表时,不仅要把直接控股的子公司纳入合并,对间接控股的孙公司也要纳入合并范围。
金蝶报表函数取数公式取数公式类型说明常用取数公式定义举例(1) ACCT取数公式定义选择〖插入〗—>〖函数〗,系统将所有的报表取数公式列出,选择“金蝶报表函数”中的ACCT取数公式,双击鼠标左键,系统将弹出定义公式的界面,如下图所示:在进行ACCT取数公式中需要设置以下的一些参数:1、科目:首次使用可采用向导自动生成科目与核算项目参数,在科目录入框内单击F7显示如下:生成的公式描述如下:科目公式=“科目代码1:科目代码2|项目类别|项目代码1:项目代码2|项目类别|项目代码1:项目代码2”下面针对公式中“”内的内容进行说明:“”中的内容用于存放用户所选择的科目和核算项目代码。
公式中的科目代码,项目类别和项目代码,在字符“|”和“:”的分隔下可以进行20种组合,得“a”,“a1”,“a2”表示科目代码“b”表示核算项目类别名称“C”,“C1”,“C2”表示核算项目代码“a:”表示代码大于或等于科目a的所有科目“:a”表示代码小于或等于a的所有科目“a1:a2”表示代码大于或等于a1并且小于或等于a2的所有科目“C:”表示代码大于或等于C的所有核算项目“:C”表示代码小于或等于C的所有核算项目“C1:C2”表示代码大于或等于C1并且小于或等于C2的核算项目当核算项目类别b和代码C,C1,C2都缺省时,表示指定科目下设所有的核算项目类别。
当核算项目类别b不省略,而核算项目代码缺省时,表示指定核算项目类别b 中所有核算项目。
举例:取数公式表达式:ACCT(“:123|客户|003:”,“C”)表示科目代码小于或等于123,下设科目核算项目:客户,客户代码大于或等于003的本位币的期初余额。
取数公式表达式:ACCT(“214|职员|0001:0012”,“Y”)表示科目代码为214,下设科目核算项目:职员,职员代码在0001到0012之间的本位币期末余额。
为方便用户操作,提供“*”为科目参数的通配符,每一个通配符只匹配一个字符,可对科目(核算项目也适用)进行模糊取数。
金蝶报表函数中的取数公式取数公式类型讲明数据项讲明必填项(是/否)ACCT总账科目取数公式。
是ACCTGROUP集团账套科目取数公式。
是A V G求平均数取数公式。
是COMPUTERTIME返回计算机当前日期。
是是COUNT统计数量取数公式,计算所有非空格单元格的个数。
是CS_REF_F返回指定制作日期的合并报表,指定表页、指定单元的值。
CURRENCYRATE集团汇率取数公式。
是DATE返回计算机当前日期。
是DATEDIFF求指定日期参数2与参数1之间的天数差。
是ITEMINFO返回指定核算项目的属性值。
是KEYWORD取表页的关键字的取数公式。
是MAX求最大值取数公式。
是MIN求最小值取数公式。
是PAGENAME取表页名称取数公式。
是PAGENO返回当前表页的值。
是REF返回指定表页、指定单元格的值。
是是REF_F 返回指定账套、指定报表、指定表页、指定单元格的值。
RPRDATA 返回指定格式的当前报表日期。
是RPTQUARTER季度取数公式。
是是RPTSHEETDATE猎取当前报表指定表页的开始日期或结束日期,并以指定日期格式返回。
SUM求和取数公式。
是SYSINFO返回指定关键字的系统信息。
是常用取数公式定义举例(1) ACCT取数公式定义选择〖插入〗—>〖函数〗,系统将所有的报表取数公式列出,选择“金蝶报表函数”中的ACCT取数公式,双击鼠标左键,系统将弹出定义公式的界面,如下图所示:在进行ACCT取数公式中需要设置以下的一些参数:1、科目:首次使用可采纳向导自动生成科目与核算项目参数,在科目录入框内单击F7显示如下:生成的公式描述如下:科目公式=“科目代码1:科目代码2|项目类不|项目代码1:项目代码2|项目类不|项目代码1:项目代码2”下面针对公式中“”内的内容进行讲明:“”中的内容用于存放用户所选择的科目和核算项目代码。
公式中的科目代码,项目类不和项目代码,在字符“|”和“:”的分隔下能够进行20种组合,得到不同范围的科目和核算项目。
CHINA MANAGEMENT INFORMATIONIZATION/要的参考指标,不可缺失。
主要参考文献[1]吴传香.企业财务报告分析———以某制造企业为例[J].全国流通经济,2019(27):79-80.[2]代婧昊.上市公司盈利能力分析———以沈阳化工为例[J].商业经济,2019(7):163-164.[3]路晓宇.海天味业竞争优势研究与发展建议[J].中小企业管理与科技:中旬刊,2018(6):40-42,45.[4]宋小保.企业盈利能力、机构投资者与股票波动风险[J].管理工程学报,2015,29(2):121-129.[5]王静,张悦.资本结构与盈利能力的关系分析———基于房地产行业上市公司的实证[J].东岳论丛,2015,36(2):140-146.[6]陈思玺.我国调味品行业发展分析[J].科技创新导报,2014,11(23):201-204.[7]袁卫秋.融资约束下的营运资本管理效率与盈利能力———基于制造业上市公司的经验证据[J].上海经济研究,2013,25(10):22-34,133.[8]王吉恒,王天舒.基于企业层次分析法的盈利能力分析———以万科企业股份有限公司为例[J].哈尔滨商业大学学报:社会科学版,2013(4):3-10.[9]李彬.制药行业上市公司盈利能力影响因素分析[J].技术经济与管理研究,2013(6):67-71.[10]姚继承,陈来胜.调味品行业现状与发展趋势分析(Ⅱ)[J].中国调味品,2011,36(6):24-33.用友ERP-U8V10.1报表系统三种公式解析薛梅,谷亚男,邢志良(山东科技大学(泰安校区),山东泰安271000)[摘要]会计信息系统是当前高校会计专业的一门核心必修专业课程,报表系统是用友ERP-U8V10.1一个重要的组成部分。
在报表系统中,计算公式、审核公式、舍位公式的设置和应用是教学过程中的重点和难点之一。
本文主要对计算公式、审核公式、舍位公式的含义、设置方法及应用进行了分析。
金蝶KIS专业版V10.0发版说明目录金蝶KIS专业版V10.0发版说明1综述1.1产品形态1.2系统构成1.3关于加密1.4产品重大功能改进清单1.5业务部分1.6财务部分1.7易用性改进1.8系统参数及系统工具1.9环境适用性1.10关于升级1.11安装注意事项1.12获得支持的途径2KIS专业版V8.X客户和维护人员必读1综述KIS专业版V10.0是在前期版本产品基础之上,结合应用过程中用户、渠道提出的反馈,以及产品研发部门和产品市场部门的调研成果,主要以降低实施维护成本、提升产品易用性及可维护性为设置宗旨而开发完成的更加简洁、实用、高效的KIS专业产品。
1.1产品形态金蝶KIS专业版V10.0,产品形态为完整安装包,已经安装了金蝶KIS专业版早期版本,需要先行将其卸载,才能安装金蝶KIS专业版V10.0产品。
1.2系统构成整个金蝶KIS专业版V10.0,由16个功能模块(含拓展应用)和12个辅助工具构成。
1.2.1模块购销存(6个模块):采购管理、销售管理、生产管理、应收应付、仓存管理和存货核算财务(5个模块):账务处理、固定资产、工资管理、报表与分析和出纳管理基础(2个模块):初始化和基础设置1.2.2扩展应用老板报表(1个独立功能客户端)远程应用(1个功能系统)移动应用(1个功能系统)1.2.3辅助工具数据交换工具(6个):航天金税接口、数据交换平台、固定资产数据、业务数据、科目初始数据、组装件BOM辅助工具(2个):单据自定义、KIS专业版升级工具系统工具(1个):网络控制工具套打工具(2个):财务套打、业务套打工具(1个):账套管理1.3关于加密1.3.1加密方式金蝶KIS专业版V10.0保持金蝶KISV9.1原有的软加密注册方式和智能卡加密注册方式。
由于新增了生产模块,分包的加密形态有所调整。
具体调整情况如下:新增三种加密包,分别为专业版总账包(含总账、报表)、生产包(原业务包基础上增加生产管理)、专业版增强包(原整包基础上增加生产管理);其中总账包只支持单站点;10.0版本不支持硬加密注册方式。
财务报表分析1、流动比率=流动资产÷流动负债2、速动比率=速动资产÷流动负债保守速动比率=(现金+短期证券+应收票据+应收账款净额)÷流动负债3、营业周期=存货周转天数+应收账款周转天数4、存货周转率(次数)=销售成本÷平均存货其中:平均存货=(存货年初数+存货年末数)÷2存货周转天数=360/存货周转率=(平均存货×360)÷销售成本5、应收账款周转率(次)=销售收入÷平均应收账款l其中:销售收入为扣除折扣与折让后的净额;应收账款是未扣除坏账准备的金额应收账款周转天数=360÷应收账款周转率=(平均应收账款×360)÷销售收入净额6、流动资产周转率(次数)=销售收入÷平均流动资产7、总资产周转率=销售收入÷平均资产总额8、资产负债率=(负债总额÷资产总额)×100% (也称举债经营比率)9、产权比率=(负债总额÷股东权益)×100% (也称债务股权比率)10、有形净值债务率=[负债总额÷(股东权益-无形资产净值)]×100%11、已获利息倍数=息税前利润÷利息费用长期债务与营运资金比率=长期负债÷(流动资产-流动负债)12、销售净利率=(净利润÷销售收入)×100%713、销售毛利率=[(销售收入-销售成本)÷销售收入]×100%.14、资产净利率=(净利润÷平均资产总额)×100%15、净资产收益率=净利润÷平均净资产(或年末净资产)×1 00%或=销售净利率×资产周转率×权益乘数16、权益乘数=资产总额÷所有者权益总额=1÷(1-资产负债率)=1+产权比率17、平均发行在外普通股股数=∑(发行在外的普通股数×发行在外的月份数)÷1218、每股收益=净利润÷年末普通股份总数=(净利润-优先股利)÷(年末股份总数-年末优先股数)19、市盈率(倍数)=普通股每市价÷每股收益20、每股股利=股利总额÷年末普通股股份总数21、股票获利率=普通股每股股利÷普通股每股市价22、市净率=每股市价÷每股净资产23、股利支付率=(每股股利÷每股净收益)×100%股利保障倍数=股利支付率的倒数24、留存盈利比率=(净利润-全部股利)÷净利润×100%25、每股净资产=年末股东权益(扣除优先股)÷年末普通股数(也称每股账面价值或每股权益)26、现金到期债务比=经营现金净流入÷本期到期的债务(指本期到期的长期债务与本期应付票据).现金流动负债比=经营现金净流入÷流动负债现金债务总额比=经营现金净流入÷债务总额(计算公司最大的负债能力)27、销售现金比率=经营现金净流入÷销售额每股营业现金净流量=经营现金净流入÷普通股数全部资产现金回收率=经营现金净流入÷全部资产×100%M28、现金满足投资比=近5年经营活动现金净流入÷近5年资本支出、存货增加、现金股利之和;现金股利保障倍数=每股营业现金净流入÷每股现金股利29、净收益营运指数=经营净收益÷净收益=(净收益-非经营收益)÷净收益现金营运指数=经营现金净流量÷经营所得现金(经营所得现金=经营活动净收益+非付现费用)财务预测与计划30、外部融资额=(资产销售百分比-负债销售百分比)×新增销售额-销售净利率×计划销售额×(1-股利支付率)31、销售增长率=新增额÷基期额或=(计划额÷基期额)-132、新增销售额=销售增长率×基期销售额34、可持续增长率=股东权益增长率=股东权益本期增加额÷期初股东权益=销售净利率×总资产周转率×收益留存率×期初权益期末总资产乘数或=权益净利率×收益留存率÷(1-权益净利率×收益留存率)财务估价'(P-现值 i-利率 I-利息 S-终值 n—时间 r—名义利率 m -每年复利次数)35、复利终值复利现值36、普通年金终值:或37、年偿债基金:或A=S(A/S,i,n)(36与37系数互为倒数)38、普通年金现值:或 P=A(P/A,i,n)39、投资回收额:或 A=P(A/P,i,n)(38与39系数互为倒数)40、即付年金的终值:或 S=A[(S/A,i,n+1)-1]41、即付年金的现值:或 P=A[(P/A,i,n-1)+1](42、递延年金现值:第一种方法:第二种方法:43、永续年金现值:44、名义利率与实际利率的换算:+45、债券价值:分期付息,到期还本:PV=利息年金现值+本金复利现值纯贴现债券价值PV=面值÷(1+必要报酬率)n (面值到期一次还本付息的按本利和支付)平息债券PV=I/M×(P/A,i/M,M×N)+本金(P/S,i/M,M ×N)(M为年付息次数,N为年数)永久债券46、债券到期收益率=或(V-股票价值 P-市价 g-增长率 D-股利 R-预期报酬率 R s-必要报酬率t-第几年股利)47、股票一般模式:零成长股票:固定成长:48、总报酬率=股利收益率+资本利得收益率或49、期望值:50、方差:标准差:变异系数=标准差÷期望值51、证券组合的预期报酬率=Σ(某种证券预期报酬率×该种证券在全部金额中的比重)即:m-证券种类 Aj-某证券在投资总额中的比例;-j种与k种证券报酬率的协方差-j种与k种报酬率之间的预期相关系数 Q-某种证券的标准差证券组合的标准差:52、总期望报酬率=Q×风险组合期望报酬率+(1-Q)×无风险利率总标准差=Q×风险组合的标准差53、资本资产定价模型:① COV为协方差,其它同上②直线回归法③直接计算法54、证券市场线:个股要求收益率投资管理55、贴现指标:净现值=现金流入现值-现金流出现值现值指数=现金流入现值÷现金流出现值内含报酬率:每年流量相等时用“年金法”,不等时用“逐步测试法”56、非贴现指标:回收期不等或分几年投入=n+n年未回收额/ n+1年现金流出量会计收益率=(年均净收益÷原始投资额)×100%57、投资人要求的收益率(资本成本)=债务比重×利率×(1-所得税)+所有者权益比重×权益成本58、固定平均年成本=(原值+运行成本-残值)/使用年限(不考虑时间价值)或=(原值+运行成本现值之和-残值现值)/年金现值系数(考虑时间价值)59、营业现金流量=营业收入-付现成本-所得税(根据定义)=税后净利润+折旧(根据年末营业成果)=(收入-付现成本)×(1-所得税率)+折旧×税率(根据所得税对收入和折旧的影响)60、调整现金流量法:(α-肯定当量)61、风险调整折现率法:投资者要求的收益率=无风险报酬率+β×(市场平均报酬率-无风险报酬率)(β—贝他系数)项目要求的收益率=无风险报酬率+项目的β×(市场平均报酬率-无风险报酬率)62、净现值=实体现金流量/实体加权平均成本-原始投资净现值=股东现金流量/股东要求的收益率-股东投资63、β权益=β资产×(1+负债/权益)β资产=β权益÷(1+负债/权益)流动资金管理9 g k( l z; Z6 }64、现金返回线 H=3R-2L(上限=3×现金返回线-2×下限)65、收益增加=销量增加×单位边际贡献66、应收账款应计利息=日销售额×平均收现期×变动成本率×资本成本平均余额=日销售额×平均收现期占用资金=平均余额×变动成本率67、折扣成本增加=(新销售水平×新折扣率-旧销售水平×旧折扣率)×享受折扣的顾客比例68、订货成本=订货固定成本+年需要量/每次进货量×订货变动成本取得成本=订货成本+购置成本储存成本=固定成本+单位变动成本×每次进货量/2存货总成本=取得成本+储存成本+缺货成本 TC=TCa+TCc+TCs(K-每次订货成本D-总需量 Kc-单位储存成本 N-订货次数U-单价 p-日送货量 d-日耗用量)69、经济订货量: ?]0 l8 d$ q总成本最佳订货次数经济订货量占用资金最佳订货周期陆续进货的经济订货量总成本经济订货量占用资金=70、再订货点(R)=交货时间(L)×平均日需求量(d)+保险储备(B) R=L×d+B(Ku-单位缺货成本; S-一次订货缺货量; N-年订货次数; Kc-单位存货成本)保险储备总成本=缺货成本+保险储备成本=单位缺货成本×缺货量×年订货次数+保险储备×单位存货成本即:TC(S、B)=K u × S × N + B × Kc筹资管理72、实际利率(短期借款)=名义利率/(1-补偿性余额比率)或=利息/实际可用借款额73、可转换债券转换比例=债券面值÷转换价格股利分配74、发放股票股利后的每股收益(市价)=发放前每股收益(市价)÷(1+股票股利发放率))资本成本和资本结构通用模式:资本成本=资金占用费/筹资金额×(1-筹集费率)75、银行借款成本:(K1-银行借款成本;I-年利息;L-筹资总额;T-所得税税率;R1-借款利率;F1-筹资费率)考虑时间价值的税前成本(K):(P-本金)税后成本(K1):(K1)=K×(1-T)76、债券成本:(Kb-债券成本;I-年利息;T-所得税率;Rb–债券利率;B -筹资额(按发行价格);Fb-筹资费率)考虑时间价值的税前成本(K):(P-面值)税后成本(Kb)(K b)=K×(1-T)77、留存收益成本:第一种方法:股利增长模型:第二种方法:资本资产定价模型:第三种方法:风险溢价法:(Kb-债务成本;RPc -风险溢价)78、普通股成本:(式中:D1—第1年股利;P0—市价;g—年增长率)优先股成本=年股息率/(1-筹资费率)79、筹资突破点=可用某一特定成本筹集到的资金额÷该种资金在资本结构中所占的比重80、加权平均资金成本:(Kw为加权平均资金成本;Wj为第j 种资金占总资金的比重;Kj为第j种资金的成本)81、筹资突破点=可用某一特定成本筹集到的某种资金额/该种资金所占比重82、(p-单价 V-单位变动成本 F-总固定成本 S-销售额 V C-总变动成本 Q-销售量 N-普通股数)经营杠杆:公式一:公式二:财务杠杆:或(D—优先股息;T—所得税率)总杠杆:DTL=DOL×DFL 或83、(EPS-每股收益; SF-偿债基金;D-优先股息;VEPS-每股自由收益)每股收益无差别点:或:每股自由收益无差别点:当EBIT大于无差别点时,负债筹资有利;当EBIT小于无差别点时,普通股筹资有利。
1. U813.0更新业务特性:1.1.门户o 支持将“选项”里的“启用智能输入”的配置记为操作员参数存储到数据库中。
o 门户中“许可管理”位置调整。
o 门户新增节点“许可占用查询”显示许可具体占用情况。
o 删除预警与定时任务中老CRM相关节点。
2.基础档案o 多工厂启用设置:支持启用、重启、关闭多工厂。
多工厂启用后,方可对工厂档案”、“存货工厂对照表”、“计划范围表”等基础档案进行设置以及能够在生产制造模块中按照工厂计算供应需求。
o 工厂档案:支持对工厂档案信息进行维护管理。
o 存货工厂对照表:建立存货的计划工厂和供应工厂的映射关系,以便生产制造业务能够根据存货工厂对照关系执行计划。
o 仓库档案增加工厂栏目。
o 多工厂支持独立许可控制,不占用其它模块的许可点数。
o 存货档案规格型号等栏目支持文本域编辑。
o 客户档案增加省市区县、注册信息、网址、照片等信息。
o U8平台支持与CRM的客户档案附件互通。
o 客户档案支持与与超客营销客户对接。
o 存货扩展自定义项支持特殊符号录入。
o 存货档案物料子档和核算子档增加“批增”按钮,实现快速录入。
o 实施导航o 支持在实施导航中导入工厂档案和存货工厂对照表数据。
o 支持在EAI中交换工厂档案和存货工厂对照表的数据。
o 单据模版及其他控件o 单据列表只输出勾选的行o 支持用户设置先弹查询界面再进入单据列表模式o 单据右上角的搜索功能支持删除搜索历史记录o 二维码支持设置打印放大倍数o 单据格式设置中活动文本、表头栏目支持设置对齐方式o 单据及单据列表首次打开无数据时效率提升o 参照首次打开时效率提升o UAP表单及控件o 支持将excel表的单列数据复制到CS单据的表体中。
o 支持将UAP单据的表体数据复制到excel表。
o UAP的BS和CS单据取消“制单人只看到本人单据”的默认权限,支持灵活定义UAP单据的查看权限。
o UAP报表及报表控件o 报表交叉方案和交叉视图以日期/时间作为交叉点时,支持输出中式日期格式。
用友ERP-U8V10.1报表系统三种公式解析用友ERP-U8V10.1报表系统是一款集成了多种功能模块的企业管理软件,可以帮助企业实现资源的集中管理和高效运营。
在报表系统中,常常需要用到一些公式来进行数据的计算和分析。
本文将针对用友ERP-U8V10.1报表系统中常用的三种公式进行详细解析,帮助用户更好地理解和应用这些公式。
一、SUM函数SUM函数是用于对一组数据进行求和计算的函数。
在用友ERP-U8V10.1报表系统中,SUM函数的使用非常普遍,通过该函数可以方便地对一列或多列数据进行求和。
其基本语法如下:SUM(数据区域)数据区域可以是一个单独的单元格,也可以是一个包含多个单元格的区域。
使用SUM 函数时,需要注意以下几点:1. 数据区域可以直接指定为单元格的范围,例如SUM(A1:A10),表示对A1到A10这10个单元格中的数据进行求和计算;2. 数据区域也可以是一个动态的范围,例如SUM(A1:A10,B1:B10),表示对A1到A10和B1到B10这20个单元格中的数据进行求和计算;3. 数据区域中如果存在空值或非数值类型的数据,SUM函数会自动忽略这些数据进行求和计算;4. SUM函数还可以嵌套在其他函数中进行复杂的计算,例如 SUM(SUM(A1:A10),B1),表示先对A1到A10进行求和,然后再加上B1的值。
通过上述介绍,相信大家对SUM函数在用友ERP-U8V10.1报表系统中的应用有了更深入的理解。
下面我们将通过一个实际的例子来演示SUM函数的具体使用方法。
假设我们需要统计某企业一季度的销售额,可以通过SUM函数来实现。
在用友ERP-U8V10.1报表系统中,可以选择对应的销售额字段,然后在报表的合计行使用SUM函数即可,具体操作步骤如下:1. 打开用友ERP-U8V10.1报表系统,选择需要统计销售额的报表;2. 在报表的合计行中,选中销售额字段,然后在公式输入框中输入=SUM(销售额),回车即可得到该季度的销售额合计。
以下是一些常用的会计表格计算公式:
1. 总资产(Total Assets)= 资产负债表中的所有资产总额
2. 总负债(Total Liabilities)= 资产负债表中的所有负债总额
3. 所有者权益(Owner's Equity)= 总资产- 总负债
4. 流动比率(Current Ratio)= 流动资产/ 流动负债
5. 速动比率(Quick Ratio)= (流动资产- 存货)/ 流动负债
6. 利润总额(Gross Profit)= 销售收入- 成本费用
7. 净利润(Net Profit)= 利润总额- 税费及其他费用
8. 盈余公积(Surplus Reserve)= 净利润- 分配股利
9. 资本回报率(Return on Investment,ROI)= 净利润/ 总资产
10. 负债比率(Debt Ratio)= 总负债/ 总资产
11. 财务杠杆倍数(Financial Leverage)= 总资产/ 所有者权益
12. 应收账款周转率(Accounts Receivable Turnover)= 年度销售收入/ 平均应收账款余额
这只是一些常见的会计表格计算公式,实际上还有很多其他公式和指标可用于会计分析和财务报告。
具体使用哪些公式取决于需要分析的情况和目标。
1。
用友ERP-U8V10.1报表系统三种公式解析用友ERP-U8V10.1报表系统是企业管理软件中的一款重要工具,可以帮助企业实现财务、人力资源、供应链等各个方面的管理。
在使用报表系统的过程中,公式的运用是非常重要的,它可以帮助用户更加灵活地处理数据和生成报表。
本文将介绍用友ERP-U8V10.1报表系统中的三种常见公式,帮助用户更好地应用报表系统。
一、SUM函数SUM函数是报表系统中非常常见的一个函数,它用于计算一系列数字的和。
在用友ERP-U8V10.1报表系统中,SUM函数可以灵活地应用在各种报表中,比如会计报表、财务分析报表、销售报表等。
下面是SUM函数的一般形式:SUM(range)range表示要进行求和的数字范围。
在使用SUM函数时,用户只需输入要求和的数字范围,系统会自动计算出它们的和。
用户可以在报表中的某个单元格中输入“=SUM(A1:A10)”来计算A1至A10这十个单元格中数值的总和。
SUM函数在报表系统中的应用非常广泛,可以帮助用户实现多种统计功能,比如计算每月的销售额、每年的成本支出、每季度的利润等。
SUM函数还可以和其他函数结合使用,实现更加复杂的功能,比如计算平均值、最大值、最小值等。
掌握SUM函数的使用方法对于报表系统的应用非常重要。
二、IF函数IF(logical_test, value_if_true, value_if_false)logical_test表示要进行判断的条件,value_if_true表示条件成立时要返回的值,value_if_false表示条件不成立时要返回的值。
用户只需根据具体的条件,输入相应的数值和公式,系统会根据条件的成立与否返回不同的值。
用户可以在报表中的某个单元格中输入“=IF(A1>0, '收入', '支出')”来根据A1单元格的数值返回相应的文字,如果A1大于0,则返回“收入”,否则返回“支出”。
短期偿债能力公式:营运资本=流动资产—流动负债流动比率=流动资产/流动负债速冻比率=(流动资产—存货)/流动负债保守速冻比率=(货币资金+短期证券投资净额+应收账款净额)/流动负债 现金比率=(货币资金+短期投资净额)/流动负债长期偿债能力公式:资产负债率=负债/资产产权比率=负债总额/所有者权益=资产负债率资产负债率-1 有形净值债务率=无形资产净值股东权益负债- 利息偿付倍数=利息费用利息费用所得税净利润++ 资产运用效率公式:总资产周转率=主营业务收入/总资产平均余额总资产周转天数=360/总资产周转率流动资产周转率=主营业务收入/流动资产平均余额流动资产周转天数=360/流动资产周转率固定资产周转率=主营业务收入/固定资产平均余额固定资产周转天数=360/固定资产周转率长期投资周转率=主营业务收入/长期投资平均余额长期周转天数=360/长期投资周转率应收账款周转率=主营业务收入/应收账款平均余额应收账款周转天数=360/应收账款周转率存货周转率=主营业务收入/存货平均净额存货周转率=主营业务成本/存货平均净额存货周转天数=360/存货周转率营业周期=应收账款周转天数+存货周转天数获利能力公式:销售毛利额=主营业务收入—主营业务成本=销量*(销售单价—单位销售成本) 销售毛利额=主营业务收入主营业务成本主营业务收入-=销售单价单位销售成本销售单价- 销售毛利率=1—销售成本率营业利润率=营业利润/主营业务收入经营杠杆=基期贡献毛利/基期营业利润=固定费用单位成本销售单价单位成本销售单价--- 预计营业利润额=基期营业利润额*(1+预计产销量增产率*经营杠杆) 总资产收益率=平均资产总额所得税利息净利润++ 长期资本收益率 =2/2/期末所有者权益)(期初所有者权益期末长期负债)(期初长期负债息税前利润+++ 投资报酬公式:财务杠杆=利息息税前利润息税前利润- 净资产收益率=净利润/所有者权益扩展公式:(1)净资产收益率=销售净利率*资产周转率*权益乘数(2)净资产收益率 =所得税率)(资产负债负债利息率)(资产收益率资产收益率-⎥⎦⎤⎢⎣⎡-+1** (3)净资产收益率=资产净利率/(1—资产负债率)每股收益=通股股数发行在外的加权平均普优先股股利净利润- 股票获利率=普通股每股市价每股市场利得普通股每股股利+ 市盈率=普通股每股市价/普通股每股收益市净率=每股市价/每股净资产每股净资产=发行在外的普通股股数优先股权益股东权益总额- 现金流量公式:现金流量与当期债务比=经营活动现金净流量/流动负债债务保障率=经营活动现金净流量/(长期债务+短期债务)每元销售现金净流入=经营活动现金净流量/主营业务收入每股经营现金流量=(经营活动现金净流量—优先股股利)/发行在外的普通股股数全部资产现金回收率=经营活动现金净流量/全部资产现金流量适合比率=一定时期经营活动产生的现金净流量/(同期资本支出+同期存货净投资额+同期现金股利)现金再投资比率=(经营活动现金净流量—现金股利—利息支出)/(固定资产原值+对外投资+其他资产+营运资金)现金股利保障倍数=经营活动现金净流量/现金股利额营运指数=经营活动现金净流量/经营所得现金其中:经营所得现金=净利润—非经营净收益+非付现费用。
1 IUFO公式函数语法规则1.1 元素表示1.1.1 如何表示指标在函数中表示指标的方法是:"报表编码->指标名称"。
例如:"4001->其他应付款期末余额",表示编码为“4001”的报表中的指标“其他应付款期末余额”。
1.2.1 如何表示关键字关键字用关键字名加一对小括号,前加’K’表示,如K('年')、k('月')、k('单位')、k('单位->单位名称'),’单位->单位结构名称’表示单位结构字段。
可用在函数中,也可以单独用于条件表示。
1.2 函数1.2.1 日期函数1、日函数:DAY() 返回机器时间当前日信息,例如当前服务器时间为2012年7月25日,则DAY()返回值为25。
2、月份函数:MONTH() 返回机器时间当前月信息,例如当前服务器时间为2012年7月25日,则DAY()返回值为7。
3、季度函数:SEASON() 返回机器时间当前季信息,例如当前服务器时间为2012年7月25日,则DAY()返回值为3。
4、年函数:YEAR() 返回机器时间当前年信息,例如当前服务器时间为2012年7月25日,则DAY()返回值为2012。
5、日期函数:DATE() 返回当前机器时间,YYYYMMDD形式。
例如当前服务器时间为2012年7月25日,则DA TE()返回值为20120725。
1.2.2 条件赋值/取值函数IFF(<逻辑表达式>,<条件真值>,<条件假值>)当逻辑表达式的值为真时,返回<条件真值>的结果,否则返回<条件假值>;返回值类型视<条件真值>和<条件假值>而定,<条件真值>和<条件假值>的类型必须一致例如:在A1单元定义公式A1=IFF(ZMONTH()=1,0,100),该公式表示:1月份A1单元的值为0,其他月份,A1单元的值为100。
1.2.3 统计函数1、合计值:PTOTAL(<区域>,<区域条件>)返回指定区域在某一页符合区域筛选条件的数值单元的合计值。
2、最大值:PMAX(<区域>,<区域条件>)返回指定区域在某一页符合区域筛选条件的数值单元的最大值。
3、最小值:PMIN(<区域>,<区域条件>)返回指定区域在某一页符合区域筛选条件的数值单元的最小值。
4、平均值:PA VG(<区域>,<区域条件>)返回指定区域在某一页符合区域筛选条件的数值单元的平均值。
5、区域单元个数:PCOUNT(区域,区域条件)返回指定区域在某一页符合区域筛选条件的非表样单元的个数。
6、区域数值单元的偏方差值:PSTD(区域,区域条件)返回指定区域在某一页符合区域筛选条件的数值单元的偏方差值。
7、区域方差值:V AR(区域,区域条件)返回指定区域在某一页符合区域筛选条件的数值单元的方差值。
统计函数只对数值类型的指标进行统计。
另外,统计函数和SELECT函数只对指标的决算类型的值进行统计,并且只统计固定指标。
1.2.4 关键字函数关键字值函数:ZKEY('关键字名称'),根据当前报表关键字,返回指定关键字的值。
关键字:K('关键字名称') ,表示关键字。
上面这两个函数经常在条件表达式中联用,例如定义如下公式:MSUM('4001->预付账款期末余额',k('年')=zkey('年') and k('单位')=zkey('单位->单位编码'))公式中的条件表示对年和单位取当前报表关键字值的预付账款期末余额指标求和。
1.2.5 时间关键字属性函数1、根据当前输入日期返回年:ZYEAR()例如,报表录入日期为2012年07月25日,则ZYEAR()返回值为2012。
2、根据当前输入日期返回季:ZSEASON()例如,报表录入日期为2012年07月25日,则ZSEASON()返回值为3。
3、根据当前输入日期返回月:ZMONTH()例如,报表录入日期为2012年07月25日,则ZMONTH()返回值为7。
4、根据当前输入日期返回旬:ZPERIOD()例如,报表录入日期为2012年07月25日,则ZPERIOD()返回值为3。
5、根据当前输入日期返回日:ZDAY()例如,报表录入日期为2012年07月25日,则ZDAY()返回值为25。
6、根据当前输入日期返回周的序号:ZWEEK()例如,报表录入日期为2012年01月01日,则ZWEEK ()返回值为1。
7、根据当前输入日期返回该日期所属半年:ZHALFYEAR(),上半年返回1,下半年返回2例如,报表录入日期为2012年07月25日,则ZHALFYEAR ()返回值为2。
8、根据当前报表时间关键字,返回当前时间的最后一天,默认形式yyyymmdd,用户可以加入分隔符,则年月日之间用指定字符分隔。
例如,报表录入日期为2012年07月25日,则ZDA TE ()返回值为20120731。
9、根据当前报表时间关键字,返回当前计算日期的期初值:ZDATEQC(['日期分隔符']),默认形式yyyymmdd,可以在其中加入分隔符。
例如报表时间关键字:月,录入时间2012-5-31 。
ZDATEQC('-'),返回2012-05-01。
1.2.6 单位函数本单位编码:ZDW(),根据当前报表关键字,返回单位编码。
单位名称函数:DWNAME('单位编码'),根据给出的单位编码返回对应的单位名称。
单位信息:DWXX('单位编码','单位结构'),根据给定单位编码,返回对应的其他单位结构的值。
单位结构的表示方法:单位->单位结构名称。
1.2.7 指标函数1、指标取数函数:Mselect(指标[, 日期关键字][,日期偏移量][,条件][,版本]),返回指标符合条件的值。
指标:字符串,表示方法为:'报表编码->指标名称'。
日期关键字:当前报表中可以使用的日期关键字,例如:当前报表是月报,则可以使用'年'、'半年'、'季'、'月';日期偏移量:相对于日期关键字的偏移量。
整数,正数表示向后偏移,负数表示向前偏移,0或缺省表示同当前报表关键字值相同。
可以是单元、指标、常数组成的表达式。
条件:逻辑表达式,各条件之间以and相连,条件中可以使用指标所属报表中所有关键字。
条件可缺省,表示同当前报表关键字的值相同。
如果指标所在的报表对应的关键字在这个表达式中没有对应的值,那么在当前报表的关键字中找到一样的关键字并带入,如果当前报表也没有则用空值带入,这样的结果是结果为空值。
如果条件中重复对已设置了偏移的日期关键字定义条件,则偏移无效。
版本:版本名称,'原始'、'合并'、'调整',缺省表示同当前报表版本相同。
2、取数函数:Mselects(指标组[, 日期关键字][,日期偏移量][,条件][,版本]),返回指定报表中一组指标,符合条件的一组值。
指标组:指标所属的报表编码和指标名称列表,它们之间用"->"分隔,指标名称列表是一组用逗号隔开的指标名称列表。
3、区域指标取数函数:Mselecta(区域[, 日期关键字][,日期偏移量][,条件][,版本]),返回当前报表指定区域对应指标,符合条件的值。
区域:本表单元位置,例如:A1:C5;它表区域表示为:'报表编码'->区域例如:'会01'->C4:C74、指标合计值函数:MSUM(指标,[条件]),返回某指标在一定条件下的合计值。
指标:字符串,表示方法为:'报表编码->指标名称',数值型指标条件:逻辑表达式,各条件之间以and 或or 相连,条件中可以使用指标所在报表的所有关键字。
条件可缺省,表示所有值。
5、指标平均值函数:MA VG(指标,[条件]),返回某指标在一定条件下的平均值。
指标:字符串,表示方法为:'报表编码->指标名称',数值型指标条件:逻辑表达式,各条件之间以and 或or 相连,条件中可以使用指标所在报表的所有关键字。
条件可缺省,表示所有值。
6、指标计数函数:MCOUNT(指标,[条件]),返回某指标符合一定条件的值的个数。
指标:字符串,表示方法为:'报表编码->指标名称'条件:逻辑表达式,各条件之间以and 或or 相连,条件中可以使用指标所在报表的所有关键字。
条件可缺省,表示所有值。
7、指标最小值函数:MMIN(指标,[条件]),返回某指标在一定条件下的最小值。
指标:字符串,表示方法为:'报表编码->指标名称',数值型指标条件:逻辑表达式,各条件之间以and 或or 相连,条件中可以使用指标所在报表的所有关键字。
条件可缺省,表示所有值。
8、指标最大值函数:MMAX(指标,[条件]),返回某指标在一定条件下的最大值。
指标:字符串,表示方法为:'报表编码->指标名称',数值型指标条件:逻辑表达式,各条件之间以and 或or 相连,条件中可以使用指标所在报表的所有关键字。
条件可缺省,表示所有值。
9、编码内容函数:codename(编码值, 编码名称),根据编码值,返回对应的编码内容。
10、排名函数:MNO('指标名称'),计算当前动态区域内,指定指标的值按升序排名的位置。
11、比重函数:MPercent('指标名称'),计算在当前动态区域内指定指标在所有值中所占的百分比。
1.2.8 取当前登录信息函数(1)取当前登录单位CurDw()函数功能:取当前登录单位的编码函数格式:CurDw()参数说明:无返回值:返回当前登录单位的编码,字符型。
(2)取当前登录用户CurUser()函数功能:取当前登录用户的编码函数格式:CurUser()参数说明:无返回值:返回当前登录用户的编码,字符型。
(3)取当前登录日期CurDate()函数功能:取当前登录时间,并根据时间属性返回对应的值函数格式:CurDate([时间属性])参数说明:时间属性,可选值为:Y,S,M,P,W,D,分别表示返回当前登录时间年,季,月,旬,周,日对应的值。