_汽车电路常用图形符号_ 32080176
- 格式:ppt
- 大小:3.62 MB
- 文档页数:53
(汽车行业)汽车电路图常用符号汽车电路图常用符号汽车电路图是利用图形符号和文字符号,表示汽车电路构成、连接关系和工作原理,而不考虑其实际安装位置的壹种简图。
为了使电路图具有通用性,便于进行技术交流,构成电路图的图形符号和文字符号,不是随意的,它有统壹的国家标准和国际标准。
要见懂电路图,必须了解图形符号和文字符号的含义、标注原则和使用方法。
壹、图形符号图形符号是用于电气图或其他文件中的表示项目或概念的壹种图形、标记或字符,是电气技术领域中最基本的工程语言。
因此,为了见懂汽车电路图,我们要掌握和熟练地运用它。
常用的图形符号见表1-1-1所列。
图形符号分为基本符号、壹般符号和明细符号3种。
1、基本符号基本符号不能单独使用,不表示独立的电器元件,只说明电路的某些特征。
如:“—”表示直流,“~”表示交流,“+”表示电源的正极,“-”表示电源的负极,“N”表示中性线。
2、壹般符号壹般符号用以表示壹类产品和此类产品特征的壹种简单符号。
如:表示指示仪表的壹般符号,表示传感器的壹般符号。
壹般符号广义上代表各类元器件,另外,也能够表示没有附加信息或功能的具体元件,如:壹般电阻、电容等。
3、明细符号明细符号表示某壹种具体的电器元件。
它是由基本符号、壹般符号、物理量符号、文字符号等组合派生出来的。
如:是指示仪表的壹般符号,当要表示电流、电压的种类和特点时,将“*”处换成“A”、“V”,就成为明细符号。
表示电流表,表示电压表。
另外,对标准中没有规定的符号,能够选取标准中给定的基本符号、壹般符号和明细符号,按规定的组合原则进行派生,以构成完整的元件或设备的图形符号,但在图样的空白处必须加以说明,如表1-1-2所示。
将天线的壹般符号和直流电动机的壹般符号进行组合,就构成了电动天线的图形符号。
表1-1-2电动天线的组合示例4(1)首先选用优选形。
(2)在满足条件的情况下,首先采用最简单的形式,但图形符号必须完整。
(3)在同壹份电路图中同壹图形符号采用同壹种形式。
汽车电路图符号汽车电路图符号大全汽车电子书本、软 2010-07-19 09:19:40 阅读436 评论0 字号:大中小订阅汽车电路图符号大全汽车电路图是利用图形符号和文字符号,表示汽车电路构成、连接关系和工作原理,而不考虑其实际安装位置的一种简图。
为了使电路图具有通用性,便于进行技术交流,构成电路图的图形符号和文字符号,不是随意的,它有统一的国家标准和国际标准。
要看懂电路图,必须了解图形符号和文字符号的含义、标注原则和使用方法。
一、图形符号图形符号是用于电气图或其他文件中的表示项目或概念的一种图形、标记或字符,是电气技术领域中最基本的工程语言。
因此,为了看懂汽车电路图,我们要掌握和熟练地运用它。
常用的图形符号见表1-1-1所列。
图形符号分为基本符号、一般符号和明细符号3种。
1、基本符号基本符号不能单独使用,不表示独立的电器元件,只说明电路的某些特征。
如:“—”表示直流,“~”表示交流,“+”表示电源的正极,“-”表示电源的负极,“N”表示中性线。
2、一般符号一般符号用以表示一类产品和此类产品特征的一种简单符号。
如:表示指示仪表的一般符号,表示传感器的一般符号。
一般符号广义上代表各类元器件,另外,也可以表示没有附加信息或功能的具体元件,如:一般电阻、电容等。
3、明细符号明细符号表示某一种具体的电器元件。
它是由基本符号、一般符号、物理量符号、文字符号等组合派生出来的。
如:是指示仪表的一般符号,当要表示电流、电压的种类和特点时,将“*”处换成“A”、“V”,就成为明细符号。
表示电流表,表示电压表。
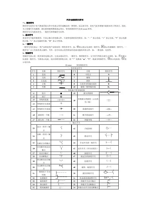
表1-1-1 常用图形符号一、常用基本符号序号名称图形符号序号名称图形符号1 直流6 中性点 N2 交流 7 磁场 F3 交直流 8 搭铁4 正极 9 交流发电机输出接柱 B5 负极10 磁场二极管输出端 D+二、导线端子和导线连接11 接点● 18 插头和插座12 端子○ 19 多极插头和插座(示出的为三极)13 导线的连接14 导线的分支连接15 导线的交叉连接 20 接通的连接片16 插座的一个极 21 断开的连接片17 插头的一个极 22 屏蔽导线三、触点开关23 动合(常开)触点 42 凸轮控制24 动断(常闭)触点 43 联动开关25 先断后合的触点 44 手动开关的一般符号26 中间断开的双向触点 45 定位开关(非自动复位)27 双动合触点 46 按钮开关28 双动断触点 47 能定位的按钮开关29 单动断双动合触点 48 拉拨开关30 双动断单动合触点 49 旋转、旋钮开关31 一般情况下手动控制 50液位控制开关32 拉拨操作 51 机油滤清器报警开关33 旋转操作 52 热敏开关动合触点34 推动操作 53 热敏开关动断触点35 一般机械操作 54 热敏自动开关的动断触点36 钥匙操作 55 热继电器触点。
精心整理第一章汽车电气线路图读图基础第一节汽车电路图常用符号汽车电路图是利用图形符号和文字符号,表示汽车电路构成、连接关系和工作原理,而不考虑其实际安装位置的一种简图。
为了使电路图具有通用性,便于进行技术交流,构成电路图的图形符号和文字符号,不是随意的,它有统一的国家标准和国际标准。
要看懂电路图,必须了解图形符号和文字符号的含义、标注原则和使用方法。
一、图形符号1流,“~2如:也可以表示没有附加信息或功3组合派生出来的。
如:*”,就成为明细符号。
表示电流表,表示电压表。
表常用图形符号按规定的组合原则进行派生,以构成完整的元件或设备的图形符号,但在图样的空白处必须加以说明,如表1-1-2所示。
将天线的一般符号和直流电动机的一般符号进行组合,就构成了电动天线的图形符号。
4(1)首先选用优选形。
(2)在满足条件的情况下,首先采用最简单的形式,但图形符号必须完整。
(3)在同一份电路图中同一图形符号采用同一种形式。
(4)符号方位不是固定的,在不改变符号意义的前提下,符号可根据图面布置的需要旋转或成镜像放置,但文字和指示方向不得倒置。
(5)图形符号中一般没有端子代号,如果端子代号是符号的一部分,则端子代号必须画出。
(6)导线符号可以用不同宽度的线条表示,如电源线路(主电路)可用粗实线表示,控制、保护线路(辅助电路)则可用细实线表示。
(7)一般连接线不是图形符号的组成部分,方位可根据实际需要布置。
(8)符号的意义由其形式决定,可根据需要进行缩小或放大。
(9)图形符号表示的是在无电压、无外力的常规状态。
((符号。
1(1(2“G”2辅助文字符号表示电气设备、装置和元器件以及线路的功能、状态和特征。
如“SYN”表示同步,“L”表示限制左或低,“RD”表示红色,“ON”表示闭合,“OFF”表示断开等。
常用辅助文字符号见表1-1-4所示。
3(1)单字母符号应优先选用。
(2)只有当用单字母符号不能满足要求,需要将大类进一步划分时,才采用双字母符号,以便较详细和更具体地表述电气设备、装置和元器件等。
汽车电路图常用符号一、图形符号图形符号是用于电气图或其他文件中的表示项目或概念的一种图形、标记或字符,是电气技术领域中最基本的工程语言。
因此,为了看懂汽车电路图,我们要掌握和熟练地运用它。
常用的图形符号见表1-1-1所列。
图形符号分为基本符号、一般符号和明细符号3种。
1、基本符号基本符号不能单独使用,不表示独立的电器元件,只说明电路的某些特征。
如:“—”表示直流,“~”表示交流,“+”表示电源的正极,“-”表示电源的负极,“N ”表示中性线。
2、一般符号一般符号用以表示一类产品和此类产品特征的一种简单符号。
如:表示指示仪表的一般符号,表示传感器的一般符号。
一般符号广义上代表各类元器件,另外,也可以表示没有附加信息或功能的具体元件,如:一般电阻、电容等。
3、明细符号明细符号表示某一种具体的电器元件。
它是由基本符号、一般符号、物理量符号、文字符号等组合派生出来的。
如:是指示仪表的一般符号,当要表示电流、电压的种类和特点时,将“*”处换成“A ”、“V ”,就成为明细符号。
表示电流表,表示电压表。
一、常用基本符号序号 名称 图形符号序号 名称 图形符号1 直流6 中性点 N2 交流 7 磁场 F3 交直流8 搭铁4 正极9 交流发电机输出接柱 B 5 负极 10 磁场二极管输出端 D + 二、导线端子和导线连接11 接点 ● 18插头和插座12 端子 ○19多极插头和插座(示出的为三极)13 导线的连接14 导线的分支连接15 导线的交叉连接 20 接通的连接片16 插座的一个极 21 断开的连接片17插头的一个极22 屏蔽导线三、触点开关23动合(常开)触点42凸轮控制24 动断(常闭)触点 43 联动开关25 先断后合的触点 44 手动开关的一般符号26 中间断开的双向触点 45 定位开关(非自动复位)27 双动合触点 46 按钮开关28 双动断触点 47 能定位的按钮开关29 单动断双动合触点48拉拨开关30 双动断单动合触点49 旋转、旋钮开关31 一般情况下手动控制 50 液位控制开关32 拉拨操作51 机油滤清器报警开关33 旋转操作 52 热敏开关动合触点34 推动操作 53 热敏开关动断触点35一般机械操作54热敏自动开关的动断触点信号灯、(出霜器)另外,对标准中没有规定的符号,可以选取标准中给定的基本符号、一般符号和明细符号,按规定的组合原则进行派生,以构成完整的元件或设备的图形符号,但在图样的空白处必须加以说明,如表1-1-2所示。
汽车电路图常用符号————————————————————————————————作者:————————————————————————————————日期:汽车电路图常用符号一、图形符号图形符号是用于电气图或其他文件中的表示项目或概念的一种图形、标记或字符,是电气技术领域中最基本的工程语言。
因此,为了看懂汽车电路图,我们要掌握和熟练地运用它。
常用的图形符号见表1-1-1所列。
图形符号分为基本符号、一般符号和明细符号3种。
1、基本符号基本符号不能单独使用,不表示独立的电器元件,只说明电路的某些特征。
如:“—”表示直流,“~”表示交流,“+”表示电源的正极,“-”表示电源的负极,“N”表示中性线。
2、一般符号一般符号用以表示一类产品和此类产品特征的一种简单符号。
如:表示指示仪表的一般符号,表示传感器的一般符号。
一般符号广义上代表各类元器件,另外,也可以表示没有附加信息或功能的具体元件,如:一般电阻、电容等。
3、明细符号明细符号表示某一种具体的电器元件。
它是由基本符号、一般符号、物理量符号、文字符号等组合派生出来的。
如:是指示仪表的一般符号,当要表示电流、电压的种类和特点时,将“*”处换成“A”、“V”,就成为明细符号。
表示电流表,表示电压表。
表1-1-1 常用图形符号一、常用基本符号序号名称图形符号序号名称图形符号1 直流 6 中性点N2 交流7 磁场 F3 交直流8 搭铁4 正极9 交流发电机输出接柱 B5 负极10 磁场二极管输出端D+二、导线端子和导线连接11 接点●18 插头和插座12 端子○19 多极插头和插座(示出的为三极)13 导线的连接14 导线的分支连接15 导线的交叉连接20 接通的连接片16 插座的一个极21 断开的连接片17 插头的一个极22 屏蔽导线三、触点开关23动合(常开)触点42 凸轮控制24动断(常闭)触点43 联动开关25 先断后合的触点44 手动开关的一般符号26 中间断开的双向触点45 定位开关(非自动复位)27 双动合触点46 按钮开关28 双动断触点47 能定位的按钮开关29 单动断双动合触点48 拉拨开关30 双动断单动合触点49 旋转、旋钮开关31 一般情况下手动控制50 液位控制开关32 拉拨操作51 机油滤清器报警开关33 旋转操作52 热敏开关动合触点34 推动操作53 热敏开关动断触点35 一般机械操作54 热敏自动开关的动断触点36 钥匙操作 55 热继电器触点 37 热执行器操作 56 旋转多档开关位置 38 温度控制 57 推拉多档开关位置 39 压力控制 58 钥匙开关(全部定位) 40 制动压力控制 59 多档开关、点火、起动开关,瞬时位置 41 液位控制 60 节流阀开关 四、电器元件61 电阻器 80 光电二极管62 可变电阻器 81 PNP 型三极管63 压敏电阻器 82 集电极接管壳三极管(NPN )64热敏电阻器83具有两个电极的压电晶体65 滑线式变阻器 84电感器、线圈、绕组、扼流圈66 分路器 85 带铁心的电感器67 滑动触点电位器86 熔断器 68 仪表照明调光电阻器 87 易熔线 69 光敏电阻 88 电路断电器 70 加热元件、电热塞89 永久磁铁71 电容器 90操作器件一般符号72可变电容器91一个绕组电磁铁73 极性电容器 74穿心电容器92两个绕组电磁铁75半导体二极管一般符号76 稳压二极管93不同方向绕组电磁铁77 发光二极管 78 双向二极管(变阻二极管) 94 触点常开的继电器 79三极晶体闸流管95 触点常闭的继电器五、仪表96 指示仪表 103 转速表97 电压表 104 温度表 98 电流表 105 燃油表 99 电压、电流表 106 车速里程表100 欧姆表 107 电钟 101 瓦特表 108 数字式电钟102油压表六、传感器109传感器的一般符号116空气流量传感器110 温度表传感器117 氧传感器111 空气温度传感器118 爆震传感器112 水温传感器119 转速传感器113 燃油表传感器120 速度传感器114 油压表传感器121 空气压力传感器115 空气质量传感器122 制动压力传感器七、电气设备123 照明灯、信号灯、仪表灯、指示灯159 内部通信联络及音乐系统124 双丝灯160 收放机125 荧光灯161 天线电话126 组合灯162 收放机127 预热指示器163 点火线圈128 电喇叭164 分电器129 扬声器165 火花塞130 蜂鸣器166 电压调节器131 报警器、电警笛167 转速调节器132 信号发生器168 温度调节器133 脉冲发生器169 串激绕组134 闪光器170 并激或他激绕组135 霍尔信号发生器171 集电环或换向器上的电刷136 磁感应信号发生器172 直流电动机137 温度补偿器173 串激直流电动机138 电磁阀一般符号174 并激直流电动机139 常开电磁阀175 永磁直流电动机140 常闭电磁阀176 起动机(带电磁开头)141 电磁离合器177 燃油泵电动机、洗涤电动机142 用电动机操纵的怠速调整装置178 晶体管电动汽油泵143 过电压保护装置179 加热定时器144 过电流保护装置180 点火电子组件145 加热器(出霜器)181 风扇电动机146 振荡器182 刮水电动机147 变换器、转换器183 电动天线148 光电发生器184 直流伺服电动机149 空气调节器185 直流发电机150 滤波器186 星形连接的三相绕组151 稳压器187 三角形连接的三相绕组152 点烟器188定子绕组为星形连接的交流发电机153 热继电器189定子绕组为三角形连接的交流发电机154 间歇刮水继电器190外接电压调节器与交流发电机155 防盗报警系统191 整体式交流发电机156 天线一般符号192 蓄电池157 发射机193 蓄电池组158 收放机另外,对标准中没有规定的符号,可以选取标准中给定的基本符号、一般符号和明细符号,按规定的组合原则进行派生,以构成完整的元件或设备的图形符号,但在图样的空白处必须加以说明,如表1-1-2所示。
第一章汽车电气线路图读图基础第一节汽车电路图常用符号汽车电路图是利用图形符号和文字符号,表示汽车电路构成、连接关系和工作原理,而不考虑其实际安装位置的一种简图。
为了使电路图具有通用性,便于进行技术交流,构成电路图的图形符号和文字符号,不是随意的,它有统一的国家标准和国际标准。
要看懂电路图,必须了解图形符号和文字符号的含义、标注原则和使用方法。
一、图形符号图形符号是用于电气图或其他文件中的表示项目或概念的一种图形、标记或字符,是电气技术领域中最基本的工程语言。
因此,为了看懂汽车电路图,我们要掌握和熟练地运用它。
常用的图形符号见表1-1-1所列。
图形符号分为基本符号、一般符号和明细符号3种。
1、基本符号基本符号不能单独使用,不表示独立的电器元件,只说明电路的某些特征。
如:“—”表示直流,“~”表示交流,“+”表示电源的正极,“-”表示电源的负极,“N”表示中性线。
2、一般符号一般符号用以表示一类产品和此类产品特征的一种简单符号。
如:表示指示仪表的一般符号,表示传感器的一般符号。
一般符号广义上代表各类元器件,另外,也可以表示没有附加信息或功能的具体元件,如:一般电阻、电容等。
3、明细符号明细符号表示某一种具体的电器元件。
它是由基本符号、一般符号、物理量符号、文字符号等组合派生出来的。
如:是指示仪表的一般符号,当要表示电流、电压的种类和特点时,将“*”处换成“A”、“V”,就成为明细符号。
表示电流表,表示电压表。
一、常用基本符号序号名称图形符号序号名称图形符号1 直流 6 中性点N2 交流7 磁场 F3 交直流8 搭铁4 正极9 交流发电机输出接柱 B5 负极10 磁场二极管输出端D+二、导线端子和导线连接11 接点●18 插头和插座12 端子○19 多极插头和插座(示出的为三极)13 导线的连接14 导线的分支连接另外,对标准中没有规定的符号,可以选取标准中给定的基本符号、一般符号和明细符号,按规定的组合原则进行派生,以构成完整的元件或设备的图形符号,但在图样的空白处必须加以说明,如表1-1-2所示。
汽车电工电路图符号大全汽车电工电路图符号大全汽车电路图是利用图形符号和文字符号,表示汽车电路构成、连接关系和工作原理,而不考虑其实际安装位置的一种简图。
为了使电路图具有通用性,便于进行技术交流,构成电路图的图形符号和文字符号,不是随意的,它有统一的国家标准和国际标准。
要看懂电路图,必须了解图形符号和文字符号的含义、标注原则和使用方法。
一、图形符号图形符号是用于电气图或其他文件中的表示项目或概念的一种图形、标记或字符,是电气技术领域中最基本的工程语言。
因此,为了看懂汽车电路图,我们要掌握和熟练地运用它。
常用的图形符号见表1-1-1所列。
图形符号分为基本符号、一般符号和明细符号3种。
1、基本符号基本符号不能单独使用,不表示独立的电器元件,只说明电路的某些特征。
如:“—”表示直流,“~”表示交流,“+”表示电源的正极,“-”表示电源的负极,“N”表示中性线。
2、一般符号一般符号用以表示一类产品和此类产品特征的一种简单符号。
如: 表示指示仪表的一般符号,表示传感器的一般符号。
一般符号广义上代表各类元器件,另外,也可以表示没有附加信息或功能的具体元件,如:一般电阻、电容等。
3、明细符号明细符号表示某一种具体的电器元件。
它是由基本符号、一般符号、物理量符号、文字符号等组合派生出来的。
如: 是指示仪表的一般符号,当要表示电流、电压的种类和特点时,将“*”处换成“A”、“V”,就成为明细符号。
表示电流表,表示电压表。
二、文字符号文字符号是由电气设备、装置和元器件的种类(名称)字母代码和功能(与状态、特征)字母代码组成。
用于电气技术领域中技术文件的编制,也可标注在电气设备、装置和元器件上或其近旁,以表明电气设备、装置和元器件的名称、功能、状态和特征。
此外,还可与基本图形符号和一般图形符号组合使用,以派生新的图形符号。
文字符号分为基本文字符号和辅助文字符号两大类,基本文字符号又分为单字母符号和双字母符号。
基本文字符号(1)单字母符号单字母符号是按拉丁字母将各种电气设备、装置和元器件划分为二十三大类,每大类用一个专用单字母符号表示,如“C”表示电容器类,“R”表示电阻类等。
汽车电路图是利用图形符号和文字符号,表示汽车电路构成、连接关系和工作原理,而不考虑其实际安装位置的一种简图。
为了使电路图具有通用性,便于进行技术交流,构成电路图的图形符号和文字符号,不是随意的,它有统一的国家标准和国际标准。
要看懂电路图,必须了解图形符号和文字符号的含义、标注原则和使用方法。
一、图形符号图形符号是用于电气图或其他文件中的表示项目或概念的一种图形、标记或字符,是电气技术领域中最基本的工程语言。
因此,为了看懂汽车电路图,我们要掌握和熟练地运用它.常用的图形符号见表1-1-1所列。
图形符号分为基本符号、一般符号和明细符号3种。
1、基本符号基本符号不能单独使用,不表示独立的电器元件,只说明电路的某些特征.如:“-”表示直流,“~"表示交流,“+"表示电源的正极,“-”表示电源的负极,“N”表示中性线.2、一般符号一般符号用以表示一类产品和此类产品特征的一种简单符号。
如:表示指示仪表的一般符号,表示传感器的一般符号。
一般符号广义上代表各类元器件,另外,也可以表示没有附加信息或功能的具体元件,如:一般电阻、电容等.3、明细符号明细符号表示某一种具体的电器元件。
它是由基本符号、一般符号、物理量符号、文字符号等组合派生出来的。
如:是指示仪表的一般符号,当要表示电流、电压的种类和特点时,将“*”处换成“A"、“V”,就成为明细符号。
表示电流表,表示电压表。
另外,对标准中没有规定的符号,可以选取标准中给定的基本符号、一般符号和明细符号,按规定的组合原则进行派生,以构成完整的元件或设备的图形符号,但在图样的空白处必须加以说明,如表1—1-2所示。
将天线的一般符号和直流电动机的一般符号进行组合,就构成了电动天线的图形符号.表1—1-2 电动天线的组合示例图形符号说明天线的一般符号直流电动机的一般符号电动机天线的派生符号4、图形符号的使用原则(1)首先选用优选形.(2)在满足条件的情况下,首先采用最简单的形式,但图形符号必须完整。
汽车电路图常用符号一、图形符号图形符号是用于电气图或其他文件中的表示项目或概念的一种图形、标记或字符,是电气技术领域中最基本的工程语言。
因此,为了看懂汽车电路图,我们要掌握和熟练地运用它。
常用的图形符号见表1-1-1所列。
图形符号分为基本符号、一般符号和明细符号3种。
1、基本符号基本符号不能单独使用,不表示独立的电器元件,只说明电路的某些特征。
如:“—”表示直流,“~”表示交流,“+”表示电源的正极,“-”表示电源的负极,“N ”表示中性线。
2、一般符号一般符号用以表示一类产品和此类产品特征的一种简单符号。
如:表示指示仪表的一般符号,表示传感器的一般符号。
一般符号广义上代表各类元器件,另外,也可以表示没有附加信息或功能的具体元件,如:一般电阻、电容等。
3、明细符号明细符号表示某一种具体的电器元件。
它是由基本符号、一般符号、物理量符号、文字符号等组合派生出来的。
如:是指示仪表的一般符号,当要表示电流、电压的种类和特点时,将“*”处换成“A ”、“V ”,就成为明细符号。
表示电流表,表示电压表。
一、常用基本符号序号 名称 图形符号序号 名称 图形符号1 直流6 中性点 N2 交流 7 磁场 F3 交直流8 搭铁4 正极9 交流发电机输出接柱 B 5 负极 10 磁场二极管输出端 D + 二、导线端子和导线连接11 接点 ● 18插头和插座12 端子 ○19多极插头和插座(示出的为三极)13 导线的连接14 导线的分支连接15 导线的交叉连接 20 接通的连接片16 插座的一个极 21 断开的连接片17插头的一个极22 屏蔽导线三、触点开关23动合(常开)触点42凸轮控制24 动断(常闭)触点 43 联动开关25 先断后合的触点 44 手动开关的一般符号26 中间断开的双向触点 45 定位开关(非自动复位)27 双动合触点 46 按钮开关28 双动断触点 47 能定位的按钮开关29 单动断双动合触点48拉拨开关30 双动断单动合触点49 旋转、旋钮开关31 一般情况下手动控制 50 液位控制开关32 拉拨操作51 机油滤清器报警开关33 旋转操作 52 热敏开关动合触点34 推动操作 53 热敏开关动断触点35一般机械操作54热敏自动开关的动断触点信号灯、(出霜器)另外,对标准中没有规定的符号,可以选取标准中给定的基本符号、一般符号和明细符号,按规定的组合原则进行派生,以构成完整的元件或设备的图形符号,但在图样的空白处必须加以说明,如表1-1-2所示。
汽车电路图是利用图形符号和文字符号,表示汽车电路构成、连接关系和工作原理,而不考虑其实际安装位置的一种简图。
为了使电路图具有通用性,便于进行技术交流,构成电路图的图形符号和文字符号,不是随意的,它有统一的国家标准和国际标准。
要看懂电路图,必须了解图形符号和文字符号的含义、标注原则和使用方法。
一、图形符号图形符号是用于电气图或其他文件中的表示项目或概念的一种图形、标记或字符,是电气技术领域中最基本的工程语言。
因此,为了看懂汽车电路图,我们要掌握和熟练地运用它。
常用的图形符号见表1-1-1所列。
图形符号分为基本符号、一般符号和明细符号3种。
1、基本符号基本符号不能单独使用,不表示独立的电器元件,只说明电路的某些特征。
如:“—”表示直流,“~”表示交流,“+”表示电源的正极,“-”表示电源的负极,“N”表示中性线。
2、一般符号一般符号用以表示一类产品和此类产品特征的一种简单符号。
如:表示指示仪表的一般符号,表示传感器的一般符号。
一般符号广义上代表各类元器件,另外,也可以表示没有附加信息或功能的具体元件,如:一般电阻、电容等。
3、明细符号明细符号表示某一种具体的电器元件。
它是由基本符号、一般符号、物理量符号、文字符号等组合派生出来的。
如:是指示仪表的一般符号,当要表示电流、电压的种类和特点时,将“*”处换成“A”、“V”,就成为明细符号。
表示电流表,表示电压表。
另外,对标准中没有规定的符号,可以选取标准中给定的基本符号、一般符号和明细符号,按规定的组合原则进行派生,以构成完整的元件或设备的图形符号,但在图样的空白处必须加以说明,如表1-1-2所示。
将天线的一般符号和直流电动机的一般符号进行组合,就构成了电动天线的图形符号。
表1-1-2 电动天线的组合示例图形符说明号天线的一般符号直流电动机的一般符号电动机天线的派生符号4、图形符号的使用原则(1)首先选用优选形。
(2)在满足条件的情况下,首先采用最简单的形式,但图形符号必须完整。
汽车电路图常用符号共有 0 条回复件上一篇 / 下一篇2011-01-23 17:36:30查看( 635 ) / 评论( 1 ) / 评分( 1 / 0 )摘要:汽车电路图是使用图形符号和笔墨符号,表示汽车电路构成、连接关系和工做道理,而不考虑着实际安装位置的一种简图。
为了使电路图具有通用性,便于进行技术交流,构成电路图的图形符号和笔墨符号,不是随便的,它 ... - 汽车电路图是使用图形符号和笔墨符号,表示汽车电路构成、连接关系和工做道理,而不考虑着实际安装位置的一种简图。
为了使电路图具有通用性,便于进行技术交流,构成电路图的图形符号和笔墨符号,不是随便的,它有同一的国家标准和国际标准。
要看懂电路图,必须相识图形符号和笔墨符号的含义、标注原则和使用方法。
1、图形符号图形符号是用于电气图或其他文件中的表示项目或概念的一种图形、标记或字符,是电气技术领域中最基本的工程语言。
因此,为了看懂汽车电路图,我们要把握和熟练地应用它。
图形符号分为基本符号、一样平常符号和明细符号3种。
1、基本符号基本符号不能单独使用,不表示独立的电器元件,只说明电路的某些特性。
如:“—”表示直流,“~”表示交流,“+”表示电源的正极,“-”表示电源的负极,“N”表示中性线。
2、一样平常符号一样平常符号用以表示一类产品和此类产品特性的一种简单符号。
如:表示唆使仪表的一样平常符号,表示传感器的一样平常符号。
一样平常符号广义上代表各类元器件,另外,也能够表示没有附加信息或功能的具体元件,如:一样平常电阻、电容等。
3、明细符号明细符号表示某一种具体的电器元件。
它是由基本符号、一样平常符号、物理量符号、笔墨符号等组合派生出来的。
如:是唆使仪表的一样平常符号,当要表示电流、电压的种类和特点时,将“*”处换成“A”、“V”,就成为明细符号。
表示电流表,表示电压表。
4、图形符号的使用原则(1)首先选用优选形。
(2)在满足条件的环境下,首先采用最简单的情势,但图形符号必须完备。
汽车电路图就是利用图形符号与文字符号,表示汽车电路构成、连接关系与工作原理,而不考虑其实际安装位置得一种简图。
为了使电路图具有通用性,便于进行技术交流,构成电路图得图形符号与文字符号,不就是随意得,它有统一得国家标准与国际标准。
要瞧懂电路图,必须了解图形符号与文字符号得含义、标注原则与使用方法。
一、图形符号图形符号就是用于电气图或其她文件中得表示项目或概念得一种图形、标记或字符,就是电气技术领域中最基本得工程语言。
因此,为了瞧懂汽车电路图,我们要掌握与熟练地运用它。
常用得图形符号见表1-1-1所列。
图形符号分为基本符号、一般符号与明细符号3种。
1、基本符号基本符号不能单独使用,不表示独立得电器元件,只说明电路得某些特征。
如:“—”表示直流,“~”表示交流,“+”表示电源得正极,“-”表示电源得负极,“N”表示中性线。
2、一般符号一般符号用以表示一类产品与此类产品特征得一种简单符号。
如:表示指示仪表得一般符号,表示传感器得一般符号。
一般符号广义上代表各类元器件,另外,也可以表示没有附加信息或功能得具体元件,如:一般电阻、电容等。
3、明细符号明细符号表示某一种具体得电器元件。
它就是由基本符号、一般符号、物理量符号、文字符号等组合派生出来得。
如:就是指示仪表得一般符号,当要表示电流、电压得种类与特点时,将“*”处换成“A”、“V”,就成为明细符号。
表示电流表,表示电压表。
另外,对标准中没有规定得符号,可以选取标准中给定得基本符号、一般符号与明细符号,按规定得组合原则进行派生,以构成完整得元件或设备得图形符号,但在图样得空白处必须加以说明,如表1-1-2所示。
将天线得一般符号与直流电动机得一般符号进行组合,就构成了电动天线得图形符号。
图形符号说明天线得一般符号直流电动机得一般符号电动机天线得派生符号4、图形符号得使用原则(1)首先选用优选形。
(2)在满足条件得情况下,首先采用最简单得形式,但图形符号必须完整。
汽车电路图是利用图形符号和文字符号,表示汽车电路构成、连接关系和工作原理,而不考虑其实际安装位置的一种简图。
为了使电路图具有通用性,便于进行技术交流,构成电路图的图形符号和文字符号,不是随意的,它有统一的国家标准和国际标准。
要看懂电路图,必须了解图形符号和文字符号的含义、标注原则和使用方法。
一、图形符号图形符号是用于电气图或其他文件中的表示项目或概念的一种图形、标记或字符,是电气技术领域中最基本的工程语言。
因此,为了看懂汽车电路图,我们要掌握和熟练地运用它。
常用的图形符号见表1-1-1所列。
图形符号分为基本符号、一般符号和明细符号3种。
1、基本符号基本符号不能单独使用,不表示独立的电器元件,只说明电路的某些特征。
如:“—”表示直流,“~”表示交流,“+”表示电源的正极,“-”表示电源的负极,“N”表示中性线。
2、一般符号一般符号用以表示一类产品和此类产品特征的一种简单符号。
如:表示指示仪表的一般符号,表示传感器的一般符号。
一般符号广义上代表各类元器件,另外,也可以表示没有附加信息或功能的具体元件,如:一般电阻、电容等。
3、明细符号明细符号表示某一种具体的电器元件。
它是由基本符号、一般符号、物理量符号、文字符号等组合派生出来的。
如:是指示仪表的一般符号,当要表示电流、电压的种类和特点时,将“*”处换成“A”、“V”,就成为明细符号。
表示电流表,表示电压表。
另外,对标准中没有规定的符号,可以选取标准中给定的基本符号、一般符号和明细符号,按规定的组合原则进行派生,以构成完整的元件或设备的图形符号,但在图样的空白处必须加以说明,如表1-1-2所示。
将天线的一般符号和直流电动机的一般符号进行组合,就构成了电动天线的图形符号。
4、图形符号的使用原则(1)首先选用优选形。
(2)在满足条件的情况下,首先采用最简单的形式,但图形符号必须完整。
(3)在同一份电路图中同一图形符号采用同一种形式。
(4)符号方位不是固定的,在不改变符号意义的前提下,符号可根据图面布置的需要旋转或成镜像放置,但文字和指示方向不得倒置。
汽车电路图是利用图形符号和文字符号,表示汽车电路构成、连接关系和工作原理,而不考虑其实际安装位置的一种简图。
为了使电路图具有通用性,便于进行技术交流,构成电路图的图形符号和文字符号,不是随意的,它有统一的国家标准和国际标准。
要看懂电路图,必须了解图形符号和文字符号的含义、标注原则和使用方法。
一、图形符号图形符号是用于电气图或其他文件中的表示项目或概念的一种图形、标记或字符,是电气技术领域中最基本的工程语言。
因此,为了看懂汽车电路图,我们要掌握和熟练地运用它。
常用的图形符号见表1-1-1所列。
图形符号分为基本符号、一般符号和明细符号3种。
1、基本符号基本符号不能单独使用,不表示独立的电器元件,只说明电路的某些特征。
如:“—”表示直流,“~”表示交流,“+”表示电源的正极,“-”表示电源的负极,“N”表示中性线。
2、一般符号一般符号用以表示一类产品和此类产品特征的一种简单符号。
如:表示指示仪表的一般符号,表示传感器的一般符号。
一般符号广义上代表各类元器件,另外,也可以表示没有附加信息或功能的具体元件,如:一般电阻、电容等。
3、明细符号明细符号表示某一种具体的电器元件。
它是由基本符号、一般符号、物理量符号、文字符号等组合派生出来的。
如:是指示仪表的一般符号,当要表示电流、电压的种类和特点时,将“*”处换成“A”、“V”,就成为明细符号。
表示电流表,表示电压表。
另外,对标准中没有规定的符号,可以选取标准中给定的基本符号、一般符号和明细符号,按规定的组合原则进行派生,以构成完整的元件或设备的图形符号,但在图样的空白处必须加以说明,如表1-1-2所示。
将天线的一般符号和直流电动机的一般符号进行组合,就构成了电动天线的图形符号。
图形符号说明天线的一般符号直流电动机的一般符号电动机天线的派生符号4、图形符号的使用原则(1)首先选用优选形。
(2)在满足条件的情况下,首先采用最简单的形式,但图形符号必须完整。
(3)在同一份电路图中同一图形符号采用同一种形式。
第一章汽车电气线路图读图基础第一节汽车电路图常用符号汽车电路图是利用图形符号和文字符号,表示汽车电路构成、连接关系和工作原理,而不考虑其实际安装位置的一种简图。
为了使电路图具有通用性,便于进行技术交流,构成电路图的图形符号和文字符号,不是随意的,它有统一的国家标准和国际标准。
要看懂电路图,必须了解图形符号和文字符号的含义、标注原则和使用方法。
一、图形符号图形符号是用于电气图或其他文件中的表示项目或概念的一种图形、标记或字符,是电气技术领域中最基本的工程语言。
因此,为了看懂汽车电路图,我们要掌握和熟练地运用它。
常用的图形符号见表1-1-1所列。
图形符号分为基本符号、一般符号和明细符号3种。
1、基本符号基本符号不能单独使用,不表示独立的电器元件,只说明电路的某些特征。
如:“—”表示直流,“~”表示交流,“+”表示电源的正极,“-”表示电源的负极,“N”表示中性线。
2、一般符号一般符号用以表示一类产品和此类产品特征的一种简单符号。
如:表示指示仪表的一般符号,表示传感器的一般符号。
一般符号广义上代表各类元器件,另外,也可以表示没有附加信息或功能的具体元件,如:一般电阻、电容等。
3、明细符号明细符号表示某一种具体的电器元件。
它是由基本符号、一般符号、物理量符号、文字符号等组合派生出来的。
如:是指示仪表的一般符号,当要表示电流、电压的种类和特点时,将“*”处换成“A”、“V”,就成为明细符号。
表示电流表,表示电压表。
一、常用基本符号序号名称图形符号序号名称图形符号1 直流 6 中性点N2 交流7 磁场 F3 交直流8 搭铁4 正极9 交流发电机输出接柱 B5 负极10 磁场二极管输出端D+二、导线端子和导线连接11 接点●18 插头和插座12 端子○19 多极插头和插座(示出的为三极)13 导线的连接14 导线的分支连接另外,对标准中没有规定的符号,可以选取标准中给定的基本符号、一般符号和明细符号,按规定的组合原则进行派生,以构成完整的元件或设备的图形符号,但在图样的空白处必须加以说明,如表1-1-2所示。