【CN209767831U】一种电热膜烙铁的温度控制系统【专利】
- 格式:pdf
- 大小:277.57 KB
- 文档页数:5
(19)中华人民共和国国家知识产权局(12)实用新型专利(10)授权公告号 (45)授权公告日 (21)申请号 201920204217.2(22)申请日 2019.02.15(73)专利权人 山东大学地址 250061 山东省济南市历下区经十路17923号
(72)发明人 杨汉 黄俊杰 王鑫煜 郝英剑 宫宁
(74)专利代理机构 济南圣达知识产权代理有限公司 37221代理人 张庆骞
(51)Int.Cl.H02N 11/00(2006.01)
H02J 7/32(2006.01)
(ESM)同样的发明创造已同日申请发明专利
(54)实用新型名称一种热电转换装置(57)摘要本公开提供了一种热电转换装置,包括:温度及亮度监控模块、热电转换模块和储能模块;所述温度及亮度监控模块包括温度传感器,其用于实时检测外界的温度并传送至微处理器;亮度传感器,其用于实时检测外界的亮度并传送至微处理器;所述微处理器与光控开关和温控开关分别相连;所述光控开关和温控开关并联连接之后依次与储能模块和热电转换模块串联连接形成回路。
权利要求书1页 说明书3页 附图3页
CN 209593320 U2019.11.05
CN 209593320 U1.一种热电转换装置,其特征在于,包括:温度及亮度监控模块、热电转换模块和储能模块;所述温度及亮度监控模块包括温度传感器,其用于实时检测外界的温度并传送至微处理器;亮度传感器,其用于实时检测外界的亮度并传送至微处理器;所述微处理器与光控开关和温控开关分别相连;所述光控开关和温控开关并联连接之后依次与储能模块和热电转换模块串联连接形成回路。2.如权利要求1所述的一种热电转换装置,其特征在于,所述热电转换模块包括:温差发电片,所述温差发电片的冷面与散热器相连,所述温差发电片的热面通过导热板与热源表面固定连接。3.如权利要求2所述的一种热电转换装置,其特征在于,所述温差发电片的边缘由绝热材料和磁铁填充。4.如权利要求2所述的一种热电转换装置,其特征在于,所述温差发电片上还连接有导线。5.如权利要求1所述的一种热电转换装置,其特征在于,所述温度及亮度监控模块还与显示模块相连。6.如权利要求1所述的一种热电转换装置,其特征在于,所述储能模块为蓄电池。
(19)中华人民共和国国家知识产权局(12)实用新型专利(10)授权公告号 (45)授权公告日 (21)申请号 201920338004.9(22)申请日 2019.03.18(73)专利权人 常州铂林热处理有限公司地址 213000 江苏省常州市天宁区郑陆镇三皇庙村、花园村(72)发明人 王鹤 (74)专利代理机构 常州市夏成专利事务所(普通合伙) 32233代理人 蒋丹(51)Int.Cl.G05D 23/22(2006.01)(54)实用新型名称表面处理设备温度控制系统(57)摘要本实用新型涉及温度控制系统技术领域,尤其是一种表面处理设备温度控制系统。
该温度控制系统包括温度热电偶、控制柜、温度控制表、PLC微电脑和电流功率控制器,所述温度热电偶连接控制柜内的温度控制表,温度控制表与PLC微电脑相连,PLC微电脑连接电流功率控制器。
该实用新型在设备内部增加温度监控和调节系统,通过多控测温系统来有效控制炉内实际的加热温度,具有可持续改变设备加热功率的大小、升温速度快、温度波动小、控温效果好、自动化程度高、氮化质量可靠等特点。
权利要求书1页 说明书2页 附图1页CN 209728540 U 2019.12.03C N 209728540U权 利 要 求 书1/1页CN 209728540 U1.一种表面处理设备温度控制系统,其特征是,包括温度热电偶(1)、控制柜(2)、温度控制表(3)、PLC微电脑(4)和电流功率控制器(5),所述温度热电偶(1)连接控制柜(2)内的温度控制表(3),温度控制表(3)与PLC微电脑(4)相连,PLC微电脑(4)连接电流功率控制器(5)。
2.根据权利要求1所述的表面处理设备温度控制系统,其特征是,所述温度热电偶(1)由热电极(6)、绝缘套保护管(7)和接线盒(8)组成,热电极(6)安装在绝缘套保护管(7)内,绝缘套保护管(7)上端安装有接线盒(8)。
3.根据权利要求1所述的表面处理设备温度控制系统,其特征是,所述温度热电偶(1)上设置有冷却装置(9),温度热电偶(1)的顶端设置有温度显示器(10)。
(19)中华人民共和国国家知识产权局(12)实用新型专利(10)授权公告号 (45)授权公告日 (21)申请号 201920593929.8(22)申请日 2019.04.28(73)专利权人 九阳股份有限公司地址 250117 山东省济南市槐荫区美里路999号(72)发明人 朱泽春 周建东 赵志巍 徐胜 (51)Int.Cl.G05D 23/32(2006.01)(54)实用新型名称一种加热器具的控制系统和加热器具(57)摘要本实用新型公开了一种加热器具的控制系统和加热器具,加热器具的控制系统包括:控制模块和加热器件,还包括:驱动模块,用于控制加热器件通断,和电源模块,用于向控制模块和驱动模块输出一路共用的预设电压值;其中,电源模块分别与控制模块和驱动模块连通。
本实用新型公开的加热器具的控制系统和加热器具,可以为所有模块提供一统一的电源电压,去除了中间电压的转换模块,减少了多余的功率损耗。
权利要求书1页 说明书7页 附图5页CN 209525604 U 2019.10.22C N 209525604U权 利 要 求 书1/1页CN 209525604 U1.一种加热器具的控制系统,包括:控制模块和加热器件,其特征在于,所述控制系统还包括:驱动模块,用于控制所述加热器件通断,和电源模块,用于向所述控制模块和所述驱动模块输出一路共用的预设电压值;其中:所述电源模块分别与所述控制模块和所述驱动模块连通。
2.根据权利要求1所述的控制系统,其特征在于,所述预设电压值为5V。
3.根据权利要求2所述的控制系统,其特征在于,所述电源模块包括开关电压模块,所述开关电压模块包括内部设有电压控制电路的控制芯片,所述电压控制电路包括误差放大器EA,EA的一个信号输入端与所述控制芯片的反馈引脚FB连通。
4.根据权利要求3所述的控制系统,其特征在于,所述开关电压模块还包括稳压电路,所述稳压电路包括:两个二极管D2和D3、电容C1、电感L2、电解电容EC4和电阻R3;其中:D3的负极分别与所述控制芯片的FB引脚和C1的一端连通,且D3和C1串联,串联后分别依次与L2、EC4和R3并联;D3的正极、L2的一端、EC4的正极和R3的一端分别接到零线L上,C1的一端、L2的另一端、EC4的负极和R3的另一端分别与所述控制芯片的接地引脚GND连通;D2的正极与EC4接GND的一端连通,D2负极与L2接GND的一端连通。
(19)中华人民共和国国家知识产权局(12)实用新型专利(10)授权公告号 (45)授权公告日 (21)申请号 201920407056.7(22)申请日 2019.03.27(73)专利权人 西安西拓交通设施公司地址 710068 陕西省西安市朱雀大街69号(72)发明人 薛延军 (51)Int.Cl.E01C 23/20(2006.01)(54)实用新型名称一种便于温度控制的热熔釜(57)摘要本实用新型公开了一种便于温度控制的热熔釜,包括机架,所述机架设置有加热缸以及加热组件,所述机架设置有进料口以及出料口,所述加热缸内设置有温度传感器,所述温度传感器电性连接有显示屏,所述机架固定连接有伸缩杆,所述伸缩杆包括相互卡接的第一套杆以及第二套杆,所述温度传感器与所述第二套杆固定连接,所述伸缩杆为中空设置;所述第二套杆上设置有固定孔,所述机架滑动连接有插接杆,所述插接杆插接于所述固定孔内,所述机架上设置有驱动所述温度传感器朝向熔融涂料内运动的驱动组件。
通过上述技术方案,温度传感器对加热缸内物料的温度进行实时监控,控制物料排出至划线机的温度,提高划线工作质量。
权利要求书1页 说明书4页 附图5页CN 209741639 U 2019.12.06C N 209741639U权 利 要 求 书1/1页CN 209741639 U1.一种便于温度控制的热熔釜,包括机架(1),所述机架(1)设置有加热缸(2)以及加热组件,所述机架(1)设置有进料口以及出料口(4),其特征在于:所述加热缸(2)内设置有温度传感器(3),所述温度传感器(3)电性连接有显示屏(5),所述机架(1)固定连接有伸缩杆(6),所述伸缩杆(6)包括相互卡接的第一套杆(7)以及第二套杆(8),所述温度传感器(3)与所述第二套杆(8)固定连接,所述伸缩杆(6)为中空设置;所述第二套杆(8)上设置有固定孔(9),所述机架(1)滑动连接有插接杆(10),所述插接杆(10)插接于所述固定孔(9)内,所述机架(1)上设置有驱动所述温度传感器(3)朝向熔融涂料内运动的驱动组件(11)。
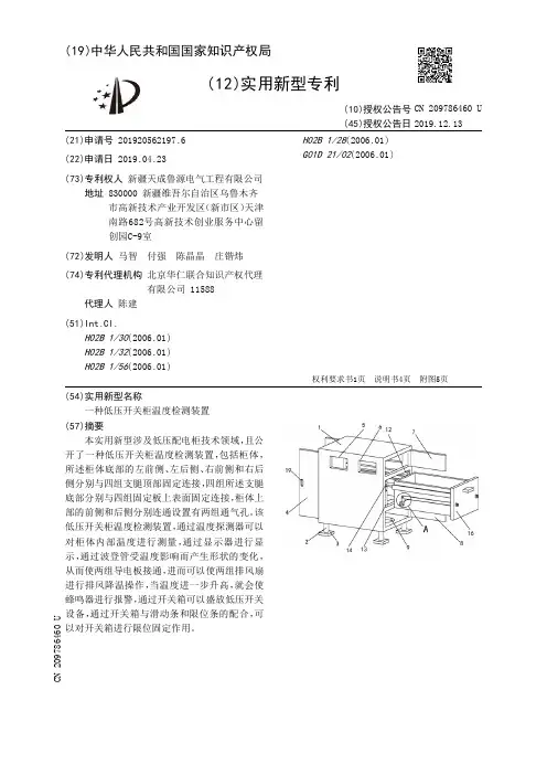
(19)中华人民共和国国家知识产权局(12)实用新型专利(10)授权公告号 (45)授权公告日 (21)申请号 201920562197.6(22)申请日 2019.04.23(73)专利权人 新疆天成鲁源电气工程有限公司地址 830000 新疆维吾尔自治区乌鲁木齐市高新技术产业开发区(新市区)天津南路682号高新技术创业服务中心留创园C-9室(72)发明人 马智 付强 陈晶晶 庄锴炜 (74)专利代理机构 北京华仁联合知识产权代理有限公司 11588代理人 陈建(51)Int.Cl.H02B 1/30(2006.01)H02B 1/32(2006.01)H02B 1/56(2006.01)H02B 1/28(2006.01)G01D 21/02(2006.01)(54)实用新型名称一种低压开关柜温度检测装置(57)摘要本实用新型涉及低压配电柜技术领域,且公开了一种低压开关柜温度检测装置,包括柜体,所述柜体底部的左前侧、左后侧、右前侧和右后侧分别与四组支腿顶部固定连接,四组所述支腿底部分别与四组固定板上表面固定连接,柜体上部的前侧和后侧分别连通设置有两组通气孔。
该低压开关柜温度检测装置,通过温度探测器可以对柜体内部温度进行测量,通过显示器进行显示,通过波登管受温度影响而产生形状的变化,从而使两组导电板接通,进而可以使两组排风扇进行排风降温操作,当温度进一步升高,就会使蜂鸣器进行报警,通过开关箱可以盛放低压开关设备,通过开关箱与滑动条和限位条的配合,可以对开关箱进行限位固定作用。
权利要求书1页 说明书4页 附图5页CN 209786460 U 2019.12.13C N 209786460U权 利 要 求 书1/1页CN 209786460 U1.一种低压开关柜温度检测装置,包括柜体(1),其特征在于:所述柜体(1)底部的左前侧、左后侧、右前侧和右后侧分别与四组支腿(2)顶部固定连接,四组所述支腿(2)底部分别与四组固定板(3)上表面固定连接,柜体(1)左侧连通设置有操作口,操作口的前侧和后侧分别与两组操作门(4)转动连接,柜体(1)上部的前侧和后侧分别连通设置有两组通气孔(5),四组所述通气孔(5)上均设置有过滤装置(6),柜体(1)右侧壁顶部和底部均设置有观察孔,两组观察孔后侧分别与上观察门(7)和下观察门(8)后侧转动连接,柜体(1)底侧壁上连通设置有两组出气孔(9)和两组线孔(10),两组所述出气孔(9)内设置有两组排风扇(11),柜体(1)内前侧壁和后侧壁中部均设置有滑动条(12)和限位条(13),两组所述滑动条(12)上均设置有滑动槽(14),两组所述限位条(13)上均设置有滑动限位槽(15),柜体(1)中部设置有开关箱(16),所述开关箱(16)包括箱体(161),所述箱体(161)底部连通设置有通风孔组(162),箱体(161)顶部设置有工作口,箱体(161)前侧壁和后侧壁上部均固定连接有滑条(163),两组所述滑条(163)分别与两组滑动槽(14)相适配,箱体(161)前侧壁和后侧壁下部均设置有拉动槽,两组所述拉动槽内均设置有第一拉杆(164),两组所述第一拉杆(164)底部分别与两组转轴(165)一端固定连接,两组所述转轴(165)外侧分别包裹有滚轮(166),两组所述滚轮(166)分别与两组滑动限位槽(15)相适配,两组第一拉杆(164)顶部分别与两组第二拉杆(167)左端转动连接,两组所述第二拉杆(167)右端分别穿过开关箱(16)右侧壁伸出至开关箱(16)右侧,两组拉杆右端均设置有手拉孔(168),开关箱(16)右侧壁上固定连接有把手块(169),柜体(1)内部设置有探测装置(17),所述探测装置(17)包括探测箱(171),所述探测箱(171)内部设置有温度探测器(172)和蜂鸣器(173),所述蜂鸣器(173)与温度探测器(172)电连接,探测箱(171)内底部固定连接有两组绝缘柱(174),两组绝缘柱(174)顶部分别与两组导电板(175)一端固定连接,两组所述导电板(175)另一端均穿过探测箱(171)与两组排风扇(11)并联电连接,两组所述绝缘柱(174)中位于右侧的绝缘柱(174)顶部与波登管(176)一端固定连接,所述波登管(176)一端与两组导电板(175)中位于右侧的导电板(175)一端接触。
(19)中华人民共和国国家知识产权局(12)实用新型专利(10)授权公告号 (45)授权公告日 (21)申请号 201920550387.6(22)申请日 2019.04.22(73)专利权人 苏州玛吉纳精密机械有限公司地址 215000 江苏省苏州市吴中区木渎镇雀梅东路22号(72)发明人 邵耀东 (74)专利代理机构 成都明涛智创专利代理有限公司 51289代理人 王巍敏(51)Int.Cl.F24H 7/02(2006.01)F24H 9/00(2006.01)F24H 9/18(2006.01)F24H 9/20(2006.01)(54)实用新型名称一种用于胶水加热的装置(57)摘要一种用于胶水加热的装置,包括外桶、内桶;所述内桶固定安装于外桶内部,所述内桶上方设有进胶管,所述进胶管向上凸出一定高度,所述内桶一侧设有出胶管,所述出胶管贯穿所述外桶、所述内桶内外表面且向外凸出一定长度,未工作时出胶管处于密封状态;所述外桶与所述内桶之间组成的区域为导热油区,所述导热油区内设有导热油;所述导热油区内设有加热管,所述加热管未工作时处于密封状态,本实用新型间接通过导热油对胶水进行加热,使得胶水质量得到保证,成本低廉;通过配备搅拌电机和搅拌盘,使加热更均匀;设有加热偶方便对胶水加热温度进行监测控制。
权利要求书1页 说明书2页 附图1页CN 209960763 U 2020.01.17C N 209960763U权 利 要 求 书1/1页CN 209960763 U1.一种用于胶水加热的装置,包括外桶、内桶;其特征在于:所述内桶固定安装于外桶内部,所述内桶上方设有进胶管,所述进胶管向上凸出一定高度,所述内桶一侧设有出胶管,所述出胶管贯穿所述外桶、所述内桶内外表面且向外凸出一定长度,未工作时出胶管处于密封状态;所述外桶与所述内桶之间组成的区域为导热油区,所述导热油区内设有导热油;所述导热油区内设有加热管,所述加热管未工作时处于密封状态。
(19)中华人民共和国国家知识产权局(12)实用新型专利(10)授权公告号 (45)授权公告日 (21)申请号 201920257595.7(22)申请日 2019.02.28(73)专利权人 厦门怡钛积科技有限公司地址 361000 福建省厦门市火炬高新区信息光电园金丰大厦101室(林后西路1号)(72)发明人 谢亮 (74)专利代理机构 厦门原创专利事务所(普通合伙) 35101代理人 徐东峰(51)Int.Cl.B29C 35/04(2006.01)(54)实用新型名称一种具有调节功能的光学膜烘烤设备(57)摘要本实用新型涉及烘烤设备技术领域,且公开了一种具有调节功能的光学膜烘烤设备,包括烘烤箱本体、制冷腔、缓冲腔室、烘烤室与两个烘烤盘,所述制冷腔位于烘烤箱本体内腔的底部,所述烘烤室的底部与制冷腔的顶部固定连接,所述缓冲腔室的左侧与烘烤室的右侧面固定连接,两个烘烤盘均设置在烘烤室的内腔中。
本实用新型通过设置风机与热交换机使得自然风变为热风,通过第一风嘴与第二风嘴将热风传递入烘烤室中,对烘烤盘上放置有的光学膜进行烘烤,而在烘烤室的底部设置压缩机、冷凝器、冷藏毛细管,可以防止烘烤室内的温度过高而对光学膜产生影响,相较于传统的光学膜烘烤设备而言,该烘烤箱真正做到了减少光学膜的损毁率。
权利要求书1页 说明书3页 附图2页CN 209755840 U 2019.12.10C N 209755840U权 利 要 求 书1/1页CN 209755840 U1.一种具有调节功能的光学膜烘烤设备,包括烘烤箱本体(1)、制冷腔(8)、缓冲腔室(13)、烘烤室(15)与两个烘烤盘(18),其特征在于:所述制冷腔(8)位于烘烤箱本体(1)内腔的底部,所述烘烤室(15)的底部与制冷腔(8)的顶部固定连接,所述缓冲腔室(13)的左侧与烘烤室(15)的右侧面固定连接,两个所述烘烤盘(18)均设置在烘烤室(15)的内腔中,所述制冷腔(8)内腔底部的中间位置固定安装有压缩机(9),位于所述压缩机(9)的左右两侧分别固定安装有冷凝器(10),所述压缩机(9)的输出端固定连接有冷藏毛细管(11),所述冷藏毛细管(11)远离压缩机(9)的一端与冷凝器(10)的接入端固定连接,所述烘烤箱本体(1)内腔的右侧固定安装有风机(12),所述风机(12)的顶部固定连接有热交换机(14),所述缓冲腔室(13)内腔的右侧面固定安装有第二风嘴(20),所述第二风嘴(20)的一侧面与热交换机(14)固定连接,所述烘烤箱本体(1)的顶部设置有凸起部(5),且凸起部(5)为锥形空腔设置,所述凸起部(5)的顶部中间位置固定安装有连通管(6),所述连通管(6)远离凸起部(5)的一侧固定连接有吸风机(7),所述烘烤箱本体(1)的底部四角固定安装有行走轮(4);所述烘烤室(15)的顶部固定安装有第一风嘴(16),所述烘烤室(15)内壁的左右两侧固定安装有滑道(17),两个所述烘烤盘(18)的左右两侧均固定安装有自锁轮(19),所述烘烤盘(18)通过自锁轮(19)与滑道(17)活动连接。
(19)中华人民共和国国家知识产权局
(12)实用新型专利
(10)授权公告号 (45)授权公告日 (21)申请号 201920228701.9
(22)申请日 2019.02.22
(73)专利权人 焦烨
地址 100031 北京市西城区太平街20号旁
门1号楼2门302号
专利权人 王麒翔
(72)发明人 焦烨 王麒翔
(74)专利代理机构 北京律远专利代理事务所
(普通合伙) 11574
代理人 全成哲
(51)Int.Cl.
H05B 1/02(2006.01)
(54)实用新型名称
一种电热膜烙铁的温度控制系统
(57)摘要
电热膜烙铁的温度控制系统,包括单片机主
控模块,温度传感器,控制面板,积分电路,全隔
离单相交流调压模块,
单片机主控模块通过继电器传输开/关信号给电热膜发热面板;单片机主
控模块发出的PWM信号通过积分电路转换成模拟
电压传输给全隔离单相交流调压模块,全隔离单
相交流调压模块控制电热膜发热面板两端电压。
本实用新型采用继电器开、关和/或电压调节电
热膜面板两端电压的两种控制方式,实现温度的
迅速、准确、
平稳控制。
权利要求书1页 说明书2页 附图1页CN 209767831 U 2019.12.10
C N 209767831
U
权 利 要 求 书1/1页CN 209767831 U
1.一种电热膜烙铁的温度控制系统,包括单片机主控模块,继电器,温度传感器,控制面板,积分电路,全隔离单相交流调压模块,其特征在于,所述单片机主控模块包括单片机、外部时钟电路和复位电路;温度传感器探头检测电热膜发热面板温度,并转换成数字信号,经滤波后通过控制面板的数码管显示器显示;单片机主控模块通过继电器传输开/关信号给电热膜发热面板;单片机主控模块发出的PWM信号通过积分电路转换成模拟电压传输给全隔离单相交流调压模块,全隔离单相交流调压模块控制电热膜发热面板两端电压。
2.根据权利要求1所述的电热膜烙铁的温度控制系统,其特征在于,所述单片机型号为STC89C52,全隔离单相交流调压模块的型号为HHT3-U\22。
3.根据权利要求2所述的电热膜烙铁的温度控制系统,其特征在于,还包括电压抖动平衡模块。
2。